【CN210183993U】垂直绿化系统【专利】
- 格式:pdf
- 大小:861.34 KB
- 文档页数:14
(19)中华人民共和国国家知识产权局(12)实用新型专利(10)授权公告号 (45)授权公告日 (21)申请号 201920667107.X(22)申请日 2019.05.10(73)专利权人 广西天缘绿生物科技有限公司地址 530031 广西壮族自治区南宁市江南区国凯大道东一支路8号(72)发明人 李玉强 (74)专利代理机构 北京科家知识产权代理事务所(普通合伙) 11427代理人 陈娟(51)Int.Cl.B01D 33/27(2006.01)B01D 33/39(2006.01)(54)实用新型名称一种蕉科植物提取工艺中的过滤装置(57)摘要本实用新型公开了一种蕉科植物提取工艺中的过滤装置,包括一负责收集滤液用的罐体,所述罐体的底部轴心位置处上凸后形成内管,在所述罐体的顶部设置有一开口,通过所述开口装配有一分离罐,所述分离罐与所述罐体同轴设置,所述分离罐的下端加工有一导出管,所述导出管的直径小于所述分离罐的直径,所述导出管与所述分离罐之间倾斜过渡,所述导出管穿过所述内管后延伸至所述罐体的外部,所述导出管与所述内管之间配合有轴承,在所述分离罐的外壁处加工有两个以上的槽口,在所述槽口内焊接有不锈钢材质的滤网;本产品可以持续进行离心分离。
权利要求书1页 说明书3页 附图3页CN 210021380 U 2020.02.07C N 210021380U权 利 要 求 书1/1页CN 210021380 U1.一种蕉科植物提取工艺中的过滤装置,其特征在于:包括一负责收集滤液用的罐体,所述罐体的底部轴心位置处上凸后形成内管,在所述罐体的顶部设置有一开口,通过所述开口装配有一分离罐,所述分离罐与所述罐体同轴设置,所述分离罐的下端加工有一导出管,所述导出管的直径小于所述分离罐的直径,所述导出管与所述分离罐之间倾斜过渡,所述导出管穿过所述内管后延伸至所述罐体的外部,所述导出管与所述内管之间配合有轴承,在所述分离罐的外壁处加工有两个以上的槽口,在所述槽口内焊接有不锈钢材质的滤网,所述滤网的网孔孔径为0.55mm~2.10mm,在所述分离罐的顶部加工有一开口杯,所述开口杯为锥形,所述开口杯位于所述罐体的外部,在所述罐体的外部螺丝固定有一电机,所述电机的输出位置处键连接有主动带轮,所述导出管的外部焊接有从动带轮,所述主动带轮与所述从动带轮之间装配有传动带,在所述罐体的底部焊接有一导出滤液用的导管,在所述罐体的外部焊接有一支撑在地面上的支架。
(19)中华人民共和国国家知识产权局(12)实用新型专利(10)授权公告号 (45)授权公告日 (21)申请号 201920663121.2(22)申请日 2019.05.09(73)专利权人 嘉兴市宇辉建设工程有限公司地址 314200 浙江省嘉兴市乍浦外环路453#至457#三楼(72)发明人 蒋秀利 杨勇斌 沈加良 (51)Int.Cl.B09C 1/00(2006.01)B09C 1/06(2006.01)(54)实用新型名称一种市政绿化土壤环保修复处理装置(57)摘要本实用新型公开了一种市政绿化土壤环保修复处理装置,包括主体架,主体架一侧固定连接有输送装置,输送转装置包括传送皮带和机架,传送皮带靠近底面一侧转动连接有辊轴,机架一侧固定连接有用于驱动辊轴的电动机一,电动机一输出轴固定连接有主动轮,主动轮外表面转动连接有皮带轮,机架位于辊轴前端固定连接有从动辊,皮带轮另一侧内表面转动连接有从动轮,从动轮安装在从动辊上,主体架另一侧固定连接有加热箱,加热箱上端面连通有进料口,进料口内部一侧固定连接有碾碎辊,本实用新型结构合理,通过设置加热箱可以提高土壤的稳定,有效消灭土壤中的有机物,通过设置搅拌片可以搅动土壤使土壤受热均匀,进一步提高消灭土壤中的有机物。
权利要求书1页 说明书4页 附图2页CN 210188033 U 2020.03.27C N 210188033U权 利 要 求 书1/1页CN 210188033 U1.一种市政绿化土壤环保修复处理装置,包括主体架(1),其特征在于,所述主体架(1)一侧固定连接有输送装置(2),所述输送装置(2)包括传送皮带(3)和机架(4),所述传送皮带(3)靠近底面一侧转动连接有辊轴(5),所述机架(4)一侧固定连接有用于驱动辊轴(5)的电动机一(6),所述电动机一(6)输出轴固定连接有主动轮(7),所述主动轮(7)外表面转动连接有皮带轮(8),所述机架(4)位于辊轴(5)前端固定连接有从动辊(9),所述皮带轮(8)另一侧内表面转动连接有从动轮,所述从动轮安装在从动辊(9)上,所述主体架(1)另一侧固定连接有加热箱(12),所述加热箱(12)上端面连通有进料口,所述进料口内部一侧固定连接有碾碎辊(13),所述进料口内另一侧固定连接有与碾碎辊(13)配合的碾碎辅辊(14),所述加热箱(12)外侧固定连接有用于驱动碾碎辊(13)的电动机二(15),所述加热箱(12)内壁表面固定连接有若干加热杆(16),所述加热箱(12)底部开设有卸料口(17),所述卸料口(17)为两个,所述卸料口(17)之间固定连接有防护罩(18),所述防护罩(18)位于加热箱(12)外表面,所述防护罩(18)内固定连接有电动机三(19),所述电动机三(19)输出轴贯穿加热箱(12)底端面且固定连接有搅拌片(20)。
(19)中华人民共和国国家知识产权局(12)实用新型专利(10)授权公告号 (45)授权公告日 (21)申请号 201920500644.5(22)申请日 2019.04.15(73)专利权人 赵天喜地址 450000 河南省郑州市金水区农业东路30号13号楼66号(72)发明人 赵天喜 胡美娜 梅烨 王永义 (74)专利代理机构 郑州明德知识产权代理事务所(普通合伙) 41152代理人 张燕(51)Int.Cl.E03B 3/02(2006.01)C02F 9/04(2006.01)(54)实用新型名称绿化用雨水收集过滤箱(57)摘要本实用新型涉及一种绿化用雨水收集过滤箱,包括箱体,箱体由储水箱和过滤箱组成,过滤箱设置于储水箱上表面一端,过滤箱远离储水箱上表面一端的侧壁的上部设置有进水口,进水口向上外接有集雨漏斗,集雨漏斗内设置有第一过滤网,进水口下方的过滤箱内由上至下依次设置有第二过滤网和精过滤组合层,精过滤组合层下表面对应的过滤箱的底壁上设置有出水口,出水口贯穿过滤箱的底部和储水箱的顶部并伸入储水箱内。
本实用新型设计合理,结构简单,通过集雨漏斗将雨水收集导入到过滤箱内,先后经过第一、第二过滤网和精过滤组合层的多重过滤后进入储水箱内储存,能有效地将雨水收集过滤,充分利用雨水资源进行绿化,节约水资源。
权利要求书1页 说明书4页 附图4页CN 210002476 U 2020.01.31C N 210002476U权 利 要 求 书1/1页CN 210002476 U1.一种绿化用雨水收集过滤箱,包括箱体,其特征在于,所述箱体由储水箱和过滤箱组成,所述过滤箱设置于所述储水箱上表面一端,所述过滤箱远离所述储水箱上表面一端的侧壁的上部设置有进水口,所述进水口向上外接有集雨漏斗,所述集雨漏斗内设置有第一过滤网,所述进水口下方的所述过滤箱内由上至下依次设置有第二过滤网和精过滤组合层,所述精过滤组合层下表面对应的所述过滤箱的底壁上设置有出水口,所述出水口贯穿所述过滤箱的底部和储水箱的顶部并伸入所述储水箱内。
(19)中华人民共和国国家知识产权局(12)实用新型专利(10)授权公告号 (45)授权公告日 (21)申请号 201920630168.9(22)申请日 2019.05.05(73)专利权人 南京中科水治理股份有限公司地址 210046 江苏省南京市栖霞区灵山北路18号兰德地理信息产业园B区20幢(72)发明人 唐坦 吴梅玲 柴夏 董万成 陈淳 (74)专利代理机构 南京申云知识产权代理事务所(普通合伙) 32274代理人 王云(51)Int.Cl.E02B 3/06(2006.01)C02F 9/14(2006.01)(54)实用新型名称一种立体式雨水净化植物岸带(57)摘要本实用新型公开了一种立体式雨水净化植物岸带,属于雨水净化技术领域。
包括至少两级过滤装置,过滤装置之间为上下垂直结构,相邻两级过滤装置之间的距离为20-40cm;所述过滤装置包括覆土层、折流板和支撑板;所述支撑板的底端固定在生态岸带上,顶端与折流板的顶端连接,支撑板上设有覆土层;支撑板与水平面的夹角为3°-5°,折流板的底部固定在生态岸带上。
本实用新型解决了垂直或硬质边坡无法建立植物岸带的问题;并且观察降雨后岸边水质透明度,发现采用此种植物岸带的水透明度比未做处理的透明度提高至少30cm。
权利要求书1页 说明书3页 附图1页CN 210238421 U 2020.04.03C N 210238421U权 利 要 求 书1/1页CN 210238421 U1.一种立体式雨水净化植物岸带,其特征在于,包括至少两级过滤装置,过滤装置之间为垂直方向排列,相邻两级过滤装置之间的距离为20-40cm;所述过滤装置包括覆土层(1)、折流板(3)和支撑板(4);所述支撑板(4)的底部固定在生态岸带(6)上,支撑板(4)的顶端与折流板(3)的顶端连接,并形成水平面(7);支撑板(4)上设有覆土层(1),支撑板(4)与水平方向的夹角为3°-5°;折流板(3)的底部固定在生态岸带(6)上。
(19)中华人民共和国国家知识产权局(12)实用新型专利(10)授权公告号 (45)授权公告日 (21)申请号 201920331915.9(22)申请日 2019.03.15(73)专利权人 南京林业大学地址 210037 江苏省南京市玄武区159号南京林业大学
(72)发明人 喻正南 王晨曦 张耀 (74)专利代理机构 北京成实知识产权代理有限公司 11724代理人 张焱
(51)Int.Cl.E04H 1/12(2006.01)
E04F 11/18(2006.01)
(54)实用新型名称基于园林的绿化环保生态景观亭(57)摘要本实用新型提供基于园林的绿化环保生态景观亭,包括支撑柱、梯形凸起和顶盖;所述支撑柱为柱形空心结构,且所述内部设置有灯具等电性元件;每根所述支撑柱内侧位于所述储物盒上方位置均设置有一个所述充电插座;左侧两根所述支撑柱之间焊接有一个所述栏杆A,且右侧两根所述支撑柱之间也焊接有一个所述栏杆A;左侧所述栏杆A下横杆右端面呈矩形阵列状开设有六个所述梯形槽;右侧所述栏杆A下横杆左端面也呈矩形阵列状开设有六个所述梯形槽。本装置安全性和防范性能较高,因栏杆A左端面螺纹连接有一个固定螺栓,当儿童在本装置的栏杆A处攀爬玩耍时,可将栏杆B升起,并使用固定螺栓进行固定,可防止儿童从栏杆A处掉落受伤。
权利要求书1页 说明书4页 附图4页CN 209817512 U2019.12.20
CN 209817512 U1.基于园林的绿化环保生态景观亭,其特征在于:包括支撑柱(1)、异形孔(101)、储物盒(102)、充电插座(103)、栏杆A(2)、梯形槽(201)、栏杆B(3)、固定螺栓(301)、板凳(4)、梯形凸起(401)和顶盖(5);所述支撑柱(1)为柱形空心结构,且内部设置有灯具电性元件;每根所述支撑柱(1)内侧位于所述储物盒(102)上方位置均设置有一个所述充电插座(103);左侧两根所述支撑柱(1)之间焊接有一个所述栏杆A(2),且右侧两根所述支撑柱(1)之间也焊接有一个所述栏杆A(2);所述栏杆A(2)由上横杆、下横杆和八根竖杆焊接而成;左侧所述栏杆A(2)下横杆右端面呈矩形阵列状开设有六个所述梯形槽(201);右侧所述栏杆A(2)下横杆左端面也呈矩形阵列状开设有六个所述梯形槽(201)。2.如权利要求1所述基于园林的绿化环保生态景观亭,其特征在于:所述支撑柱(1)前端面、后端面、左端面和右端面上方位置开设有若干个所述异形孔(101),且所述异形孔(101)为月亮状、星形状以及圆形孔。3.如权利要求1所述基于园林的绿化环保生态景观亭,其特征在于:所述支撑柱(1)共设有四根,且每根所述支撑柱(1)内侧均呈矩形阵列状设置有三个所述储物盒(102)。4.如权利要求1所述基于园林的绿化环保生态景观亭,其特征在于:所述栏杆A(2)顶端面滑动连接有一个所述栏杆B(3),且所述栏杆A(2)左端面螺纹连接有一个所述固定螺栓(301),当儿童在本装置的所述栏杆A(2)处攀爬玩耍时,可将所述栏杆B(3)升起,并使用所述固定螺栓(301)进行固定。5.如权利要求1所述基于园林的绿化环保生态景观亭,其特征在于:所述板凳(4)为八棱柱状结构,且所述板凳(4)其中一个端面上焊接有一个所述梯形凸起(401),并且所述板凳(4)通过所述梯形凸起(401)与所述栏杆A (2)上的梯形槽(201)插接相连。
(19)中华人民共和国国家知识产权局(12)实用新型专利(10)授权公告号 (45)授权公告日 (21)申请号 201920551871.0(22)申请日 2019.04.22(73)专利权人 重庆联创建筑规划设计有限公司地址 400000 重庆市渝北区北部新区黄山大道中段3号6-1
(72)发明人 张惠 张荣 (51)Int.Cl.E03B 3/02(2006.01)
A01G 27/06(2006.01)
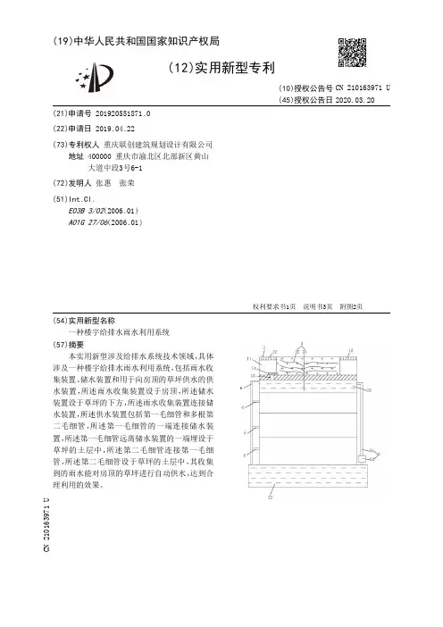
(54)实用新型名称一种楼宇给排水雨水利用系统(57)摘要本实用新型涉及给排水系统技术领域,具体涉及一种楼宇给排水雨水利用系统,包括雨水收集装置、储水装置和用于向房顶的草坪供水的供水装置,所述雨水收集装置设于房顶,所述储水装置设于草坪的下方,所述雨水收集装置连接储水装置,所述供水装置包括第一毛细管和多根第二毛细管,所述第一毛细管的一端连接储水装置,所述第一毛细管远离储水装置的一端埋设于草坪的土层中,所述第二毛细管连接第一毛细管,所述第二毛细管设于草坪的土层中,其收集到的雨水能对房顶的草坪进行自动供水,达到合理利用的效果。
权利要求书1页 说明书3页 附图2页
CN 210163971 U2020.03.20
CN 210163971 U1.一种楼宇给排水雨水利用系统,其特征在于:包括雨水收集装置、储水装置和用于向房顶的草坪供水的供水装置,所述雨水收集装置设于房顶,所述储水装置设于草坪的下方,所述雨水收集装置连接储水装置,所述供水装置包括第一毛细管和多根第二毛细管,所述第一毛细管的一端连接储水装置,所述第一毛细管远离储水装置的一端埋设于草坪的土层中,所述第二毛细管连接第一毛细管,所述第二毛细管设于草坪的土层中。2.根据权利要求1所述的一种楼宇给排水雨水利用系统,其特征在于:所述储水装置包括设于楼宇顶层的储水箱和设于楼宇底部的蓄水池,所述储水箱和蓄水池之间设有排水管,所述排水管连接储水箱的上部。3.根据权利要求2所述的一种楼宇给排水雨水利用系统,其特征在于:所述排水管上设有若干根支管,若干根所述支管分别连通楼宇各层卫生间的供水系统。4.根据权利要求2所述的一种楼宇给排水雨水利用系统,其特征在于:所述蓄水池和储水箱之间设有用于将蓄水池内的水抽离至储水箱内的导水装置,所述导水装置包括导水管和水泵,所述导水管的两端分别连接储水箱和蓄水池,所述水泵连接导水管。5.根据权利要求1所述的一种楼宇给排水雨水利用系统,其特征在于:所述雨水收集装置包括设于房顶的集水沟、设于集水沟顶部的滤网,所述集水沟的底部设有排水口,所述集水沟的排水口连通储水装置的顶部,所述集水沟的排水口处设有过滤器。
(19)中华人民共和国国家知识产权局
(12)实用新型专利
(10)授权公告号
(45)授权公告日
(21)申请号 201920510827.5
(22)申请日 2019.04.12
(73)专利权人 氨酯汀兰(北京)科技有限公司
地址 100744 北京市延庆区中关村延庆园
风谷四路8号院27号楼2214
(72)发明人 周天宇 吴雨桐 罗岩
(74)专利代理机构 北京景闻知识产权代理有限
公司 11742
代理人 李芳
(51)Int.Cl.
A01G 9/02
(2018.01)
A01G 27/00
(2006.01)
(54)实用新型名称
垂直绿化系统
(57)摘要
本实用新型公开了一种垂直绿化系统,所述
垂直绿化系统包括:绿化架;用于容置植物的多
个培养基,多个所述培养基设于所述绿化架且在
所述绿化架上排列成多排和多列;喷淋装置,所
述喷淋装置具有位于所述多个培养基上方的多
个喷淋孔,所述喷淋孔喷淋的水经过上排培养基
后流至下排培养基。根据本实用新型实施例的垂
直绿化系统具有施工难度小、成本低、稳定性高、
便于清洁和干净卫生等优点。
权利要求书1页 说明书6页 附图6页
CN 210183993 U
2020.03.27
C
N
2
1
0
1
8
3
9
9
3
U
1.一种垂直绿化系统,其特征在于,包括:
绿化架;
用于容置植物的多个培养基,多个所述培养基设于所述绿化架且在所述绿化架上排列
成多排和多列;
喷淋装置,所述喷淋装置具有位于所述多个培养基上方的多个喷淋孔,所述喷淋孔喷
淋的水经过上排培养基后流至下排培养基。
2.根据权利要求1所述的垂直绿化系统,其特征在于,所述绿化架包括:
固定架;
固定板块,所述固定板块设于所述固定架,所述固定板块包括多个固定单元且每个所
述固定单元具有容纳槽,多个所述培养基一一对应地设于多个所述固定单元的容纳槽内。
3.根据权利要求2所述的垂直绿化系统,其特征在于,所述固定单元包括:
前面板,所述前面板具有开口;
后框,所述后框连接于所述前面板的后表面且与所述前面板一体成形,所述后框限定
出所述容纳槽,所述容纳槽的前表面通过所述开口敞开。
4.根据权利要求3所述的垂直绿化系统,其特征在于,所述后框的上壁、下壁和两侧壁
分别镂空以形成通孔,所述后框上壁的通孔形成上导流孔,所述后框下壁的通孔形成下导
流孔。
5.根据权利要求4所述的垂直绿化系统,其特征在于,所述后框内设有引流结构,所述
引流结构将从所述上导流孔流入容纳槽的水的至少一部分引导至所述下导流孔。
6.根据权利要求5所述的垂直绿化系统,其特征在于,所述引流结构为引流板或具有蓄
水功能的引流槽。
7.根据权利要求5所述的垂直绿化系统,其特征在于,所述培养基被构造成被水流冲击
时保持完整结构且无法从所述下导流孔落出。
8.根据权利要求2所述的垂直绿化系统,其特征在于,相邻所述固定单元通过防风带相
连,每个所述固定单元设有用于固定所述防风带的带扣,所述防风带将所述培养基止挡在
对应的容纳槽内。
9.根据权利要求2所述的垂直绿化系统,其特征在于,所述固定板块包括多个装配模
块,每个所述装配模块由若干固定单元一体形成,相邻装配模块通过紧固件相连。
10.根据权利要求1-9中任一项所述的垂直绿化系统,其特征在于,所述喷淋装置包括:
储水池;
水泵,所述水泵设于所述储水池;
输水管,所述输水管与所述水泵相连;
喷淋管,所述喷淋管与所述输水管相连且位于所述多个培养基上方,所述喷淋管上设
有用于形成多个所述喷淋孔的多个喷嘴,所述喷嘴的数量与所述培养基的列数匹配,每列
培养基上方设有至少一个所述喷嘴,每列培养基上方的喷嘴具有独立的流量控制装置。
权 利 要 求 书
1/1页
2
CN 210183993 U