同济大学测量学试题
- 格式:doc
- 大小:57.50 KB
- 文档页数:3
《测量学》习题及其参考答案(第1~11章共79题)习题11.什么叫大地水准面?它有什么特点和作用? 2.什么叫绝对高程、相对高程及高差?3.测量上的平面直角坐标系和数学上的平面直角坐标系有什么区别? 4.什么叫高斯投影?高斯平面直角坐标系是怎样建立的?5.已知某点位于高斯投影6°带第20号带,若该点在该投影带高斯平面直角坐标系中的横坐标y =-306579.210m ,写出该点不包含负值且含有带号的横坐标y 及该带的中央子午线经度0L 。
6.什么叫直线定线?标准方向有几种?什么是坐标方位角?7.某宾馆首层室内地面±0.000的绝对高程为45.300m ,室外地面设计高程为-l.500m ,女儿墙设计高程为+88.200m , 问室外地面和女儿墙的绝对高程分别为多少?8.已知地面上A 点的磁偏角为-3°10′,子午线收敛角为+1°05′,由罗盘仪测得直线AB 的磁方位角为为63°45′,试求直线AB 的坐标方位角=AB α? 并绘出关系略图。
答案:1.通过平均海水面的一个水准面,称大地水准面,它的特点是水准面上任意一点铅垂线都垂直于该点的曲面,是一个重力曲面,其作用是测量工作的基准面。
2.地面点到大地水准面的垂直距离,称为该点的绝对高程。
地面点到假设水准面的垂直距离,称为该点的相对高程。
两点高程之差称为高差。
3.测量坐标系的X 轴是南北方向,X 轴朝北,Y 轴是东西方向,Y 轴朝东,另外测量坐标系中的四个象限按顺时针编排,这些正好与数学坐标系相反。
4、假想将一个横椭圆柱体套在椭球外,使横椭圆柱的轴心通过椭球中心,并与椭球面上某投影带的中央子午线相切,将中央子午线附近(即东西边缘子午线范围)椭球面上的点投影到横椭圆柱面上,然后顺着过南北极母线将椭圆柱面展开为平面,这个平面称为高斯投影平面。
所以该投影是正形投影。
在高斯投影平面上,中央子午线投影后为X 轴,赤道投影为Y 轴,两轴交点为坐标原点,构成分带的独立的高斯平面直角坐标系统。
2013年同济大学测绘科学技术基础回忆题一,单项选择题(1'×12)测量学基础知识二,填空题1 由尺长方程式算水平距离l=50m+6mm+ά×(t-20)×50;ά=1.2×file:///C:/Users/john/AppData/Local/Temp/msohtmlclip1/01/clip_image002.png,AB高差 1.814,量的距离75m,温度30file:///C:/Users/john/AppData/Local/Temp/msohtmlclip1/01/clip_image004.png,则水平距离为2,DS3和 DJ6中数字的含义3,水准仪每次读数误差file:///C:/Users/john/AppData/Local/Temp/msohtmlclip1/01/clip_image006.png则两次仪器高法得到的高差的中误差是4,经纬仪顺时针注记盘左92 36 18 盘右267 23 34求竖直角5,全站仪前视定向的目的是6,精度的3个标准三,简答题1,八个地物符号代表的地物(4分)2,地形数据采集常用的方式和数字地形测图两个模式(6分)3,常用的测量高差的方法,说明其特点(9分)四,计算题1,算术平均值及其中误差的计算2,测站偏心距e,测站偏心角θ,距离file:///C:/Users/john/AppData/Local/Temp/msohtmlclip1/01/clip_image008.png和file:///C:/Users/john/AppData/Local/Temp/msohtmlclip1/01/clip_image010.png及测得的file:///C:/Users/john/AppData/Local/Temp/msohtmlclip1/01/clip_image012.png求file:///C:/Users/john/AppData/Local/Temp/msohtmlclip1/01/clip_image014.png3,无定向导线的计算,写出详细步骤五,边角网计算三角形ABC,A=60,B=60,a=1500file:///C:/Users/john/AppData/Local/Temp/msohtmlclip1/01/clip_image 016.png0.015,侧角误差相等为file:///C:/Users/john/AppData/Local/Temp/msohtmlclip1/01/clip_image018.png,求1)满足边c精度为0.02m的侧角误差;2)求相对边长中误差。
同济大学本科课程期末考试统一命题纸 A 卷课程:测量学 班级:专业: 学号:任课老师: 姓名:出卷教师签名: 教研管理室主任签名: 日期:一、填空与选择题(共22分)1、电子全站仪的后视定向的目的为 。
2、地籍测量的主要内容包括 。
3、数字测图的组成部分包括 。
4、用于三维坐标的仪器为 。
5、某幅上海地形图的编号为K003_001,该图的比例尺为 ,其西南角的坐标为 。
6、水准仪一次读数中误差为主±1mm ,则两次仪器高法所测高差平均值的中误差为( )(A )士1mm (B )士2mm 〔C 〕士1.4mm (D )士2.8mm7、已知y 1=78.629m ,边长D 12=67.286m ,坐标方位角"'0123025300=α,则y 2等于( )。
(A )20.609 (B )112.703 (C )-58.020 (D )34.0748、地形图按矩形分幅时常用的编号方法为以图幅( )编号。
(A )东北角坐标值的公里数 (B )东北角坐标值的米数(C )西南角坐标值的公里数 (D )西南角坐标值的米数9、已知A 点高程为18.332m ,现欲测设一条坡度为2.35%的线路AB ,由设计图求得AB 间的水平距离为115.74m 。
则B 点需测设的高程为( )。
(A )21.052m (B )15.610m (C )15.982m (D )20.682m10、建筑物室内地坪上±0的标高为16.010m ,用 P 点进行测设, H P =17.350m ,当 P 点水准尺的读数为 1.146m 时,则上±0处水准尺的读数为( )。
(A )2.486m (B )1.486m (C )0.194m (D )1.194m二、计算题及问答题1、(16分)如下图所示,由5条同精度观测水准路线测定G 点的高程,观测结果见下表。
试求:(1)G 点高程最或然值。
(2)单位权中误差。
测量学课程试卷及参考答案(一)同济大学课程考核试卷(A卷)2008— 2009学年第二学期命题教师签名:审核教师签名:课号:035002 课名:测量学考试考查:考查此卷选为:期中考试( )、期终考试(√)、重考( )试卷年级专业学号姓名得分一、试说出下列概念之间的区别(每小题4分,共16分)(1)中误差与相对中误差答:相对中误差是观测值的中误差与观测值之比。
(2)等高距与等高线平距答:等高距是相邻等高线之间的高差,等高线平距是相邻等高线之间的水平距离。
(3)测量与测设答:测量是测定地面上已有物体的距离、大小、位置、形状等几何尺寸;而测设是将在图纸上设计的物体在地面上标定其位置和高程。
(4)比例尺与比例尺精度答:比例尺是图上一段直线长度与地面上相应线段的实际水平长度之比;而比例尺精度是图上0.1毫米对应的实地水平距离。
二、角度计算(12分)1.水平角计算(5分)2.竖直角计算(7分)三.简述题(21分)1.水准测量时,水准仪为什么要尽量放在离前尺和后尺距离相等的位置?(4分)答:(1)抵消地球曲率及大气折光对高差的影响;(2)抵消水准仪i角对高差的影响。
2.误差分为哪几种?应分别怎样处理?(6分)答:误差分为系统误差、偶然误差和粗差。
(1)对于系统误差,通过找出其规律,对其进行改正;(2)对于偶然误差,通过多余观测、制定限差、取平均值等,提高精度;(3)对于粗差,通过多余观测、采集合理的观测方法等,检验并剔除。
3.电子全站仪的技术参数及基本功能有哪些?(6分)答:(1)电子全站仪的技术参数有:测程、测角精度、测距精度;(2)电子全站仪的基本功能包括:测角、测距、三维坐标测量和施工放样。
4.等高线有哪些特性?(5分)答:(1)同一条等高线上各点的高程都相同;(2)等高线是一条闭合曲线,不能中断;(3)等高线只有在绝壁或悬崖处才会重合或相交;(4)山脊线和山谷线应与转变方向处的等高线的切线垂直相交;(5)等高线平距大(等高线疏),表示地面坡度小;等高线平距小(等高线密),表示地面坡度大。
测量学考试题及答案一、单项选择题(每题2分,共20分)1. 测量学中,用于确定地面点位置的坐标系统是:A. 直角坐标系B. 球面坐标系C. 极坐标系D. 圆柱坐标系答案:B2. 测量学中,水准仪的主要作用是:A. 测量角度B. 测量距离C. 测量高差D. 测量方位答案:C3. 下列哪项不是测量误差的来源?A. 仪器误差B. 观测误差C. 计算误差D. 人为误差答案:C4. 测量学中,用于确定点的高程的仪器是:A. 经纬仪B. 水准仪C. 全站仪D. 测距仪答案:B5. 测量学中,三角测量法主要应用在:A. 地形测量B. 建筑测量C. 工程测量D. 地球物理测量答案:A6. 测量学中,用于确定两点间直线距离的仪器是:A. 经纬仪B. 水准仪C. 全站仪D. 测距仪答案:D7. 测量学中,用于确定地形图上等高线的仪器是:A. 经纬仪B. 水准仪C. 全站仪D. 测距仪答案:C8. 测量学中,用于确定建筑物位置的仪器是:A. 经纬仪B. 水准仪C. 全站仪D. 测距仪答案:C9. 测量学中,用于确定地下管线位置的仪器是:A. 经纬仪B. 水准仪C. 全站仪D. 测距仪答案:C10. 测量学中,用于确定地球表面点位置的坐标系统是:A. 直角坐标系B. 球面坐标系C. 极坐标系D. 圆柱坐标系答案:B二、多项选择题(每题3分,共15分)1. 测量学中,下列哪些仪器可以用于测量角度?A. 经纬仪B. 水准仪C. 全站仪D. 测距仪答案:A C2. 测量学中,下列哪些误差属于系统误差?A. 仪器误差B. 观测误差C. 人为误差D. 环境误差答案:A D3. 测量学中,下列哪些方法可以用于测量高程?A. 水准测量B. 电磁波测距C. 卫星定位D. 重力测量答案:A C D4. 测量学中,下列哪些仪器可以用于测量距离?A. 经纬仪B. 水准仪C. 全站仪D. 测距仪答案:C D5. 测量学中,下列哪些方法可以用于确定建筑物位置?A. 三角测量B. 导线测量C. GPS测量D. 卫星定位答案:B C D三、判断题(每题1分,共10分)1. 测量学中,所有误差都是可以避免的。
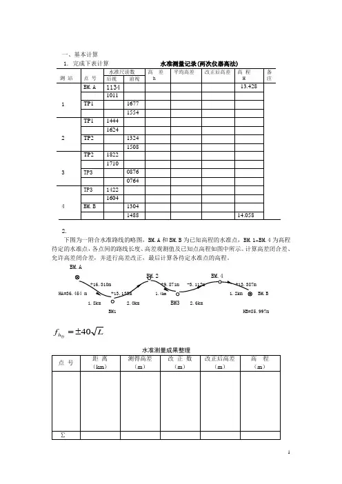
一、基本计算2.下图为一附合水准路线的略图,BM.A 和BM.B 为已知高程的水准点,BM.1~BM.4为高程待定的水准点,各点间的路线长度、高差观测值及已知点高程如图中所示。
计算高差闭合差、允许高差闭合差,并进行高差改正,最后计算各待定水准点的高程。
BM.A1.8km2.0km BM3 2.6kmBM1 HB=85.997mL f h 40±=容3、如图所示,已知水准点BM的高程为33.012m,1、2、3点为待定高程点,水准测量观A测的各段高差及路线长度标注在图中,试计算各点高程。
要求在下列表格中计算。
计算题136、已知某名义长度30米的钢尺的尺长方程式为L=30m+2.8mm+α(t-20℃)×30m (式中α=1.2×10-为钢尺膨胀系数),现用该尺在水平地面丈量得AB距离Sˊ=75.000米, AB间的高差为1.5米,丈量时钢尺温度为31℃。
则计算得AB距离的水平距离。
7、用经纬仪进行视距测量的记录如下,试计算测站至各照准点的水平距离及各照准点的高程。
二、误差计算1.经测量得到如下观测值: s1=146.53m,s2=146.48m,s3=146.56m,s4=146.46m,s5=146.40m,s 6=146.58m;求:算术平均值x,观测值中误差m,算术平均值中误差mx。
2.已知h=Ssinα+i-L,S=100m,α=15︒30';m=±5.0mm,αm=±5 ",m=m=±1mm,计算中误差m。
3.已知三角形三个内角α、β、γ的中误差mα=mβ=mγ=±8.5",定义三角形角度闭合差为:f=α+β+γ- 180,α'=α-f / 3 ; 求mα'。
ˊ4.对于某一矩形场地,量得其长度a=(156.34±0.10)m,宽度b=(85.27±0.05)m,计算该矩形场地的面积P及其中误差m P。
第一章绪论一、名词解释:1.简单:铅垂线:铅垂线是指重力的方向线。
水准面:设想将静止的海水面向陆地延伸,形成一个封闭的曲面,称为水准面。
大地体:大地水准面所包围的地球形体称为大地体,它代表了地球的自然形状和大小。
地物:测量上将地面上人造或天然的固定物体称为地物。
地貌:将地面高低起伏的形态称为地貌。
地形:地形是地物和地貌的总称。
2.中等:测量学:测量学是研究地球的形状和大小以及确定地面点位的科学。
测绘:测绘是指使用测量仪器与工具,通过测量和计算,把地球表面的地形缩绘成地形图,供经济建设、规划设计、科学研究和国防建设使用。
测设:测设又称施工放样,是把图纸上规划好的建筑物、构筑物的位置在地面上标定出来,作为施工的依据。
特征点:特征点是指在地物的平面位置和地貌的轮廓线上选择一些能表现其特征的点。
3.偏难:变形观测:变形观测是指对地表沉降、滑动和位移现象以及由此而带来的地面上建筑物的变形、倾斜和开裂等现象进行精密的、定期的动态观测,它对于地震预报、大型建筑物和高层建筑物的施工和安全使用都具有重要意义。
大地水准面:由于水面可高可低,因此水准面有无穷多个,其中通过平均海水面的水准面,称为大地水准面,大地水准面是测量工作的基准面。
高程:地面点的高程是从地面点到大地水准面的铅垂距离,也称为绝对高程或海拔,用H表示,如A点的高称记为H A。
高差:地面上两点间高程差称为高差,用h表示。
二、填空题1.地面点到铅垂距离称为该点的绝对对高程;地面点到铅垂距离称为该点的相对高程。
大地水准面,假定水准面2.通过海水面的称为大地水准面。
平均,水准面3.测量工作的基本要素是、和高程。
距离,角度4.测量使用的平面直角坐标是以中央子午线与赤道的交点为坐标原点,中央子午线为x轴,向为正,以赤道为y轴向为正。
北,东5.地面点位若用地理坐标表示,应为、和绝对高程。
经度,纬度6.地面两点间高程之差,称为该两点间的,一般用h表示。
A,B两点之间的高差记h为。
《测量学》习题集答案、、‘。
第一部分习题和作业一、测量基本知识[题1-1]测量学研究的对象和任务是什么?答:测量学是研究地球的形状与大小,确定地球表面各种物体的形状、大小和空间位置的科学。
测量学的主要任务是测定和测设。
测定——使用测量仪器和工具,通过测量与计算将地物和地貌的位置按一定比例尺、规定的符号缩小绘制成地形图,供科学研究和工程建设规划设计使用。
测设——将在地形图上设计出的建筑物和构筑物的位置在实地标定出来,作为施工的依据。
[题1-2]熟悉和理解铅垂线、水准面、大地水准面、参考椭球面、法线的概念。
答:铅垂线——地表任意点万有引力与离心力的合力称重力,重力方向为铅垂线方向。
水准面——处处与铅垂线垂直的连续封闭曲面。
大地水准面——通过平均海水面的水准面。
参考椭球面——为了解决投影计算问题,通常选择一个与大地水准面非常接近的、能用数学方程表示的椭球面作为投影的基准面,这个椭球面是由长半轴为a、短半轴为b的椭圆NESW绕其短轴NS旋转而成的旋转椭球面,旋转椭球又称为参考椭球,其表面称为参考椭球面。
法线——垂直于参考椭球面的直线。
[题1-3]绝对高程和相对高程的基准面是什么?答:绝对高程的基准面——大地水准面。
相对高程的基准面——水准面。
[题1-4]“1956年黄海高程系”使用的平均海水面与“1985国家高程基准”使用的平均海水面有何关系?答:在青岛大港一号码头验潮站,“1985国家高程基准”使用的平均海水面高出“1956年黄海高程系”,使用的平均海水面0.029m。
[题1-5]测量中所使用的高斯平面坐标系与数学上使用的笛卡尔坐标系有何区别?答:x与y轴的位置互换,第Ⅰ象限位置相同,Ⅰ→Ⅱ→Ⅲ→Ⅳ象限顺指针编号,这样可以使在数学上使用的三角函数在高斯平面直角坐标系中照常使用。
[题1-6]我国领土内某点A的高斯平面坐标为:x A=2497019.17m,Y A=19710154.33m,试说明A点所处的6°投影带和3°投影带的带号、各自的中央子午线经度。
测量学试卷三一、填空题1.通过平均海洋面的水准面称为。
2.由已知点A测量并计算未知点B的高程的方法有两种,一是,其计算公式是;二是;其计算公式是。
3.竖直角的定义是,观测竖直角时,望远镜的视准轴绕仪器竖轴旋转所扫出的面应该是一个面。
4.在精密距离丈量中,一般对丈量结果应加、和三项改正。
5.一直线的坐标方位角为78°,另一直线的象限角为北偏西15°,则两直线之间最小的水平夹角为。
6.已知正方形边长为a,若用钢尺丈量一条边,其中误差为±3mm,则正方形周长的中误差为,若丈量正方形的每条边,其中误差均为±3mm,则正方形周长的中误差为。
7.地形测量的任务是。
8.测定碎部点的方法有、、、、。
9.中线测设的常用方法有和。
10.根据建筑物的分布和地形状况,建筑基线可布置成、、、等多种形式。
二、选择题1.测量上确定点的位置是通过测定三个定位元素来实现的,下面哪个不在其中()。
A)距离B)方位角C)角度D)高程2.水准测量中,后视点A的高程为40.000m,后视读数为1.125m,前视读数为2.571m,则前视点B的高程应为()。
A)43.696mB)38.554mC)41.446mD)36.304m3.在进行竖直角观测时,若瞄准的是与目标在同一水平面的其它点,则所测竖直角的结果与实际上的角值相比()。
A)增大B)减小C)不变D)不确定4.若钢尺的尺长方程式为:L=30m+0.008m+1.2×10-5×30×(t-20℃)m,则用其在26.8℃的条件下丈量一个整尺段的距离时,其温度改正值为()。
A)–2.45mmB)+2.45mmC) –1.45mm D) +1.45mm5. 下列选项中不属于三北方向的是( )。
A) 真北 B) 象北 C) 磁北 D) 轴北6. 设函数X=L 1+2L 2,Y=X+L 3,Z=X+Y ,L 1,L 2,L 3的中误差均为m ,则X ,Y ,Z 的中误差分别为( )。
测量学课后习题答案_1《测量学》习题及其参考答案,11章共79题 (第1习题11(什么叫大地水准面?它有什么特点和作用?2(什么叫绝对高程、相对高程及高差?3(测量上的平面直角坐标系和数学上的平面直角坐标系有什么区别?4(什么叫高斯投影,高斯平面直角坐标系是怎样建立的?5(已知某点位于高斯投影6?带第20号带,若该点在该投影带高斯平面直角坐标系中的横坐标y,-306579.210m,写出该点不包含负值且含有带号的横坐标y及该带的中央子午线经度L0。
6(什么叫直线定线,标准方向有几种,什么是坐标方位角,7(某宾馆首层室答案:1(通过平均海水面的一个水准面,称大地水准面,它的特点是水准面上任意一点铅垂线都垂直于该点的曲面,是一个重力曲面,其作用是测量工作的基准面。
2(地面点到大地水准面的垂直距离,称为该点的绝对高程。
地面点到假设水准面的垂直距离,称为该点的相对高程。
两点高程之差称为高差。
3(测量坐标系的X轴是南北方向,X轴朝北,Y轴是东西方向,Y轴朝东,另外测量坐标系中的四个象限按顺时针编排,这些正好与数学坐标系相反。
4、假想将一个横椭圆柱体套在椭球外,使横椭圆柱的轴心通过椭球中心,并与椭球面上某投影带的中央子午线相切,将中央子午线附近(即东西边缘子午线范围)椭球面上的点测量学练习题一第 1 页(共 10 页)投影到横椭圆柱面上,然后顺着过南北极母线将椭圆柱面展开为平面,这个平面称为高斯投影平面。
所以该投影是正形投影。
在高斯投影平面上,中央子午线投影后为X轴,赤道投影为Y轴,两轴交点为坐标原点,构成分带的独立的高斯平面直角坐标系统。
5(Y=20×(-306579.210m+500000m)=20193420.790。
6(确定直线与标准方向的关系(用方位角描述)称为直线定向。
标准方向有真子午线方向、磁子午线方向、坐标纵轴(X轴)方向。
由坐标纵轴方向(X轴)的北端,顺时针量至直线的角度,称为直线坐标方位角7(室第 2 页(共 10 页)习题21(用水准仪测定A、已知A点高程为HA=12.658m,A尺上读数为1526mm,B两点间高差,B尺上读数为1182mm,求A、B两点间高差hAB为多少,B点高程HB为多少,绘图说明。
测量学试题库一、填空题(一)测量学基础知识(1-38题)1.地面点到假定水准面铅垂距离称为该点的相对高程。
2.通过平均海水面的水准面称为大地水准面。
3.测量工作的基本内容是高程测量、距离测量、角度测量。
4.地面两点间高程之差, 称为该两点间的高差。
5.测量工作的基本原则是从整体到局部、先控制后碎部、前一步测量工作未作检核不进行下一步测量工作。
6.直线定向的标准方向有真子午线方向、磁子午线方向、坐标纵轴方向。
7.由坐标纵轴北部方向顺时针转到测线的水平夹角为直线的坐标方位角。
8.距离丈量的相对误差的公式为往返测量值之差的绝对值/往返测量值的平均值。
9.坐标方位角的取值范围是 0°到360°。
10.直线的象限角是指直线与标准方向的北端或南端所夹的锐角, 并要标注所在象限。
11.某直线的方位角与该直线的反方位角相差 180°。
12.地面点的标志, 按保存时间长短可分为临时性标志和永久性标志。
13.闭和水准路线高差闭和差的计算公式为闭合差=累计高差-(B点高程-A点高程)。
14.水准仪的重要轴线有圆水准器轴、仪器竖轴、望远镜视准轴、水准管轴。
15.一般工程水准测量高程差允许闭和差为或。
16. 一测站的高差 为负值时, 表达 A 高, B 低。
17. 水准测量高差闭合的调整方法是将闭合差反其符号,按各测段的___距离_______成比例分派或按__测站数_______成比例分派。
18. 水准测量的测站校核,一般用______法或______法。
19. 支水准路线,既不是附合路线,也不是闭合路线,规定进行_______测量,才干求出高差闭合差。
20. 使用测量成果时,对未经_检核______的成果,不能使用。
21. 从A 到B 进行往返水准测量,其高差为:往测3.625m;返测-3.631m,则A.B 之间的高差_3.623__.22. 已知B点高程为 , A、B点间的高差 , 则A点高程为__240.000m _.23. A 点在大地水准面上,B 点在高于大地水准面100m 的水准面上,则A 点的绝对高程是__0____,B 点的绝对高程是__100m____。
二、单项选择题(一)测量学基础知识(1-86题)1.地面点到高程基准面的垂直距离称为该点的()。
A.相对高程;B.绝对高程;C.高差2.地面点的空间位置是用()来表示的。
A.地理坐标;B.平面直角坐标; C.坐标和高程3.绝对高程的起算面是()。
A.水平面;B.大地水准面;C.假定水准面4.某段距离的平均值为100mm,其往返较差为+20mm,则相对误差为()。
A.;B.;C.5.已知直线AB的坐标方位角为186°,则直线BA的坐标方位角为()。
A.96° B.276° C.6°6.在距离丈量中衡量精度的方法是用()。
A.往返较差;B.相对误差;C.闭合差7.坐标方位角是以()为标准方向,顺时针转到测线的夹角。
A.真子午线方向;B.磁子午线方向;C.坐标纵轴方向8.距离丈量的结果是求得两点间的()。
A.斜线距离;B.水平距离;C.折线距离9.往返丈量直线AB的长度为:,其相对误差为()A.K=1/3100;B.K=1/3200;C.K=10.在水准测量中转点的作用是传递()。
A.方向;B.高程;C.距离11.圆水准器轴是圆水准器内壁圆弧零点的()。
A.切线;B.法线;C.垂线12.水准测量时,为了消除角误差对一测站高差值的影响,可将水准仪置在()处。
A.靠近前尺;B.两尺中间;C.靠近后尺13.产生视差的原因是( )。
A.仪器校正不完善;B.物像有十字丝面未重合;C.十字丝分划板位置不正确14.高差闭合差的分配原则为()成正比例进行分配。
A.与测站数;B.与高差的大小;C.与距离或测站数15.附和水准路线高差闭合差的计算公式为()。
A.=; B. =; C.=-()16.水准测量中,同一测站,当后尺读数大于前尺读数时说明后尺点()。
A.高于前尺点;B.低于前尺点;C.高于侧站点17.水准测量中要求前后视距离相等,其目的是为了消除()的误差影响。
A.水准管轴不平行于视准轴;B.圆水准轴不平行于仪器竖轴;C.十字丝横丝不水平18.视准轴是指()的连线。
测量学基础考试题和答案一、单项选择题(每题2分,共20分)1. 测量学是研究地球的形状、大小和地球表面()的科学。
A. 地形特征B. 地理信息C. 空间位置D. 地质构造答案:C2. 测量工作中,角度测量的基本单位是()。
A. 度B. 分C. 秒D. 弧度答案:D3. 测量中,水准测量的主要目的是()。
A. 确定高程B. 确定距离C. 确定方向D. 确定位置答案:A4. 在测量中,导线测量的主要作用是()。
A. 确定平面位置B. 确定高程C. 确定方向D. 确定距离答案:A5. 测量中,三角测量法主要用于()。
A. 水准测量B. 角度测量C. 距离测量D. 高程测量答案:B6. 测量中,全站仪的主要功能是()。
A. 测量角度B. 测量距离C. 测量高程D. 测量角度和距离答案:D7. 测量中,GPS技术主要用于()。
A. 导航定位B. 地形测绘C. 地籍调查D. 所有选项答案:D8. 测量中,大地水准面是()。
A. 一个理想化的球面B. 一个理想化的平面C. 一个实际存在的曲面D. 一个理想化的椭球面答案:C9. 测量中,相对误差是指()。
A. 误差与测量值的比值B. 误差与真值的比值C. 误差与测量值的绝对值D. 误差与真值的绝对值答案:A10. 测量中,闭合差是指()。
A. 测量值与真值的差B. 测量值与理论值的差C. 测量值与计算值的差D. 测量值与理论值的差答案:C二、多项选择题(每题3分,共15分)11. 测量学中,常用的测量仪器包括()。
A. 水准仪B. 全站仪C. GPS接收机D. 经纬仪答案:ABCD12. 测量中,角度测量的方法包括()。
A. 测回法B. 双测回法C. 三角测量法D. 交会法答案:AB13. 测量中,距离测量的方法包括()。
A. 钢尺量距B. 视距测量C. 电磁波测距D. 经纬仪测距答案:ABC14. 测量中,高程测量的方法包括()。
A. 水准测量B. 三角高程测量C. GPS高程测量D. 气压高程测量答案:ABC15. 测量中,误差的来源包括()。
《测量学》考试习题一、 试卷结构与题型1. 单选题;(15题)例:地形图上的等高距即为( A )。
――――第8章节A )相邻等高线之间的高差B )两等高线之间的高差C )相邻等高线之间的平距D )相邻计曲线之间的高差2. 多选题;(10题)例:测量工作的基本原则为( A B )A ) 从整体到局部B ) 从控制到碎部C ) 从低级到高级D ) 从地物到地形3. 判断题;(15题)例:1:500, 1:1000, 1:2000, 1:10000比例尺的地形图称为大比例尺图。
( F ) 例:同一条等高线上的高程不一定相同( F ) 例:系统误差出现的符号、数值大小都相同( T )。
4. 计算题(简答题)。
(3题)例:已知一钢尺的尺长方程式为30 1.80.36(20)l m m m t C m m =-+- ,量测AB 两点间的距离为267.890m,又测量两点间高差为h AB =-3.64m,测得气温为t=29.3℃,试计算AB 两点间的实际长度(要求分项计算)计算结果:1)尺长改正k D ∆为:( -0.016 )m ; 2)温度改正k D ∆为:( 0.030 )m ; 3)高差改正k D ∆为:( -0.025 )m ; 4)AB 两点间的实际长度为:( 267.879 )m ;二、 考试方法与时间考试方法:机试; 考试时间:90分钟。
同济大学 2006.10.23《测量学》复习题(试用)第一章:测绘工作概述1. 测量学的任务是什么?(三项)2. 什么是水准面、大地水准面、地球椭球体?3. 高斯平面直角坐标系纵轴(X 轴)和横轴(Y 轴)是如何确定的?6带中央子午线经度与带号的关系?0(63)N λ=-横坐标值的表示方法?(例:a y =20527680m ,则A 点在第20带内实际坐标值为a y =20527680m -500000m=27680m )4. 地区平面直角坐标系、坐标轴及象限顺序如何表示?5. 什么叫绝对高程?什么叫相对高程?什么是高差?6. 测量工作的基本原则是什么?7. 测量的基本观测量是什么?(距离、角度、高差) 8. 水准面曲率对距离、高差的影响如何? 9. 平方米、市亩、公顷之间的换算关系? 10. 弧度制中///57.3; 3438; 206265;ρρρ'''===第二章:水准测量1. 我国高程系统是如何确定的?2. 水准测量的原理是什么?转点的作用是什么?3. 高差A B h 的正负号的含义是什么?(A B h 为正,B 点比A 点高,B A AB H H h =+)4. 中间法水准测量的目的?5. 尺垫的作用是什么?6. 水准仪的构造?何为视准轴、圆水准轴、水准管轴?7. 水准管分划值τ与水准管曲率半径R 的关系?与水准管灵敏度、仪器整平的关系如何? 8. 水准仪使用时的操作程序?9. 分别转动什么螺旋进行水准仪的粗平与精平? 10. 什么叫视差?消除视差的方法?11. 什么叫水准点?水准路线的布设形式有哪三种?12. 水准仪有哪些轴线?各轴线之间应满足些什么条件?如何进行检验校正? 13. 何谓高差闭合差?允许高差闭合差?高差闭合差的分配原则? 14. 熟练掌握水准路线的计算。
测量学考试题和答案一、单项选择题(每题2分,共20分)1. 测量学中,测量的基本工作是什么?A. 计算B. 观测C. 绘图D. 记录答案:B2. 测量工作中,角度测量的基本单位是:A. 度B. 分C. 秒D. 弧度答案:D3. 在测量学中,水准测量的目的是:A. 测量高差B. 测量距离C. 测量角度D. 测量面积答案:A4. 测量学中,三角高程测量的基本原理是:A. 三角形相似原理B. 三角形全等原理C. 勾股定理D. 正弦定理答案:D5. 测量学中,导线测量的主要目的是:A. 确定点的高程B. 确定点的平面位置C. 确定点的深度D. 确定点的倾斜角度答案:B6. 测量学中,全站仪的主要功能是:A. 测量距离B. 测量角度C. 测量高程D. 测量面积答案:B7. 在测量学中,测量误差的来源不包括:A. 仪器误差B. 人为误差C. 环境误差D. 计算误差答案:D8. 测量学中,测量数据的精度通常用哪个指标来表示?A. 分辨率B. 重复性C. 可靠性D. 精度答案:D9. 测量学中,测量的基本原则不包括:A. 从整体到局部B. 从高级到低级C. 从已知到未知D. 从简单到复杂答案:B10. 在测量学中,测量误差的分类不包括:A. 系统误差B. 随机误差C. 绝对误差D. 相对误差答案:C二、多项选择题(每题3分,共15分)11. 测量学中,测量的基本元素包括哪些?A. 点B. 线C. 面D. 体答案:ABCD12. 测量学中,测量误差的来源可能包括:A. 仪器误差B. 人为误差C. 环境误差D. 计算误差答案:ABC13. 测量学中,测量的基本方法包括:A. 直接测量B. 间接测量C. 绝对测量D. 相对测量答案:AB14. 测量学中,测量仪器的校准包括:A. 水准仪校准B. 全站仪校准C. GPS设备校准D. 经纬仪校准答案:ABCD15. 测量学中,测量数据的处理方法包括:A. 平差B. 插值C. 拟合D. 转换答案:ABCD三、判断题(每题2分,共20分)16. 测量学是一门研究地球表面自然形状和人工设施的科学。
测量学课程试卷及参考答案(一)
同济大学课程考核试卷(A卷)
2008— 2009学年第二学期
命题教师签名:审核教师签名:
课号:035002 课名:测量学考试考查:考查
此卷选为:期中考试( )、期终考试(√)、重考( )试卷
年级专业学号姓名得分
一、试说出下列概念之间的区别(每小题4分,共16分)
(1)中误差与相对中误差
答:相对中误差是观测值的中误差与观测值之比。
(2)等高距与等高线平距
答:等高距是相邻等高线之间的高差,等高线平距是相邻等高线之间的水平距离。
(3)测量与测设
答:测量是测定地面上已有物体的距离、大小、位置、形状等几何尺寸;而测设是将在图纸上设计的物体在地面上标定其位置和高程。
(4)比例尺与比例尺精度
答:比例尺是图上一段直线长度与地面上相应线段的实际水平长度之比;而比例尺精度是图上0.1毫米对应的实地水平距离。
二、角度计算(12分)
1.水平角计算(5分)
测站目
标
竖盘
位置
水平度盘读
数
半测回
角值
一测回平均
角值
备注° ′ ″° ′ ″° ′ ″
B A 左320 20 36
75-14-42
75-14-45 C 35 35 18
A 右140 20 54
75-14-48
C 215 35 42
2.竖直角计算(7分)
测站目
标
竖
盘
位
置
竖盘读数
° ′ ″
半测回
垂角值
° ′ ″
指
标
差
″
一测回
垂角值
° ′″
备注
盘左
270
180 0
90
I J
左94 06 24 -4-06-24
-6 -4-06-18 右265 53 48 -4-06-12
K
左82 14 54 7-45-06
-9 7-45-15 右277 45 24
7-45-24
三.简述题(21分)
1.水准测量时,水准仪为什么要尽量放在离前尺和后尺距离相等的位置?(4分)
答:(1)抵消地球曲率及大气折光对高差的影响;
(2)抵消水准仪i角对高差的影响。
2.误差分为哪几种?应分别怎样处理?(6分)
答:误差分为系统误差、偶然误差和粗差。
(1)对于系统误差,通过找出其规律,对其进行改正;
(2)对于偶然误差,通过多余观测、制定限差、取平均值等,提高精度;
(3)对于粗差,通过多余观测、采集合理的观测方法等,检验并剔除。
3.电子全站仪的技术参数及基本功能有哪些?(6分)
答:(1)电子全站仪的技术参数有:测程、测角精度、测距精度;
(2)电子全站仪的基本功能包括:测角、测距、三维坐标测量和施工放样。
4.等高线有哪些特性?(5分)
答:(1)同一条等高线上各点的高程都相同;
(2)等高线是一条闭合曲线,不能中断;
(3)等高线只有在绝壁或悬崖处才会重合或相交;
(4)山脊线和山谷线应与转变方向处的等高线的切线垂直相交;
(5)等高线平距大(等高线疏),表示地面坡度小;等高线平距小(等高线密),表示地面坡度大。
四、填空题(共22分)
1、今用一名义长度为50m的钢尺,沿倾斜地面测设A、B两点间的水平距离为150.000米。
该钢尺的尺长方程式为ι=50m+10mm+0.6(t-20℃)mm, 丈量时温度t=35℃,A、B两点间高差为1.86m,计算尺长改正为30mm 、温度改正为27mm 、高差改正为-12mm ,以及在上述条件下A、B的测设长度应为149.955m 。
(6分)
2、某正方形测量了四条边长a1=a2=a2=a4=200m,====±30mm;按S=+++计算周长和P=(´+´)/2计算面积,其周长的中误差为±60mm,面积的中误差为±6m2。
(6分)
3、经测量得到如下观测值:s1=146.545m,s2=146.456m,s3=146.563m,s4=146.468m,s5=146.478m;则其算术平均值为146.502m ,算术平均值的中误差与相对误差分别为±21.7mm 、1/6750 。
(10分)
五、计算题(29分)
1、测边交会(11分)
如下图所示,B、C为已知点,P为待定点。
已知点的坐标为XB=51.636m,YB=50.785m,XC=50.479m,YC=148.766m;现测得距离S1=112.598m,S2=96.845m,试计算P点的坐标。
答:P(142.202,117.688)
2、施工放样(18分)
如下图,A、B控制点,P为设计点,
已知控制点坐标为:Xa=631.744(m),Ya=835.560(m),Xb=278.336(m),Yb=1418.885(m),
设计点坐标为: Xp=743.254(m),Yp=1175.958(m)
(1)试求以A点为测站按极坐标法放样的放样元素。
(2)若距离放样精度为m s=±0.03米,角度放样精度为mβ=±10秒,试求放样P的点位误差。
答:
(1)S AP=358.197m
(2)m P=±0.034m。