三电平逆变器SVPWM过调制控制策略综述_李阳
- 格式:pdf
- 大小:232.73 KB
- 文档页数:5
三电平逆变器SVPWM控制策略的研究一、本文概述随着电力电子技术的快速发展,逆变器作为高效、可靠的电力转换装置,在新能源发电、电机驱动、无功补偿等领域得到了广泛应用。
其中,三电平逆变器因其输出电压波形质量好、开关损耗小、动态响应快等优点,受到了研究者的广泛关注。
空间矢量脉宽调制(Space Vector Pulse Width Modulation, SVPWM)作为一种先进的调制策略,通过合理分配三相桥臂的开关状态,可以实现对输出电压波形的精确控制,进一步提高逆变器的性能。
本文旨在深入研究三电平逆变器的SVPWM控制策略,通过理论分析和实验验证,探索其在实际应用中的优化方法和潜在问题。
文章首先介绍了三电平逆变器的基本结构和工作原理,为后续的控制策略分析奠定基础。
随后,详细阐述了SVPWM的基本原理和实现方法,包括空间矢量的定义、合成和分配等关键步骤。
在此基础上,本文重点分析了三电平逆变器SVPWM控制策略的优化方法,包括减小开关损耗、提高直流电压利用率、改善输出电压波形质量等方面。
本文还通过实验验证了三电平逆变器SVPWM控制策略的有效性。
通过搭建实验平台,测试了不同控制策略下的逆变器性能,包括输出电压波形、开关损耗、动态响应等指标。
实验结果表明,采用SVPWM控制策略的三电平逆变器在各方面性能上均表现出明显的优势,验证了本文研究的有效性和实用性。
本文总结了三电平逆变器SVPWM控制策略的研究现状和未来发展趋势,为相关领域的进一步研究提供了有益的参考。
二、三电平逆变器的基本原理三电平逆变器是一种在电力电子领域中广泛应用的电能转换装置,其基本原理在于利用开关管的导通与关断,实现直流电源到交流电源的高效转换。
与传统的两电平逆变器相比,三电平逆变器在输出电压波形上拥有更高的精度和更低的谐波含量,因此在大规模电力系统和电机驱动等领域具有显著优势。
三电平逆变器的基本结构通常包括三个直流电源、六个开关管以及相应的控制电路。
四桥臂三电平逆变器3D-SVPWM调制策略任思远; 肖柱; 胡博【期刊名称】《《电力系统及其自动化学报》》【年(卷),期】2019(031)010【总页数】8页(P125-132)【关键词】四桥臂三电平逆变器; 三维空间矢量脉宽调制; 坐标平移; 中点电位平衡; 电荷守恒【作者】任思远; 肖柱; 胡博【作者单位】中国矿业大学电气与动力工程学院徐州 221116; 国网湖南省电力有限公司张家界供电分公司张家界 427000【正文语种】中文【中图分类】TM464在三相四线制电力系统中,四桥臂逆变器与三桥臂逆变器相比较,具有桥臂输出电流能力强、流经直流侧电流小等优点[1],因此被广泛应用于有源电力滤波器和三相不平衡调节装置[2]。
由于三桥臂三电平逆变器电压矢量状态只有27个。
矢量状态的选取以及作用时间的计算较简单,故常采用3DSVPWM(three-dimensional space vector pulse width modulation)算法[3]。
但四桥臂三电平逆变器额外增加了一相桥臂,倘若还采用传统的3D-SVPWM算法,它的电压矢量将是三桥臂三电平的电压矢量的3倍,其计算过程将成几何倍增长,而且四桥臂NPC(neutral point clamped)拓扑结构存在的中点电位不平衡问题更是加大了控制难度。
正是由于这些问题的存在,导致国内外学者对其研究甚少[4-6]。
本文提出一种基于分解思想的四桥臂三电平3D-SVPWM调制策略,通过界定平面的选取,将三电平基矢量空间结构分解为独立的两电平结构,经过坐标平移并利用两电平的调制策略最终实现对参考电压的调制,该调制策略相比于传统算法大大简化了计算过程。
针对所提调制策略在四桥臂NPC拓扑结构中出现的中点电位不平衡问题,提出一种基于电荷守恒的中点电位平衡算法,通过修改基矢量作用时间,实现了直流侧上下电容电压平衡。
1 四桥臂两电平逆变器的3D-SVPWM调制策略四桥臂两电平拓扑结构如图1所示,其16种开关状态对应的基矢量在αβγ坐标系中的位置如图2(a)所示,16个基矢量在空间上构成了一个六棱柱,该六棱柱又由6个三棱柱(三棱柱1~6)构成,其中每一个三棱柱可分为4个四面体(四面体Ⅰ~Ⅳ),参考电压矢量可由其所在四面体的3个非零矢量和2个零矢量合成。
一种改进的三电平逆变器SVPWM控制算法黄晓峰;王小鹏;孙春霞【摘要】传统三电平空间矢量脉宽调制(SVPWM)算法中扇区分割多为三角形和六边形,扇区判断计算复杂,且采用七段式开关序列,开关频率较大.为此,提出了一种新的三电平逆变器SVPWM控制算法,利用新的空间矢量类六边形进行扇区分割减少扇区判断的复杂性,采用新的四段式开关序列降低开关频率.仿真结果表明,在开关频率降低的情况下总谐波失真(THD)降低,且该算法的系统运行计算时间较短.%In the traditional three-level space vector pulse width modulation (SVPWM) algorithm,the sector judgment is computationally complex since the sector is divided into triangles and hexagons.In addition,the switching frequency is high because the seven-segment switching sequence is adopted.For this reason,a new SVPWM control algorithm for three-level inverter is proposed,in which the sector judgment is simplified by dividing the sector into quasi hexagons,and the new four-segment switching sequence is adopted to reduce the switching frequency.Simulation results show that the total harmonic distortion grows down with the switching frequency decreasing,moreover,the algorithm runtime is also decreased.【期刊名称】《测试科学与仪器》【年(卷),期】2017(008)003【总页数】6页(P277-282)【关键词】三电平逆变;空间矢量脉宽调制(SVPWM);扇区分割;开关序列【作者】黄晓峰;王小鹏;孙春霞【作者单位】兰州交通大学电子与信息工程学院,甘肃兰州730070;兰州交通大学电子与信息工程学院,甘肃兰州730070;兰州交通大学电子与信息工程学院,甘肃兰州730070【正文语种】中文【中图分类】TM464Abstract: In the traditional three-level space vector pulse width modulation (SVPWM) algorithm, the sector judgment is computationally complex since the sector is divided into triangles and hexagons. In addition, the switching frequency is high because the seven-segment switching sequence is adopted. For this reason, a new SVPWM control algorithm for three-level inverter is proposed, in which the sector judgment is simplified by dividing the sector into quasi hexagons, and the new four-segment switching sequence is adopted to reduce the switching frequency. Simulation results show that the total harmonic distortion grows down with the switching frequency decreasing, moreover, the algorithm runtime is also decreased.Key words: three-level inverter; space vector pulse width modulation (SVPWM); sector determination; switching sequenceCLD number: TM464 Document code: AThree-level inverter is widely used in high voltage and high power field. A three-level structure with a small stress to the switch transistor can providehigh safety voltage with less harmonic components compared to a two-level structure[1-3]. At present, the modulation algorithm commonly used in three-level inverter[4,5] includes sinusoidal carrier pulse width modulation (SPWM), selective harmonic elimination PWM (SHEPWM) and space vector modulation (SVPWM). Owing to prominent advantages[6,7] such as more utilization of input voltage, flexibility in switching the legs of three-phase inverters, easy method for improving spectral performance and easy digital implantation, SVPWM has become the most popular control algorithm for the three-level inverter. There are a number of trigonometric functions and root operations in the traditional SVPWM algorithm[8,9], therefore software programming is relatively complex and implementation efficiency is low. To solve these problems end, many scholars have proposed a variety of improvement methods. In the SVPWM algorithm[10-12] based on 60° coordinate system, the sector is divided into hexagons by coordinate transformation, which reduces the calculation of trigonometric functions. But there is a repetition area on the sector segmentation, and the complexity of the sector judgment is increased. In addition, the above algorithms use symmetrical seven-segment switching sequence, with high switching frequency, which will lead to the total harmonic distortion.A new SVPWM control algorithm for Three-level inverter by dividing the sector into quasi hexagons is proposed to reduce the complexity for the sector judgment of the traditional SVPWM algorithm. The specific sector in which reference voltage vector is located can be determined, only relyingon three-phase voltage instantaneous value after vector synthesis and coordinate transformation, which reduces the operation of the trigonometric function. And then, this paper builds asymmetric four-segment switching sequence in the new sector structure to lower the switching frequency and reduce total harmonic distortion.1.1 Three-level inverterFig.1 shows a schematic diagram of a three-level neutral clamped inverter. In three-level inverter, each phase has three switching states P, O and N, and its corresponding AC side output voltage is -Vdc/2, 0 and Vdc/2. Hence, three-level inverter has 27 kinds of switching states. Each switching state corresponds to a voltage space vector, therefore, three-level inverter contains 27 voltage space vectors, as shown in Fig.2.The SVPWM algorithm flowchart is shown in Fig.3. Firstly, dividing the spatial vector map into six quasi-hexagonal sectors according to the location of the reference voltage vector for the sector judgments. And then, calculating the dwelling time of basic vector by vector synthesis and coordinate transformation of the reference voltage in the quasi hexagonal sector. Finally, generating PWM control signal according to the four-segment switching sequence to control the three-level inverter voltage output.1.2 Sector determinationThe segmentation of the quasi hexagon sector proposed in this paper is shown in Fig.4, each of which contains six regions.A new space vector is got by the space vector Vref minus the small vectorVt, which can be seen form Fig.3. Eq.(1) is the relation of space vectors. The expression of the three-phase voltage isIn the first sector, the expression of the three-phase voltage can be rewritten asCombining Eqs.(1) with (3), a new three-phase voltage expression is obtained asBy using the Clark transform [12], the three-phase rotating coordinate system changes to a plane Cartesian coordinate system, that is Substituting Eq.(4) into Eq.The space vector transformation that remainsing five sectors is similar to that of the first sector.The changes are shown in Table 1.According to the logical comparison of and , the location of reference voltage vector in the new α-β coordinate system can be determined, namely, and are determined by the positive or negative values of three-phase instantaneous voltage. The relationship between the sector and the positive or negative values of the three-phase instantaneous voltage is shown in Table 2.During the sampling period, the three adjacent basic vectors could synthesize reference vector Vref. When the end-point of reference vector Vref is located in the first region of the first sector, as shown in Fig.4, the following formula can be obtained based on the volt-second balance theorem[13], namelywhere Ts is sampling period, Vz is small vector, V1 is long vector, and V2 is middle vector. The dwelling time of V1 and V2 can be denoted as T1 andT2, respectively. Tz is the dwelling time of zero vector. Considering the relationship of coordinates transformation, the dwelling time of voltage vector isSimilarly, the dwelling time of voltage vector in other regions can be deduced.1.3 Switching sequenceFor adapting to the new sector structure and reducing the switching frequency, an asymmetric four-segment switching sequence is put forward. Switching sequence of the first sector is listed in Table 3.The switching sequences of the two regions in sector Ⅰ are as follows. Region 1: PON-POO-PON-PNN; Region 2: PON-POO-PON-OON. The transformation from sequence PNN to sequence PON only changes the B phase, which satisfies the requirement of the smallest change of vector in the process of vector transformation among different regions. The four-segment switching sequence is an asymmetrical switching sequence, and its overall switching number reduces by 1/3 compared to the traditional switching sequence, then the switching frequency shows a downward trend as a whole. The distortion of total harmonic will be decreased with the switching frequency reducing. In the aspect of the vector dwelling time, it is no longer decomposed in the traditional way of 1/2 decomposition, but partially distributed by using the new four-segment switching sequence. Taking the second region of the first sector as an example, only the middle vector PON and the small vector POO, OON function.In this section, simulation model of three-level inverter is built byMatlab/Simulink to verify the correctness of the control algorithm, as shown in Fig.5.The parameters of simulation include: DC-bus voltage, 380 V; three-phase output line vol tage, 220 V; frequency, 50 Hz; DC capacitance, 4 230 μF; AC load, 15 kW. In the judge sector module, the specific sector in which reference voltage vector is located can be determined, according to the three-phase voltage instantaneous value. In the vector conversion module, the three-phase voltage is converted to new and space vectors. Finally, the PWM control signal is used to control the inverter based on the four-segment switching sequence.Three-level inverter AB output phase voltage and A-phase line voltage are shown in Figs.6 and 7, respectively.The three-level inverter voltage has a stable output waveform.Fig.8 is the sector judgment waveform for three-level inventor.Under the force of the three-phase voltage, the three-phase synthetic vector Vref is rotated in the counterclockwise direction, which reduces the calculation time of the judgment mode.The toltal harmonic distortion (THD) of A-phase output is 0.69%, as shown in Fig.9.It is proved that the THD decreases as the switching frequency reduces.A new control algorithm is put forward to improve the traditional SVPWM algorithm. In order to solve the problem of complex calculation of the sector judgment in the traditional three-level SVPWM algorithm, a new quasi hexagonal segmentation method is proposed to reduce thecomputational complexity of the sector judgment in the case of independent segmentation sector. A new asymmetric four-segment switching sequence is proposed to decrease the total harmonic distortion. Compared to the traditional seven-segment switching sequence, four-segment switching sequence reduces the switching frequency, thereby reducing the total harmonic distortion. The simulation results show that the algorithm can not only reach the voltage output requirement of the three-level inverter, but also reduce the calculation time and the total harmonic distortion.[1] Nabae A, Takahashi I, Akagi H. A new neutral-point-clamped PWM inverter. IEEE Transactions on Industry Applications, 1981, 17(5): 518-523.[2] Bernet S. A comparison of three-level converters versus two-level converters for low-voltage drives, traction, and utility applications. IEEE Transactions on Industry Applications, 2005, 41(3): 855-865.[3] Newton C, Summer M. Multi-level convertors a real solution to medium/high-voltage drives. Power Engineering Journal, 1998, 12(1): 21-26.[4] Liu H L, Cho G H. Three-level space vector PWM in low index modulation region avoiding narrow pulse problem. IEEE Transactions on Power Electronics, 1994, 9(5): 257-262.[5] Pou J, Boroyevich D, Pindado R. New feedforward space-vector PWM method to obtain balanced AC output voltages in a three-level neutral-point-clamped converter. IEEE Transactions on Industrial Electronics, 2002, 49(5): 1026-1034.[6] Seo J H, Chang H C, Dong S H. A new simplified space-vector PWM method for three-level inverters. IEEE Transactions on Power Electronics, 2001, 16(4): 545-550.[7] Celanovic N, Boroyevich D. A comprehensive study of neutral-point voltage balancing problem in three-level neutral-point-clamped voltage source PWM inverters. IEEE Transactions on Power Electronics, 2000, 15(2):242.[8] ZHAO Hui, LI Run, WANG Hong-jun, et al. Study on SVPWM method based on 60° coordinate system for three-level inverter. In: Proceedingsof the Chinese Society of Electrical Engineering, 2008, 28(24): 39-45. [9] Meshram P M, Hanote D, Renge M M. A simplified space-vector PWM for three level inverters applied to passive and motor load. In:Proceedings of IEEE Conference on Industrial Electronics and Applications, 2009: 3388-3393.[10] Srinivasan R, Sundararaman K. Digital control of multi level inverters using simplified space vector modulation. In: Proceedings of IEEE International Conference on Control, Automation, Communication and Energy Conservation, 2009: 1-8.[11] Fan B, Zhao W G, Yang W, et al. A simplified SVPWM algorithm research based on the neutral-point voltage balance for NPC three-level inverter. In: Proceedings of IEEE International Conference on Automation and Logistics, 2012: 150-154.[12] Beig A R, Narayanan G, Ranganathan V T. Modified SVPWM algorithm for three level VSI with synchronized and symmetrical waveforms. IEEETransactions on Industrial Electronics, 2007, 54(1): 486-494.[13] Busquets-Monge S, Bordonau J, Boroyevich D, et al. The nearest three virtual space vector PW―a modulation for the comprehensive neutral-point balancing in the three-level NPC inverter. IEEE Power Electronics Letters, 2004, 2(1): 11-15.。
基于svpwm的三电平逆变器控制策略研究
基于svpwm(Space Vector Pulse Width Modulation)的三电平
逆变器控制策略研究是一个有趣又有兴趣的话题,尤其是在有需要开
发出新一代控制策略以满足市场不断提高要求时,受到越来越多的关注。
SVPWM是一种多相双向逆变器控制的有效方式,它能够在负载测动
或静态状态时提供有效的响应,以调节输出电压并减少电磁悬浮。
然而,当输出功率较大时,可能会出现火花现象,增加了损耗,影响了
系统效率。
因此,采用三电平逆变器技术减少了火花现象,可以改善
输出功率对分部多脉冲控制的响应。
SVPWM技术与三电平逆变器的结合构成了一种适用于三电平逆变器
的新一代控制策略,可以有效改善该系统的性能。
在研究中,已经实
现了针对三电平逆变器的改进的SVPWM策略,调节了单相的输出电压,将负载拖动电流降低至最低,并且可以对输入电压的变化作出及时响应,从而提高系统效率。
此外,由于信号电平与控制精度之间的关系,本文还介绍了如何
可以使用基于三电平逆变器的SVPWM策略来提高信号电平和控制精度
之间的性能。
该方案利用不同的控制方法来控制三相的逆变器的输出,通过理论和仿真结果,得出了显著的改善效果。
总而言之,基于svpwm的三相逆变器控制策略研究可能会取得长
足的进展,以满足市场的新一代控制需求。
在相关的研究工作中已经
取得了良好的成果,并且有望在未来继续发展,使得三电平逆变器能
够发挥更好的控制性能。
三电平逆变器SVPWM过调制控制策略综述
李阳;戴鹏;于月森;曹兴;蒋正友
【期刊名称】《电气传动》
【年(卷),期】2010(040)007
【摘要】有效地利用过调制控制策略,能够提高逆变器的输出电压,对提高电动机的动态响应速度和扩大稳定运行区域具有重要意义.主要研究了过调制产生的原因,总结了几种典型的过调制控制策略,讨论了它们各自的优缺点,并指出了现有过调制控制策略中存在的问题.
【总页数】5页(P8-11,17)
【作者】李阳;戴鹏;于月森;曹兴;蒋正友
【作者单位】中国矿业大学,信息与电气工程学院,江苏,徐州,221008;中国矿业大学,信息与电气工程学院,江苏,徐州,221008;中国矿业大学,信息与电气工程学院,江苏,徐州,221008;中国矿业大学,信息与电气工程学院,江苏,徐州,221008;中国矿业大学,信息与电气工程学院,江苏,徐州,221008
【正文语种】中文
【中图分类】TM464
【相关文献】
1.一种基于SVPWM的三电平逆变器中点电压平衡控制策略 [J], 周翔宇;张国荣;
2.60°坐标系下三电平逆变器SVPWM控制策略研究 [J], 陈晓鸥;许春雨;王枫明
3.三电平逆变器SVPWM过调制控制策略研究 [J], 谢奕尘
4.一种SVPWM过调制控制策略的分析与仿真 [J], 徐鲁辉;崔传辉
5.新颖的SVPWM过调制策略及其在三电平逆变器中的应用 [J], 金舜;钟彦儒;程为彬
因版权原因,仅展示原文概要,查看原文内容请购买。
三电平变换器SVPWM算法综述
于月森;姜小艳;符晓;夏帅;伍小杰
【期刊名称】《变频器世界》
【年(卷),期】2009(000)009
【摘要】本文介绍了三电平空间矢量脉宽调制(SVPWM)的基本原理,根据空间矢量调制的规律,重点介绍了五种三电平SVPWM算法,并对它们各自的特点进行了分析,包括古典算法;参考电压分解SVPWM算法;基于线电压坐标系的SVPWM算法;基于60°坐标系的SVPWM算法:基于120°坐标系的SVPWM算法。
最后针对上述五种算法,对三电平变换器中点电压的平衡控制进行了研究。
【总页数】6页(P35-40)
【作者】于月森;姜小艳;符晓;夏帅;伍小杰
【作者单位】中国矿业大学信电学院
【正文语种】中文
【中图分类】TM464
【相关文献】
1.三电平变换器SVPWM控制算法的研究 [J], 赵莉华;何雄;黄念慈
2.三电平变换器SVPWM控制算法的改进研究 [J], 何凤有;邓园;张贞飞;马志勋
3.基于简化SVPWM算法双三电平变换器研究 [J], 张晓;谭国俊;韩耀飞;王冬冬
4.基于FPGA的三电平变换器SVPWM调制方法的实现 [J], 刘海舰;丁佩剑;许恩泽;胡亮
5.三电平变换器SVPWM控制算法的优化 [J], 黄文美;张时明;孙英;李小鹏
因版权原因,仅展示原文概要,查看原文内容请购买。
基于三电平典型拓扑结构的SVPWM调制策略研究作者:王超然刘宇蝶来源:《无线互联科技》2024年第12期摘要:當前,我国的新能源技术面临发电量受外界因素影响较大、电能不能稳定输出等问题,大功率变换器的使用是解决此问题的关键,多电平逆变器能够满足大功率变换器的高压大功率化需求。
文章以T型三电平逆变器为研究对象,分析了其调制算法和中点电位平衡问题,并进行了仿真验证。
根据空间矢量脉宽调制(Space Vector Pulse Width Modulation,SVPWM)算法的原理,文章分析了中点电位不平衡对空间电压矢量作用的不良影响。
基于MATLAB/Simulink平台,文章搭建了仿真模型,仿真结果证明了三电平SVPWM算法对中点平衡控制策略的有效性。
所提方法能够弥补原有算法操作复杂的不足,对三电平乃至多电平逆变器的工程应用具有促进作用。
关键词:T型三电平逆变器;中点电位不平衡;SVPWM算法中图分类号:TM464;TP273文献标志码:A0 引言随着现代电力电子技术的迅速发展,适用于不同场合的多电平逆变器所具有的拓扑结构层出不穷,所对应的调制算法也千差万别。
T型三电平逆变器利用2个反向串联的功率开关管将直流母线侧的中点与输出端相连,实现中点箝位功能和零电流切换。
当中点电位发生变化时,T型三电平逆变器拓扑能够解决上、下桥臂的开关管功率损耗分布不均的问题,但存在中点电位动态不平衡的问题[1]。
空间矢量脉宽调制(Space Vector Pulse Width Modulation,SVPWM)的算法原理是将逆变器的输出状态转化为空间电压矢量,通过空间矢量的切换控制三电平变流器的开关管工作。
SVPWM算法所形成的系统模型简单,输出波形在大范围调制比内具有良好的性能、较小的输出谐波含量以及较高的电压利用率,易于实现抑制中点电位波动、减小谐波含量、减少开关频率等控制目标[2]。
因此,本文以三电平T型逆变器为研究对象,深入研究其SVPWM策略,弥补原有算法复杂、实际操作困难的缺陷;利用简易算法实现T型三电平逆变器的SVPWM;建立MATLAB/Simulink模型,分析了SVPWM算法对中点电位不平衡问题的抑制作用。
三电平逆变器的SVPWM控制与MATLAB仿真研究三电平逆变器是一种常用的电力电子设备,具有输出波形质量高、效率高、功率密度大等优点。
SVPWM是一种常用于三电平逆变器的控制算法,可以实现对输出电压的精确调节。
本文将对SVPWM控制算法进行研究,并使用MATLAB进行仿真验证。
首先,介绍三电平逆变器的基本原理。
三电平逆变器由两个半桥逆变器和一个中间电压平衡电路组成。
其工作原理是通过控制两个半桥逆变器的开关状态,将输入直流电压转换为输出交流电压。
为了实现高质量的输出波形,需要对逆变器的开关状态进行精确控制。
SVPWM是一种常用的控制算法,通过控制逆变器的开关状态来实现对输出电压的精确控制。
SVPWM控制算法的基本原理是将三相交流信号转换为空间电压矢量,然后通过控制逆变器的开关状态来实现对输出电压的调节。
该算法采用三角波进行调制,根据三角波和参考信号之间的相位差确定逆变器的开关状态。
具体来说,根据参考信号和三角波的相位关系,可以将逆变器的开关状态分为六个不同的区间。
在每个区间中,逆变器的开关状态发生变化,从而实现对输出电压的调节。
为了验证SVPWM控制算法的性能,我们使用MATLAB进行仿真。
首先,我们需要建立逆变器的数学模型。
逆变器的数学模型可以通过电路方程和开关动态方程来建立。
然后,我们可以编写MATLAB代码来实现SVPWM控制算法。
在代码中,需要定义参考信号和三角波的频率和幅值,并根据相位差确定逆变器的开关状态。
最后,我们可以通过MATLAB的仿真工具来模拟逆变器的工作过程,并观察输出电压的波形和频谱。
通过对SVPWM控制算法的研究和MATLAB的仿真验证,可以得出以下结论。
首先,SVPWM控制算法可以实现对三电平逆变器输出电压的精确控制。
其次,通过调整参考信号和三角波的频率和幅值,可以实现不同频率和幅值的输出电压。
最后,MATLAB的仿真工具可以有效地验证SVPWM控制算法的性能,并对三电平逆变器的工作过程进行可视化分析。
二电平和三电平逆变器svpwm调制方法-概述说明以及解释1.引言1.1 概述概述部分应该对二电平和三电平逆变器svpwm调制方法进行简要介绍,说明其在逆变器领域中的重要性和应用。
可以按照以下方式编写该部分的内容:概述逆变器是一种将直流电能转换为交流电能的装置,广泛应用于电力电子领域。
在逆变器的调制方法中,svpwm是一种常用且有效的调制技术。
根据逆变器的拓扑结构的不同,svpwm调制方法可以分为二电平和三电平两种。
二电平逆变器svpwm调制方法通过对逆变器开关管的控制,使输出波形接近正弦波,并最大化功率输出。
其调制原理是将高频三角波与标准正弦波进行比较,通过控制开关管的导通时间实现输出波形的控制。
二电平逆变器svpwm调制方法具有简单、可靠的特点,在许多应用中得到广泛使用。
相比之下,三电平逆变器svpwm调制方法引入了一个额外的中点电压,可以提供更高的输出电压质量。
其调制原理是将标准正弦波与两个输出电压等级的三角波进行比较,通过控制开关管的导通时间和电平,实现输出波形的更精确控制。
三电平逆变器svpwm调制方法适用于高功率应用和对输出电压质量要求较高的场景。
本文将重点探讨二电平和三电平逆变器svpwm调制方法的调制原理和实现方式,比较其优缺点,并对其应用前景进行展望。
二电平和三电平逆变器svpwm调制方法的研究对提高逆变器效率、降低谐波失真以及满足不同应用需求具有重要意义。
1.2 文章结构文章结构部分的内容应该包括对整篇文章的结构进行概括和简要说明。
可以按照以下方式编写:本文主要围绕着二电平逆变器SVPWM调制方法和三电平逆变器SVPWM调制方法展开讨论。
文章结构如下:第一部分为引言,包括概述、文章结构和目的。
在概述中,将会介绍逆变器的作用和重要性,以及SVPWM调制方法在逆变器中的应用背景。
文章结构将会简要列举本文的章节和主要内容。
目的部分将明确本文旨在比较二电平和三电平逆变器SVPWM调制方法的优劣以及探讨其应用前景。
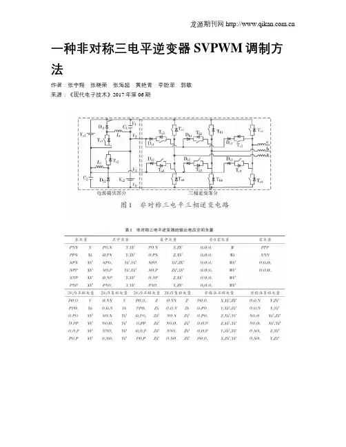
一种非对称三电平逆变器SVPWM调制方法作者:张宇翔张晓荣张海超黄艳青李盼菲郭敏来源:《现代电子技术》2017年第06期摘要:提出一种新型的非对称三电平逆变器,并采用空间矢量脉冲宽度调制策略作为调制方法。
前级通过双Buck变换器为后级提供四路电平,后级逆变电路包括四路三相桥臂,在不同的开关组合下工作于非对称的三电平状态。
非对称三电平结构降低了大电流时开关管所承受的电压应力,降低了后级逆变电路的开关损耗。
分析电路的工作原理、调制方法,在Matlab/Simulink环境下建模仿真,仿真结果验证了该电路的有效性及其调制策略的可行性。
关键词:非对称三电平逆变器; Buck变换器;空间矢量脉冲宽度调制; Simulink仿真中图分类号: TN65⁃34; TM464 文献标识码: A 文章编号: 1004⁃373X(2017)06⁃0159⁃05Abstract: A novel asymmetric three⁃level inverter is proposed, in which the space vector pulse width modulation (SVPWM) strategy is adopted as its modulation method. Thepreceding⁃stage of the inverter provides four⁃channel levels through the dual⁃Buck converter for the rear stage. The rear⁃stage inverter circuit includes four three⁃phase bridge arms, and works at the asymmetric three⁃level state with various switching combinations. The asymmetric three⁃level circuit structure reduces the voltage stress of the switching tube while exerting large circuit, and switching loss of the rear⁃stage inverter circuit. The working principle and modulation method of the circuit are analyzed. The modeling simulation is performed with Matlab/Simulink. The circuit is effective, and its modulation strategy is feasible, which are verified with simulation results.Keywords: asymmetric three⁃level inverter; Buck converter; space vector pulse width modulation; Simulink simulation0 引言为了实现较宽的输入工作电压范围,通常情况下逆变器前级DC/DC环节采用Boost升压电路。
三电平变换器SVPWM算法综述1引言随着高压大功率电力电子装置的发展,PWM逆变器从两电平向三电平、多电平的方向发展[1-5]。
三电平逆变器引起了越来越多的关注,其相对于传统两电平电压型逆变器表现出明显的优势,如每个开关管承受的电压仅为直流母线电压的一半,可以使用耐压等级低的器件,并避免了器件串联使用时的动态均压问题[4];相同调制频率下,交流侧电流谐波含量低,直流电压纹波小,器件损耗小,效率高,故有着广泛的应用前景和重要的研究价值。
三电平变换器的PWM调制方法主要有两类:载波调制法和电压空间矢量调制法[1][2],三电平PWM逆变器输出性能主要取决于调制算法,空间矢量PWM(Space Vector PWM,SVPWM)方式由于其直流电压利用率高、电流纹波小并且输出电压形式丰富,得到了广泛应用。
但它的计算十分复杂,特别是在电平数较多时难以实现实时控制,这一缺点大大限制了它的运用[5]。
传统的三电平SVPWM算法是直接采用类似两电平的方法,其中涉及到较多的三角函数和查表。
随着电平数增多,传统算法会变得越来越复杂。
目前国内外专家对此问题进行了深入的研究,提出了许多改进算法。
本文首先介绍了三电平SVPWM基本原理,然后根据空间电压矢量调制的规律,重点介绍了五种三电平SVPWM算法:古典算法;参考电压分解SVPWM算法;基于线电压坐标系的SVPWM算法;基于60°坐标系的SVPWM算法;基于120°坐标系的SVPWM算法。
最后针对上述五种算法,对三电平变换器中点电压的平衡控制进行了研究。
2三电平SVPWM基本原理三电平的PWM调制方法主要有载波法和空间矢量法,载波法主要有正弦波调制PWM(SPWM)和选择性消谐PWM(SHEPWM)。
空间矢量法(SVPWM)因其电压利用率高、输出波形谐波含量低、易于数字化实现等诸多优点,得到了广泛的应用。
定义三相定子电压空间矢量为v a、v b、v c,由于三相异步电动机的定子绕组空间上呈互差120度分布,故空间电压矢量可以定义为正常情况下,以电机中性点为变换器零电位参考点,引入开关函数S a,S b,S c代表各相桥臂的输出状态,对应的输出相电压分别表示为其中,V dc为直流侧电压;故三相三电平逆变器合成电压状态有33=27种组合,对应的空间矢量数为27种,其中有效电压矢量有19种。
湖北省2008年优秀学士学位论文名单(第5批)(一等奖65篇)序号论文题目作者指导教师院系001 复杂损伤并存的法医学分析卓荦刘良法医学系002 纤锌矿GaN缺陷掺杂态电子结构研究与LED透射电镜样品制作李晓航周治平物理学院003 企业社会责任与知识产权肖新林焦洪涛法学院004 电阻抗成像硬件电路设计与实现李涛丁明跃生命科学与技术学院005 车站站房建筑站台区域污染扩散CFD模拟刘辉明雷飞环境科学与工程学院006 通过RAFT法制备亲CO2嵌段共聚物陈可平谭必恩化学与化工学院007 电透视检查评价吞咽障碍的检查序列研究王奇李欣第一临床学院008 公司治理的法与金融学研究曹琳琳管斌法学院009 甘蓝型油菜碳酸酐酶的基因定位研究甘露栗茂腾生命科学与技术学院010 基于中国数字人体的体素建模与外源放射模拟张郭智刘谦生命科学与技术学院011 基于介电电泳的细胞旋转捕获芯片设计与制作蒙东日于军电子科学与技术系012 131I治疗甲亢的疗效分析及评价覃春霞张永学第一临床学院013 自然场景中的二阶信息分析汪彪桑农电子与信息工程系014 塔里木生活基地球类馆有限元分析曹锦李黎土木工程与力学学院015 ERP环境下制造资源管理及能力需求计划方法研究姜智勤朱海平机械科学与工程学院016 基于禁忌搜索算法求解单目标FJSP的方法研究石杨高亮机械科学与工程学院017 BaTiO3纳米纤维的制备与表征李和平严有为材料科学与工程学院018 超空泡螺旋桨的研究和二维空化、超空化流动的计算机数值模拟尹致遥张志国船舶与海洋工程学院019 OBS光网络中主动路由技术以及传输链路传输代叶斐李蔚光电子科学与工程学院020 视频事件检测与分析胡琼冯镔电子与信息工程系021 基于距离成本的直销渠道对供应链双边效应的影响研究吴加燕张子刚管理学院序号论文题目作者指导教师院系022 氨氮水质自动分析系统可行性研究梁向辉陆晓华环境科学与工程学院023 欧盟环境规制对我国玩具出口的贸易效应的实证研究蒋冰冰李昭华经济学院024 Zn掺杂SnO2纳米棒自组装团簇的溶剂热合成及气敏性能研究丁小虎曾大文材料科学与工程学院025 全位置自动焊接机器人--系统建模与机构设计胡超谢经明机械科学与工程学院026 微尺度激光冲击处理过程仿真与实验装置设计程华旸熊良才机械科学与工程学院027 综合楼韦艳娜廖绍怀土木工程与力学学院028 某轻钢厂房设计篷栓聂肃非土木工程与力学学院029 三维裂纹扩展问题的数值模拟技术张正艺解德船舶与海洋工程学院030 服务水平约束下流水车间成套订单研究刘焰烽周水银管理学院031 彭家寨古村落保护与开发设计滕淼赵逵建筑与城市规划学院032 荧光蛋白基因突变及筛选刘顺张智红生命科学与技术学院033 多自由度机械臂的运动规划与仿真程钊黄心汉控制科学与工程系034 三电平逆变器的SVPWM过调制策略研究张宁云程善美控制科学与工程系035 Y型墩连续梁桥的设计代筠杰张海龙土木工程与力学学院036 GSH,Trdox对蛋白质氧化的影响周国峰高中洪化学与化工学院037 中温固体氧化物燃料电池LSCN阴极的研究欧阳安李箭材料科学与工程学院038 柔性关节臂信息无线传输系统设计孙静超刘玉电子与信息工程系039 基于灰均衡接近度的历史文化名城特色资源评价王少军王晓鸣土木工程与力学学院040 时间价格敏感需求下的产能及延迟配送惩罚成本决策研究熊伟陈宗建管理学院041 网络公众参与研究——以"华南虎事件"为个案胡世琼蒋天文公共管理学院042 基于EPON的光无线混合网络架构和算法研究谭喆元刘海光电子科学与工程学院043 基于卫星实测数据的SAR成像算法研究张艳霞李青侠电子与信息工程系044 交通意外致挥鞭样损伤死亡法医学鉴定1例张焱陈新山法医学系045 海峡两岸产业内贸易及其影响因素研究宁婉卿邱慧芳经济学院046 网上的最优拍卖机制的扩展与研究梅琴杨明数学与统计学院047 多轴数控加工机床非线性运动误差校验与控制陈威彭芳瑜机械科学与工程学院048 量子绝热定理及几何相位在一个模型中的研究程然吴飚物理学院049 落料加工车间产品出库管理流程与系统开发宋科伟张宜生材料科学与工程学院050 内河船舶结构的耐撞性研究郁荣刘敬喜船舶与海洋工程学院序号论文题目作者指导教师院系051 叶酸靶向量子点脂质体纳米探针的制备及性质研究杨畅项光亚药学院052 双斜盘水液压轴向柱塞泵的设计汪慧朱碧海机械科学与工程学院053 并联机构综合实验台——装配机器人的总体设计周伟吴昌林机械科学与工程学院054 40W(at -23°C)斯特林制冷机的设计周文杰张晓青能源与动力工程学院055 低热值煤气燃烧过程的数值模拟及其应用刘恺许国良能源与动力工程学院056 重金属和疏水有机物复合污染土壤的强化解吸修复研究吴晓凤袁松虎环境科学与工程学院057 催化还原脱硫催化剂抗中毒性能实验研究赵岳胡辉环境科学与工程学院058 绩效考核公平感与知识共享关系的实证研究——以绩效考核效应为中介变量王艳张鹏程管理学院059 正向反馈交易对我国IPO首日起额收益影响的实证研究王琳夏新平管理学院060 大学生本科就业性别歧视许卓王冰公共管理学院061 基于虚拟机架构的信息流控制及策略管理陈刚邹德清计算机科学与技术学院062 等离子体镜提高超短超强激光脉冲信噪比研究杨清袁孝光电子科学与工程学院063 第一性原理研究硅纳米晶体掺杂张婧婕张道礼电子科学与技术系064 可降解高分子载姜黄素纳米药物的制备,表征及其释药特性研究童志祥张胜民生命科学与技术学院065 GSK-3小分子抑制剂的设计、合成及药理活性初筛曹宝帅姜凤超药学院(二等奖77篇)序号论文题目作者指导教师院系001 基于系统理念的城市垃圾车设计研究陈旭黄朝晖机械科学与工程学院002 高精度光功率计的设计与软件实现宋金周鹏003 基于Fuzzing的媒体软件漏洞分析与利用的研究姜俊伟付才计算机科学与技术学院004 函数型数据分类概述雷明川李红数学与统计学院005 熔池温度场的重构及显示何鹏张朴控制科学与工程系006 企业生产调度算法的研究李明杨余明辉控制科学与工程系007 地铁工程施工安全风险管理研究王瑞吴贤国土木工程与力学学院008 引法下乡--宋庄纠纷调解的微观观察桂华鄢庆丰社会学系009 光纤周边警戒与激光夜视联动监控系统——联动监控系统功能的实现梅亮张敏明光电子科学与工程学院010 多频阵列感应成像测井仪主控系统的研究与设计曾维志周凯波控制科学与工程系011 某大学教学楼设计周旭张耀庭土木工程与力学学院012 微水溶剂体系中脂肪酸催化特性研究郑海闫云君生命科学与技术学院013 浅谈足球鞋的设计但唯托胡蓉珍机械科学与工程学院014 焦炉工ERCC8单核苷酸基因多态性和外周血淋巴细胞DNA损伤的关系邓棋霏邬堂春公共卫生学院015 北京奥运公益广告宣传片的视觉形象分析罗贝石长顺新闻与信息传播学院016 基于Web使用挖掘的B2C站点用户购买行为分析陈晓华马辉民管理学院017 农村公共产品供给中农民合作问题的研究余芳刘建平公共管理学院018 轮桨腿一体化两栖机器人驱动机构设计陈质二徐国华船舶与海洋工程学院019 广西省柳州柳东大道CBD中心广场景观环境设计张骞黄建军建筑与城市规划学院020 永磁同步电动机的直接转矩控制研究曹文超沈安文控制科学与工程系021 轮乘制下的铁路客运专线乘务计划优化编制研究苏璇沈吟东控制科学与工程系022 商业性与公益性城市房屋拆迁补偿对比研究罗廷婷谭术魁公共管理学院023 太赫兹频段金属亚波长孔径阵列的透射增强现象丁岚刘劲松光电子科学与工程学院024 齿轮泵、电磁开关阀虚拟设计及运动仿真黄金伟唐群国机械科学与工程学院025 煤热解气化过程中汞释放规律的实验研究杜振张军营能源与动力工程学院026 混浊背景下激光散斑测速的数据提取与分析王静朱丹生命科学与技术学院027 武汉市黄陂区前川街街域村庄布局规划张妮娅朱霞建筑与城市规划学院028 聚合物力学参数的超声测量罗志华朱鸿茂土木工程与力学学院029 城中湖突发性水污染应急管理体田莹佘廉公共管理学院030 法律社会学研究的主题转换与方法论变革--以卢曼的自生法理论为中心赵冬齐海滨法学院031 搜索引擎营销效果评估标准的研究屈超陈先红新闻与信息传播学院032 光标记交换控制电路与应用研究黄博李蔚光电子科学与工程学院033 乙二醇为溶剂制备不同形貌纳米银白功勋乔学亮材料科学与工程学院034 气动机械手设计刘振唐晓群机械科学与工程学院035 新农村社区污水生物-生态处理技术与工程设计韩正双章北平环境科学与工程学院036 投资组合风险分析系统分析郑金璐龚朴管理学院037 园林植物对大气CO2浓度增加反应李薇刘凌生命科学与技术学院038 六自由度液压机械手设计李桂泉冯天麟机械科学与工程学院039 油田注水管线振动分析刘芬芬轩建平机械科学与工程学院040 一类特定图像识别系统的开发晋文静樊慧津控制科学与工程系041 横切丝钢针打印系统中PLC控制部分的设计与实现张琦刘玉电子与信息工程系042 全数字PET闪烁脉冲信号处理张博谢庆国电子与信息工程系043 Integration of Swift and BOINC 刘凡左冬红电子与信息工程系044 雷达高度表信号模拟器参数检测模块的设计与实现马若飞胡修林电子与信息工程系045 TSP及基于地震勘探原理的数值仿真杨幸福王雪峰土木工程与力学学院046 中外企业社会责任信息披露研究——基于企业社会责任报告分析荆美星戴鑫管理学院047 大学毕业生专业对口指标体系的构建及与职业生涯成功的关系贺伟龙立荣管理学院048 基于Ada-Boost的人体检测算法实现张富强刘芳计算机科学与技术学院049 农民"种房"的行动理性--对武汉市东湖高新技术开发区S村的个案研究王三意雷洪社会学系050 多元权力视野下的公共建设-以元石村为个案刘志华吴淼公共管理学院051 蛋白质二级结构预测软件的研制朱伟刘曼西生命科学与技术学院052 基于场效应晶体管的生物传感器的结构优化邵士茜汪毅光电子科学与工程学院053 应用于某装备的力传感器及其测控系统的研制郑江凌朱碧海机械科学与工程学院054 进气添加二氧化碳对DME HCCI燃烧和排放特性影响的试验研究朱浩月张煜盛能源与动力工程学院055 基于BP神经网络算法的磁干扰补偿方法研究左超杨晓非电子科学与技术系056 耦合微带线型BST薄膜移相器仿真与设计朱慧梁飞电子科学与技术系057 抽头式梳状线带通滤波器研究与设计方小虎汤清华电子科学与技术系058 无功优化进化算法的比较方法研究耿静段献忠电气与电子工程学院059 发动机机体总成数字建模与分析梅赫庚黄永安机械科学与工程学院060 微小槽道散热器的数值模拟和实验分析陈彬彬刘伟能源与动力工程学院061 基于Windows 的多发多收声波仪设计与实现陈少明钟国辉电子与信息工程系062 纳米磁性薄膜制备方法及薄膜微观结构对微波性能的影响刘光钰冯则坤电子科学与技术系063 董事会特征与公司绩效研究——来自国有控股上市公司的经验数据陈茜袁建国管理学院064 基于Maxsurf57300DWT灵便型散货船总体方案设计屈代洲冯大奎船舶与海洋工程学院065 长江环境监测船主尺度优化和动画制作刘云辉刘卫斌船舶与海洋工程学院066 呼吸道合胞病毒RSV-F基因的克隆与表达载体的构建周之活李蕾药学院067 基于通讯的车用仪表总成模块化设计徐俊高世伦能源与动力工程学院068 一种二进制翻译实验系统的设计与实现任菁菁喻之斌计算机科学与技术学院069 半导体纳米线器件电导特性计算研究龚成江建军电子科学与技术系070 文本检索方法驱动的海量图像数据库目标匹配闭彬肖来元软件学院071 基于埋入式压电导纳传感器的混凝土早期强度监测张健王丹生土木工程与力学学院072 纳米夹杂对工形裂纹形核的影响金玮玮罗俊土木工程与力学学院073 基于GIS的城市空间发展战略研究汪曼何依建筑与城市规划学院074 焊接变位机设计石华强杨家军机械科学与工程学院075 基于属性相关性和冗余度的有效属性选择及分类效果研究王也邱德红软件学院076 利用格形模型分析沥青混合料的等效弹性和蠕变性杨圣枫杨新华土木工程与力学学院077 评价血清CYFRA21-1,NSE,CEA在肺癌诊断中的价值邓玲艳程黎明第一临床学院(三等奖118篇)序号论文名称姓名导师名称院系001 光伏并网发电系统的控制技术研究陈构宜林桦电气与电子工程学院002 彩色图像的照度分析及应用高旭孙志刚控制科学与工程系003 云梦县新型农村合作医疗运行效果评价研究刘高伍方鹏骞医药卫生管理学院004 面向数字化设计贯流风机的数值模拟与应用赵星磊王桂兰材料科学与工程学院005 武汉市某十九层综合大楼空调系统设计余炎徐玉党环境科学与工程学院006 3500DWT油船设计熊伟达朱翔船舶与海洋工程学院007 《乐记》的人性论胡维平李耀南哲学系008 Copulas连接函数在数据模拟及随机变量相依性研究中的应用彭浩威刘次华数学与统计学院009 管式换热器空气侧的流动换热数值模拟(开缝翅片)黄亮李嘉能源与动力工程学院010 基于宽光源和ROSA的双波段低成本WDM-PON关键技术研究谢玮霖金耀辉电子与信息工程系011 王家新村规划与建筑设计许伟文李晓峰建筑与城市规划学院012 康德自然目的论初探王珺张廷国哲学系013 要素引致技术进步研究述评程琛张建华经济学院014 氧/燃料燃烧方式下燃煤颗粒物的生成特性研究占中华徐明厚能源与动力工程学院015 大功率白光LED封装技术与可靠性研究孙海定郝永德电子科学与技术系016 钟祥市第二水厂工程郑宇刘满环境科学与工程学院017 武汉某办公楼设计丘彦升张先进土木工程与力学学院018 A Comparative Study of William Wilson and ThePicture of Dorian Gray孙昊斐胡泓外国语学院019 一类非自治反应扩散方程吸引子王明汤燕斌数学与统计学院020 全血细胞分析仪故障自诊断系统方案设计贾铌刘根凡能源与动力工程学院021 TOF-PET中LSO晶体闪烁脉冲的信号处理朱俊谢庆国电子与信息工程系022 Sn-Ag焊料在微小互连高度下界面反应的可靠性研究张峻吴丰顺材料科学与工程学院023 我国上市公司赢余质量对股票收益影响的实证分析王彪唐齐鸣经济学院024 河北省能源消费与经济增长间关系的实证研究邹蕴涵方齐云经济学院025 雷电波形特征分析技术陈彦彰吴裕斌光电子科学与工程学院026 光纤液位传感器试验研究程毅叶林控制科学与工程系027 电力系统稳定器参数优化设计夏海峰毛承雄电气与电子工程学院028 华中科技大学图书馆扩建方案设计王之淳杨毅建筑与城市规划学院029 基于GIS的农村卫生资源库的数据库设计杨秋祥李彬医药卫生管理学院030 学校社会工作者的角色困惑与定位杨倩吴中宇社会学系031 纳米Fe3o4催化氧荧光法检测痕量的H2O2 祝玺朱丽华化学与化工学院032 三维复杂焊缝的自适应非结构化网格生成的研究陈涛陈立亮材料科学与工程学院033 纯钛表面等离子体电解氧化制备仿生陶瓷膜的研究赵萱蔡启舟材料科学与工程学院034 50L立式混合机回转传动系统设计周海山李锡文机械科学与工程学院035 基于轮廓关键点集的形状分类杨小军刘文予电子与信息工程系036 飞行打标系统上层软件的设计与实现徐玲刘玉电子与信息工程系037 低速率语音编码中的信息隐藏算法研究与实现刘梦琳黄永峰电子与信息工程系038 网络传播:政府官员与公众的互动沟通陈思思何志武新闻与信息传播学院039 EPON系统光线路终端(OLT)的设计和实现吴勇敢刘海光电子科学与工程学院040 基于旋转部件的无线信道模型姚元李青侠电子与信息工程系041 基于动态混合负载的请求调度策略研究与实现戴娇王芳计算机科学与技术学院042 皮肤表面性质的图像分析毛尚勤黄心汉控制科学与工程系043 基于EMTP的高压直流数电系统仿真研究许澜张丹丹电气与电子工程学院044 大型水轮发电机异常工况下主保护特性仿真分析罗航尹项根电气与电子工程学院045 快速公共交通系统研究葛欢邹志云船舶与海洋工程学院046 东湖风景区慢行交通系统研究与设计向卓王进船舶与海洋工程学院047 液液萃取-衍生化-气相色谱法测定尿中三氯乙酸杨蔚芹鲁文清公共卫生学院048 数字制造装备实验室自主创新战略管理研究汪艳霞钟书华公共管理学院049 微电子器件腐蚀失效研究喻婧郭兴蓬化学与化工学院050 分布式电话系统中NAT穿越技术研究及应用彭玥吴涛软件学院051 药用辅料Cremophor EL对大鼠灌服环孢素A药代动力学的影响牟卉卉李高药学院052 湖北省慈善总会发展战略研究何立军谭术魁公共管理学院053 可再生资源、环境污染与可持续增长崔传杨宋德勇经济学院054 走向心斋之路——阐释一种“双行思维”郑文丰王均江中文系055 基于LabVIEW的紧凑型回旋加速器虚拟控制系统研究胡啸熊永前电气与电子工程学院056 SSH客户端在终端接入系统上的移植袁桦葛晓虎电子与信息工程系057 基于二叉决策图的软件可编程逻辑控制器的设计与实现章谨麟沈刚软件学院058 过量碘对小鼠脂代谢影响的研究陈晓清郝丽萍公共卫生学院059 Taqman技术在HLA-B27基因分型中的应用研究李归宁李一荣第一临床学院060 泽泻防治泌尿系结石有效部位的制备工艺研究区淑蕴尹春萍药学院061 A Study of the Acceptance of American Values andChinese Values of HUST Students郭志坚樊葳葳外国语学院062 日本語聴解の教材分析-聴解ストラテジーの立場から-钟勇陈俊森外国语学院063 交通工具概念设计中的软件应用与配合方法初探杭特宁黄朝晖机械科学与工程学院064 试验数据快速处理麻志成孙建平能源与动力工程学院065 集体信息、信息精确度及社会福利刘悦徐长生经济学院066 不同分布对VaR预测能力的研究胡军王少平经济学院067 脯氨酸衍生双酚类化合物的合成董俊芳龚跃法化学与化工学院068 基于粒子群算法的过程控制系统智能优化研究周汉英王永骥控制科学与工程系069 金属腐蚀电磁检测系统的研制黄虎武新军机械科学与工程学院070 PWM全桥DC/DC变换器研究张哲宇邹云屏电气与电子工程学院071 分布式存储能耗仿真系统的研究与实现李阳冯丹计算机科学与技术学院072 伺服压力机多连杆传动系统优化设计叶霖莫健华材料科学与工程学院073 OpenSSL中RSA相关原理分析与测试潘坤光覃中平软件学院074 伪码的捕获跟踪与高精度星间测距王新模胡修林电子与信息工程系075 我国公立医院筹资机制及其博弈分析吴少玮方鹏骞医药卫生管理学院076 大学生心理卫生服务利用现状的调查与研究周颖华吴均林医药卫生管理学院077 城市交通枢纽交通设计研究邹芳刘有军船舶与海洋工程学院078 分子印迹微球用于去除雌激素污染物的研究谢亚婷吕斌公共卫生学院079 广义2色Ramsey数的计算贺娟娟潘林强控制科学与工程系080 日本金星蕨化学成分的研究雷永芳阮金兰药学院081 基于感性工程研究法的HNC-32型数控系统GUI设计晁丁丁曹淮机械科学与工程学院082 木工机械造型设计研究李文彬曹淮机械科学与工程学院083 NAS系统中Samba管理的设计与实现黄心怡瞿彬彬计算机科学与技术学院084 电磁发射系统中的电磁能量优化方案探索焦丰顺唐跃进电气与电子工程学院085 波光露影给排水设计龚锐王宗平环境科学与工程学院086 某风景区公路改建设计陈宗蕊孙玲土木工程与力学学院087 高表面积耐高温AL2O3基材料的制备胡准李涛化学与化工学院088 永武一级公路13标段设计廖可萍刘文生089 KPSS检验的扩展和应用朱满洲王少平经济学院090 基于PHP和MySQL开发的能源选课系统张伟杨涛能源与动力工程学院091 基因组数据的web可视化技术分析与比较李晓宇陆枫计算机科学与技术学院092 湖北咸丰县城区控制性详细规划设计胡怡婷陈征帆建筑与城市规划学院093 武汉市某五星级酒店中央空调系统设计欧阳长文徐菱虹环境科学与工程学院094 基于MATLAB与VC编程的快速综合评价系统的研究与实现海贺刘智勇医药卫生管理学院095 小麦叶绿体基因组DNA的提取和定点整合转化载体的构建赵稳何光源生命科学与技术学院096 绝缘子串电压分布的研究谭威文远芳电气与电子工程学院097 移动平台下的音频播放软件开发与实现管强夏涛计算机科学与技术学院098 湖北省农村药品"两网"工作效果分析与评价齐海波张新平医药卫生管理学院099 膜蛋白的分离与纯化新方法研究鄢兴华刘笔锋生命科学与技术学院100 耐热钢的高温显微组织变化行为贾欢雨余圣甫材料科学与工程学院101 夜间驾驶跟踪方法曹宇黄文聪102 基于Oracle的后台数据接口设计与实现梁霄苏曙光软件学院103 论杜威教育伦理思想及其意义杜英子韩东屏哲学系。
具有中点电位平衡的船用变频器三电平SVPWM过调制技术船用变频器是将电源直流电转化为交流电,用于控制船舶电机的速度和方向。
在控制电机时,为了保证电机运行的稳定性和效率,需要使用一种高效的过调制技术。
其中,三电平SVPWM(Space Vector Pulse Width Modulation)是一种具有中点电位平衡的高效过调制技术,能够有效地控制电机的速度和方向,提高电机的运行效率。
三电平SVPWM通过调整电极上的电压,使得电机在不同的工作状态下产生不同的电压波形,从而实现对电机的控制。
其中,三电平SVPWM的中点电位平衡是指通过调整电压波形中的中点电位,使得电机在工作时不会出现电位偏移,从而保证电机运行的稳定性和效率。
具体来说,三电平SVPWM通过将三个相位的电压交错输出,来形成一个完整的电压波形。
其中,电压波形由两个相邻的电极和一个中点电位组成。
通过调整中点电位,可以实现对电机的控制,从而实现对电机的速度和方向的控制。
三电平SVPWM不仅具有中点电位平衡的优势,还具有高效、稳定、精度高的优点。
在实际的船舶应用中,三电平SVPWM 能够有效地提高电机的运行效率,延长电机的使用寿命,为船舶的安全运行提供了有力保障。
总之,作为一种高效的过调制技术,三电平SVPWM通过调整电压波形中的中点电位,实现了对电机的精准控制,具有高效、稳定、精度高等优点。
在船用变频器中的应用,能够提高电机的运行效率,延长电机的寿命,保障船舶的安全运行。
为了更清晰地了解三电平SVPWM对船用变频器的影响,下面列出相关的数据进行分析。
首先,我们可以考虑电机效率的提高。
通过使用三电平SVPWM,电机的效率可以得到提高。
根据相关统计数据,使用三电平SVPWM的船用变频器,其电机效率可以提高约10%。
这是因为三电平SVPWM具有中点电位平衡,可以避免电位偏移和电机的不稳定运行,从而提高电机的工作效率。
其次,我们可以考虑电机的寿命。
使用三电平SVPWM的船用变频器,其电机的寿命可以得到延长。
一种新颖的三电平光伏逆变器调制策略研究随着绿色能源的发展和普及应用,光伏发电系统已成为新能源的重要组成部分,逆变器作为光伏发电系统的关键部件,不仅可以提高转换效率,还能实现电网和本地功率控制,电能质量的保障以及建立光伏发电系统的安全。
近年来,随着研究进步,三电平光伏逆变器调制方案得到了广泛的应用,有效地改善了光伏发电系统的可靠性,提高了系统的性能。
三电平光伏逆变器调制是指将光伏发电系统中的三电平逆变器与光伏阵列、直流传输线和接地电阻相结合,以实现三维的功率控制的过程。
相比于其他调制策略,三电平光伏逆变器调制有较大的优势。
首先,它提高了系统的可靠性,并实现了更高的效率。
其次,它可以在一定范围内提高电能质量,有效地抑制电力系统中的干扰。
此外,它可以满足现在越来越重要的环保要求,实现清洁、低成本的发电。
与其他调制策略相比,三电平光伏逆变器调制方案具有更多的优势,但也有一定的不足。
首先,三电平光伏逆变器调制系统的实施需要更多的资源和更复杂的设计,从而增加成本和投资。
其次,高级控制策略需要更多的环境因素和算法,而这些算法也更加复杂,需要更长的计算时间。
最后,尽管三电平光伏逆变器调制方案的可靠性比单电平等级提高,但仍可能受到偶然的电磁和环境干扰,对系统的安全性造成一定的危害。
因此,在调制策略中,三电平光伏逆变器的研究仍然具有重要的意义。
研究者可以采用模型预测、仿真研究等方法,从不同层面进行研究,以更深入地理解三电平光伏逆变器调制策略,并实施有效的控制策略。
另外,还可以在研究中考虑不同的控制策略,实现高效的光伏发电系统,满足环保要求,促进光伏发电的安全可靠。
事实上,光伏发电系统的安全可靠性和发电效率取决于调制策略。
三电平光伏逆变器调制策略是未来光伏发电系统中一个重要组成部分,具有重要的理论和实际意义,值得进一步研究和深入探索。
综上所述,三电平光伏逆变器调制策略在光伏发电系统中具有重要意义,它既可以提高发电效率,又能保证安全可靠性,为光伏发电系统的发展及实施提供重要参考。