工艺流程图绘制方法PID图
- 格式:doc
- 大小:31.50 KB
- 文档页数:5
P&ID设计入门指南管道和仪表流程图又称为P&ID,是PIPING AND INSTRUMENTATION DIAGRAM的缩写。
P&ID的设计是在PFD的基础上完成的。
它是化工厂的工程设计中从工艺流程到工程施工设计的重要工序,是工厂安装设计的依据。
化工工程的设计,从工艺包、基础设计到详细设计中的大部分阶段,P&ID 都是化工工艺及工艺系统专业的设计中心,其他专业(设备、机泵、仪表、电气、管道、土建、安全等)都在为实现P&ID里的设计要求而工作。
广义的P&ID可分为工艺管道和仪表流程图(即通常意义的P&ID)和公用工程管道和仪表流程图(即UID)两大类。
由于P&ID的设计千变万化,对同一工艺流程的装臵,也可以因为外界因素的影响(如用户要求、地理环境的差异、以及操作人员的经验不同等),需要在设计P&ID时作出相应对策,再加上设计者不同的处理方法,因而同一工艺流程在不同的工程项目中,其P&ID不可能完全相同,但也不会有太大的差异。
P&ID通常有6~8版,视工程需要而定。
一套完整的P&ID及UID清楚地标出工艺流程对工厂安装设计中的所有要求,包括所有的设备、配管、仪表等方面的内容和数据。
下面,对P&ID及UID的设计进行简单介绍。
一.P&ID的设计1.P&ID的设计内容P&ID的设计应包括下列内容。
1.1设备(1)设备的名称和位号。
每台设备包括备用设备,都必须标示出来。
对于扩建、改建项目,已有设备要用细实线表示,并用文字注明。
(2)成套设备对成套供应的设备(如快装锅炉、冷冻机组、压缩机组等),要用点划线画出成套供应范围的框线,并加标注。
通常在此范围内的所有附属设备位号后都要带后缀“X”以示这部分设备随主机供应,不需另外订货。
(3)设备位号和设备规格P&ID上应注明设备位号和设备的主要规格和设计参数,如泵应注明流量Q和扬程H;容器应注明直径D和长度L;换热器要注出换热面积及设计数据;储罐要注出容积及有关的数据。
精通PID工艺流程图,这些要点最关键!PID图作为化工生产的技术核心,无论是设计院的工程师、化工厂的工艺员,还是中控控制室的主操,了解PID图上每一个字母、符号所表示的意义,并清楚明白这些元件的作用和控制方法,是作为化工人必不可少的技能。
PID图是什么?工艺流程图:即Process Flow Diagram,简称PFD,由工艺专业完成,它包含了整个装置的主要信息、操作条件(温度、压力、流量等)、物料衡算(各个物流点的性质、流量、操作条件等都在物流表中表示出来)、热量衡算(热负荷等)、设计计算(设备的外形尺寸、传热面积、泵流量等)、主要控制点及控制方案等。
相同作用且规格相同的设备只需画出一台即可。
工艺管道及仪表流程图:即Piping Instriment Diagram,简称PID。
PID是在PFD的基础上,由工艺、管道安装和自控等专业共同完成。
需要画出所有的设备、仪表、管道及其规格、保温厚度等内容,是绘制管道布置图的主要依据。
PID图是在工艺包阶段就开始形成初版,随着设计阶段的深入,不断补充完善深化,它分阶段和版次分别发表。
PID各个版次的发表,表明了工程设计进展情况,为工艺、自控、设备、电气、电讯、配管、管机、管材、设备布置和给排水等专业及时提供相应阶段的设计信息。
PID是基础设计和详细设计中主要成品之一,它反映的是工艺设计流程、设备设计、设备和管道布置设计、自控仪表设计的综合成果。
PID图能告诉我们什么?1.用规定的类别图形符号和文字代号:表示装置工艺过程的全部设备、机械和驱动机,包括需就位的备用设备和生产用的移动式设备,并进行编号和标注。
2.用规定的图形符号和文字代号:详细表示所需的全部管道、阀门、主要管件(包括临时管道、阀门和管件)、公用工程站和隔热等,并进行编号和标注。
3.用规定的图形符号和文字代号:表示全部检测、指示、控制功能仪表,包括一次性仪表和传感器,并进行编号和标注。
4.用规定的图形符号和文字代号:表示全部工艺分析取样点,并进行编号和标注。
PFD是工艺原则流程图,PFD中包括了装置内所有主要设备,物流介质的相态,温度,压力,及各物流相对应得组成百分比。
有些PFD中没有组成。
PID是工艺流程图,是根据PFD进行详细设计的。
包括了做施工图所需的所有管线及连接,公用工程及辅助设备和管线的总的流程图。
PID图图纸规格采用1号图纸规格(594 mm×841 mm),并用多张1号图分开表示。
每张图纸的有关部分均应相互衔接,完善地表示出整个生产过程。
少数物流和控制关系来往密切且内容较多,表示在一张1号图中太挤的情况下,可按图纸延长的标准加长1/4或1/2。
PID图的内容应根据工艺流程图和公用工程流程图的要求,详细地表示装置的全部设备、仪表、管道和其他公用工程设施,具体内容如下:a) 全部设备;b) 全部仪表(包括控制、测量及计算机联结);c) 所有管道、阀门(低高点放空除外)、安全阀、大小头及部分法兰;d) 公用工程设施、取样点、吹扫接头;e) 工艺、仪表、安装等特殊要求。
PID图中设备画法编号例如E-1由三台换热器并联操作,其编号分别为E-1A,E-1B,E-1C(或E-1A/B/C);如P-1为两台泵(一台操作,一台备用),其编号为P-1A,P-1B(或P-1A/B)。
用细实线画出装置全部操作和备用的设备,在设备的邻近位置(上下左右均可)注明编号(下画一粗实线)、名称及主体尺寸或主要特性。
编号及名称应与工艺流程图相一致,编号方法与“工艺流程图”2.4.2规定相同。
但同一作用的设备由多台组成(或备用)时,可在编号数字后加A,B,C。
设备的主体尺寸或特性的标注方法按不同外型或特性规定如下:a) 立式圆筒型:内径ID×切线至切线高T/T,mm,b) 卧式圆筒型:内径ID×切线至切线长T/T,mm,c) 长方型:长×宽×高,mm,d) 加热及冷换设备:标注编号、名称及其特性(热负荷、及传热面积)e) 机泵,设备大小可不按比例画,但应尽量有相对大小的概念,有位差要求的设备,应表示其相对高度位置,例如热旁路控制流程中的冷凝器和回流罐。
工艺流程图包括哪些,重点介绍PID的制图标准与常用图例工艺流程图
工艺流程图是化工生产的技术核心,包含了物料平衡、设备、仪表、阀门、管路等信息,每一个化工厂都有一份独一无二的工艺流程图,可以说从一份完整工艺流程图中可以看中一个工厂大部分的技术信息。
所以无论是设计院的工程师、化工厂的工艺员、还是中控控制室的主操能看、能画工艺流程图,都是必不可少的技能。
今天小编就向大家介绍,工艺流程图包括哪些,重点介绍PID的制图标准与常用图例。
工艺流程图内容
既然我们说工艺流程图,那么工艺流程图到底包括些什么呢?主要有框图、PFD、PID这三种。
一般来说流程是这样的:确定工艺路线后,绘出工艺框图;模拟计算后,确定物料平衡,绘出PFD图,进行设备、阀门、仪表、管线的选型设计后,绘出PID图。
其中框图与PFD图多用于设计阶段,PID图是在PFD图基础上设计出成型的流程图,也是生产过程遇到最多的流程图。
下面为大家介绍PID图的标准与常用图例。
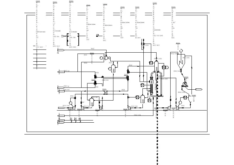
带控制点的工艺流程图PID ▼
带控制点的工艺流程图也称管道及仪表流程图。
从这张例图中,我们可以看出,PID图由设备、管道、仪表三部分组成,让我们分别来看一下,这三部分应该如何视图,常用图例又有哪些。
1设备部分
▌绘图标准
流程图上的设备都标注设备位号和名称,设备位号一般标注在两个地方。
第一是在图的上方或下方,要求排列整齐,并尽可能正对设备,在位号线的下方标注设备名称;第二是在设备内或其近旁,此处仅注位号,不注名称。
当几个设备或机器为垂直排列时,它们的位号和名称可以由上而下按顺序标注,也可水平标注。
工艺流程图绘制方法——PID图
PID图图纸规格
采用1号图纸规格(594 mm×841 mm),并用多张1号图分开表示。每
张图纸的有关部分均应相互衔接,完善地表示出整个生产过程。少数物流和控制
关系来往密切且内容较多,表示在一张1号图中太挤的情况下,可按图纸延长的
标准加长1/4或1/2。
PID图的内容
应根据工艺流程图和公用工程流程图的要求,详细地表示装置的全部设
备、仪表、管道和其他公用工程设施,具体内容如下:
a) 全部设备;
b) 全部仪表(包括控制、测量及计算机联结);
c) 所有管道、阀门(低高点放空除外)、安全阀、大小头及部分法兰;
d) 公用工程设施、取样点、吹扫接头;
e) 工艺、仪表、安装等特殊要求。
PID图中设备画法
编号 例如E-1由三台换热器并联操作,其编号分别为E-1A,E-1B,E-
1C(或E-1A/B/C);如P-1为两台泵(一台操作,一台备用),其编号为P-1
A,P-1B(或P-1A/B)。
用细实线画出装置全部操作和备用的设备,在设备的邻近位置(上下左右均
可)注明编号(下画一粗实线)、名称及主体尺寸或主要特性。编号及名称应与
工艺流程图相一致,编号方法与“工艺流程图”2.4.2规定相同。但同一作用的设
备由多台组成(或备用)时,可在编号数字后加A,B,C。
设备的主体尺寸或特性的标注方法按不同外型或特性规定如下:
a) 立式圆筒型:内径ID×切线至切线高T/T,mm,
b) 卧式圆筒型:内径ID×切线至切线长T/T,mm,
c) 长方型:长×宽×高,mm,
d) 加热及冷换设备:标注编号、名称及其特性(热负荷、及传热面积)
e) 机泵,
设备大小可不按比例画,但应尽量有相对大小的概念,有位差要求的设备,
应表示其相对高度位置,例如热旁路控制流程中的冷凝器和回流罐。
设备内部构件的画法与PFD图规定要求相同。相同作用的多台设备应全部予
以表示,并按生产过程的要求表示其并联或串联的操作方式。对某些需要满足泵
的汽蚀余量或介质自流要求的设备应标注其离地面的高度,一般塔类和某些容器
均有此要求。对于落地的立式容器,该尺寸要求也可直接表示在相关数据表设备
简图中。
PID图中管道画法
装置内所有操作、开停工及事故处理等管道及其阀门均应予表示,并用箭
头表示管内物料的流向。主要操作管道用粗实线表示,备用管道、开停工及事故
处理管道、其他辅助管道均用细实线表示。
装置内的扫线、污油排放及放空管道只需画出其主要的管道及阀门,并表
示其与设备或工艺管道连接的位置。
装置内公用工程(水、蒸汽、燃料、密封油、冲洗油、空气、化学药剂等)
可分不同系统按上述要求绘制公用工程的“管道及仪表流程图”。各种物料一般在
使用地点用短实线示意,并标注物料的名称,但对其所采用的仪表和阀门不得重
复表示(一般只表示在公用工程PID中)。
管道的编号及标注方法:应根据装置的部分号和管内物料的属性分别按流
程顺序编号,即每一种介质应分别顺序编号。允许中间有预留号,如:工艺管道
(代号P)中不同属性物料管道之间可以留有空号。同一物料流经多台不同功能
的设备时,每经一台或一组设备后新编一个管号。
管道的标注方法如下:
×××× - ×××× - ×××× - ×××× - ×××
公称直径 介质代号 管道编号 管道等级 隔热
或
×××× - ×××× - ×××× -××××
公称直径 介质代号 管道编号 管道等级
公称直径以mm表示,例如:50即50 mm:介质代号详见附录A中的A2;
管道编号一般为四位数字,首位数字代表“部分号”,后面数字为管道序号。
如果装置不分成若干部分,则管道编号一般为三位数字,没有“部分号”。例如催
化重整装置反应部分(部分号为2)第45条油汽管道,其管号应为2045。
管道等级的选定按SEPM 0101.1,先由工艺专业确定,最后由配管专业在
管道说明表中会签。隔热要求代号见附录A中的A3。
阀门、法兰、大小头、取样接头、管道过滤器的表示方法:
a)阀门应按不同种类图例表示,参照SH/T 3101。特殊阀门更应表示清楚。
对关键性阀门应标注操作方式(其代号见附录A中的A4)
b)与设备开口法兰联接的管道均应将法兰画出,与带法兰的阀门联接处可不
画法兰。由于工艺要求需在管线某段设置法兰时,应予表示,并注明其位置尺寸;
c)所有盲法兰应画出法兰盖。阀门一端有法兰盖或丝堵的可用 或 表示;
d)最终版的PID中所有变径处的大小头均应予表示;
e)安全阀用代号PSV表示,编号格式同2.4.2的设备编号,并在编号下端注
明其定压(Pc)。
f)所有取样接口,即使不设取样冷却器,均应在流程图中表示并编号,编号前
加代号SN,如SN-101……等;
g)泵入口若设置固定式管道过滤器,流程图要表示。临时过滤器不表示在流
程图中。
特殊要求的表示法:对设备、管道、仪表等设计或安装等有特殊要求的部
位,应在图上标注清楚,也可在图中适当位置画出详图,并将详图编号,详图代
号DTL;也可在图的右上端或下端用备注的形式加以说明。
a)详图:用来表示设备、管道、仪表等局部地方的设计详图,如有多个详图
时,可用DTL-A、B、C、D区别。
b)自流管道:应注明管道的坡度及方向,例如:i=0.005即坡度为0.5 %;
c)工艺或仪表要求管道有一段水平管段或垂直管段或测量点有距离要求时应
在所要求的位置予以注明。
d) 管道出现不同的管道等级要求时,应在变等级处标明不同的管道等级,
e) 需要伴热的管道可在其下端(水平管)或右侧(垂直管)相距1 mm处
增画一细虚线,并在管号中注明,
f) 一些管道如易凝易冻管道要求“尽量短”、“无盲肠”或“无存液”…等均需表
示。
g) 注释:在PID中难以表示的工艺、管道及仪表的要求,均可用注释加以
说明。注释应予编号(注1,注2,注3……),将编号标注在应予说明的部位。
注释内容:仪表、远距离操作阀门、特殊阀门、小型设备(过滤器、取样器等)
等的安装位置及安全距离要求,如:某阀门其位置要能看到T1-××;放空管的高
度及距离要求;高点放空、低点排液的要求;泵和压缩机安装临时过滤器的要求;
高度安装设计对袋形布置特殊要求等等;
h) 进出装置或进出任一张图(多张图组成的PID)的管道表示法详见本标准
2.6.1的规定。
仪表的画法
应画出装置全部控制、测量、记录、指示、分析、联锁等仪表。所有仪表均
应分类编号,成套供应设备可与仪表专业协调确定编号原则。
代号和图例
应将设备、管道、仪表等的代号和图例统一画在一张图上,作为“管道及仪表
流程图”的一张图编档案号,一般均作为PID的第一张图。
公用工程的管道及仪表流程图
a) 公用工程包括水、蒸汽、压缩空气等,辅助系统包括燃料、封油、冲洗油、
化学药剂、放空等。公用工程及辅助系统应按系统分别绘制辅助管道、公用工程
管道及仪表流程图,其绘制要求与上述的工艺管道及仪表流程图相同;
b) 在辅助管道、公用工程管道及仪表流程图中已画出的阀门和仪表,就不能
再在工艺管道及仪表流程图中出现,既不允许重复,也不能遗漏;
c) 最终存档的辅助管道、公用工程管道及仪表流程图中管道的分枝的次序及
管径应与工艺安装的管道布置图一致;
d) 辅助管道、公用工程管道及仪表流程图可视其繁简程度将一种或几种物料
流程画在一张图上;
e) 辅助管道、公用工程管道及仪表流程图图纸的编号可编在工艺管道及仪表
流程图之后。
取样
装置中取样方式较多、较复杂的,可以把各种取样方式画在一张取样流程图
中,在工艺管道及仪表流程图中只表示取样位置和编号。数量较少时也可在相应
的工艺管道及仪表流程图中用详图来表示。
基础设计(初步设计)阶段的工艺管道及仪表流程图
基础设计(初步设计)阶段的工艺管道及仪表流程图的图例应按SH/T 3101
的有关规定绘制。
对基础设计(初步设计)阶段的工艺管道及仪表流程图的表示方法与本标准
第三章详细设计(施工图设计)阶段工艺管道及仪表流程图的表示方法相同。但
由于工作深度尚未达到,其内容可从以下几方面进行简化:
a) 可不表示对于不影响装置正常操作的小型设备,如消音器、过滤器等;
b) 可不表示设备的规格和机泵的特性;
c) 可不表示特殊法兰连接、大小头等;
d) 安全阀可不编号,不注定压;
e) 公用工程只需表示其主要管道及主要分枝;
f) 只表示主要的放空及扫线的接管及其所用阀门;
g) 可不画详图。
外来流程图的编制
基本上利用专利公司图纸补充修改重新画出的工艺管道及仪表流程图,应在角图
章左侧加盖EMGS 0807-2002中规定的“原图纸所属图号章”。
若利用制造厂的图纸,补充与制造厂分界点以外的管道及仪表流程图设计,该图
盖我公司角图章及“原图纸所属图号章”,并按规定编档案号及签署。
计算机辅助设计的规定
计算机辅助设计(CAD)中的汉字、字母、数字采用True Type宋体或长仿宋
矢量字体BDIHZ,字体宽高比为0.75。 仪表图例的尺寸规定如下
一般的仪表图例圆圈尺寸均为Φ12 mm,用细实线画出,对于集散型控制系
统的图例,参照SH/T 3101