实训六对乙酰氨基酚片的质量检验
- 格式:docx
- 大小:31.19 KB
- 文档页数:8
实验六紫外分光光度法测定对乙酰氨基酚片的含量的方法学研究一、目的要求1. 掌握确证分析方法的效能指标内容和要求。
2. 熟悉建立分析方法的基本思路。
3. 掌握紫外分光光度法的原理及操作。
二、实验原理对乙酰氨基酚结构中含有苯环共轭系统,在0.4%氢氧化钠溶液中,于257nm波长处有最大吸收,其吸收系数为%11cmE715。
C8H9NO2 151.16三、仪器与试剂对乙酰氨基酚片,对乙酰氨基酚对照品,氢氧化钠,容量瓶,量筒,紫外分光光度计,研钵。
四、实验步骤1. 线性与浓度范围取对乙酰胺基酚对照品约40mg,精密称定,置250mL量瓶中,加0.4% 氢氧化钠溶液50mL溶解后,加水稀释至刻度,摇匀。
分别精密量取2,4,6,8,10,12mL,置100mL量瓶中,加入0.4%氢氧化钠溶液10mL,加水稀释至刻度,摇匀,照分光光度法,在257nm的波长处测定吸收度。
将浓度C对吸收度A回归,得线性回归方程:A=a+bC(r= ,n=6)。
线性浓度范围0.0032~0.0192mg/mL.2. 供试品测定法取本品10片,精密称定,研细,精密称取适量(约相当于对乙酰氨基酚40mg),置250ml 量瓶中,加0.4 %氢氧化钠溶液50ml及水50ml,振摇15分钟,加水至刻度,摇匀,用干燥滤纸滤过,精密量取续滤液5ml ,置100ml 量瓶中,加0.4 %氢氧化钠溶液10ml,加水至刻度,摇匀,照分光光度法,在257nm 的波长处测定吸收度,按C8H9NO2的吸收系数(%11cmE)为715 计算,即得。
3. 回收率试验取本品10片,精密称定,研细,精密称取细粉适量(约相当于对乙酰氨基酚40mg),共6份,置250ml量瓶中,按1:1比例,分别向其中加入对乙酰氨基酚对照品,其余照“供试品测定法”项下的方法操作,按标准曲线法或百分吸收系数法计算回收率。
4. 精密度试验照“供试品测定”项下的方法操作,计算片剂含量相当于标示量的百分数,6份测定结果的相对标准偏差(RSD)即为精密度试验结果。
苏州医药科技学校苏州市医药化工技工学校教案(首页)教师姓名戎筱卿科目药物分析技术授课形式讲授、实训授课日期班级教学时数8授课章节项目八对乙酰氨基酚的检验使用教具(教学资源)仪器、试剂资源:酸度计、紫外-可见分光光度计、分析天平(感量为0.1mg)、容量瓶(250ml、100ml)、移液管(5ml);对乙酰氨基酚、三氯化铁试液、稀盐酸、水浴锅、亚硝酸钠试液、碱性β-萘酚试液和氢氧化钠。
信息资源:电子阅览室或图书馆环境资源:天平室、仪器室、药物分析检验实验室应在环境布置上将相关检验规程上墙。
教学目标知识目标了解对乙酰氨基酚的结构和性质。
掌握对乙酰氨基酚的鉴别、检查和含量测定方法。
能力目标能正确使用分析天平进行称量操作;会使用酸度计测定PH值;会正确使用紫外-分光光度计;能准确进行对乙酰氨基酚含量的测定。
德育目标情感目标(素质目标)锻炼自我学习、熟练的操作技能培养团队协作、精益求精、严谨求实的良好工作作风。
教学重点对乙酰氨基酚含量的测定。
会数据处理、评价结果及记录方法。
教学难点紫外分光光度法测定含量的基本原理;对乙酰氨基酚含量测定计算方法。
课改设计背景分析本教学项目是药物分析技术中的第八个学习项目,是学生进一步掌握药物化学检验基本技能的项目。
学生在已经学习了分析化学、药物化学等专业基础课程,初步掌握了药物的一般鉴别方法、一般检查方法以及紫外分光度法等化学检验技术的前提下,进一步将所学技能运用于具体药物的分析。
本教学项目需配备多媒体教室,天平室,仪器室、药物分析实验室。
教学情境学生作为某企业QC化验员根据药典的质量标准对对乙酰氨基酚原料药进行分析,教师作为质检科长负责审核检验结果。
课外作业课后及补充题教学后记项目八:对乙酰氨基酚的检验一、学习项目对乙酰氨基酚的检验(8课时)二、背景分析药物分析技术是本专业学生从事原料检验、中间体检验、制剂检验、生产过程在线检验等岗位必备技能,是重要的必修课程之一。
本教学项目是药物分析技术中的第八个学习项目,是学生进一步掌握药物化学检验基本技能的项目。
实验五片剂的质量检查与评价一、实验目的1、掌握片剂硬度、脆碎度、崩解时限的检测方法;2、了解片剂质量检查与评价的重要意义。
二、实验指导片剂的质量检查包括外观性状、片重差异、硬度、脆碎度、崩解时限等方面的检测。
1、外观性状:片剂表面应色泽均匀、光洁,无杂斑,无异物,并在规定的有效期内保持不变,良好的外观可增强病人对药物的信任,故应严格控制。
2、片重差异:应符合现行药典对片重差异限度的要求。
片重差异过大,意味着每片中主药含量不一,对治疗可能产生不利影响,具体的检查方法如下:取20片,精密称定每片的片重并求得平均片重,然后以每片片重与平均片重比较,超出下表中差异限度的药片不得多于2片,并不得有1片超出限度1倍。
3、硬度和脆碎度:反映药物的压缩成形性,对片剂的生产、运输和贮存带来直接影响,而且对片剂的崩解,主药的溶出度都有直接影响,在生产中检查硬度的常用方法是:将片剂置于中指与食指之间,以拇指轻压,根据片剂的抗压能力,判断它的硬度。
用适当的仪器测定片剂的硬度可以得到定量的结果,一般能承受30~40N的压力即认为合格。
常用的仪器有:孟山都(Monsanto)硬度计、片剂四用测定仪、罗氏(Roche)脆碎仪等。
4、崩解度:除药典规定进行“溶出度或释放度”检查的片剂以及某些特殊的片剂(如缓控释片剂、口含片、咀嚼片等)以外,一般的口服片剂需要做崩解度检查,具体要求见下表。
三、实验内容与操作(一)硬度检查法:采用破碎强度法,采用片剂硬度仪进行测定。
方法如下:将药片径向置于两横杆之间,启动仪器后,其中的活动柱杆借助弹簧沿水平方向对片剂径向加压,当片剂破碎时,活动柱杆的弹簧停止加压,仪器显示屏所显示的压力即为片的硬度。
测定3片,取平均值。
(二)脆碎度检查法:取药片,按中国药典规定的检查法,置片剂于脆碎度检查仪内检查,记录检查结果。
检查方法及规定如下:取片剂10片,精密称重,置脆碎仪圆筒中,转动100次。
取出,用吹风机吹去脱落的粉末,精密称重,减失重量不得过1%,且不得检出断裂、龟裂及粉碎的片。
[精品]对乙酰氨基酚片溶出度测定对乙酰氨基酚片是一种非处方药,用于缓解疼痛、退烧、减轻关节炎和牙痛等。
在药品质量控制方面,溶出度测定是测定药品释放活性成分的关键方法之一,可用于评估药品的有效性和一致性。
本实验旨在采用美国药典(USP)提供的方法,测定对乙酰氨基酚片的溶出度。
1.实验原理溶出度是指药品中活性成分从药片或胶囊中释放出来的比例。
药品的溶出度对药效产生影响,因此,需要对它进行检测以确保药品质量达到标准。
常用的溶出度测定方法包括旋转篮法和流动池法。
旋转篮法适用于药片和胶囊,有利于模拟胃肠道的运动。
而流动池法适用于注射剂和眼药水等液体制剂。
本实验采用的是旋转篮法,将对乙酰氨基酚片放入篮中,放到模拟胃肠道的容器中,并在旋转的条件下采集样品,测定其对乙酰氨基酚溶出度。
2.实验步骤2.1 准备a.先将篮子和箔纸放在烘箱中烘干,预热至50℃左右。
b.称取一定量的对乙酰氨基酚片粉末,将其压制成药片。
c.提取篮子和箔纸,稍稍冷却,然后将篮子置于箔纸上,放回烘箱中预热至50℃。
d.取一定量的模拟胃液,将其预热至37℃。
2.2 实验操作a.取一个已称好药片,将其放入篮子中,然后盖上篮子盖子,确保药片合适地固定在篮子中。
b.用钢丝将篮子悬挂在模拟胃液的容器中,保证篮子不接触容器底部。
c.启动旋转器,设置旋转速度为50rpm,开始测定。
d.每个时间点收集一个样品。
将采样器插入模拟胃液中,确保其到达药片所在的位置(通常为时间的1/3、2/3和3/3),并将样品收集到样品瓶中,以供后续分析。
e.持续测定至90分钟,并在每个时间点记录剩余的药片和溶出度数据。
f.一旦测定完成,将篮子和样品在干燥的环境下过夜。
2.3数据处理a.逐一记录采集的样品的时间和对乙酰氨基酚溶出量。
b.将数据绘制成输药时间与对乙酰氨基酚溶出量的关系图。
c.计算药物的平均溶出度,这是从剩余药物的总质量中计算出来的。
3.实验注意事项a.对乙酰氨基酚片的制备需准确称取药材,不得有误差。
对乙酰氨基酚分散片的制备及质量检查【摘要】目的:考察制备对乙酰氨基酚分散片的最佳处方及工艺并进行药物质量检查。
方法:通过单因素实验筛选对乙酰氨基酚最佳崩解剂,然后通过正交试验得到涉及黏合剂用量,崩解剂用量和加入方法的最佳制备工艺。
结果:最优崩解剂为交联羧甲纤维素钠(CCNa),用量7%,采用内外加法;黏合剂为PVP,用量2%;硬度控制在2kg左右。
结论:用本法制备对乙酰氨基酚分散片可操作性强,但多数质量检查不符合要求。
【关键词】对乙酰氨基酚;分散片;正交试验【前言】分散片指在水中能迅速崩解并均匀分散的片剂。
分散片可以迅速释放药物从而提高药物的生物利用度,另外它具有易生产、便携等特点。
一般需要对分散片进行崩解时限,混悬性或分散均匀度和溶出度的检查。
国内外广泛用于分散片中的崩解剂主要有羧甲基淀粉钠(CMS-Na)、交联聚乙烯吡咯烷酮(PVPP)、交联羧甲纤维素钠(CCNa)、低取代羧丙纤维素(L-HPC)等。
分散片质量检查的项目是:崩解时限、溶出度检查、分散均匀性检查等。
对乙酰氨基酚(Acetaminophen)又名扑热息痛(paracetamolum APAP),属苯胺类解热镇痛药,临床上用于发热、头痛、风湿痛、神经痛及痛经等,适于对阿司匹林过敏的患者。
对乙酰氨基酚目前已有片剂(胶囊型)、注射剂、胶囊、咀嚼片、混悬液、滴剂等多种剂型,其中片剂胶、囊剂为常用。
由于该药物在水中溶解度较小且在水溶液存在稳定性问题,同时该药物吸收血药达峰时为10——60min。
由对硝基酚钠经还原成对氨基酚,再酰化制得。
本论文研究的对乙酰氨基酚分散片可以满足一些特殊用药需求,并为工业生产提供一定理论依据。
一仪器与试药1仪器:乳钵,托盘天平,片剂四用检测仪;尼龙筛(16目),单冲压片机,RCZ-8A智能溶出仪,WFZ UV-2000紫外分光光度计,FT-2000A脆碎度检查仪,LB-2B崩解时限测定仪,LIBROR-1600TP分析天平,101-4AB电热鼓风干燥箱。
吸收系数法测定对乙酰氨基酚片的含量实验心得体会实验一开始,老师向我们介绍说:“药物含量的测定通常采用吸收系数法。
”然而在之前我就只是听说过这种方法,并没有真正地操作过它,今天当然要学习和运用它啦!经过老师耐心的讲解,让我明白到吸收系数法是根据各组分溶于不同溶剂时的吸收值与其总的吸收值比较来确定各成分含量的。
首先我们用量筒测量了50毫升的乙酰氨基酚片的质量,再将50毫升的蒸馏水倒入干净的锥形瓶中,将少许对乙酰氨基酚片研碎后也放入锥形瓶中,盖上瓶盖摇匀。
观察溶液颜色变化。
这次我选择了三种对乙酰氨基酚片,分别是1.5毫克、2.0毫克和3.0毫克。
从图片可以看出第二组溶液呈现蓝绿色,而第四组则为黄褐色,所以这次测得的结果应该会很准吧?带着疑问,我打开锥形瓶盖,仔细观察发现对乙酰氨基酚片都沉淀下去了,此刻我便知道这些都是对乙酰氨基酚片啊!因为对乙酰氨基酚片遇碱性溶液会产生盐析反应,使得它能够完全溶解于无机酸中,而遇强碱或者氧化剂等弱酸弱碱盐类则难以溶解。
但对于乙酰氨基酚片这样微溶于冷水且极易溶于热水的情况,却不存在这样的问题。
所以我认为由于第五组加入了少量氢氧化钠溶液,导致第六组溶液变浑浊。
接着把两个装有对乙酰氨基酚片的容器用胶塞密封好,静置30分钟左右。
原本想立即倒掉里面的溶液,突然脑海闪过刚才的对乙酰氨基酚片的制取实验,觉得如果直接倾斜锥形瓶的话会破坏压强平衡,造成不必要的浪费,于是我决定将瓶子竖起来进行倾倒。
谁料,锥形瓶里居然还剩余大约50ml的甲醇溶液,显然是不足以维持这么长时间的。
怎么办呢?突然灵光乍现,我赶紧拿起烧杯和滴管跑回教室。
回到座位,迅速调整仪器使指针指向刻度盘零点处,快步走到实验台旁边,拧开盖子用力地晃动烧杯。
终于让这些残留在底部的甲醇充分挥发了。
随后,继续进行操作,做好标记。
最后检查了一遍实验设备和操作步骤,得出结论:乙酰氨基酚片遇碱性溶液会产生盐析反应;遇强碱或者氧化剂等弱酸弱碱盐类则难以溶解。
一、教学目标1. 让学生了解对乙酰氨基酚的化学结构和性质。
2. 培养学生对对乙酰氨基酚的检验方法的认识和操作技能。
3. 提高学生对药物分析的基本原理和方法的理解。
二、教学内容1. 对乙酰氨基酚的化学结构与性质。
2. 对乙酰氨基酚的检验方法:红外光谱法、紫外光谱法、薄层色谱法。
3. 对乙酰氨基酚的检验步骤与操作要点。
三、教学重点与难点1. 对乙酰氨基酚的化学结构与性质。
2. 对乙酰氨基酚的检验方法的选择与操作。
四、教学方法1. 采用多媒体课件进行讲解,结合实物模型和图片,帮助学生直观地理解对乙酰氨基酚的结构和性质。
2. 通过实验操作,让学生亲手实践,掌握对乙酰氨基酚的检验方法。
3. 组织讨论和提问,激发学生的思考,巩固所学知识。
五、教学准备1. 教学课件和教案。
2. 对乙酰氨基酚样品。
3. 实验仪器和试剂:红外光谱仪、紫外光谱仪、薄层色谱板、移动相等。
4. 实验室安全指导书。
六、教学过程1. 引入新课:通过介绍对乙酰氨基酚的应用领域,如感冒药、止痛药等,引出对乙酰氨基酚的化学结构和性质。
2. 讲解对乙酰氨基酚的化学结构与性质:详细讲解对乙酰氨基酚的分子结构、官能团及其性质。
3. 讲解对乙酰氨基酚的检验方法:介绍红外光谱法、紫外光谱法和薄层色谱法对乙酰氨基酚的检验原理和操作步骤。
4. 实验操作:学生分组进行实验,亲手操作红外光谱仪、紫外光谱仪和薄层色谱板,进行对乙酰氨基酚的检验。
5. 讨论与提问:组织学生进行实验结果的讨论,回答相关问题,巩固所学知识。
七、教学反思通过本节课的学习,学生应能够了解对乙酰氨基酚的化学结构和性质,掌握对乙酰氨基酚的检验方法。
在教学过程中,教师应关注学生的学习情况,及时解答学生的疑问,引导学生进行思考和讨论。
注重实验操作的安全性,培养学生的实验操作能力和团队合作意识。
八、教学评价1. 学生对对乙酰氨基酚的化学结构和性质的理解程度。
2. 学生对对乙酰氨基酚的检验方法的掌握情况。
对乙酰氨基酚分散片的制备及其质量检查【摘要】目的制备对乙酰氨基酚分散片。
方法以崩解时间为指标比较不同崩解剂的作用, 以正交试验设计确定最佳处方,按照工艺制备并进行了体外溶出度、脆碎度、崩解度、硬度等数据的测定。
结果工艺简单、稳定性良好, 分散片崩解时间小于3 min, 其崩解时间、分散均匀度、硬度和溶出度均达到中国药典2005 年版二部要求。
结论研制的对乙酰氨基酚分散片能够快速溶出。
【关键词】对乙酰氨基酚;分散片;崩解时间;正交设计1 药品试剂及仪器1.1 仪器脆碎度检查仪;分析天平;片剂四用测定仪;智能崩解仪;智能药物溶出仪;紫外可见分光光度计;1.2 药品对乙酰氨基酚;预胶化淀粉;交联聚维酮;交联羧甲基纤维素钠;羧甲基淀粉钠;聚乙烯吡咯烷酮;2 实验方法及结果2.1 崩解剂的筛选2.1.1 初筛处方的设计[1]情况保持不变的情况下,按照以下四种处方,分别以占总量5%的CMS-Na、占总量5%的PPVP、占总量5%的L-HPC、占总量5%的CMC-Na为崩解剂,并且采用内加法进行试验。
2.2 处方工艺筛选2.2.1 制备工艺粉碎主药对乙酰氨基酚——加入稀释剂和崩解剂PPVP,混匀——加入粘合剂,制软材——通过18目筛,制湿粒——干燥30 min,通过30目筛,整粒——加入润滑剂,混匀,用12 mm冲压片——制得成品(若为外加或内外加,则按照“对乙酰氨基酚分散片处方工艺正交试验安排表”加入崩解剂)2.2.2 取优化处方的含药片6 片置于升降式崩解仪中,在(37±1)℃水中测定其崩解时间符合在15 min 之内崩解的要求。
2.2.3 正交实验结果2.3.2 制备工艺粉碎主药对乙酰氨基酚——加入稀释剂和崩解剂,混匀——加入粘合剂,制软材——通过18目筛,制湿粒——干燥30 min,通过30目筛,整粒——加入润滑剂,混匀,用12 mm冲压片——制得成品2.4 质量检查2.4.1 片重差异按中国药典2005版二部规定,片重差异的限度规定如下:平均重量0.30 g以下的重量差异限度为±7.5%,0.30 g或0.30 g 以上的为±5%。
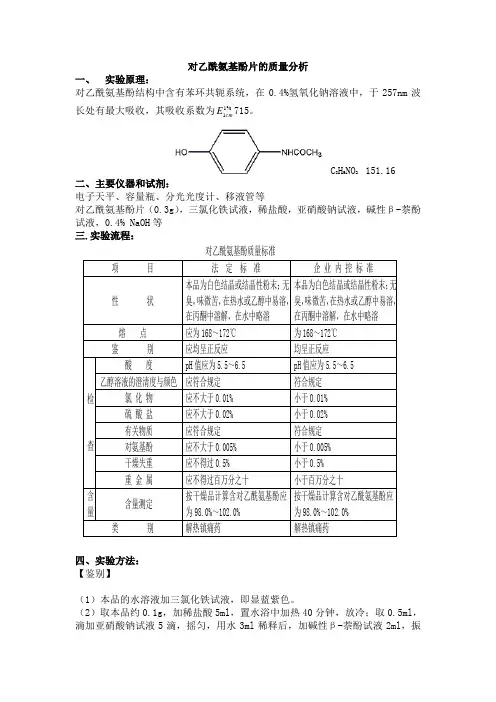
对乙酰氨基酚片的质量分析一、 实验原理:对乙酰氨基酚结构中含有苯环共轭系统,在0.4%氢氧化钠溶液中,于257nm 波长处有最大吸收,其吸收系数为%11cm E 715。
C 8H 9NO 2 151.16二、主要仪器和试剂:电子天平、容量瓶、分光光度计、移液管等对乙酰氨基酚片(0.3g ),三氯化铁试液,稀盐酸,亚硝酸钠试液,碱性β-萘酚试液,0.4% NaOH 等三.实验流程:四、实验方法:【鉴别】(1)本品的水溶液加三氯化铁试液,即显蓝紫色。
(2)取本品约0.1g ,加稀盐酸5ml ,置水浴中加热40分钟,放冷;取0.5ml ,滴加亚硝酸钠试液5滴,摇匀,用水3ml 稀释后,加碱性β-萘酚试液2ml ,振 对乙酰氨基酚质量标准项 目 法 定 标 准 企 业 内 控 标 准性 状 本品为白色结晶或结晶性粉末;无臭,味微苦,在热水或乙醇中易溶,在丙酮中溶解,在水中略溶 本品为白色结晶或结晶性粉末;无臭,味微苦,在热水或乙醇中易溶,在丙酮中溶解,在水中略溶熔 点 应为168~172℃ 为168~172℃鉴 别 应均呈正反应 均呈正反应检查 酸 度 pH 值应为5.5~6.5 pH 值应为5.5~6.5乙醇溶液的澄清度与颜色 应符合规定 符合规定氯 化 物 应不大于0.01% 小于0.01% 硫 酸 盐 应不大于0.02% 小于0.02% 有关物质 应符合规定 符合规定对氨基酚 应不大于0.005% 小于0.005%干燥失重 应不得过0.5% 小于0.5%重 金 属 应不得过百万分之十 小于百万分之十含量 含量测定 按干燥品计算含对乙酰氨基酚应为98.0%~102.0% 按干燥品计算含对乙酰氨基酚应为98.0%~102.0%类 别 解热镇痛药 解热镇痛药摇,即显红色。
【检查】1.酸度:取本品0.10g ,加水10ml 使溶解,依法测定,pH 值应为5.5~6.5。
2.乙醇溶液的澄清度与颜色:取本品1.0g ,加乙醇10ml 溶解后,溶液应澄清无色;如显浑浊,与1号浊度标准液比较,不得更浓;如显色,与棕红色2号或橙红色2号标准比色液比较,不得更深。
《药剂学》对乙酰氨基酚片溶出度测定实验一、实验目的1.掌握片剂溶出度测定方法。
2.熟悉溶出度测定仪的使用3.熟悉分光光度计的使用方法二、基本概念和实验原理概念:溶出度是指药物从片剂、胶囊剂或颗粒剂等固体制剂在规定溶剂中溶出的速率和程度。
测定原理:是将某种固体制剂的一定份量置于溶出度仪的转蓝(或烧杯)中,在37℃±0.5℃恒温下,在规定的转速、溶剂中依法操作,在规定的时间内测定其溶出量。
测定方法:转蓝法(第一法)、浆法(第二法)、小杯法(第三法)测定程序:实验前准备(仪器、供试品、溶解介质、试液等的准备)---供试品溶出、取样---供试液含量测定----计算药物的溶出度----结果判断。
结果判断:按《中国药典》2010年版进行判断。
三、实验药品与器材药品对乙酰氨基酚片(0.5g/片)、稀盐酸、0.04%氢氧化钠溶液。
器材溶出度测定仪、紫外分光光度计四、实验内容及步骤1.测定方法(按照《中国药典》2010年版.二部.P235规定的方法测定)取本品6片,分别精密称定重量,照溶出度测定法(附录X C第一法),以稀盐酸24ml加水至1000ml为溶出介质,转速为每分钟100转,依法操作,经30分钟时,取溶液5ml,经0.8μm的微孔滤膜过滤。
精密量取续滤液1ml,置50ml量瓶中,加0.04%氢氧化钠溶液稀释至刻度(每1ml含对乙酰氨基酚10μg),摇匀,照紫外-可见分光光度法(附录IV A),在257nm处测定吸收度值,按对C8H9NO2的吸收系数(%1E)为7151cm计算每片的容出度。
限度为标示量的80%,应符合规定。
溶出度%=%标示量)平均片重(10050110001001%11⨯⨯⨯⨯⨯⨯⨯W L E g A cm2. 结果判断符合下述条件之一者,可判为符合规定:(1)6片(粒、袋)中,每片(粒、袋)的溶出量按标示量计算,均不低于规定限度(Q );(2)6片(粒、袋)中,如有1~2片(粒、袋)低于Q ,但不低于Q-10%,且其平均溶出量不低于Q ;(3)6片(粒、袋)中,有1~2片(粒、袋)低于Q ,其中仅有1片(粒、袋)低于Q-10%,但不低于Q-20%,且其平均溶出量不低于Q 时,应另取6片(粒、袋)复试;初、复试12片(粒、袋);有1~3片(粒、袋)低于Q ,其中仅有1片(粒、袋)低于Q-10%,但不低于Q-20%,且其平均溶出量不低于Q 。
对乙酰氨基酚的鉴别方法对乙酰氨基酚是一种非处方药,常用于缓解头痛、发热及其他轻度疼痛和炎症。
对于医药从业者而言,正确鉴别对乙酰氨基酚是至关重要的,因为其与其它非处方药如萘普生等的剂型和成分都非常相似。
以下是关于对乙酰氨基酚的鉴别方法的10个方面的详细描述:1. 目测外观对乙酰氨基酚是白色或带黄的结晶体或粉末,无臭或有轻微的酚味。
如果药品外观呈现出黄色或肉眼可见的杂质,就需要怀疑其原材料或制造工艺的质量问题。
2. 溶液颜色测试将对乙酰氨基酚溶于80%乙醇中,产生的溶液为浅粉色。
如果溶液呈现出黄色或绿色,就需要更深入地检查原材料的来源和制造方法。
3. 红外光谱法测试红外光谱法是一种通过测量黏土中分子振动频率来确定标识物质的方法。
对乙酰氨基酚的红外光谱图是独特的,可以通过将药品的红外光谱与对照样品进行比较来确定其纯度等级。
4. 化学分析测试高效液相色谱法和紫外线吸收法是两种常用的化学分析方法,可用于鉴别对乙酰氨基酚。
这些方法可以确定药品中的化学组成和浓度,并帮助检测有害污染物。
5. 性状测试通过比较对乙酰氨基酚的粉末性状、水分含量、比重等性状与对照样品,可以快速鉴别该药品的质量和纯度等级。
6. 熔点测试对乙酰氨基酚的熔点在151-154°C之间。
药品未能达到标准熔点可以证明其可能是基于次品或劣质原料制成的假冒药品。
7. 涂层测试合格的对乙酰氨基酚片应均匀涂层、色泽一致。
如果品质欠佳,则可能出现表面颜色不均匀或涂层脱落的现象。
8. 结晶测试通过显微镜下对对乙酰氨基酚的结晶形态进行观察和比较,可以鉴别出可能存在的劣质原材料或制造方法。
9. 重金属含量测试对乙酰氨基酚中的重金属含量必须符合国家规定的标准。
通过重金属含量的检测,可以判断出是否存在有害污染物。
10. 原材料检查按照药品生产质量管理规定,对生产过程中使用的原材料进行检查是必要的。
制药企业必须通过掌握原材料的质量和来源以及制造工艺的优化来确保对乙酰氨基酚的质量和安全。
新-实验六紫外分光光度法测定对乙酰氨基酚片的含量的方法学研究实验六紫外分光光度法测定对乙酰氨基酚片的含量的方法学研究一、目的要求1.掌握确证分析方法的效能指标内容和要求。
2.熟悉建立分析方法的基本思路。
3.掌握紫外分光光度法的原理及操作。
二、实验原理对乙酰氨基酚结构中含有苯环共轭系统,在0.4%氢氧化钠溶液中,于257nm波长处有最大吸收,其吸收系数为E1cm715。
C8H9NO2151.16三、仪器与试剂对乙酰氨基酚片,对乙酰氨基酚对照品,氢氧化钠,容量瓶,量筒,紫外分光光度计,研钵。
四、实验步骤1.线性与浓度范围取对乙酰胺基酚对照品约40mg,精密称定,置250mL量瓶中,加0.4%氢氧化钠溶液50mL溶解后,加水稀释至刻度,摇匀。
分别精密量取2,4,6,8,10,12mL,置100mL量瓶中,加入0.4%氢氧化钠溶液10mL,加水稀释至刻度,摇匀,照分光光度法,在257nm的波长处测定吸收度。
将浓度C对吸收度A回归,得线性回归方程:A=a+bC(r= ,n=6)。
线性浓度范围0.0032~0.0192mg/mL.2.供试品测定法取本品10片,精密称定,研细,精密称取适量(约相当于对乙酰氨基酚40mg),置250ml量瓶中,加0.4%氢氧化钠溶液50ml及水50ml,振摇15分钟,加水至刻度,摇匀,用干燥滤纸滤过,精密量取续滤液5ml,置100ml量瓶中,加0.4%氢氧化钠溶液10ml,加水至刻度,摇匀,照分光光度法,在257nm的波长处测定吸收度,1%E1按C8H9NO2的吸收系数(cm)为715计算,即得。
1%3.回收率试验取本品10片,精密称定,研细,精密称取细粉适量(约相当于对乙酰氨基酚40mg),共6份,置250ml量瓶中,按1:1比例,分别向其中加入对乙酰氨基酚对照品,其余照“供试品测定法”项下的方法操作,按标准曲线法或百分吸收系数法计算回收率。
4.精密度试验照“供试品测定”项下的方法操作,计算片剂含量相当于标示量的百分数,6份测定结果的相对标准偏差(RSD)即为精密度试验结果。
实验六紫外分光光度法测定对乙酰氨基酚片的含量的方法学研究一、目的要求1.掌握确证分析方法的效能指标内容和要求。
2.熟悉建立分析方法的基本思路。
3.掌握紫外分光光度法的原理及操作。
二、实验原理对乙酰氨基酚结构中含有苯环共轭系统,在0.4%氢氧化钠溶液中,于257nm波长处有最大吸收,其吸收系数为E1cm715。
C8H9NO2151.16三、仪器与试剂对乙酰氨基酚片,对乙酰氨基酚对照品,氢氧化钠,容量瓶,量筒,紫外分光光度计,研钵。
四、实验步骤1.线性与浓度范围取对乙酰胺基酚对照品约40mg,精密称定,置250mL量瓶中,加0.4%氢氧化钠溶液50mL溶解后,加水稀释至刻度,摇匀。
分别精密量取2,4,6,8,10,12mL,置100mL量瓶中,加入0.4%氢氧化钠溶液10mL,加水稀释至刻度,摇匀,照分光光度法,在257nm的波长处测定吸收度。
将浓度C对吸收度A回归,得线性回归方程:A=a+bC(r= ,n=6)。
线性浓度范围0.0032~0.0192mg/mL.2.供试品测定法取本品10片,精密称定,研细,精密称取适量(约相当于对乙酰氨基酚40mg),置250ml量瓶中,加0.4%氢氧化钠溶液50ml及水50ml,振摇15分钟,加水至刻度,摇匀,用干燥滤纸滤过,精密量取续滤液5ml,置100ml量瓶中,加0.4%氢氧化钠溶液10ml,加水至刻度,摇匀,照分光光度法,在257nm的波长处测定吸收度,1%E1按C8H9NO2的吸收系数(cm)为715计算,即得。
1%3.回收率试验取本品10片,精密称定,研细,精密称取细粉适量(约相当于对乙酰氨基酚40mg),共6份,置250ml量瓶中,按1:1比例,分别向其中加入对乙酰氨基酚对照品,其余照“供试品测定法”项下的方法操作,按标准曲线法或百分吸收系数法计算回收率。
4.精密度试验照“供试品测定”项下的方法操作,计算片剂含量相当于标示量的百分数,6份测定结果的相对标准偏差(RSD)即为精密度试验结果。
实训六 对乙酰氨基酚片的质量检验 一、 实训目标 通过本实训,要求掌握对乙酰氨基酚片的质量检验的程序、 方法与操作技能,掌握检验 结果的处理与判断,能够规范书写检验原始记录及检验报告书。 二、 质量标准 对乙酰氨基酚片 Duiyixian ' anjifen Pian Paracetamol Tablets 本品含对乙酰氨基酚(C8H9NO2)应为标示量的95.0 %〜105.0%。 【性状】 本品为白色片、薄膜衣或明胶包衣体,除去包衣后显白色。 【鉴别】 取本品的细粉适量(约相当于对乙酰氨基酚 0.5g),用乙醇20ml分次研磨 使对乙酰氨基酚溶解,滤过,合并滤液,蒸干,残渣照对乙酰氨基酚项下鉴别( 1) (2)项 试验,显相同反应。 【检查】 溶出度 取本品,照溶出度测定法(附录 1[1] X C第一法),以稀盐酸24ml 加水至1000ml为溶出介质,转速为每分钟100转,依法操作,经30分钟时,取溶液5ml滤 过,精密量取续滤液 1ml,加0.04%氢氧化钠溶液稀释至 50ml,摇匀,照紫外-可见分光光 1% 度法(附录W A),在257nm的波长处测定吸光度, 按C8H9NO2的吸收系数(E1cm )为715 计算出每片的溶出量,限度
为标示量的 80%,应符合规定。
其他 应符合片剂项下有关的各项规定(附录I A)。 【含量测定】 取本品10片,精密称定,研细,精密称取适量(约相当于对乙酰氨基 酚40mg),置250ml量瓶中,加0.4%氢氧化钠溶液 50ml及水50ml,振摇15分钟,加水至 刻度,摇匀,用干燥滤纸滤过,精密量取续滤液 5ml,照对乙酰氨基酚含量测定项下方法, 自“置100ml量瓶中”起,依法测定,即得。 【类别】 同对乙酰氨基酚。 【规格】(1) 0.1g ( 2) 0.3g ( 3) 0.5g
【贮藏】 密封保存。
四、实训过程 (一)仪器、试药准备及实训用液的制备 1、实训用仪器与试药的准备 仪器:溶出仪、紫外分光光度仪、电子或分析天平(感量 0.1mg )、托盘天平、称量瓶、 试管、小烧杯( 50ml 、 10ml )、量筒 ( 1000ml 、100ml ) 、胶头滴管、移液管( 5ml 、1ml )、量 瓶(250ml、100ml、50ml)、注射器(10ml )、漏斗、干燥器、玻棒及乳钵。
试药:氢氧化钠、盐酸、三氯化铁、亚硝酸钠、 3 -萘酚及乙醇。 耗材:微孔滤膜及滤纸。 2、 实训用试液的制备
稀盐酸:取盐酸 234ml,加水稀释至1000ml,即得。本液含 HCI应为9.5%〜10.5%。 三氯化铁试液:取三氯化铁 9g,加水使溶解成100ml,即得。 亚硝酸钠试液:取亚硝酸钠 1g,加水使溶解成100ml,即得。 碱性3 -萘酚试液:取3 -萘酚0.25g,加氢氧化钠溶液(1宀10) 10ml使溶解,即得。 本液应临用新制。 0.04%氢氧化钠溶液:取氢氧化钠 0.4g,加水使溶解成1000ml,即得。
0.4 %氢氧化钠溶液:取氢氧化钠 0.4g,加水使溶解成100ml,即得。
(二)检验过程 1 、 性状
取一定量供试品,置白色纸上用肉眼仔细观察其颜色、形状,是否 外观光洁、无缺陷、 无松片、无裂片、无麻面、无斑点等现象 。本品为白色片,应符合规定。
2、 鉴别
取本品的细粉适量(约相当于对乙酰氨基酚 0.5g,如标示量为0.1g,则取平均片重的5 倍量),用乙醇 20ml 分次研磨使对乙酰氨基酚溶解,滤过,合并滤液,蒸干,残渣按下面 方法鉴别,应符合规定。 ( 1)残渣的水溶液加三氯化铁试液,即显蓝紫色。 (2)取残渣适量(约相当于对乙酰氨基酚 0.1g),加稀盐酸5ml,置水浴中加热40分 钟,放冷;取 0.5ml ,滴加亚硝酸钠试液 5 滴,摇匀,用水 3ml 稀释后,加碱性 3-萘酚试 液 2ml ,振摇,即显红色。
3、 检查
( 1 )重量差异 :按单元实训四“四、 (一)重量差异检查法”检查,应符合规定。 ( 2)溶出度 :按单元实训五“溶出度测定法”检查,应符合规定。 ① 依据第一法(转篮法)准备溶出仪。将溶出仪水槽中注入水,至标记的水位,接通 电源,选择温度档为 37C,并按下加温开关,开始加温。 ② 以稀盐酸 24ml 加水至 1000ml 为溶剂,用 1000ml 量筒分别量取 900ml 该溶剂倒入 6 个溶出杯内,固定在溶出仪水槽的 6 个孔中, 盖上杯盖, 设定仪器转速为 100 转。 当每个溶 出杯内温度均为37C时,准备投样检验。 ③ 取供检验对乙酰氨基酚片 6 片,每一转篮中分别装入 1 片,将转篮安在篮杆上。启 动转速电机,降下一个篮杆,转篮开始旋转,立即开始计时,盖上杯盖。同法投第二片、第 三片直至第六片,每投一片的时间间隔为 30 秒。 ④ 取0.8 g的微孔滤膜,浸湿后,安装在滤器内,备过滤用。取干燥、干净的 10ml 注射器,将取样针装在注射器上,备取样用。取干燥、干净的 10ml 小烧杯 6个,备用。 ⑤ 第一片检验时间到 30分钟时,开始取样,吸取溶液 10ml,取下取样针,安上过滤 器,过滤,弃去初滤液,取续滤液至干燥、干净的 10ml 小烧杯中备用,自取样至滤过应在 30 秒钟内完成。第二片时间到 30分钟时,同法操作取第二片,依次取完 6 片。分别精密量 取续滤液 1ml 至 6 个 50ml 容量瓶中,加 0.04%氢氧化钠溶液稀释至刻度,摇匀,作为供试 溶液备测定用。
⑥ 照分光光度法, 以 0.04%氢氧化钠溶液为空白, 在 257nm 的波长处测定吸光度, 按 1% C8H9NO2的吸收系数(Eicm)为715计算出每片的溶出量, 限度为标示量的80%,应符合 规定。
( 3)微生物限度检查 :按单元实训七“微生物限度检查法”检查,应符合规定。 4、 含量测定
(1) 取本品 10片,精密称定,研细。计算平均片重。
(2) 精密称取细粉适量(约相当于对乙酰氨基酚 40mg)两份,分别置250ml量瓶中,
加0.4%氢氧化钠溶液50ml及水50ml,振摇15分钟,加水至刻度,摇匀。 供试品取样量=40mgx (1±10%)x平均片重/标示量。 (3) 用干燥滤纸滤过,精密量取续滤液 5ml,置100ml量瓶中,加0.4%氢氧化钠溶液
10ml,加水至刻度,摇匀。
(4) 照紫外-可见分光光度法(附录W A),在257nm的波长处测定吸光度,按C8H9NO2
1%
的吸收系数(E1cm )为715计算,即得。 检验过程中及时做好原始记录。
(三) 数据处理与检验报告 按规定要求进行数据处理。含量测定的两次平行结果的相对偏差不得超过 算术平均值为含量测定结果。按要求书写检验报告书。
五、注意事项 ±0.5%,取其 1、 溶出度测定每只溶出杯里的介质温差不超过 0.5 C。
2、 溶出度测定放置药片间隔 30 秒,注意排气泡。应在仪器开启的情况下取样,取样 时,自取样至过滤应在
30 秒内完成。
3、 测吸收度使用比色皿,手应拿比色皿的毛面。
4、 比色皿装入待测液后,应用镜头纸擦干净。
5、 推拉比色皿拉杆时,一定要注意滑板是否在定位槽中。
6、 含量测定用药片要尽量研细,应平行测定两份供试品。
思考题 1 、溶出度测定取样时,自取样至过滤为什么应在 30 秒内完成?
2、 简述对乙酰氨基酚片鉴别的方法与原理。
3、 含量测定第一步,取本品 10片,精密称定,研细,计算平均片重。为什么不直接 用重量差异项计算得的
平均片重? 4、 含量测定时,溶液用干燥滤纸滤过后,为什么弃去初滤液,精密量取续滤液,而不 是取初滤液?
(王玲) 附:检验原始记录与报告书样本检验者: 复核者: 第3页
编号. 药品检验所检验原始记录
检品名称:对乙酰氨基酚片 检品编号: 批号:050812 规格:0.5g
重量差异 天平:天平 AL104 ( C0803) 检查法:取药片20片,精密称定总重量,求得平均片重后,再分别精密称定各片的重 量,每片重量与平均片重相比较(凡无含量测定的片剂,每片重量应与标示片重比较)
每片重量: 20 片重:11.888g
平均片重:0.594g 限度: □交%( 0.30g 或 0.30g 以上) 口±7.5% (0.30g 以下) 限度范围:0.564〜0.624g 结果:20片中1 片超出限度。 结论: 口 符合规定 口 不符合规定 [规定:超出重量差异限度的药片不得多于 2片,并不得有1片超出限度1倍]
检验日期: 2005年11月8日
0.607g、 0.603g、 0.608g、 0.597g、 0.601g
0.576g、 0.573g、 0.613g、 0.600g、 0.611g
0.563g、 0.593g、 0.597g、 0.606g、 0.603g
0.578g、 0.581g、 0.582g、 0.596g、 0.600g