金红石型与锐钛型钛白粉的性能对比
- 格式:doc
- 大小:21.50 KB
- 文档页数:1
纳米二氧化钛一、简介纳米二氧化钛是金红石型白色疏松粉末,屏蔽紫外线作用强,有良好的分散性和耐候性。
可用于化妆品、功能纤维、塑料、涂料、油漆等领域,作为紫外线屏蔽剂,防止紫外线的侵害。
也可用于高档汽车面漆,具有随角异色效应。
纳米级二氧化钛,亦称钛白粉。
物理性质为细小微粒,直径在100纳米以下,产品外观为白色疏松粉末。
具有抗线、抗菌、自洁净、抗老化性能,可用于化妆品、功能纤维、塑料、油墨、涂料、油漆、精细陶瓷等领域。
纳米二氧化钛主要有两种结晶形态:锐钛型(Anatase)和金红石型(Rutile)。
金红石型二氧化钛比锐钛型二氧化钛稳定而致密,有较高的硬度、密度、介电常数及折射率,其遮盖力和着色力也较高。
而锐钛型二氧化钛在可见光短波部分的反射率比金红石型二氧化钛高,带蓝色色调,并且对紫外线的吸收能力比金红石型低,光催化活性比金红石型高。
在一定条件下,锐钛型二氧化钛可转化为金红石型二氧化钛。
二、分类1.按照晶型可分为:金红石型纳米钛白粉和锐钛型纳米钛白粉。
2.按照其表面特性可分为:亲水性纳米钛白粉和亲油性纳米钛白粉。
3.按照外观来分:有粉体和液体之分,粉体一般都是白色,液体有白色和半透明状。
三、功能纳米TiO2具有十分宝贵的光学性质,在汽车工业及诸多领域都显示出美好的发展前景。
纳米TiO2还具有很高的化学稳定性、热稳定性、无毒性、超亲水性、非迁移性,且完全可以与食品接触,所以被广泛应用于抗紫外材料、纺织、光催化触媒、自洁玻璃、防晒霜、涂料、油墨、食品包装材料、造纸工业、航天工业中、锂电池中。
1.、杀菌功能在光线中紫外线的作用下长久杀菌。
实验证明,以0.1mg/cm3浓度的锐钛型纳米TiO2可彻底地杀死恶性海拉细胞,而且随着超氧化物歧化酶(SOD)添加量的增多,TiO2光催化杀死癌细胞的效率也提高。
对枯草杆菌黑色变种芽孢、绿脓杆菌、大肠杆菌、金色葡萄球菌、沙门氏菌、牙枝菌和曲霉的杀灭率均达到98%以上;用TiO2光催化氧化深度处理自来水,可大大减少水中的细菌数,饮用后无致突变作用,达到安全饮用水的标准;在涂料中添加纳米TiO2可以制造出杀菌、防污、除臭、自洁的抗菌防污涂料,应用于医院病房、手术室及家庭卫生间等细菌密集、易繁殖的场所,可净化空气、防止感染、除臭除味。
1、(锐钛型二氧化钛与金红石型二氧化钛)的区分1.1 方法利用X射线衍射仪得到XRD图谱进行分析1.2用到的仪器X射线衍射仪X射线产生原理:高速运动的电子与物体碰撞时,发生能量转换,电子的运动受阻失去动能,其中一小部分(1%左右)能量转变为X射线,而绝大部分(99%左右)能量转变成热能使物体温度升高1.2.1 X射线管的结构阴极:又称灯丝(钨丝),通电加热后便能释放出热辐射电子。
阳极:又称靶,通常由纯金属制成(Cr,Fe,Co,Ni,Cu,Mo,Ag, W等),使电子突然减速并发射X射线。
阳极需要水强制冷却。
窗口:是X射线射出的通道,维持管内高真空,对X射线吸收较少,如金属铍、含铍玻璃、薄云母片X射线管中心焦点在X射线衍射中,总希望有较小的焦点(提高分辨率)和较强的X射线强度(缩短爆光时间)。
一般采用在与靶面成一定角度的位置接受X射线,这样可以达到焦点缩小,X射线相应增强的目的。
1.2.2 X射线特点1.2.3理论基础:布拉格方程1.2.4具体方法用X射线衍射分析法中的粉末法来分析两种结构。
只有满足Bragg方程,才能产生衍射现象,因此用粉末法对测定的晶体样品,不改变λ,要连续改变θ。
:⏹用单色的X射线照射多晶体试样,利用晶体的不同取向来改变θ,以满足Bragg方程。
试样要求:粉末,块状晶体。
⏹特点:试样容易获得,衍射花样反映晶体的全面信息。
粉末法:由于多晶体由无数取向无规的单晶组成,相当于单晶绕所有取向的轴转动,晶体内某等同晶面族{HKL}的倒易点,形成-相应倒易矢量gHKL为半径的倒易球。
一系列的倒易球与反射球相交,其交集是一系列园,则相应的衍射线束分布于以样品为中心、入射方向为轴、上述交线园为底的园锥面上。
1.2.5 两者结构分析晶胞结构的不同金红石型二氧化钛及锐钛型二氧化钛结晶类型均为正方结晶,前者为R型,后者为A型。
金红石型二氧化钛晶格结构致密,比较稳定,光化学活性小,因而耐久性由于锐钛型二氧化钛。
钛白粉的构成类型及性质指标工业上使用的国产钛白粉有两种类型,一种是锐钛型(Anatase),简称A型;另一种是金红石型(Rutile),简称R型。
影响国产钛白粉质量及应用效果的因素有很多,工业上常用以下这几个指标来衡量国产钛白粉性质:白度、折射率、遮盖力、消色力、光泽度、吸油量、耐候性、分散性等。
1.涂料行业理想国产钛白粉特征用国产钛白粉制造的涂料,因为锐钛型晶体结构不如金红石型致密,折射率低于金红石型,因而其遮盖力和消色力比金红石型低20-30%,耐久性也远不如金红石型,故涂料工业主要用的是金红石型国产钛白粉。
而锐钛型国产钛白粉易粉化、易泛黄,一般只用于室内涂料或底漆,其用量只占涂料所用国产钛白粉的30%。
①白度:国产钛白粉白度,会直接影响涂膜的外观。
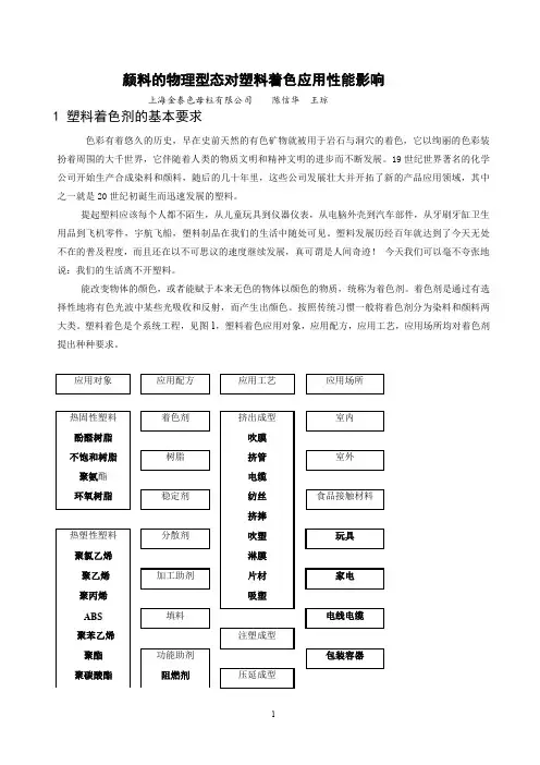
2.塑料行业理想国产钛白粉特征①消色力强:消色力决定相同塑料制品颜色使用的钛白量,消色力强则添加量低,相比于使用消色力差、添加量高的国产钛白粉,更有可能降低生产成本。
②白度:决定钛白含量相同的浅色(白色)塑料制品的外观,可根据塑料制品的外观要求合理选择不同白度的钛白。
③分散性高:塑料制品中的颜填料添加量越大,树脂比例越小时,塑料制品的强度便越高、生产成本越低,但同时各组分间的相容性和润滑性便越差;这就容易导致塑料制品表面粗糙及色泽不均匀。
选用分散性好的国产钛白粉可以降低生产成本,提高制品的光滑度和光泽度。
④遮盖力强:遮盖力好的钛白,生产出来的塑料制品更轻更薄。
⑤耐温耐候性好:塑料制品生产加工过程一般都需要在高温熔融状态下进行,这就要求所用国产钛白粉具有较好的耐温耐候性,否则会造成颜料迁移和产生气孔,影响塑料制品的表面质量和物理强度。
另外,室外使用的塑料制品以及塑料门窗等须具备抗紫外线性能,需要保证国产钛白粉的耐光耐候性。
⑥干粉流动性强:塑料制品生产加工过程大多为流水线操作,若干粉流动性差,就会在传输带上滞留或堵塞筛孔,影响塑料制品质量。
3.油墨行业理想国产钛白粉特征在油墨生产中,不同类型的油墨产品对国产钛白粉具体的质量要求是不同的,但因金红石型国产钛白粉比锐钛型国产钛白粉的遮盖力好,所以在油墨生产中一般都用金红石型国产钛白粉。
锐钛型钛白粉与金红石型钛白粉的区别金红石型钛白粉与锐钛型钛白粉是钛白粉的两大重要种类,但是由于两者性质不同,从而也导致了它们各方面的差异,下面来讲讲它们之间到底有什么区别。
钛白粉(二氧化钛)化学性质稳定,在一般情况下与大部分物质不发生反应。
在自然界中二氧化钛有三种结晶:板钛型、锐钛型钛白粉和金红石型钛白粉。
板钛型是不稳定的晶型,无工业利用价值,锐钛型钛白粉(Anatase)简称A型,和金红石型钛白粉(Rutile)简称R型,都具有稳定的晶格,是重要的白色颜料和瓷器釉料,与其他白色颜料比较有优越的白度、着色力、遮盖力、耐候性、耐热性、和化学稳定性,特别是没有毒性。
锐钛型钛白粉,即A型钛白粉。
是一种优良的白色粉末颜料,具有良好的光散射能力,因而白度好,遮盖力强,同时具有较高的化学稳定性,无毒无味,对人体无刺激作用,广泛应用于许多工业领域,如涂料、塑料、造纸及油墨等。
金红石型钛白粉,即R型钛白粉。
结合硫酸法金红石型钛白粉生产质量控制经验,集合无机包膜、有机处理、盐处理、煅烧控制、水解与产品应用等方面的创新研究,采用了先进的色相与粒径控制,锆硅铝磷多元无机包膜和新型的有机处理技术,开发的新一代高档通用型(偏水性)金红石钛白粉。
适用于各种建筑涂料、工业漆、防腐漆、油墨、粉末涂料等行业。
金红石型钛白粉与锐钛型钛白粉是钛白粉的两大重要种类,之所以说它们是钛白粉的两大重要种类,这是由于金红石型钛白粉与锐钛型钛白粉是目前市场上使用最广泛的两大钛白粉系列,但是由于两者性质不同,从而也导致了它们各方面的差异,下面列举说明金红石型钛白粉与锐钛型钛白粉有什么区别:1)内部结构晶体钛白粉共有三种不同的晶体结构,即我们常说的金红石型钛白粉、锐钛型钛白粉、板钛型钛白粉,三者晶体结构各不不同,其中金红石型钛白粉晶体结构最为稳定,而板钛型钛白粉则用途非常少,这主要是由于它内部结构晶体的不稳定,因此在自然界就没办法可以长期稳定的保存起来;2)熔点和沸点由于锐钛型在高温下会转变成金红石型,因此锐钛型二氧化钛的熔点和沸点实际上是不存在的。
【金红石型钛白粉与锐钛型钛白粉的性能对比】金红石型要比锐钛型的耐粉化性、保光性好。
然而,纯 TiO2(锐钛型二氧化钛)颗粒表面在有水汽和氧气的存在下是光化学活泼的,而非生来就是光化学稳定的。
纯TiO2甚至可促进在其颗粒周围基料的降解。
因此有必要首先将TiO2本身光稳定化。
该稳定性的大小可以通过对其进行不同无机氧化物的种类及份量控制而得。
即对 TiO2进行无机包膜处理。
使在TiO2颗粒周围表面和有机树脂之间形成一道屏蔽网不再促进(减少)有机树脂的降解。
Ti—Pure? R—706和 R—96O 是这一类钛的杰出代表物。
他们周围都有非渗性致密 SiO2表面包膜。
这些 SiO2包膜能够提供最强大的光化学保护性和稳定性。
图16是这种致密 SiO2的真实结构放大照片。
右边外围大约 l 公分淡色的就是 SiO2包膜,咖啡色的是 TiO2,左下小图外围发亮的白色便是 SiO2,当中被包着的便是 TiO2。
无论是金红石型还就是锐钛型钛白粉,在可见光波长范围内(400—700nm)、它们对光线的反射率都很高,因而都具有很好的白度。
但是在小于可见光范围如300—400纳米的紫外光波长范围内,两种不同晶型的所表现出的性能却有着很大的差别。
对于金红石(红线)在具有很强杀伤力的 UV—A波段内(350—400nm)它对紫外线的反射率要远远低于蓝色的锐钛型,换句话说、它对紫外线的吸收率要大大地高于蓝色的锐钛型。
在这种情况下,它周围的成膜物有机树脂身上所要分担的紫外光线就要少得多。
【金红石型钛白粉应用范围】了解了以上金红石型钛白粉与锐钛型钛白粉性能区别后,其实在它们的应用过程中,还有一点应该考虑到的,椐笔者这么多年从事钛白粉销售中了解到,生产厂家在用钛白粉的时候,在成本问题上用那一个也有想法的。
金红石型钛白粉大部分都是生产高档的产品。
好像说:生产涂料用钛白粉油墨用钛白粉塑料漆木器漆以及高档的印花胶浆一定会选用金经石型钛白粉。
很多人在生活中常常分不清锐钛型钛白粉与金红石型钛白粉的区别,作为钛白粉下非常受欢迎的两类产品,我们应该适当的了解这二者的不同:很简单的一种方法就是锐钛型钛白粉经过高温制得金红石型钛白粉,所以说锐钛型是没有熔点的。
其实它们的区别方法还有很多,外观、内部结构等个方面都有不同,当大家掌握了这些信息,就可以很好的辨别出它们了……(锐钛型钛白粉-图例)【锐钛型钛白粉与金红石型钛白粉的区别】从构造、物化性质等方面我们都可以了解到这二者的不同,今天就由迈图化学的技术人员为大家来介绍一下:一、锐钛型钛白粉与金红石型钛白粉TiO2属于一种n型半导体材料,金红石型钛白粉与锐钛型钛白粉是钛白粉的两大重要种类,但是由于两者性质不同,从而也导致了它们各方面的差异,锐钛型和金红石型均属四方晶系,两种晶型都是由相互连接的TiO6八面体组成的,每个Ti原子都位于八面体的中间,且被6个O原子围绕。
二、锐钛型钛白粉与金红石型钛白粉化学性质的区别两者的差别主要是八面体的畸变程度和相互连接方式不同。
金红石和锐钛矿晶胞结构的差异也导致了这两种晶型物化性质的不同。
从热力学角度看,金红石是相对稳定的晶型,熔点为1870℃;而锐钛是二氧化钛的低温相,一般在500℃~600℃时转变为金红石。
二氧化钛晶型转变的实质是晶胞结构组成单元八面体的结构重排。
金红石晶型结构中原子排列更加致密,密度、硬度、介电常数更高,对光的散射也更大。
因此,金红石是常用的白色涂料和防紫外线材料,对紫外线有非常强的屏蔽作用,在工业涂料和化妆品方面有着广泛的应用。
锐钦的带隙宽度为稍大于金红石的,光生电子和空穴不易在表面复合,因而具有更高的光催化活性能够直接利用太阳光中的紫外光进行光催化降解,而且不会引起二次污染。
因此,锐钛矿是常用的处理环境污染方面问题的光催化材料。
三、锐钛型钛白粉与金红石型钛白粉物理性质的区别1.熔点和沸点由于锐钛型在高温下会转变成金红石型,因此锐钛型二氧化钛的熔点和沸点实际上是不存在的。
金红石钛白粉和锐钛型钛白粉工艺
金红石钛白粉和锐钛型钛白粉是两种常用的钛白粉品种,它们在生产工艺上略有差异。
下面是它们的生产工艺简要介绍:
金红石钛白粉的生产工艺:
1. 原料准备:将钛矿石经过矿选、选矿等工序得到含钛精矿。
2. 提纯:将含钛精矿与硫酸反应,得到硫酸钛液。
3. 晶化:通过控制温度、浓度等条件,使硫酸钛液结晶沉淀,形成金红石钛白粉晶体。
4. 分离:将金红石晶体进行过滤、干燥、研磨等工序,最终得到金红石钛白粉成品。
锐钛型钛白粉的生产工艺:
1. 原料熔炼:将钛矿石破碎、焙烧后熔炼成钛渣。
2. 氯化:将钛渣与氯化剂反应,得到氯化钛稀气。
3. 氧化:将氯化钛稀气氧化,得到钛白粉。
4. 分级:对钛白粉进行湿法分级,得到不同颗粒大小的锐钛型钛白粉产品。
总的来说,金红石钛白粉和锐钛型钛白粉的生产工艺都包括原料准备、提纯、晶化或氧化、分离等基本工序,但具体的反应条件、工艺流程等会有所不同。
两种钛白粉在应用领域和性能上也有一定差异,根据具体要求选择合适的品种进行生产和应用。
二氧化钛分类一、引言二氧化钛(Titanium Dioxide,简称TiO2)是一种广泛应用的重要无机化工原料。
它具有良好的化学稳定性、光催化性能和生物相容性,因此在涂料、塑料、催化剂、医药和食品等领域有着广泛的应用。
根据其晶体形态和物理性质的不同,二氧化钛可以分为多个不同的分类。
本文将就二氧化钛的分类进行详细介绍,包括晶体结构分类、颗粒形态分类以及应用分类等内容,以便读者更好地了解和应用二氧化钛。
二、晶体结构分类根据晶体结构的不同,二氧化钛可以分为以下几类:1. 金红石型(Rutile)金红石型是二氧化钛最常见的晶体结构,也是最稳定的晶体形态。
金红石型的二氧化钛具有高度的晶体对称性和密堆积结构,其晶体形态为六角柱。
金红石型二氧化钛晶体表面光滑,具有较强的耐候性和耐化学腐蚀性。
金红石型二氧化钛在涂料、塑料、橡胶等领域得到广泛应用。
2. 锐钛矿型(Anatase)锐钛矿型是另一种常见的二氧化钛晶体结构,其晶体形态为四面体。
相较于金红石型,锐钛矿型的二氧化钛晶体表面较为粗糙,具有较大的比表面积,因此锐钛矿型二氧化钛在光催化和催化剂等领域具有优势。
锐钛矿型二氧化钛的光催化活性较高,故在环境污染治理等领域有着广泛的应用前景。
3. 高温石英型(High Temperature Quartz)高温石英型是一种较为特殊的二氧化钛晶体结构,其晶体形态类似于石英。
高温石英型二氧化钛具有较高的热稳定性和耐腐蚀性,并且具有较高的光学透过性。
因此,高温石英型二氧化钛在光电子和光学器件等领域有着重要的应用。
三、颗粒形态分类根据二氧化钛颗粒的不同形态,可以将其分为以下几类:1. 纳米颗粒二氧化钛纳米颗粒二氧化钛是指颗粒尺寸在纳米级别(10-100纳米)的二氧化钛颗粒。
由于其具有较大的比表面积和量子尺效应等特性,纳米颗粒二氧化钛在催化、吸附、光催化等领域表现出优异的性能。
目前,纳米颗粒二氧化钛已广泛应用于太阳能电池、光催化薄膜以及抗菌材料等领域。
金红石与锐钛的区域:1、两者的晶体类型不一样。
钛白粉一共有三种晶体结构,板钛型、锐钛型、金红石型。
板钛型由于其晶体结构不稳定,所以在自然界中不能长期稳定存在,所以量小不具有工业价值而未被使用。
而金红石型更趋向稳定。
2、金红石与锐钛产品粒径分布存在差异:由于金红石型产品晶型更趋向六面体,比较锐钛更容易分散均匀,其所形成的团聚物更加均匀。
粒径分布更为窄。
3、虽然金红石与锐钛硫酸法生产的工艺基本类似,但是具体参数存在很大的差别。
4、锐钛产品只能用硫酸法进行生产,但是金红石产品现在有硫酸法与氯化法两种。
5、最后才是包膜的区别:锐钛产品基本在煅烧结算,经过雷蒙磨破碎之后进行包装销售,而金红石产品为了更好的提高其分散,耐候等特性,在煅烧后使用氧化铝或者锆进行表面处理,帮随同时的还有进行部分的有机处理。
其实还有很多的差别,就不一一列举了,如果您感兴趣可以跟专业人士沟通钛白粉的学名为二氧化钛(Titanium Dioxide)颜料白6。
它有金红石(Rutile)和锐钛型(Anatase)两种晶型。
A型二氧化钛白度较好,但着色力仅为R型的70,在耐候性方面加入A•型二氧化钛试片仅仅经过一年以后即开始龟裂或者碎片状剥落,而加入R型二氧化钛试片,•经过十年以后其外观只有很小变化。
由于R型二氧化钛着色力及耐候性较佳,•塑料着色使用R型二氧化钛为好。
按照钛白粉的制造工艺目前有硫酸法和氯化法,两种方法都可生产A型和R型钛白粉。
硫酸法于1931开始,氯化法由美国杜邦公司于1975年才开始生产A 型,氯化法中氧化步骤控制粒子大小分布和晶体结构,使其可以生产具有高遮盖力和底色兰,高着色强度的钛白粉。
锐钛型钛白粉相对金红石型钛白粉,缺少表面处理工艺,两者的晶体形态也不同;对于高耐候性的产品而言,只能使用金红石型钛白粉,锐钛主要用在对于耐候性能要求低、白度要求较高的产品中。
锐钛矿TiO2转变为金红石TiO2机制和性能摘要:TiO2 是多相光催化研究中使用较多的一种材料。
其在自然界存有3种不同的晶型:锐钛矿、金红石、板钛矿相。
锐钛矿相转变为金红石相的过程是扩散相变。
金红石是热力学稳定相, 锐钛矿是亚稳相, 并且从锐钛矿相到金红石相的相变是亚稳相到稳定相的不可逆相变。
而煅烧时间与煅烧温度会影响其晶型的转变。
在众多影响光催化性能的因素中,晶型是较为重要的一个因素。
关键字:锐钛矿、金红石、TiO2、相变、光催化光催化降解是一门新型的并正在迅速发展的科学技术。
研究表明,在适当的条件下,许多有机物污染物经光催化降解,可生成无毒无味的CO2、H2O及一些简单的无机物。
目前,在光催化降解领域所采用的光催化剂多为N型半导体材料, 如TiO2、ZnO、Fe2O3、SnO2、WO3和CdS 等, 其中TiO2以其无毒、价廉、稳定和特殊的光、电性能等优点倍受人们青睐,成为最受重视的一种光催化剂[1]。
1.二氧化钛的结构近年来, TiO2纳米材料制备、表征及改性一直是光催化研究领域的重点。
同一种半导体可能具有不同的晶型,晶型的不同实际上就是组成物质的原子不同的空间构型有序的排布。
二氧化钛是白色粉末状多晶型化合物, 自然界有锐钛矿型, 金红石型和板钛型三种晶型结构, 但板钛型二氧化钛极不稳定且无实用价值[2]。
所以目前的研究一般都主要为金红石相及锐钛矿相。
TiO2晶体基本结构是钛氧八面体( TiO6)。
钛氧八面体连接形式不同而构成锐钛矿相、金红石相和板钛矿相。
锐钛矿型和金红石型均属于四方晶系,二者均可用相互连接的Ti06八面体表示,但八面体的畸变程度和连接方式各不不同。
板钛矿型属正交晶系,一般难以制备,目前研究很少。
如图1所示,金红石型(a)的八面体不规则,微显斜方晶;锐钛矿(b)呈明显的斜方晶畸变,对称性低于前者。
从图2[3]中可以看出锐钛矿TiO2的Ti-Ti键长比金红石大,而Ti-O键比金红石小。
工业生活中有一种白色颜料叫做钛白粉,而钛白粉又可以分为锐钛型钛白粉和金红石型钛白粉,今天我们就来看看它们二者的区别。
其实它们都属于非常好的白色颜料,如若细分的话,就要从它们的物化性质来细细区分了。
总的来说,锐钛型钛白粉与金红石型钛白粉各有各的好处,大家可以根据自己的需求来选择……(锐钛型钛白粉-图例)【锐钛型钛白粉性能特点】说起锐钛型钛白粉,大家肯定就会想起二氧化钛,是一种白色粉末,也就是白色颜料,高温(>700℃)加热转化为金红石型晶体,化学性质稳定,耐光、耐热、耐稀酸、耐稀碱,具有很强的着色力(遮盖力)和分散力,耐久性不如金红石型钛白粉,耐光性较差,与树脂配合后胶层易粉化,温度高于400℃明显呈黄色,不溶于水、有机酸和亘昏无机酸,溶于浓硫酸、碱和氢氟酸。
无毒,空气中高容许浓度10mg/m3。
【锐钛型钛白粉与金红石型钛白粉的区别】同属于钛白粉,很多人都不了解锐钛型钛白粉和金红石型钛白粉的区别,下面由迈图化学的技术人员带我们来了解一下:1.锐钛型钛白粉与金红石型钛白粉内部结构晶体不同钛白粉共有三种不同的晶体结构,即我们常说的金红石型钛白粉、锐钛型钛白粉、板钛型钛白粉,三者晶体结构各不不同,其中金红石型钛白粉晶体结构稳定,而板钛型钛白粉则用途非常少,这主要是由于它内部结构晶体的不稳定,因此在自然界就没办法可以长期稳定的保存起来。
2.锐钛型钛白粉与金红石型钛白粉熔点和沸点不同由于锐钛型在高温下会转变成金红石型,因此锐钛型二氧化钛的熔点和沸点实际上是不存在的。
只有金红石型二氧化钛有熔点和沸点,金红石型二氧化钛的熔点为1850℃、空气中的熔点为(1830±15)℃、富氧中的熔点为1879℃,熔点与二氧化钛的纯度有关。
金红石型二氧化钛的沸点为为(3200±300)℃,在此高温下二氧化钛稍有挥发性。
3.锐钛型钛白粉与金红石型钛白粉介电常数不同由于二氧化钛的介电常数较高,因此具有优良的电学性能。
1.概述二氧化钛的商品名称为钛白粉,从用途上区分为颜料用钛白粉和非颜料用钛白粉。
钛白粉是重要的颜料,全世界消费的二氧化钛颜料占整个颜料总消费量的71 %左右。
从晶型上区分为锐钛型(ANATASE TYPE)钛白粉和金红石型(RUTILE TYPE)钛白粉。
目前世界二氧化钛消费量中金红石型占75~80%,锐钛型只占20~25%。
我国的二氧化钛工业始于五十年代,八十年代中后期飞速发展,出口量不断增加,进口量不断减少,近年来已基本没有进口。
2.性质二氧化钛为白色粉末,无毒,化学性质非常不活泼,常温下几乎不与其它元素或化合物反应,对O2、H2S、SO2、CO2、NH3等都是稳定的。
不溶于水、脂肪酸、有机酸、弱无机酸,微溶于碱和热硝酸,只有在浓硫酸或氢氟酸中长时间煮沸才可完全溶解。
在高温下可被氢、氨、钛等还原成低价氧化钛。
二氧化钛具有高消色力、高遮盖力、高反射率、低比重等优越的颜料性能,是白色颜料中最好的一种。
金红石型二氧化钛的晶格比锐钛型二氧化钛的晶格致密,比较稳定,具有较好的耐候性、耐水性和不易变黄,不粉化的特点,但白度稍低,适用于制造室外用颜料。
锐钛型二氧化钛的晶格空间较大,相对不稳定,耐候性差,容易泛黄,容易粉化,但白度较高,适用于制造室内用颜料。
锐钛型二氧化钛在915℃可转化为金红石型二氧化钛。
3.用途二氧化钛作为白色颜料主要用于油漆工业,金红石型颜料用二氧化钛用于制造汽车用漆、船舶用漆和醇酸磁漆等室外用漆。
外用耐久性的塑料制品,也需要用金红石型二氧化钛来增加耐候性。
金红石型二氧化钛也应用于油墨印刷行业中,锐钛型颜料用二氧化钛用于制造白色和浅色室内用油漆。
锐钛型二氧化钛也广泛用作造纸、橡胶和塑料制品等的着色剂和填充剂。
化学纤维用二氧化钛在合成纤维中用作消光剂,冶金用二氧化钛用于制作含钛耐高温合金,搪瓷用二氧化钛在瓷釉中用作乳浊剂,电焊条用二氧化钛用作电焊条药皮中的造渣剂和粘塑剂,电容器用二氧化钛是制造无线电陶瓷电容器的主要原料。
在工业生产中,比如说涂料、造纸以及塑料行业都会用到很多的白色颜料,这些行业也是钛白粉使用的前三大用户。
钛白粉又可以分为锐钛型钛白粉和金红石型钛白粉,这两者在外形上基本相似,很难判断,但是从物化性质上非常简单的一种办法就是高温,锐钛型钛白粉其实是没有熔沸点的,经过高温可以得到金红石型钛白粉……(锐钛型钛白粉及金红石型钛白粉-图例)【金红石型钛白粉与锐钛型钛白粉的区别】金红石型钛白粉与锐钛型钛白粉虽外观没有太大的区别,但是本质上的区别还是很大的,我们就从它们的物化性质说一下:TiO2属于一种n型半导体材料,金红石型钛白粉与锐钛型钛白粉是钛白粉的两大重要种类,但是由于两者性质不同,从而也导致了它们各方面的差异,锐钛矿型和金红石型均属四方晶系,两种晶型都是由相互连接的TiO6八面体组成的,每个Ti原子都位于八面体的中心,且被6个O原子围绕。
下面来讲讲它们之间到底有什么区别。
1.金红石型钛白粉与锐钛型钛白粉硬度不同按莫氏硬度十分制标度,金红石型二氧化钛为6~6.5,锐钛型二氧化钛为5.5~6.0,因此在化纤消光中为避免磨损喷丝孔而采用锐钛型。
2.金红石型钛白粉与锐钛型钛白粉内部结构晶体不同锐钛型钛白粉共有三种不同的晶体结构,即我们常说的金红石型钛白粉、锐钛型钛白粉、板钛型钛白粉,三者晶体结构各不不同,其中金红石型钛白粉晶体结构最为稳定,而板钛型钛白粉则用途非常少,这主要是由于它内部结构晶体的不稳定,因此在自然界就没办法可以长期稳定的保存起来;3.金红石型钛白粉与锐钛型钛白粉熔点和沸点不同由于锐钛型在高温下会转变成金红石型,因此锐钛型二氧化钛的熔点和沸点实际上是不存在的。
只有金红石型二氧化钛有熔点和沸点,金红石型二氧化钛的熔点为1850℃、空气中的熔点为(1830±15)℃、富氧中的熔点为1879℃,熔点与二氧化钛的纯度有关。
金红石型二氧化钛的沸点为为(3200±300)℃,在此高温下二氧化钛稍有挥发性;4.金红石型钛白粉与锐钛型钛白粉介电常数不同由于二氧化钛的介电常数较高,因此具有优良的电学性能。
1、(锐钛型二氧化钛与金红石型二氧化钛)的区分1.1 方法利用X射线衍射仪得到X R D图谱进行分析1.2用到的仪器X射线衍射仪X射线产生原理:高速运动的电子与物体碰撞时,发生能量转换,电子的运动受阻失去动能,其中一小部分(1%左右)能量转变为X射线,而绝大部分(99%左右)能量转变成热能使物体温度升高1.2.1 X射线管的结构阴极:又称灯丝(钨丝),通电加热后便能释放出热辐射电子。
阳极:又称靶,通常由纯金属制成(Cr,Fe,Co,Ni,Cu,Mo,Ag, W等),使电子突然减速并发射X射线。
阳极需要水强制冷却。
窗口:是X射线射出的通道,维持管内高真空,对X射线吸收较少,如金属铍、含铍玻璃、薄云母片X射线管中心焦点在X射线衍射中,总希望有较小的焦点(提高分辨率)和较强的X射线强度(缩短爆光时间)。
一般采用在与靶面成一定角度的位置接受X射线,这样可以达到焦点缩小,X射线相应增强的目的。
1.2.2 X射线特点1.2.3理论基础:布拉格方程1.2.4具体方法用X射线衍射分析法中的粉末法来分析两种结构。
只有满足Br agg方程,才能产生衍射现象,因此用粉末法对测定的晶体样品,不改变λ,要连续改变θ。
:⏹用单色的X射线照射多晶体试样,利用晶体的不同取向来改变θ,以满足Bra gg方程。
试样要求:粉末,块状晶体。
⏹特点:试样容易获得,衍射花样反映晶体的全面信息。
粉末法:由于多晶体由无数取向无规的单晶组成,相当于单晶绕所有取向的轴转动,晶体内某等同晶面族{HKL}的倒易点,形成-相应倒易矢量gHKL为半径的倒易球。
一系列的倒易球与反射球相交,其交集是一系列园,则相应的衍射线束分布于以样品为中心、入射方向为轴、上述交线园为底的园锥面上。
1.2.5 两者结构分析晶胞结构的不同金红石型二氧化钛及锐钛型二氧化钛结晶类型均为正方结晶,前者为R型,后者为A型。
概要:阐述了钛白粉的分类、质量标准、性能、用途及其在涂料中的作用和应用。
1 颜料级钛白粉的分类和质量标准钛白粉颜料分为锐钛型和金红石型2种,按国际惯例,分别称为R型和A型。
未经后处理的金红石型和锐钛型分别称为RI型和AI型;经过后处理的金红石型和锐钛型分别称R2、R3和A2型。
目前市售的金红石型钛白粉绝大多数属于R2和R3型,其中R2型销售量占70%以上。
R2和R3分别占涂料用金红石型钛白粉的77%和22%。
目前我国使用的型号与国际惯例有所不同。
颜料钛白粉只分3种,即BA0101型、BA0102型和BA0103型。
BA0101型和BA0102型为锐钛型,BA0103型为金红石型,BA0101是未经后处理的,BA0102和BA0103是经过后处理的。
我国颜料钛白粉的质量标准参见GB/T1706—93。
我国的标准与国外标准差距很大。
特别是金红石型钛白粉只有一个型号,使许多新开发的、引进的和专用的钛白粉品种无法与我国现行标准对照使用。
同时我国生产厂和用户长期以来只依照国家标准来控制和验收产品质量,而不是根据用户需求通过变更工艺过程,生产出满足客户不同需求的产品。
据悉我国很快就要出台新的标准。
为什么BA0102锐钛型和BA0103金红石型的钛白粉要经过包膜后处理呢?原因是经过包膜后处理后,钛白粉的水溶物降低,不易凝聚,吸油量降低,并且白度、电阻率、消色力、遮盖力、颜料研磨分散性、漆浆贮存稳定性、漆膜耐水性、耐光性、耐候性和耐久性等都得到提高,从而提高钛白粉的质量。
在我国不论采取硫酸法还是氯化法,制备的金红石型钛白粉的质量都比进口的R一930和R 一902等金红石型钛白粉差,主要表现在消色力低、遮盖力低、耐候性差、油分散性差、吸油量高。
因此国产金红石型钛白粉至今仍抵御不了进口金红石型钛白粉的竞争,以至每年都要进口大量金红石型钛白粉。
2 颜料级钛白粉的性能和用途基于颜料级钛白粉具有折射率高、消色力强、遮盖力大、分散性好、白度好、无毒、物理和化学性质稳定,并且具有优良的光学、电学性能。
金红石型与锐钛型钛白粉的性能对比
钛白粉, 性能, 金红石钛白粉, 性能, 金红石
金红石型要比锐钛型的耐粉化性、保光性好。
然而,纯TiO2(锐钛型二氧化钛)颗粒表面在有水汽和氧气的存在下是光化学活泼的,而非生来就是光化学稳定的。
纯TiO2甚至可促进在其颗粒周围基料的降解。
因此有必要首先将TiO2本身光稳定化。
该稳定性的大小可以通过对其进行不同无机氧化物的种类及份量控制而得。
即对TiO2进行无机包膜处理。
使在TiO2颗粒周围表面和有机树脂之间形成一道屏蔽网不再促进(减少)有机树脂的降解。
Ti—Pure?R —706和R—96O是这一类钛的杰出代表物。
他们周围都有非渗性致密SiO2表面包膜。
这些SiO2包膜能够提供最强大的光化学保护性和稳定性。
图16是这种致密SiO2的真实结构放大照片。
右边外围大约l公分淡色的就是SiO2包膜,咖啡色的是TiO2,左下小图外围发亮的白色便是SiO2,当中被包着的便是TiO2。
无论是金红石型还就是锐钛型钛白粉,在可见光波长范围内(400—700nm)、它们对光线的反射率都很高,因而都具有很好的白度。
但是在小于可见光范围如300—400纳米的紫外光波长范围内,两种不同晶型的所表现出的性能却有着很大的差别。
对于金红石(红线)在具有很强杀伤力的UV—A波段内(350—400nm)它对紫外线的反射率要远远低于蓝色的锐钛型,换句话说、它对紫外线的吸收率要大大地高于蓝色的锐钛型。
在这种情况下,它周围的成膜物有机树脂身上所要分担的紫外光线就要少得多。
【金红石型钛白粉应用范围】
了解了以上金红石型钛白粉与锐钛型钛白粉性能区别后,其实在它们的应用过程中,还有一点应该考虑到的,椐笔者这么多年从事钛白粉销售中了解到,生产厂家在用钛白粉的时候,在成本问题上用那一个也有想法的。
金红石型钛白粉大部分都是生产高档的产品。
好像说:生产涂料用钛白粉油墨用钛白粉塑料漆木器漆以及高档的印花胶浆一定会选用金经石型钛白粉。
只有是金红石型钛白粉才能给高档产品漂亮的遮盖力。
高的光泽度。
分散过程中,也会省时省力。
【锐钛型钛白粉应用范围】
在市场上来说:生产塑料/水墨/大众化印花胶浆/年画/涂布等行业中。
锐钛型钛白粉还是很吃香的。
锐钛型钛白粉价格底,也有一定的白度,只不过是在生产中,要研磨,有或者是经高温技术生产让锐钛型钛白粉分散力强点,才能达到理想的状态。
所以说:两者也占有一定的市场。
就是说:你是生产什么东西。
就用什么产品高档点的用金红石型钛白粉,中低档的就可以用锐钛型钛白粉。
两者中你们来选择而已。