【CN209459944U】一种土柱实验用取土器【专利】
- 格式:pdf
- 大小:336.40 KB
- 文档页数:6
专利一种施工用土壤取样装置的制作方法说实话专利一种施工用土壤取样装置的制作方法这事,我一开始也是瞎摸索。
我最初想,这装置肯定得有个能钻进土里的部分,就像我们拿螺丝刀拧螺丝一样,得有个尖的东西。
我试过用那种很普通的钢管,直接想把它插到土里去取样,但那根本不行啊,土又不是豆腐,哪能那么容易就被捅进去呢。
这时候我就知道,这个钻进土里的部分得有点特殊设计。
后来啊,我就给这个钢管的头部加了一些螺旋形状的叶片,就像我们常见的那种螺丝钻似的。
我当时想着这回肯定行,可还是失败了。
因为我在实际操作的时候发现,这个叶片虽然能进到土里一些,但是带出来的土很少,而且有些时候根本就不是按照我想要的深度取样,很是让人头疼。
然后我就想,这肯定是和叶片的角度还有间距有关系。
我又重新设计了叶片的角度,让它更倾斜一些,把间距也调整了,就像是调整梳子齿的间距和角度一样。
这一次有点进步了,至少能带出多一点土了,不过又带来新问题了,装置往上提的时候土很容易掉落,不是很完整的一个土样。
我试过加个罩子在取样的部分,像个小帽子似的把土兜住。
开始的时候试图用一个直通通的罩子,可是这样发现土会卡在罩子里下不来。
后来就改成那种上面大下面小的罩子形状,就像个小漏斗一样。
这时候土就能顺利落在收集的部分了。
再说说取样深度的控制。
我开始不确定怎么弄才好。
我想过用刻度来量,但是施工的地方环境复杂,刻度很容易被弄脏或者磨损,根本看不清楚。
后来我想到了一个笨办法,就是在装置的杆上系绳子,每一段绳子的长度知道了,通过下放绳子的长短来控制深度,试了试发现这个办法虽然土,但是很管用。
我现在觉得这个施工用土壤取样装置,各个部分配合很重要,就像一个团队似的。
每个部件之前的改进都得考虑到对其他部件的影响。
而且在制作的时候,一定要多在真正的土壤环境中测试,在实验室试的效果和在户外施工的地方效果可能完全不同。
我虽然在这上面折腾了很久,但总算有了现在这个比较满意的结果。
我还在想能不能让整个装置更轻便一些,这样施工人员携带起来会更方便,不过目前还没太想好怎么做。
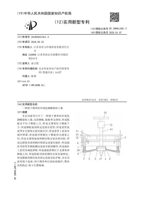
(19)中华人民共和国国家知识产权局(12)实用新型专利(10)授权公告号 (45)授权公告日 (21)申请号 201920224511.X(22)申请日 2019.02.22(73)专利权人 江苏省苏力环境科技有限责任公司地址 210000 江苏省南京市鼓楼区凤凰西街241号(72)发明人 俞言霞 (74)专利代理机构 北京科家知识产权代理事务所(普通合伙) 11427代理人 陈娟(51)Int.Cl.G01N 1/08(2006.01)(54)实用新型名称一种便于携带的环境监测螺旋取土器(57)摘要本实用新型公开了一种便于携带的环境监测螺旋取土器,包括横板、隔板和支撑架,所述隔板水平位于横板上方,所述支撑架位于横板下方,所述横板底部固定连接有套管,所述套管底部贯穿支撑架安装有限位环,所述套管上套设有缓冲弹簧,所述缓冲弹簧位于横板和支撑架之间,所述支撑架底部两侧对称安装有移动轮,所述支撑架顶部两侧对称固定连接有插杆,所述插杆顶部贯穿横板螺纹连接有紧固螺母,所述插杆上套设有减震弹簧,所述减震弹簧位于支撑架和横板之间,所述隔板顶部两侧均安装有储物仓,所述横板两侧均竖直固定连接有防护板。
本实用新型便于装卸,利于携带和后续检修维护,整体结构稳定,取土位置精确。
权利要求书1页 说明书3页 附图1页CN 209911004 U 2020.01.07C N 209911004U权 利 要 求 书1/1页CN 209911004 U1.一种便于携带的环境监测螺旋取土器,包括横板(1)、隔板(2)和支撑架(3),其特征在于,所述隔板(2)水平位于横板(1)上方,所述支撑架(3)位于横板(1)下方,所述横板(1)底部固定连接有套管(4),所述套管(4)底部贯穿支撑架(3)安装有限位环(5),所述套管(4)上套设有缓冲弹簧(6),所述缓冲弹簧(6)位于横板(1)和支撑架(3)之间,所述支撑架(3)底部两侧对称安装有移动轮(7),所述支撑架(3)顶部两侧对称固定连接有插杆(8),所述插杆(8)顶部贯穿横板(1)螺纹连接有紧固螺母(9),所述插杆(8)上套设有减震弹簧(10),所述减震弹簧(10)位于支撑架(3)和横板(1)之间,所述隔板(2)顶部两侧均安装有储物仓(11),所述横板(1)两侧均竖直固定连接有防护板(12),两个所述防护板(12)之间水平贯穿安装有挡板(13),所述储物仓(11)顶部与挡板(13)底部相贴合,所述横板(1)上竖直贯穿安装有钻杆(14),所述钻杆(14)顶部贯穿隔板(2)和挡板(13)安装有驱动电机(15),所述驱动电机(15)输出轴与钻杆(14)固定连接,所述驱动电机(15)顶部固定连接有把手架(16),所述钻杆(14)底部贯穿套管(4)固定连接有取土钻头(17)。
专利名称:一种取土器
专利类型:实用新型专利
发明人:汪雷,龚赞
申请号:CN201920726202.2申请日:20190520
公开号:CN210293750U
公开日:
20200410
专利内容由知识产权出版社提供
摘要:本实用新型涉及地基检测的技术领域,一种取土器,包括底端开口的钻筒,钻筒内滑动设置有底端开口的取样筒,取样筒与钻筒贴靠设置,取样筒和钻筒上设置有限制取样筒与钻筒相对转动的限位组件,取样筒周侧沿其轴向开设有多个观察口,钻筒上设置有驱动钻筒转动的钻土电机。
本实用新型通过取样筒对土块的支撑,减小了土块散开而影响观测的可能性。
申请人:武汉中力岩土工程有限公司
地址:430061 湖北省武汉市武昌区小洪山中区10号中科院武汉岩土力学研究所模型楼
国籍:CN
更多信息请下载全文后查看。
专利名称:一种原状土柱采集器专利类型:实用新型专利
发明人:郑纪勇,申卫博,韩凤朋申请号:CN201220549749.8申请日:20121024
公开号:CN202869848U
公开日:
20130410
专利内容由知识产权出版社提供
摘要:本实用新型公开了一种原状土柱采集器,包括钻杆、钻筒和环刀,其特征在于还包括土柱筒,其设置在所述钻筒内。
本实用新型提供一种结构简单、操作便捷的原状土柱采集器,不仅提高了原状土柱的采集效率,而且能最大限度的保持原状土柱的原始特征,提高原状土柱的质量,还可以采集到高质量的长度更长的原状土柱,以满足土壤科学研究实验的各种需要。
申请人:西北农林科技大学
地址:712100 陕西省西安市杨凌示范区邰城路3号
国籍:CN
代理机构:北京鼎佳达知识产权代理事务所(普通合伙)
更多信息请下载全文后查看。
专利名称:一种制作田间试验原位土柱的设备
专利类型:发明专利
发明人:冯伟,刘忠宽,王栓波,刘振宇,谢楠,智建飞,高玉霞,秦文利,刘浩升,李孝兰,刘桂英,崔素倩,程晓艳,刘志伟申请号:CN201910990516.8
申请日:20191017
公开号:CN110579386A
公开日:
20191217
专利内容由知识产权出版社提供
摘要:本发明涉及一种制作田间试验原位土柱的设备。
其包括挖土钻筒和内筒,挖土钻筒外壁设有螺旋形叶片,叶片边缘处带刃,挖土钻筒设为上宽下窄的钻身和钻头两段,下端为钻头,其端部设有刃,下部钻头内经比上面钻身内径短2—4cm,两段内壁平缓过度;内桶直径比挖土钻筒下端钻头直径宽4‑7mm;挖土钻筒由两半扣合构成,在两半钻身内壁设有紧固结构,挖土钻筒上端固定有一旋转架,旋转架与一空心转轴连接,空心转轴另一端转动固定在操作架上,操作架上配设有电动机与空心转轴连接;在内筒上端固定有一支架,支架通过一支柱固定连接在操作架上;在内筒内壁上设有弹性PVC卷筒或塑料套。
本发明可以省工、省力、快速、标准的完成原位土柱的制作。
申请人:河北省农林科学院农业资源环境研究所
地址:050051 河北省石家庄市新华区和平西路598号
国籍:CN
更多信息请下载全文后查看。
专利名称:一种取土器
专利类型:实用新型专利
发明人:卓逢,李贵杰,韩策,田美玲申请号:CN201821643293.5申请日:20181010
公开号:CN209356232U
公开日:
20190906
专利内容由知识产权出版社提供
摘要:本实用新型公开了一种取土器,用于土壤采集,包括用于存储土壤的取土筒、防漏部件和把手,所述把手的中间处设有密封盖,所述密封盖与所述取土筒的上端螺纹连接,以密封所述取土筒的上端,所述取土筒的下端设有卡槽,所述防漏部件通过所述卡槽与所述取土筒连接,所述防漏部件包括设于所述防漏部件内的阻隔板,所述阻隔板与所述防漏部件铰链连接,以防止所述取土筒内的土壤从所述防漏部件逆向漏出;所述取土筒的侧壁开设有用于土壤取样的条形孔,所述把手内设有用于存放取样刀的刀具储存室。
采用本实用新型,结构简单、携带方便、清洁简单、可采集旱田、水田或多砂石的土壤,且有效地防止样本土壤逆向漏出取土筒外。
申请人:广州草木蕃环境科技有限公司
地址:510000 广东省广州市天河区天源路804号大院内3栋自编号A12-3F
国籍:CN
代理机构:广州三环专利商标代理有限公司
代理人:胡枫
更多信息请下载全文后查看。
专利名称:一种取土器
专利类型:实用新型专利
发明人:张文秀,崔建民,何广智,丁凤武申请号:CN93218218.6
申请日:19930705
公开号:CN2173274Y
公开日:
19940803
专利内容由知识产权出版社提供
摘要:本实用新型属于工程地质勘察取土样工具,特别 是用于工程地质勘察土质取样用的取土器,主要解决 固定式取土器,由于敞口不能形成真空,造成有些土 样不能取上来,和取样质量低等缺点。
主要技术特征 在于连接头与取样管之间采用活塞式连接,采样结束 后,连接头作用,通过活塞连杆使取出的土样在取样 管内形成真空,保证了土样不能脱落和土样质量。
本 实用新型具有取样方便,质量高,是一种结构简单,安 全可靠的取土器,可广泛用地质勘察取土样使用。
申请人:中国兵器工业北方勘测研究院
地址:050011 河北省石家庄市建设南大街62号
国籍:CN
代理机构:河北省专利事务所
代理人:曲家彬
更多信息请下载全文后查看。
专利名称:一种圆柱状黄土试样取样装置专利类型:实用新型专利
发明人:周晓丽
申请号:CN201420687207.6
申请日:20141116
公开号:CN204286845U
公开日:
20150422
专利内容由知识产权出版社提供
摘要:本实用新型公开了一种圆柱状黄土试样取样装置,包括多根底部固定于黄土地层内的立柱、能在竖直方向上进行上下移动的下压板、固定安装在多根立柱顶端的水平固定板、布设在下压板底部的取样刀具和对取样刀具内所取土样底端进行切割的土样底端切割装置,下压板呈水平布设;水平固定板上装有带动下压板上下移动的提升机构,提升机构包括多根呈竖直向布设的液压缸,多个液压缸均布设在水平固定板与下压板之间,多个液压缸的缸体均固定在水平固定板底部且其活塞杆均固定在下压板上;下压板上部设置有多个分别供多个液压缸的活塞杆固定的固定座。
本实用新型结构简单、设计合理且使用操作简便、使用效果好,能简便、快速完成取样过程,并且取样效果好。
申请人:西安扩力机电科技有限公司
地址:710075 陕西省西安市6高新区高新路80号望庭国际3号楼4层
国籍:CN
代理机构:西安创知专利事务所
代理人:刘崇义
更多信息请下载全文后查看。
专利名称:一种取土器
专利类型:实用新型专利
发明人:贾海鹏,刘小敏,李根强,马进高,徐泰松,戴俊斌,崔军,刘琦
申请号:CN201721263000.6
申请日:20170928
公开号:CN207351726U
公开日:
20180511
专利内容由知识产权出版社提供
摘要:本实用新型公开了一种取土器,涉及取土装置技术领域;包括接头、提杆、活塞、废土管接头、废土管以及取土管;接头固定安装在提杆的顶端,活塞固定安装在提杆的底端;废土管接头上设置有贯穿的安装孔,活塞位于废土管接头的安装孔内,且通过提杆的带动在安装孔内移动;废土管接头的侧壁上设置有多个与安装孔相连通的排气孔;提杆的侧壁上设置有呈环状的凸出部,该凸出部用于卡在废土管接头的安装孔内;废土管可拆卸式的安装在废土管接头的底端上,取土管可拆卸式的安装在废土管的底端上,且所述的取土管为PVC薄管,PVC薄管呈两端相贯穿的筒状结构;本实用新型的有益效果是:避免土样发生变形,不会影响土体的力学性能指标。
申请人:深圳市勘察研究院有限公司
地址:518000 广东省深圳市福田区福中东路15号
国籍:CN
代理机构:深圳市深科信知识产权代理事务所(普通合伙)
代理人:彭光荣
更多信息请下载全文后查看。
(19)中华人民共和国国家知识产权局
(12)实用新型专利
(10)授权公告号 (45)授权公告日 (21)申请号 201920211580.7
(22)申请日 2019.02.19
(73)专利权人 中国地质科学院水文地质环境地
质研究所
地址 050000 河北省石家庄市中华北大街
268号
(72)发明人 董秋瑶
(74)专利代理机构 北京科亿知识产权代理事务
所(普通合伙) 11350
代理人 李兴林
(51)Int.Cl.
G01N 1/08(2006.01)
(54)实用新型名称一种土柱实验用取土器(57)摘要本实用新型公开了一种土柱实验用取土器,包括内外嵌套的内壳和外壳,内壳和外壳均为中空结构,且上下开口;内壳的上开口处设置有支架,支架上固定有向上延伸的滑动筒,滑动筒为中空结构,且上下开口;滑动筒的侧壁上开设有多个上下延伸的条形通孔,滑动筒内设置有滑块,滑动筒外周套设有重物板,重物板的外边缘超出外壳的外边缘,重物板通过连接杆穿过条形通孔与滑块连接;滑块的下端与支架之间连接有压缩弹簧。
本实用新型通过支架和滑动筒在内壳上部安装滑块与重物板,在滑块与支架之间连接压缩弹簧,利用压缩弹簧的弹力与重物块的重力将外壳打入土壤内部,外力施加角度得到控制,不同于手或脚用力向下的力不可控,不会破坏垂
直土层结构。
权利要求书1页 说明书2页 附图2页CN 209459944 U 2019.10.01
C N 209459944
U
权 利 要 求 书1/1页CN 209459944 U
1.一种土柱实验用取土器,其特征在于:包括内外嵌套的内壳(1)和外壳(2),所述内壳(1)和外壳(2)均为中空结构,且上下开口;所述内壳(1)的上开口处设置有支架(3),所述支架(3)上固定有向上延伸的滑动筒(4),所述滑动筒(4)为中空结构,且上下开口;所述滑动筒(4)的侧壁上开设有多个上下延伸的条形通孔(5),滑动筒(4)内设置有滑块(6),滑动筒(4)外周套设有重物板(7),所述重物板(7)的外边缘超出所述外壳(2)的外边缘,重物板(7)通过连接杆(8)穿过所述条形通孔(5)与滑块(6)连接;所述滑块(6)的下端与滑动筒(4)的下开口对应的支架(3)位置连接有压缩弹簧(9)。
2.根据权利要求1所述的土柱实验用取土器,其特征在于:所述条形通孔(5)的上端位于所述滑动筒(4)上端面下方10cm-15cm处,条形通孔(5)的下端与滑动筒(4)的下端面平齐。
3.根据权利要求1所述的土柱实验用取土器,其特征在于:所述条形通孔(5)的数量为四个,周向均匀开设在所述滑动筒(4)的侧壁上。
4.根据权利要求1所述的土柱实验用取土器,其特征在于:所述内壳(1)和外壳(2)的形状均为长方体。
5.根据权利要求1所述的土柱实验用取土器,其特征在于:所述重物板(7)的外轮廓为长方体。
6.根据权利要求1所述的土柱实验用取土器,其特征在于:所述内壳(1)的侧壁上开设有多个取土口(10)。
7.根据权利要求1所述的土柱实验用取土器,其特征在于:所述外壳(2)和内壳(1)的下端均呈相配合的尖状。
2。