【CN209592129U】一种新型锂电池保护板【专利】
- 格式:pdf
- 大小:327.02 KB
- 文档页数:8
(19)中华人民共和国国家知识产权局(12)实用新型专利(10)授权公告号 (45)授权公告日 (21)申请号 201920529653.7(22)申请日 2019.04.18(73)专利权人 深圳市迪凯能科技有限公司地址 518118 广东省深圳市坪山区坪山办事处坪山社区龙背村大道7号(72)发明人 潘冲 吕菲菲 张素容 (74)专利代理机构 深圳市科吉华烽知识产权事务所(普通合伙) 44248代理人 吴肖敏(51)Int.Cl.H01M 10/42(2006.01)H01M 2/10(2006.01)(54)实用新型名称一种可调节锂离子电池保护板(57)摘要本实用新型公开了一种可调节锂离子电池保护板,包括保护板本体,所述保护板本体的外侧对称设有两个可调节装置,所述可调节装置包括固定板、支撑板和固定件,所述固定板设有两个,且两个固定板对称固定连接在保护板本体的一侧,所述支撑板的两端与两个固定板相互靠近的一侧固定连接,所述支撑板上设有滑槽,且固定件滑动连接在滑槽上,此可调节锂离子电池保护板,在使用时,通过在保护板本体的两侧均设有可调节装置,进而使两个可调节装置可以根据安装支架上的空位进行精准调节,实现保护板本体的精准安装,同时使保护板本体具有调节性能,适应性较广。
权利要求书1页 说明书3页 附图1页CN 209822821 U 2019.12.20C N 209822821U权 利 要 求 书1/1页CN 209822821 U1.一种可调节锂离子电池保护板,包括保护板本体(1),其特征在于:所述保护板本体(1)的外侧对称设有两个可调节装置(2),所述可调节装置(2)包括固定板(3)、支撑板(4)和固定件(5),所述固定板(3)设有两个,且两个固定板(3)对称固定连接在保护板本体(1)的一侧,所述支撑板(4)的两端与两个固定板(3)相互靠近的一侧固定连接,所述支撑板(4)上设有滑槽(6),且固定件(5)滑动连接在滑槽(6)上。
(19)中华人民共和国国家知识产权局(12)实用新型专利(10)授权公告号 (45)授权公告日 (21)申请号 201920425831.1(22)申请日 2019.03.29(73)专利权人 郑州中熙能源股份有限公司地址 450001 河南省郑州市郑州高新技术产业开发区长椿路11号河南省大学科技园孵化园区1号孵化楼1202、1203室(72)发明人 纪方园 (74)专利代理机构 郑州裕晟知识产权代理事务所(特殊普通合伙) 41142代理人 王瑞(51)Int.Cl.H01M 10/615(2014.01)H01M 10/617(2014.01)H01M 10/625(2014.01)H01M 10/635(2014.01)H01M 10/653(2014.01)H01M 10/6571(2014.01)H01M 10/658(2014.01)H01M 2/10(2006.01)(54)实用新型名称一种用于锂电池组的保温装置(57)摘要一种用于锂电池组的保温装置,包括由多个锂电池组成的锂电池组,所述锂电池组外层由内向外依次设置有绝缘层、加热层、保温层、保护层以及外壳,所述相邻两个锂电池之间以及锂电池与绝缘层之间填充有导热硅脂,锂电池组内固定有温度传感器,所述温度传感器连接有微控制器,所述微控制器连接有供电装置,所述供电装置与加热层电连接,本实用新型能在低温环境下对锂电池组进行加热,保证锂电池组的放电性能以及使用寿命,同时还具备一定的减震功能,保证锂电池内部的结构。
权利要求书1页 说明书2页 附图1页CN 209592268 U 2019.11.05C N 209592268U权 利 要 求 书1/1页CN 209592268 U1.一种用于锂电池组的保温装置,包括由多个锂电池(1)组成的锂电池组,其特征在于:所述锂电池组外层由内向外依次设置有绝缘层(2)、加热层(3)、保温层(4)、保护层(5)以及外壳(6),所述相邻两个锂电池(1)之间以及锂电池(1)与绝缘层(2)之间填充有导热硅脂(7),锂电池组内固定有温度传感器(8),所述温度传感器(8)连接有微控制器(9),所述微控制器(9)连接有供电装置(10),所述供电装置(10)与加热层(3)电连接。
(19)中华人民共和国国家知识产权局(12)实用新型专利(10)授权公告号 (45)授权公告日 (21)申请号 201920572492.X(22)申请日 2019.04.25(73)专利权人 涿州市新创物探设备有限公司地址 072750 河北省保定市涿州市开发区万达工贸小区徐里营三村村北(72)发明人 刘新 刘爽 (51)Int.Cl.H01M 2/10(2006.01)H01M 10/613(2014.01)H01M 10/6561(2014.01)H01M 10/6551(2014.01)H01M 10/42(2006.01)H01M 10/48(2006.01)(54)实用新型名称一种用于保护锂电池的专用壳体(57)摘要本实用新型公开了一种用于保护锂电池的专用壳体,包括矩形空心壳体结构,矩形空心壳体结构由四个侧板、底板和顶盖依次围设而成;所述侧板包括双层散热遮阳板,双层散热遮阳板上开设有多个用于将锂电池工作时发出的热量散出的散热孔;所述底板的底端固定设置有多个支撑在地面上用于避免在雷雨天锂电池发生雷击现象的避雷针;所述顶盖上设置有用于使得锂电池正极伸出壳体的通孔一、用于使得锂电池负极伸出壳体的通孔二以及便于人手提握的提手。
本实用新型能够有效地对锂电池起到了遮阳作用,避免锂电池因阳光照射而温度升高,能够将锂电池使用时发出的热量散出,在雷雨天气使用时不会被雷电击中,延长了锂电池的使用寿命,十分便捷。
权利要求书1页 说明书3页 附图5页CN 209592148 U 2019.11.05C N 209592148U权 利 要 求 书1/1页CN 209592148 U1.一种用于保护锂电池的专用壳体,包括用于将锂电池(1)盛放在内部且呈封闭状的矩形空心壳体结构,矩形空心壳体结构由四个侧板(18)、与侧板(18)底端相固定的底板(2)和盖设在侧板(18)顶端的顶盖(6)依次围设而成;其特征在于:所述侧板(18)包括双层散热遮阳板(3),双层散热遮阳板(3)上开设有多个用于将锂电池(1)工作时发出的热量散出的散热孔(4);所述底板(2)的底端固定设置有多个支撑在地面上用于避免在雷雨天锂电池(1)发生雷击现象的避雷针(16);所述顶盖(6)上设置有用于使得锂电池正极(11)伸出壳体的通孔一(8)、用于使得锂电池负极(12)伸出壳体的通孔二(9)以及便于人手提握的提手(10)。
(19)中华人民共和国国家知识产权局(12)实用新型专利(10)授权公告号 (45)授权公告日 (21)申请号 201920613297.7(22)申请日 2019.04.28(73)专利权人 深圳市金宇宙能源有限公司地址 518000 广东省深圳市龙华区福城街道桔塘社区福前路434号颐泉综合楼A栋202(72)发明人 蒋子翱 李智 蒋芝叶 胡常波 龚永权 朱叶 朱锦玉 肖时苏 周明晖 (74)专利代理机构 深圳市中科创为专利代理有限公司 44384代理人 彭西洋 谢亮(51)Int.Cl.H01M 2/10(2006.01)H01M 10/613(2014.01)H01M 10/6563(2014.01)H01M 6/50(2006.01)F16F 15/02(2006.01)F16F 15/023(2006.01)F16F 15/04(2006.01)(54)实用新型名称一种新型抗冲击锂电池(57)摘要本实用新型属于锂电池技术领域,且公开了一种新型抗冲击锂电池,包括保护框,所述保护框的内部开设有收纳腔,且保护框的顶部和底部均安装有限位杆,所述收纳腔的内壁四面均安装有弹簧,所述弹簧相对于保护框的一端安装有压板,所述压板相对于弹簧的一侧开设有限位槽,所述限位槽的内部卡合有卡板,所述卡板相对于压板的一侧安装有气囊,所述气囊相对于卡板的一侧安装有电池主体,本实用新型设置了卡板、限位槽、压板、弹簧和气囊,通过气囊和弹簧抵消电池主体受到的冲击,并且在限位槽的作用下,让气囊通过卡板便于进行更换,达到了通过弹簧和气囊进行配合抗震,从而提高装置的抗震性能,并且气囊可以进行更换的效果。
权利要求书1页 说明书3页 附图5页CN 209592150 U 2019.11.05C N 209592150U权 利 要 求 书1/1页CN 209592150 U1.一种新型抗冲击锂电池,其特征在于:包括保护框,所述保护框的内部开设有收纳腔,且保护框的顶部和底部均安装有限位杆,所述收纳腔的内壁四面均安装有弹簧,所述弹簧相对于保护框的一端安装有压板,所述压板相对于弹簧的一侧开设有限位槽,所述限位槽的内部卡合有卡板,所述卡板相对于压板的一侧安装有气囊,所述气囊相对于卡板的一侧安装有电池主体。
专利名称:一种锂电池防爆保护板专利类型:实用新型专利
发明人:戴洪雨,包丽
申请号:CN202122404810.1申请日:20210929
公开号:CN216055025U
公开日:
20220315
专利内容由知识产权出版社提供
摘要:本实用新型公开了一种锂电池防爆保护板,包括缓冲保护结构,所述缓冲保护结构包括缓冲主体、束缚主体和壳架,所述缓冲主体固定安装在束缚主体的内端,所述束缚主体与壳架固定连接在一起,所述缓冲主体包括折纹壳和连接壳,所述折纹壳的外端固定连接在连接壳的内端,所述连接壳的外端固定连接在束缚主体的内端,所述折纹壳的前端开设有排放口,所述排放口贯穿折纹壳,所述束缚主体还包括束缚架,所述束缚架固定安装在壳架的内端,所述束缚主体还包括连接块,所述连接块均匀设置在束缚架的内端,所述连接壳的外端与连接块固定连接在一起。
本实用新型涉及锂电池防护设备技术领域,能够提高安全系数,更好的满足使用需要。
申请人:深圳市赛航科技有限公司
地址:518000 广东省深圳市龙岗区龙岗街道龙盛路8号1栋5楼
国籍:CN
代理机构:深圳市中科创为专利代理有限公司
更多信息请下载全文后查看。
专利名称:一种电池保护板
专利类型:实用新型专利
发明人:李佳聪,罗斌,罗军
申请号:CN201920963644.9申请日:20190625
公开号:CN209947910U
公开日:
20200114
专利内容由知识产权出版社提供
摘要:本实用新型涉及电池的技术领域,特别是涉及一种电池保护板,其减少气温过低对电池保护板本体的工作状态的影响,提高使用可靠性;包括放置箱、锁扣和电池保护板本体,放置箱的内部设置有放置腔,放置箱的左端设置有检修口,检修口的左端设置有检修门,检修门的顶端与放置箱的左端可转动连接,检修门的底端通过锁扣与放置箱连接,电池保护板本体安装在放置腔的内部;还包括基座、安装架、红外线烘干灯、安装板、电机、减速机、传动杆和连接杆,基座的顶端与放置腔内顶壁的中部连接,安装架的顶端与基座的底端可转动连接,红外线烘干灯固定安装在安装架的底端,安装板的顶端设置有连接装置,连接装置安装在放置腔的内顶壁上。
申请人:深圳市鸿盛泰科技有限公司
地址:518000 广东省深圳市龙岗区平湖街道上木古社区新河路109号2栋厂房401
国籍:CN
代理机构:深圳迈辽知识产权代理有限公司
代理人:赖耀华
更多信息请下载全文后查看。
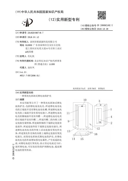
(19)中华人民共和国国家知识产权局(12)实用新型专利(10)授权公告号 (45)授权公告日 (21)申请号 201920490749.7(22)申请日 2019.04.12(73)专利权人 深圳市联派源科技有限公司地址 518000 广东省深圳市宝安区石岩街道上屋社区坑尾大道44号百阳工业区A栋四楼(72)发明人 肖礼钦 (74)专利代理机构 北京科亿知识产权代理事务所(普通合伙) 11350代理人 汤东凤(51)Int.Cl.H02J 7/00(2006.01)(54)实用新型名称一种预充电拆卸式锂电池保护壳(57)摘要本实用新型公开了一种预充电拆卸式锂电池保护壳,包括锂电池充电壳,所述锂电池充电壳的正端面开设有锂电池充电槽,所述锂电池充电壳的上端面开设有预充电接口,所述锂电池充电壳的侧端面开设有凹槽一,所述锂电池充电壳的后端面开设有凹槽二,所述凹槽二的内壁上固定连接有旋转轴,所述旋转轴的下端固定连接有连接件,所述连接件的下端固定连接有插头,所述锂电池充电壳的外壁上活动连接有预充件壳体,所述预充件壳体的内壁上端固定连接有预充电接头。
该预充电拆卸式锂电池保护壳,在锂电池充电壳的外部增加预充电器件,产生较弱的电流,对锂电池进行预充电,防止恒定电流过大时,损坏锂电池,可以较好的保护到锂电池,提高锂电池的使用寿命。
权利要求书1页 说明书3页 附图2页CN 209562192 U 2019.10.29C N 209562192U权 利 要 求 书1/1页CN 209562192 U1.一种预充电拆卸式锂电池保护壳,包括锂电池充电壳(1),其特征在于:所述锂电池充电壳(1)的正端面开设有锂电池充电槽(2),所述锂电池充电壳(1)的上端面开设有预充电接口(3),所述锂电池充电壳(1)的侧端面开设有凹槽一(4),所述锂电池充电壳(1)的后端面开设有凹槽二(5),所述凹槽二(5)的内壁上固定连接有旋转轴(6),所述旋转轴(6)的下端固定连接有连接件(7),所述连接件(7)的下端固定连接有插头(8),所述锂电池充电壳(1)的外壁上活动连接有预充件壳体(9),所述预充件壳体(9)的内壁上端固定连接有预充电接头(10),所述预充件壳体(9)的内壁侧端固定连接有凸起一(11),所述预充件壳体(9)的侧端开设有充电口(12),所述预充件壳体(9)的下端开设有凹槽三(13),所述预充件壳体(9)的下端活动连接有底座(14),所述底座(14)的上端固定连接有凸起二(15)和凸起三(16)。
专利名称:一种新型锂电池保护板专利类型:发明专利
发明人:应晓燕
申请号:CN201910633035.1
申请日:20190715
公开号:CN110336357A
公开日:
20191015
专利内容由知识产权出版社提供
摘要:本发明涉及锂电池应用技术领域,且公开了一种新型锂电池保护板,包括电源控制电路、电池状态检测电路、电池温度检测电路、以及芯片。
该方案,第一步通过电池状态检测电路实时对电池充电的状态进行检测;第二步将检测到的电信号发送给芯片进行运算处理;第三步通过运算处理后输出与电池状态电压匹配的信号;第四步由芯片判断输出电流超过120A、200ms时,保险镍片烧断,关断输出。
使用该方案实现了与充电器通讯并且在短路保护失效时切断输出。
申请人:浙江德创智能科技有限公司
地址:321200 浙江省金华市武义县桐琴镇五金机械工业园区纬三西路12号
国籍:CN
更多信息请下载全文后查看。
专利名称:一种新型的锂电池组保护板专利类型:发明专利
发明人:尤宾,苗猛
申请号:CN201911341053.9
申请日:20191223
公开号:CN110957447A
公开日:
20200403
专利内容由知识产权出版社提供
摘要:本发明公开了一种新型的锂电池组保护板,涉及锂电池设备技术领域;包括保护板主体,保护板主体内部设置有容易容置电池组的空腔;保护板主体外侧上下两侧均设置有弹性设置的减震板;减震板和保护板主体之间通过多方向减震机构连接,多方向减震机构包括A固定座、A弹性件、铰接座和B固定座,A固定座固定安装在减震板的两侧,B固定座固定安装在保护板主体上;减震板和A 固定座均通过螺栓安装,A弹性件两端固定安装有铰接座,铰接座两端分别铰接在两个B固定座上,A 弹性件焊接固定在铰接座上,两个A弹性件分别向两个方向倾斜设置,保护板主体两侧还安装有长度可调的顶块。
本发明减震效果优异,安装稳定。
申请人:山东天瀚新能源科技有限公司
地址:277800 山东省枣庄市高新区宁波路769号院内办公楼205、206室
国籍:CN
更多信息请下载全文后查看。
(19)中华人民共和国国家知识产权局
(12)实用新型专利
(10)授权公告号 (45)授权公告日 (21)申请号 201920360703.3
(22)申请日 2019.03.20
(73)专利权人 深圳市山河动力电子有限公司
地址 518000 广东省深圳市龙岗区龙城街
道五联社区朱古石第二工业区6栋3楼
(72)发明人 何辉 陈涛 禹江南 董良
(74)专利代理机构 深圳市中科创为专利代理有
限公司 44384
代理人 梁炎芳 谭雪婷
(51)Int.Cl.
H01M 2/10(2006.01)
H01M 10/613(2014.01)
H01M 10/6554(2014.01)
H01M 10/6551(2014.01)
H01M 10/6552(2014.01)
(54)实用新型名称
一种新型锂电池保护板
(57)摘要
本实用新型公开了一种新型锂电池保护板,
包括上层盖体和紧固螺栓,所述上层盖体底部外
部的外壁设置有保护装置,且保护装置底部外部
的外壁连接有电池板,所述紧固螺栓位于上层盖
体内部的内壁。
该新型锂电池保护板通过保护装
置、橡胶垫和弹簧柱的设置,能够在使用过程中
能够利用保护装置的作用对电池板进行保护的
同时对其进出一定程度的散热,橡胶垫是一种导
热硅胶,具有良好的散热效果,且能够在长时间
的使用橡胶垫时可通过向上抬动弹簧柱使得其
内部的弹簧受力收缩可把其下端的橡胶垫取出
更换,其次可利用弹簧柱的作用在外部受力时可
对其所受到的力进行一个缓冲的作用,避免外部
压力对其内部的电池板造成直接的压迫损伤。
权利要求书1页 说明书4页 附图2页CN 209592129 U 2019.11.05
C N 209592129
U
权 利 要 求 书1/1页CN 209592129 U
1.一种新型锂电池保护板,包括上层盖体(1)和紧固螺栓(2),其特征在于:所述上层盖体(1)底部外部的外壁设置有保护装置(8),且保护装置(8)底部外部的外壁连接有电池板(7),所述紧固螺栓(2)位于上层盖体(1)内部的内壁,所述上层盖体(1)上端外部的外壁安装有散热条(5),且散热条(5)外部外壁的一端设置有防护装置(4),所述电池板(7)底部外部的外壁安装有散热装置(6),所述电池板(7)下端外部的外壁连接有下层盖体(3)。
2.根据权利要求1所述的一种新型锂电池保护板,其特征在于:所述防护装置(4)包括转动转轴(401)、衔接块(402)、弹性带(403)与固定块(404),且防护装置(4)内部的内壁设置有衔接块(402),所述衔接块(402)内部内壁的中部贯穿有转动转轴(401),且衔接块(402)外部外壁的一端设置有固定块(404),并且固定块(404)内部内壁的中部连接有弹性带(403)。
3.根据权利要求2所述的一种新型锂电池保护板,其特征在于:所述防护装置(4)内部的内壁与衔接块(402)外部外壁的一端为固定连接,且衔接块(402)内部的内壁与转动转轴(401)外部的外壁为活动连接,并且防护装置(4)通过衔接块(402)与转动转轴(401)构成旋转结构。
4.根据权利要求1所述的一种新型锂电池保护板,其特征在于:所述散热装置(6)包括限位卡块(601)、固定卡块(602)与散热管(603),且散热装置(6)内部的内壁设置有散热管(603),所述散热装置(6)外部的外壁安装有限位卡块(601),并且限位卡块(601)内部的内壁连接有固定卡块(602)。
5.根据权利要求4所述的一种新型锂电池保护板,其特征在于:所述散热管(603)外部的外壁与散热装置(6)外部外壁的一端为粘接连接,且散热管(603)的形状呈“S”型结构,并且散热装置(6)外部的外壁与固定卡块(602)外部的外壁为固定连接,而且固定卡块(602)外部外壁的形状结构与限位卡块(601)内部内壁的形状结构相吻合。
6.根据权利要求1所述的一种新型锂电池保护板,其特征在于:所述保护装置(8)包括橡胶垫(801)和弹簧柱(802),且保护装置(8)内部的内壁设置有橡胶垫(801),并且橡胶垫(801)外部外壁的上端安装有弹簧柱(802)。
7.根据权利要求6所述的一种新型锂电池保护板,其特征在于:所述保护装置(8)下端内部的内壁与橡胶垫(801)外部的外壁为活动连接,且保护装置(8)上端外部外壁的一端与弹簧柱(802)外部外壁的一端为粘接连接。
2。