【CN209938235U】一种爆胎应急安全装置【专利】
- 格式:pdf
- 大小:395.47 KB
- 文档页数:8
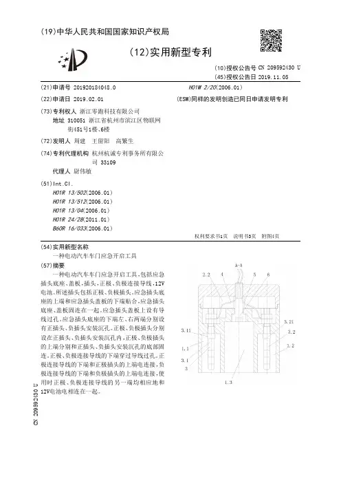
(19)中华人民共和国国家知识产权局(12)实用新型专利(10)授权公告号 (45)授权公告日 (21)申请号 201920184048.0(22)申请日 2019.02.01(73)专利权人 浙江零跑科技有限公司地址 310051 浙江省杭州市滨江区物联网街451号1楼、6楼(72)发明人 周建 王留阳 高繁生 (74)专利代理机构 杭州杭诚专利事务所有限公司 33109代理人 尉伟敏(51)Int.Cl.H01R 13/502(2006.01)H01R 13/512(2006.01)H01R 13/04(2006.01)H01R 24/28(2011.01)B60R 16/033(2006.01)H01M 2/20(2006.01)(ESM)同样的发明创造已同日申请发明专利(54)实用新型名称一种电动汽车车门应急开启工具(57)摘要一种电动汽车车门应急开启工具,包括应急插头底座、盖板,插头,正极、负极连接导线,12V 电池。
所述插头包括正极、负极插头。
应急插头底座的上端和应急插头盖板的下端贴合,应急插头底座、盖板固连在一起。
应急插头盖板上设有导线过孔。
应急插头底座的下端左、右两端分别设有正插头、负插头安装沉孔。
正极、负极插头分别设在正插头、负插头安装沉孔内,正极、负极插头的上端分别和正插头、负插头安装沉孔的底部固连。
正极、负极连接导线的下端穿过导线过孔。
正极连接导线的下端和正极插头的上端电连接,负极连接导线的下端和负极插头的上端电连接,使用时正极、负极连接导线的另一端均相应地和12V电池电相连在一起。
权利要求书1页 说明书3页 附图4页CN 209592430 U 2019.11.05C N 209592430U权 利 要 求 书1/1页CN 209592430 U1.一种电动汽车车门应急开启工具,其特征是:包括应急插头底座(1)、应急插头盖板(2)、插头(3)、正极连接导线(4)、负极连接导线(5)、12V电池;所述插头(3)包括正极插头(3.1)、负极插头(3.2);应急插头底座(1)的上端和应急插头盖板(2)的下端贴合,应急插头底座(1)、应急插头盖板(2)固连在一起;应急插头盖板(2)上设有导线过孔(2.1);应急插头底座(1)的下端左、右两端分别设有正插头安装沉孔(1.1)、负插头安装沉孔(1.2),正极插头(3.1)、负极插头(3.2)分别设在正插头安装沉孔(1.1)、负插头安装沉孔(1.2)内,正极插头(3.1)、负极插头(3.2)的上端分别和正插头安装沉孔(1.1)、负插头安装沉孔(1.2)的底部固连;正极连接导线(4)、负极连接导线(5)的下端穿过导线过孔(2.1);正极连接导线(4)的下端和正极插头(3.1)的上端电连接,负极连接导线(5)的下端和负极插头(3.2)的上端电连接,使用时正极连接导线(4)和负极连接导线(5)的另一端均相应地和12V电池电相连在一起。
(19)中华人民共和国国家知识产权局(12)实用新型专利(10)授权公告号 (45)授权公告日 (21)申请号 201920474815.1(22)申请日 2019.04.10(73)专利权人 牛新地址 277500 山东省枣庄市滕州市东郭镇屯里村266号(72)发明人 牛新 (51)Int.Cl.B62B 9/08(2006.01)(54)实用新型名称一种一键连线多轮刹车装置(57)摘要本实用新型涉及多轮刹车技术领域,尤其为一种一键连线多轮刹车装置,包括推车本体,所述推车本体靠近地面一侧固定连接有底座,所述底座内开设有第一方槽,所述第一方槽的内开设有第一圆孔,所述第一圆孔内固定连接有第一轴承,所述第一轴承内连接有第一转轴,所述第一转轴上且远离第一方槽两端且位与第一圆孔外固定连接有后轮,所述第一方槽内且位于第一转轴上方固定连接有第一固定板,所述第一固定板靠近地面一侧且第一转轴位置处对应开设有第一凹槽,所述第一方槽内且位于第一转轴下方连接有第一方板,通过设置第一固定板,第二固定板,第一方板,第二方板,解决了目前推出刹车装置只能制动后轮,制动效果较差的问题。
权利要求书2页 说明书3页 附图2页CN 209938705 U 2020.01.14C N 209938705U权 利 要 求 书1/2页CN 209938705 U1.一种一键连线多轮刹车装置,包括推车本体(1),其特征在于:所述推车本体(1)靠近地面一侧固定连接有底座(2),所述底座(2)内开设有第一方槽(3),所述第一方槽(3)的内开设有第一圆孔(4),所述第一圆孔(4)内固定连接有第一轴承(5),所述第一轴承(5)内连接有第一转轴(6),所述第一转轴(6)上且远离第一方槽(3)两端且位与第一圆孔(4)外固定连接有前轮(7),所述第一方槽(3)内且位于第一转轴(6)上方固定连接有第一固定板(8),所述第一固定板(8)靠近地面一侧且第一转轴(6)位置处对应开设有第一凹槽(9),所述第一方槽(3)内且位于第一转轴(6)下方连接有第一方板(10),所述第一方板(10)远离地面一侧且第一转轴(6)位置处对应开设有第二凹槽(11),所述第一方板(10)远离第一转轴(6)一端固定连接有第一销座(12),所述第一销座(12)上连接有第一销轴(13),所述第一方板(10)靠近第一固定板(8)一侧固定连接有第一弹簧(14),所述第一方板(10)上且远离第一弹簧(14)位置处固定连接有第一牵引绳(15),所述第一方槽(3)内且第一牵引绳(15)位置处对应开设有第一圆槽(16),所述底座(2)内远离第一方槽(3)处开设有第二方槽(17),所述第二方槽(17)内开设有第二圆孔(18),所述第二圆孔(18)内固定连接有第二轴承(19),所述第二轴承(19)内连接有第二转轴(20),所述第二转轴(20)上且远离第二方槽(17)两端且位与第二圆孔(18)外固定连接有后轮(21),所述第二方槽(17)内且位于第二转轴(20)上方固定连接有第二固定板(22),所述第二固定板(22)靠近地面一侧且第二转轴(20)位置处对应开设有第三凹槽(23),所述第二方槽(17)内且位于第二转轴(20)下方连接有第二方板(24),所述第二方板(24)远离地面一侧且第二转轴(20)位置处对应开设有第四凹槽(25),所述第二方板(24)远离第二转轴(20)一端固定连接有第二销座(26),所述第二销座(26)上连接有第二销轴(27),所述第二方板(24)靠近第二固定板(22)一侧固定连接有第二弹簧(28),所述第二方板(24)上且远离第二弹簧(28)位置处固定连接有第二牵引绳(29),所述第二方槽(17)内且第二牵引绳(29)位置处对应开设有第二圆槽(30),所述底座(2)内且位于第一圆槽(16)和第二圆槽(30)上方开设有第三方槽(31),所述第三方槽(31)内滑动连接有第三牵引绳(32),所述推车本体(1)远离底座(2)一端固定连接有第三转轴(33),所述第三转轴(33)上连接有第三方板(34)。
(19)中华人民共和国国家知识产权局(12)实用新型专利(10)授权公告号 (45)授权公告日 (21)申请号 201920678894.8(22)申请日 2019.05.13(73)专利权人 吴昭维地址 523626 广东省东莞市樟木头镇背围街3巷1号(72)发明人 吴昭维 (74)专利代理机构 广州市红荔专利代理有限公司 44214代理人 易新根(51)Int.Cl.B25C 3/00(2006.01)(54)实用新型名称一种打钉辅助装置(57)摘要本实用新型公开了一种打钉辅助装置,其包括套筒和活动设于套筒内的钉杆,所述钉杆的一端连接有把手装置,另一端连接有磁性钉头,所述钉杆的长度大于所述套筒的长度。
借助本实用新型,将钉子吸附在磁性钉头上,轴向移动套筒至套筒底部与钉子底部平齐,使得套筒的内壁对钉子起到扶持作用,防止其歪斜,然后将钉子对准需要钉入的位置,操作把手装置将钉子钉入。
因此本实用新型,能非常方便地在狭窄空间内钉入钉子,无需将手伸入狭窄空间内,即可实现作业。
同时,还能在不方便握持的环境下作业,比如高温、高热、腐蚀性部位的作业,可以借助本装置,起到防护作业,防止人身受到伤害。
权利要求书1页 说明书4页 附图7页CN 209903120 U 2020.01.07C N 209903120U权 利 要 求 书1/1页CN 209903120 U1.一种打钉辅助装置,其特征在于:包括套筒(1)和活动设于套筒(1)内的钉杆(2),所述钉杆(2)的一端连接有把手装置(4),另一端连接有磁性钉头(3),所述钉杆(2)的长度大于所述套筒(1)的长度。
2.根据权利要求1所述的打钉辅助装置,其特征在于:所述打钉辅助装置还包括限位装置(5),所述限位装置(5)与钉杆(2)连接,用于限制钉杆(2)在套筒(1)内轴向移动的距离。
3.根据权利要求2所述的打钉辅助装置,其特征在于:所述限位装置(5)为限位螺母,所述钉杆(2)上设有第一外螺纹(21),所述限位螺母与第一外螺纹(21)配合连接,且所述限位螺母的外径大于套筒(1)的内径。
(19)中华人民共和国国家知识产权局(12)实用新型专利(10)授权公告号 (45)授权公告日 (21)申请号 201920642166.1(22)申请日 2019.05.07(73)专利权人 南京理工大学地址 210094 江苏省南京市孝陵卫200号(72)发明人 薛鹏宇 皮大伟 谢伯元 王洪亮 王显会 王尔烈 王霞 (74)专利代理机构 南京理工大学专利中心32203代理人 吴茂杰(51)Int.Cl.G01M 17/007(2006.01)(ESM)同样的发明创造已同日申请发明专利(54)实用新型名称车辆自动紧急制动试验装置(57)摘要本实用新型公开一种车辆自动紧急制动试验装置,包括牵引车辆(1)、前牵引装置(2)、气球车支架(4)和气球车本体(5),还包括充气管路(7)和设置在牵引车辆(1)上的车载气泵;所述充气管路(7)一端与牵引装置(2)密闭连接,另一端与气球车支架(4)密闭连接,所述牵引车辆(1)与前牵引装置(2)固定连接,且牵引车辆(1)的车载气泵输出端与充气管路(7)相通。
本实用新型的车辆自动紧急制动试验装置,安全性好、成功率高、成本低。
权利要求书1页 说明书4页 附图4页CN 209992184 U 2020.01.24C N 209992184U权 利 要 求 书1/1页CN 209992184 U1.一种车辆自动紧急制动试验装置,包括牵引车辆(1)、前牵引装置(2)、气球车支架(4)和气球车本体(5),其特征在于:还包括充气管路(7)和设置在牵引车辆(1)上的车载气泵;所述充气管路(7)一端与牵引装置(2)密闭连接,另一端与气球车支架(4)密闭连接,所述牵引车辆(1)与前牵引装置(2)固定连接,且牵引车辆(1)的车载气泵输出端与充气管路(7)相通。
2.根据权利要求1所述的试验装置,其特征在于:在所述充气管路(7)靠近气球车本体(5)一端设有泄压阀(6)。
3.根据权利要求1所述的试验装置,其特征在于:所述充气管路(7)可拆式放置在充气管路支撑架(3)上。
(19)中华人民共和国国家知识产权局(12)实用新型专利(10)授权公告号 (45)授权公告日 (21)申请号 201920184401.5(22)申请日 2019.02.01(73)专利权人 至玥腾风科技投资集团有限公司地址 100088 北京市西城区北三环中路甲29号院3号楼101内104室(72)发明人 靳普 (74)专利代理机构 北京中政联科专利代理事务所(普通合伙) 11489代理人 肖佳(51)Int.Cl.B60C 23/10(2006.01)B60K 1/00(2006.01)(54)实用新型名称一种胎压可调的车轮及汽车驱动装置(57)摘要一种胎压可调的车轮及汽车驱动装置,该胎压可调的车轮包括轮胎、轮毂,电磁充气阀和电磁放气阀;所述轮胎安装于轮毂的外周侧,所述电磁充气阀设置于所述轮毂的进气道上,电磁放气阀设置于轮胎的放气管上;且电磁充气阀和电磁放气阀连接到整车控制器。
该汽车驱动装置包括该胎压可调的车轮。
在车轮轮胎的胎压高于或者低于标准值时,车轮上连接电磁放气阀或者电磁充气阀会自动完成轮胎的胎压的调节,而胎压在标准范围内时,则驾驶员可通过整车的控制系统对车轮的胎压进行更精确的调节,以满足驾驶需求。
权利要求书1页 说明书6页 附图3页CN 209492343 U 2019.10.15C N 209492343U权 利 要 求 书1/1页CN 209492343 U1.一种胎压可调的车轮,其特征在于,包括:轮胎(410)、轮毂(420),电磁充气阀(430)和电磁放气阀(440);所述轮胎(410)安装于轮毂(420)的外周侧,轮毂(420)设置有轮辐(450)和驱动轴安装部(460),所述轮辐(450)上设置有进气道(480);所述电磁充气阀(430)设置于所述进气道(480)上,轮胎(410)上设置有放气管(411),放气管(411)上设置有电磁放气阀(440);所述电磁充气阀(430)和电磁放气阀(440)连接到整车控制器。
(19)中华人民共和国国家知识产权局(12)实用新型专利(10)授权公告号 (45)授权公告日 (21)申请号 201920554399.6(22)申请日 2019.04.23(73)专利权人 中皓新能源集团有限公司地址 610000 四川省成都市高新区天府四街158号OCG国际中心2栋1单元25楼2501号(72)发明人 朱从伟 江泓霖 (74)专利代理机构 成都环泰知识产权代理事务所(特殊普通合伙) 51242代理人 李斌(51)Int.Cl.B60L 50/64(2019.01)H01M 2/10(2006.01)(54)实用新型名称一种新型新能源汽车电池防护装置(57)摘要本实用新型提供了一种新型新能源汽车电池防护装置,包括防护箱、减震机箱和竖向弹簧,所述减震机箱安装于防护箱内,减震机箱用于包装汽车电池,竖向弹簧设有多个且均衡布置在减震机箱底板与防护箱底板之间,多个竖向弹簧的一端均与减震机箱底板相连,另一端均与防护箱底板相连,减震机箱的前后左右四个侧板与一一对应的防护箱前后左右四个侧板之间均设有横向减震机构,横向减震机构用于缓冲减震机箱所受横向力。
本实用新型的防护装置遭遇汽车颠簸或遭受碰撞时,减震机箱遭受竖向和横向的惯性力,在竖向弹簧和横向减震机构的缓冲作用下,能降低减震机箱遭受的振动,防止减震机箱内的汽车电池发生碰撞,有效的保护汽车电池。
权利要求书1页 说明书3页 附图2页CN 209938342 U 2020.01.14C N 209938342U权 利 要 求 书1/1页CN 209938342 U1.一种新型新能源汽车电池防护装置,其特征在于:包括防护箱(1)、减震机箱(2)和竖向弹簧(3);所述减震机箱(2)安装于防护箱(1)内,减震机箱(2)用于包装汽车电池(5),竖向弹簧(3)设有多个且均衡布置在减震机箱(2)底板与防护箱(1)底板之间,多个竖向弹簧(3)的一端均与减震机箱(2)底板相连,另一端均与防护箱(1)底板相连,减震机箱(2)的前后左右四个侧板与一一对应的防护箱(1)前后左右四个侧板之间均设有横向减震机构(4),横向减震机构(4)用于缓冲减震机箱(2)所受横向力。
(19)中华人民共和国国家知识产权局(12)实用新型专利(10)授权公告号 (45)授权公告日 (21)申请号 201920288508.4(22)申请日 2019.03.07(73)专利权人 石家庄国红科技发展有限公司地址 050000 河北省石家庄市建设北大街315号棉麻仓库小区2-1-302(72)发明人 刘国红 刘青玲 刘少华 刘烨华 (74)专利代理机构 石家庄冀科专利商标事务所有限公司 13108代理人 曹淑敏(51)Int.Cl.B60C 7/20(2006.01)B60C 19/00(2006.01)(54)实用新型名称一种防爆轮胎(57)摘要本实用新型公开了一种防爆轮胎,其包括构成中包括轮胎圈、紧固圈和多个副撑块,所述紧固圈与轮胎圈同轴并密封在轮胎圈内部,在轮胎圈的内侧设有多个凸出的支撑头,多个支撑头绕轮辋均匀分布,每个支撑头的头部安装在轮辋外侧的轮胎槽中,每两个相邻的支撑头之间嵌装一个副撑块。
本实用新型利用设置在轮胎圈内侧的支撑头和副撑块来调节轮胎的力学特性,使轮胎减震效果好、阻力小、发热少,不仅大大提高了车辆的乘驾舒适性,而且不存在扎胎、爆胎隐患,可确保车辆安全行驶,保证车辆乘驾人员的人身安全。
此外,本实用新型还具有运行可靠、维修方便等优点。
权利要求书1页 说明书3页 附图4页CN 209581046 U 2019.11.05C N 209581046U权 利 要 求 书1/1页CN 209581046 U1.一种防爆轮胎,其特征是,构成中包括轮胎圈(1)、紧固圈(2)和多个副撑块(3),所述紧固圈(2)与轮胎圈(1)同轴并密封在轮胎圈(1)内部,在轮胎圈(1)的内侧设有多个凸出的支撑头(6),多个支撑头(6)绕轮辋(4)均匀分布,每个支撑头(6)的头部安装在轮辋(4)外侧的轮胎槽中,每两个相邻的支撑头(6)之间嵌装一个副撑块(3)。
2.根据权利要求1所述的一种防爆轮胎,其特征是,所述副撑块(3)为实心体或空心体或发泡体,也可以是蜂窝或网状或条状体,还可以是螺旋弹簧(8),所述螺旋弹簧(8)的轴线与轮胎圈(1)的径向或切向平行。
(19)中华人民共和国国家知识产权局
(12)实用新型专利
(10)授权公告号 (45)授权公告日 (21)申请号 201920593194.9
(22)申请日 2019.04.22
(73)专利权人 蒂龙科技发展(北京)有限公司
地址 100000 北京市朝阳区姚家园东口甲1
号北京东方基业国际汽车市场E区22
号
(72)发明人 许家菘
(51)Int.Cl.
B60C 17/00(2006.01)
(54)实用新型名称
一种爆胎应急安全装置
(57)摘要
本实用新型涉及汽车轮胎安全装置技术领
域,特别是指一种结构简单,成本低,调节高低的
爆胎应急安全装置。
一种爆胎应急安全装置,包
括支撑带、连接调节头,所述支撑带呈弧形对称
安装在轮辋上,所述支撑带的两端通过所述连接
调节头连接,所述连接调节头还可以调节所述支
撑带直径的大小,所述支撑带的表面上开有多个
均匀分布的通孔,每个所述的通孔上安装有支撑
装置。
本实用新型结构简单,安装方便,最主要的
是在固定中不破原材质性能,另外生产工艺简
单,无需选用多种模具生产,大大降低了厂家生
产成本。
权利要求书1页 说明书3页 附图3页CN 209938235 U 2020.01.14
C N 209938235
U
权 利 要 求 书1/1页CN 209938235 U
1.一种爆胎应急安全装置,其特征在于:包括支撑带、连接调节头,所述支撑带呈弧形对称安装在轮辋上,所述支撑带的两端通过所述连接调节头连接,所述连接调节头还可以调节所述支撑带直径的大小,所述支撑带的表面上开有多个均匀分布的通孔,每个所述的通孔上安装有支撑装置;
所述支撑装置包括螺丝、调节块、垫珠,所述调节块的端面中心位置开有第一通孔,所述螺丝穿过所述通孔和第一通孔与所述垫珠螺纹配合,将所述调节块固定在所述支撑带上,所述第一通孔的圆边外对称开有两个第二通孔,两个所述第二通孔向下延伸至所述垫珠的底部,所述第二通孔内嵌有套管,所述套管内套有垂直的油管,所述油管上方设置有圆形顶板,所述圆形顶板上方设置有顶头,所述顶头向所述套管外延伸,所述圆形顶板下方的套管内壁上固定有一圈底板,所述底板的圆边向中心位置延伸并最终抵靠在所述油管的外壁上,所述圆形顶板与所述底板之间设置有支撑用的弹簧,所述油管的下方设置有出油头,所述出油头向下延伸到所述垫珠的底部。
2.如权利要求1所述的一种爆胎应急安全装置,其特征在于:所述垫珠的底部设置有一条沿直径方向延伸的凹槽。
3.如权利要求2所述的一种爆胎应急安全装置,其特征在于:所述垫珠的底部表面上设置有增大摩擦的花纹。
4.如权利要求1所述的一种爆胎应急安全装置,其特征在于:所述圆形顶板的直径大于所述油管口的直径。
5.如权利要求4所述的一种爆胎应急安全装置,其特征在于:所述圆形顶板将所述油管口密封。
6.如权利要求1所述的一种爆胎应急安全装置,其特征在于:所述调节块为圆台状。
2。