江南嘉捷电气原理图
- 格式:pdf
- 大小:694.17 KB
- 文档页数:28
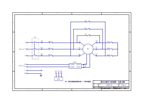
自动扶梯自动扶梯及自动人行道及自动人行道及自动人行道MPS MPS--200B 控制控制系统系统系统安装调试手册安装调试手册安装调试手册(Y -△型)苏州苏州江南嘉捷江南嘉捷江南嘉捷电梯电梯电梯股份股份股份有限公司有限公司MPS MPS--200B 控制系统调试手册控制系统调试手册1. . 说明说明说明 1.1 调试范围:应用范围:自动扶梯和自动人行道 运行方式:Y/△运行速度:0.5m/s、0.63m/s、0.75m/s1.2 调试安全规范:由于有三相380V 电压参与的工作,所以在安全操作上应引起高度警觉和重视;在电源接通之前,必须先认真反思所做的准备工作是否充分。
本控制系统是由单片机组成,必须注意线路板上的连接端子接线正确。
以上几点必须严格执行,如有违反,后果自负。
2. . 调试前的准备工作调试前的准备工作调试前的准备工作 2.1 检查控制柜元器件和接线对照有关图纸,检查控制柜的元器件安装和接线是否正确,是否符合控制柜功能和操作要求。
检查控制柜元器件安装和接线质量是否符合要求,检查外接线路是否正确 检查电源部分是否有短路现象。
2.2 测量电压将控制柜上电源端子上R、S、T、N 电源进线端接入交流三相电源后,测量R-S、R-T、S-T 三相之间的电压是否都在额定电压±7%范围内。
检查相位是否正确。
(JXW 相序监控器亮绿灯为正确),如不正确,任意调换R、S、T 上的两根电源线。
先后合上RD1~RD3、RUN、ZM 断路器开关。
测量各路电源电压是否正确。
(例:动力AC380V,照明AC220V)测量部位 正确电压 备注 RUN 的1和2脚 AC380V 动力电压 101与102 AC220V 301与302 DC24V ZM 的1和2脚AC220V照明电压关闭电源,检查电机与控制柜接线端的接线是否一一对应,是否导通。
外部的接线的插件是否与控制柜里面的插件一一对应,是否正确可靠。
在上述准备工作就绪后,再一次检查控制柜的连线是否正确。
75例经典电气控制接线图、电子元件工作原理图,先收藏!来源:技成培训如有侵权,请联系删除正文如下:1. 可控硅调速电路2. 电磁调速电机控制图3. 三相四线电度表互感器接线【正版】零基础学电工从入门到精通电工书籍自学彩图新编实用电工手册书建筑工程资料库454. 能耗制动5. 顺序起动,逆序停止6. 锅炉水位探测装置7. 电机正反转控制电路8. 电葫芦吊机电路9. 单相漏电开关电路10. 单相电机接线图11. 带点动的正反转起动电路12. 红外防盗报警器13. 双电容单相电机接线图14. 自动循环往复控制线路15. 定子电路串电阻降压启动控制线16. 按启动钮延时运行电路17. 星形 - 三角形启动控制线路18. 单向反接制动的控制线路19. 具有反接制动电阻的可逆运行反接制动的控制线路20. 以时间原则控制的单向能耗制动线路21. 以速度原则控制的单向能耗制动控制线路22. 电动机可逆运行的能耗制动控制线路23. 双速电动机改变极对数的原理24. 双速电动机调速控制线路25. 使用变频器的异步电动机可逆调速系统控制线路26. 正确连接电器的触点27. 线圈的连接28. 继电器开关逻辑函数29. 三相半波整流电路图30. 三相全波整流电路图31.三相全波6脉冲整流原理图32. 六相12脉冲整流原理图33. 负载两端的电压34. 直流调速原理功能图35. 电动机接线一般常用三相交流电动机接线架上都引出6个接线柱,当电动机铭牌上标为Y形接法时,D6、D4、D5相连接,D1~D3接电源;为△形接法时,D6与D1连接,D4与D2连接,D5与D3连接,然后D1~D3接电源。
可参见下图所示连接方法连接。
36. 三相吹风机接线有部分三相吹风机有6个接线端子,接线方法如下图所示。
采用△形接法应接入220V三相交流电源,采用Y形接法应接入380V三相交流电源。
一般3英寸、3.5英寸、4英寸、4.5英寸的型号按此法接。
淼峰 2014年11月21日一、默纳克(江南嘉捷,德奥等)1、江南嘉捷电梯,默纳克3000控制系统,电梯经常报关人,但每次赶到时电梯都在运行,自己乘坐此电梯观察一小时,发现有一下故障现象:1)有时电梯停掉,所选楼层灯灭,但不开门;2)轿内楼层显示有跳层现象,如显示13然后直接变成4,12直接变成15等;3)有时到站开门一点又急关;4)12层故障最多;5)自动登记楼层;6)有时到平层门刚开到位有立刻关门。
综上分析为轿厢CAN通讯信号线随行电缆接触不良导致关人,另发现关门按钮有卡阻。
2、江南嘉捷电梯,默纳克3000控制系统,松下门机控制器,电梯做完保养后,自动返平层不开门,应答外招,运行时每层都停但不开门,后检查发现门机控制器电源开关关掉未打开。
3、江南嘉捷电梯,默纳克3000控制系统,电梯经常报E41故障,每次都在平层,开门,外招显示故障符号,断电复位即可恢复正常,到机房查看安全回路继电器吸合,但主板X4灯不亮,没有对应图纸,只知道此处供电的线号是301,将301与X4短接,电梯立刻恢复正常,断电检查这段线路,发现中间串联了一个线路对地短接保护器,此处触点接触不好导致故障。
4、江南嘉捷电梯,默纳克3000控制系统,电梯关人,赶到时发现电梯在一楼平层开门,自己乘坐电梯运行,到15层时突然停止,不开门,然后一边叫一边返平层,过好几层后才停下(正常返平层应该是就近平层),又自动恢复正常,后又在其他层出现,到机房观察无故障代码,发现故障时主板X1和X3灯始终不亮,后来又报E30故障(电梯位置异常),分析认为是平层感应器回路故障,更换平层感应器后电梯正常。
5、江南嘉捷电梯,默纳克3000控制系统,电梯关人,赶到时发现电梯在1层高出平层约一米的位置,轿门打开,人已逃生,轿门开关正常,自己进入电梯乘坐,发现运行至每层都高出一米(此前已报过两次关人故障,均未发现),到机房发现主板报E22故障(平层信号故障)X1、X3灯不亮,给电梯做井道自学习,失败,报E35故障,分析认为可能是平层感应器回路故障,检查发现是感应器线接触不良。
全顺三菱欧II MT20 ECU针脚和线色针脚 线径 颜色10.5BG黑绿20.5W白60.75BR黑红70.5BrR棕红80.5LB蓝黑90.5BO黑橙 100.5WG白绿 110.5WB白黑 130.5LW蓝白 140.5OB橙黑 150.5L蓝 180.75Y黄 201RB红黑 211B黑 230.5G绿 250.5V紫 260.5OL橙蓝 270.5O橙 280.5VW紫白 290.75BY黑黄 310.5OY橙黄 330.5P 粉红 340.5YB黄黑 350.5LY蓝黄 360.5VY紫黄 370.5LR蓝红 380.5OG橙绿 410.5L蓝 451B黑 461Br棕 470.5GB绿黑 480.5BrY棕黄 490.75YR黄红 501VL紫蓝 550.5VB 紫黑 560.5GL绿蓝 570.75OW橙白 580.75R红 600.75Gy灰 610.75VO紫橙 621VL紫蓝 670.5WV白紫 700.75YV黄紫 710.75BL黑蓝 721B黑全顺三菱欧III MT20U发动机说明为满足国家汽油机欧III 环保法规要求,江铃在全顺三菱发动机(欧II)基础上开发出欧III 三菱汽油机,其涉及变化的主要部件:1.ECU (发动机控制电脑)ECU型号为Delphi MT20U,除电脑程序标定变化外,针脚的设定和原电脑也不一样,见以下电路图。
MT20U ECU端子功能说明:ECU针脚号线色连接部件 信号形式10.75Y(黄) 点火开关 ECU电源输入230.5OG(橙绿)车速传感器脉冲信号输入40.5O(橙)进气压力传感器 5V电源输入#250.5LR(蓝红)节气门位置、暴震、水温传感器接地#160.5VB(紫黑氧传感器 低平电压信号78910110.5GB(绿黑) 诊断接口#7串行数据线120.5L(蓝)曲轴位置传感器高平电压信号 13141516170.75R(红)电瓶 电瓶电压输入 180.75R(红)电瓶 电瓶电压输入 19200.5VY(紫黄)节气门位置传感器 5V电源输入#1 210.5VW(紫白)进气温度传感器 接地#22223240.5OL(橙蓝)节气门位置传感器 模拟信号输入 2526270.5LY(蓝黄)进气温度传感器 模拟信号输入 280.5P(粉红)曲轴位置传感器低平电压信号 29300.5GL(绿蓝)诊断接口#1故障诊断请求信号 310.5BrY(棕黄)仪表发动机故障指示灯320.75VL(紫蓝)1、4缸初级点火线圈330.5OB(橙黑)步进电机B针脚 高平电压340.5L(蓝)步进电机A针脚 低平电压353637380.5GR(绿红)后氧传感器 高平电压信号 390.5WV(白紫)空调A/C开关 空调请求信号 4041420.5V(紫)进气压力传感器 模拟信号输入 430.5YB(黄黑)发动机水温传感器 模拟信号输入 44450.5WB(白黑)发动机转速表 脉冲信号 460.5W(白)空调继电器470.5BO(黑橙)输油泵继电器4849500.5LB(蓝黑)风扇高速继电器51520.75OW(橙白)2、3缸初级点火线圈530.5LW(蓝白)步进电机C针脚 低平电压 540.5BrR(棕红)步进电机D针脚 高平电压 550.75YV(黄紫)1号喷油器560.75VO(紫橙)3号喷油器57585960610.75B(黑)前氧传感器加热器620.5OY(橙黄)前氧传感器 高平电压信号 630.5WG(白绿)碳罐电磁阀640.75LG(蓝绿)后氧传感器加热器6566670.5BG(黑绿)低速风扇继电器68690.5G(绿)暴震传感器 频率信号 70 0.75YR(黄红)2号喷油器710.75Gy(灰)4号喷油器72734B(黑)ECU接地全顺三菱欧III MT20U ECU针脚和线色针脚线经颜色1 0.75Y 黄3 0.5OG 橙绿4 0.5O 橙5 0.5LR 蓝红6 0.5VB 紫黑11 0.5GB 绿黑12 0.5L 蓝17 0.75R 红18 0.75R 红20 0.5VY 紫黄21 0.5VW 紫白24 0.5OL 橙蓝27 0.5LY 蓝黄28 0.5P 粉红30 0.5GL 绿蓝31 0.5BrY 棕黄32 0.75VL 紫蓝32 0.75VL 紫蓝33 0.5OB 橙黑34 0.5L 蓝38 0.5GR 绿红39 0.5WV 白紫42 0.5V 紫43 0.5YB 黄黑45 0.5WB 白黑46 0.5W 白47 0.5BO 黑橙50 0.5LB 蓝黑52 0.75OW 紫蓝52 0.75OW 橙白53 0.5LW 蓝白54 0.5BrR 棕红55 0.75YV 黄紫56 0.75VO 紫橙61 0.75B 黑62 0.5OY 橙黄63 0.5WG 白绿64 0.75LG 蓝绿67 0.5BG 黑绿69 0.5G 绿71 0.75Gy 灰73 4B 黑2.后氧传感器(安装拧紧力矩为40Nm)增加后氧传感器控制三元催化器的正常使用,若三元催化器失效,发动机故障指示灯亮。