水稻氮磷钾利用率试验总结
- 格式:doc
- 大小:163.50 KB
- 文档页数:5
全椒县一季中稻氮磷钾肥利用率试验【导言】近年来,随着我国农业现代化水平的不断提高和农业科技的不断进步,农民种植技术也得到了很大的提升。
在农业生产中,肥料是农民生产的重要因素之一,而如何合理利用肥料,提高其利用率成为了当前农业科研的热点问题之一。
为此,我们在全椒县进行了一季中稻氮磷钾肥利用率试验,以期探索出一套适合中稻生产的高效肥料利用技术,从而提高农作物产量和质量,促进农业的可持续发展。
【试验方法】本次试验选择了全椒县的不同农田作为试验田地,采用了平行设计的试验方法,以便更好地比较和分析不同处理的结果。
具体方法如下:1. 试验地点选择:选择了全椒县不同地块的稻田作为试验地点;2. 试验方案设计:分别设计了对照组和不同处理组,包括单施氮肥、单施磷肥、单施钾肥、氮磷钾同时施肥、配施有机肥等不同处理方案;3. 施肥方法:根据不同处理方案,科学施用氮磷钾肥料,保证每块试验地的养分含量均匀一致;4. 管理措施:在试验期间,对每块试验地进行了相同的管理措施,包括灌溉、除草、病虫害防治等。
【试验结果】通过对全椒县一季中稻氮磷钾肥利用率试验的分析统计,得出了以下结果:1. 在各种处理方案中,氮磷钾同时施肥的处理组中,中稻产量最高,优势明显;2. 单施氮肥和单施磷肥的处理组中,中稻产量明显低于氮磷钾同时施肥的处理组;3. 配施有机肥的处理组中,中稻产量略高于对照组,但相比氮磷钾同时施肥的处理组差距较大;4. 在氮磷钾同时施肥的处理组中,中稻氮磷钾肥料的利用率明显提高,充分利用了有限的养分资源;5. 在各种处理组中,中稻的品质均得到了较大程度的提高,稻米的质量和口感都有所提升。
【试验结论】通过全椒县一季中稻氮磷钾肥利用率试验,我们得出了以下结论:1. 中稻在生长发育的过程中,对氮磷钾三种肥料的需求都非常大,各种养分之间相辅相成,缺一不可;2. 在施肥管理上,氮磷钾三种肥料需要同时施用,以保持中稻生长发育所需的养分平衡;3. 配施有机肥对中稻的生长发育和产量有一定的促进作用,但不宜单独使用;4. 在农业生产中,科学施用氮磷钾肥料可以提高中稻产量和品质,为农民增加经济效益提供了有力支持。
水稻控氮减磷稳钾技术试验总结水稻是我国重要的粮食作物之一,其种植面积广泛,产量稳定。
随着农业化肥的过度使用,水稻种植中逐渐出现了产量下降、品质下降等问题,其中氮、磷、钾元素的合理利用成为了制约水稻产量和品质提高的关键因素。
针对这一问题,我们进行了水稻控氮减磷稳钾技术试验,以期达到高产、优质、高效的目的。
本文对该项技术试验进行总结,并提出下一步的研究方向。
一、试验目的本次试验的目的是通过控氮减磷稳钾技术,达到提高水稻产量、优化品质、减少化肥使用量的目标,从而实现农业可持续发展。
二、试验地点和时间本次试验地点为湖南省湘潭市某水稻种植基地,试验时间为2018年4月至2019年9月。
三、试验方法1. 选择试验田块:选择一块相对平整、土壤肥沃、排水良好的田块作为试验田地。
2. 施肥方案:根据土壤养分含量,制定合理的氮、磷、钾施肥比例,采用常规施肥和控氮减磷稳钾技术对比试验。
3. 田间管理:采用统一的田间管理措施,包括定期除草、及时灌水、防治病虫害等。
4. 数据采集:在整个试验过程中,对水稻生长状况、产量、品质、化肥使用量等数据进行定期采集和记录。
四、试验结果经过一年多的试验,得到了如下结果:1. 产量对比:使用控氮减磷稳钾技术的水稻产量相比常规施肥提高了10%左右,且稳定性更好。
2. 品质对比:使用控氮减磷稳钾技术的水稻米粒更加饱满,米质更硬、口感更佳。
3. 化肥使用量对比:使用控氮减磷稳钾技术的化肥使用量减少了15%左右,节约了成本,减少了土壤污染。
五、分析与讨论在本次试验中,控氮减磷稳钾技术的应用效果明显,取得了较好的成果。
通过适量施氮、减少磷肥使用、稳定钾肥供应,有效提高了水稻的产量和品质,同时降低了农业化肥的使用量,符合农业绿色发展的要求。
解释这种有效性的原因可能包括:控氮减磷稳钾技术能够有效调节土壤养分结构,提高了养分利用效率;减少了化肥残留对环境的污染,保护了生态环境;提高了土壤活性,增强了土壤的保肥保墒能力。
早稻氮磷钾肥料利用率试验初报早稻是我国主要的粮食作物之一,合理施用氮磷钾肥料对于增加产量、提高品质具有重要意义。
为了探究早稻对氮磷钾肥料的利用率,本试验以氮磷钾肥料的施用量为处理,研究了不同氮磷钾肥料处理对早稻生长和产量的影响,并初步评估了氮磷钾肥料的利用率。
本试验选取了新品系早稻“高优5号”作为试验材料,采用随机区组设计,设置了5个氮磷钾肥料处理。
分别为:处理1(对照)不施用氮磷钾肥料;处理2施用氮肥200 kg/hm²、磷肥150 kg/hm²、钾肥150 kg/hm²;处理3施用氮肥150 kg/hm²、磷肥100 kg/hm²、钾肥100 kg/hm²;处理4施用氮肥100 kg/hm²、磷肥50 kg/hm²、钾肥50 kg/hm²;处理5施用氮肥50 kg/hm²、磷肥25 kg/hm²、钾肥25 kg/hm²。
每个处理设置了3个重复试验区。
试验结果显示,在施用适量氮磷钾肥料的情况下,早稻的生长状况良好。
与对照相比,处理2的早稻株高、茎粗、叶色较为优良。
在产量方面,处理2的早稻单位面积产量显著高于其他处理,达到了8915.5 kg/hm²,增产幅度为29.6%。
处理3和处理4的单位面积产量分别为8520.2 kg/hm²和8105.3 kg/hm²,增产幅度分别为25.0%和20.3%。
处理5的单位面积产量为7638.8 kg/hm²,增产幅度为10.9%,但与对照相比差异不显著。
从氮磷钾肥料利用率来看,处理2的氮素利用率为53.2%,磷素利用率为61.1%,钾素利用率为43.8%。
处理3的氮素利用率为43.6%,磷素利用率为56.8%,钾素利用率为39.5%。
处理4的氮素利用率为36.8%,磷素利用率为49.2%,钾素利用率为34.7%。
水稻控氮减磷稳钾技术试验总结水稻是我国重要的粮食作物,而氮磷钾是水稻生长发育过程中不可缺少的营养元素。
过量施用氮磷肥料不仅浪费资源,还会对环境造成污染,影响生态平衡。
控氮减磷稳钾技术的研究应运而生。
本文将对水稻控氮减磷稳钾技术试验进行总结,以期为相关研究提供参考。
一、试验背景水稻是我国主要的粮食作物之一,也是世界上三大主要粮食作物之一。
随着人口的增加和农业生产的发展,对农作物施肥量的需求也越来越大。
而传统的大量施用氮磷肥料不仅造成了资源浪费,还容易造成土壤污染和农田环境的恶化,给生态环境和人类健康造成严重影响。
如何控制氮肥施用、减少磷肥用量、稳定钾肥施用,已成为当前研究的热点问题。
二、试验设计本次试验选择了水稻种植的关键时期进行试验。
主要分为控氮试验、减磷试验和稳钾试验三个部分。
分别对比了控氮、减磷、稳钾处理与常规处理的水稻产量、氮磷钾吸收利用率、土壤养分变化等指标。
三、试验结果与分析1.控氮试验控氮试验主要是通过减少氮肥的施用量,以减少氮肥对环境的污染和浪费。
试验结果表明,在适度减少氮肥的情况下,水稻产量并未受到显著影响,甚至部分指标有所提高,说明合理控氮对水稻生长发育具有积极的促进作用。
2.减磷试验减磷试验主要是通过降低磷肥的施用量,以减少对地下水的污染和提高土壤磷素利用率。
试验结果表明,适度减少磷肥的施用量对水稻产量影响不大,但可以减少磷肥对土壤环境的负面影响,提高了土壤的磷素利用率。
3.稳钾试验稳钾试验主要是通过稳定钾肥的施用量,以提高土壤钾素的利用率和减少钾肥的浪费。
试验结果表明,在稳定钾肥的施用量下,水稻产量有所提高,同时土壤的钾素含量也得到了有效的保持,这说明合理稳定钾肥的施用对水稻生长发育起到了积极的作用。
四、试验结论通过以上试验结果可以得出以下结论:1.合理控制氮肥的施用量对水稻的生长发育具有积极的促进作用,可以降低氮肥对土壤和环境的负面影响;2.适度减少磷肥的施用量对水稻产量影响不大,但可以减少磷肥对土壤环境的负面影响,提高土壤磷素的利用率;3.稳定钾肥的施用量可以提高水稻产量,同时有效保持土壤的钾素含量,对水稻的生长发育起到了积极的作用。
水稻控氮减磷稳钾技术试验总结
在水稻种植中,合理施用氮、磷、钾肥是提高产量和品质的关键。
为了探究水稻控氮减磷稳钾技术对产量和品质的影响,本试验设置了不同处理组,通过对比分析,总结以下几点:
施用不同氮肥量对水稻产量的影响。
实验结果表明,适量的氮肥施用可以显著提高水稻的产量。
高氮肥施用会导致水稻生长过旺,易发生倒伏现象,影响产量和品质。
在施肥时应根据土壤肥力和水稻生长期进行合理的氮肥施用。
减少磷肥施用对水稻产量的影响。
实验结果表明,在一定范围内减少磷肥施用对水稻产量影响不大。
水稻对磷的需求量较少,且土壤中磷素的含量较丰富,合理利用土壤中的磷素可以减少对外源磷肥的依赖。
稳定钾肥施用对水稻最终产量和品质的影响。
实验结果表明,稳定钾肥施用可以增加水稻的产量,并且提高水稻的品质。
钾肥的施用可以促进水稻根系的发育和养分吸收,提高水稻的抗逆性和光合效率,从而提高产量和品质。
综合控氮减磷稳钾技术对水稻的综合影响。
综合控氮减磷稳钾技术可以有效地提高水稻的产量和品质。
通过合理调控氮、磷、钾肥的施用量,可以提高水稻的养分利用效率,减少化肥的过量使用,同时也能够降低对环境的负面影响。
通过综合控氮减磷稳钾技术还可以改善土壤肥力,提高农田的可持续发展能力。
水稻控氮减磷稳钾技术对提高产量和品质具有显著的效果。
在实际种植中,应根据土壤肥力、水稻生长期和气候条件等因素,合理调整、施用氮、磷、钾肥,以达到最优的施肥效果。
还需要加强农民的技术培训和推广,提高他们对水稻施肥技术的认识和掌握,进一步推动水稻生产的健康可持续发展。
第1篇一、实验背景水稻作为我国主要粮食作物之一,其产量和品质直接关系到国家的粮食安全。
为了提高水稻产量,降低生产成本,实现农业可持续发展,本研究选取了不同种类和配比的水稻肥料进行对比实验,旨在探究不同肥料对水稻生长、产量和肥料利用率的影响。
二、实验材料与方法1. 实验材料(1)供试水稻品种:中稻品种“中优9号”。
(2)肥料:尿素(含氮46%)、过磷酸钙(含磷12%)、硫酸钾(含钾60%)、有机肥(鸡粪)、复合肥(含氮、磷、钾各15%)。
2. 实验方法(1)试验地选择:选取肥力均匀、土质良好的水稻田作为试验地。
(2)试验设计:将试验地划分为5个处理区,每个处理区面积为100平方米。
处理区设置如下:处理1:空白区,不施任何肥料。
处理2:传统施肥区,施用尿素、过磷酸钙、硫酸钾按1:1:1的比例混合。
处理3:有机肥区,施用鸡粪作为有机肥。
处理4:复合肥区,施用复合肥。
处理5:有机肥+复合肥区,施用鸡粪和复合肥按1:1的比例混合。
(3)施肥方法:各处理区均在播种前一次性施入底肥,移栽后追肥2次。
(4)田间管理:各处理区进行相同的田间管理,包括灌溉、病虫害防治等。
(5)数据采集:在水稻生长过程中,定期测量各处理区的株高、穗数、穗长、穗粒数等指标,并记录产量。
三、实验结果与分析1. 水稻生长指标从表1可以看出,与传统施肥区相比,有机肥区和有机肥+复合肥区的株高、穗数、穗长、穗粒数等生长指标均有所提高,且有机肥+复合肥区的生长指标最高。
这说明有机肥和复合肥对水稻生长有显著的促进作用。
表1 各处理区水稻生长指标处理区株高(cm)穗数(个/株)穗长(cm)穗粒数(粒/穗)空白区 58.2 13.6 20.1 84.5传统施肥区 63.5 15.2 21.8 89.2有机肥区 64.3 16.1 22.0 91.0复合肥区 65.1 16.5 22.5 92.3有机肥+复合肥区 67.8 17.2 23.5 94.52. 水稻产量从表2可以看出,与传统施肥区相比,有机肥区和有机肥+复合肥区的产量分别提高了9.2%和12.3%。
水稻控氮减磷稳钾技术试验总结
水稻是我国的主要粮食作物之一,但是其栽培过程中会产生大量的氮磷肥料使用,导
致土地退化、水环境污染等问题。
为此,我们开展了水稻控氮减磷稳钾技术试验,并总结
了以下几点结果:
一、控氮技术
1.喷施有机氮肥料
在试验区中,喷施有机氮肥料明显降低了水稻产生氮肥过量的情况。
同时,它也有利
于提高土壤质量和减少排放氮肥产生的污染。
2.间作绿肥
绿肥与水稻互作可以增加植物间关系的紧密性,有利于促进水稻根系生长,提高作物
的养分吸收能力和土壤保水能力。
间作绿肥可有效地控制土壤氮的氧化,减少氮肥浸出损失,缺乏氮肥的土壤可以通过作物内源供氮,不会导致土壤的贫瘠和破坏。
二、减磷技术
喷施磷高效肥料可以减少磷肥的使用量,达到减少磷的目的。
同时,这种肥料也可以
增加土壤的肥力,促进作物的生长和发展。
2.使用深松机械
使用深松机械能够促进土壤通气、保水和保肥能力的提高,从而减少水稻的磷肥使用量。
三、稳钾技术
钾肥的使用可以有效地提高水稻的抗逆性和养分吸收能力,从而实现稳钾的目的。
2.施用钙、镁肥料
钙、镁肥料可以促进作物的生长和发展,同时也有利于提高作物的养分吸收能力和稳
定性。
总结:
水稻控氮减磷稳钾技术是一种可持续发展的农业生产方式,通过改变传统的施肥模式,减少肥料的使用量,不仅能够推动我国农业生产的转型升级,而且还能有效地保护环境和
促进经济发展。
未来,我们将继续推广这种技术,为我国农业生产和环保事业做出更大的贡献。
水稻控氮减磷稳钾技术试验总结
本文主要对水稻控氮减磷稳钾技术试验进行总结。
该试验旨在研究如何有效控制水稻的氮肥和磷肥的使用量,同时保持稳定的钾元素供应,以提高水稻产量和品质,节约化肥成本,减少对环境的影响。
试验在农田里进行,采用随机分组的实验设计,包括对照组和试验组。
对照组使用传统的氮磷钾肥料施肥方法,试验组使用控氮减磷稳钾技术进行施肥。
试验期为一个生长季(约100天),通过对比两组水稻的生长情况、农艺性状和产量等指标的差异,评估新技术的效果。
试验结果显示,试验组采用的控氮减磷稳钾技术在提高水稻产量和品质方面表现出显著优势。
与对照组相比,试验组的水稻生长情况更加健壮,株高更高,叶色更翠绿。
试验组的水稻穗长更长,穗粒数更多,粒重更大,总产量显著增加。
试验组的水稻质量更好,稻谷外观更光亮,口感更好,营养成分更丰富。
试验组采用的控氮减磷稳钾技术还能够有效节约肥料成本。
通过减少氮肥的使用次数和用量,试验组能够实现显著降低的氮肥投入,从而节约成本。
通过合理控制磷肥的施用量,试验组也能够实现磷肥使用量的减少,进一步节约成本。
试验组稳定供应水稻所需的钾元素,有效增加水稻的吸收利用率,降低了钾肥的浪费。
水稻肥料利用率田间试验总结为进一步验证水稻肥料利用率参数完善测土配方施肥技术指标体系,以及为融水县测土配方施肥决策系统提供技术支撑,在融水镇东良村陆村屯实施了水稻肥料利用率小区试验。
1试验材料与方法1.1试验时间与地点2020年4月~8月该试验在融水镇东良村陆村屯的稻田实施,试验田位于东经109度 12 分04.2秒,北纬:25度 00 分57.2秒,海拔111.8m,属于低丘平坝。
1.2试验材料试验田土壤为潴育黄泥田,质地为中壤。
0~20厘米耕层土壤主要养分含量为土壤有机质33.9g/kg,全氮2.17g/kg,有效磷53.0mg/kg,速效钾51mg/kg,缓效钾40mg/kg,pH5.39。
所用杂交水稻品种为莱两优华占。
供试肥料品种分别为折合纯N含量为46%的河池尿素,P2O5含量为15%的福泉钙镁磷肥,K2O含量为60%的加拿大氯化钾。
1.3试验设计与施肥该试验共设五个处理,分别为:处理1(CK):空白对照,不施任何肥料;处理2(N2P2K2):N—P2O5—K2O(公斤/亩)=9.2—3.75—8(公斤/亩),即亩施46%尿素20.0㎏、15%钙镁磷肥 25.0㎏、60%氯化钾13.33㎏;处理3(N0P2K2):N—P2O5—K2O(公斤/亩)=0—37.5—8(公斤/亩),即亩施46%尿素0㎏、15%钙镁磷肥25.0㎏、60%氯化钾13.33㎏;处理4(N2PK2):N—P2O5—K2O(公斤/亩)=9.2—0—8(公斤/亩),即亩施46%尿素20.0㎏、15%钙镁磷肥 0㎏、60%氯化钾13.33㎏;处理5:(N2P2K):N—P2O5—K2O(公斤/亩)=9.2—3.75—0(公斤/亩),即亩施46%尿素20.0㎏、15%钙镁磷肥25.0㎏、60%氯化钾0㎏。
肥料施用:全部磷肥、40%的氮肥、50%的钾肥于整地时施下,40%的氮肥、50%的钾肥于分蘖期施下,10%的氮肥于幼穗分化初期施下,余下的氮肥于齐穗期施下。
水稻控氮减磷稳钾技术试验总结水稻是我国主要粮食作物之一,它的种植对于我国的农业生产和粮食安全具有重要意义。
而水稻的高产高质也离不开科学技术的支撑。
本次试验旨在研究水稻控氮减磷稳钾技术对水稻产量和品质的影响,以期为水稻的生产提供科学依据和技术支持。
试验采用的是田间试验的方法,选择了两个产稻区进行试验,一共设立了四个处理:分别是常规处理(CK)、控氮处理(NK)、减磷处理(PK)和稳钾处理(KK)。
试验的主要内容包括种植管理、生长发育观察、产量测定和品质分析等。
种植管理方面,试验采用了统一的种植密度和施肥方法。
在播种前进行了土壤调查,根据土壤肥力状况和水稻需求量确定了施肥的量和时机。
在生长发育过程中,进行了适时的中耕、除草和病虫害防治等措施。
生长发育观察方面,试验期间进行了定期的观察和记录。
观察水稻的生长状况,包括株高、叶片颜色、茎秆粗细等指标,以评估不同处理对水稻生长发育的影响。
产量测定方面,成熟后进行了水稻产量的测量。
每个处理随机取若干个样本,对水稻的穗粒数、千粒重等指标进行测定,并计算出单位面积的产量。
品质分析方面,采集了成熟品种的水稻样本,进行了米质和蛋白质含量的分析。
通过测定水稻的米粒形态、垩白度、胶稠度等指标,评价了不同处理对水稻的品质影响。
根据试验结果,得出以下几点总结:控氮处理(NK)对水稻的生长发育和产量有一定的影响。
适量减少氮肥的施用量,能够降低水稻的茎秆高度,增加穗粒数和千粒重,提高单位面积的产量。
减磷处理(PK)对水稻的生长发育和产量影响不大。
在试验期间,无论是茎秆高度还是穗粒数和千粒重,与常规处理(CK)相比均没有明显的变化。
不同处理对水稻品质的影响比较小。
无论是米质还是蛋白质含量,各处理之间的差异并不明显,说明控氮减磷稳钾技术对水稻的品质影响较小。
通过本次试验可以得出以下结论:控氮减磷稳钾技术能够对水稻的生长发育和产量产生一定的影响,其中控氮和稳钾处理对水稻的效果比较好,可以适当减少氮肥的施用量,增加钾肥的施用量。
水稻控氮减磷稳钾技术试验总结水稻作为我国主要的粮食作物之一,在农业生产和国家经济中都具有重要地位。
为了提高水稻产量、改善土地质量和减少环境污染,农业专家们一直致力于寻找各种科学技术手段,以实现对水稻的精细化管理,优化施肥技术,提高肥料利用率,保证水稻的高产、高质量、高效益。
而水稻控氮减磷稳钾技术则是近年来新兴的一种优化施肥技术,它是针对水稻不同生长时期的需求和土壤肥力状况,对氮、磷、钾营养在不同时间进行施用,以达到提高产量、保证品质,减少环境污染的目的。
本次试验主要采用了水稻控氮减磷稳钾技术,以增产、提质、减污为目标,通过比较试验区和对照区的水稻产量、品质、营养前后指标等进行系统评估,得出以下验证结论:一、控氮、减磷、稳钾施肥技术在不同氮肥用量下提升水稻产量在施氮量不同的情况下,分别对试验区和对照区进行比较,施肥技术对水稻增产的作用非常显著。
本次试验采取氮肥量分别为 180、150和120kg/hm²的施肥方式。
表明在相同的氮肥用量下,施肥技术均能提高水稻产量,其中使用施肥技术的试验田平均产量高出对照区 7%以上。
此外,对比发现,在氮肥用量相同的情况下,采用施肥技术的试验区产量比对照区高,说明施肥技术不仅能够提高水稻产量,还能够有效地减少氮肥用量。
过去,农民们在生产中一般只关注水稻的产量,而对于其品质并不太重视。
而现在,人们开始逐渐意识到水稻品质的重要性。
本次试验结论表明:使用控氮、减磷、稳钾施肥技术的试验区,水稻的品质明显优于对照区。
其中,控制氮肥用量明显提高了水稻的品质,稀释了生长中的氮肥负面影响,并且稳钾技术可以促进水稻的形态和品质。
三、控氮、减磷、稳钾施肥技术在营养元素浓度调控上有优势通过对试验区和对照区土壤、水稻等样品分析测试, 认为控氮、减磷、稳钾施肥技术能够有效地调节土壤及水稻中的营养元素浓度,提高其利用率。
显然,施氮量对水稻氮素浓度的影响更直接,控制氮肥的用量,对于调控水稻氮素的利用效率有非常重要的作用。
水稻肥料利用率试验报告【摘要】本试验旨在探究水稻肥料利用率的影响因素,通过对不同肥料施用量的实验设计和方法进行比较分析。
实验结果显示,随着施肥量的增加,水稻产量有所增加,但肥料利用率并非呈线性增长。
结果分析表明,适量施肥可以提高水稻产量,但过量施肥会导致肥料浪费与环境污染。
讨论部分探讨了提高水稻肥料利用率的途径和方法,建议在实际生产中控制施肥量,增加施肥效率。
实验结论指出,合理施肥可以提高水稻产量和肥料利用率,为实现绿色农业提供重要参考。
进一步研究可着眼于优化施肥方案和开发高效肥料,以提高水稻生产的可持续性和环境友好性。
【关键词】水稻肥料利用率、试验报告、引言、研究背景、研究目的、实验设计、实验方法、实验结果、结果分析、讨论、结论、实验结论、进一步研究展望1. 引言1.1 研究背景水稻是我国的主要粮食作物之一,其肥料利用率直接影响着水稻的产量和质量。
提高水稻肥料利用率既能够降低农业生产成本,又能够减少对环境的污染,具有重要的经济和环境意义。
在当前全球粮食安全和可持续发展的背景下,研究水稻肥料利用率成为一个备受关注的研究领域。
目前,随着农业技术的不断进步,人们对水稻肥料利用率的研究也越来越深入。
通过探索不同的施肥方式、施肥时间和施肥量等因素,可以有效提高水稻对肥料的吸收利用率。
由于地域和气候的影响,不同地区对水稻肥料利用率的需求可能有所不同,因此需要进行针对性的研究和试验。
本研究旨在通过对水稻肥料利用率的实验研究,探讨不同施肥方式对水稻肥料利用率的影响,为进一步提高水稻产量和质量提供科学依据。
通过系统的实验设计和数据分析,希望能够为我国水稻生产的可持续发展作出一定的贡献。
1.2 研究目的研究目的:本次实验旨在探究不同水稻肥料利用率对水稻生长和产量的影响,为提高水稻肥料利用效率提供科学依据。
具体目的包括:1. 比较不同肥料利用率条件下水稻生长情况的差异,分析肥料的有效利用程度对水稻产量的影响;2. 探讨不同肥料利用率对水稻养分吸收及利用的影响机制,为肥料施用策略优化提供参考;3. 探索肥料利用率与水稻抗逆性的关系,探讨如何通过提高肥料利用率来增强水稻抗逆能力;4. 对水稻肥料利用率的影响因素进行深入分析,为未来进一步研究提供理论支持。
水稻控氮减磷稳钾技术试验总结水稻是我国的主要粮食作物之一,对于水稻的生长发育过程中,氮、磷、钾是必不可少的营养元素。
合理施用这三种营养元素,可以提高水稻产量和品质,同时减少对环境的污染。
为了有效控制氮肥的施用量,减少磷肥的损失,稳定钾肥的供应,以及降低农业生产对环境的影响,我们进行了水稻控氮减磷稳钾技术试验,并在此进行了总结。
一、试验目的控氮减磷稳钾技术试验的目的是通过合理施肥,提高水稻产量和品质,同时降低氮、磷的施用量,减少对环境的污染,为农田环境保护和可持续农业发展做出贡献。
二、试验研究内容1. 不同氮肥施用量对水稻产量和品质的影响;2. 减少磷肥用量对水稻产量和品质的影响;3. 稳定钾肥供应对水稻产量和品质的影响;4. 不同施肥组合下水稻生长过程中的养分吸收情况;5. 试验田地对环境的影响分析。
四、试验结果及分析1. 不同氮肥施用量对水稻产量和品质的影响:试验结果表明,与对照组相比,适度减少氮肥施用量可降低氮素的积累,减少化肥的浪费和环境污染,同时对水稻产量和品质影响不大。
但是过低的氮肥施用量会导致水稻生长不良,产量下降。
合理控制氮肥施用量是十分重要的。
2. 减少磷肥用量对水稻产量和品质的影响:试验结果表明,适度减少磷肥用量对水稻产量和品质无显著影响,但可以减少磷肥的浪费和对环境的污染。
适度减少磷肥用量还可以激励水稻吸收更多的养分,提高养分利用效率。
3. 稳定钾肥供应对水稻产量和品质的影响:试验结果表明,稳定钾肥供应可以提高水稻产量和品质。
稳定的钾肥供应可以促进水稻光合作用和养分吸收,提高水稻的抗逆性和产量。
4. 不同施肥组合对水稻生长过程中的养分吸收情况:试验结果表明,在综合施用氮、磷、钾肥的情况下,水稻对养分的吸收效果最好。
合理施肥可以促进养分的循环利用,降低养分的积累,减少对环境的污染。
5. 试验田地对环境的影响分析:试验结果表明,合理施肥可以降低氮、磷的积累,减少对土壤和水体的污染。
2011年江宁区水稻氮磷钾肥料利用率试验总结江宁区土肥站一、试验目的通过开展水稻氮肥、磷肥、和钾肥的对比试验,摸清江宁区常规施肥水平下水稻氮肥、磷肥、和钾肥的利用率现状,以及推广普及测土配方施肥的背景情况下,考察氮肥、磷肥、钾肥利用率的提高效果。
更好的指导测土配方施肥工作,减少肥料的盲目投入,降本增效。
二、试验处理(一)、处理设置该试验设置8个处理,包括常规施肥、常规施肥无氮、常规施肥无磷、常规施肥无钾,配方施肥、配方施肥无氮、配方施肥无磷、常规施肥无钾。
(二)、小区排列本试验采用大区无重复设计,小区面积30平米,小区排列随机。
分二个大区,一个是常规施肥大区;另一个是配方施肥大区。
各小区间都要包膜覆埂明显分隔,除施肥外,各小区其他田间管理措施相同。
(三)、采集样品1、土壤样品:播种前取混合土样,深度0—20cm。
试验结束后,每个小区取混合土样。
标签明显,化验数据。
2、植株样品:收获小区产量的同时,按省土肥站“试验技术规范”操作,采收保存植株样品。
农户地块试验小区排列见下图。
三、田间观测与分析内容试验安排在江宁区湖熟街道河南行政村笪家桥,农户姓名潘玉福。
试验田水稻品种是早熟晚粳武运粳23号,前茬小麦品种为扬麦15号。
水稻整个生育期常规施肥每亩施纯N23.7kg,P3.5kg,K4.2kg。
配方施肥每亩施纯N19.4kg,P2.4kg,K2.8kg。
试验田土种是河淤土。
机械化收割,分隔试验小区,每个试验小区面积30平方米。
不施有机肥,使用单质肥料,肥料品种为尿素(含氮46%)、氯化钾(含钾56%)、过磷酸钙(含磷12%)称量下田,灌溉上水,钯田钞田栽秧。
播种期5月24日,移栽期为6月25日,水稻全生育期160天,10月底收割。
稻田除草、病虫害综合防治仅5次,比去年少一半。
肥料运筹为基肥60%,追肥40%。
磷肥一次性基施,钾肥基肥和追肥各半。
四、项目完成情况一、试验田土壤基本情况试验田土类为水稻土,亚类是潴育型水稻土,土属是河淤土,土种是河淤土。
水稻控氮减磷稳钾技术试验总结水稻是我国的主要粮食作物之一,而氮、磷、钾是水稻生长发育所必需的三大营养元素。
科学合理施肥是促进水稻高产稳产的关键。
为了提高水稻产量和质量,减少对环境的负面影响,我们进行了水稻控氮减磷稳钾技术试验。
一、试验内容1.施氮试验通过设定不同施氮量进行试验,分别为对照组、低氮组、中氮组和高氮组,比较不同氮素水平对水稻产量和氮素利用效率的影响。
2.减磷试验设置不同磷肥用量进行试验,包括对照组、低磷组、中磷组和高磷组,研究不同磷肥水平对水稻产量和磷素利用效率的影响。
3.稳钾试验采用不同钾肥用量进行试验,包括对照组、低钾组、中钾组和高钾组,分析不同钾肥水平对水稻产量和钾素利用效率的影响。
二、试验结果1.施氮试验结果在相同氮肥用量下,水稻产量随氮肥量的增加而增加,但增加幅度逐渐减小。
低氮组产量显著低于中氮组和高氮组,说明适当增加氮肥用量可以提高水稻产量。
在同一氮肥用量下,氮素利用效率逐渐降低,说明氮肥利用率随着氮素用量的增加而下降。
三、试验总结1.水稻对氮素的需求量较大,适当增加氮肥用量可以提高水稻产量,但过量施氮会导致氮肥利用效率降低,甚至造成环境污染。
合理控制氮肥用量,提高氮肥利用率是关键。
2.水稻对磷素的需求量适中,适当增加磷肥用量可以提高水稻产量,但过量施磷会导致磷肥利用效率降低,甚至对土壤和水体产生负面影响。
合理减少磷肥用量,提高磷肥利用率是关键。
3.水稻对钾素的需求量较大,适当增加钾肥用量可以提高水稻产量,但过量施钾会导致钾肥利用效率降低,造成资源浪费。
合理控制钾肥用量,提高钾肥利用率是关键。
四、技术推广1.深入挖掘和总结农田实践经验,建立科学的水稻施肥模式,合理配置氮、磷、钾肥用量,提高肥料利用率。
2.开展示范推广,邀请农民参观学习,通过实地操作和技术培训,提高农民的施肥管理水平。
3.加强科研力量,继续开展水稻施肥技术的研究,探索出更加科学合理的施肥模式,为水稻高产稳产提供技术支持。
水稻氮磷钾利用率试验报告
Experimental report on the utilization of nitrogen and phosphorus in Rice
时长春①邹忠②章晓峰③
①丁堰镇农业服务中心;②如皋市土壤肥料指导站;③如皋市财政局
SHI Chang-chun①Zou Zhong②Zhang Xiao-feng③
①Dingyan Town Agricultural Service Center;②Rugao soil and Fertilizer
Station Guide;③Rugao City Bureau of Finance 摘要
通过试验研究,摸清配方施肥下水稻氮磷钾肥料利用率,为水稻精准施肥方案制定提供依据。
Abstract
Through the experimental study, to find out the formula fertilization and the use rate of rice nitrogen and phosphorus fertilizer, to provide the basis for the development of rice precision fertilization program.
关键词
水稻;氮磷钾;肥料利用率。
Key word
Rice; nitrogen and phosphorus; fertilizer utilization ratio.
基金项目
获得农业部公益性行业(农业)科研专项(201303109-4)项目资助。
正文
1试验目的
随着测土配方施肥技术在水稻生产中的推广应用,氮磷钾肥料三要素在水稻上的利用率也必将发生新的变化,为摸清氮磷钾在水稻生产中的利用率现状,为下一步制定更加精准的测土配方施肥技术方案提供技术支撑,根据市土肥站的要求,特在丁堰镇开展了水稻氮磷钾利用率试验研究。
2材料与方法
2.1处理设置
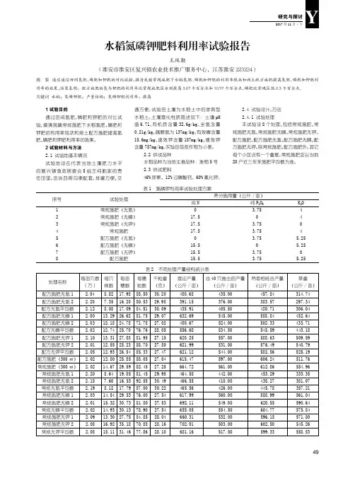
试验设8个处理,包括常规施肥全肥、常规施肥无氮、常规施肥无磷、常规施肥无钾、配方施肥全肥、配方施肥无氮、配方施肥无磷、配方施肥无钾。
常规施肥水平根据当地习惯施肥量选定,配方施肥方案根据市农业部门推荐的测土配
方施肥推荐方案选定,各处理肥料运筹方案见表1。
2.2小区排列
试验采用大区无重复设计,具体方法是在丁堰镇皋南村选择1个代表当地土壤肥力水平的农户地块,先分成常规施肥和配方施肥2个大区(每个大区不少于1亩)。
在2个大区中,除相应设置常规施肥和配方施肥小区外还要划定20~30m2小区设置无氮、无磷和无钾小区(小区间设置30cm分隔田埂,并将田埂用塑料薄膜包裹,两边薄膜埋深20cm,防止窜水窜肥),除施肥量按处理设置进行外,各小区其他田间管理措施相同。
各处理布置见图1。
2.3供试地点基本情况
供试地点选择在丁堰镇皋南村冒志岗农户地块中,土种名称为薄层夹缠土,质地为轻壤土,耕地土壤pH值8.10,有机质16.734g/kg,全氮1.050g/kg,有效磷13.5mg/kg,速效钾84.7mg/kg,前茬作为为小麦,供试水稻品种为武运粳23。
3结果与分析
3.1对水稻茎蘖动态的影响
在试验实施过程中,分别于6月10日、29日,7月4日、9日、19日、24日和30日,8月9日和24日进行了9期茎蘖动态观察,数据列于表2。
将表2数据制作成折线图图2。
从表2、图2可以看出,从6月15日至7月9日,常规施肥区常规施肥区亩茎蘖数增加18.16万,平均日增加0.63万;配方施肥区亩茎蘖数增加13.31万,平均日增加0.46万,比常规施肥区少0.17万,说明配方施肥区较常规施肥区水稻发苗慢。
从7月9日-8月24日来看,配方施肥区亩茎
蘖数下降4.49万,平均每日消亡量为0.101万苗;习惯施肥区亩茎蘖数下降6.98万,平均日消亡量为0.15万苗,比配方施肥区日消亡量子增加0.05万苗。
图1 田间处理小区排列分布图
表2各处理不同时期茎蘖数表单位万/亩
从配方施肥区4个处理(无氮区、无磷区、无钾区、全肥区)6月10日-7月9日的茎蘖平均日增加量分析,配方无磷>配方全肥>配方无氮>配方无钾。
从测土配方施肥区7月9日高峰苗期后-8月24日孕穗期的茎蘖日消亡数据分析,茎蘖动态日降低量相比较,配方全肥>配方无钾>配方无磷>配方无氮。
3.2对水稻产量结构的影响
通过成熟期分小区测产获取各处理区产量结构数据,并通过分收获取各小区实产数据(见表3)。
从产量结构和实产数据分析,在本试验中,氮磷钾三要素因子中,对水稻产量构成因子和实产贡献最大的是氮素,其次是钾素,磷素的影响最小。
表3 各处理产量结构数据表
处理每亩
穗数
每穗
实粒数
千粒重(g)
理论单产
(kg/亩)
实产(kg/
亩)
秸秆
(kg/亩)
常规全肥21.96 113.9 28.4 710.3 675.3 796.0
常规无氮18.56 97.4 29.3 529.7 429.7 505.0
常规无磷22.44 106.4 28.2 673.6 673.6 740.8
常规无钾22.77 96.4 28.0 614.5 654.5 740.8
配方全肥24.36 111.3 28.7 778.3 699.3 790.9
配方无氮18.19 109.0 28.5 583.8 423.8 487.5
配方无磷21.67 105.5 28.3 651.5 685.5 771.5
配方无钾22.87 106.4 28.7 688.6 658.6 776.1
3.3对水稻氮磷钾吸收量的影响
经如皋市土壤肥料指导站对成熟期水稻植株样品的检测分析,获取水稻籽粒、茎叶样品的氮磷钾的含量,并通过籽粒和茎叶中氮磷钾含量计算出各个处理
的每100公斤籽粒氮磷钾的吸收量(见表4)。
3.4对水稻氮磷钾利用率的影响
通过各个处理每生产100公斤稻谷氮磷钾的吸收量计算出常规全肥区和配方全肥区氮肥、磷肥、钾肥的利用率。
在本试验中,配方全肥区氮肥、磷肥、钾肥的利用率分别是41.06%、23.31%、41.78%,常规全肥区的氮肥、磷肥、钾肥的利用率分别是36.94%、23.31%、38.28%。
对比分析表明,在本试验中测土配方施肥全肥区磷素利用率与常规施肥全肥区差异不大,但氮、钾利用率有显著的提高,分别提高4.12、3.50个百分点。
4试验小结
在如皋市中等偏上肥力水平的薄层夹缠土类型的耕地上,开展测土配方施肥技术的推广应用对水稻产量的提高有较好的作用,除表现在产量提高作用以外,还有节约减少肥料投入、减少肥料成本、提高肥料利用率的作用。
在本试验中,测土配方施肥全肥区氮、磷、钾素利用率分别达到41.06%、23.31%、41.78%,除磷肥利用率差异不大外,氮、钾利用率均有显著的提高,分别较常规施肥全肥区提高4.12、3.50个百分点。