水闸课程设计
- 格式:doc
- 大小:1.95 MB
- 文档页数:32
高良涧越水闸课程设计一、课程目标知识目标:1. 学生能够理解高良涧越水闸的地理位置、结构特点及其在水利工程中的作用;2. 学生能够掌握水闸工作原理及影响水闸调节水流的因素;3. 学生能够了解我国水利发展历程及水利工程的现状。
技能目标:1. 学生通过实地考察、资料搜集等方法,提高对水利工程知识的探究能力;2. 学生能够运用所学知识,分析水闸在实际工程中的应用,提高问题解决能力;3. 学生通过小组合作,提高沟通与协作能力。
情感态度价值观目标:1. 学生培养对水利工程的兴趣,增强对自然科学和社会科学的热爱;2. 学生树立环保意识,关注水资源利用与保护,培养可持续发展观念;3. 学生通过学习,增强民族自豪感,认识到水利工程在我国社会发展中的重要作用。
二、教学内容本课程以《水利工程》教材为基础,结合高良涧越水闸为实例,组织以下教学内容:1. 水利工程概述:介绍水利工程的定义、分类及其在我国的发展历程;- 教材章节:第一章 水利工程概述2. 水闸结构及工作原理:详细讲解水闸的结构、工作原理及其在水利工程中的应用;- 教材章节:第三章 水工建筑物;第四节 水闸与溢洪道3. 水闸工程案例——高良涧越水闸:分析高良涧越水闸的地理位置、结构特点、工程规模及运行情况;- 教材章节:第五章 水利工程案例4. 水资源调节与保护:探讨水闸在水资源调节、防洪、灌溉等方面的作用,以及水资源保护的重要性;- 教材章节:第二章 水资源利用与保护5. 实地考察与探究:组织学生实地考察高良涧越水闸,结合所学知识进行探究性学习。
教学内容安排和进度:共5课时,具体安排如下:1. 第1课时:水利工程概述(1课时)2. 第2课时:水闸结构及工作原理(1课时)3. 第3课时:水闸工程案例——高良涧越水闸(1课时)4. 第4课时:水资源调节与保护(1课时)5. 第5课时:实地考察与探究(1课时)三、教学方法本课程将采用以下多样化的教学方法,以激发学生的学习兴趣和主动性,提高教学效果:1. 讲授法:教师以教材为基础,系统讲解水利工程的基本概念、水闸的结构及工作原理等理论知识,为学生奠定扎实的理论基础。
四川水利职业技术学院课程设计说明书目录:第一章总论 (4)第一节概述 (4)一、题目:拦河闸及进水闸枢纽 (4)二、内容: (4)三、任务: (4)第二节、基本资料 (4)一、气象资料 (4)二、地形、地质资料 (5)三、相关技术指标及参数 (5)第三节、综合说明书 (6)一、闸孔形式:开敞式 (6)二、闸底板型式:宽顶堰 (6)三、水闸 (6)四、水闸组成 (6)第二章水力计算及闸室布置 (6)第一节闸室的结构型式及孔口寸确定 (6)一、确定河道上下游相关水位 (6)1、河道水位流量关系曲线 (6)2、进水闸后水位及水深 (8)3、闸前正常水位 (9)二、初步进行拦河闸的总体布置 (9)1、初步拟定闸室总宽度 (9)2、初步拟定闸孔净宽、底板高程、底板长度、底板厚度及闸墩厚度 (9)3、进行拦河闸水力计算 (10)第二节闸室布置 (12)一、确定闸室总宽度 (12)二、确定闸墩顶部高程 (12)三、工作桥顶部高程 (13)四、交通桥,检修桥高程 (13)五、闸门和启闭机 (14)六、闸室的分缝和止水设备 (14)第三节消能防冲设计 (15)一、消力池设计 (15)二、海漫设计 (18)三、防冲槽设计 (18)四、上下游护坡 (19)第三章水闸防渗及排水设计 (19)第一节闸底轮廓布置 (19)一、闸底轮廓布置 (20)二、闸基防渗长度计算 (20)第二节防渗和排水设计及渗透压力计算 (21)一、防渗和排水设计 (21)二、闸基渗透压力计算 (21)第三节防渗排水设施和细部构造 (22)一、防渗排水设施 (22)二、细部构造 (23)第四章闸室稳定计算 (23)第一节荷载及其组合 (23)一、荷载计算 (23)1、自重 (23)2、水重 (24)3、静水压力 (24)4、扬压力 (24)5、浪压力 (25)第二节地基应力验算 (25)第三节闸室稳定验算 (26)第五章道及沉砂池设计 (26)第六章上下游连接建筑物 (27)第一章总论第一节概述一、题目:拦河闸及进水闸枢纽二、内容:1、拟定拦河闸的闸室结构型式、孔口型式、孔口尺寸、孔数。
水闸课程设计 第一章总述 第一节概述 本工程是西通河灌区第一级抽水站的拦河闸,其主要任务是拦蓄西通河的河 水,抬高水位满足抽水灌溉的需要;洪水期能够宣泄洪水,保证两岸农田不被洪 水淹没。
第二节基本资料 (一)闸的设计标准 根据《水闸设计规范・》SD133-84(以下简称SD133-84),该闸按IV级建筑物 设计。 (二)水位流量资料 运用情况 上游水位(米) 下游流量(m'/s)
正常蓄水 0
设计洪水 校核洪水
下游水位流量关系见表 H 下(m)
Q (m3/S)
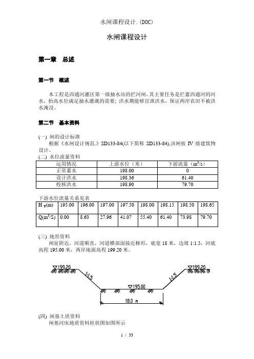
(三)地形资料 闸址附近,河道顺直,河道横部面接近梯形,底宽18米,边坡1:,河底高 程米,两岸地面高程米。
(四)闸基土质资料 闸基河床地质资料柱状图如图所示 xzi95.nr) 层序 高程(M) 土质扌既况 I 细砂 11 — 组砂 111 粘土 闸址附近缺乏粘性土料,但有足够数量的混凝土骨料和砂料。闸基细砂及墙后回 填砂料土工试验资料如下表; 天然容重 饱和容重 内摩擦角 凝聚力 不均匀系数 相对密实度
细砂 22 0 12
砂土料 32 0 15
细砂允许承载力为150KN/m2'其与混凝土底板之间的摩擦系数仁。 (五) 其他资料 1. 闸上交通为单车道,按汽TO设计,带-50校核。桥面净宽m,总宽为11】。 2. 闸门采用平面钢闸门,有3米,4米,5米三种规格闸门。 3. 该地区地震设计烈度为4度。 4. 闸址附近河道有干砌石护坡。 5. 多年平均最大风速12米/秒,吹程公里。
第三节工程综合说明书 本工程为IV级拦河闸。设计采用开敞式水闸。 水闸由上游连接段、闸室段、下游连接段三部分组成。 闸室段位于上、下游连接段之间。是水闸工程的主体。其作用是控制水位、 调节流量。包括闸门、闸墩、边墩、底板、工作桥、检修便桥、交通桥、启闭机 等。 上游连接段的作用是将上游来水平顺地引进闸室。包括两岸的翼墙、护坡、 铺盖、护底和防冲槽。 下游连接段的作用是引导过闸水流均匀扩散。通过消能防冲设施。以保证闸 后水流不发生有害的冲刷。包括消力池、海漫、防冲槽以及两岸的翼墙和护坡。 第二章水力计算 第一节 闸宣的结构型式及孔口尺寸确定 (一) 闸孔型式的选择 该闸建在天然河道上,河道横部面接近梯形,因此采用开敞式闸室结构。该 闸建在天然河道上,为了满足泄洪、冲沙、排污的要求,宜采用结构简单,施工 方便,自由出流范围较大的无坎宽顶堰,考虑到闸基持力层是粘细砂,土质一般, 承载能力不好,并参考该地区已建工程的经验,根据一般情况下,拦河闸的底板 顶面可与河底齐平。即闸底板顶面(即堰顶)与西通河河底齐平,所以高程为mo
水闸课程设计任务书一、课程设计目的课程设计是学生把所学的理论和生产实践相结合的重要环节,其目的是:1.培养综合应用所学理论知识解决实际工程问题的能力,初步掌握水利工程设计的方法和步骤;2.加深对所学理论知识的理解。
3.训练提高编写设计报告及绘图的技能。
4.提高独立解决工程实际问题的能力。
二、设计任务根据所给地形、地质、水文和其他资料及相应的部分成果,进行开敞式水闸设计。
具体任务如下:1.选择闸孔型式。
2.通过水力计算,确定水闸闸孔尺寸、孔数及消能防冲形式和尺寸。
3.按防渗要求布置闸基地下轮廓线,拟定防渗设施的形式、尺寸和构造。
用改进阻力系数法计算渗透压力。
4.根据规范及相关设计手册,拟定底板、闸墩、边墩、闸门、启闭机、工作桥、交通桥的形式和尺寸。
5.进行闸室稳定计算及地基应力验算。
6.拟定上下游翼墙及护坡的形式、构造及尺寸。
三、设计成果及要求设计成果包括设计图、设计说明书,其要求如下:1.设计说明书:内容应包括本建筑物的设计原始资料、设计原理、各部分结构尺寸确定的依据及详细的计算过程,应列出计算公式和计算简图,计算结果尽可能以表格的形式表达。
设计说明书提交电子版及手写纸质版。
2.设计图:提交水闸总平面布置图、纵剖面图、闸室横剖面图、上下游连接段横剖面图,图纸图幅按A3图绘制,提交CAD图。
要求按规范制图,比例适当、尺寸齐全、图面饱满。
四、设计时间安排课程设计完成时间为:11月26日—12月20日。
五、设计说明书编写提纲1.总论1.1概述1.2基本资料2.水闸的水力设计2.1水闸的闸孔设计(闸室的结构型式及孔口尺寸确定)2.2水闸的的消能防冲设计3.水闸的防渗排水设计3.1地下轮廓设计(闸室的结构型式及孔口尺寸确定)3.2防渗排水设计及渗透压力计算3.3防渗排水设施及西部构造4.闸室布置4.1闸底板和闸墩4.2工作桥、交通桥4.3闸门和启闭机5闸室稳定计算5.1荷载及其组合5.2闸室稳定计算5.3地基应力验算6上下游连接建筑物6.1上游连接建筑物6.2下游连接建筑物水闸设计基本资料一.工程概况及任务本水闸为一在河道上修建的拦河闸。
水闸课程设计第一章总述第一节概述本工程是西通河灌区第一级抽水站的拦河闸,其主要任务是拦蓄西通河的河水,抬高水位满足抽水灌溉的需要; 洪水期能够宣泄洪水,保证两岸农田不被洪水淹没。
第二节基本资料(一) 闸的设计标准根据《水闸设计规范.》SD133-84(以下简称SD133-84),该闸按IV级建筑物设计。
(三) 地形资料闸址附近,河道顺直,河道横部面接近梯形,底宽18米,边坡1:1.5,河底高程195.00米,两岸地面高程199.20米。
(四) 闸基土质资料闸基河床地质资料柱状图如图所示(五) 其他资料1.闸上交通为单车道,按汽-10设计,带-50校核。
桥面净宽4.0m,总宽为4.4m。
2.闸门采用平面钢闸门,有3米,4米,5米三种规格闸门。
3.该地区地震设计烈度为4度。
4.闸址附近河道有干砌石护坡。
5.多年平均最大风速12米/秒,吹程0.15公里。
第三节工程综合说明书本工程为Ⅳ级拦河闸。
设计采用开敞式水闸。
水闸由上游连接段、闸室段、下游连接段三部分组成。
闸室段位于上、下游连接段之间。
是水闸工程的主体。
其作用是控制水位、调节流量。
包括闸门、闸墩、边墩、底板、工作桥、检修便桥、交通桥、启闭机等。
上游连接段的作用是将上游来水平顺地引进闸室。
包括两岸的翼墙、护坡、铺盖、护底和防冲槽。
下游连接段的作用是引导过闸水流均匀扩散。
通过消能防冲设施。
以保证闸后水流不发生有害的冲刷。
包括消力池、海漫、防冲槽以及两岸的翼墙和护坡。
第二章 水力计算第一节 闸室的结构型式及孔口尺寸确定﹙一﹚闸孔型式的选择该闸建在天然河道上,河道横部面接近梯形,因此采用开敞式闸室结构。
该闸建在天然河道上,为了满足泄洪、冲沙、排污的要求,宜采用结构简单,施工方便,自由出流范围较大的无坎宽顶堰,考虑到闸基持力层是粘细砂,土质一般,承载能力不好,并参考该地区已建工程的经验,根据一般情况下,拦河闸的底板顶面可与河底齐平。
即闸底板顶面(即堰顶)与西通河河底齐平,所以高程为195.00 m 。
水利水电水闸课程设计一、课程目标知识目标:1. 让学生理解水利水电水闸的基本原理和结构组成,掌握水闸的运行机制及其在水利工程中的作用。
2. 使学生掌握水利水电水闸设计的基本步骤和主要参数,能够运用相关公式进行简单计算。
3. 帮助学生了解水利水电水闸工程的管理与维护知识,提高对水利工程安全性的认识。
技能目标:1. 培养学生运用CAD软件绘制水利水电水闸平面布置图和剖面图的能力。
2. 培养学生根据实际工程需求,合理选择水闸类型和设计参数的能力。
3. 提高学生通过小组合作,进行水利水电水闸设计方案的讨论、比较和优化的能力。
情感态度价值观目标:1. 激发学生对水利水电工程建设的兴趣,培养其投身水利工程建设的职业情感。
2. 培养学生严谨的科学态度,注重实际操作,强调理论与实践相结合。
3. 增强学生的环保意识,使其在设计过程中充分考虑生态环境保护,体现绿色可持续发展理念。
课程性质:本课程为实践性较强的学科课程,结合理论教学和实际操作,培养学生具备水利水电水闸设计的基本能力。
学生特点:学生为高中年级学生,具备一定的物理、数学基础,对水利工程有初步了解,具备一定的自学和动手能力。
教学要求:结合学生特点,注重理论联系实际,采用案例教学、小组合作等方法,提高学生的实际操作能力和解决问题的能力。
通过课程学习,使学生达到上述课程目标,为后续相关课程学习和未来职业发展奠定基础。
二、教学内容1. 水利水电水闸基本原理:讲解水闸的工作原理、结构类型及功能,结合教材第一章内容,让学生掌握水闸工程的基本概念。
2. 水闸设计步骤与参数:分析水闸设计的主要步骤,包括初步设计、详细设计和施工图设计,学习教材第二章关于水闸设计参数的确定方法。
3. 水闸工程管理与维护:介绍水闸工程的管理制度、维护方法及安全监测,结合教材第三章内容,提高学生对水利工程安全管理的认识。
4. 水利水电水闸平面布置图和剖面图绘制:教授CAD软件的基本操作,指导学生绘制水闸平面布置图和剖面图,参考教材第四章内容。
水闸设计说明书SLUICE DESIGN SPECIFICATION设计题目:水闸工程学院名称:专业名称:水利水电工程班级名称:姓名:学号:指导教师:教师职称:年月日目录一、设计任务 ------------------------------------------------------ 1二、设计基本资料 ------------------------------------------------ 12.1概述---------------------------------------------------------- 12.1.1 防洪 ------------------------------------------------------------------ 22.1.2 灌溉 ------------------------------------------------------------------ 22.1.3 引水冲淤-------------------------------------------------------------- 2 2.2规划数据----------------------------------------------------- 22.2.1 孔口设计水位、流量 -------------------------------------------------- 32.2.2 闸室稳定计算水位组合------------------------------------------------ 32.2.3 消能防冲设计水位组合------------------------------------------------ 3 2.3地质资料----------------------------------------------------- 42.3.2 闸基土工试验资料 ---------------------------------------------------- 4 2.4闸的设计标准 ------------------------------------------------ 42.5其它有关资料------------------------------------------------- 42.5.1 闸上交通-------------------------------------------------------------- 42.5.2 三材 ------------------------------------------------------------------ 52.5.3 地震资料-------------------------------------------------------------- 52.5.4 风速资料-------------------------------------------------------------- 5三、枢纽布置----------------------------------------------------- 53.1防沙设施-------------------------------------------------------------------------------- 6 3.2引水渠的布置 -------------------------------------------------------------------------- 6 3.3进水闸布置 ----------------------------------------------------------------------------- 63.3.1 闸室段布置 ----------------------------------------------------------- 63.3.2 上游连接段布置------------------------------------------------------- 73.3.3 下游连接段布置------------------------------------------------------- 7四、水力计算 ------------------------------------------------------ 84.1闸孔设计----------------------------------------------------------------- 84.1.1 闸室结构形式 --------------------------------------------------------- 84.1.2 堰型选择及堰顶高程的确定 ------------------------------------------- 84.1.3 孔口尺寸的确定------------------------------------------------------- 84.2消能防冲设计----------------------------------------------------------- 84.2.1 消力池的设计 --------------------------------------------------------- 84.2.2 海漫的设计-------------------------------------------------------- 134.2.3 防冲槽的设计 ------------------------------------------------------- 13五、防渗排水设计------------------------------------------------ 145.1地下轮廓设计---------------------------------------------------------- 145.1.1 底板 ---------------------------------------------------------------- 145.1.2 铺盖 ---------------------------------------------------------------- 145.1.3侧向防渗 ------------------------------------------------------------ 155.1.4 排水、止水 --------------------------------------------------------- 155.1.5 防渗长度验算 ------------------------------------------------------- 155.2渗流计算 -------------------------------------------------------------- 165.2.1 地下轮廓线的简化 -------------------------------------------------- 165.2.2 确定地基的有效深度 ------------------------------------------------ 165.2.3 渗流区域的分段和阻力系数的计算 ---------------------------------- 165.2.4 渗透压力计算:----------------------------------------------------- 145.2.5 抗渗稳定验算 ------------------------------------------------------- 20六、闸室布置和稳定计算 ---------------------------------------- 176.1闸室结构布置---------------------------------------------------------- 206.1.1 底板 ---------------------------------------------------------------- 216.1.2 闸墩 ---------------------------------------------------------------- 216.1.3 胸墙 ---------------------------------------------------------------- 176.1.4 工作桥------------------------------------------------------------- 176.1.5 检修便桥------------------------------------------------------------ 186.1.6 交通桥 -------------------------------------------------------------- 186.2闸室稳定计算---------------------------------------------------------- 196.2.1 荷载计算------------------------------------------------------------ 196.2.2 稳定计算------------------------------------------------------------ 32七、闸室结构设计 ----------------------------------------------- 277.1闸墩设计 -------------------------------------------------------------- 277.2底板结构计算 --------------------------------------------------------- 287.2.1 闸基的地基反力计算 ------------------------------------------------ 287.2.2 不平衡剪力及剪力分配---------------------------------------------- 397.2.3板条上荷载的计算 --------------------------------------------------- 417.2.4 弯矩计算------------------------------------------------------------ 437.2.5配筋计算 ------------------------------------------------------------ 367.2.6裂缝校核 ------------------------------------------------------------ 37八、两岸连接建筑物 ------------------------------------------------------------------------ 37九、水闸细部构造设计-------------------------------------------- 38十、基础处理 ----------------------------------------------------- 38 十一、总结 ------------------------------------------------------- 38 参考文献---------------------------------------------------------- 40水闸课程设计计算说明书1、设计任务兴化闸为无坝引水进水闸,该枢纽主要由引水渠、防沙设施和进水闸组成,本次设计主要任务是确定兴化闸的型式、尺寸及枢纽布置方案;并进行水力计算、防渗排水设计、闸室布置和稳定计算、闸室底板结构设计等,绘出枢纽平面布置图及上下游立视图。
目录水闸课程设计任务书...................................................................................... - 2 - 一.工程任务.......................................................................................... - 2 - 二.基本资料.......................................................................................... - 2 - 三.设计内容.......................................................................................... - 3 - 四.设计成果.......................................................................................... - 3 - 五.时间安排.......................................................................................... - 3 - 水闸课程设计计算书...................................................................................... - 4 - 第一章闸室布置.................................................................................. - 4 - 一.闸型选择及水闸级别...................................................................... - 4 - 二.闸室基本尺寸的确定...................................................................... - 4 - 三.泄流能力校核.................................................................................. - 7 - 第二章消能与防冲设计...................................................................... - 8 -一.消能计算的控制情况......................................................................... - 8 -二.消力池长度的计算........................................................................... - 10 -三.护坦构造........................................................................................... - 11 -四.海漫的长度和型式........................................................................... - 11 -五.防冲槽设计.................................................................................... - 12 - 第三章防渗设计................................................................................ - 12 - 一.选择地下轮廓线............................................................................ - 12 -二.渗透压力计算................................................................................... - 13 -第四章闸室抗滑稳定计算................................................................ - 13 - 一,荷载计算........................................................................................ - 13 - 二.抗滑稳定计算................................................................................ - 14 - 三.基地压力计算................................................................................ - 14 - 第五章闸室结构计算........................................................................ - 15 - 一.计算情况........................................................................................ - 15 - 二.计算方法........................................................................................ - 15 -水闸课程设计任务书一.工程任务本枢纽位于某河下游,主要任务是雍高河道水位,以满足河道两岸引水灌溉要求,并适当照顾到工业给水、陆路交通等。
某水闸工作桥课程设计一、课程目标知识目标:1. 学生能理解水闸工作桥的基本构成、功能及在水利工程中的作用。
2. 学生能掌握水闸工作桥的运作原理,包括闸门的开启、关闭及其调节水流的作用。
3. 学生能了解水闸工作桥设计与建设的工程要求和安全性考虑。
技能目标:1. 学生能够分析水闸工作桥对周边环境及生态的影响,并能够提出改善建议。
2. 学生通过小组合作,设计一个简化的水闸工作桥模型,展示其功能和工作原理。
3. 学生能够运用所学知识,解释实际水闸工程案例中工作桥的应用。
情感态度价值观目标:1. 培养学生对水利工程建设的兴趣,激发他们探索水利科学奥秘的热情。
2. 增强学生的环境保护意识,认识到水利工程在促进经济社会发展和生态保护中的重要性。
3. 通过团队协作,培养学生的沟通能力和合作精神,增强集体荣誉感和责任感。
课程性质分析:本课程属于初中年级的自然科学领域,结合物理和地理学科知识,以实践性和探究性为特点。
学生特点分析:初中年级的学生具备一定的逻辑思维能力和动手操作能力,对水利工程有好奇心,但需要通过具体的案例和实践活动来深化理解。
教学要求:教学内容需与教材紧密结合,注重实践与理论相结合,引导学生主动探索,注重培养学生的实际应用能力和综合素养。
通过具体的学习成果评估,确保教学目标的实现。
二、教学内容1. 水利工程概述:介绍水利工程的概念、分类及其在我国的发展与应用。
- 教材章节:第一章 水利工程基础知识2. 水闸工作桥的结构与功能:详细讲解水闸工作桥的构造、各部分作用及其在水利工程中的应用。
- 教材章节:第二章 水利工程设计3. 水闸工作桥的运作原理:探讨水闸工作桥如何调节水位、流量,以及闸门开启、关闭的原理。
- 教材章节:第三章 水利工程施工技术4. 水闸工作桥设计与建设要求:分析水闸工作桥在设计、建设过程中应考虑的工程要求和安全性因素。
- 教材章节:第四章 水利工程管理与维护5. 环境影响与生态保护:探讨水闸工作桥建设对周边环境及生态的影响,以及如何进行生态保护。
水工建筑物课程设计进水闸设计-CAL-FENGHAI-(2020YEAR-YICAI)_JINGBIAN工程任务某河道的右岸有一灌溉取水口,引水角为40°,为灌溉取水时雍高河道水位,取水口下游设一节制闸;为灵活控制引水干渠中的流量,取水口进口设一进水闸。
工程概况及设计资料1、取水口处河底高程,引水干渠渠底高程根据渠道定线的要求,定为,干渠为土渠,底宽,边坡1:,根据规划资料,进水闸的设计流量为72m3/s,通过设计流量时的干渠水位为,河道水位为,此时河道中水流的断面平均流速为 m/s。
2、河道洪水期仍需灌溉,开闸引水时的河道最高水位为设计洪水位。
超过这个水位,即关闸挡水,最大引水流量为s,干渠相应水位为。
3、河道的校核洪水位为。
4.闸基土质在高程~之间为砂壤土,渗透系数,内摩擦角,凝聚力,以下为粘壤土,渗透系数。
5、闸址附近多年平均最大风速为20m/s,吹程为1Km。
6、闸顶交通桥路面净宽米。
7、工作闸门可用钢闸门,检修门可选用叠梁门。
启闭机用螺杆或卷扬机式固定启闭机。
三、设计内容、步骤、计算过程(一)枢纽和建筑物等级确定根据规划资料,该进水闸运行工作分为枯水期和洪水期,而枯水期的进水闸设计流量为72m3/s大于洪水期的最大引水流量s,应按枯水期来确定枢纽及建筑物等级,根据《水闸设计规范》SL265—2001,故该枢纽为Ⅳ等枢纽,其主要建筑物为4级建筑物。
(二)闸孔设计(1)堰型选择因为宽顶堰构造简单,施工方便,适用于广大灌区内建筑物众多,技术力量分散的情况。
所以水闸底板(堰型)采用宽顶堰形式。
由于闸上游水位达到设计洪水位时要求挡水,所以采用胸墙孔口。
(2)堰顶高程确定根据《水闸设计规范》SL265—2001,河底高程为,渠底高程为,Δh=,确定堰顶高成为。
(3)闸孔净宽计算①计算行进水头;已知渠底宽B0=,=②宽顶堰流量系数m;假设堰顶头部为直角形,,cotθ=0,查表m=;④求淹没系数>,属于淹没出流,查《水闸设计规范》SL265—2001,=⑤计算孔口总净宽,假设ξ=;。