节能产品惠民工程高效节能容积式空气压缩机推广实施细则
- 格式:pdf
- 大小:259.11 KB
- 文档页数:17
附件:节能产品惠民工程高效节能单元式空气调节机和冷水机组推广实施细则一、推广产品范围及条件(一)推广产品为采用电机驱动压缩机的单元式空气调节机、风管送风式空调(热泵)机组和屋顶式空调机组(以下简称单元机)和冷水机组。
(二)申请高效节能单元机推广的产品必须满足以下要求:1.依据国家标准GB 19576-2004《单元式空气调节机能效限定值及能源效率等级》,产品能效达到2级及以上;2.额定制冷量小于等于7100瓦的定速风管送风式空调(热泵)机组,参照国家标准GB 19576-2004《单元式空气调节机能效限定值及能源效率等级》的能效测试方法和能效等级判定方法,产品能源效率须达到表1 中的要求;表1 能源效率等级指标能效等级(EER)(瓦/瓦)1级2级EER≥2.90 2.90>EER≥2.70 转速可控型空调(热泵)机组,参照国家标准GB 21455-2008《转速可控型房间空气调节器能效限定值及能源效率等级》的制冷量范围、能效测试方法和能效等级判定方法,产品能效达到2级及以上。
4.名义制冷量不大于100kW的冷水机组,依据国家标准GB 19577-2004《冷水机组能效限定值及能源效率等级》,产品能效达到2级及以上。
5.通过能效标识备案(不包括额定制冷量小于等于7100瓦的定速风管送风式空调(热泵)机组和转速可控型空调(热泵)机组);6.通过节能产品认证(不包括额定制冷量小于等于7100瓦的定速风管送风式空调(热泵)机组和转速可控型空调(热泵)机组);7. 通过国家认可的第三方机构能效检测;8.通过强制性产品认证(CCC)或取得生产许可证;9.在近三年内国家产品质量监督抽查和国家能效标识市场专项调查中,该品牌单元机和冷水机组产品无不合格。
二、推广企业条件(一)申请高效节能单元机和冷水机组推广的生产企业必须满足以下要求:1.为中国大陆境内注册的独立法人;2.年推广高效节能单元机数量不少于3万台(套),或额定制冷量大于14000瓦的高效节能单元机累计制冷量不少于3万千瓦;年推广高效节能冷水机组数量不少于1000台(套),或高效节能冷水机组累计制冷量不少于2万千瓦;3.拥有所申请推广产品的自主品牌或品牌合法使用权,同一品牌只能由一家生产企业申请推广;4.具有完善的销售网络和产品销售、安装及用户信息管理系统;5.拥有完善的质量管理体系和环境管理体系;(二)纳入推广企业销售网络的流通企业和销售网点必须满足以下要求:1.为中国大陆境内注册的独立法人;2.具有完善的财务管理制度,会计核算规范;3.具有向消费者及时兑付补助资金的能力;4.能够有效收集、管理推广产品销售信息。
论节能产品惠民工程高效电机推广实施细则随着现代工业的迅速发展,电动机的使用量也在不断增加,因此电动机的节能和高效成为了现代社会发展的重要课题。
为了推广节能产品和实施惠民工程,我们需要制定一系列的细则,以确保高效电机的推广落地。
本文将从以下几个方面进行探讨。
首先,我们需要建立一个健全的法律法规体系,以支持高效电机的推广。
政府应加大对高效电机的研制和生产的扶持力度,鼓励企业生产高效电机,并确保产品质量符合相关标准。
同时,要加强对市场上低效电机的监管,对不符合节能标准的电机予以淘汰或处罚。
此外,还可以出台相关的财政政策,为购买高效电机的用户提供一定的补贴或奖励,进一步推动高效电机的普及。
其次,我们需要加大对高效电机的宣传力度,提高用户的认知度。
通过多种途径,如电视、广播、报刊、网络等,向公众普及高效电机的优势和重要性,使更多的人了解和购买高效电机。
同时,要加强对用户的培训,提高其使用高效电机的技能和意识,以最大限度地发挥高效电机的节能效果。
此外,我们还可以推行以节能为目标的惠民工程,通过政府采购等方式来推广高效电机的使用。
政府在进行各类工程建设时,应优先选择使用高效电机,同时为企业提供一定的支持和激励措施,鼓励其积极参与投标。
通过政府的示范作用和扶持措施,引导更多的企业和个人使用高效电机,进而推动整个市场向高效、节能方向发展。
最后,我们还可以加大对高效电机的研发力度,不断提升电机的效能。
通过研发新技术和新材料,不断降低电机的能耗,提高其效率。
同时,加强对高效电机技术的推广和转化,鼓励企业投入更多的资金和人力资源进行研发。
只有不断提升电机的节能和高效性能,才能更好地推广和普及高效电机。
综上所述,要想推广和实施高效电机的惠民工程,我们需要建立健全的法律法规体系,加大宣传力度,推行以节能为目标的惠民工程,加大研发力度等一系列措施。
只有这样,才能在节能减排的大背景下,更好地推动高效电机的推广和普及,为实现可持续发展做出积极贡献。
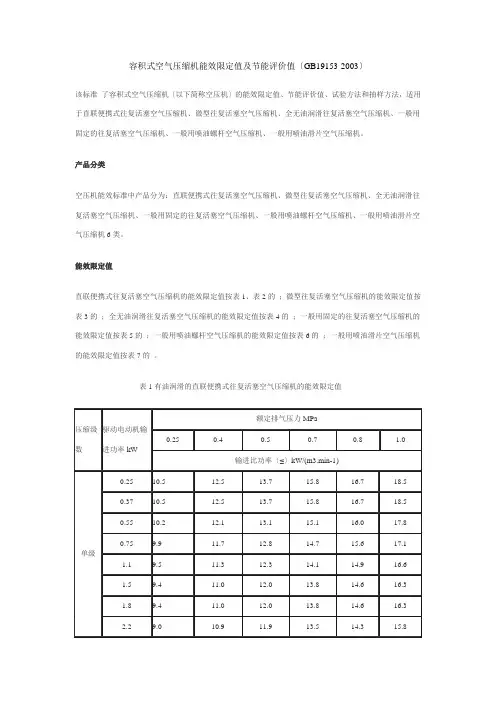
容积式空气压缩机能效限定值及节能评价值〔GB19153-2003〕该标准了容积式空气压缩机〔以下简称空压机〕的能效限定值、节能评价值、试验方法和抽样方法,适用于直联便携式往复活塞空气压缩机、微型往复活塞空气压缩机、全无油润滑往复活塞空气压缩机、一般用固定的往复活塞空气压缩机、一般用喷油螺杆空气压缩机、一般用喷油滑片空气压缩机。
产品分类空压机能效标准中产品分为:直联便携式往复活塞空气压缩机、微型往复活塞空气压缩机、全无油润滑往复活塞空气压缩机、一般用固定的往复活塞空气压缩机、一般用喷油螺杆空气压缩机、一般用喷油滑片空气压缩机6类。
能效限定值直联便携式往复活塞空气压缩机的能效限定值按表1、表2的;微型往复活塞空气压缩机的能效限定值按表3的;全无油润滑往复活塞空气压缩机的能效限定值按表4的;一般用固定的往复活塞空气压缩机的能效限定值按表5的;一般用喷油螺杆空气压缩机的能效限定值按表6的;一般用喷油滑片空气压缩机的能效限定值按表7的。
表1有油润滑的直联便携式往复活塞空气压缩机的能效限定值表2无油润滑的直联便携式往复活塞空气压缩机的能效限定值表3微型往复活塞空气压缩机的能效限定值表4全无油润滑往复活塞空气压缩机的能效限定值表5一般用固定的往复活塞空气压缩机的能效限定值表6一般用喷油螺杆空气压缩机的能效限定值表7一般用喷油滑片空气压缩机的能效限定值节能评价值直联便携式往复活塞空气压缩机的能效限定值按表8、表9的;微型往复活塞空气压缩机的能效限定值按表10的;全无油润滑往复活塞空气压缩机的能效限定值按表11的;一般用固定的往复活塞空气压缩机的能效限定值按表12的;一般用喷油螺杆空气压缩机的能效限定值按表13的;一般用喷油滑片空气压缩机的能效限定值按表14的。
表8有油润滑的直联便携式往复活塞空气压缩机节能评价值表9无油润滑的直联便携式往复活塞空气压缩机节能评价值表10微型往复活塞空气压缩机节能评价值表11全无油润滑往复活塞空气压缩机节能评价值表12一般用固定的往复活塞空气压缩机节能评价值表13一般用喷油螺杆空气压缩机节能评价值表14一般用喷油滑片空气压缩机节能评价值。
关于印发《节能产品惠民工程高效电机推广实施细则》的通知关于印发《节能产品惠民工程高效电机推广实施细则》的通知财建〔2010〕232号为贯彻落实国务院《关于进一步加大工作力度确保实现“十一五”节能减排目标的通知》(国发〔2010〕12号)精神,财政部、国家发展改革委将组织开展高效电机推广。
根据《财政部国家发展改革委关于开展“节能产品惠民工程”的通知》(财建〔2009〕213号),我们制定了《节能产品惠民工程高效电机推广实施细则》,现印发给你们,请遵照执行。
附件:节能产品惠民工程高效电机推广实施细则财政部国家发展改革委二〇一〇年五月三十一日附件:节能产品惠民工程高效电机推广实施细则一、推广产品范围(一)额定功率为0.55千瓦(含)—315千瓦(含),额定电压为690伏及以下的低压三相异步电动机(以下简称低压三相异步电机)。
(二)额定功率为355千瓦(含)—25000千瓦(含),额定电压为6000伏或10000伏的高压三相异步电动机(以下简称高压三相异步电机)。
(三)额定功率为0.55千瓦(含)—315千瓦(含),额定电压为690伏及以下的稀土永磁三相同步电动机(以下简称稀土永磁电机)。
二、推广产品及企业条件(一)申请推广的高效电机须满足以下要求:1.在中国大陆境内生产和使用。
2.低压三相异步电机效率达到国家标准GB18613《中小型三相异步电动机能效限定值及能效等级》现行版本中能效等级2级及以上水平,产品通过能效标识备案和“节”字标志节能产品认证。
3.高压三相异步电机效率保证值不低于规定指标(具体要求见附件1)。
4.同一品牌只能由一家生产企业申请推广,且在近三年内国家产品质量监督抽查和能效标识市场专项检查中,该品牌的电机产品无不合格记录。
(二)申请推广高效电机的生产企业须满足以下要求:1.具有完备的产品销售及用户信息管理系统,销售的高效电机能追溯到最终用户。
2.低压三相异步电机和高压三相异步电机年推广量不少于30万千瓦,或稀土永磁电机年推广量不少于1万千瓦。
重庆市高效节能容积式空气压缩机、通风机、清水离心泵、配电变压器推广财政补贴资金管理暂行办法第一条按照财政部、国家发展改革委、工业和信息化部印发的《节能产品惠民工程高效节能容积式空气压缩机推广实施细则》(财建〔2012〕851号)、《节能产品惠民工程高效节能通风机推广实施细则》(财建〔2012〕852号)、《节能产品惠民工程高效节能清水离心泵推广实施细则》(财建〔2012〕853号)、《节能产品惠民工程高效节能配电变压器推广实施细则》(财建〔2012〕854号)要求,为规范专项补助资金审核、拨付等管理工作,特制定本办法。
第二条市财政局、市经济信息委负责本市高效节能容积式空气压缩机、通风机、清水离心泵、配电变压器推广中央财政补贴资金的管理工作,并委托市节能技术服务中心负责相关日常管理工作。
第三条补贴产品范围:国家公布目录内的高效节能容积式空气压缩机、通风机、清水离心泵、配电变压器。
补贴产品的调整按照国家有关文件规定执行。
第四条补贴对象:注册地在本市且购买安装国家公布目录内补贴类产品的终端购买单位。
第五条补贴标准:补贴标准按照国家规定执行(详见附件1),并根据国家规定进行调整。
第六条补贴期限:补贴期限暂定为2012年11月1日至2013年10月31日。
第七条资金来源:产品补贴资金由中央财政预算安排。
市节能和循环经济专项资金安排一定的工作经费,用于市节能技术服务中心的日常管理工作。
第八条补贴资金的申请本市终端购买单位应向产品使用地所在地区县经济信息委提出补贴申请,申请时应填报相关产品的购买安装情况、补贴资金申报表(详见附件2-5),并提供相应的证明材料。
主要内容包括:(一)购买单位基本情况介绍,包括单位法人代表、企业生产规模、经营状况等基本条件,并提供营业执照、税务登记证等相关证明材料;(二)设备购置、安装及淘汰情况,并提供相关发票复印件;(三)单位对申请材料真实性的承诺声明;(四)补贴用户开设的银行账户;(五)其他相关材料。
高效节能工业产品推广财政补贴资金拨付管理暂行办法第一章总则第一条根据财政部、国家发改委、工业和信息化部《关于印发<节能产品惠民工程高效节能清水离心泵推广实施细则>的通知》(财建〔2012〕853号)、《关于印发<节能产品惠民工程高效节能通风机推广实施细则>的通知》(财建〔2012〕852号)、《关于印发<节能产品惠民工程高效节能容积式空气压缩机推广实施细则>的通知》(财建〔2012〕851号)、《关于印发<节能产品惠民工程高效节能配电变压器推广实施细则>的通知》(财建〔2012〕854号),中央安排专项资金,支持高效节能产品的推广,为加强高效节能产品推广财政补贴资金(以下简称财政补贴资金)管理,提高资金使用效益,特制订本办法。
第二条本办法所称高效节能工业产品推广财政补贴资金,是指中央财政安排的,对在本省注册的、购买并安装公布目录内的高效节能工业产品的有关单位、企业,按照一定补贴标准给予补贴的资金。
第三条财政补贴资金实行公开、透明管理,接受社会监督。
第四条推广期限暂定为2012年11月1日至2013年10月31日。
第二章补贴产品和补贴对象第五条本办法所称财政补贴的高效节能产品是指国家公布目录内的节能容积式空气压缩机、通风机、清水离心泵和配电变压器等高效节能产品(推广产品目录请到 查询、下载)。
第六条本办法所称的财政补贴对象是指在本省注册的,购买并安装国家公布目录内的节能容积式空气压缩机、通风机、清水离心泵和配电变压器等高效节能产品,且符合补贴资金申请条件的单位或企业。
第七条各市县应加大宣传力度,鼓励各有关单位购买并安装国家公布的目录内节能容积式空气压缩机、通风机、清水离心泵和配电变压器等高效节能产品。
第三章补贴标准2第四章补贴资金申请与拨付第十二条财政补贴资金申请按属地管理原则由购买单位向所在地市县节能主管部门和财政部门提出财政补贴资金申请报告,并提供购买发票复印件等证明材料(详见附件1),提供—3—材料包括:(一)购买产品发票的原件及复印件,发票在载明产品基本情况的同时,应加注购买单位、企业名称,名称需与工商营业执照上登记的名称一致;(二)单位、企业工商营业执照原件;(三)管理部门需要的其他材料。
深圳市财政委员会、深圳市发展和改革委员会、深圳市经济贸易和信息化委员会关于印发《深圳市节能产品惠民工程四类产品补贴资金拨付办法》的通知
【法规类别】财政综合规定
【发文字号】深财建[2013]27号
【发布部门】深圳市财政委员会深圳市发展和改革委员会深圳市经济贸易和信息化委员会【发布日期】2013.04.02
【实施日期】2013.04.02
【时效性】现行有效
【效力级别】地方规范性文件
深圳市财政委员会、深圳市发展和改革委员会、深圳市经济贸易和信息化委员会关于印发《深圳市节能产品惠民工程四类产品补贴资金拨付办法》的通知
(深财建〔2013〕27号)
根据财政部、国家发展改革委、工业和信息化部印发的《节能产品惠民工程高效节能容积式空气压缩机推广实施细则》(财建[2012]851号)、《节能产品惠民工程高效节能通风机推广实施细则》(财建[2012]852号)、《节能产品惠民工程高效节能清水离心泵推广实施细则》(财建[2012]853号)、《节能产品惠民工程高效节能配电变压器推广实施细则》(财建[2012]854号)和《关于做好节能产品惠民工程高效节能容积式空气压缩机、通风机、清水离心泵、配电变压器推广工作的通知》(发改办环资[2012]3455
号),为规范中央节能产品惠民工程补贴资金拨付程序,制定本办法。
一、补贴原则
补贴资金遵循“公开透明、定向使用、自愿申报、直接拨付”的原则。
二、补贴对象及标准
(一)补贴对象。
在国家规定推广期限内购买并在本市安装的纳入国家推广目录的高效节能容积式空气压缩机、通风机、清水离心泵、配电变压器等4类工业产品的单位。
(二)补贴标准。
1.高效节能空调压缩机:
2.高效节能通风机:。
关于印发《节能产品惠民工程高效节能单元式空气调节机和冷水机组推广实施细则》的通知财建〔2012〕782号各省、自治区、直辖市、计划单列市财政厅(局)、发展改革委、工业和信息化主管部门,新疆生产建设兵团财务局、发展改革委、工业和信息化主管部门:为促进节能家电等产品消费,经国务院同意,根据《财政部国家发展改革委关于开展节能产品惠民工程的通知》(财建〔2009〕213号)规定,我们制定了《节能产品惠民工程高效节能单元式空气调节机和冷水机组推广实施细则》,现印发给你们,请遵照执行。
附件:节能产品惠民工程高效节能单元式空气调节机和冷水机组推广实施细则财政部国家发展改革委工业和信息化部2012年9月24日附件节能产品惠民工程高效节能单元式空气调节机和冷水机组推广实施细则一、推广产品范围及条件(一)推广产品为采用电机驱动压缩机的单元式空气调节机、风管送风式空调(热泵)机组和屋顶式空调机组(以下简称单元机)和冷水机组。
(二)申请高效节能单元机推广的产品必须满足以下要求:1.依据国家标准GB 19576-2004《单元式空气调节机能效限定值及能源效率等级》,产品能效达到2级及以上;2.额定制冷量小于等于7100瓦的定速风管送风式空调(热泵)机组,参照国家标准GB 19576-2004《单元式空气调节机能效限定值及能源效率等级》的能效测试方法和能效等级判定方法,产品能源效率须达到表1中的要求;表1 能源效率等级指标转速可控型空调(热泵)机组,参照国家标准GB 21455-2008《转速可控型房间空气调节器能效限定值及能源效率等级》的制冷量范围、能效测试方法和能效等级判定方法,产品能效达到2级及以上。
4.名义制冷量不大于100kW的冷水机组,依据国家标准GB 19577-2004《冷水机组能效限定值及能源效率等级》,产品能效达到2级及以上。
5.通过能效标识备案(不包括额定制冷量小于等于7100瓦的定速风管送风式空调(热泵)机组和转速可控型空调(热泵)机组);6.通过节能产品认证(不包括额定制冷量小于等于7100瓦的定速风管送风式空调(热泵)机组和转速可控型空调(热泵)机组);7.通过国家认可的第三方机构能效检测;8.通过强制性产品认证(CCC)或取得生产许可证;9.在近三年内国家产品质量监督抽查和国家能效标识市场专项调查中,该品牌单元机和冷水机组产品无不合格。
作者: 无
作者机构: 不详
出版物刊名: 设备管理与维修
页码: 74-75页
年卷期: 2013年 第4期
主题词: 空气压缩机 配电变压器 主管部门 高效节能 容积式 国家发展改革委 新疆生产建设兵团 节能产品
摘要:为促进节能家电等产品消费,经国务院同意,根据《财政部、国家发展改革委关于开展节能产品惠民工程的通知》(财建[2009]213号)规定,财政部、国家发展改革委、工业和信息化部制定了《节能产品惠民工程高效节能容积式空气压缩机、配电变压器推广实施细则》(财建p2012]851、854号),于2012年l1月6日发布,要求各省、自治区、直辖市、计划单列市财政厅(局)、发展改革委、工业和信息化主管部门,新疆生产建设兵团财务局、发展改革委、工业和信息化主管部门遵照执行。
节能产品惠民工程高效电机推广实施细则节能产品惠民公司内部档案编码:[OPPTR-OPPT28-OPPTL98-OPPNN08]附件:节能产品惠民工程高效电机推广实施细则一、推广产品范围(一)额定功率为千瓦(含)—315千瓦(含),额定电压为690伏及以下的低压三相异步电动机(以下简称低压三相异步电机)。
(二)额定功率为355千瓦(含)—25000千瓦(含),额定电压为6000伏或10000伏的高压三相异步电动机(以下简称高压三相异步电机)。
(三)额定功率为千瓦(含)—315千瓦(含),额定电压为690伏及以下的稀土永磁三相同步电动机(以下简称稀土永磁电机)。
二、推广产品及企业条件(一)申请推广的高效电机须满足以下要求:1.在中国大陆境内生产和使用。
2.低压三相异步电机效率达到国家标准GB18613《中小型三相异步电动机能效限定值及能效等级》现行版本中能效等级2级及以上水平,产品通过能效标识备案和“节”字标志节能产品认证。
3.高压三相异步电机效率保证值不低于规定指标(具体要求见附件1)。
4.同一品牌只能由一家生产企业申请推广,且在近三年内国家产品质量监督抽查和能效标识市场专项检查中,该品牌的电机产品无不合格记录。
(二)申请推广高效电机的生产企业须满足以下要求:1.具有完备的产品销售及用户信息管理系统,销售的高效电机能追溯到最终用户。
2.低压三相异步电机和高压三相异步电机年推广量不少于30万千瓦,或稀土永磁电机年推广量不少于1万千瓦。
三、推广补贴标准高效电机推广财政补贴标准具体为:申请高效电机推广的生产企业,将高效电机推广申请报告(包括申请书、企业基本情况、推广产品信息、推广方案等内容及电子版本,具体格式见附件2)及下列材料逐级上报,经省级节能主管部门、财政部门审核后,报国家发展改革委、财政部。
(一)营业执照和税务登记证(复印件加盖公章);(二)推广产品“节”字标志节能产品认证证书和能效标识备案证明(仅限于低压三相异步电机);(三)推广产品能效检测报告;(四)商标注册证明及授权书;(五)银行出具的资信证明;(六)其他相关材料。
财建[2010]219号财政部国家发展改革委工业和信息化部关于印发《“节能产品惠民工程”节能汽车(1.6升及以下乘用车)推广实施细则》的通知各省、自治区、直辖市、计划单列市财政厅(局)、发展改革委、工业和信息化主管部门,新疆生产建设兵团财务局、发展改革委、工业和信息化主管部门:为贯彻落实国务院《关于进一步加大工作力度确保实现“十一五”节能减排目标的通知》(国发[2010]12号)精神,经国务院批准,财政部、国家发展改革委、工业和信息化部将组织开展节能汽车推广工作。
根据《财政部国家发展改革委关于开展“节能产品惠民工程”的通知》(财建[2009]213号),我们制定了《“节能产品惠民工程”节能汽车(1.6升及以下乘用车)推广实施细则》,现印发给你们,请遵照执行。
附件:“节能产品惠民工程”节能汽车(1.6升及以下乘用车)推广实施细则财政部国家发展改革委工业和信息化部二○一○年五月二十六日主题词:节能汽车细则通知信息公开选项:主动公开附件:“节能产品惠民工程”节能汽车(1.6升及以下乘用车)推广实施细则一、节能汽车推广车型及企业条件(一)发动机排量为1.6升及以下的燃用汽油、柴油的乘用车(含混合动力汽车和双燃料汽车);(二)已列入《车辆生产企业及产品公告》和通过汽车燃料消耗量标识备案;(三)综合燃料消耗量限值如下:(四)推广企业具有完善的售后服务体系,履行约定的质量及服务;具有完备的产品销售及用户信息管理系统,能够按要求提供相关信息。
二、补助标准和方式对消费者购买节能汽车给予一次性定额补助,补助标准为3000元/辆,由生产企业在销售时兑付给购买者。
三、推广资格申请和确定(一)节能汽车生产企业按照有关要求提出推广资格申请(具体格式见附件1)。
(二)所在地省级发展改革委、工业和信息化主管部门、财政部门审核后,上报国家发展改革委、工业和信息化部、财政部。
(三)国家发展改革委、工业和信息化部、财政部根据申请情况组织节能汽车推广资格审查,确定并公告节能汽车推广目录。
北京节能补贴政策篇一:节能工业品补贴 - 北京市经济和信息化委员会附件北京市节能产品惠民工程高效节能工业产品推广中央补贴资金拨付管理办法第一章总则第一条根据财政部、国家发展改革委《关于开展“节能产品惠民工程”的通知》(财建?2009?213号)及国家发展和改革委员会办公厅、财政部办公厅、工业和信息化部办公厅《关于做好节能产品惠民工程高效节能容积式空气压缩机、通风机、清水离心泵、配电变压器推广工作的通知》(发改办环资?2020?3455号)(以下简称《通知》)、财政部、国家发展改革委员会、工业和信息化部《关于印发节能产品惠民工程高效节能容积式空气压缩机推广实施细则的通知》(财建?2020?851号)、《关于印发节能产品惠民工程高效节能通风机推广实施细则的通知》(财建?2020?852号)、《关于印发节能产品惠民工程高效节能清水离心泵推广实施细则的通知》(财建?2020?853号)和《关于印发节能产品惠民工程高效节能配电变压器推广实施细则的通知》(财建?2020?854号)等有关规定,制定本办法。
第二章补贴范围和补贴对象第二条补贴产品范围:在国家规定推广期限内购买纳入国家推广目录的高效节能容积式空气压缩机、通风机、- 1 -清水离心泵、配电变压器(以下简称“推广产品”)。
补贴产品的调整按照国家有关文件执行。
第三条补贴对象:在本市登记注册且直接购买推广产品的终端购买单位。
第三章补贴标准及期限第四条补贴标准的制定和调整按照国家规定执行。
(一)高效节能容积式空气压缩机补贴标准为:(二)高效节能通风机补贴标准为:- 2 -(三)高效节能清水离心泵补贴标准为:(四)高效节能配电变压器补贴标准为:第五条补贴期限:补贴期限暂定为2020年11月1日至2020年10月31日。
补贴期限的制定和调整按照国家有关文件执行。
第四章补贴资金申请与拨付第六条北京市财政局(以下简称“市财政局”)、北京市发展和改革委员会(以下简称“市发展改革委”)、北京市经济和信息化委员会(以下简称“市经济信息化委”)负责对本市高效节能工业产品推广中央财政补贴资金审核拨付工作的管理和监督。
国家发展改革委办公厅、财政部办公厅关于组织推荐节能产品惠民工程高效电机推广目录的通知
【法规类别】节能管理
【发文字号】发改办环资[2013]2329号
【发布部门】国家发展和改革委员会(含原国家发展计划委员会、原国家计划委员会)财政部【发布日期】2013.09.12
【实施日期】2013.09.12
【时效性】现行有效
【效力级别】XE0303
国家发展改革委办公厅、财政部办公厅关于组织推荐节能产品惠民工程高效电机推广目
录的通知
(发改办环资[2013]2329号)
各省、自治区、直辖市及计划单列市、新疆生产建设兵团发展改革委、经贸委(经委、经信委、工信厅)、财政厅(局):
为贯彻落实《国务院关于加快发展节能环保产业的意见》(国发[2013]30号),做好节能产品惠民工程高效节能电机推广工作,国家发展改革委、
1 / 1。
深圳市财政委员会关于开展受理节能产品惠民工程四类高效节能工业产品财政补贴工作的通知
文章属性
•【制定机关】深圳市财政委员会
•【公布日期】2013.04.28
•【字号】
•【施行日期】2013.04.28
•【效力等级】地方规范性文件
•【时效性】现行有效
•【主题分类】财政综合规定,第一审普通程序
正文
深圳市财政委员会关于开展受理节能产品惠民工程四类高效节能工业产品财政补贴工作的通知
各有关单位:
为做好节能产品惠民工程高效节能容积式空气压缩机、高效节能通风机、高效节能清水离心泵、高效节能配电变压器的推广工作,请符合补贴条件的单位向所在区(新区)的财政部门提交拨款申请等资料。
各区联系方式见附件。
特此通知。
附件:节能惠民工程四类工业产品补贴申请受理单位及联系人名单
深圳市财政委员会
2013年4月28日附件:。