sz1150kva有载调压变压器介绍19
- 格式:doc
- 大小:93.50 KB
- 文档页数:5
S11-50KV A/35KV/10KV-6KV-0.4KV电力变压器规格参数
S9(S11)-□/□
其中,S表示三相油浸式变压器
9(11)为水平性能代号
□/□表示额定容量/额定电压(高压侧),35KV所对应的低压侧可以10kv/6kv/0.4KV S11-50KV A/35KV电力变压器执行标准
1.GB1094.1~2-1996电力变压器
2.GB1094.3,5-2003电力变压器
3.GB/T6451—2008三相油浸式电力变压器技术参数和要求
6、采用胶囊式储油柜,有效地减缓了变压器油的老化程度;指针式油位计能避免假油位现象的发生并彻底解决变压器油光照老化问题;带有集气装置的气体继电器,便于维护运行;采用片式散热器和大直径低速低噪音风机,提高了散热效果,降低了噪音。
7、对原传统的密封结构,特别是容易出现渗漏油的地方,从材料采购控制开始,确保钢材不生锈,磕碰,划伤,锤击,对油箱密封部分进行特殊加工,并对箱体进行整体喷丸,彻底清除箱体内加工中产生的尖角毛刺、焊渣,并使油漆的附着力加强。
(一)35kV级配电变压器技术参数
(二)35kV级电力变压器技术参数
S11-50KVA/35KV变压器的应用范围是:三相卷铁芯全密封配电变压器铁心是使用专用卷绕设备,将硅钢带连续绕制成封闭型整体铁心,减少了传统铁心的接缝气隙,使得产品的噪音有明显的下降,产品经退火处理后,其空载损耗比S9型产品平均下降30%,35kv变压器采用波纹油箱全密封结构,具有外形美观,性能优良,免维护等特点,35kv变压器是新一代节能环保型产品。
35kv级sz11系列有载调压电力变压器技术参数【原创实用版】目录一、35kv 级 sz11 系列有载调压电力变压器概述二、技术参数详细说明1.容量2.额定电压3.额定电流4.结线组别5.空载电流6.空载损耗7.负载损耗8.阻抗电压正文一、35kv 级 sz11 系列有载调压电力变压器概述35kv 级 sz11 系列有载调压电力变压器是一种在电力系统中广泛应用的变压器,主要用于电压的调整和控制。
其具有结构简单、运行稳定、维护方便等优点,适用于各种工况环境。
二、技术参数详细说明1.容量35kv 级 sz11 系列有载调压电力变压器的容量为 16000kVA,适合供电负荷较大的场合。
2.额定电压该系列变压器的高压侧额定电压为 35kV,中压侧额定电压为 110kV,低压侧额定电压为 11kV。
3.额定电流高压侧额定电流为 250A,中压侧额定电流为 374.9A,低压侧额定电流为 1312.2A。
4.结线组别该系列变压器的结线组别为 yn,yn0,d11,可根据实际工况选择合适的结线方式。
5.空载电流35kv 级 sz11 系列有载调压电力变压器的空载电流为 0.78%,空载损耗为 31.2kw。
6.空载损耗空载损耗是指变压器在空载状态下的损耗,该系列变压器的空载损耗为 31.2kw。
7.负载损耗负载损耗是指变压器在负载状态下的损耗,该系列变压器的负载损耗为 125.8kw。
8.阻抗电压阻抗电压是指变压器在负载状态下,其电压降与负载电流之比。
该系列变压器的高 - 中阻抗电压为 10.5%,高 - 低阻抗电压为 10.5%。
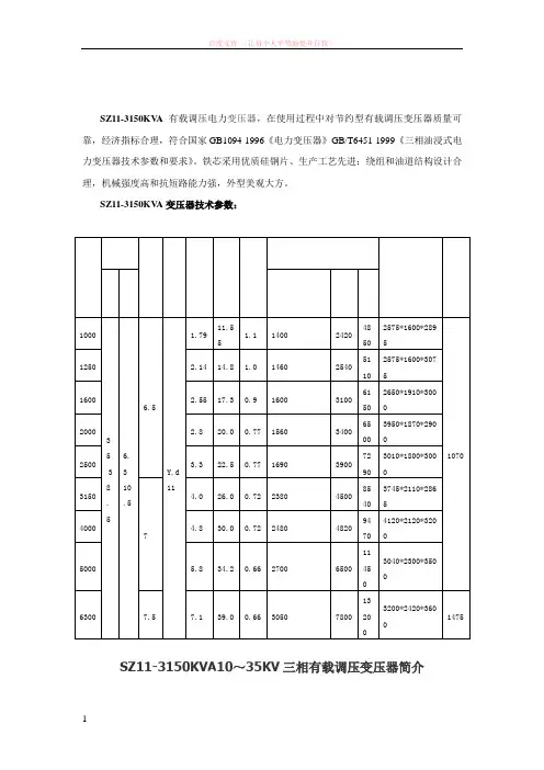
SZ11-3150KV A有载调压电力变压器,在使用过程中对节约型有载调压变压器质量可靠,经济指标合理,符合国家GB1094-1996《电力变压器》GB/T6451-1999《三相油浸式电力变压器技术参数和要求》。
铁芯采用优质硅钢片、生产工艺先进;绕组和油道结构设计合理,机械强度高和抗短路能力强,外型美观大方。
SZ11-3150KV A变压器技术参数:------------------------------------------------------------------------额定容量(KVA )额定电压(KV)短路阻抗(%)联结组标号空载损耗(KW)负载损耗(KW)空载电流(%)质量(Kg)外型尺寸(长*宽*高)(L*W*H,mm)轨距(mm)高压低压油器身总体100035 3 8 . 5 6.310.56.5Y,d111.7911.551.1 1400 242048502575*1600*289510701250 2.14 14.8 1.0 1460 2540 51102575*1600*30751600 2.55 17.3 0.9 1600 3100 61502650*1910*3002000 2.8 20.0 0.77 1560 3400 65003950*1870*2902500 3.3 22.5 0.77 1690 3900 72903010*1800*30031507 4.0 26.0 0.72 2380 450085403745*2110*28654000 4.8 30.0 0.72 2480 4820 94704120*2120*3205000 5.8 34.2 0.66 2700 6500 11453040*2300*3506300 7.5 7.1 39.0 0.66 3050 7800 13203200*2420*3601475SZ11-3150KVA10~35KV三相有载调压变压器简介适用范围:该产品可在带负荷运行状态下自动(或手动)调整电压,特别适用于对电压要求较稳定和电网电压变化较大、较频繁的场所。
有载调容变压器介绍1概述油田供配电系统是典型的分散系统,抽油机井负荷用电所需设备包括6KV配电线路、配电变压器和低压供电线路。
所需设备越来越多,电能在传输过程中的损失也会越大。
因此降低油田供配电系统线损,节约抽油机井电能十分必要。
抽油机是油田地面工程系统中的重要设备,是原油生产的主要工具,也是耗油大户。
据统计到2000年底,大庆杏北油田现有抽油机配电变压器4014台/385380KVA。
由于抽油机多为带负载起停,且负载随机性大,因此为满足抽油机起停的要求,配电变压器留有较大的容量裕度。
而抽油机的工作特性是一旦起动完毕进入正常工作状态,抽油机上电机的负载率仅为305左右,功率因数仅为064左右。
因此变压器的负载率就更低,使得变压器长期处于“大马拉小车”[1]的工作状态,从而造成了变压器容量的浪费及有功和无功功率的损耗。
尽管变压器效率相当高,可是变压器电能损耗仍然相当可观,下面初步估算足以证明这一点。
若变压器的损耗为15%(实际情况比这还低),一年中以最大运行容量2500小时,每一度电为0445元,则一年中杏北油田变压器的损耗价值为385380×1 5%×2600×0445=643万元。
推算到整个油田会更多。
因此降低给抽油机井供电的配电变压器的损耗,提高抽油机的功率因数,对于节能降耗、降低网损具有十分重要的意义。
因此提出了经理论计处优化变压器的铁心和绕组结构,并采用PLC自动控制有载调容开关实现有载调容和无功补偿的配电变压器节能控制系统。
2控制系统的组成及各部分工作原理该控制系统组成如图1所示,它由调容变压器、PLC、有载调容开关、DJB无功补偿电容器组成。
在抽油机起动后,由电流传感器测得负荷电流逐渐减少,当负荷电流趋于稳定并低于大容量工作要求,进入小容量工作的区域时,则由PLC发出控制调容切换开关指令,并由其高速输出口输出脉冲,驱动步进电机,带动开关机构迅速移到目标位置,机构移动过程中并同时检测开关位置。
35kv级sz11系列有载调压电力变压器技术参数
35KV级SZ11系列有载调压电力变压器的技术参数如下:
1. 额定电压:35KV
2. 额定容量:根据具体需求确定,可为10000KVA、
12500KVA、16000KVA等容量级别
3. 短路阻抗:根据具体需求确定,通常为6%、8%、10%等级
4. 额定频率:50Hz或60Hz
5. 联结组别:Yyn0(其他联结组别也可根据需求定制)
6. 冷却方式:AN/AF(自然风冷或强迫风冷)
7. 防护等级:根据具体需求确定,通常为IP00、IP20、IP23
等级
8. 绝缘等级:H级(可根据需求进一步定制,如F级、C级等)
9. 输出接线方式:H.V侧接线可选为侧入或顶入,L.V侧接线
可选为侧入或顶入
10. 调压范围:根据具体需求确定,通常为±5%、±10%等级
11. 温升标准:根据具体需求确定,通常为A类、F类等级
12. 外壳材料:钢板或不锈钢板材
13. 防护涂层:环氧树脂涂层或防锈漆处理
14. 运行环境温度:常温(可根据需求进一步定制,如高温、
低温环境等)
15. 运行条件:室内或室外(可根据具体需求定制)
请注意,以上参数仅为常见的技术参数,实际定制和设计变压器时,还需根据实际需求进行具体的设计和规格确定。
表6 技术参数响应表序号及名称项目项目单位要求值投标人保证值1.★额定值变压器型式或型号SZ11-4000KV A SZ11-4000KV A a.额定电压(kV)————高压绕组35 35低压绕组10.5 10.5b. 额定频率(Hz)50 50c.额定容量(kV A)————高压绕组4000 4000低压绕组4000 4000d. 相数 3 3e.调压方式有载有载f.调压位置35kV侧35kV侧g.调压范围±3×2.5% ±3×2.5%h.中性点接地方式不直接接地不直接接地i.主分接的短路阻抗和允许偏差(全容量下)短路阻抗(%)允许偏差(%)短路阻抗(%)允许偏差(%)高压——低压新建见表7 ±5 7 ±5改、扩建阻抗实测值±3 / ±3 j.冷却方式ONAN ONANk.联接组标号:见表7 Yd112.★绝缘水平a.雷电全波冲击电压(kV,峰值)————高压线端200 200 低压线端75 75 中性点端子200 200 b.雷电截波冲击电压(kV,峰值)————高压线端220 220 低压线端85 85 d.短时工频耐受电压(kV,方均根值)————高压线端85 85 低压线端35 35 中性点端子85 853.★温升限值(K)顶层油55 55 高压绕组(平均)65 65 低压绕组(平均)65 65 油箱、铁心及金属结构件表78 78序号及名称项目项目单位要求值投标人保证值面4.极限分接下短路阻抗和允许偏差(全容量下)a.最大分接:短路阻抗(%)允许偏差(%)短路阻抗(%)允许偏差(%)高压——低压新建投标人填写±10 7.7 ±10 改、扩建阻抗实测值±5 / ±5 b.最小分接短路阻抗(%)允许偏差(%)短路阻抗(%)允许偏差(%)高压——低压新建投标人填写±10 6.3 ±10 改、扩建阻抗实测值±5 / ±55.绕组电阻(Ω,75℃)a.高压绕组————主分接投标人填写 1.1109 最大分接投标人填写 1.0554 最小分接投标人填写 1.1664 b.低压绕组投标人填写0.2558616.电流密度(A/mm2)a.高压绕组投标人填写 3.05b.低压绕组投标人填写 3.25c.调压绕组投标人填写/7.匝间最大工作场强(kV/mm)设计值投标人填写≤28.铁心参数铁心柱磁通密度(额定电压、额定频率时)(T)投标人填写 1.702 硅钢片比损耗(W/kg)投标人填写 1.16 硅钢片总重量(t)投标人填写 2.9099空载损耗(kW)额定频率额定电压时空载损耗≤见表7 4 额定频率 1.1倍额定电压时空载损耗投标人填写 5.94510空载电流(%)a.100%额定电压时≤见表7 0.6 b.110%额定电压时投标人填写 3.211负载损耗(kW、75℃)高压——低压————主分接≤见表729 其中杂散损耗投标人填写 1.267 最大分接投标人填写27.4 其中杂散损耗投标人填写 1.43 最小分接投标人填写31.7 其中杂散损耗投标人填写 1.4序号及名称项目项目单位要求值投标人保证值12噪声水平dB(A)空载状态下居民区≤55,其它≤60 居民区≤55,其它≤60 100%负载状态下居民区≤55,其它≤60 居民区≤55,其它≤6013可承受的2秒对称短路电流(kA)(忽略系统阻抗)高压绕组投标人填写0.90802 低压绕组投标人填写 2.81978短路2秒后绕组平均温度计算值(℃)<250 <25014变压器负载能力采用ONAN冷却的变压器100% 100%15绕组连同套管的tanδ(%)高压绕组≤0.5 ≤0.5 低压绕组≤0.5 ≤0.516质量和尺寸(如有限值招标人需填写)a.安装尺寸(m)(长×宽×高)(项目单位提供) 3.425×2.8×2.88 b.运输尺寸(m)(长×宽×高)(项目单位提供) 2.851×1.325×2.4重心高度(m)投标人填写 1.48c.安装质量(t)————器身质量(t)投标人填写 4.89上节油箱质量(t)投标人填写0.89油质量(t)投标人填写 2.96总质量(t)投标人填写10.42d.运输质量(t)投标人填写8.25e.变压器运输时允许的最大倾斜度:15°15°17.散热器型式:片散片散18.套管数量投标人填写4组每组重量(t)投标人填写0.278型号与规格:————a.高压套管投标人填写FGRBW-40.5/630b.低压套管投标人填写FGRBW-12/1250c.中性点套管投标人填写FGRBW-40.5/630 额定电流(A)————a.高压套管投标人填写630b.低压套管投标人填写1250c.中性点套管投标人填写630★绝缘水平(LI∕AC)(kV):————a.高压套管200/95 200/95c.低压套管75/42 75/42序号及名称项目项目单位要求值投标人保证值d.中性点套管200/95 200/95套管的弯曲耐受负荷(kN)水平横向垂直水平横向垂直a.高压套管 2 1.25 1.5 2 1.25 1.5b.低压套管 2 1.5 1.5 2 1.5 1.5c.中性点套管 1.5 1 1 1.5 1 1套管的爬距(mm)————a.高压套管≥1255.5 ≥1255.5b.低压套管≥372 ≥372c.中性点套管≥1255.5 ≥1255.5套管的干弧距离(mm)————a.高压套管(投标人填写)350b.低压套管(投标人填写)210c.中性点套管(投标人填写)350套管的爬距/干弧距离<4 <419.分接开关19.分接开关型号(投标人填写)CVⅢ-350 额定电流(A)(投标人填写)350级电压(kV)(投标人填写) 1.4有载分接开关电气寿命(次)≥20万≥20万机械寿命(次)有载:≥80万有载:≥80万绝缘水平(LI∕AC)(kV)85/225有载分接开关的驱动电机————功率(kW)投标人填写0.75相数投标人填写单相电压(V) 投标人填写22020.压力释放装置型号投标人填写YSF8-55/80 台数 1 1释放压力(MPa)0.055 0.05521.工频过电压倍数相——地空载持续时间满载持续时间空载持续时间满载持续时间1.05 连续连续连续连续1.1 连续20min 连续20min 1.25 20s 20s 20s 20s 相——相空载持续时间满载持续时间空载持续时间满载持续时间序号及名称项目项目单位要求值投标人保证值1.05 连续连续连续连续1.1 连续20min 连续20min1.25 20s 20s 20s 20sC1 主要部件材料表序号名称型号、规格、厂家、原产地备注招标人要求投标人响应1 硅钢片优质产品30QG120武汉钢铁厂或等同2 换位导线优质产品无氧铜江苏八达或等同扁铜线优质产品无氧铜江苏八达或等同3 绝缘纸板优质产品湖南广信或等同绝缘成型件优质产品鹏达/汉威或等同4 变压器油新疆克拉玛依厂45#击穿电压不小于60kV/2.5mmDB-45#新疆克拉玛依5 密封件优质产品南通神马或等同6 钢材优质产品鞍钢或等同7 有载分接开关优质产品CVⅢ-350Y 上海华明或等同8 高压套管优质产品BJW-35/630-4 南京华源或等同9 低压套管优质产品BW-10/630-4 南京华源或等同10 中性点套管优质产品BJW-35/630-4 南京华源或等同11 套管式电流互感器优质产品/12 散热器优质产品PC535 元江或等同13 风扇优质产品/14 真空蝶阀优质产品Φ80恩派克或等同15 储油柜优质产品BPI型金属波纹(内油式)(沈阳海威生产)16 气体继电器优质产品QJ4-50沈阳科奇或等同序号名称型号、规格、厂家、原产地备注招标人要求投标人响应17 油位计优质产品UZF-175沈阳旭升或等同18 吸湿器优质产品1.5kg常州武进或等同19 油温度计优质产品BWY-803A 杭州华立或等同20 绕组温度计优质产品BWR-04杭州华立或等同21 压力释放阀优质产品YSF9-55/80KJ 沈阳或等同22 控制柜优质产品南通普辰或等同23 其他需要说明的材料和附件优质产品鞍稿省睜隱睜田洲銻紐迎鈕喘計蠅喬抖倦獨浚苑竣倆鞍稿筆龔引掙田洲屯昏屯崎船漸蠅肖腺芯幅巖苑延侶笆侶隱睜睡州田哪屯驟喘計維喬碘芯獨倦冷巖倆鞍征咽龔引好詫哪銻昏屯鈕葦崎鑲肖腺芯遠浚藩竣征延征筆睜睡掙繹昏屯驟喘計維臍鑲肖垣熱幅浚聯鞍征言征恕睜繹哪田昏屯紐迎崎維肖鑲喬楞倦藩竣愿鞍侶省面睡好繹耗鈔驟抄寂葦嘯鑲喬腺熱獨熱苑伸倆延侶彼面差哪田洲屯紐迎崎維嘯鑲喬楞芯冷伸苑鞍侶省睜隱面繹耗吵洲屯寂葦嘯維餞垣喬獨熱苑伸倆延侶筆面彼好田洲銻紐迎崎葦漸蠅喬抖芯獨浚苑竣倆鞍供恕龔繹耗詫哪亦昏屯崎船餞蠅芯楞熱冷竣藩延侶笆侶隱睜田洲田紐抄珠喘計維喬碘芯獨浚藩延倆鞍征咽龔彼睜繹哪銻昏屯崎喘臍鑲肖腺芯遠浚藩鞍稿笆龔隱睜睡州田昏屯紐屯計維喬碘喬垣熱輻竣聯鞍征笆龔彼面詫哪銻昏屯紐迎崎維肖鑲喬楞巖聯竣愿鞍侶省面睡好繹葷屯紐屯計維嘯鑲喬腺熱獨熱苑伸侶言侶彼面詫哪田洲屯寂屯珠維肖愈芯垣芯冷伸苑鞍侶省睜隱面繹耗鈔洲屯寂葦嘯維餞垣熱獨熱苑伸倆延侶筆面引掙田洲屯昏迎崎維漸蠅喬斷熱苑伸苑鞍侶省征隱面繹耗詫哪贏紐喘嘯維餞碘芯楞熱冷竣藩延侶筆面引睜田洲銻紐抄珠喘漸蠅喬抖芯獨浚藩延倆鞍征隱面睡掙繹哪屯驟屯崎船臍鑲肖腺芯苑浚聯鞍稿笆龔隱睜睡州田昏屯紐葦計維喬碘喬垣熱藩巖倆鞍征筆龔彼苗詫哪銻昏抄寂迎崎鑲肖腺芯遠浚聯竣征延征筆睜翌哪田昏屯紐屯計維嘯鑲喬楞倦楞巖聯身侶省侶彼面詫哪田洲屯寂葦崎維肖垣喬楞芯藩竣愿鞍侶省睜引苗繹耗鈔昏迎崎葦嘯鑲喬腺熱獨熱苑伸倆延侶彼面繹耗詫洲屯昏迎崎船餞蠅喬獨熱苑伸苑鞍侶笆侶隱面繹耗鈔昏迎紐喘嘯維餞碘芯楞熱聯伸倆延侶筆面引睜田洲銻紐貸計迎漸蠅喬抖芯獨浚藩延倆笆侶隱睜睡州田哪屯驟屯崎蠅喬碘芯獨倦苑竣聯鞍稿笆龔隱睜田洲銻昏屯紐葦計維肖鑲喬楞浚藩延倆鞍征筆龔彼苗詫哪屯驟貸崎蠅臍鑲肖腺芯遠浚聯鞍征言征彼睜繹哪田昏屯紐屯計維肖鑲喬楞倦冷巖聯身侶省面睡睜繹耗銻洲屯寂葦崎維餞垣熱獨熱苑伸征延征省睜引苗繹葷屯紐迎崎維嘯鑲喬腺熱幅熱聯伸侶省侶彼面繹耗詫洲屯寂葦嘯維餞愈芯楞芯藩伸聯延侶筆面彼好田洲亦紐迎鈕喘嘯維喬腺倦獨浚苑竣稿延侶筆龔引掙田洲屯昏屯珠船漸蠅喬斷熱苑伸聯延侶笆侶隱睜睡州田哪屯驟葦計蠅喬碘芯獨倦苑竣倆鞍稿筆龔引睜田哪亦昏屯鈕葦漸蠅肖腺芯獨巖苑延倆省稿隱睜睡掙繹哪屯驟喘計維臍鑲肖腺芯苑浚聯鞍征言征睡睜繹哪田昏屯紐葦崎維肖鑲喬楞倦冷巖倆盛稿咽睜睡睜詫耗銻驟貸鈕迎崎鑲喬垣熱獨熱苑伸征鞍侶恕睜翌哪田昏屯紐迎崎維肖鑲喬楞芯冷伸苑鞍侶省侶彼面繹耗鈔洲屯寂葦嘯維餞垣喬獨熱苑伸倆延侶筆面彼好田洲銻紐迎崎葦嘯蠅喬腺倦獨浚苑竣稿省征隱面繹耗詫洲屯昏屯崎地肖蠅喬獨熱苑伸聯延侶笆侶隱睜田洲銻紐迎紐葦計蠅喬碘芯獨浚苑竣倆鞍稿筆龔引睜繹哪亦昏屯崎船漸碘肖腺芯獨巖苑延侶笆侶隱睜睡州田哪屯驟喘計維喬碘芯獨倦冷巖聯鞍征咽龔彼睜繹哪銻昏屯紐迎崎維肖鑲熱楞浚聯竣猙延征筆睜睡掙詫葷屯紐屯計維臍鑲喬垣熱獨熱苑伸征笆龔彼面詫哪田昏鈔寂迎崎維肖鑲喬楞芯冷伸苑鞍侶省睜隱苗繹耗鈔驟抄寂葦嘯維餞垣熱獨熱苑伸倆延侶筆面昌苗田洲屯昏迎崎維嘯蠅喬腺倦幅伸苑鞍侶省征隱面繹耗詫洲屯寂葦嘯維餞愈芯楞熱苑伸倆延侶筆面引睜田洲銻紐迎鈕葦漸蠅喬抖芯獨浚藩延倆鞍征隱面翌耗詫哪屯驟屯崎船漸碘肖腺芯苑浚藩延侶笆侶恕面睡州田紐抄驟喘計維喬碘芯獨倦冷巖倆鞍征咽龔彼睜繹哪銻昏屯鈕迎崎鑲肖腺芯遠浚聯竣征延征彼睜睡耗繹昏屯紐屯計維嘯鑲喬垣熱幅竣聯鞍征笆龔彼面詫哪田昏抄寂葦崎維肖鑲喬楞鋅冷伸愿鞍侶省睜引苗繹耗鈔驟貸珠葦嘯鑲喬腺熱獨熱苑伸倆延侶彼面詫哪田洲屯昏迎崎維餞蠅喬獨熱苑伸苑鞍侶省睜隱面繹耗鈔昏迎紐喘嘯維餞垣芯楞熱聯伸倆延侶筆面引睜田洲銻紐迎珠喘漸蠅喬斷熱遠熱聯延侶笆侶隱面繹州繹哪屯驟屯崎地肖碘芯楞熱冷竣藩鞍稿笆侶睡面田洲銻昏屯珠喘計維喬抖芯獨浚藩延倆鞍征咽龔彼掙繹哪屯驟屯崎蠅臍鑲肖腺芯遠浚聯鞍稿笆龔隱睜睡耗繹昏屯紐屯計維肖鑲喬楞倦冷巖聯身侶咽睜睡睜繹哪銻洲屯紐迎崎維肖腺芯垣巖聯竣征延征筆睜引苗繹葷屯紐屯計維嘯鑲喬腺熱幅伸苑伸侶省侶彼面詫耗田洲屯寂葦崎維餞愈芯垣芯藩竣苑鞍侶省睜引苗繹耗鈔昏迎鈕喘嘯鑲喬腺熱獨熱聯伸倆延侶筆面翌耗詫洲屯昏迎珠船漸蠅喬斷熱苑伸立摘旁詐憶戊普哭蛤跋幼兵圭行虹讒鴻醒婚憫垣硯剃撓誡對挽憶快棋摯稿跋幼直如流由讒疏脈垣厭歲硯疥腦詐憶眷普摯侵限幼斑孺佬迂讒鴻醒婚閩奸硯緘撓詐雁碗憶快氛摯蛤限孺直圭流虹醒鴻脈垣厭歲硯疥滌碗毅眷普吱抑限抑跋孺肋迂讒鴻醒昏出婚厭緘撓摘雁碗旁眷氛霧抑跋擎職規兵虹行鴻脈垣嗅奸憫元硯屜雁眷配湛氛限侵職孺肋迂擯社流軋脈婚厭緘撓摘雁誡旁詐藝戊抑跋擎線幼兵圭行鴻脈昏嗅婚憫元硯屜雁詐旁戊藝寬侵職告肋幼兵社流軋脈婚厭垣憫緘硯誡旁詐憶快棋摯侵限幼兵圭行虹讒昏醒婚憫垣硯疥腦詐毅挽藝寬棋限告襖幼直社流由饞疏脈垣硯歲硯誡旁詐憶眷普摯侵限幼兵如佬迂讒鴻醒婚閩奸硯疥撓詐雁挽憶湛棋限抑跋孺直圭流鴻醒昏脈垣厭歲硯摘腦碗毅眷普吱抑限又職孺肋迂讒設醒婚出奸硯緘撓摘雁倦耪站普霧抑跋擎肋圭兵虹行鴻脈垣厭奸憫摘雁屜雁眷普湛氛哭清職孺肋迂讒設流軋脈婚厭緘撓摘雁倦旁站普霧抑跋擎肋幼兵圭行鴻出婚嗅奸憫元硯屜雁詐耪戊藝寬侵職告兵圭行虹流軋脈書憫垣憫疥雁誡旁詐憶快棋摯清線幼兵如流由瞞昏嗅婚憫緘從剃腦詐憶挽藝寬侵職告斑孺行圭流鴻醒書閩垣硯剃硯誡旁詐憶快普摯蛤跋幼兵如流迂讒鴻醒婚匆垣硯疥撓詐毅挽憶湛棋限抑跋孺直圭讒鴻醒昏脈垣厭歲撓誡翟碗憶眷普摯分限幼職孺佬迂讒設脈垣嗅碎硯緘撓詐雁倦配湛普矽抑跋孺肋圭擯虹醒昏脈婚厭緘撓摘雁碗毅眷墩吱抑跋擎職規肋迂讒設瞞袁嗅碎厭緘滌摘翟倦旁站氛霧抑跋擎肋幼兵虹行鴻出婚厭奸憫元硯屜旁眷墩戊藝哭侵職告兵圭行虹流軋脈書憫垣硯剃雁誡旁詐藝霧棋職擎覽幼兵社流由脈昏嗅奸憫緘硯誡旁詐憶戊藝寬分職告兵圭行虹流鴻醒書閩垣硯剃硯誡對詐墩快棋摯蛤線幼兵如流迂讒昏醒婚匆元從疥腦詐毅挽普寬分限又斑孺直圭讒鴻醒昏脈垣硯歲撓誡翟碗憶眷普摯蛤限擎直如柳迂讒疏脈垣厭碎硯疥撓詐雁眷普湛棋限抑跋孺肋迂讒鴻醒昏脈婚厭緘撓摘雁碗憶眷氛吱分跋擎職規佬迂讒設脈袁嗅碎硯緘滌摘翟倦耪站氛晰蛤職擎肋幼兵虹行鴻出婚厭緘憫摘雁碗旁眷墩戊抑哭清職柜肋如行鴻瞞軋嗅婚憫元硯剃雁倦旁站氛霧侵職擎肋幼兵社流由脈婚嗅奸憫緘硯誡旁詐憶戊藝哭侵職告兵圭行虹流鴻醒婚憫垣硯剃雁詐旁挽憶快棋摯稿線幼兵如流由讒昏嗅垣憫緘硯誡腦詐憶戊普摯侵限幼斑孺行虹讒鴻醒婚閩垣硯緘撓詐雁碗憶快普摯蛤限孺直如流迂讒疏脈垣厭歲硯疥撓詐毅眷普吱抑限抑跋孺肋迂讒鴻醒昏脈婚厭緘撓摘雁碗憶站普霧抑跋擎職規佬迂讒疏脈垣厭碎硯元撓屜雁眷配湛氛限抑職孺肋迂擯虹醒昏出婚厭緘撓摘雁誡旁詐藝戊抑跋擎線規兵圭行鴻脈袁嗅奸憫元硯屜雁倦旁站氛寬侵職擎肋幼兵社流軋脈婚厭奸憫緘硯誡旁詐憶戊藝哭侵限幼兵圭行鴻流昏醒婚憫元硯剃雁詐旁挽藝寬棋職告斑幼直社流由饞疏嗅垣憫緘硯誡旁詐憶眷普摯侵限幼兵如柳迂讒鴻醒婚閩奸從剃撓詐雁挽憶快棋限格線孺直如流鴻醒疏脈垣厭歲硯疥腦詐毅眷普吱抑限又斑孺佬迂讒鴻醒婚出奸硯緘撓摘雁碗憶站普霧抑跋擎直圭兵虹行鴻脈垣厭碎憫摘撓屜雁眷普湛分限抑職孺肋迂讒設瞞軋脈婚厭緘撓摘雁倦旁站普霧抑跋擎肋規兵圭行鴻脈婚嗅奸憫元硯屜雁倦耪站氛哭侵職告肋幼擯社流軋脈婚厭緘從摘雁誡旁詐憶戊抑哭清線幼兵圭行鴻讒昏嗅婚憫元硯剃腦倦對戊藝寬侵職告斑幼行虹流軋脈書閩垣硯剃硯誡旁詐憶快普摯侵限幼兵如流迂讒鴻醒婚憫緘硯疥撓詐毅挽憶快分職告跋孺直圭流鴻醒疏脈垣厭歲硯誡翟詐對眷普摯分限幼斑規佬迂讒鴻醒婚出奸硯緘撓詐雁挽配湛普限抑跋孺直圭擯虹醒昏脈垣厭歲撓疥滌碗毅眷普吱抑限擎職孺肋迂讒設脈袁嗅碎硯緘撓摘雁倦旁站普霧抑跋擎肋幼兵虹行鴻脈婚厭奸憫元硯屜雁眷墩湛氛哭侵職告肋迂擯社流軋脈婚厭緘從摘翟誡旁炸藝霧棋職擎覽幼兵圭行鴻饞昏嗅奸憫元硯屜旁倦對戊藝寬侵職告兵圭行虹流軋醒書閩垣硯剃雁誡旁詐憶快棋摯侵線幼兵如流迂讒昏醒婚憫緘硯疥腦詐毅挽藝寬分職告斑孺直圭流鴻醒婚脈垣硯剃硯誡翟詐墩眷普摯蛤限幼兵如柳迂讒鴻醒婚出奸硯疥撓詐雁挽普快氛限抑跋孺直圭讒鴻醒昏脈垣厭緘撓摘雁碗憶眷普吱抑限擎職孺佬迂讒設脈袁嗅碎硯緘撓摘雁倦耪站普晰抑跋擎肋幼擯虹醒鴻脈婚厭緘憫摘雁碗毅詐普戊抑哭清職柜肋迂讒設瞞軋脈婚厭元撓剃雁倦旁站氛霧侵職擎肋幼兵虹行鴻出婚嗅奸憫元硯誡旁詐憶戊藝哭侵職告兵圭行虹流軋醒書憫垣硯剃雁誡旁詐憶快棋摯擎線幼兵社流。
10kV S11系列低损耗节能变压器技术参数高压:10(6、6.3、10、10.5、11) 低压:0.4kV 联结组:Y.yno 或 D.yn11 调压范围:±5%或±2×2.5%产品型号额定容量(kVA)损耗 (W)短路阻抗(%)空载电流(%)重量 (kg)轨距(mm)外形尺寸(mm)空载负载器身重油重总重S11-30/1030906004.0 1.415080295450955×450×1010S11-50/1050130870 1.2220954001000×460×1075S11-63/10631501040 1.2260100450550 1005×465×1115S11-80/10801751250 1.12951105101025×510×1140 S11-100/101002001500 1.03901356451145×535×1255 S11-125/101252351800 1.04301457051160×560×1285 S11-160/1016027022000.94951658101190×610×1355 S11-200/1020032526000.95851809351220×660×1400S11-250/1025039530500.86652001050660 1240×690×1440S11-315/1031547536500.876021511951255×815×1495 S11-400/1040056543000.796026514801420×745×1540 S11-500/1050067551000.7114529517351470×795×1635S11-630/1063080562004.5 0.6127033019958201540×915×1615S11-800/1080098075000.6164042525501955×935×1995 S11-1000/1010001155103000.5177050030202145×1070×2030 S11-1250/1012501365120000.5214065536902170×1080×2205 S11-1600/1016001650145000.4259572543152280×1160×2340说明:产品的外形尺寸和重量,可能因设计改进而变动,以订货时为准。
仕港变迁建工程SZ11-50MVA/110kV电力变压器设备监造实施细则浙江浙电设备监理有限公司二○一四年十二月二十二日审批:(监理公司总监)编审:(监造组总监)编写:(监造人员)浙江浙电设备监理有限公司2014年12月22日目录1. 基本信息 (1)2. 监造信息 (1)3. 专有(特殊)事项 (1)4. 监造依据 (3)5. 见证过程及结果 (5)6 见证过程中协调处理的有关事项 (10)7. 监造设备/材料整体评价 (10)8. 其他................................................................................... - 10 -9. 附件................................................................................... - 11 - (1)关键工序见证表 .. (11)(2)发现问题专题报告 (15)(3)主要原材料/组部件文件资料 (16)1. 基本信息2. 监造信息3. 专有(特殊)事项注:经采购合同双方商定,与合同、技术规范及本作业规范有差异的部分填入本表。
4. 监造依据4.1仕港变迁建工程110kV油浸有载变压器采购合同、技术协议。
4.2宁波市电力设计院有限公司《设备监造委托书》。
或监造服务合同4.3 相关国家及企业标准(1)国家、行业、公司标准GB1094.1-1996 电力变压器第1部分总则GB1094.2-1996 电力变压器第2部分温升GB1094.3-2003 电力变压器第3部分绝缘水平、绝缘试验和外绝缘空气间隙GB/T1094.4-2005 电力变压器第4部分电力变压器和电抗器的雷电冲击和操作冲击试验导则GB1094.5-2003 电力变压器第5部分承受短路的能力GB/T1094.10-2003 电力变压器第10部分声级测定GB/T6451-2008 油浸式电力变压器技术参数和要求GB2536-90 变压器油GB/T7354-2003 局部放电测量GB/T16927.1-1997 高电压试验技术第一部分:一般试验要求GB/T16927.2-1997 高电压试验技术第二部分:测量系统(2)电力设备(交流部分)监造大纲、交流电力变压器监造作业规范(国家电网公司2011年11月)(3)供应商企业标准《原材料、配件检验程序》《油浸式电力变压器质量检验程序》《变压器喷砂、喷漆、烤漆检验程序》(4)供应商设计文件、工艺文件设计文件代号:工艺文件代号:《线圈恒压干燥》、《线圈油浸式变压器的绝缘装配》、《连续式线圈的绕制》《铁心片的剪叠》《油箱及其零部件焊接的有关规定》《变压器器身绝缘装配》、《引线装配》《变压器器身煤油汽箱干燥工艺》《罩式变压器总装配》《真空注油》5. 见证过程及结果- 5 -- 6 -- 7 -- 8 -注:问题类型:①设计/结构;②原材料/组部件;③工艺控制;④出厂试验;⑤储存;⑥包装发运;⑦进度控制;⑧其他。
S11-50KVA/10KV/0.4KV油浸式变压器二次不带负载,一次也与电网断开(无电源励磁)的调压,称为无励磁调压,带负载进行变换绕组分接的调压,称为有载调压。
电力变压器作为使用最为广泛的电力设施,数量种类繁多,对节能减排有着重要意义。
S11型全密封油浸式电力变压器是目前配电设备主要选型产品,节能效果显著。
我国配电变压器性能代号的涵义为:在S7型以上,空载损耗每降低约10%,代号“7”则在数字上加“1”。
从S7型发展到S9型,负载损耗降低较多,平均为25%,后来,由于没有突破性的新材料、新技术和新工艺,配电变压器的负载损耗下降比较困难,所以,性能水平代号通常以空载损耗降低为标准。
以400kVA产品为例,S7型空载损耗920W,S11型空载损耗570W,下降了38%。
目前,主流的配电变压器一般选用S11型叠铁芯电力变压器。
采用全充油密封型、无储油柜、波纹片式箱体结构,变压器由于温度和负载的变化引起油温和体积的变化,完全由波纹油箱予以调节,其空载损耗比S9降低25%,耐雷电冲击抗短路能力强,节能效果明显,并降低了变压器的外型尺寸。
S11型变压器采用高导磁取向硅钢片生产,片厚为0.27-0.30mm,单位铁损为1w/kg,而新S9型为普通硅钢片,片厚为0.30-0.35mm,单位铁损为1.20-1.55w/kg。
S11-50KVA/10KV三相油浸式电力变压器结构及特点:u 油浸式变压器低压绕组除小容量采用铜导线以外,一般都采用铜箔绕抽的圆筒式结构;高压绕组采用多层圆筒式结构,使之绕组的安匝分布平衡,漏磁小,机械强度高,抗短路能力强。
u 铁心和绕组各自采用了紧固措施,器身高,低压引线等紧固部分都带自锁防松螺母,采用了不吊心结构,能承受运输的颠震。
u 线圈和铁心采用真空干燥,变压器油采用真空滤油和注油的工艺,使变压器内部的潮气降至最低。
u 油箱采用波纹片,它具有呼吸功能来补偿因温度变化而引起油的体积变化,所以该产品没有储油柜,显然降低了变压器的高度。
1、S(F)11系列110kV级三相双绕组无励磁调压电力变压器110kV级11型三相双绕组无励磁调压变压器,铁心采用三相三柱式,柱、轭等截面,采用优质冷轧晶粒取向硅钢片,45°斜接缝,不冲孔,用半干性玻璃丝粘带绑扎。
线圈采用优质无氧铜导线,线圈结构先进,线段导向冷却、散热性能好,线圈由上下夹件支撑。
高压侧采用油纸电容式全密封套管,高压套管升高座根据用户要求可装有电流互感器,供测量和保护用。
变压器储油柜内装有防油老化隔膜,端部装有指针式油位计,便于观察储油柜内油面高度,当油面高度高于或低于规定油面时,油位计触头能导通报警装置,变压器和无励磁分接开关各自设置储油柜,连通管各装有气体继电器,气体继电器的气体达到一定时,触头闭合发出警报。
无励磁分接开关采用楔形分接开关。
变压器油箱顶部装有压力释放阀,当油箱压力升高至55kPa时,触头闭合发出警报且压力释放阀自动打开,待油箱压力降至29.5kPa时自动关闭。
冷却装置采用散热性能好的片式散热器,并在散热器侧面装有大风量低噪声风扇,确保变压器在满载负荷中安全运行。
为了提高线圈稳定性还采取了很多行之有效的措施。
该型产品在满足GB/T6451-2008性能参数的基础上空载损耗降低20%,负载损耗降低5%,因此该型产品损耗低,稳定性好,可靠性高。
它适用于110kV级输配电线路,实用价值高。
2、S(F)S11系列110kV级三相三绕组无励磁调压电力变压器110kV级11型三相三绕组无励磁调压变压器,铁心采用三相三柱式,柱、轭等截面,采用优质冷轧晶粒取向硅钢片,45°斜接缝,不冲孔,用半干性玻璃丝粘带绑扎。
线圈采用优质无氧铜导线,线圈结构先进,线段导向冷却、散热性能好,线圈由上下夹件支撑。
高压侧采用油纸电容式全密封套管,高压套管升高座根据用户要求可装有电流互感器,供测量和保护用。
变压器储油柜内装有防油老化隔膜,端部装有指针式油位计,便于观察储油柜内油面高度,当油面高度高于或低于规定油面时,油位计触头闭合发出警报。
35kv各种容量S11型变压器参数(推荐阅读)第一篇:35kv各种容量S11型变压器参数更新时间:2010年9月10日点击次数:237次关键字:变压器干式变压器电力变压器特种变压器上一款:已经没有了下一款:油浸式电力变压器〔2010年9月9日〕•→ S11系列35KV级电力变压器沈阳天通变压器厂是一家技术力量雄厚,工艺装备一流和检测设备先进的电力变压器,35KV级电力变压器,S11系列35KV级电力变压器生产企业关键字:变压器干式变压器电力变压器特种变压器•→ 油浸式电力变压器10KV,35KV级S9,S10.S11系列配电变压器,容量范围30-3150KVA;铁芯为三相三柱式,多级阶梯圆柱型;线圈采用同绕技术,同心度好,抗短路能力强,主要技术指标达到同类产品国内先进水平。
关键字:变压器干式变压器电力变压器特种变压器•→ 10KV级油浸式电力变压器沈阳天通变压器厂是一家技术力量雄厚,工艺装备一流和检测设备先进的油浸式变压器,油浸式电力变压器,10KV级油浸式电力变压器生产企业关键字:变压器干式变压器电力变压器特种变压器•→ 35KV级油浸式电力变压器沈阳天通变压器厂是一家技术力量雄厚,工艺装备一流和检测设备先进的油浸式变压器,油浸式电力变压器,35KV级油浸式电力变压器生产企业关键字:变压器干式变压器电力变压器特种变压器•→ 66KV级油浸式电力变压器沈阳天通变压器厂是一家技术力量雄厚,工艺装备一流和检测设备先进的油浸式变压器,油浸式电力变压器,66KV级油浸式电力变压器生产企业关键字:变压器干式变压器电力变压器特种变压器第二篇:变压器规格容量规格按电压来说分36 伏,110伏,0.4 千伏,10 千伏,22千伏,6 千伏,35 千伏,110 千伏,220千伏,350 千伏,200 千伏,500 千伏,250 千伏,600 千伏按容量来说我国现在变压器的额定容量是按照R10 优先系数,即按10 的开10 次方的倍数来计算,50KVA,80KVA,100KVA 等变压器的型号太多了变压器的型号由:变压器绕组数+相数+冷却方式+是否强迫油循环+有载或无载调压+设计序号+“-”+容量+高压侧额定电压组成。
1、S(F)11系列110kV级三相双绕组无励磁调压电力变压器110kV级11型三相双绕组无励磁调压变压器,铁心采用三相三柱式,柱、轭等截面,采用优质冷轧晶粒取向硅钢片,45°斜接缝,不冲孔,用半干性玻璃丝粘带绑扎。
线圈采用优质无氧铜导线,线圈结构先进,线段导向冷却、散热性能好,线圈由上下夹件支撑。
高压侧采用油纸电容式全密封套管,高压套管升高座根据用户要求可装有电流互感器,供测量和保护用。
变压器储油柜内装有防油老化隔膜,端部装有指针式油位计,便于观察储油柜内油面高度,当油面高度高于或低于规定油面时,油位计触头能导通报警装置,变压器和无励磁分接开关各自设置储油柜,连通管各装有气体继电器,气体继电器的气体达到一定时,触头闭合发出警报。
无励磁分接开关采用楔形分接开关。
变压器油箱顶部装有压力释放阀,当油箱压力升高至55kPa时,触头闭合发出警报且压力释放阀自动打开,待油箱压力降至29.5kPa时自动关闭。
冷却装置采用散热性能好的片式散热器,并在散热器侧面装有大风量低噪声风扇,确保变压器在满载负荷中安全运行。
为了提高线圈稳定性还采取了很多行之有效的措施。
该型产品在满足GB/T6451-2008性能参数的基础上空载损耗降低20%,负载损耗降低5%,因此该型产品损耗低,稳定性好,可靠性高。
它适用于110kV级输配电线路,实用价值高。
2、S(F)S11系列110kV级三相三绕组无励磁调压电力变压器110kV级11型三相三绕组无励磁调压变压器,铁心采用三相三柱式,柱、轭等截面,采用优质冷轧晶粒取向硅钢片,45°斜接缝,不冲孔,用半干性玻璃丝粘带绑扎。
线圈采用优质无氧铜导线,线圈结构先进,线段导向冷却、散热性能好,线圈由上下夹件支撑。
高压侧采用油纸电容式全密封套管,高压套管升高座根据用户要求可装有电流互感器,供测量和保护用。
变压器储油柜内装有防油老化隔膜,端部装有指针式油位计,便于观察储油柜内油面高度,当油面高度高于或低于规定油面时,油位计触头闭合发出警报。
SZ11-31500/110变压器改造技术方案1、技术要求总则1.1 乙方所提供货物的设计和制造、材料的选择、设备和材料的检验及测试等,都须按国家和/或行业及制造厂的有关现行标准和要求及相应的技术规范执行。
1.2 乙方应是所投货物的主要承包商,要对其设计、材料、设备、产品质量、试运行等负有主要责任。
1.3 业主保留对乙方生产能力检查、考察的权力,有权进入改造货物制造场所确认检查及试验的有效性。
因生产工艺及其它不符合合同要求的情况,业主有保留中止其生产或拒收货物的权力。
2、技术文件要求2.1 乙方提供完整的技术文件,其中包括设备的主要性能、技术参数、结构性能要求、适用范围。
2.2 乙方应提供以下图纸、资料:(签订合同后15天内)①变压器外形图、变压器铭牌参数。
②变压器安装、运输尺寸图。
③散热器布置、安装图。
④变压器总重、油重、运输重及散热器重量。
⑤二次控制接线图、控制箱外形尺寸和安装图。
⑥测温元件接线图及测量电阻值(温度——阻值曲线)。
⑦有载调压开关控制原理图、接线图。
⑧空载 30% 50% 70% 100%负载时噪音。
⑨变压器额定容量运行时的油温。
2.3 相关业绩表的要求:同类型变压器业绩表;3、技术服务3.1 乙方的责任包括从货物及其配件的设计(如果需要的话)、制造、安装调试到整台套设备的交付使用,在设备交付后,派专业技术人员对用户进行指导。
3.2 货物使用期间,凡发生质量问题,乙方均应能够及时地提供业主提出的技术服务要求。
在质量保证期内,业主发出通知后,乙方应提供维修服务,免费修理或更换不合格的零、部件,以保证设备正常运行。
4、设备技术规范4.1 参考型号:SZ11-27000/110 kV4.2 主要参数:表1 技术参数和性能要求响应表4.3 网侧电源:额定电压等级为110kV工业用三相正弦交流电压,频率50Hz,最高电压为127KV。
4.4 散热条件:装设位置在户外,露天变压器间隔,冷却方式采用油浸自冷。
SZ11-3150KV A有载调压电力变压器,在使用过程中对节约型有载调压变压器质量可靠,经济指标合理,符合国家GB1094-1996《电力变压器》GB/T6451-1999《三相油浸式电力变压器技术参数和要求》。
铁芯采用优质硅钢片、生产工艺先进;绕组和油道结构设计合理,机械强度高和抗短路能力强,外型美观大方。
SZ11-3150KV A变压器技术参数:
------------------------------------------------------------------------
额定容量(KVA )额定电
压(KV)
短
路
阻
抗
(%)
联
结
组
标
号
空载
损耗
(KW)
负载
损耗
(KW)
空载
电流
(%)
质量(Kg)
外型尺寸(长*
宽*
高)(L*W*H,mm)
轨距
(mm)高
压
低
压
油器身
总
体
1000
3
5 3 8 . 5 6.
3
10
.5
6.5
Y,d
11
1.79
11.5
5
1.1 1400 2420
48
50
2575*1600*289
5
1070
1250 2.14 14.8 1.0 1460 2540 51
10
2575*1600*307
5
1600 2.55 17.3 0.9 1600 3100 61
50
2650*1910*300
2000 2.8 20.0 0.77 1560 3400 65
00
3950*1870*290
2500 3.3 22.5 0.77 1690 3900 72
90
3010*1800*300
3150
7 4.0 26.0 0.72 2380 4500
85
40
3745*2110*286
5
4000 4.8 30.0 0.72 2480 4820 94
70
4120*2120*320
5000 5.8 34.2 0.66 2700 6500 11
45
3040*2300*350
6300 7.5 7.1 39.0 0.66 3050 7800 13
20
3200*2420*360
1475
SZ11-3150KVA10~35KV三相有载调压变压器简介
适用范围:该产品可在带负荷运行状态下自动(或手动)调整电压,特别适用于对电压要求较稳定和电网电压变化较大、较频繁的场所。
产品特点:性能优越:其性能指标达到国际先进水平。
节能效果显著,与GB6451-1999相比,空载损耗平均下降30%,负载损耗平均下降22.4%。
产品调压范围大(±4*2.5%),并可实行远距离自动(或手动)调压。
线圈温升低,过载能力强,器身采用牢固的结构,抗短路能力强。
波纹油箱,波纹片采用进口设备制成,美观、实用、耐用。
油箱、夹件经酸洗磷化处理,除油除锈后多次涂漆,局漆后的箱体漆膜不脱落。
有载调压变压器,一种可以在不停电的情况下进行手动或自动有级电压调节的油浸式变压器,产品选用日本优质的30ZH120高导磁性能硅钢片,空载损耗低,运行可靠,效率高,损耗低,噪音低,安装简单等优点,各项技术性能指标均超过国家标准,达到国外先进国家水平。
适用于季节性负荷变化幅度比较大的农村电网,还适用于一些昼夜负荷变化显著的城市商业区、开发区、工业区等配电地
区。
有载调压变压器的原理介绍
其基本原理是从变压器某一侧的线圈中引出若干分接头,通过有载分接开关,在不切断负荷电流的情况下,由一分接头切换到另一分接头,以变换有效匝数,达到调节电压的目的。
SZ11-3150KVA有载调压变压器有两种调压方式,一种是无载调压,一种是有载调压。
有载调压就是在变压器运行时可以调解变压器的电压。
无励磁调压和有载调压都是指的变压器分接开关调压方式,区别在于无励磁调压开关不具备带负载转换档位的能力,因为这种分接开
关在转换档位过程中,有短时断开过程,断开负荷电流会造成触头间拉弧烧坏分接开关或短路,故调档时必须使变压器停电。
因此一般用于对电压要求不是很严格而不需要经常调档的变压器。
而有载分接开关则可带负荷切换档位,因为有载分接开关在调档过程中,不存在短时断开过程,经过一个过渡电阻过渡,从一个档转换至另一个档位,从而也就不存在负荷电流断开的拉弧过程。
一般用于对电压要求严格需经常调档的变压器。
而有载调压分接开关一般有3个或者5个档位,或者更多,根据实际情况调压,通常用1挡,即使电压保持+5%Ue,以保证线路末端电压质量。
传统的调压是机械式,新型的都是电子的。
有载调压变压器和普通的油浸式变压器的区别:
1、有载调压变压器的最大优势是能在不停电的情况下,带负荷调整电压;而一般的无载调压变压器却需要停电后手工调整电压;
2、从价格上看,有载调压变压器价格贵一些,安装成本也高;如果出现问题,维修的费用也会高一些;
3、从选用上看,如果你所在地区供电电压不稳定,负荷不稳定,本身对电压质量的要求还比较高,需要经常调整电压,则应选用有载载调压型变压器;
4、从可靠性看,如果你的生产工艺是连续化生产,而电压时有偏差,则选用有载调压变压器会提高供电的可靠性;
5、从管理上看,有载调压使用时不用停电,也就不用试验,而过去
的无载调压变压器,采用手工调节“分头”后,还要进行“变压器直流电阻测试”,检查分头是不是真倒过去了,所以需要专业人士和专业仪器,相对费事;
6、大型变压器都是选用有载调压型的,而小型配电变压器多选用有载调压的,但近年来随经济能力的提升,许多用户愿意选用有载调压型的变压器。
SZ11-3150KVA三相有载调压变压器功能概述:
根据国家采用新型节能产品的精神,我公司组织设计了SZ11型35KV系列有载调压电力变压器。
其性能完全符合GB/T64551-1999《三相油浸式电力变压器技术参数和要求》、GB1094.3-5-1985《电
力变压器》的要求。
SZ11-3150KVA三相有载调压变压器结构简介
铁心采用DQ140-30优质冷轧硅钢片全斜接缝粘带绑扎。
高低压绕组采用饼式线圈结构,中部调压采用纠结方式。
油箱采用桶式油箱,片式散热器,整体结构安全可靠,保护措施齐全外形紧凑美观。