用G71和G70车削轴类零件说课稿
- 格式:doc
- 大小:1.15 MB
- 文档页数:4
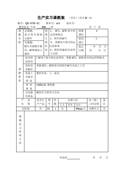
生产实习课教案(首页)(代号B—4)编号:QD -0708 -02 版本号:A/0 流水号:审阅者年月日课题一G71外圆内圆车削粗车、G70精加工循环课前准备:设备及材料:GSK980T数控车床、Ø30X120 塑料棒刀具:90度外圆车刀、60度螺纹车刀、切断刀(3mm刀宽)量具:外径千分尺、游标卡尺、钢直尺课题引入:在前面课中,我们已经对通用G代码指令进行了学习,并初步掌握了其用法。
知道怎么用这些指令去粗、精加工零件。
这次课题,我们将要学习的指令G71外圆粗车循环、G70精加工循环,将在原来的基础上,编程变得更方便。
教学要求:1.了解运用G71、G70 指令编程工件的技术要求。
2.掌握G71、G70 指令编程加工工艺及加工步骤。
3.巩固G71、G70指令编程程序及加工工艺。
教学重点:1、掌握G71、G70 指令编程加工工艺及加工步骤。
教学难点:1、G71、G70指令的格式和用法以及方向的判断。
2、外圆工件外圆和长度尺寸、表面粗糙度的控制。
一、组织教学1、检查学生人数(是否有迟到或请假),巡查其穿戴等劳动保护是否符合要求,做好考勤工作。
2、回顾上节课的实习内容,实习重点,难点。
3、讲明当天的实习内容、实习目的、重点难点。
4、分配工作岗位,宣布劳动纪律,强调安全事项。
5、二、教学过程:(一)相关知识1、G71—外圆粗车循环如图所示,在程序中,给出A—A`—B之间的精加工形状,留出△U/2,△W精加工余量,用△D表示每次的切削深量。
格式:G71 U(△) R(E);G71 P(NS) Q(NF) U(△U) W(△W) F(F) S(S) T(T);N(NS)....................F.S.TAA’ B的精加工形状的指令,.由顺序号NS到NF的程序来指令,精加工形状的每条移动指令必须带行号。
.N(NF)....△D:切深,无符号。
切入方向由AA`方向决定。
(半径指定)。
该指定是模态的,一直到下个指定以前均有效。
固定循环指令G71与G70说课稿各位评委:上午好!我主教的科目是《数控车削编程与操作训练》,今天我说课的课题是《固定循环指令G71与G70》。
下面我将围绕本节课“教什么”“怎样教”以及“为什么这样教”三个问题,从教材分析、学情分析、教法与学法分析、教学过程以及教学反思等方面来加以阐述和说明。
一、教材分析说教材的地位和作用。
本次说课所用教材是高等教育出版社出版的,高枫、肖卫宁主编的《数控车削编程与操作训练》,该教材是数控技术专业的重点教材。
结构合理、图文并茂、针对性强,很适合职业中学的学生。
二、学情分析1学生特点(1)知识基础差,学习兴趣缺乏。
学习信心不足是职校技校学生的特点。
这些学生更需要老师的鼓励与肯定。
他们文化课成绩不好,但是好奇心强,思维活跃爱表现,动手能力强。
(2)学生们具有了普车加工与数控车编程的基础,学习G71与G70指令还是比较容易接受的。
2教学目标知识目标:1)理解并掌握G71指令正确的编程2)学会正确使用G71和G70指令能力目标:1)会运用G71指令进行编程2)培养学生读图分析的能力情感目标:培养学生认真、仔细的学习态度。
3教学重点、难点(1)教学重点:G71指令格式、走刀轨迹(是以后学习的基础是实际加工的基础)通过反复强调突出重点(2)教学难点:G71指令中参数的合理设置通过反复讲解、提问、模拟仿真与练习突破难点关键点:理解复合循环的走刀路线三、教法分析主要运用任务驱动法来教学(1)精心设计课堂提问,整个课堂以问题为线索,带着问题探索新知,因为没有问题就没有发现。
(2)在课上讲解重点知识,加强学生的记忆。
(3)为使学生能够达到熟练应用的目的,知识讲解完后进行模拟仿真然后实际加工。
四、学法分析让学生根据教师给出的任务,分工合作与自主探究结合,模拟后加工完成任务。
五、教学过程1引入课题环节给出一个生活中常见的零件图,通过提问引发学生深入思考,激发学生学习兴趣,进而引出本节课所要讲的G71指令,然后简要介绍一下本节课学习目标.2新课讲解环节(1)直接写出G71编程格式,讲解各参数意义。
《数控车削编程与操作训练》------G71 、G70复合固定循环指令教案授课章节:G71 、G70复合固定循环指令教学重点:G71 、G70指令教学难点:G71 、G70指令格式、粗精加工轮廓定义使用教材:《数控车削编程与操作训练》高等教育出版社、机械工程部《数控车削与编程》集体教案一、复习旧识:G90简单固定循环指令:用于单一形状固定指令格式:圆柱面车削循环:G90X(U)-----Z(W)-------F------;圆锥面车削循环:G90 X(U)-----Z(W)-------R-----F------;(各参数含义)优点:对于加工余量较大的毛坯,刀具反复执行相同的动作,用G90指令简化了许多相同或相似的程序段,缩短了编程时间,提高了工作效率。
缺点:车削过渡尺寸较大的阶梯轴时,有些多次重复进行的动作,使用G90指令编程仍然比较麻烦。
如图1:(P33 例2—7)(请同学们思考用G90指令编写该零件的程序)二、导入新课:车削过渡尺寸较大的阶梯轴时,有些多次重复进行的动作,使用G90指令编程仍然比较麻烦,用G71、G70等复合循环指令更能简化编程,数控系统能自动地计算出加工路线和进给路线,控制机床自动完成工件的加工。
三、新课讲解:1.分析G71、G70指令格式:A.G71 外圆粗车循环指令指令格式:G71 UΔd Re F S T ;G71 Pns QnfUΔu WΔw;式中:△d-背吃刀量;e--退刀量;ns--精加工轮廓程序段中开始程序段的段号;nf--精加工轮廓程序段中结束程序段的段号;△u--X轴向精加工余量;△w--Z轴向精加工余量;2.分析与G90的区别:G90粗车循环留X向余量,Z向不留余量;G71外圆粗车循环X向、Z向均留余量,精加工与粗加工偏移X向Δu/2,Z向△w 余量。
图2-21外圆粗车循环A为刀具循环起点;A’---B为精加工路线B.G70 精加工循环指令G70 P(ns)Q(nf)3.教学难点分析:分析G70、G71指令格式G71 U(Δd) R(e) F S T ;⑴G71 P(ns) Q(nf) U(Δu) W(Δw);⑵N(ns).....;........;....F;....S;....⑶N(nf).....;G70 P(ns) Q(nf);【难点分散一】由指令的第⑶部分(ns~nf程序段)给出的工件精加工轨迹,精加工轨迹的起点(即ns程序段的起点)与G71的起点、终点相同,简称A点;【难点分散二】粗车轮廓:精车轨迹按精车余量(Δu、Δw)偏移后的轨迹,是执行G71形成的轨迹轮廓。
淮海技师学院教案编号:SHJD—508—14 版本号:A/0 流水号:授课日期班级16数控班课题:课题九外圆粗、精加工循环指令G71、G70的应用教学目的、要求:1、熟练掌握外圆粗加工循环指令G71、G70格式及编程方法; 2、掌握轴类零件的加工方法。
教学重点: 1、熟掌握数控系统复合循环G70~G71指令的适用范围及编程规则。
教学难点: 1、能正确运用各种指令代码编制零件的车削加工程序。
授课方法:演示讲解举例教学参考及教具(含电教设备):多媒体板书设计外圆粗、精加工循环指令G71、G70的应用1、外圆粗加工循环指令G71编程格式: G71 U(D d)R(D e);G71 P (ns) Q (nf) U (D u) W (D w) F (f)2、精加工循环指令G70编程格式:G70 P(ns)Q(nf)3、编程实例4、编写零件的加工程序并进行加工注:要求以一块黑板的版面来进行板书设计教学过程教学环节教学内容师生活动学时分配生产过程中存在很多安全隐患建立学生安全生产意识讲解本课内容【复习提问】1、复合循环的作用是什么?【新课导入】对于加工余量较大的毛坯,刀具常常反复执行相同的动作,需要编写很多相同或相似的程序段时,为了简化程序,缩短编程时间,用一个或几个程序段指定刀具做反复切削动作,这就是循环指令的功能。
【新课讲授】1、外圆粗加工循环指令G71G71指令将工件切削至精加工之前的尺寸,精加工前的形状及粗加工的刀具路径由系统根据精加工尺寸自动设定。
在G71指令程序段内要指定精加工程序段的序号,精加工余量,粗加工每次切深,F功能等。
编程格式:G71 U(D d)R(D e);G71 P (ns) Q (nf) U (D u) W (D w)F (f)式中:D d:切深量。
D e:退刀量。
ns:精加工形状程序段组的第一个程序段顺序号;nf:精加工形状程序段组的最后一个程序段顺序号;D u:X轴方向精加工余量的距离和方向(直径/半径指定);D w:Z轴方向精加工余量的距离和方向(直径/半径指定);注意:①指令中的F、S指粗加工循环中的F、S值,该值一经指定,则在程序段段号“ns”和“nf”之间所有的F和S均无效。
《掌握G71(Ⅱ型)的功能、格式和循环轨迹》
(包括:教师活动、学生活动。
体现教、学、做结合,理论与实践一体化等教学环节的设计)
一、新课导入
1.使用if,编写程序,实现以下功能:
从键盘获取用户名、密码
如果用户名和密码都正确(预先设定一个用户名和密码),那么就显示“欢迎进入xxx的世界”,否则提示密码或者用户名错误
2.使用while,完成以下图形的输出
*
* *
* * *
* * * *
* * * * *
* * * *
* * *
* *
*
3.北京公交地铁新票价确定
据北京市发改委网站消息称,北京市将从2015年12月28起实施公共交通新票价:地铁6公里(含)内3元,公交车10公里(含)内2元,使用市政交通一卡通刷卡乘公交车普通卡5折,学生卡2.5折。
具体实施方案如下:
一、城市公共电汽车价格调整为:10公里(含)内2元,10公里以上部分,每增加1元可乘坐5公里。
使用市政交通一卡通刷卡乘坐城市公共电汽车,市域内路段给予普通卡5折,学生卡2.5折优惠;市域外
处理霞石时,由于同时提取了其中的氧化铝、碳酸钾,碳酸钠.并且利用残渣生产了水泥,这样一来,烧结法的经济效果甚至可以高于处理优质铝土矿的拜耳法。
第二节烧结法的基本流程
烧结过程是其中关键环节。
物料在生料浆中应细磨到在170#筛上的践留量小于16%,并且充分混合。
为了保证在熟料中生成预期的化合物,应该严格控制生料浆中各种氧化物的配合比例。
除了严格控制各种物料的入磨数量外,还设置了调整生料浆成分的专门过程。
教案授课教师:徐礼标审阅签名:提交日期:2016.8.31 审阅日期:组织教学(2分钟)教学引入(3分钟)新课讲授(30分钟)讲授实物演示提问讲授《数控加工基础》课程讲稿师生相互致礼问好,点名,强调纪律、卫生、使学生集中注意力上课。
(组织教学贯彻于每一堂课的始终)〈讲授新课〉一、复习旧课,引入本节课的主要内容运用G00 、G01等基本指令,根据图1示的图样要求,编制出零件的精加工程序,毛坯尺寸为¢50mm×100mm。
图1程序如下:N10 G00 X100 Z100;N20 M03 S560 T0101;N30 G00 X52 Z2;N40 X36;N50 G01 Z-30 F40;N60 X40;N70 Z-50;N80 G00 X100;N90 Z100;N100 T0100;N110 M30;二、轴向粗车复合循环G711.指令格式:G71 U(△d) R(e)F S T,G71 P(ns) Q(nf) U(△u) W(△w),提问举例多媒体演示含义:△d---粗车时单次切削深度(单位 mm,半径值);e---粗车时X轴的单次退刀量(单位 mm,半径值);ns---精车轨迹的第一个程序段的程序段号;nf---精车轨迹的最后一个程序段的程序段号;△u ---X方向的精加工余量(单位 mm),车削内孔时应指定为负值;△w---Z方向的精加工余量(单位 mm);F---切削进给速度;S---主轴转速;T---刀具号、刀具偏置号;2.加工特点及适用范围:如图1所示,系统根据粗车轨迹、精车余量、进给量、退刀量等数据自动计算粗加工路线,沿与Z轴平行的方向切削,通过多次进给---切削---退刀的切削循环完成工件的粗加工。
G71的起点和终点相同,本指令适用于非成型毛坯(棒料)的成型粗车。
图1 3.使用G71指令应注意以下几点:(1)由循环起点A到C点的只能用G00或G01指令,且不可有Z轴方向启动指令(参考程序);(2)从A1到B间,切削的路径必须是单调增大或减少,即不可有内凹的轮廓外形;(3)使用G71指令粗车内孔轮廓时,须注意△u为负值;(4)同一程序内P、Q所指定的顺序号码必须是唯一的,不可重复使用;(5)由P至Q所指定顺序号中的程序段中,不能使用下列指令:G04暂停指令,G00、G01、G02、G03以外的G指令,T指令,M98及M99。
数控车G71,G70指令的编程加工实例数控车 G71、G70 指令的编程加工实例在数控车床加工中,G71 和 G70 指令是经常被使用的重要编程指令。
它们能够大大提高加工效率和精度,使得复杂的零件加工变得相对简单。
接下来,我将通过一个具体的实例来详细介绍这两个指令的编程和应用。
我们要加工的零件是一个轴类零件,其图纸尺寸如下:零件最大直径为 50mm,长度为 100mm。
在直径为 20mm 处有一个长度为 30mm 的台阶,直径为 30mm 处有一个长度为 20mm 的台阶。
首先,我们来分析一下这个零件的加工工艺。
1、粗加工选用合适的刀具,比如 90°外圆车刀。
确定切削参数,如切削速度、进给量和切削深度等。
2、精加工更换更锋利的刀具,以获得更好的表面质量。
调整切削参数,减小进给量和切削深度,提高加工精度。
接下来,我们开始编写数控程序。
O0001 (程序名)G99 (每转进给)M03 S800 (主轴正转,转速 800r/min)T0101 (调用 1 号刀,1 号刀补)G00 X52、 Z2、(快速定位到加工起点)G71 U2、 R1、(G71 粗车循环,切削深度 2mm,退刀量 1mm)G71 P10 Q20 U05 W01 F02 (精车余量 X 方向 05mm,Z 方向01mm,进给速度 02mm/r)N10 G00 X20、(粗车轮廓起始段)G01 Z0 F01 (直线插补到零件端面)X22、 Z-1、(倒角)Z-30、(车削第一段外圆)X30、(车削台阶)Z-50、(车削第二段外圆)N20 X50、(粗车轮廓结束段)G00 X100、 Z100、(刀具退到安全位置)T0202 (调用 2 号刀,2 号刀补)M03 S1200 (主轴转速提高到 1200r/min)G70 P10 Q20 (G70 精车循环)G00 X100、 Z100、(刀具退到安全位置)M30 (程序结束)在上述程序中,G71 指令用于粗车加工,通过指定切削深度和退刀量,系统会自动计算并完成粗车过程。
数控编程专业G71指令说课稿各位评委老师大家好,我是XX学校的XX,我今天说课的题目是XX。
我将从学情分析,教材分析,教法分析,学法分析,教学过程,教学反思六个方面加以说明。
一、学情分析我所教授的是XX级XX专业学生,本专业均为男生,他们具有以下特点:1、学生的抽象思维较弱,具体思维活跃,动手能力强2、在学习本课之前学习了车削外圆,端面,台阶等单一指令,有一定的编程基础3、学生缺乏自信心,老师多给予鼓励,给予学生学习动力二、教材分析根据学生特点和学情,我选用辽宁科学技术出版社出版的«数控机床编程与操作»第三章第三节G71复合循环指令1、该指令在教材中起到承前启后的作用,学习该指令的基础是掌握G90指令并熟练编程的基础上学习的,之前学习的指令是一个指令一个动作或循环,而G71指令是一个指令一连串的动作和循环,学习该指令的必要性是指定了相关参数和外圆轮廓,就能自动计算刀具轨迹简化了编程的内容,避免了复杂的计算,减少了工作量和出错几率,提高加工效率。
该指令的应用,与实际形成对接,为实际加工做准备,通过实际加工,学生的思考,工人的指令编程更突出G71指令实际加工的重要性2、教学目标知识目标:理解并掌握G71指令的正确编写格式熟练应用G71指令进行编程能力目标:学生会读图分析编写加工工艺,会运用编程实际加工,有解决实际问题的能力情感目标:通过指令-编程-加工零件,学生能从实际出发,提高学习兴趣,获得成功感和自信心3、教学重点,难点学生只有掌握了G71指令的编程格式和走刀路线才能正确编程,进行实际加工,因此我把本节课的重点设为内外圆粗加工循环指令格式,走刀路线,本节课的难点设为内外圆粗加工循环指令参数含义和应用的范畴三、教法分析1、教学依据:本着重点突出,难点讲清的原则,引导学生观察,分析,总结走刀路线,从而达到教学目标2、教法设计:如何有效的完成教学任务呢,根据教学依据,我设计了启发式教学法,讲授法,仿真教学法,任务驱动法四、学法分析学生具备生产安全意识,产品质量意识,正确的学习方法至关重要,因此我采用自主学习,交流协作学习。
教学课题:轴向粗车循环 G71教学目标:知识目标:使学生基本掌握 G71(G70的应用能力目标:提高学生理论联系实践的能力德育目标:加强学生的安全意识教学重点:G71(G70的应用教学难点:G71(G70与 G00、 G01、 G02/G03的应用区别教学方法:幻灯演示、仿真演示、示例讲解学习方法:听讲幻灯观察、仿真理解课堂编程练习课后编程练习教学过程 :一、导课:抽问复习巩固 G0、 G1、 G02/G03的粗精加工二、新课讲授:轴向粗车循环 G71一、含义:如图所示 , 在程序中 , 给出A → A' → B 之间的精加工形状 , 留出ΔU/2, ΔW 精加工余量 , 用ΔD 表示每次的切削切深量。
快速进给二、编程格式:G71 U(△ d R(eG71 P(ns Q(nf U(△ u W(△ w F(f S(s T(tN(ns ......;........ S__F__;; A → A' → B 的精加工形状的移动指令 , 由顺序号 NS 到 NF 的程序来指令, 精加工形状的每条移动指令必须带行号。
N(nf...... ;式中字母含义:△ d-背吃刀量;e--退刀量;ns--精加工轮廓程序段中开始程序段的段号;nf--精加工轮廓程序段中结束程序段的段号;△ u--X 轴向精加工余量;△ w--Z 轴向精加工余量;f 、 s 、 t--F 、 S 、 T 代码。
★三、注意:1、ns → nf 程序段中的 F 、 S 、 T 功能,一般在第一个 G01的程序段后面加上表示精加工的加工参数。
2、精车开始程序段必须到循环起点,且没有 Z 轴方向移动指令。
3、循环过程中不能换刀(即不能有 T 指令四、应用示例:例 :轴向粗车循环 G71的实例O2008;(程序号N10 G00 X80 Z80; (设定程序起点N20 M03 S600; (主轴正转,转速; 600转 /分钟N30 T0101; (调入车刀N40 G00 X46 Z2; (快速定位,接近工件N50 G71 U1.0 R1.0; (每次切深 1mm[直径 ],退刀 1mmN60 G71 P70 Q160 U0.5 W0.02 F80; (对工件从右至左粗车加工,余量 X 方向0.5mm , Z 方向 0.02mm N70 G00 X6;N80 G01 Z0 F60;N90 G01 X10 Z-2;N100 G01 X10 Z-20 ;N110 G02 X20 Z-25 R5 ;N120 G01 X20 Z-35 ;N130 G03 X34 Z-42 R7 ;N140 G01 X34 Z-52 ;N150 G01 X44 Z-62 ;N160 G00 X50;N170 G70 P70 Q160; (对工件从右至左精车加工N180 G00 X80 Z80; (快速回程序起点N190 T0100; (换回基准刀,清刀补N200 M30; (程序结束三、课堂练习:(见视频零件图1、抽选学生上机编程应用练习 G71(G702、点评课堂练习情况3、仿真演示检验四、小结巩固:1、 G71作用:2、 G71格式及格式中各参数含义:3、 G71应用注意事项:4、 G71编程应用:五、课后作业:1、问题思考:⒈ G71循环过程中可以换刀吗?⒉ G71能循环哪些单一指令?2、自行设计零件图并用 G71(G70编程应用练习板书设计:1、复习:2、新课讲授:轴向粗车循环1 、 G71作用2 、 G71含义:3 、 G71格式:4 、 G71应用:3、课堂小结:4、课后作业:自行设计零件图并用 G71(G70编程应用练习。
《G71指令的讲解》说课稿《数控加工工艺与编程》这门课程是数控专业学生必修的专业基础课,总的来看,该课程由数控车和数控铣两个部分组成。
笔者从事数控教学多年,对于G71指令的讲解有一些心得,这里写出来,和大家一起探讨。
一、说教学重难点1.掌握G71指令的格式2.会应用G71指令编程及加工二、说学情我们学生的一个特点是:“重实践、轻理论”。
具体表现为:在上理论课时,往往觉得乏味而提不起精神。
但是,上实习课时,却能积极投入,干劲十足。
这种现象对于我们的教学具有启发意义,在教学中,我们可以利用这个特点,通过让学生完成具体的任务来帮助他们掌握有关的知识。
三、说教法学法本课主要介绍一下本项目怎样应用任务驱动法来开展教学的,是以完成台阶轴的加工任务为载体,以完成任务的过程为学习G71指令的过程。
课堂上,还兼用了自主学习、合作学习、任务驱动这样一些教法学法。
四、说具体的教学过程整个教学过程由这样六个部分组成:创设情境,提出任务;让学生自主学习G71指令;通过师生互动来完成课堂举例;让学生通过合作学习来完成任务;对有关知识进行适度拓展;课堂小结和作业设计。
总课时为四课时(160分钟)。
1.创设情境,提出任务通过课件和实物展示导入,让每位学生引起兴趣,明确本项目要完成的任务:完成一个台阶轴的外轮廓加工。
明确了任务后,我又对学生提问:你能想象下,这样一个台阶轴零件在数控车床上是怎样加工出来的吗?带着这样的问题,让学生对本项目的目标任务产生感性认识。
2.自主学习G71指令通过学生的自主学习,要达到这样两个效果:(1)要求学生掌握G71指令的格式。
(2)了解指令中各参数的含义。
第一点是本项目的教学重点之一,较为简单,学生通过自主学习完全可以掌握。
第二点,是本项目的教学难点,在教学中,我是通过“三部曲”来逐步化解这个难点的,这里是第一步。
通过自主学习,先让学生知道指令中有哪些参数,字面含义是什么。
3.师生互动,课堂举例课堂举例:应用G71指令编写教材例子零件的加工程序在这里,我也是分三步,通过师生间的三个互动来完成课堂举例的编程的。
说课稿各位评委老师大家好:今天我要说课的内容是《外圆粗车固定循环G71》一、说教材外圆粗车固定循环指令G71是学生在掌握了G01、G90指令的编程方法,并能熟练编程加工一些简单零件后学习的,是加工复杂零件必须掌握的指令之一。
G71指令是一连串动作的复合循环,程序格式较复杂,需要真正理解指令参数的意义,才能快速方便的编写程序,达到提高加工效率的目的。
本节课是初次学习G71指令,主要目的是通过讲授使学生掌握G71的指令格式并能够正确运用进行编程加工。
二、说教学目标知识目标:掌握外圆粗车固定循环指令G71的格式、轨迹及参数。
掌握G71指令的编程方法和注意事项熟练掌握分层切削的加工方法能力目标:学会分析问题、反思问题,通过小组讨论的方法,培养团结合作精神,编写完整程序,展示自我。
三、说教学的重、难点重点:G71指令的编程方法学习指令的目的在于,熟练运用指令进行编程加工,只有掌握了指令格式及运行轨迹,才能掌握G71指令的编程方法。
难点:指令参数含义,指令编程注意事项四、说教法根据本节课的内容,我主要采用以下教学方法:1、任务驱动法由加工任务零件图引出问题,通过对比新老加工方法,用问题引出新课程,让学生带着问题去学习新任务,任务之间环环相扣、层层递进,激发学生的去积极完成,提高学习兴趣。
2、视频演示法利用视频播放等手段进行仿真演示,让学生对加工过程有更直观的认识,对指令的理解也更加透彻,促进学生对加工指令的掌握。
3、集体讨论法针对课题任务提出的问题,让学生以小组形式进行分组讨论,促使学生在学习中养成合作精神,历练分析问题、解决问题的能力。
五、说学法实训教师有句格言:“从教中学、从学中教”,我们的教学方法来源于生产实践,在生产实践过程中又能激发出新的教学方法,相辅相成。
新时期,职教改革都在提倡“以生产过程为导向”的新思维、新思路,因此,我在教学过程中积极实践此类方法。
让学生从机械枯燥的“学答”向“学问”转变,以生产实践的问题为导向,积极探索性的学习,从“学会”向“会学”转变,成为真正的学习的主人。
CK6140中G71、G70指令的编程与操作教学目的:学会G71 、G70指令的运用教学重点:对G71指令的理解教学难点:灵活应用G71指令编写程序教学过程:一、引入如下图所示,零件看似简单,但因为切削余量大,真要编写程序,程序还是很长,编起来也有点烦。
如果能灵活运用G71、G70指令进行粗精加工编程,程序将为变得非常简洁。
二、G71、G70走刀路线若毛坯尺寸为ø45,起刀点如上图A点,每次切5mm深,退刀量为5mm,精加工余量为0.5mm,则G71的走刀路线分三刀,第一刀为A—B—C—D—A,第二刀为A—E—F—G—B,第三刀为B—H—I—J—E ,其中第一、第二刀切深为5mm,第三刀切深为2mm,精加工G70的走刀路线为零件轮廓,即E—H—K—I—L—M—A。
三、G71、G70编程格式1、G71的格式G71U__R__G71P__Q__U__W__F__其中U__:每次进刀量(X方向半径值)R__:退刀量(半径值)P__:精加工第一程序段号Q__:精加工结束程序段号U__:X方向精加工余量W__:Z方向精加工余量F__:粗加工进给速度2、G70的格式G70 P__Q__其中P__:精加工第一程序段号Q__:精加工结束程序段号四、G71、G70编程基本套路以上图为例,编写程序如下:O0001 加工程序号M03S600 开主轴,转速600r/minT0101 调用刀具G00X45Z5 粗加工刀具起点定位G71U2R2 G71粗加工G71P60QU0.5W0F200N60G00X20(Z5)精加工起点定位,(Z5)不能加G01Z0F100S1000 改变精加工进给速度和转速Z-20 走精加工轨迹X45Z-50 走精加工轨迹N100Z-80 走精加工轨迹G70P60Q100 精加工指令G00X100Z100 退刀M30 程序结束五、编程练习:六、上机操作1、开机回零手动键—按x-与z-将拖板向远人侧及卡盘侧分别移动一段距离回零键---按x+与z+---直到回零指示灯亮2、建立新程序编辑键---程序键---按O及4位数---按插入键(或EOB键)建立新程序。
用G71、G70车削轴类零件说课稿
课题用G71、G70车削轴
类零件
课型新授课授课人李杰辉
授课时数一课时授课时间2012 年12月13日
教学目标1、知识目标:对零件图进行工艺分析,会计算节点坐标,能编写正确的加工程序做到安全操作。
2、能力目标:依照零件图能制订合理的加工工艺并会填写各工序卡。
3、态度、情感、价值观目标:培养学生学以致用,理论联系实际的能力。
使学生养成用理论去指导实践,用实践来验证理论的好习惯。
教学重点1、零件图加工工艺分析
2、制订合理的加工工艺
教学
难点依据图纸制订合理的加工工艺
教法选择学案教学法和合作探究教学法相结合
教具
运用
多媒体课件
板书设计
用G71、G70车削轴类零件
一、零件图样分析
1 视图分析
2 尺寸分析
3 技术要求分析
二、加工工艺分析和制定
1. 采用设备数控车床
2. 刀、夹、量具选用
3. 切削用量的选择
4. 刀具卡和工序卡填写
三、程序编写
1. 原点设定位置
2. 节点坐标计算
3. 加工程序
1
课堂教学过程
过程内容学生活动
时
间
复
习旧知识导入新课1.加工形状简单的轴类零件一般情况下可以用单一指令G0、
G1或者G90等,比如加工这种零件(出示教具)
2.如果加工对象比较复杂,像我拿的这种,再用这些指令去编
程进行加工就比较困难了,在这种情况下我们可以利用前面
学过的G71、G70指令来完成任务。
本节课我们就来学习这些内容。
学生自由回
答
2分
钟
教授新知识过程
用G71、G70车削轴类零件
一、G71、G70指令复习
指令格式:
G71 U(Δd) R(△e)
G71 P(ns)Q(nf) U(Δu) W(Δw) F(f) S(s) T(t)
指令说明:
①Δd表示每次切削深度(半径值),无正负号;
② e表示退刀量(半径值),无正负号;
③ ns表示精加工路线第一个程序段的顺序号;
④ nf表示精加工路线最后一个程序段的顺序号;
⑤ Δu表示X方向的精加工余量,直径值;
指令格式: G70 P(ns) Q(nf)
指令说明:
ns表示指定精加工路线第一个程序段的顺序号;
nf表示指定精加工路线最后一个程序段的顺序号;
应该注意一些问题
(1)该指令适合加工什么特征的零件?(形状复杂、轴向
尺寸较大、尺寸单增或单减的)
(2)G70循环指令调用N(ns)至N(nf)之间程序段,其中程
序段中不能调用子程序。
二、图样分析
对下图进行分析,分析的内容包括
1、视图分析
零件的结构组成,倒角、圆柱面、圆弧、锥面等
2、尺寸分析
尺寸标注是否清晰完整,精度要求的高低,保证精度的方
法,径向和轴向尺寸的基准
3、技术要求分析
加工工件的材料、热处理的类型、加工数量等
让学生来解
释各地址字
的含义
可尝试让学
生说出来
让学生先预
习讨论然后
找代表回答
2
教授新知识过程
图1
三、加工工艺分析和制定
1. 设备、毛坯选用因为是典型的轴类零件所以选择在数控
车床上进行加工,毛坯选用φ40mm的棒料。
2. 刀、夹、量具选用零件比较规则且尺寸不大选择三爪自
定心卡盘装夹;选用的刀具有90°外圆偏刀、切断刀(刀
宽选择4mm,刀具材料依据工件材料选用),游标卡尺等。
3. 切削用量的选择依据图样给定的工件材料选择合适的切
削参数(切削深度、进给量、主轴转速等)
4.刀具卡和工序卡填写根据分析的结果填写刀具卡和工序卡
表一刀具卡
实训课题
复杂轴类零
件的编程与
加工
零件
名称
轴类件
一
零件
序号
01
序
号
刀具号刀具名称
及规格
刀具
材料
数量加工
表面
备
注
1 T01 90°外圆右
偏刀
(20×20)
YT硬
质合金
1 外圆、
端面
2 T02 切断刀
(20×20)
YT硬
质合金
1 切断
表二工序卡
工件
材料
45#零件
序号
01 机床系统FANUC
工步号工步内容刀具切削用量
切削深度
(mm)
进给速度
(mm/min
主轴转速
(r/min)
1 车端面T01 根据实际情况操作
2 粗车外
轮廓
T01 1.5 100 500
精车外
轮廓
T01 0.2 80 1000
3 切断T02
4 30 500
这部分内容
让两个学习
小组来完
成,互相补
充完整
32
分
钟
3
四、编写程序
在编写程序时注意以下几个问题
1、坐标原点设定位置(工件右端面轴线上),
2、用到的节点坐标,
3、循环点设定(依据毛坯大小),
4、进退刀时注意不要发生干涉碰撞
5、具体程序(略)让一个学习小组完成
知识盘点
本节课学习的内容是用G71、G70加工轴类零件。
具体内容
有零件的视图、尺寸分析、加工工艺分析、刀具卡、工序卡和
程序的编写等。
重点掌握加工工艺的分析和制定。
学生尝试概
括本节课学
习的内容。
2分
钟
课
堂点评
结合大家的表现情况进行适当点评,激发鼓励大家注意提高
自身综合素质
评选最佳发
言人和最佳
小组
2分
钟
课堂
练
习
1 对图样进行分析
2 分析上图的加工工艺学生自由回
答
2分
钟
作业布置1、利用本节课我们学过的知识加工出图1所示零件。
2、课下认真完成实训报告
3、预习下一节用G71、G72、G70等车削零件
结束语
同学们,通过本节课的学习,相信你对G71、G70指令有了更深刻的理解和掌握,能够对轴类零件制定出合理的加工工艺、编写正确的加工程序。
好好掌握这些内容,因为它会对你今后的工作有帮助!
4。