开关柜二次控制原理图
- 格式:doc
- 大小:38.00 KB
- 文档页数:12
精品文档35千伏35千伏主进断路器保护二次接线方案图35干伏母联断路器保护二次接线方案图精品文档精品文档35千伏主变压器保护二次接线方案图精品文档精品文档精品文档精品文档35千伏电压互感器保护二次接线方案图35千伏所用变压器保护二次接线方案图精品文档10千伏10千伏引入线保护二次接线方案图精品文档精品文档精品文档精品文档精品文档精品文档精品文档10千伏变压器保护二次接线方案图精品文档精品文档精品文档精品文档10千伏备用电源自动投入接线图精品文档10千伏母联断路器自动投入接线图精品文档精品文档10千伏电压互感器接线原理图精品文档精品文档精品文档精品文档精品文档中央信号系统接线图低压成套开关设备二次接线方案图索引精品文档精品文档测量回路电流电能测量回路接线方案图精品文档精品文档精品文档电压测量回路接线方案图精品文档精品文档有功电能测量回路接线方案图三相有功电能测量回路接线方案图精品文档精品文档精品文档精品文档三相有功、无功电能测量回路接线方案图精品文档精品文档精品文档断路器断路器合分指示回路接线方案图断路器合分指示电分控制回路接线方案图精品文档精品文档精品文档断路器电合电分控制回路接线方案图精品文档精品文档精品文档精品文档AH (DW914)AH (DW914)断路器电合电分控制回路接线方案图精品文档精品文档。
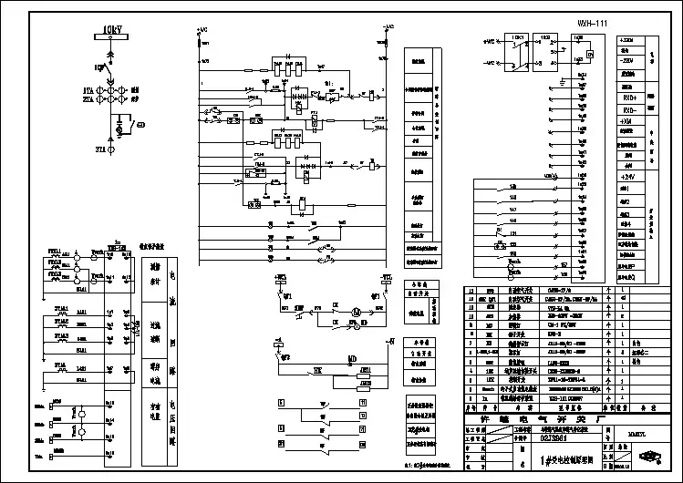
10KV开关柜二次接线原理图1、综述10kV开关柜的主要部分包括:真空断路器、电流互感器、就地安装的微机保护装置、操作回路附件(把手、指示灯、压板等等)、各种位置辅助开关。
其中,断路器与电流互感器安装在开关柜内部,微机保护、附件、电度表安装在继电器室(沿用以前的叫法,其实已经没有继电器了)的面板上,端子排与各种电源空气开关安装在继电器室内部,端子排通过控制电缆或专用插座与断路器机构连接。
理解开关柜的二次接线,我们需要找到两份图纸:综自厂家提供的保护原理图、接线图;开关柜厂家提供的二次原理图、配线图、端子排图、断路器机构原理图。
综自厂的图纸是开关柜厂家的设计原始依据,关厂的原理图一般都是根据综自厂的原理图修改的,输入,控制量的输出。
信息来源:2、10kV电缆出线中置柜的二次接线KYN28A(GZS1中置柜是城区变电站使用最多的成三部分,最上面是继电器室,中间是断路器室, 备安装在背面的柜体内。
如图8-1-1所示。
也是我们审核开关柜厂家图纸的依据。
开再示意性的画出电流、电压、信号量的10kV开关柜型式,从正面看,它明显分F面是空室(什么也没有),母线等高压设图8-1-12.1继电器室继电器室的面板上,安装有微机保护装置、操作把手、保护出口压板、指示灯(合位红灯、分位绿灯、储能完成黄灯);继电器室内,安装有端子排、微机保护控制回路直流电源开关、微机保护工作直流电源、储能电机工作电源开关(直流或交流)。
图8-1-1是早期开关柜的图片,继电器室就是安装电流表和指示灯的位置。
22断路器室请登陆: 浏览更多信息10kV中置柜最常用的断路器是VS1真空断路器,断路器机构内的接线通过专用插座与继电器室的端子排联接。
插头的一段与断路器机构固定连接,另一段是一个专用插头,配套的插座安装在断路器室的右上方,从插座引出线接至继电器室端子排。
为了搞明白二次回路,我们需要对操作过程进行一定的了解。
中置柜断路器手车有三个位置:断开、试验、运行(需要注意的是,断路器手车和断路器是两个概念,断路器手车其实就是断路器和它的座)。
一、二次回路的定义由二次设备互相连接,构成对一次设备进行监测、控制、调节和保护的电气回路称为二次回路二次回路在词典中的解释:在电气系统中由互感器的次级绕组、测量监视仪器、继电器、自动装置等通过控制电缆联成的电路。
用以控制、保护、调节、测量和监视一次回路中各参数和各元件的工作状况。
用于监视测量表计、控制操作信号、继电保护和自动装置等所组成电气连接的回路均称为二次回路或称二次接线。
二、二次回路的组成指对一次设备的工作进行监视、控制、测量、调节和保护,所配置的如:测量仪表、继电器、控制和信号元件,自动装置、继电保护装置、电流、电压互感器等,按一定的要求连接在一起所构成的电气回路,称为二次接线或称为二次回路。
一次回路的组成由发电机、变压器、电力电缆、断路器、隔离开关、电压、电流互感器、避雷器等构成的电路,称为一次接线或称为主接线。
三、二次回路的分类1、按电源性质分交流电流回路---由电流互感器(TA)二次侧供电给测量仪表及继电器的电流线圈等所有电流元件的全部回路。
交流电压回路---由电压互感器(TV)二次侧及三相五柱电压互感器开口三角经升压变压器转换为220V供电给测量仪表及继电器等所有电压线圈以及信号电源等。
直流回路--- 使用所变输出经变压、整流后的直流电源。
蓄电池--- 适用于大、中型变、配电所,投资成本高,占地面积大。
2、按用途区分测量回路、继电保护回路、开关控制及信号回路、断路器和隔离开关的电气闭锁回路、操作电源回路。
操动回路--- 包括从操动(作)电源到断路器分、合闸线圈之间的所有有关元件,如:熔断器、控制开关、中间继电器的触点和线圈、接线端子等。
信号回路--- 包括光字牌回路、音响回路(警铃、电笛),是由信号继电器及保护元件到中央信号盘或由操动机构到中央信号盘。
四、二次回路识图常用的继电保护接线图包括:继电保护的原理接线圈、二次回路原理展开图、施工图(二次回路又称背面接线图、盘面布置图)。
一、二次回路的定义由二次设备互相连接,构成对一次设备进行监测、控制、调节和保护的电气回路称为二次回路二次回路在词典中的解释:在电气系统中由互感器的次级绕组、测量监视仪器、继电器、自动装置等通过控制电缆联成的电路。
用以控制、保护、调节、测量和监视一次回路中各参数和各元件的工作状况。
用于监视测量表计、控制操作信号、继电保护和自动装置等所组成电气连接的回路均称为二次回路或称二次接线。
二、二次回路的组成指对一次设备的工作进行监视、控制、测量、调节和保护,所配置的如:测量仪表、继电器、控制和信号元件,自动装置、继电保护装置、电流、电压互感器等,按一定的要求连接在一起所构成的电气回路,称为二次接线或称为二次回路。
一次回路的组成由发电机、变压器、电力电缆、断路器、隔离开关、电压、电流互感器、避雷器等构成的电路,称为一次接线或称为主接线。
三、二次回路的分类1、按电源性质分交流电流回路---由电流互感器(TA)二次侧供电给测量仪表及继电器的电流线圈等所有电流元件的全部回路。
交流电压回路---由电压互感器(TV)二次侧及三相五柱电压互感器开口三角经升压变压器转换为220V供电给测量仪表及继电器等所有电压线圈以及信号电源等。
.直流回路---使用所变输出经变压、整流后的直流电源。
蓄电池---适用于大、中型变、配电所,投资成本高,占地面积大。
2、按用途区分测量回路、继电保护回路、开关控制及信号回路、断路器和隔离开关的电气闭锁回路、操作电源回路。
操动回路---包括从操动(作)电源到断路器分、合闸线圈之间的所有有关元件,如:熔断器、控制开关、中间继电器的触点和线圈、接线端子等。
信号回路---包括光字牌回路、音响回路(警铃、电笛),是由信号继电器及保护元件到中央信号盘或由操动机构到中央信号盘。
四、二次回路识图常用的继电保护接线图包括:继电保护的原理接线圈、二次回路原理展开图、施工图(二次回路又称背面接线图、盘面布置图)。
1、看图A、先看一次,后看二次。
一、二次回路的定义由二次设备互相连接,构成对一次设备进行监测、控制、调节和保护的电气回路称为二次回路二次回路在词典中的解释:在电气系统中由互感器的次级绕组、测量监视仪器、继电器、自动装置等通过控制电缆联成的电路。
用以控制、保护、调节、测量和监视一次回路中各参数和各元件的工作状况。
用于监视测量表计、控制操作信号、继电保护和自动装置等所组成电气连接的回路均称为二次回路或称二次接线。
二、二次回路的组成指对一次设备的工作进行监视、控制、测量、调节和保护,所配置的如:测量仪表、继电器、控制和信号元件,自动装置、继电保护装置、电流、电压互感器等,按一定的要求连接在一起所构成的电气回路,称为二次接线或称为二次回路。
一次回路的组成由发电机、变压器、电力电缆、断路器、隔离开关、电压、电流互感器、避雷器等构成的电路,称为一次接线或称为主接线。
三、二次回路的分类1、按电源性质分交流电流回路---由电流互感器(TA)二次侧供电给测量仪表及继电器的电流线圈等所有电流元件的全部回路。
交流电压回路---由电压互感器(TV)二次侧及三相五柱电压互感器开口三角经升压变压器转换为220V供电给测量仪表及继电器等所有电压线圈以及信号电源等。
直流回路---使用所变输出经变压、整流后的直流电源。
蓄电池---适用于大、中型变、配电所,投资成本高,占地面积大。
2、按用途区分测量回路、继电保护回路、开关控制及信号回路、断路器和隔离开关的电气闭锁回路、操作电源回路。
操动回路---包括从操动(作)电源到断路器分、合闸线圈之间的所有有关元件,如:熔断器、控制开关、中间继电器的触点和线圈、接线端子等。
信号回路---包括光字牌回路、音响回路(警铃、电笛),是由信号继电器及保护元件到中央信号盘或由操动机构到中央信号盘。
四、二次回路识图常用的继电保护接线图包括:继电保护的原理接线圈、二次回路原理展开图、施工图(二次回路又称背面接线图、盘面布置图)。
1、看图A、"先看一次,后看二次"。
一次:断路器、隔离开关、电流、电压互感器、变压器等。
了解这些设备的功能及常用的保护方式,如变压器一般需要装过电流保护、电流速断保护、过负荷保护等,掌握各种保护的基本原理;再查找一、二次设备的转换、传递元件,一次变化对二次变化的影响等。
B、"看完交流,看直流"。
指先看二次接线图的交流回路,以及电气量变化的特点,再由交流量的"因"查找出直流回路的"果"。
一般交流回路较简单。
C、"交流看电源、直流找线圈"。
指交流回路一般从电源入手,包含交流电流、交流电压回路两部分;先找出由哪个电流互感器或哪一组电压互感器供电(电流源、电压源),变换的电流、电压量所起的作用,它们与直流回路的关系、相应的电气量由哪些继电器反映出来。
D、"线圈对应查触头,触头连成一条线"。
指找出继电器的线圈后,再找出与其相应的触头所在的回路,一般由触头再连成另一回路;此回路中又可能串接有其它的继电器线圈,由其它继电器的线圈又引起它的触头接通另一回路,直至完成二次回路预先设置的逻辑功能。
E、"上下左右顺序看,屏外设备接着连"。
主要针对展开图、端子排图及屏后设备安装图。
原则上由上向下、由左向右看,同时结合屏外的设备一起看。
2、原理图对于与二次回路直接相连的一次接线部分绘成三线形式,而其余部分则以单线图表达。
原理图多用于对继电保护装置和自动装置的原理学习和分析或作为二次回路设计的原始依据。
A、原理图的仪表和继电器都是以整体形式的设备图形符号表示的,但不画出其内部的电路图,只画出触点的连接。
B、原理图是将二次部分的电流回路、电压回路、直流回路和一次回路图绘制在一起;特点是能使读图人对整个装置的构成有一个整体的概念,并可清楚地了解二次回路各设备间的电气联系和动作原理。
C、缺点:对二次接线的某些细节表示不全面,没有元件的内部接线。
端子排号码和回路编号、导线的表示仅一部分,并且只标出直流电源的极性等。
3、展开图展开图和原理图是同一接线的两种表达方式。
"直观性好"A、将二次回路的设备展开表示,分成交流电流、交流电压回路,直流回路,信号回路。
B、将不同的设备按电路要求连接,形成各自独立的电路。
C、同一设备(电器元件)的线圈、触点,采用相同的文字符号表示,同类设备较多时,采用数字序号。
D、展开图的右侧以文字说明回路的用途。
E、展开图中所有元器件的触点都以常态表示,即没有发生动作。
4、安装接线图A、屏背面展开图---以屏的结构在安装接线图上展开为平面图来表示。
屏背面部分装设仪表、控制开关、信号设备和继电器;屏侧面装设端子排;屏顶的背面或侧面装设小母线、熔断器、附加电阻、小刀开关、警铃、蜂鸣器等。
B、屏上设备布置的一般规定---最上为继电器,中为中间继电器,时间继电器,下部为经常需要调试的继电器(方向、差动、重合闸等),最下面为信号继电器,连接片以及光字牌,信号灯,按钮,控制开关等。
C、保护和控制屏面图上的二次设备,均按照由左向右、自上而下的顺序编号,并标出文字符号;文字符号与展开图、原理图上的符号一致;在屏面图的旁边列出屏上的设备表(设备表中注明该设备的顺序编号、符号、名称、型号、技术参数、数量等);如设备装在屏后(如电阻、熔断器等),在设备表的备注栏内注明。
D、在安装接线图上表示二次设备---屏背面接线图中,设备的左右方向正好与屏面布置图相反(背视图);屏后看不见的二次设备轮廓线用虚线画出;稍复杂的设备内部接线(如各种继电器)也画出,电流表、功率表则不画;各设备的内部引出端子(螺钉),用一小圆圈画出并注明端子的编号。
5、接线端子---连接同一屏(除特殊信号联络外)上不同设备电路。
A、试验端子---用于需要投入试验仪器的电流回路时可用到,主要利用它可校验电流回路中的仪表和继电器的准确度,可保证电流互感器的二次侧在测试中不会开路且又不必松动原来的接线。
B、连接试验端子---同时具备连接端子和试验端子的功能,常用于需要彼此连接的电流试验回路中。
C、特殊端子---用于需要很方便地开断回路的场合。
配电应用电缆截面积(铜芯)电流回路≥2.5MM2,长度较长时应≥4~6MM2电压回路、控制回路、信号回路≥1.5MM2二次图纸识图与标号知识会识图的重要性会看变电站的常用图纸资料是变电站值班员的一项基本能力,是值班员通过自学熟悉变电站的前提条件,是分析二次回路异常或故障的基础能力。
第2小节二次识图须准备的相关知识2.1 常用的概念说明接点的常态:指在变电站图纸中的继电器、接触器或压力等接点的正常状态。
对开关、刀闸、地刀的位置辅助接点,是指开关、刀闸、地刀在断开位置时接点的状态。
对于压力接点、温度接点、热继电器等,指正常压力下的状态。
对于继电器或接触器指它们不励磁时的状态。
励磁与不励磁:对于电压型线圈的继电器或接触器,指在它们的线圈两端施加有足够大的电压,能使其接点分、合状态发生改变的状态。
对于电流型线圈的继电器或接触器,指在它们的线圈通过足够大的电流,能使其接点转态发生变化的电压。
接点动作与不动作:接点处于常态,叫不动作。
如因设备的继电器或接触器励磁,或者压力改变、温度改变等,导致接点的分、合状态不同于常态,叫接点动作。
原理接线图:用以表示测量表计、控制信号、保护和自动装置的工作原理。
原理图反映的整个装置(回路)的完整概念,主要用于了解装置、回路的动作原理。
在原理图中,各元件是整块形式,与一次接线有关部分划在一起,并由电流回路或电压回路联系起来。
但图中无端子编号、各回路交叉,实际使用非常不便。
展开图:是另一种方式构成的接线图,各元件被分成若干部分。
元件的线圈、触点分散在交流回路和直流回路中。
在展开图中依电流通过的方向,画出按钮、触点、线圈和它们端子编号,由左至右,由上到下排列起来,最后构成完整的展开图。
在图的右侧还有文字说明回路的作用。
特点是条理清晰,非常方便对回路的逐一分析与检查。
常见的展开图有电流、电压回路图,控制及信号回路图。
平面布置图:反映一个屏(保护屏、控制屏、电度表屏等)上全部设备的安装位置,并指明各设备在整个屏中的设备编号。
用于了解一个屏设备的布置情况(安装位置、设备型号和设备的编号)。
分屏前布置图、屏后布置图。
平面布置图:反映一个屏(保护屏、控制屏、电度表屏等)上全部设备的安装位置,并指明各设备在整个屏中的设备编号。
用于了解一个屏设备的布置情况(安装位置、设备型号和设备的编号)。
安装接线图:常见的有屏柜的端子接线图、开关或端子箱的安装接线图。
图中每个设备都有按一定顺序的编号、代号,设备的接线端子(柱)也有标号,此标号完全与产品的实际位置对应。
每个接线端子还注明有连接的去向。
端子排图还有回路编号(与展开图对应),端子连接的电缆去向、电缆的编号。
与现场实际设备的安装情况完全对应。
是安装和核对现场不可缺少的图纸。
2.2 图形符号的意义按《变电站值班员》一书后的图形符号,记忆常见符号:常闭接点、常开接点、延时打开与延时闭合接点的区别、按钮、线卷的符号、接触器的触点、电阻等。
1D、2D、3D等屏、柜或端子箱内端子排上的端子符号,1n、2n、1-1n等为各装置的端子。
2.3 二次回路的标号及标号的规律为便于安装、运行和维护,在二次回路的所有设备之间的连线都要进行标号,这就是二次回路标号。
标号一般采用数字或数字和文字的组合,它表明了回路的性质和用途。
在图纸展开图的每个元件(触点、线圈、端子排的端子等)之间的线段都标号(常叫回路编号),回路标号通常能表明该回路的用途。
在屏柜或端子箱的端子排的端子接线头处均有回路标号(保护人员称为端子黑头上),此处的回路标号与图纸展开图的回路标号对应。
在同一个间隔,回路标号相同的端子、引线在电气上连接的电阻为零,即互相之间用导线连接。
熟记下列常用的回路标号:1:控制回路电源的正极。
如主变有三侧开关,则三侧开关的控制回路电源的正极分别为101、201、301。
2:控制回路电源的正极。
3:701:信号回路电源的正极。
4:702:信号回路电源的正极。
5:A4XX、B4XX、C4XX、N4XX:为CT二次电流回路的A、B、C、N相。
特点为标号以4开头。
6:A6XX、B6XX、C6XX、N6XX:为CT二次电压回路的A、B、C、N相。
特点为标号以6开头。
其中A630、B630、C630为Ⅰ母电压,其中A640、B640、C640为Ⅱ母电压。
如本站有多个电压等级,则在630和640后增写Ⅰ、Ⅱ、Ⅲ,分别表示本站高压、中压、低压的母线电压回路。
7:901、902、903…..或J901、J902、J903、…..等为信号回路。