v4 路面结构设计
- 格式:doc
- 大小:592.00 KB
- 文档页数:25
2024年路面结构方案的比选范本[省略部分]第二部分:设计方案1. 方案名称:快速路面结构优化方案2. 方案目标:在保证道路使用寿命和安全性的基础上,改善路面结构的耐久性、舒适性和可维护性。
3. 方案内容:a) 路面结构设计:采用多层结构的设计方案,包括基层、底层和面层。
基层采用高强度水泥砼,底层采用沥青混凝土,面层采用特殊舒适性材料,如橡胶沥青混凝土。
b) 路面排水设计:合理设计路面的排水系统,确保雨水及时排除,避免积水和漫水现象,减少路面损坏的可能性。
c) 路面防尘设计:采用环保型防尘材料,防止路面灰尘对驾车者和周围环境的影响,提高道路使用的舒适性。
d) 路面噪音减少设计:结合城市环境特点,选用降噪型材料,减少车辆行驶时的噪音产生,提高周围居民的居住质量。
e) 路面标线设计:采用高反光度、持久使用的标线材料,确保驾车者夜间行驶时的安全性,减少交通事故的发生。
f) 路面维护工艺设计:结合最新科技手段,选择合适的维护工艺,提高路面维修效率和质量,降低维修成本。
4. 方案实施计划:a) 前期准备:开展路面结构方案设计研究,确定优化方向和目标,制定实施计划。
b) 方案试点:选择部分主要道路进行试点,收集数据和反馈意见,优化方案细节。
c) 方案扩大推广:根据试点效果和意见反馈,逐步推广到其他主要道路,持续改进方案细节。
d) 方案评估:定期对实施效果进行评估,根据评估结果进一步优化方案,确保方案的可持续性和效果。
第三部分:方案评估与选择1. 评估指标:a) 耐久性:评估方案在不同使用条件下的耐久性表现,包括路面龟裂、脱落等情况。
b) 舒适性:评估方案对驾车者和行人的舒适性影响,包括减震效果、噪音减少等。
c) 可维护性:评估方案维护工艺的易操作性和维修成本,包括材料选用、维修周期等。
d) 环境影响:评估方案对环境的影响程度,包括防尘效果、排水效果、二氧化碳排放等。
2. 评估方法:采用实地考察、专家评审、用户调查等多种方法进行评估,综合考虑不同因素。
浅谈山区四级公路沥青路面的设计与施工近年来,随着我国农村公路建设的发展,沥青路面因具有表面平整、坚实、无接缝、行车平稳、舒适、噪音小、造价低廉、适宜机械化施工等近年来,随着我国农村公路建设的发展,沥青路面因具有表面平整、坚实、无接缝、行车平稳、舒适、噪音小、造价低廉、适宜机械化施工等优点而越来越广泛地被应用到农村公路建设中。
但是,由于沥青路面容易产生基层反射裂缝;低温情况下容易产生开裂;容易产生水损坏,尤其是设计与施工质量控制不当时更容易产生早期破坏。
因此,本文结合山区四级公路沥青路面设计与施工的实践,提出山区四级公路沥青路面在建设中应注意的一些问题,以供同行参考。
1 沥青路面的使用性能在第七届国际沥青路面结构会议后,人们将沥青路面的使用性能分为两类:①结构性使用性能,即抗疲劳损坏、抗高温车辙、抗低温缩裂,抗水损害和抗老化五个方面;②功能性使用性能,即平整度、构造深度、摩擦系数、车辙和滚动噪声5 个方面。
2 沥青路面的设计沥青路面的设计分为结构组合设计、路面厚度计算和材料配合比设计3个部分,下面结合沥青路面使用性能方面的要求来论述四级公路沥青路面的设计。
2.1 结构组合设计应根据公路所在区域的水文地质、气候特点、公路等级与使用要求、交通量及其交通组成等因素,结合当地实践经验,选择适宜的路面结构组合。
即山区四级公路沥青路面的结构组合设计应遵循以下要求:(1)适应行车荷载作用的要求:各结构层应按强度和刚度自上而下递减的规律安排,以使各结构层材料的效能得到充分发挥;基层与面层的模量比应不小于0.3;土基与基层或底基层的模量比宜为0.08~0.40。
(2)在各种自然因素作用下稳定性好:基层一般应选择水稳性好的材料;在季节性冰冻地区,设置防止冻胀和翻浆的垫层;路面总厚度满足防冻厚度的要求。
市政道路路面结构及路基设计市政道路是指城市内的交通道路系统,其设计涉及到路面结构和路基设计。
路面结构是指道路的表层结构,用于承受车辆荷载和提供行车平稳性,而路基设计是指道路基础及其边坡的设计,用于承受道路荷载并保持路基的稳定性。
路面结构设计包括以下几个部分:1. 道路基础层:道路基础层一般由碎石、砂土等材料构成,用以提供路面的稳定性和排水功能。
基础层的厚度和材料的选择应根据地理条件和交通流量来决定。
3. 路面面层:路面面层是道路最上层的材料,通常由沥青混凝土或水泥混凝土构成。
面层应具有耐磨性、抗滑性和排水性能,以确保行车的平稳性和安全性。
4. 路肩:路肩是指道路两侧的边坡,通常由碎石、草坪等材料构成。
路肩的设计应考虑到排水和边坡稳定性,并根据交通流量和道路类型来确定宽度。
路基设计是指道路基础及其边坡的设计,主要包括以下几个方面:1. 车行道路基的设计:车行道路基是指路面结构下方的土层,用以提供支撑和承载能力。
路基设计应考虑到土壤的类型和强度,以及排水和稳定性的要求。
2. 路基边坡设计:路基边坡是指道路两侧的边坡,用以保持路基的稳定性并防止坍塌。
边坡的设计应考虑到土壤的稳定性、水分含量和坡度,并采取相应的措施来加固和保护边坡。
3. 排水系统设计:道路设计中的排水系统是为了确保道路在降雨等情况下的排水能力,防止水泄漏和积水。
排水系统设计应包括雨水收集、排水管道和排水沟等设施的设置。
市政道路的设计涉及到路面结构和路基设计,其中路面结构包括道路基础层、路面底层、路面面层和路肩的设计,而路基设计主要包括车行道路基的设计、路基边坡设计和排水系统设计。
这些设计要素的合理安排能够提高道路的使用寿命和安全性。
路面结构方案的比选(1)桥型介绍简支梁桥是梁桥中应用最广泛的一种桥型,其结构简单、施工方便、受力明确、易采用标准设计,从而可简化施工、降低建设成本。
简支梁桥是静定结构,结构内力不收地基变形及温度变化等的影响,因此对基础的适应性好。
但受跨中正弯矩的限制,预应力混凝土简支梁桥的经济跨径一般在____m左右。
(2)尺寸拟定桥垮布置为5____33.2,总长度为____m。
图1横截面图(尺寸单位:cm)(3)施工方案设计采用预制拼装法(后张法)施工,即先预制t型梁,然后用大型机械吊装的一种施工方法。
其中后张法的施工流程为:先浇筑构件混凝土,并在其中预留孔道,待混凝土达到要求强度后,将预应力钢筋穿入预留的孔道内,将千斤顶支承与混凝土构件端部,张拉预应力钢筋,使构件也同时受到反力压缩。
待张拉到控制拉力后,即用夹片锚具将预应力钢筋锚固于混凝土构件上,使混凝土获得并保持其预压应力。
最后,在预留孔道内____水泥浆。
,使预应力钢筋与混凝土粘结成为整体。
路面结构方案的比选(二)(1)桥型介绍预应力混凝土连续箱粱是常用的一种桥梁结构形式,属于超静定体系。
其在恒载、活载作用下,产生的支点负弯矩对跨中正弯矩有卸载的作用,使其内力状态比较均匀合理。
结构刚度大,变形小,动力性能好,丰梁变形挠曲线平缓,有利于高速行车。
可采用悬臂施工法、顶推法、逐跨施工法施工,充分应用预应力技术的优点使施工设备机械化,生产工厂化;采用预制厂,预制主梁,然后____就位,张拉负弯矩钢筋,形成连续结构,施工速度快。
(2)尺寸拟定①桥垮布置桥垮布置为。
45+76+45,总长为____m。
布置图如图____所示。
图2桥型布置图(连续梁)②截面尺寸图3截面构造图(连续两桥、连续钢构桥)(3)施工方案设计连续梁桥的施工方法有先简支后连续法、顶推施工法、悬臂施工法……,本次施工采用悬臂浇筑法施工。
路面结构方案的比选(三)(1)桥型介绍预应力混凝土连续刚构是将连续梁的桥墩与梁部固结,减小了支座处的负弯矩,增强结构的整体性;结构上主墩无支座、施工体系转换方便、伸缩缝少、行车舒适、顺桥向抗弯刚度和横桥向抗扭刚度大、受力性能好,顺桥向抗推刚度小,对温变、混凝士收缩徐变及地震均有利。
公路自然区划Ⅳ区一级公路路面结构设计The Design On The Road Surface Structure Of A Class-A Highway In ⅣRank Nature Division For Highway目录1 引言 (1)2 新建沥青路面设计及计算 (1)2.1 基本资料 (1)2.1.1 自然地理条件 (1)2.1.2 土基回弹模量 (2)2.1.3 交通量及其年增长率和设计年限 (2)2.2.4 设计轴载 (2)2.2 初拟路面结构 (6)2.3 路面材料配合比设计与设计参数的确定 (6)2.3.1 试验材料的确定 (6)2.3.2 路面材料配合比设计 (6)2.3.3 路面材料抗压回弹模量的确定 (6)2.3.4 路面材料劈裂强度测定 (6)2.4 路面结构层厚度确定 (7)2.4.1 方案一的结构层厚度计算 (7)2.4.2 方案二的结构层厚度计算 (10)2.4.3 方案三的结构厚度验算 (11)2.4.4 验算防冻厚度 (12)2.4.5计算机计算过程对比 (13)3 新建普通混凝土路面设计及计算 (18)3.1 基本资料 (18)3.1.1 自然地理条件 (18)3.1.2 土基回弹模量 (18)3.1.3 交通量及其年增长率和设计年限 (18)3.1.4 设计轴载 (18)3.2 初拟路面结构 (21)3.3 路面材料参数确定 (21)3.4 荷载疲劳应力 (22)3.5 温度疲劳应力 (23)3.6 可靠度系数确定 (23)3.7 极限状态方程验算 (23)3.8 计算机软件计算结果对比 (23)致谢 (25)参考文献 (26)公路自然区划IV区一级公路路面结构设计1 引言某地(IV区)拟建一级公路,设计年限为15年,土基为粉质土,确定土基的稠度为1.10,回弹模量取36MPa,路基干湿状态为中湿状态。
有关资料如下:1.初始条件:在双轮组(或多轮组)货车型号中自行选取,型号不少于7种(如表1),日交通量自拟,保证计算的交通等级属于重交通或特重交通。
2024年路面结构方案的比选范本一、项目背景市政道路的正常运行对交通、城市发展至关重要。
随着城市化进程的加快和车辆数量的增加,现有路面结构已经面临一些问题,例如路面破损、噪音扩散等。
为了保障市民的出行安全和提升城市形象,有必要对现有路面结构进行升级改造。
本次比选旨在寻找适合2024年的路面结构方案。
二、比选目标比选将根据以下几个方面对各种路面结构方案进行评估和选择:1. 耐久性:路面结构方案必须具有较长的使用寿命,能够经受住日常车辆流量和恶劣天气的考验。
2. 安全性:路面结构方案应能提供良好的驾驶和步行环境,减少事故发生的可能性。
3. 抗损坏性:路面结构方案应具备抗裂、抗沉陷和抗滑等特性,能够有效减少路面的损坏。
4. 噪音衰减:路面结构方案应具备良好的噪音衰减功能,降低交通噪音对周围环境的影响。
5. 施工成本和维护成本:路面结构方案应具备施工简单、维护成本较低等特点,能够更好地利用资源。
三、比选内容及标准1. 耐久性评估:评估路面结构方案的耐久性主要包括以下项目:- 使用寿命:根据不同方案的材料特性、施工工艺和设计理念,评估其预期使用寿命。
- 抗车辆压力:测试不同方案对车辆压力的承受能力,通过模拟不同程度的车流量和车辆质量进行实验。
- 抗恶劣天气条件:测试不同方案在极端气候条件下的耐受能力,例如高温、寒冷、潮湿等。
2. 安全性评估:评估路面结构方案的安全性主要包括以下项目:- 高低差和坡度:考察方案对高低差和坡度的适应性,确保驾驶和行人通行的舒适性。
- 制动效果:测试不同方案对车辆制动效果的影响,确保路面结构的稳定性。
- 制滑功能:测试不同方案对雨天和湿滑路面的制滑效果,以提高车辆行驶的安全性。
3. 抗损坏性评估:评估路面结构方案的抗损坏性主要包括以下项目:- 抗裂性:通过模拟不同程度的日常车流量和重型车辆负荷,测试路面结构对裂缝的抵抗能力。
- 抗沉陷性:测试方案对土质情况变化和土壤沉降的承受能力。
四级公路设计指标及停车视距计算道路横断面设计是指道路剖面的设计,包括路面宽度和车行道数量。
四级公路一般具有双向两车道或单向一车道的设计,在双向两车道情况下,车行道宽度一般为7.5米,其中每个车道宽度为3.75米,中央隔离带宽度为1米;在单向一车道情况下,车行道宽度一般为3.75米。
此外,还需要考虑路肩设计,路肩宽度一般为2米。
纵断面设计是指道路长轴线的设计,主要包括纵坡和坡度的设计。
四级公路的纵坡一般应符合设计标准中的最大纵坡要求,以保证道路的舒适性和交通安全。
纵坡可以根据地形地貌情况进行设计,但在设计过程中,需要保证坡度适中,不宜过陡。
弯道设计是指道路上弯曲部分的设计,主要包括水平弯曲和垂直弯曲。
水平弯曲部分的设计应符合设计标准中的最小曲线半径要求。
垂直弯曲部分的设计应根据道路坡度进行合理调整,以保证车辆通过弯道时的稳定性和安全性。
此外,还需要根据弯道的情况进行标线和标志的设置,以提醒驾驶员注意行驶安全。
停车视距是指道路上驾驶员在进行停车操作时所能够清晰看到的距离。
停车视距的计算一般遵守对向车道视距的规定。
对向车道视距的计算公式为:S=V^2/(254*f*a)其中,S为对向车道视距,单位为米;V为设计车速,单位为千米/小时;f为车辆的减速度,单位为米/秒^2;a为车辆的长度,单位为米。
在计算停车视距时,需要结合道路的特点和交通流量进行合理调整,以确保驾驶员能够充分把握停车的距离。
总的来说,四级公路的设计指标主要包括道路横断面设计、纵断面设计、弯道设计和停车视距设计等,这些指标是为了保证道路的交通安全和舒适性而制定的。
在实际设计过程中,还需要考虑道路特点、地形地貌和交通需求等因素,以确保道路的合理性和实用性。
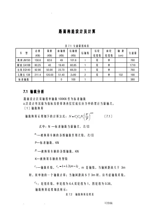
路面构造设计及计算7.1 轴载分析路面设计以双轴组单轴载100KN 作为标准轴载a.以设计弯沉值为指标及验算沥青层层底拉应力中的累计当量轴次。
〔1〕轴载换算轴载换算采用如下的计算公式:35.421⎪⎭⎫⎝⎛=P P N C C N i i 〔7.1〕式中:N —标准轴载当量轴次,次/日i n —被换算车辆的各级轴载作用次数,次/日 P —标准轴载,KNi p —被换算车辆的各级轴载,KN K —被换算车辆的类型数1c —轴载系数,)1(2.111-+=m c ,m 是轴数。
当轴间距离大于3m 时,按单独的一个轴载计算;当轴间距离小于3m 时,应考虑轴数系数。
2c :轮组系数,单轮组为6.4,双轮组为1,四轮组为0.38。
轴载换算结果如表所示:表7.2 轴载换算结果表注:轴载小于25KN 的轴载作用不计。
〔2〕累计当量轴数计算根据设计规,一级公路沥青路面的设计年限为15年,四车道的车道系数η取0.40,γ =4.2 %,累计当量轴次:][γηγ13651)1(N N te⨯⨯-+=[]次)(.5484490042.040.0327.184********.0115=⨯⨯⨯-+= (7.2)验算半刚性基层层底拉应力的累计当量轴次 b.轴载换算验算半刚性基底层底拉应力公式为81'2'1')(∑==ki i i P p n c c N (7.3) 式中:'1c 为轴数系数,)1(21'1-+=m c'2c 为轮组系数,单轮组为1.85,双轮组为1,四轮组为0.09。
计算结果如下表所示:表7.3注:轴载小于50KN的轴载作用不计。
[]γηγ'13651)1(N Nte⨯⨯-+=⋅ []次3397845%042.040.0313.13473651%)042.01(15=⨯⨯⨯-+=7.2构造组合与材料选取由上面的计算得到设计年限一个行车道上的累计标准轴次约为700万次左右,根据规推荐构造,路面构造层采用沥青混凝土〔15cm 〕、基层采用石灰粉煤灰碎石〔厚度待定〕、底基层采用石灰土〔30cm 〕。
四级道路路面标准四级道路路面标准是指对四级公路的路基宽度、路拱坡度、路面类型、路面厚度、排水设施、标志标线、路边护栏和照明设施等要素进行统一规范和要求,以确保四级公路的通行能力和安全性能。
1.路基宽度四级道路的路基宽度应当不小于4.5米,但这个宽度可以根据实际情况进行适当调整。
如果需要满足更高的交通量或大型车辆的通行,可以适当加宽路基宽度。
2.路拱坡度四级道路的路拱坡度一般应当在0.4%~3%之间,具体的路拱坡度应根据实际的地理条件和道路状况进行设计。
3.路面类型四级道路的路面类型可以采用水泥混凝土路面或沥青混凝土路面。
水泥混凝土路面具有较高的耐久性和耐磨性,适合于交通量较大的道路;而沥青混凝土路面则具有更好的行车舒适性和噪音控制性能,适合于交通量较小的道路。
4.路面厚度四级道路的路面厚度应符合设计要求,一般水泥混凝土路面厚度应在20~25厘米之间,沥青混凝土路面厚度应在5~8厘米之间。
具体的路面厚度应根据实际的道路等级和使用要求进行设计。
5.排水设施四级道路应设置完善的排水设施,包括边沟、排水沟、涵洞等,以确保路面积水能够及时排出。
同时,路面材料应选择具有良好的透水性能的材料,以提高路面的排水性能。
6.标志标线四级道路应设置完善的交通标志和标线,包括道路指示标志、限速标志、停车标志、车道线、人行横道线等,以提供清晰的交通指示和警示信息。
同时,应定期对标志标线进行维护和更新,以确保其清晰可见。
7. 路边护栏对于四级道路,应当设置路边护栏以保障车辆和行人的安全。
路边护栏应当选用符合标准的材料制作,同时应定期进行维护和保养,以保证其安全性和耐用性。
在护栏的选择上,可根据实际情况选择金属护栏、混凝土护栏或木质护栏等不同类型。
8. 照明设施四级道路应设置适当的照明设施,特别是在夜间或低能见度条件下,以确保道路的可见性和安全性。
照明设施应符合相关的电力标准和环保要求,同时应定期进行检查和维护,以保证其正常运转。
桥梁博士V4工程案例教程分离式组合梁桥V4是一种分离式组合梁桥的工程案例,下面将详细介绍该工程案例的设计和施工过程。
1.设计概述分离式组合梁桥是一种新颖的桥梁结构,适用于大跨径、大荷载和复杂地质条件下的建设。
V4工程案例采用了这种桥梁结构,设计了一座主跨120米的分离式组合梁桥,并通过3D模型进行了全面的分析和优化。
2.结构设计根据实际需求和土地条件,V4工程案例选择了钢筋混凝土箱型梁作为桥梁主体结构。
该梁的横截面形状为矩形,便于施工和维护。
此外,为了增加桥梁的承载能力,还在箱梁上设置了预应力钢束。
3.施工步骤(1)基础施工:根据设计要求,在桥梁两侧先进行基础施工,包括桥墩和桥台的建设。
基础施工需要考虑地质条件和承载能力,确保桥梁的稳定。
(2)上部结构安装:在完成基础施工后,可以进行上部结构的安装。
首先,将各个箱梁依次吊装到桥墩上,并利用临时支架将其固定。
然后,进行后续的调整和连接工作,确保各梁的平整和对齐。
(3)梁体预应力张拉:在箱梁安装完成后,进行梁体的预应力张拉工作。
这一步骤需要采用专用的张拉设备,通过施加预应力,将梁体拉伸,提高其承载能力。
(4)铺装和防护层施工:在箱梁安装和预应力张拉后,进行桥面铺装和防护层施工。
铺装材料可以选择沥青混凝土或水泥混凝土,根据实际情况和设计要求进行选择。
(5)桥墩防护施工:最后,进行桥墩的防护施工,包括桥墩梁下方的防撞墩和桥墩外部的防水防腐涂料施工。
这一步骤主要是保护桥梁结构免受外界因素的影响,延长其使用寿命。
4.安全措施在施工过程中,需要严格遵守相关的安全规范和操作规程,确保施工人员的人身安全和桥梁结构的安全。
特别是在吊装、预应力张拉和高空作业等环节,要加强对施工人员的培训和监督,确保施工过程的安全可控。
总之,V4工程案例中的分离式组合梁桥采用了先进的设计理念和施工技术,能够满足大跨度、大荷载和复杂地质条件下的桥梁需求。
通过科学的设计和精确的施工,该桥梁能够提供可靠的交通通道,并具有较长的使用寿命。
一般四级公路路线设计标准主要技术标准:平原微丘:计算行车速度40km/h,行车道宽度:3.5m,路基宽度一般值6.5m,变化值7.0m,极限最小半径60m,停车视距40m,最大纵坡6%。
山岭重丘:计算行车速度20km/h,路基宽度4.5m,极限最小半径15m停车视距20m,最大纵坡9%。
最小纵坡0.3%。
(上一个设计中,最大纵坡为12)直线最大长度:1000米(左右),最小长度:同向曲线间40米(左右)反向曲线间无超高加宽可相接,无超高有加宽须10m以上缓和短。
有超高时不小于15m。
相邻回头曲线间直线不小于100(80)m。
圆曲线:最大超高8%,超高时一般最下半径30m,极限最小半径15m,不超高时最小半径150m,最大半径10000m。
缓和曲线(一般使用回旋线)长度最小值:计算速度20km/h时为25m,40km/h 时为50m。
不设缓和曲线的最小圆曲线半径:260m。
平曲线最小长度:设计速度20km/h时为40m,40km/h时为70m。
转角等于或小于7度时的平曲线长度。
设计速度20km/h的一般值280/转角。
低限值40m。
设计速度40km/h的一般值500/转角。
低限值70m。
直线最大长度:设计速度20km/h的为400m,直线最小长度同向曲线间50m,反向曲线间40m最短坡长:设计速度20km/h的为60m。
:设计速度40km/h的为100m最大坡长:设计速度20km/h的3%无限制,4%为1200m,5%为1000m,6%为800m,7%为600m,8%为400m,9%为200m。
凸形竖曲线最小半径一般值200m,极限值100m。
最小长度20m。
凹形竖曲线最小半径一般值200m,极限值100m。
四级路控制坡度10%以内,最好9%以下。
挖填局部4、5米皆可。
坡长不用特别在意。
绘图方法:1.先绘平面图,在cad中绘制。
先用pl多段直线绘制大体走向,之后加宽到设计路基宽度,观察大体上是否合理,平曲线使用圆的“切切径”绘制。
v4 路面结构设计4 路面结构设计4.1路面类型及结构层组合路面设计应根据使用要求及气候、水文、土质等自然条件,密切结合当地实践经验。
)在满足交通量和使用要求的前提下,应遵循因地制宜、合理取材、方便施工、利于养护、节约投资的原则,进行路面设计方案的技术经济比较,选择技术较先进、经济合理、安全可靠、有利于机械化的路面结构方案。
4.1.1路面类型的确定目前,我国等级较高的公路一般采用沥青混凝土路面或水泥混凝土路面,两种路面类型各有优缺点,比较见表4.1表4.1 路面类型比较表比较项目沥青混凝土路面水泥混凝土类型柔性刚性接缝无有噪音小大机械化施工容易较困难施工速度快慢稳定性易老化水稳、热稳均较好养护维修方便困难开放交通 快 慢 晴天反光情况 无 稍大 强度 高 很高 行车舒适性好较好由交通量的计算知本道路为中等交通,则路面要选择高等级路面。
通过对两种不同类型路面的比较,另外结合当地材料来源及路面设计原则等各方面综合考虑,选用沥青混凝土路面类型。
4.1.2标准轴载及轴载换算设计采用现行路面设计规范中规定的标准轴载BZZ-100KN ,p=0.7MPa ,δ=10.65cm ,设计使用年限为15年。
1)当以设计弯沉值为指标以及验算沥青层层底拉应力时凡轴载大于25kN 的各级轴载(包括车辆的前、后轴)Pi 的作用次数ni ,按式(6-1)换算成标准轴载P 的当量作用次数N :4.351,2,1Ki i i i i P N C C n P =⎛⎫= ⎪⎝⎭∑ (4-1)式中:N ——标准轴载的当量轴次,次/d ;n i ——被换算车型的各级轴载作用次数,次/d ; P ——标准轴载,kN ;P i ——被换算车型各级(单根)轴载,kN ;C 1i ——被换算车型各级轴载的轴数系数。
当轴间距大于3m 时,按单独的一个轴计算,轴数系数即为轴数m ;当轴间距小于3m 时,按双轴或多轴计算,轴数系数为C 1i =1+1.2(m-1);C 2i ——被换算轴载的轮组系数,单轮组为6.4,双轮组为1.0,四轮组为0.38。
2)当进行半刚性基层层底拉应力验算时凡轴载大于50kN 的各级轴载(包括车辆的前、后轴)P i 的作用次数n i ,按式4-2换算成标准轴载P 的当量作用次数N :8''1,2,1Ki i i i i P N C C n P =⎛⎫'= ⎪⎝⎭∑ (4-2) 式中:'1,i C ——被换算车型各级轴载的轴数系数。
当轴间距大于3m 时,按单独的一个轴计算,轴数系数即为轴数m ;当轴间距小于3m时,双轴或多轴的轴数系数为'1,12(1)i C m =+-;'2,i C ——被换算轴载的轮组系数,单轮组为18.5,双轮组为1.0,四轮组为0.09。
上述轴载换算公式仅适用于单轴轴载小于130kN 的轴载换算。
各种汽车当量轴次计算见表4.2:表4.2(a ) 交通量计算表 车 型 P i (kN) C 1,iC 2,iC 1,i C 2,i (P i /P)4.35n i 次/日 n bi 次/日黄河JN150 后轴 101.61 1 1.0711200 1285.2 前轴 49.0 1 6.4 0.287 1200344.1太脱拉138后轴 80.0 2.2 10.758 450 341.1前轴51.4 1 6.4 0.354 450 159.3解放A10B 后轴60.851 6.4 0.115 750 86.25 前轴19.41 1 0.005 750 3.75跃进NJ13 0 后轴38.31 1 0.0081008N= n bi=2228次/日表4.2(b)交通量计算表车型P i(kN)C1,iC2,iC1,iC2,i(P i/P)4.35n i次/日n bi次/日黄河JN15 0 后轴101.61 1 1.1351201362 前轴49.0 118.50.06112073.2太脱拉后轴80.0 1 1 0.503 450226.35138 前轴51.4 31 0.090 450 40.5 解放A10B 后轴 60.85 110.019 750 14.1跃进NJ130后轴-- - - 1000N =∑n bi =1717次/日注:当计算弯沉和沥青混凝土层底拉应力时,轴载换算系数=C 1C 2(P i /P)4..35;当计算半刚性基层层底拉应力时,轴载换算系数()8''12iC C PP =;总(车辆)换算系数=后轴换算系数+前轴换算系数;当量轴次=交通量×总换算系数。
在设计年限内,一个车道上的累计当量轴次e N 参照式(4-3)进行计算:()111365t e N N γηγ⎡⎤+-⨯⎣⎦= (4-3)式中:N e ——设计年限内一个车道上的累计当量轴次,次;t ——设计年限,取15年;N 1——路面竣工后第一年的平均日当量轴次,次/d ;N t ——设计年限最后一年的平均日当量轴次,次/d ;γ——设计年限内交通量的平均年增长率,为6%; η——车道系数,取0.5。
所以()15616%136522280.59.4642106%e N ⎡⎤+-⨯⎣⎦=⨯⨯=⨯(次) ()15'616%136517170.57.2936106%e N ⎡⎤+-⨯⎣⎦=⨯⨯=⨯(次) 6310⨯<eN 、'eN <71.210⨯为中等交通。
4.1.3路面结构层组合沥青路面交通等级为中等交通,根据规范推荐结构,并考虑到商州地区的实际情况,即有大量粉煤灰、石灰、水泥、碎石供应。
对于填方路基土基稳定性不好,则充分利用当地的资源,采用碎石处理,拟定结构层组合方案。
表4.3 填方路基路面结构层组合方案表材料名称 厚度 AC-16 4cm AC-25 8cm 水泥粉煤灰碎石? 二灰土 20cm 碎石处理土基对于全挖方路基,路面下直接是岩石,根据工程实例,则不需设置底基层,拟定结构层组合方案。
表4.4 挖方路基路面结构层组合方案材料名称厚度AC-16 4cmAC-25 8cm水泥粉煤灰碎石?石基4.2路面结构层组成设计4.2.1基层组成设计基层、底基层应具有足够的强度和稳定性,在冰冻地区应具有一定的抗冻性。
拟选用水泥粉煤灰碎石为基层,厚度根据计算得到。
底基层为16cm 厚二灰土。
1)材料要求水泥为普通硅酸盐水泥。
粉煤灰含量为17%。
碎石最大粒径不大于37.5mm,并应达到一定的级配规定。
中等交通水泥粉煤灰碎石结构压实度及7d无侧限抗压强度见表4.5表4.5 水泥粉煤灰碎石结构压实度及7d无侧限抗压强度层位类别压实度(%)抗压强度(MPa)基层集料≥98 1.5~3.5 底基层集料≥97 ≥1.02)配合比《公路沥青路面设计规范》JTG D50-2006建议水泥粉煤灰碎石配合比位8:17:80 。
抗压模量E=1300~1700MPa(弯沉计算)、E=2400~3000MPa (拉应力计算用),劈裂强度σ=0.4~0.55MPa。
4.2.2面层组成设计一级公路路面沥青混凝土面层应具有良好的抗滑耐磨、高温稳定性好、抗裂强等性能。
各层沥青混合料应满足所在层位的功能要求,便于施工,不容易离析。
各层应连续施工并连结成为一个整体。
1)材料要求(1)沥青根据面层的类型、交通量、气候、施工方法选择石油沥青(AH-70),锥入度,AH-70;延度>100cm;软化度=44~45°C;含蜡量<3%;密度>1。
(2)矿料矿料包括碎石、砾石、石屑、砂和矿粉。
它是沥青面层的骨架,承受行车荷载和车轮的磨耗主要靠矿料。
碎石:有足够的强度和耐磨行,压碎值≤25%~28%;含泥量<1%,含水量<3%;粘结力≥4级。
砂和石屑:砂(粒径<2.36mm),石屑(粒径<4.75mm),砂和石屑要求级配,含泥量<3%~5%。
矿粉(填料,粒径<0.075mm):由石灰石、白云石磨细的石粉。
要求粒径<0.075mm成分占70%、含水量<1%。
2)配合比设计通过马歇尔试验、浸水马歇尔试验,车辙试验进行配合比设计。
3)强度指标沥青混合料的车辙试验的动稳定度不低于800次/mm;水稳定性指标:浸水马歇尔试验残留稳定度不小于80%,冻融劈裂试验残留强度不小于75%;在温度-10℃、加载速率50mm/min条件下,低温弯曲试验破坏应变不小于2000με;渗水系数不大于120 ml/min。
4.3填方路基路面结构层厚度确定路线经过地区属Ⅲ4区,土质为粉性土,由于本路基设计为不利季节处于干燥状态,由规范知临界高度H1应2.4~3.0m之间。
本路段地下水位较低,设计标高较高,路基处于干燥状态。
根据《公路沥青路面设计规范》中附表F.0.1、F.0.2可知ω≥1.20。
根据《公路沥青路面设计规范》中附表和 F.0.3,知土基回弹模量在≥74MPa ,选定74MPa作为土基回弹模量。
对于填方和半填半挖路基,在半填半挖路段,挖方处进行多挖40cm,进行碎石处理,使整个路基顶层抗压模量相同。
抗压模量为200~350MPa,取300MPa。
填方路段:K0+000.00~K0+40.00,K0+280.00~K0+720.00,K0+820.00~K0+910.00,K1+60.00~K1+400.00。
半填半挖路段:K0+40.00`K0+280.00,K0+990.00~K1+60.00,K1+400.00 ~480.00。
在设计年限内,一个车道上的累计当量轴次69.464210e N =⨯次。
拟定路面结构方案,确定路面材料回弹模量和极限抗弯拉强度见表4.6表4.6 路面结构及参数表层次 材料名称 层厚(cm ) 抗压回弹模量(MPa ) 劈裂强度(MPa ) 15C 20C 1 AC-16 4 1800 1200 1.0 2 AC-25 81200 10000.83 水泥粉煤灰碎石 ?2700 15000.54 二灰土 20 2400 8000.25 5土基—300路面设计采用双圆垂直均布荷载作用下的多层弹性连续体系理论,以设计弯沉值为路面整体刚度的设计指标,计算路面结构厚度。
并对沥青混凝土面层和半刚性基层进行层底拉应力的验算。
4.3.1确定路面设计弯沉值ld路面设计弯沉值是表征路面整体刚度大小的指标,是路面厚度计算的主要依据。
其值应根据公路的等级、在设计年限内累计标准当量轴次、面层和基层类型按式6.4计算确定:0.2600d e c s b l N A A A -= (4.4)式中:d l ——路面设计弯沉值,0.01mm ;e N ——设计年限内一个车道上累计当量轴次;c A ——公路等级系数,一级公路为1.0; s A ——面层类型系数,沥青混凝土面层为1.0;b A ——基层类型系数,对半刚性基层、底基层总厚度等于或大于20cm 时为1.0。