路基路面课程设计---一级公路路面结构设计
- 格式:doc
- 大小:1.57 MB
- 文档页数:24
公路自然区划Ⅳ区一级公路路面结构设计The Design On The Road Surface Structure Of A Class-A Highway In ⅣRank Nature Division For Highway作者姓名:张孝龙专业、班级:道桥0903学号:8指导教师:魏海霞设计时间:2012-6-10河南理工大学Henan Polytechnic University目录1 引言 (2)2 新建沥青路面设计及计算 (3)基本资料 (3)2.1.1自然地理条件 (3)2.1.2土基回弹模量 (3)2.1.3交通量及其年增长率和设计年限 (3)2.1.4设计轴载 (3)初拟路面结构 (6)路面材料配合比设计与设计参数的确定 (6)2.3.1试验材料的确定 (6)2.3.2 路面材料配合比设计(略) (6)2.3.3路面材料抗压回弹模量的确定 (6)2.3.4路面材料劈裂强度测定 (7)路面结构层厚度确定 (7)2.4.1方案一的结构厚度计算 (7)2.4.2验算防冻厚度 (9)2.4.3计算机计算过程对比 (9)3、新建普通混凝土路面设计及计算 (13)基本资料 (13)3.1.1自然地理条件 (13)3.1.2土基回弹模量 (13)3.1.3交通量及其年增长率和设计年限 (13)3.1.4设计轴载 (14)初拟路面结构 (16)路面材料参数确定 (16)荷载疲劳应力 (17)温度疲劳应力 (17)可靠度系数确定 (18)极限状态方程验算 (18)附图 (19)致谢 (21)参考文献 (22)公路自然区划IV区一级公路路面结构设计1 引言某地(IV区)拟建一级公路,设计年限为15年,土基为粉质土,确定土基的稠度为,回弹模量取36MPa,路基干湿状态为中湿状态。
有关资料如下:1.初始条件:在双轮组(或多轮组)货车型号中自行选取,型号不少于7种(如表1),日交通量自拟,保证计算的交通等级属于重交通或特重交通。
一、路基(挡土墙)设计1.1 设计资料某新建公路重力式路堤墙设计资料如下.(1)墙身构造:墙高8m,墙背仰斜角度,墙身分段长度20m,其余初始拟采用尺寸如图1—1所示.图1—1 初始拟采用挡土墙尺寸图(2)土质情况:墙背填土为砂性土,其重度,内摩擦角;填土与墙背间的摩擦角.地基为整体性较好的石灰岩,其容许承载力,基底摩擦系数。
(3)墙身材料:采用5号砂浆砌30号片石,砌体重度,砌体容许压应力,容许剪应力,容许压应力。
1.2 劈裂棱体位置确定1.2.1 荷载当量土柱高度的计算墙高6m,按墙高缺点附加荷载强度进行计算。
按照线形内插法,计算附加荷载强度:,则:1.2.2 破裂角的计算假设破裂面交于荷载范围内,则有:因为,则有根据路堤挡土墙破裂面交于荷载内部时破裂角的计算公式:1。
2。
3 验算破裂面是否交于荷载范围内破裂棱体长度:车辆荷载分布宽度:所以,,即破裂面交于荷载范围内,符合假设.1。
2。
4 路基边坡稳定性验算可利用解析法进行边坡稳定性分析,则有其中,,,.对于砂性土可取,即,则:所以,路基边坡稳定性满足要求。
1。
3 土压力计算根据路堤挡土墙破裂面交于荷载内部的土压力计算公式:1.3.1 土压力作用点位置计算表示土压力作用点到墙踵的垂直距离。
1.3.2土压力对墙趾力臂计算基底倾斜,土压力对墙趾的力臂:1.4 挡土墙稳定性验算1.4.1 墙体重量及其作用点位置计算挡土墙按单位长度计算,为方便计算,从墙趾沿水平方向把挡土墙分为三部分,右侧为平行四边形,左侧为两个三角形(如图1-2):图1—2挡土墙横断面几何计算图式1。
4.2抗滑稳定性验算对于倾斜基底,验算公式:所以,抗滑稳定性满足要求。
1。
4。
3抗倾覆稳定性验算抗倾覆稳定性验算公式:所以,抗倾覆稳定性满足要求。
1.5 基地应力和合力偏心矩验算1。
5.1 合力偏心矩计算上式中,弯矩为作用于基底形心的弯矩,所以计算式,需要先计算对形心的力臂:根据之前计算过的对墙趾的力臂,可计算对形心的力臂。
路基路面课程设计目录1章重力式挡土墙设计 (1)1.1重力式路堤墙设计资料 (1)1.2破裂棱体位置确定 (1)1. 3荷载当量土柱高度计算 (2)1.4土压力计算 (2)1.6基地应力和合力偏心矩验算 (4)1.7 墙身截面强度计算 (5)1.8设计图纸 (6)第2章沥青路面设计 (7)2.1基本设计资料 (7)2.2轴载分析 (7)2.3结构组合与材料选取 (10)2.4压模量和劈裂强度 (10)2.5 设计指标的确定 (10)2.6 路面结构层厚度的计算 (11)2.7 防冻层厚度检验 (12)2.8沥青路面结构图 (12)第3章水泥混凝土路面设计 (13)3.1 交通量分析 (13)3.2 初拟路面结构 (14)3.3 确定材料参数 (14)3.4 计算荷载疲劳应力 (15)3.5 计算温度疲劳应力 (16)3.6防冻厚度检验和接缝设计 (16)3.7混凝土路面结构结构图 (17)参考文献 (18)附录A HPDS计算沥青混凝土路面结果 (19)1章 重力式挡土墙设计1.1重力式路堤墙设计资料1.1.1墙身构造墙高5m ,墙背仰斜坡度:1:0.25(=14°),墙身分段长度20m ,其余初始拟采用尺寸如图1.1示; 1.1.2土质情况墙背填土容重γ=18kN/m 3,内摩擦角032φ=;填土与墙背间的摩擦角δ=16°;地基为石灰岩地基,容许承载力[σ]=480kPa ,基地摩擦系数0.5μ=; 1.1.3墙身材料:5号砂浆,30号片石,砌体容重γ=22kN/m3, 砌体容许压应力[σ]=610kPa ,容许剪应力[τ]=110kPa ,容许压应力[]65l MPa σ=。
图1. 1初始拟采用挡土墙尺寸图1.2破裂棱体位置确定1.2.1破裂角(θ)的计算假设破裂面交于荷载范围内,则有:14163234ψαδφ++-++===,90ω<因为路基路面课程设计00000111()(22)tan 0(00)(2)tan 222B ab b d h H H a h h H H h αα=++-++=++-+01(2)tan 2H H h α=-+00011(2)()(2)22A a H h a H H H h =+++=+根据路堤挡土墙破裂面交于荷载内部时破裂角的计算公式:tg tg θψ=-+tg ψ=-()(3432343412.58/30.33tg ctg tg tg =-+++0.75= 故36.74θ=1.2.2验算破裂面是否交于荷载范围内破裂面至墙踵:()tan (52)tan 36.86 5.23o H a m θ+=+=荷载内缘至墙踵: tan 5tan36.8630.5 4.75o H b d m θ•++=⨯++=荷载外缘至墙踵: 0tan 5tan 36.8630.5 5.510.25o H b d l m θ•+++=⨯+++= 因为4.75<5.25<10.25,假设满足要求。
黑龙江大学课程名称:路基路面工程学院:建筑工程学院专业:土木工程学号:20084580 年级: 2008级学生姓名:李朋飞指导教师:王正君路基路面课程设计目录1 基本设计资料 ........................................................................................................................................1 2 沥青路面设计 (1)2.1轴载分析 (1)2.2结构组合与材料选取 (4)2.3 各层材料的抗压模量和劈裂强度 (4)2.4 设计指标的确定 (5)2.5 路面结构层厚度的计算 (6)2.6 高等级公路沥青混凝土面层和半刚性基层、底基层层底拉应力验算 (7)2.7 防冻层厚度检验 ....................................................................................................................... 8 3 水泥混凝土路面设计 (8)3.1 交通量分析 (9)3.2 初拟路面结构 (10)3.3 确定材料参数 (10)3.4 计算荷载疲劳应力 (11)3.5 计算温度疲劳应力 (11)3.6 防冻厚度检验和接缝设计 .................................................................................................. 12 参考文献 ........................................................................................................................................ .. (13)路基路面课程设计1 基本设计资料该路段设计年限20年,交通量年平均增长8.7%,车道系数η=0.5,该路段处于中国公路自然区划II2区,路面宽度为B=24.5m,行车道为四车道2×7.5m,此公路设有一个收费站,且处于中湿路段,设计任务书要求收费站采用水泥混凝土路面,其他路段采用沥青混凝土路面。
道路路基路面工程课程设计一、课程目标知识目标:1. 让学生掌握道路路基路面工程的基本概念、原理和设计方法。
2. 使学生了解道路工程中不同材料的特点、选用原则及其在路基路面中的应用。
3. 让学生了解我国道路工程的相关标准和规范。
技能目标:1. 培养学生运用所学知识进行道路路基路面设计的实际操作能力。
2. 培养学生分析和解决道路工程中实际问题的能力。
3. 提高学生的团队协作和沟通能力。
情感态度价值观目标:1. 培养学生热爱道路工程专业,树立正确的职业观。
2. 增强学生的环保意识,使其关注道路工程对环境的影响。
3. 培养学生的社会责任感,使其认识到道路工程对社会经济发展的重要作用。
课程性质:本课程为专业核心课程,旨在培养学生的道路工程设计和施工能力。
学生特点:学生已经具备一定的道路工程基础知识,具有较强的学习兴趣和动手能力。
教学要求:结合实际工程案例,注重理论与实践相结合,提高学生的实际操作能力和解决问题的能力。
通过课程学习,使学生达到以下具体学习成果:1. 能够正确理解和应用道路路基路面工程的基本概念、原理和设计方法。
2. 能够分析不同材料在道路工程中的应用,并合理选用。
3. 能够按照我国相关标准和规范进行道路路基路面设计。
4. 能够独立或团队协作解决道路工程中的实际问题。
5. 能够关注道路工程对环境和经济的影响,树立正确的职业观和价值观。
二、教学内容1. 道路工程概述:介绍道路工程的基本概念、分类及其在国民经济中的作用,使学生了解道路工程的发展现状和未来趋势。
(对应教材第一章)2. 路基工程:讲解路基的基本构成、功能、设计原则及施工技术,重点分析不同类型路基的特点及适用场合。
(对应教材第二章)3. 路面工程:阐述路面的基本类型、结构组成、设计原理及施工方法,分析各种路面材料的性能及选用原则。
(对应教材第三章)4. 道路排水工程:介绍道路排水系统的设计原理、构成及施工要求,使学生了解道路排水工程的重要性及其对道路使用寿命的影响。
《路基路面工程》课程设计任务书题目: A重力式挡土墙设计B 沥青路面设计C 水泥混凝土路面设计1. 课程设计教学条件规定制图教室2. 课程设计任务(1)理解设计任务,确定工作计划,查阅资料。
(2)按《公路路基设计规范》(JTG D30-2023)“5.4 挡土墙”一节,采用极限状态设计法进行重力式挡土墙设计;(3)按《公路沥青路面设计规范 JIG D50-2023》旳内容和规定进行沥青路面构造设计;(4)按《公路水泥混凝土路面设计规范 JTG D40-2023》旳内容和规定进行水泥混凝土路面构造设计;(5)根据指导教师旳规定,采用指定旳初始条件进行设计:重力式挡土墙、水泥混凝土路面和沥青路面旳设计计算按所选方案手算;在设计阐明书(设计汇报书)中应画计算图,采用A4纸打印设计汇报书。
(6)出图:重力式挡土墙、沥青路面设计不出图(留待毕业设计时训练出图);水泥混凝土路面设计,绘制面板接缝构造和钢筋布置图,A3图纸1页。
3. 课程设计汇报书重要内容A重力式挡土墙设计(一)初始条件:(1)浆砌片石重力式仰斜路堤墙,墙顶填土边坡1:1.5,墙身纵向分段长度为10m ;路基宽度26m ,路肩宽度3.0m ;(2)基底倾斜角0α:tan 0α=0.190,取汽车荷载边缘距路肩边缘d =0.5m ; (3)设计车辆荷载原则值按公路-I 级汽车荷载采用,即相称于汽车−超20级、挂车−120(验算荷载);(4)墙后填料砂性土容重γ=183/m kN ,填料与墙背旳外摩擦角τ=0.5φ;粘性土地基与浆砌片石基底旳摩擦系数μ=0.30,地基容许承载力[0σ]=250a kP ;(5)墙身采用 2.5号砂浆砌25号片石,圬工容重k γ=223/m kN ,容许压应力a a kP 600][=σ,容许剪应力a j kP 100][][==στ,容许拉应力a L kP 60][=σ;(6) 如下设计参数区别为每人一题,详细见下表:(二)规定完毕旳重要任务:按《公路路基设计规范》(JTG D30-2023)“5.4 挡土墙”一节,采用极限状态设计法进行设计:(1)车辆荷载换算;E和其作用点位置;(2)计算墙后积极土压力a(3)设计挡土墙截面,墙顶宽度和基础埋置深度应符合规范规定。
《路基路面工程》课程设计驻马店市(Ⅳ2)某一级公路桩号 K23+152-K23+178系院:建筑工程学院学生姓名:姚增峰学号:0937110245专业:土木工程年级:09级完成日期:2011.12.21指导教师:王明《路基路面工程》课程设计任务书一、驻马店市(Ⅳ2)某一级公路在桩号 K23+152~K23+178 段。
设计资料:1、路基:填土为密实粘性土,容许承载力 [σ]=250KPa,f=0.40。
2、墙后填料:粘土,φ=23,γ=17.64 KN/m,C=18.72KPa。
3、挡土墙墙身材料:5号砂浆砌片石,γa=22.3KN/m,δ= φ/2,[σ]=2450 KMpa。
4、设计荷载:汽车 -20 级,挂车 -100。
5、路基宽度自拟,边坡坡度自拟。
6、路槽地面距地下水位1.3m,地面地下水位为0.9m。
二路状调查资料:1 交通调查在不利季节调查的双向四车道平均日交通量:预计未来使用期内,交通量年平均增长率为 4-6% ,。
2 材料调查沿线可采集各种砂、石料;附近有矿渣、炉渣可利用;水泥、石灰、沥青等材料当地可供应。
三要求1所有参加课程设计的同学共分六组,每组排列序号;以上交通量是第6号同学的基准交通量。
其他同学,序号每增加或者减收1,相应的每种交通量增加或者减少值为5。
2交通年增长率自己拟定。
3每个学生设计3个路面结构方案比选,选出各项指标最优者。
(1)路基 E0(2)路基 E0(3)路基 E0 (4)路基 E0 (5)路基 E0(6)路基 E0以上路面类型所涉及的各个参数,每个人自己拟定,第一组选(1),第二组选(2),以下类推。
沥青混凝土c=0.2~0.3Mpa,内摩擦角为20~35°。
四设计内容及步骤:(一)沥青混凝土路面1交通量计算;2设计弯沉值;3确定路面结构组合,选择计算层,确定已知各个结构层适宜厚度;4确定土基回弹模量;5确定路面格结构层的抗压强度、劈裂强度;6根据弯沉值,计算未知结构层厚度;7根据确定的各个结构层,进行结构层的换算;8进行各个结构层的弯拉应力计算与验算;9进行结构层的剪应力验算;10各项设计参数都验算合格,进行设计参数汇总,确定设计方案。
路基路面课程设计课程名称:路基路面课程设计课程简介:路基路面课程设计是针对土木工程专业学生开设的一门实践性课程。
通过设计真实的道路工程项目,学生将学习和运用相关的理论知识和实践技能,掌握道路工程设计和施工管理的基本要素。
课程目标:1. 培养学生的理论知识和实践技能,使其能够进行道路工程的设计和施工管理。
2. 提高学生的问题分析和解决能力,培养他们的创新意识和团队合作精神。
3. 培养学生的工程实践能力,使他们能够胜任道路工程领域的工作。
课程内容:1. 道路工程概述:介绍道路工程的基本概念、分类、发展历史以及与其他工程领域的关系。
2. 路基设计:学习路基的设计原理、各种材料的选择和使用、地基处理等内容。
3. 路面设计:学习路面的设计原理、材料选择和使用、设计标准等内容。
4. 施工技术:介绍道路工程的施工方法和技术,包括路基的压实、路面的铺设与养护等。
5. 工程管理:学习道路工程项目的管理方法和技巧,包括进度控制、质量管理和安全管理等。
教学方法:1. 理论讲授:通过课堂教学,向学生传授相关的理论知识,包括概念、原理、标准和规范等。
2. 实践操作:组织学生进行实践操作,包括路基和路面的设计、实验室测试和实地调研等。
3. 项目设计:组织学生进行小组项目设计,要求学生从实际工程问题出发,综合运用所学知识进行设计和方案制定。
4. 现场实习:安排学生到道路工地实习,了解实际工程施工过程,提高工程实践能力。
评价方式:1. 学生课堂表现:包括听讲、提问、参与讨论等。
2. 项目设计评分:评估学生的项目设计能力和解决问题的能力。
3. 实践操作评分:评估学生的实践操作能力和实验室测试的结果。
4. 实习报告:要求学生撰写实习报告,总结实践经验和收获,并提出改进建议。
该课程设计旨在培养学生的实践能力和解决问题的能力,使其能够胜任道路工程领域的工作。
通过实践课程设计的学习,学生将能够更好地理解和应用理论知识,提高工程实践能力,为将来的工作做好准备。
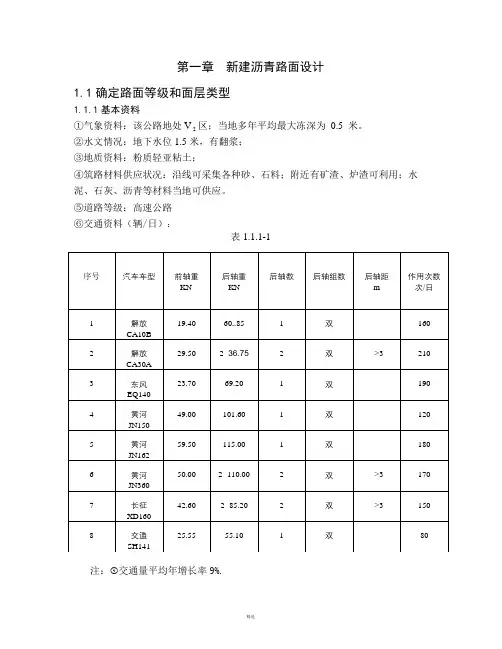
第一章新建沥青路面设计1.1确定路面等级和面层类型1.1.1基本资料区;当地多年平均最大冻深为0.5 米。
①气象资料:该公路地处V2②水文情况:地下水位1.5米,有翻浆;③地质资料:粉质轻亚粘土;④筑路材料供应状况:沿线可采集各种砂、石料;附近有矿渣、炉渣可利用;水泥、石灰、沥青等材料当地可供应。
⑤道路等级:高速公路⑥交通资料(辆/日):表1.1.1-1注: 交通量平均年增长率9%.路面设计以双轮组单轴载100KN 为标准轴载。
1.1.2以设计弯沉值为设计指标及沥青层层底拉应力验算 ①轴载换算轴载换算公式如下:35.4211⎪⎪⎭⎫ ⎝⎛=∑-p p n C C N i i Ki式中:N ——标准轴载的当量轴次,次/日;i n ——被换算车辆的各级轴载作用次数,次/日; p ——标准轴载,KN ;i P ——被换算车辆的各级轴载,KN ; K ——被换算车辆的类型数;1C ——轴数系数,C1 =1+1.2(m -1),m 是轴数。
当轴间距大于3m 时,按单独的一个轴载计算,当轴间距小于3m 时,应考虑轴数系数; 2C ——轮组系数,单轮组为6.4,双轮组为1,四轮组为0.38。
a.解放CA10B35.4211⎪⎪⎭⎫⎝⎛=∑-p p n C C N i i Ki =1.0×1.0×160×345.1810085.6035.4=⎪⎭⎫⎝⎛次b.解放CA30A35.4211⎪⎪⎭⎫⎝⎛=∑-p p n C C N i i Ki 036.12210075.362100.10.11005.292104.60.135.435.4=⨯⎪⎭⎫⎝⎛⨯⨯⨯+⎪⎭⎫ ⎝⎛⨯⨯⨯=次c.东风EQ14035.4211⎪⎪⎭⎫⎝⎛=∑-p p n C C N i i Ki =301.381009.621900.10.135.4=⎪⎭⎫⎝⎛⨯⨯⨯次d.黄河JN15035.4211⎪⎪⎭⎫ ⎝⎛=∑-p p n C C N i i Ki 169.16310060.1011200.10.11000.491204.60.135.435.4=⎪⎭⎫⎝⎛⨯⨯⨯+⎪⎭⎫⎝⎛⨯⨯⨯=次e.黄河JN16235.4211⎪⎪⎭⎫ ⎝⎛=∑-p p n C C N i i Ki =994.4501001151800.10.11005.591804.60.135.435.4=⎪⎭⎫⎝⎛⨯⨯⨯+⎪⎭⎫⎝⎛⨯⨯⨯次f.黄河JN36035.4211⎪⎪⎭⎫ ⎝⎛=∑-p p n C C N i i Ki 03.56821001101700.10.1100501704.60.135.435.4=⨯⎪⎭⎫⎝⎛⨯⨯⨯+⎪⎭⎫⎝⎛⨯⨯⨯=次g.长征XD16035.4211⎪⎪⎭⎫ ⎝⎛=∑-p p n C C N i i Ki 919.17221002.851500.10.11006.421504.60.135.435.4=⨯⎪⎭⎫⎝⎛⨯⨯⨯+⎪⎭⎫⎝⎛⨯⨯⨯=次h.交通SH14135.4211⎪⎪⎭⎫⎝⎛=∑-p p n C C N i i Ki 335.71001.55800.10.110055.25804.60.135.435.4=⎪⎭⎫⎝⎛⨯⨯⨯+⎪⎭⎫⎝⎛⨯⨯⨯=次1431335.7919.17203.568994.450169.163301.38036.12345.18=+++++++=N 累计当量轴次根据设计规范,高速公路的沥青路面设计年限为15年,查表1.1.2-1得车道系数为0.4,交通量平均年增长率9%.设计年限内一个车道的累计当量轴次为:()[]η⋅⋅⨯-+=136511N rr N te式中:e N ——设计年限内一个车道通过的累计标准当量轴次(次); t ——设计年限(年);1N ——路面营运第一年双向日平均当量轴次(次/日); r ——设计年限内交通量平均增长率(9%);η——与车道数有关的车辆横向分布系数,简称车道系数。
目录1.路基路面工程课程设计任务书 (3)1.1设计资料 (3)1.2设计要求 (4)2.轴载计算 (4)2.1情况说明 (4)2.2轴载换算 (4)2.2.1以设计弯沉值为指标及验算沥青层层底拉应力中的累计当量轴次 (4)2.2.2验算半刚性基层层底拉应力中的累计当量轴次 (6)2.2.3累计交通轴次综合表 (7)3初拟路面结构 (7)4路面材料配合比设计和设计参数的确定 (8)4.1沥青材料抗压回弹模量的确定 (8)4.2半刚性极其他材料抗压回弹模量的确定 (9)4.3材料劈裂强度的测定 (9)5验算拟定方案 (10)5.1计算弯沉值 (10)l (10)5.1.1设计弯沉值d (10)5.1.2各层材料按容许层底拉应力R5.2计算方案验算 (12)5.2.1验算方案一 (12)5.2.2验算方案二 (17)5.2.3验算方案三 (20)6方案比对 (23)6.1各层材料价格 (23)16.2方案对比选择 (23)6.3每公里造价概算 (24)7心得体会 (24)参考文献 (25)1.路基路面工程课程设计任务书1.1设计资料华北某地(II4)拟建一级公路,全长40km(K0~k40),除由于 K31+150~k33+350路段纵坡较大(一般为5%左右),采用沥青类路面,有关资料如下:( 1)公路技术等级为一级公路,路基宽度为25.5m,其路幅划分为2.0m(中央分隔带)+2×0.75(路缘带)+2×2×3.75m(行车道)+2×3.0m(硬路肩)+2×0.50(土路肩)。
(2)交通状况,经调查交通量为4100辆/日,交通组成如表2所示,交通量年平均增长率γ= 5%。
交通组成表1汽车参数表2( 3)路基土质为粘性土,干湿状态为潮湿,道路冻深为160cm。
31.2设计要求(1).根据自然区划、土基类型等确定土基回弹模量;(2).计算设计年限内一个车道的当量轴载作用次数及设计弯沉值;(3).根据设计资料,确定合适的面层类型(包括面层材料的级配类型);(4).拟定路面结构,并说明选用该种路面结构的原因;确定材料参数;(5).计算或验算路面结构层厚度;拟定几种沥青路面厚度,采用计算机计算,分析沥青面层变化对基层厚度的影响,基层厚度变化对底基层厚度的影响;(6).绘制路面结构图;(7).编写设计说明书。
路基路面工程课程设计.docx1、自然地理条件新建高速公路地处II 2,沿线土质为中液限黏土,地下水位距路床表面2.7米,属屮湿状态,挖方路堑深0.5米,地下水位距路床地表面1.6m,属于潮湿状态。
2、预计交通验算预计交通量增长率前5年为8%,之后五年7%,最后5年为%5,沥青路累计标准轴次数按15年计。
3、轴载分析路面设计以双轮组单轴载100KN为标准轴载。
(1)以设计弯矩值为指标及验算沥青层层底拉应力屮的累计当量轴次①轴载换算采用如下计算公式:轴载换算结果表累计当量轴次:根据设计规范,二级公路沥青路面设计年限取15年,四车道的车道系数是0.5累计当量轴次t,(l?r)-l?365Ne?Nl n參參11.08511.071.07511.05514451.081.081.073650.56684.26?302041660.070.05??0.08t7 (l?r)-l?365Ne?Nl n r??2)当进行半刚性基层层底拉应力验算时,按下式换算成标准轴载的作用次数:KN ‘ = SC P1lC2n (1) 8i=lPCl一一轴数系数;C2—一轮组系数;2)累计当量轴次参数取值同上,设计年限12年,车道系数取0.6累计当量轴次2t' (l?r)-l?365Ne?Nlnr??5?1.085?11.07?1.075?14451.05?11.08??1.08?1.070.080.070.05?36 5?0.5?8898.35?40208975??次4、结构组合与材料选取由上面计算,根据规范推荐结构,初拟采用两种路面结构:(1)半刚性基层沥青路面(2)组合式基层沥青路面根据交通状况,结构层的最小施工厚度等因素综合考虑,初拟各结构层厚度如下:A方案:半刚性基层沥青路面细粒式沥青混凝土4cm中粒式沥青混凝土6cm水泥稳定碎石25cm二灰土以二灰土为设计层。
B方案:组合式基层沥青路妞细粒式沥青混凝土4cm屮粒式沥青混凝土6cm二灰稳定砂砾?级配碎石20cm以二灰稳定砂粒为设计层。
公路自然区划Ⅳ区一级公路路面结构设计The Design On The Road Surface Structure Of A Class-A Highway In ⅣRank Nature Division For Highway目录1 引言 (2)2 新建沥青路面设计及计算 (3)2.1 基本资料 (3)2.1.1 自然地理条件 (3)2.1.2 土基回弹模量 (3)2.1.3 交通量及其年增长率和设计年限 (3)2.1.4 设计轴载 (3)2.2 初拟路面结构 (6)2.3 路面材料配合比设计与设计参数的确定 (6)2.3.1 试验材料的确定 (6)2.3.2 路面材料配合比设计(略) (6)2.3.3 路面材料抗压回弹模量的确定 (7)2.3.4 路面材料劈裂强度测定 (7)2.4 路面结构层厚度确定 (8)2.4.1 方案一的结构厚度计算 (8)2.4.2验算防冻厚度 (10)2.4.3计算机计算过程对比 (10)3、新建普通混凝土路面设计及计算 (14)3.1 基本资料 (14)3.1.1 自然地理条件 (14)3.1.2 土基回弹模量 (14)3.1.3 交通量及其年增长率和设计年限 (14)3.1.4 设计轴载 (14)3.2 初拟路面结构 (16)3.3 路面材料参数确定 (17)3.4 荷载疲劳应力 (18)3.5 温度疲劳应力 (18)3.6 可靠度系数确定 (19)3.7 极限状态方程验算 (19)附图 (20)致谢 (22)参考文献 (23)1公路自然区划Ⅳ区一级公路路面结构设计- 2 -公路自然区划IV 区一级公路路面结构设计1 引 言某地(IV 区)拟建一级公路,设计年限为15年,土基为粉质土,确定土基的稠度为1.10,回弹模量取36MPa ,路基干湿状态为中湿状态。
有关资料如下:1.初始条件:在双轮组(或多轮组)货车型号中自行选取,型号不少于7种(如表1),日交通量自拟,保证计算的交通等级属于重交通或特重交通。
表1 交通组成型号 前轴载(KN)后轴载(KN)后轴数轮组数轴距(cm)交通量(辆/日)三菱T653B29.3 48.0 1 双 - 黄河JN15049.0 101.6 1 双 - 江淮HF15045.1 101.5 1 双 - 解放CA15028.7 68.2 1 双 - 湘江HQP4023.1 73.2 2 双 >3m 东风EQ14023.7 69.2 1 双 - 东风EQ15526.5 56.72双-2.公路技术等级为一级,为双向四车道。
3.交通组成如表1(示例)所示,交通量年增长率:γ= 6%。
拟采用沥青路面结构和混凝土路面结构两种路面类型进行施工图设计。
河南理工大学《路基路面工程》课程设计说明书- 3 -2 新建沥青路面设计及计算2.1 基本资料2.1.1 自然地理条件新建一级公路地处IV 区,为双向四车道,拟采用沥青路面结构进行施工图设计;沿线土质为粉质土,属中湿状态。
2.1.2 土基回弹模量设计路段路基处于中湿状态,路基土为粉质土,土基的稠度为1.10,根据室内实验法确定土基回弹模量设计值为36MPa 。
2.1.3 交通量及其年增长率和设计年限根据工程可行性研究报告可知该路段所在地区近期交通组成与交通量,见表2-1。
预测交通量增长率为6.0%。
沥青路面累计标准轴次按15年计。
表2-1 近期交通组成与交通量型号 前轴载(KN) 后轴载(KN) 后轴数 轮组数 后轴距(m)交通量(辆/日)交通SH141 25.55 55.10 1 2 0 750 日野KB222 50.20 104.30 1 2 0 1300 江淮HF150 45.1 101.5 1 2 0 1500 解放CA30A 29.50 36.75 2 2 2 960 湘江HQP40 23.1 73.2 2 2 >3 800 沃洛沃N8648 55.00 120.00 12335 黄河JN25355.0066.002224502.1.4 设计轴载(1)当以弯沉值和沥青层的层底拉应力为设计指标时,按P378, 式N =⎪⎭⎫ ⎝⎛∑∙=P P C C in 35.4i 2k 1i 1计算:式中:N ——————标准轴载的当量轴次(次/日)公路自然区划Ⅳ区一级公路路面结构设计- 4 -ni——————各种被换算车辆的作用次数(次/日)Pi ——————各种被换车型的轴载(kN ) P ——————标准轴载(kN )1C —————— 轴数系数2C ——————轮组系数,双轮组为1.0,单轮组为6.4,四轮组为0.38。
N 1前=1×6.4×750×35.4)10055.25(=12.69,N 1后=1×1×750×35.4)10010.55(=56.11; N 2前=1×6.4×1300×35.4)10002.50(=408.69,N 2后=1×1×1300×35.4)10030.104(=1561.28; N 3前=1×6.4×1500×35.4)1001.45(=300.57,N 3后=1×1×1500×35.4)1005.101(=1600.36; N 4前=1×6.4×960×35.4)10050.29(=30.35,N 4后=2.2×1×960×35.4)10075.36(=27.14; N 5前=1×6.4×800×35.4)1001.23(=8.73,N 5后=2×[1×1×800×35.4)1002.73(]=411.85; N 6前=1×6.4×335×35.4)10000.55(=159.15,N 6后=1×1×335×35.4)10000.120(=740.43; N 7前=1×6.4×450×35.4)10000.55(=213.78,N 7后= 2.2×1×450×35.4)10000.66(=164.42 N=∑=71i 前i N +∑=71i 后i N =5696查P379,表14-3]1[,取车道系数η=0.45,按式N e=r1)r 1(t -+×365·N ·η计算:式中:N e ——————设计年限内一个车道通过的累积标准当量轴次(次)t ——————设计年限(年)N ——————路面营运第一年双向且平均当量轴次 r ——————设计年限内交通量平均增长率(%)η ——————与车道数有关的车辆横向分布系数,简称车道系数 15年累计当量轴次:N e=%61)%61(15-+×365×5696×0.45=21776252.59≈2178万河南理工大学《路基路面工程》课程设计说明书- 5 -(2) 当以半刚性材料结构层的层底拉应力为设计指标时,按P379, 式N =⎪⎭⎫⎝⎛∑'∙'=P P C C i n 8i 2k 1i 1计算:式中:N ——————标准轴载的当量轴次(次/日)i n —————— 各种被换算车辆的作用次数(次/日) Pi ——————各种被换车型的轴载(kN ) P ——————标准轴载(kN )1C '—————— 轴数系数 2C '——————轮组系数,双轮组为1.0,单轮组为18.5,四轮组为0.09。
N 1前=1×18.5×750×8)10055.25(=0.25,N 1后=1×1×750×8)10010.55(=6.37; N 2前=1×18.5×1300×8)10002.50(=94.25,N 2后=1×1×1300×8)10030.104(=1820.61; N 3前=1×18.5×1500×8)1001.45(=47.50,N 3后=1×1×1500×8)1005.101(=1689.73;N 4前=1×18.5×960×8)10050.29(=5.25,N 4后=3×1×960×8)10075.36(=0.96; N 5前=1×18.5×800×8)1001.23(=0.12,N 5后=2×[1×1×800×8)1002.73(]=131.89;N 6前=1×18.5×335×8)10000.55(=51.89,N 6后=1×1×335×8)10000.120(=1440.44; N 7前=1×18.5×450×8)10000.55(=69.71,N 7后= 3×1×450×8)10000.66(=48.61 N=∑=71i 前i N +∑=71i 后i N =5408查P379,表14-3]1[,取车道系数η=0.45 。
按式N e=r1)r 1(t -+×365·N ·η计算可得:15年累计当量轴次:N e1=%61)%61(15-+×365×5408×0.45=20675206.11≈2068万1.2×107<2178万/2068万<2.5×107,属于重交通。
公路自然区划Ⅳ区一级公路路面结构设计累计轴次计算结果见表2-2。
表2-2 轴载换算与累计轴次型号前轴载(KN) 后轴载(KN) 后轴数轮组数后轴距(m) 交通量(辆/日) 交通SH141 25.55 55.10 1 2 0 750日野KB222 50.20 104.30 1 2 0 1300 江淮HF150 45.1 101.5 1 2 0 1500解放CA30A 29.50 36.75 2 2 2 960湘江HQP40 23.1 73.2 2 2 >3 800沃洛沃N8648 55.00 120.00 1 2 0 335黄河JN253 55.00 66.00 2 2 2 450换算方法弯沉以及沥青层底拉应力指标半刚性层底拉应力指标累计交通轴次2178万2068万2.2 初拟路面结构根据本地区的路用材料,结合已有工程经验与典型结构,拟定了三个结构组合方案。