偏心轴夹具设计说明书
- 格式:doc
- 大小:300.00 KB
- 文档页数:22
偏心轴机械制造工艺设计简明手册
一、概述
偏心轴是机械制造中常见的一种零件,由于其具有偏心特性,因此在许多机械设备中都有广泛应用。
本文主要介绍偏心轴的机械制造工艺设计,旨在为相关制造企业提供简明、实用的参考。
二、材料选择
偏心轴的材料选择应根据其使用要求、工作条件和工艺性能等因素综合考虑。
常用的材料有碳素钢、合金钢、不锈钢等。
在选择材料时,应考虑材料的机械性能、耐腐蚀性、耐磨性、经济性等因素。
三、加工工艺流程
1. 毛坯制造
根据零件的尺寸和材料,选择合适的毛坯制造方法。
常用的毛坯制造方法有铸造、锻造、焊接等。
2. 预备加工
对毛坯进行初步加工,包括去除毛刺、清理表面等。
3. 粗加工
对偏心轴进行粗加工,包括车削、铣削等,使其基本达到所需形状和尺寸。
4. 精加工
对粗加工后的偏心轴进行精加工,包括磨削、抛光等,使其达到最终的尺寸和表面质量要求。
5. 检测与检验
对加工完成的偏心轴进行检测和检验,确保其符合设计要求。
四、工艺参数选择
在加工过程中,应选择合适的工艺参数,如切削速度、进给量、切削深度等。
这些参数的选择直接影响加工效率和加工质量。
因此,在实际生产中,应根据具体情况进行调整和优化。
五、注意事项
1. 在加工过程中,应注意防止工件松动或脱落,以免造成安全事故。
2. 对于具有较高精度要求的偏心轴,应采用高精度机床进行加工,以保证加工精度。
加工双向偏心轴的专用夹具设计作者:张红梅来源:《科学家》2017年第02期摘要双向偏心轴类工件在日常生活中应用得比较广泛,在带领学生到企业实习时,常常看到他们在加工偏心轴件。
而在加工过程中遇到的最大问题是找正偏心部分轴线到车床主轴旋转轴线相重合的位置上,这找正时间大大降低了其生产效率。
本文主要针对双向偏心轴在车床上大批量生产存在的装夹问题,通过结合产品零件外形,设计一种专用夹具进行加工,以提高其生产效率。
关键词双向偏心轴;夹具的改进设计;大批量生产1双向偏心轴的应用场合及零件图双向偏心轴在生活中的应用比较常见,例如公交车内摆门上的转臂(如图1所示),此转臂的形状即为双向偏心轴结构,其零件图及技术要求如图2所示。
2工件分析1)此双向偏心轴应用于公交车上,其批量比较大,所以在其加工过程中需要考虑到如何装夹才能使工件方便可靠又节省时间的问题。
2)从零件图样(图2)要求来看,B、C偏心外圆与A基准外圆的偏心方向相反,且偏心距不同,两偏心圆的直径尺寸也不同,但要求A、B、C三个回转中心在端面上的投影在同一根直线上,所以在其加工过程中需要找正,以确保其定位精度,而其找正耗时比较多。
3)结合学校现有的机床设备,此双向偏心轴需要在GSK980TD数控车床上加工,根据工件的主要特征是双向加工,在数控车床上加工此工件需要进行多次的装夹,而且还要保证工件上A、B、C三个回转中心在端面上的投影在同一根直线上,这是在装夹过程中的一个难点。
3解决方法为了解决上述装夹难、找正费时、定位不精确等问题,因此设计了一个适用于加工此双向偏心轴的辅助夹具,即如下介绍的偏心轮夹具(图3),以实现其工件的快速装夹和定位,从而提高其加工精度和生产效率。
3.1偏心轮夹具的结构及材料(图3)从零件图2中的要求来看,双向偏心轴的精度要求比较高,因此偏心轮夹具应具有可靠的定位基准和精度,另外还应具有足够的刚度,所以此偏心轮夹具的材料选用45#钢,并对其进行淬火热处理,其硬度为HRC60。
目录前言 (3)设计任务书 (4)设计思想与不同方案对比 (5)定位分析和定位误差计算 (10)对刀及导引装置设计 (13)夹紧机构设计与夹紧力计算 (14)夹具操作动作说明 (15)设计心得体会 (15)参考文献书目 (17)前言机械制造装备课程设计是机械设计中的一个重要的实践性教学环节,也是机械类专业学生较为全面的机械设计训练。
其目的在于:1.培养学生综合运用机械设计基础及其他课程的理论知识和生产实际知识去分析、解决工程实际问题的能力,通过课程设计训练可以巩固和加深有关机械课程设计方面的理论知识;2.学习和掌握一般机械设计的基本方法和步骤,培养独立设计的能力,为后续的专业课程设计及毕业设计打好基础、做好准备;3.使学生具有查询规范手册、图册和有关设计资料的能力。
在工艺规程中,零件就要按工艺规程顺序进行加工.在加工中,除了需要机床、刀具、量具之外,还要用机床夹具。
机床夹具是机床和工件之间的连接装置,使工件相对于机床获得正确的位置。
机床夹具的好坏将直接影响工件加工表面的位置精度。
通常把确定工件在机床上或夹具中占有正确位置的过程,称为定位。
当工件定位后,为了避免在加工中受到切削力、重力等的作用而破坏定位,还应该用一定的机构或装置将工件加以固定。
使工件在加工过程中保持定位位置不变的操作,称为夹紧。
将工件定位、夹紧的过程称为装夹。
工件装夹是否正确、迅速、方便和可靠,将直接影响工件的加工质量、生产效率、制造成本和操作安全等。
机床夹具在生产中应用十分广泛。
专业数控技术班级3092 姓名薛本霖学号1401093115 设计题目钻孔Φ18H7专用夹具指导老师汪炳森设计条件零件简图(含材料、质量及毛坯种类)、大批量生产质量材料毛坯种类0.45㎏45 模锻件设计要求1、用计算机绘制总装图一张(A2图)、指定零件图一张(A3图);2、设计说明书一份(包括零件图分析、定位方案确定、定位误差确定、定位误差计算等内容);3、设计时间:7天.审核批准年月日机床夹具课程设计任务书设计思想与不同方案对比1。
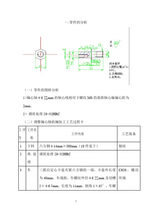
一.零件的分析(一)零件的图样分析1)偏心轴φ803.006.0--mm 的轴心线相对于螺纹M8的基准轴心编偏心距为2mm 。
2)调质处理28~32HRC.(二)调整偏心轴机械加工工艺过程卡 工序号工序名称 工序内容工艺装备 1下料 六方钢φ14mm ×380mm (10件连下) 锯床 2 热处理调质处理28~32HRC3 车 三抓自定心卡盘夹紧六方钢的一端,卡盘外长度为40mm ,车端面,车螺纹外径φ805.010.0--mm 及切槽2×φ6.5mm 。
长度为11mm ,倒角1×45°,车螺C620、螺纹环规(三)工艺分析1)调整偏心轴结构比较简单,外圆表面粗糙度值为R a1.6μm,精度要求一般,M8为普通螺纹,主要用于在调整尺寸机构的微调上使用。
2)零件加工关键是保证偏心距2mm,因偏心轴各部分尺寸较小,偏心加工可在车床上装一偏心夹具来完成加工。
3)若用棒料(圆钢)加工调整偏心轴,其加工工艺方法与用六方钢基本相同,只增加一道铣六方工序。
二.确定毛坯的制造形式零件材料为45钢。
本零件为简单轴类零件,因此选择六方钢φ14mm×380mm,10件连下。
铸件。
三.基面的选择1)粗基准的选择,因为本零件为简单轴类零件,因此选择以外圆作为粗基准是完全合理的,按工艺中规定以M8螺纹及端面为定位基准车偏心。
在工装上加工一个偏心距为2mm 的M8螺纹孔,将偏心工装装夹在车床三爪自定心或四爪单动卡盘上,按其外径找正,找正后夹紧即可。
2)精基准的选择。
主要应该考虑基准重合的问题。
当设计基准与工序基准不重合时,应该进行尺寸换算。
四.制订工艺路线制订工艺路线的出发点,应当是使零件的几何形状,尺寸精度及位置精度等技术要求能得到合理的保证。
在生产纲领已确定为大批生产的条件下,可以考虑用万能性机床配以专用工夹具,并尽量使工序集中起来提高生产效率。
除此之外,还应当考虑经济效果,以便使生产成本尽量下降。
偏心轴零件加工工艺及夹具设计一、偏心轴零件加工工艺偏心轴是一种具有特殊工艺需求的零件,其在加工过程中需要采用一定的工艺和夹具设计来保证加工精度和质量。
下面将介绍一种常见的偏心轴零件加工工艺及夹具设计。
1.材料选择与加工准备:偏心轴常采用钢材进行制造,根据工件要求选择合适的材料。
在加工准备阶段,要进行工件的测量和标记,确定主轴线和偏心量,并将工件进行固定。
2.粗加工:根据偏心轴零件的形状和尺寸要求,采用铣削、车削等方法对工件进行粗加工,使其具备一定的形状和基本的尺寸精度。
3.精加工:对于形状较为复杂的偏心轴零件,需要进行精加工。
常采用线切割、弧形切削、磨削等方法,通过加工逐渐接近设计要求的形状和尺寸。
4.测量与检验:在加工过程中,需要不断对偏心轴零件进行测量和检验,确保其加工精度和质量满足要求。
常用的检测手段有测量标准件、CMM测量、投影仪测量等。
5.修整与整形:在精加工之后,通常还需要进行修整与整形工艺。
根据设计要求,对偏心轴零件的表面进行研磨、抛光等处理,使其表面形状和质量更加精细。
二、夹具设计在偏心轴零件加工过程中,夹具是至关重要的一部分。
夹具设计的好坏直接影响零件的加工精度和质量。
以下是夹具设计的一般步骤:1.分析零件形状及加工特点:首先需要对偏心轴零件进行形状和加工特点的分析。
根据零件的具体要求,确定夹具的结构形式和功能。
2.确定夹紧方式:根据偏心轴零件的形状特点,可以选择不同的夹紧方式,如机械夹紧、液压夹紧、磁力夹紧等。
要根据零件的实际加工需求选择合适的夹紧方式。
3.设计夹具结构:根据偏心轴零件的形状和夹紧方式,进行夹具结构的设计。
夹具结构包括定位元件、夹持元件和固定元件等,要保证结构的刚性和稳定性。
4.确定夹具导向:根据偏心轴零件的加工要求,设计导向装置,使夹具和工件在加工过程中保持正确的位置和方向,防止误差积累。
5.考虑加工力和切削力:在夹具设计过程中,要考虑加工力和切削力对夹具的影响。
目录前言 (1)第一章工艺分析 (2)1.1 零件的分析 (2)1.1.1零件功用 (2)1.1.2零件结构 (2)1.1.3技术要求 (2)1.2 工艺规程设计 (2)1.2.1 机床的选择 (2)1.2.2 砂轮的选择 (3)第二章工件装夹方案的设计 (4)2.1工件定位基准的确定 (4)2.2 装夹方案的确定 (5)第三章工装夹具总图的绘制(见附图) (5)3.1 偏心轴基本尺寸设计及偏差确定说明 (6)3.1.1基本尺寸的确定 (6)3.1.2偏心轮工装的使用说明 (7)第四章对偏心轮工装的车削加工 (10)4.1 问题的引出 (11)4.2 垫片厚度及垫片形状的选择..............................................................................................4.3 偏心工件的车削..................................................................................................................4.4 加工偏心工件时容易产生的问题及应注意的事项4.5 提示......................................................................................................................................4.6 总结..................................................................KCSJ-04偏心轮外圆磨床专用夹具设计摘要本设计主要阐述了对给定零件为进行后续磨削加工而进行的工装设计,在全文中主要分析工艺过程和工装夹具的设计。
偏心轴的钻10孔专用夹具设计1. 概述夹具是现代制造工艺中常用的工具,用于固定工件并实现特定的加工操作。
本文将详细介绍针对偏心轴的钻10孔的专用夹具设计。
该夹具旨在提高生产效率和质量,确保钻孔准确无误。
2. 夹具设计要求在设计偏心轴的钻10孔专用夹具时,我们需考虑以下要求:2.1 精密度要求钻孔的位置和尺寸必须满足工件的设计要求,因此夹具的设计必须具备足够的精度和稳定性。
2.2 刚性要求夹具在加工过程中需要承受钻削时的反作用力,因此必须具备足够的刚性以确保加工质量和稳定性。
2.3 夹紧力要求夹具必须能够夹紧工件,并保证夹紧力适中,既要保证工件不会松动或滑动,又不会过度变形或损坏工件。
2.4 生产效率要求夹具设计应考虑到生产的流程和节奏,提高加工效率和操作的便捷性,减少工人的劳动强度和操作难度。
3. 夹具组成为了满足上述要求,我们设计的偏心轴的钻10孔专用夹具将包括以下组成部分:3.1 主底板主底板是夹具的核心组件,用于固定偏心轴和定位工件,它的精度和稳定性直接影响钻孔的准确性。
3.2 固定卡盘固定卡盘用于夹紧工件,采用可调节的设计,以适应不同尺寸的工件,并确保夹紧力适中。
3.3 支撑架支撑架用于支撑夹具和工件,保证夹具在加工过程中的稳定性和刚性。
3.4 刻度尺和标尺夹具上将配备刻度尺和标尺,用于定位和调节偏心轴的位置和角度,以确保钻孔的准确性。
3.5 其他辅助部件夹具还将包括一些辅助部件,如定位销、垫块等,用于增加夹具的稳定性和准确性。
4. 夹具设计考虑在设计偏心轴的钻10孔专用夹具时,我们需考虑以下设计因素:4.1 偏心轴的定位和调节夹具上的刻度尺和标尺应能够准确显示偏心轴的位置和角度,并且可以进行微调和锁定。
4.2 夹紧力的调节夹具上的固定卡盘应能够灵活地调节夹紧力,以适应不同尺寸和材质的工件。
夹紧力的大小应能够预先设定和重复使用。
4.3 夹具与钻具的配合夹具的尺寸和形状应与钻具的规格相匹配,确保钻削操作的稳定性和准确性。
摘要机械传动中,由回转运动变为往复运动,往往是由偏心轴和曲轴来完成的。
机械的开会和缩紧也往由偏心零件来完成的,可见偏心零件在机械制造中运用的非常广泛。
本课题来源于生产实践,充分利用所学的机械制图、机械设计及机械制造等课程,了解针对偏心工件的特点,通过CAD软件,利用该软件制图功能,完成偏心工件类零件偏心外圆车组合夹具的设计。
通过分析偏心工件类零件传统加工手段和三爪微调车削法, 得出了加工困难、效率低、互换性差及精度不易保证的结论,针对其缺陷提出了高效加工高精度偏心工件类零件的工艺方案——组合夹具车削法。
加工精度要求比较高或批量较大的偏心工件类零件的车削加工,均适合采用专用夹具车削法。
在课题的研究设计阶段,首先从众多的零件中选择一个作为设计夹具的零件。
针对该零件的结构特点,制定该零件的加工工艺。
其次要了解夹具的相关知识,结合零件的结构特点选择需要的夹具元件,设计出夹具的大体结构。
机床夹具作为一种重要的工艺装备在机械制造工艺过程中起着十分重要的作用,它的设计不但要保证工件的加工质量,提高加工效率,降低成本,在操作维护中安全方便还要注意到夹具结构的标准化,夹具制造的精密化。
为了保证夹具组装精度,需要学习了解工件定位原理。
根据这些原理结合零件的结构特点确定零件在夹具中以轴外圆作为定位,计算夹具的定位精度与夹紧力保证零件在夹具上的加工精度。
然后使用CAD绘图软件参考《夹具设计手册》绘制夹具元件的机械图,完成夹具的设计。
关键词:偏心偏心距圆度误差加工工艺工件定位AbstractThis topic comes from production practice, make full use of what have learned mechanical drawing, mechanical design and mechanical manufacturing, and other programs, to understand the characteristics for the eccentric shaft, through the CAD software, the use of the software mapping function, complete with eccentric shaft parts special combination jig turning design. In this paper , the traditional process methods and the three jaw fine tuning turning method were analyzed , afterthat , a conclusion that the process on eccentric shaft parts are difficulties , low efficiency , poor interchang eability and difficult toguarantee the accuracy can be drawn . Finally , according to the shortcomings of the original process methods , a technology program for process high precision eccentric shaft parts special combination jig turning method is put forwardIn the research projects in the design phase, first select from a number of parts as the design of a fixture parts. For that part of the structural characteristics of the development of the parts processing technology. Second, we must understand the fixture knowledge, combined with the structural features of components select the required fixture components, the general structure of fixture design. As an important fixture of the technology and equipment in the mechanical manufacturing process plays an important role, it is designed not only to ensure that the workpiece processing quality, improve processing efficiency, reduce costs, in the operation and maintenance of safeand convenient but also noted that Fixture structure of standardization, the precision of fixture manufacturing .In order to ensure the fixture assembly of precision, need to learn to understand principles of positioning the workpiece. Combination of components based on these principles to determine the structural characteristics of components in the fixture to cylindrical shaft as the positioning of the positioning accuracy of calculation of fixture clamping force to ensure the parts with the fixture on the machining accuracy. And then use the CAD drawing software reference, "Fixture Design Handbook," a mechanical fixture elements drawn map, complete fixture design.Key words: CAD processing technology positioning目录前言 (4)第一章偏心工件的车削加工的简介 (2)1.1偏心工件的车削加工方法 (2)1.2传统加工手段分析 (2)1.3专用夹具车削法 (4)第二章偏心工件零件的机械加工工艺规程 (6)2.1偏心工件零件的工艺分析 (6)2.2偏心工件零件的机械加工工艺规程 (7)2.2.1工艺规程的作用 (7)2.2.2生产类型的确定 (7)2.2.3材料及毛坯的选择 (7)2.3偏心工件零件加工工艺过程的设计 (10)2.3.1定位基准的选择 (10)2.3.2加工方法的选择 (10)2.3.3加工顺序的安排 (11)2.3.4偏心工件零件零件加工工艺过程的确定 (11)2.4工序设计 (12)2.4.1工时定额的计算 (12)2.4.2机床的选择 (12)2.4.3工艺装备的选择 (13)2.4.4加工余量及工序尺寸的确定 (13)2.4.5具体的工序计算过程 (13)第三章专用夹具设计 (16)3.1夹具的设计要求 (16)3.2偏心工件偏心外圆专用夹具 (16)结论 (19)谢辞 (19)参考文献.............................................. 错误!未定义书签。
高等职业技术学校毕业设计基于 UG平台的偏心轴的加工分析及车削工艺的夹具设计姓名班级专业时间指导老师目录摘要----------------------------------------------------------------------- 3 Abstract-------------------------------------------------------------------- 4 1绪论 ----------------------------------------------------------------------- 61.1偏心轴车削加工的简介----------------------------------------------- 61.2 UG简介 ------------------------------------------------------------------ 61.3论文的主要工作-------------------------------------------------------- 6 2偏心轴的机械加工工艺规程------------------------------------------ 72.1 零件工艺分析---------------------------------------------------------- 72.2毛坯设计----------------------------------------------------------------- 82.3定位基准的选择-------------------------------------------------------- 92.4加工方法的选择------------------------------------------------------ 102.5加工顺序的安排------------------------------------------------------ 102.6加工工艺过程的确定------------------------------------------------ 102.7加工余量及工序尺寸的确定----------------------------------------11 3夹具设计----------------------------------------------------------------- 123.1 偏心轴装配----------------------------------------------------------- 123.2 基于 CAD的定位夹紧元件设计 ---------------------------------- 174 结语 -------------------------------------------------------------------- 19致谢---------------------------------------------------------------------- 20参考文献------------------------------------------------------------------- 21摘要机械传动中,由回转运动变为往复运动,往往是由偏心轴和曲轴来完成的。
机械的开会和缩紧也往由偏心零件来完成的,可见偏心零件在机械制造中运用的非常广泛。
本课题来源于生产实践,充分利用所学的机械制图、机械设计及机械制造等课程,了解针对偏心工件的特点,通过UG软件,利用该软件制图功能,完成偏心工件类零件偏心外圆车组合夹具的设计。
通过分析偏心工件类零件传统加工手段和三爪微调车削法, 得出了加工困难、效率低、互换性差及精度不易保证的结论,针对其缺陷提出了高效加工高精度偏心工件类零件的工艺方案——组合夹具车削法。
加工精度要求比较高或批量较大的偏心工件类零件的车削加工,均适合采用专用夹具车削法。
在课题的研究设计阶段,首先从众多的零件中选择一个作为设计夹具的零件。
针对该零件的结构特点,制定该零件的加工工艺。
其次要了解夹具的相关知识,结合零件的结构特点选择需要的夹具元件,设计出夹具的大体结构。
机床夹具作为一种重要的工艺装备在机械制造工艺过程中起着十分重要的作用,它的设计不但要保证工件的加工质量,提高加工效率,降低成本,在操作维护中安全方便还要注意到夹具结构的标准化,夹具制造的精密化。
为了保证夹具组装精度,需要学习了解工件定位原理。
根据这些原理结合零件的结构特点确定零件在夹具中以轴外圆作为定位,计算夹具的定位精度与夹紧力保证零件在夹具上的加工精度。
然后使用UG绘图软件参考《夹具设计手册》绘制夹具元件的机械图,完成夹具的设计。
关键词 :偏心轴;车削;夹具AbstractThis topic comes from production practice, make full use of what have learned mechanical drawing, mechanical design and mechanical manufacturing, and other programs, to understand the characteristics for the eccentric shaft, through the UG software, the use of the software mapping function, complete with eccentric shaft parts special combination jig turning design. In this paper , the traditional process methods and the three jaw fine tuning turning method were analyzed , afterthat , a conclusion that the process on eccentric shaft parts are difficulties , low efficiency , poor interchang eability and difficult toguarantee the accuracy can be drawn . Finally , according to the shortcomings of the original process methods , a technology program for process high precision eccentric shaft parts special combination jig turning method is put forwardIn the research projects in the design phase, first select from a number of parts as the design of a fixture parts. For that part of the structural characteristics of the developmentof the parts processing technology. Second, we must understand the fixture knowledge, combined with the structural features of components select the required fixture components, the general structure of fixture design. As an important fixture of the technology and equipment in the mechanical manufacturing process plays an important role, it is designed not only to ensure that the workpiece processing quality, improve processing efficiency, reduce costs, in the operation and maintenance of safe and convenient but also noted that Fixture structure of standardization, the precision of fixture manufacturing .In order to ensure the fixture assembly of precision, need to learn to understand principles of positioning the workpiece. Combination of components based on these principles to determine the structural characteristics of components in the fixture to cylindrical shaft as the positioning of the positioning accuracy of calculation of fixture clamping force to ensure the parts with the fixture on the machining accuracy. And then use the UG drawing software reference, "Fixture Design Handbook," a mechanical fixture elements drawn map, complete fixture design.Keyword: The eccentric shaft; turning; jig1绪论1.1偏心轴车削加工的简介在传动机构中,一般常用偏心工件或曲轴等偏心件来完成回转运动与往复运动相互转换的功能, 因此偏心件在机械传动中应用的十分广泛。