单片机鸡雏恒温孵化器设计
- 格式:doc
- 大小:343.00 KB
- 文档页数:27
单片机孵化控制系统设计
随着科学技术的发展,单片机的使用越来越普遍,也得到了更广泛的应用,特别是在食品加工、农业和医药等行业的开发中,单片机的控制系统在风轻雨湿的孵化环境下起到了至关重要的作用。
单片机孵化控制系统的主要组成部分包括:一个微控制器,一个传感器(如温度传感器),一个扩展电路(如定时器),一个输出设备,可以控制风机、恒温箱、照明灯等设备,以及一个外壳。
首先,在进行控制系统的设计之前,需要确定孵化系统需要的功能,以及孵化的环境要求,这是最重要的部分。
其次,根据所需功能和环境要求,确定传感器,扩展电路,控制设备,显示设备和外壳等组件,并计算所需功能组件的数量,它们组成了单片机孵化控制系统的基本构成。
最后,安装好组件后,就可以利用一定的软件工具进行系统调试和程序设计,以实现对孵化环境的实时控制和电脑控制,通过这种方式可以确保孵化环境的稳定性和可靠性,从而达到实现孵化的目的。
因此,单片机孵化控制系统的设计是一个复杂的过程,需要综合设计,技术分析和程序开发等技术支持,以确保孵化受到良好的控制,确保最佳效果。
基于STC12C5608AD的智能孵化器电路设计针对小型孵化器,本文提出了一种以Pt1000等传感器和STC12C5608AD单片机等组成的智能孵化器控制电路,能根据孵化种类自动控制整个孵化和育雏过程的温湿度变化。
标签:Pt1000;STC12C5608AD;智能孵化器0.引言规模化养殖离不开人工孵化器,传统的孵化器离不开人的控制干预,工作量很大,效果不是很理想;要研究孵化条件和孵化规律的关系就比较难。
高精度的智能孵化器就能很好地解决上述问题,在生产实际中也有较大的应用价值。
影响孵化的一个关键因素为温度。
目前常见的孵化器的测温传感器大多采用18B20,LM35等半导体传感器或Pt100等,有些简单的孵化器甚至采用热敏电阻,用体温计对比。
存在着测量精度低,一致性差,调试麻烦等问题。
本文采用进口A级Pt1000作为温度传感器,具有零点准确(经过激光修正,常见的0℃阻值为999.986~1000.013Ω,误差可以忽略),分度值一致性好等特点。
1.测量电路和原理1.1测量原理测量原理如图1.1所示:温湿度传感器测得的参数经电路变换后送到单片机的A/D输入端测量温湿度值,与软件中设定的值比较后,通过对应的I/O口控制加热和加湿电路,使温湿度达到要求的值;同时显示该阶段软件设定的参数值、测量的数值及当前的工作状态。
根据软件的设定参数控制翻蛋电机作一定周期的左右翻蛋和送入新鲜空气。
进水单独自动控制,照明和风扇独立控制。
1.2STC12C5608AD单片机STC12C5608AD是南通国芯微电子有限公司推出的STC12C5620AD系列中8k字节用户应用程序空间的高速、低功耗、超强抗干扰、指令完全兼容传统51系列的单片机,具有单时钟/机器周期,内部集成有8路10位高速A/D、专用复位电路、EEPROM、看门狗等,可ISP/IAP(见图1.2)。
1.3测温电路测温电路如图1.3所示,Pt1000(RT1)采用三线制(如图中粗线所示),以降低引线电阻等的影响,RM1为10ppm的精密电阻作为基准电阻,U1构成差分放大电路,温度变化时,RT1的阻值发生变化引起分压变化,该变化值由U1放大,为了减轻Pt1000的自热影响,电流要足够小,本电路选50μA左右。
辽宁工业大学单片机原理及接口技术课程设计<论文)题目:鸡雏恒温孵化器设计院<系):电气工程学院专业班级:学号:学生姓名:指导教师:<签字)起止时间:2018.07.04-2018.07.15课程设计<论文)任务及评语院<系):电气工程学院教研室:注:成绩:平时20% 论文质量60% 答辩20% 以百分制摘要随着电究所子技术的发展,微处理器、集成电路不断更新、发展,温度是工业生产和自动控制中最常见的工艺参数之一,任何物理变化和化学变化的过程都与温度密切相关,因此,在生产过程中常需对温度进行检测和监控。
采用单片机进行温度检测、数值显示和数据的存储,效率高,性能稳定,还可以实现实时控制等技术要求,在工业生产中应用越来越广泛。
单片机在电子产品中的应用已经越来越广泛,在很多的电子产品中也用到了温度检测和温度控制。
随着温度控制器应用范围的日益广泛和多样,各种适用于不同场合的温度控制器应运而生。
随着人们生活水平的不断提高,单片机控制无疑是人们追求的目标之一,它所给人带来的方便也是不可否定的,其中鸡雏恒温孵化器就是一个典型的例子,本设计所介绍的鸡雏恒温孵化器,具有读数方便,测温范围广,测温准确,其输出温度采用数字显示,主要用于对测温比较准确的场所,或科研实验室使用,该设计控制器使用单片机AT89C51,测温传感器使用DS18B20,用液晶LCD1602实现温度显示。
关键词:单片机;温度传感器;LCD液晶屏;恒温目录第1章绪论11.1恒温控制系统简况11.2本文研究内容1第2章 CPU最小系统设计22.1恒温系统总体设计方案22.2CPU的选择22.389C51单片机32.3.1 AT89C51主要特性32.3.2 89C51单片机的基本结构32.3.3 89C51单片机引脚功能32.4数据存储器扩展42.5复位电路设计62.6时钟电路设计72.7CPU最小系统图7第3章 CPU输入输出接口电路设计93.1温度传感器的选择93.2温度检测接口电路A/D转换器选择103.3人机对话接口电路设计113.3.1 显示接口电路设计113.3.2 简易式键盘接口电路设计123.4报警与控制电路14第4章系统软件设计154.1系统主程序设计154.2温度控制部分程序设计164.3键盘部分程序设计164.4温度显示子程序设计174.5数据采集模块程序设计18第5章单片机程序19第6章课程设计总结24参考文献25第1章绪论1.1恒温控制系统简况本设计的内容是恒温控制系统,控制对象是温度。
基于单片机恒温孵化控制系统的设计与实现摘要:在农业发展的大环境下,孵化控制系统已经成为重要的部分。
针对特定的孵化应用,单片机作为控制的核心元件扮演着重要的角色。
本文针对基于单片机恒温孵化控制系统的设计和实现进行介绍。
首先,本文介绍了单片机和恒温孵化控制系统的工作原理,以及典型的控制电路结构。
其次,本文介绍了孵化控制系统设计所涉及到的相关参数,并给出了详细的原理图和控制电路图。
最后,本文对基于单片机恒温孵化控制系统在实际应用中的优点和缺点进行了分析,重点阐述了其可行性和实用性,为进一步研究和开发提供了参考依据。
关键词:单片机;恒温孵化控制;设计;实现1言随着我国农业生产的不断发展,孵化技术在今天的农业应用中越来越受到重视。
传统的孵化技术在控制方面存在比较大的不足,孵化工艺受到环境因素的不断影响,使得孵化效果和效率不断下降。
为了解决孵化过程中的温度和湿度波动的问题,更加节省孵化条件,采用恒温孵化技术,需要一套完整的控制系统来保证。
因此,利用单片机控制温度并实现恒温孵化成为研究焦点。
2作原理恒温孵化控制系统的基本原理是:利用单片机控制温度,保持恒温,以确保孵化的高效性。
单片机由中央处理器、指令存储器、数据存储器和外围电路构成,它能够接收输入信号,根据程序指令运算,生成控制输出。
它能够实时监测温度变化,根据孵化程序要求控制加热和湿度设备,实现恒温孵化。
恒温孵化控制系统由传感器、控制电路和加热、湿控装置组成,如图(1)所示。
传感器采集温度和湿度数据,单片机接收传感器的信号,根据孵化程序要求,发出相应的输出控制信号,调节加热、湿控设备,以达到恒温孵化的目的。
图1于单片机恒温孵化控制系统的典型电路3数设计3.1 传感器选择温度传感器是恒温孵化控制系统的重要组成部分,传感器的选择直接影响到系统性能及准确性。
一般采用常用的NTC热敏电阻作为温度传感器,它能够有效地检测温度变化,而且具有较低的成本和较高的性能。
3.2制电路设计根据恒温孵化控制系统的要求,控制电路应具有相对稳定的延时,较快的响应速度,以及较高的控制精度。
摘要孵化设备模拟孵化的自然环境,提供胚胎发育的适宜条件,用于家禽种蛋的孵化。
本文介绍了孵化的原理和条件、国内外孵化设备的现状及发展方向等方面的内容,并参考了孵化行业的技术标准来确定本系统的设计指标,然后进行以单片机为核心的硬件电路设计。
合理地控制孵化温度,不仅能提高出雏机率,而且还可以提高雏禽的健康质量。
温度的控制在家禽孵化的过程中起着至关重要的作用,研究孵化箱温度调节器具有重要意义。
本系统主要由AT89S52单片机、温度传感器DS18B20、LCD液晶屏、独立键盘、温度控制系统和报警系统组成。
通过单片机将由DS18B20检测到的温度与键盘输入的温度上、下限进行比较,然后判断是否启动继电器来开启加热灯,从而实现控制温度的目的。
系统具有自动报警的功能,电路结构简单,控制方便。
关键词:孵化箱;AT89S52单片机;温度传感器DS18B20;温度控制AbstractHatching equipment simulates the natural incubation environment and providesappropriate conditions for embryonic development, used for poultry breeder eggs hatch. This article describes the principles and conditions for incubation, the domestic and international situation and development and other aspects of hatching equipment. And reference to the hatchery industry technical standards to determine the design specifications of the system. Then hardware design as the core of the microcontroller. Not only can improve the chance of hatching, but also can improve the quality of health chicks by control of incubation temperature reasonable. The temperature control plays a vital role in poultry hatching, so process research incubator thermostat is important.This system is mainly composed by AT89S52 microcontroller, temperature sensor DS18B20, LCD liquid crystal screen, separate keyboard, temperature control system and alarm system. Compare the temperature detected by DS18B20 with the maximum and minimum temperature input by keyboard through the MCU, and then determine whether to activate the relay to turn on the heating lamp to achieve the purpose of controlling the temperature. The system can automatically alarm function, and the circuit structure issimple, easy to control.Keywords: Incubator; AT89S52 microcontroller; temperature sensor DS18B2; temperature control目录1 绪论 (1)1.1 选题背景与研究意义 (1)1.2 本选题的现状及发展前景 (2)1.2.1 本选题国内外现状 (2)1.2.2 本选题的发展趋势 (3)1.3 设计任务 (4)1.3.1 设计目的 (4)1.3.2 工作任务 (4)1.3.3 设计要求 (4)2 系统总体方案设计 (5)2.1 模块方案分析 (5)2.1.1 温度检测模块方案分析 (5)2.1.2 单片机控制模块方案分析 (5)2.1.3 显示模块方案分析 (6)2.1.4 键盘模块方案分析 (6)2.2 系统原理及设计框图 (7)3 系统的硬件电路设计 (8)3.1 主控制器 (8)3.1.1 AT89S52单片机简介 (8)3.1.2 AT89S52单片机的引脚图及方框图 (9)3.1.3 AT89S52单片机引脚功能说明 (10)3.1.4 AT89S52单片机最小系统设计 (12)3.2 键盘输入电路 (13)3.3 显示电路 (13)3.4温度检测电路 (14)3.4.1 温度传感器DS18B20简介 (14)3.4.2 温度传感器DS18B20的工作原理 (15)3.4.3 温度传感器DS18B20的工作时序 (16)3.4.4 温度传感器DS18B20与单片机的连接 (18)3.5 温度控制电路 (19)3.6 报警电路 (21)4系统的软件设计 (21)4.1程序的总体结构框架 (21)4.2 程序流程图 (22)4.2.1 主程序工作流程 (22)4.2.2 按键控制工作流程 (23)4.2.3 温度检测工作流程 (24)4.2.4 显示器工作流程 (25)4.2.5 报警工作流程 (26)4.2.6 温度控制工作流程 (27)5 系统调试 (29)6 结论 (32)谢辞 (33)参考文献 (34)附录一 (35)附录二 (36)1 绪论1.1 选题背景与研究意义随着人们生活水平的不断提高,对于物质生活的要求也越来越高,与之前的几十年相比,在日常饮食方面有了非常明显的改善。
摘要孵化设备是仿生学的一种应用,模拟自然界的孵化环境,提供胚胎发育适宜的条件,用于家禽种蛋的孵化。
当前孵化设备的不足之处在于:控温与控湿精度不高;以单机孵化设备为主,导致孵化管理效率不高;孵化设备价格普遍较高。
本文立足于这些不足,设计了多孵化箱温湿度测控系统。
介绍了国内外孵化设备的现状及发展方向,并提出利用串行通讯口设计低成本多孵化箱测控系统的研究思路。
介绍了孵化原理和条件方面的内容,并参考孵化行业的技术标准确定了本系统的设计指标。
然后进行了以单片机为核心的硬件电路设计:1.为了测温的准确性和成本控制,采用数字式单总线温度传感器DS18B20,在孵化箱内设置多个测温点;利用HS1101搭建频率电路检测孵化箱内的湿度。
2.设计了现场数据实时显示电路,16位数码管实时显示孵化箱内现场状态:设定温度,当前温度,设定湿度,当前湿度,加热状态,加湿状态,翻蛋状态等。
3.以光电耦合器TLP521和功率驱动芯片ULN2803AG以及继电器设计了输出控制部分电路。
该电路运行稳定,对单片机主电路无干扰。
设计了温湿度模糊控制算法。
将孵化箱分解为三个独立的子系统:温度控制子系统,湿度控制子系统和风门控制子系统。
温度是孵化的第一也是最重要的条件。
选择温度一风门联控为主,湿度一风门联控为辅的模糊控制算法。
编制了单片机驱动硬件的C语言程序和上位机管理软件。
设计了孵化模拟箱并进行了系统试验验证。
实验结果表明,本系统能实现温度误差0.1℃,湿度误差15%RH以内的孵化控制,可以用一台上位PC机实现多个孵化箱的集散控制。
该系统成本低廉,适合中等孵化场的孵化控制需要。
关键词:孵化箱,单片机,上位机,温湿度,模糊控制ABSTRACTAlong with the rapid development of electronic, computer and control technology,Agricultural automation has developed to a new stage. Hatch measuring and control system is one of the applications of the bionies.It imitates the natural hatching environment and provides the fitting condition of the embryo upgrowth. This article based on this deficiency and designed measuring and controlling system for temperature and humidity in mufti incubators based on MCU. The current situation and development direction of hatching systems inside and outside the country were described. Introduced the hatching principle designed technical standard of the system referred to the hatching profession carried out the hardware circuit design.1. For the accuracy of temperature measurement and the cost control, use digital single data line temperature sensor DS18B20, establishes many temperature measurement spots; Using HS1101 to build frequency electric circuit to examine humidity.2. Designed real time data display electric circuit to display incubator condition: Thehypothesis temperature, the current temperature, the hypothesis humidity, the current,humidity, the heating condition, wet-adding condition, egg-turning condition.3. Designed the output control circuits by electro-optical coupler TLP521 and power actuation chip ULN2803AG as well as the solid state relay. This electric circuit movement is stable, and has no disturbance to the monolithic integrated circuit main circuit. Designed temperature and humidity fuzzy control algorithm. The incubator is separated into three subsystems: temperature control subsystem, humidity control subsystem and wind control subsystem. Temperature is the most important condition of hatching. Choose temperature-wind couplets primarily, and humidity-wind couplets auxiliary fuzzy control algorithm.Designed program of MCU and the superior management software. Designed the hatching simulation box and carried on the system test experiment. It is proved that this system can measure and control temperature within the error of 0.1 ℃, can measure and control humidity within the error of 110%RH. It can distributedly control mufti- incubators. The system cost is inexpensive, and it is suitable for the medium hatching factory.Key words: Incubator, micro control union, temperature, humidity, fuzzy control目录第一章绪论 (1)1.1 课题背景研究意义 (1)1.2 国内外研究现状 (2)第二章孵化条件及设计目标 (5)2.1孵化条件及设计目标 (5)第三章系统总体设计方案 (9)3.1总体方案 (9)3.2单片机选择 (10)3.3传感器信号检测电路设计 (11)3.3.1温度信号的采集 (11)3.3.2湿度信号的采集 (15)3.4键盘与显示电路设计 (19)3.5输出控制电路设计 (22)3.5.1加热控制 (22)3.5.2加湿、风门与翻蛋控制 (23)3.6串行通信接口电路设计 (24)3.7本章小结 (25)第4章模糊控制算法设计 (26)4.1模糊控制 (26)4.1.1模糊控制的基本原理 (26)4.1.2模糊控制系统的组成 (27)4.2模糊控制器的设计 (32)4.2.1模糊化和量化因子的选择 (32)4.2.2隶属函数的确定 (34)4.2.3模糊规则的建立 (37)4.2.4模糊控制查询表的建立 (39)第五章软件系统设计 (43)5.1单片机程序设计 (43)5.1.1单片机主程序 (43)5.1.2数据采集程序模块 (45)5.1.3模糊控制程序模块 (49)5.1.4中断服务子程序 (52)5.1.5通信程序模块 (52)5.2 PC机控制与管理软件设计 (54)5.2.1主界面 (54)5.2.2串口设置界面 (55)5.2.4参数设置窗口 (57)5.2.5控制输出窗口 (58)5.3本章小结 (59)第六章系统实验分析 (60)6.1概述 (60)6.2温湿度检测和控制实验 (60)6.2.1检测与控制精度 (60)6.2.2系统响应速度实验 (63)6.3通信实验 (64)6.4本章小结 (64)第七章结论与讨论 (65)7.1结论 (65)7.2讨论 (66)参考文献 (67)附录系统硬件图 (77)第一章绪论1.1 课题背景研究意义随着生活水平的提高,人们对物质生活的要求越来越高,尤其是日用饮食,与前几十年相比,有了明显的改善。
鸡雏孵化恒温控制器设计方案一、概述温度控制在日常生活及工业领域的应用非常广泛,比如温室、水池、发酵缸等场所的温度控制。
而以往的温度控制是用人工控制的,而且不够重视。
其实在很多场所温度都需要监视以防止以外发生。
针对此问题,本系统设计的目的是实现一种连续高精度调温的温度控制系统。
它应用广泛,功能强大,小巧美观,是一款既使用又廉价的控制系统。
本设计是对温度进行实时监测与控制,设计的温度控制系统实现了基本的温度控制功能:1、当温度低于设定的下限温度时,系统自动启动加热装置记性加热,使温度上升;当温度上升到下限温度时,停止加热。
2、当温度高于设定上限温度时,系统启动风扇降温。
当温度下降到上限温度以下时,停止降温。
3、温度在上、下限温度(37-39℃)之间时,执行机构不工作。
4、LED实时显示实际温度,精确到小数点一位。
二、总体设计方案本项目设计的鸡雏孵化恒温控制器,总体设计方案如下:1、单片机选型的设计方案:(1)、本次设计的鸡雏孵化恒温控制器只需要四位一体的LED 8个端选和4个位选接口;4个按键接口,1个温度传感模块接口,2个加热、降温模块接口,蜂鸣器和工作指示2个接口,共需要21个I/O口,而AT89C51有32个I/O口,已足够供选择;(2)、本次设计的鸡雏孵化恒温控制器的程序不复查,需要的存储量约1KB左右,而且是对温度实现控制,运算速度要求不高。
而选用AT89S51,其存储容量和运算速度完全能满足要求;(3)、采用AT89S51我们编程熟练,同时AT89S51价格很便宜。
故选用AT89S51比较经济、实用。
2、温度传感器模块的选型方案:方案1:采用热电偶PT100和模拟AD590时,需要AD模块,接线复查,编程困难,价格贵;方案2:采用数字温度采集电路DS18B20,它的最高分辨率为12位,可识别0。
0625℃的温度。
它具有直接的数字信号和数据处理功能,并且它和单片机借口只需要一位I/O口,因此它构成的系统简单使用。
第一章课程设计目的与要求1.1 课程设计目的“单片机与接口技术”课程设计是在教学及实验基础上,对课程所学理论知识的深化和提高。
因此,要求学生能综合应用所学知识,设计与制造出具有较复杂功能的小型单片机系统,并在实践的基本技能方面进行一次系统的训练。
能够较全面地巩固和应用“单片机”课程中所学的基本理论和基本方法,并初步掌握小型单片机系统设计的基本方法。
培养独立思考、独立收集资料、独立设计规定功能的单片机系统的能力;培养分析、总结及撰写技术报告的能力。
1.2 课程设计的实验环境利用windows操作系统及应用软件进行绘图和编程。
1.3 课程设计的预备知识熟悉单片机与接口技术课程的相关知识及电子线路CAD工具软件。
1.4 课程设计要求按课程设计指导书提供的课题,根据第二章给出的基本要求及参数独立完成设计,课程设计说明书应包括以下内容:1、对设计课题进行简要阐述,并说明设计任务及具体要求。
2、论述系统设计方案,并画出总体电路结构图及功能分割图。
3、能够较熟练地应用电子线路CAD工具完成单片机系统的硬件设计任务。
4、各功能模块设计说明、设计实现过程及源程序。
5、能够较熟练地应用一种编辑软件编写程序,掌握单片机系统软件设计的基本方法6、课程设计报告应内容完整、字迹工整、图表整齐规范、数据详实。
7、课程设计总结8、字数4000左右,有系统电气原理图。
第二章课程设计内容第3章课程设计的考核3.1 课程设计的考核要求课程设计采用五级(优、良、中、及格、不及格)评分制。
最后成绩依据课程设计论文及平时成绩决定,其中平时考核成绩占20%。
3.2 课程性质与学分单片机与接口技术课程设计的课程性质:考查学分:2分第四章设计4.1设计思路本设计采用89C-51单片机系统来实现孵化场温度的自动控制。
单片机软件编程灵活,自由度大,可用软件编程实现各种控制算法和逻辑控制。
单片机系统可用数码管显示现场温度,孵化场温度的上下限能用键盘设定,并可实现报警、控制等多种功能。
机电信息工程基于单片机的孵化环境控制系统的设计王淑娇师倩(山东协和学院,山东济南,250000)摘要:本设计以AT89C51单片机作为主控芯片,通过键盘按键设置好适宜的温湿度范围,通过温湿度传感器SHT10检测周围环境温湿度,并通过1602液晶显示器同步实时显示温湿度数值,一旦测得数值超过预设温湿度的范围,报警信号灯闪烁并通过蜂鸣器报警,由AT89C51单片机启动相应的温湿度调节机构工作。
关键词:单片机;温湿度传感器;孵化率1系统设计1.1主要影响因素1.1.1温度因素温度因素是孵化最重要的条件,高温或者低温都会对发育造成不利影响。
高温生长迅速,孵化周期,死加。
低温基金项目:项目名称:基于单片机的孵化环境控制系统设计,项目编号:S201913324050%课题来源:山东省高等学校国家级大学生创新创业训练计划项目。
作者简介:王淑娇(1979-),女,研究方向:信号与信息处理%多数死于壳内,死亡率增加。
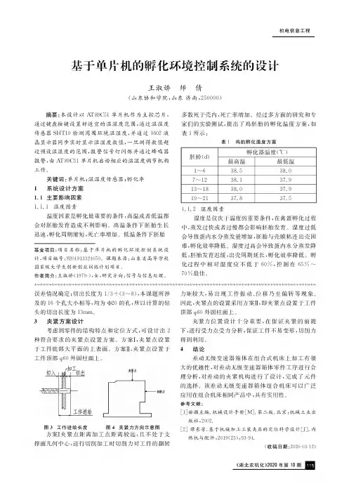
经过多方面的研究和专的,提岀了鸡胚胎的孵化温,如表1所示:表1鸡的孵化温度方案胚龄(d)孵化器温度(°C)最高温最低温1〜63853807〜1238137.913〜1838037.919〜2137.837.5112度因湿度是仅次于温度的重要条件,在禽蛋孵化过程中,蒸发过快或者过慢都会影响发育。
湿度过低导致蛋内水发加,用壳膜粘连岀壳困难,孵化。
湿度过高会导致蛋内水分蒸发降发,岀壳周期延长,孵化。
孵化过程中相对 应不60%,控制在65%〜70%最佳。
误差情况确定;切岀长度为1/3'(3〜8),本课题所涉及的16个小相等,均为*20的孔,所以计算的钻头的切岀长度为13mm。
3设计虑到 的结构特点和定位方式,可设计岀2种符合要求的夹紧点。
方案/夹紧点设置工部大平面的上表面。
0,夹紧点设置于工件顶部)60外圆柱面上。
图3工作进给图4示意图方案I夹紧点距离加工点距离较远,且不处于支何中心,削加工削力对工件的翻转力矩较大,易岀现工件振动、位移乃至偏转等现象。
基于单片机的恒温恒湿孵化器系统设计
研究背景:
孵化器是一种常用的生物实验仪器,它能通过控制温度和湿度来
维持适宜的生物理化环境,从而促进生物实验的成功进行。
由于温湿
度是影响孵化效果的两个重要因素,因此,设计一种高精度的恒温恒
湿孵化器对于提高生物实验的可靠性和成功率具有重要意义。
研究目的:
本文旨在设计一种基于单片机的恒温恒湿孵化器系统,该系统能
够实现高精度的恒温恒湿控制并保证生物实验的成功进行。
方法:
本文采用单片机技术设计恒温恒湿孵化器系统,主要包括硬件设
计和软件设计两个方面。
硬件部分包括温湿度传感器、加热器、风扇、nixie管显示屏等,通过单片机对这些硬件进行控制和管理实现恒温恒湿控制。
软件部分采用C语言编写,主要包括数据采集、温湿度控制
算法和用户界面三个模块。
结果:
通过实验测试,本文设计的基于单片机的恒温恒湿孵化器系统能
够实现高精度的温湿度控制,并提供了简洁易用的用户界面,方便用
户进行操作和监测。
结论:
本文所设计的基于单片机的恒温恒湿孵化器系统能够实现高精度
的温湿度控制,为生物实验和相关科学研究提供了可靠的工具和手段。
这种系统不仅可以应用于生物实验领域,还可以拓展到其他领域,如
物理、化学等等,具有很好的应用前景。
基于单片机的孵化箱温度调节器的设计与制作设计目的:本设计旨在制作一款基于单片机控制的孵化箱温度调节器。
该设备能够实现对孵化箱内部温度的快速精准控制,以满足对温度控制的精度需求。
设计内容:本设计采用基于单片机控制的温度控制方案,主要包括温度采集、温度控制、输出控制三部分。
1. 温度采集:温度采集是本设计的第一步。
本设计采用了DS18B20传感器对孵化箱内的温度进行采集。
该传感器不但精度高,还能够直接输出数字信号,与微处理器通信方便。
2. 温度控制:温度控制是本设计的核心部分。
本设计采用PID算法进行温度控制。
PID算法通常包括比例控制器、积分控制器和微分控制器三部分。
比例控制器是最基本的控制器,主要用于控制目标系统的响应速度。
积分控制器能够在调节tr后自动消除系统偏差,并且能够消除因过量积分而引起的超调。
微分控制器用于提高系统对变化的响应速度并抑制超调现象。
3. 输出控制:输出控制是将控制信号传输到输出端的过程,本设计采用了继电器作为输出控制器,通过微处理器的输出来控制继电器的通断。
继电器能够根据孵化箱内温度控制自身的开闭状态,从而实现对温度的快速控制。
设计实现:1. 硬件设计硬件设计主要由控制器、LCD屏幕、DS18B20传感器、继电器和电源组成。
控制器:本设计采用Atmel家的AT89S52作为控制器。
AT89S52是一款高效处理器,能够运行复杂的程序,拥有强大的串口能力和一定的存储容量。
LCD屏幕:本设计采用16x2字符型LCD屏幕,用于显示孵化箱内部的实时温度。
DS18B20传感器:DS18B20传感器用于对孵化箱内部的温度进行采集。
继电器:本设计采用5V电源控制的继电器,用于控制孵化箱内的加热装置通断。
电源:本设计采用5V电源,能够为继电器和LCD屏幕提供稳定的电压。
本设计采用Keil4和Proteus软件进行开发。
软件采用了C语言语言进行编写。
在软件设计中,首先通过DS18B20传感器读取孵化箱内部的温度,并将温度输出至LCD屏幕。
基于单片机的恒温孵化箱控制系统的设计针对传统法人工方式难以实现准确控制温度,使孵化箱保持恒温的问题,提出设计一种利用单片机的温度控制系统。
以AT89C2051单片机为核心,结合DSl8820对孵化箱温度进行采集,通过温控装置自动调整孵化箱温度。
实验结果表明,该系统温度控制精度能达到预期的设计目标,具有较高的控制精度,提高了孵化场管理效率,节省了孵化场的成本开支。
标签:单片机;温度传感器;恒温孵化箱1 概述温度在人们的日常生活、科学实验、工、农业生产中都是一个十分重要的参数,传统温控方法操作流程复杂,分辨力不高,随着时代的进步和发展以及现代工业技术的需要,测温技术也不断地改进和提高,尤其是由单片机电路构成的温控系统,具有测量精度高,响应时间短等特点,使得其在工、农业生产中得到了广泛的应用[1,2]。
文章提出设计一种利用单片机的温度控制系统。
以AT89C2051单片机为核心,结合DSl8820对孵化箱温度进行采集,通过温控装置自动调整孵化箱温度。
该系统可以方便地实现温度采集和显示,并可根据需要任意设定上下限温度,通过温度控制使孵化箱内温度控制在所设定的温度范围内[3,4]。
2 硬件系统组成该系统有六个部分组成[5]:AT89C51单片机、DSl8820温度传感器、数码显示、复位电路,时钟电路、温度控制和声光报警,系统结构如图1所示。
AT89C51为控制和处理核心,负责完成数据的转换、处理、输出显示等;LED显示部分用来显示温度和设定温度;温度传感器用来采集温度和温度转换;复位电路对系统复位;温度控制实现自动调整孵化箱温度。
恒温具体过程为:温度传感器采集温度,再将温度信息转换后传输到单片机,经过单片机判断处理后再将温度信息传递到数码管显示,同时,单片机将采集的数据与设定数据进行比对,当发现实际温度低于设定温度时,将启动恒温系统,直至温度升高到设定上限时关闭。
图1 恒温孵化箱系统结构图3 系统硬件电路本系统以AT89C51单片机为控制核心,通过编程,可将温度探测器探测到的温度与设定的温度范围进行比对,从而根据比对结果判断是否开启恒温系统。
基于单片机的恒温恒湿孵化器系统设计恒温恒湿孵化器是一种应用于农林业生产领域的设备,它能够模拟母鸡孵化鸟蛋的环境,帮助蛋在最适宜的温度和湿度条件下孵化。
随着科技的不断发展,基于单片机的恒温恒湿孵化器系统逐渐成为了现代化孵化器的主流。
本文将深入探讨基于单片机的恒温恒湿孵化器系统的设计原理、关键技术和应用前景,希望能够为相关领域的研究者提供一些启发和参考。
首先,我们需要了解恒温恒湿孵化器的基本原理。
在自然环境中,母鸡通过自身的体温和孵化行为来为鸟蛋提供恒温恒湿的孵化条件。
而恒温恒湿孵化器则是通过控制加热器、湿度调节器等设备,使孵化室内的温度和湿度保持在恒定的范围内,从而实现对蛋的孵化管理。
基于单片机的恒温恒湿孵化器系统将单片机作为控制中心,通过传感器实时监测孵化室内的温湿度,根据设定的程序控制执行器的运行,实现对环境参数的动态调节,从而确保孵化过程的稳定性和高效性。
设计一个基于单片机的恒温恒湿孵化器系统,需要考虑的因素有很多。
首先是硬件部分的设计。
恒温恒湿孵化器系统需要包括感知模块、控制模块和执行模块。
感知模块用于实时监测孵化室内的温湿度,可以选择温度传感器和湿度传感器作为感知模块的核心部件;控制模块则是单片机芯片,它可以根据感知模块获取的数据,通过程序控制执行模块的运行,实现对环境参数的调节;执行模块包括加热器、湿度调节器等设备,用于调节孵化室内的温湿度。
在硬件设计中,需要充分考虑各个模块之间的配合和联动,确保系统的稳定性和可靠性。
除了硬件设计,软件设计也是基于单片机的恒温恒湿孵化器系统中至关重要的一部分。
单片机作为系统的控制中心,需要编写相应的程序来实现对环境参数的动态调节。
程序的编写需要考虑的因素有很多,比如如何根据感知模块获取的数据来确定控制策略、如何实现对执行模块的精准控制、如何保证系统的响应速度和稳定性等等。
在软件设计中,需要具备扎实的编程技能和丰富的系统控制经验,以确保程序的质量和可靠性。
在这篇文章中,我将从简到繁地探讨基于单片机的恒温恒湿孵化器系统设计。
我们来了解一下什么是恒温恒湿孵化器系统,它的原理是怎样的,以及为什么需要基于单片机进行设计。
1. 恒温恒湿孵化器系统简介恒温恒湿孵化器系统是一种用于孵化蛋的设备,它能够提供稳定的温度和湿度条件,以确保蛋能够顺利孵化。
在这个系统中,温控和湿控是两个关键的功能模块,它们控制着孵化器的温度和湿度,从而为蛋的孵化提供合适的环境条件。
2. 恒温恒湿孵化器系统的原理恒温恒湿孵化器系统的原理基于控制论和传感技术。
温度传感器和湿度传感器检测孵化器内部的温度和湿度,然后这些数据被传输到单片机控制器中进行处理。
单片机控制器根据预设的温湿度值,通过控制加热和湿化装置来调节孵化器内部的环境条件,从而实现恒温恒湿。
3. 基于单片机的恒温恒湿孵化器系统设计的必要性为什么需要基于单片机进行恒温恒湿孵化器系统的设计呢?传统的孵化器系统往往使用机械式的温湿控制装置,它们的控制精度和稳定性无法满足现代养殖业对孵化质量的要求。
而基于单片机的设计能够实现更精确的温湿度控制,并且具有更高的稳定性和可靠性,能够有效提高孵化成功率。
4. 恒温恒湿孵化器系统设计的具体实现在实际的设计过程中,我们需要考虑如何选择合适的温度传感器、湿度传感器以及加热、湿化装置。
单片机的选择和程序设计也是关键的步骤。
在系统设计的过程中,我们需要充分考虑到不同孵化物种对温湿度的要求,以及系统的稳定性和可靠性。
5. 总结和回顾通过本文的讨论,我们了解了基于单片机的恒温恒湿孵化器系统的原理和设计过程。
这种系统能够为蛋的孵化提供稳定的环境条件,从而提高孵化成功率。
在未来的养殖业中,基于单片机的智能化孵化器系统将会有更广泛的应用。
6. 个人观点和理解我认为基于单片机的恒温恒湿孵化器系统是现代养殖业发展的一个重要趋势。
它不仅能够提高孵化的成功率,还能够降低养殖成本,提高生产效率。
在未来,随着技术的不断进步和单片机控制系统的不断完善,恒温恒湿孵化器系统将会更加智能化和智能化。
基于单片机的恒温恒湿孵化器系统设计基于单片机的恒温恒湿孵化器系统设计1. 引言在现代社会中,恒温恒湿孵化器系统在农业养殖领域发挥着重要作用。
从孵化鸡蛋到培育小动物,都需要恒温恒湿的环境。
而基于单片机的恒温恒湿孵化器系统设计,可以通过智能化的方式实现对温湿度的精准控制,提高孵化的成功率和养殖效益。
2. 恒温恒湿孵化器系统的基本要求2.1 温度控制恒温恒湿孵化器系统首先需要能够实现精准的温度控制,保持在一定的范围内。
通过单片机控制加热器或制冷器的工作来实现温度的调节。
2.2 湿度控制在孵化过程中,湿度对于孵化的成功同样至关重要。
恒湿孵化器系统需要能够实现精准的湿度控制,保持在合适的范围内。
3. 基于单片机的恒温恒湿孵化器系统设计3.1 控制系统设计单片机作为主控芯片,可以通过温湿度传感器实时采集环境温湿度数据,并根据预设的温湿度范围进行控制。
3.2 控制策略控制策略是恒温恒湿孵化器系统设计的核心,可以采用PID控制算法,通过对温湿度误差的不断调节,来实现精准的温湿度控制。
3.3 安全保护在设计恒温恒湿孵化器系统时,需要考虑安全保护机制,如温度过高、过低或湿度异常时及时报警并采取相应的措施。
4. 恒温恒湿孵化器系统的优势及应用基于单片机的恒温恒湿孵化器系统具有温湿度控制精准、能耗低、体积小等优势。
在家禽养殖、实验室繁殖等领域具有广泛的应用前景。
5. 个人观点与总结基于单片机的恒温恒湿孵化器系统设计,能够更好地满足现代农业生产的需求,提高孵化的成功率,减少能耗,具有实用性和经济性。
希望未来能够进一步完善系统的稳定性和可靠性,推动其在农业生产中的广泛应用。
在文章中多次提及“基于单片机的恒温恒湿孵化器系统”,并根据深度和广度的要求,对主题进行全面评估,并结合个人观点进行撰写。
基于单片机的恒温恒湿孵化器系统设计,是当前农业生产中不可或缺的重要工具之一。
其作用不仅在于提高孵化的成功率和养殖效益,还在于通过智能化的方式实现对温湿度的精准控制,从而为农民提供更便捷、高效的孵化环境管理方案。
课程设计(论文)任务及评语院(系):电气工程学院注:成绩:平时20% 论文质量60% 答辩20% 以百分制计算摘要在人们物质生活逐渐提升的当今社会,禽畜类饲养已成为现在农业不可或缺的一部分,尤其是鸡鸭的饲养,更是非常重要的科目,而由于孵化鸡雏是鸡类饲养当中很重要的一部分,但现在却缺少高效率低成本的手段用于孵化室的温度监控。
系统主要包括测量,运算,电流电压转换,模拟数字转换,显示五个部分,测量部分包括传感器及附属电路,运算锁存部分主要由51单片机构成,显示部分主要由数码管等部件构成,电流电压转换主要由I/V转换电路等构成,模拟/数字转换主要由ADC0809及其辅助电路组成,系统旨在以较低的成本,较少的流程,较少的时间,更方便、更快捷的监视孵化室的温度以及用数码管将其显示出来。
关键词:温度传感器;单片机;数码管;I/V转换;A/D转换。
目录第一章绪论 (2)课程设计来源 (2)课程设计的背景 (2)国内外的发展现状 (2)课程设计要求 (2)第二章系统方案论证 (4)第三章硬件电路设计 (5)单片机选择 (5)显示接口设计 (5)键盘接口设计 (6)传感器的选择 (7)放大电路设计 (8)电流电压转换电路设计 (10)模拟数字转换电路设计 (10)第四章软件设计 (13)第五章误差及可行性分析 (14)第六章结论分析 (15)参考文献 (16)附录Ⅰ (16)附录Ⅱ (17)第一章绪论课程设计来源由于鸡鸭等的饲养已成现代农业必不可少且规模庞大市场丰富的一部分,故对鸡雏孵化的恒温控制系统也成为人们不得不研究设计的课题之一了,致力于设计出更经济更科学更高效的鸡雏孵化设备,智能化集成化管理鸡雏孵化过程,故此产生了本课题的研究。
往往人们采用的鸡雏孵化装置都比较消耗能源且不环保,准确度也并不十分高,故此应设法改变这一现状。
课程设计的背景本设计的内容是温度检测系统,检测对象是温度。
温度控制在日常生活及工业领域应用相当广泛,比如温室、水池、发酵缸、电源等场所的温度检测。
孵化器控温控制课程设计孵化室控温控制电路设计1 设计主要内容及要求1.1 设计目的:1、了解温度控制技术的基本知识以及电工电子学、单片机、传感器等相关技术。
2、初步掌握常用测温方法的特点和应用场合,并选择合适方法应用于本设计。
3、通过学习,具体掌握所选择测温方法和传感器等的使用特点和方法。
1.2 基本要求1、孵化室对温度有一定要求,温度是否合适直接影响孵化效果,为此需要对温度进行严格控制,主要指标如下:孵化室温控制在36-42℃,温度低时启动电热器加热,温度高时,启动空调冷却。
报警指示,当温度大于42℃或低于36℃时,用声光报警。
2、要求设计相关的硬件电路,选择合适的传感器和温度显示系统。
3、要有相应的控制算法(软件流程图)。
1.3 发挥部分自由发挥2 设计过程及论文的基本要求:2.1 设计过程的基本要求(1)基本部分必须完成,发挥部分可任选;(2)符合设计要求的报告一份,其中包括总体设计框图、电路原理图各一份;(3)设计过程的资料、草稿要求保留并随设计报告一起上交;报告的电子档需全班统一存盘上交。
2.2 课程设计论文的基本要求(1)参照毕业设计论文规范打印,包括附录中的图纸。
项目齐全、不许涂改,不少于3000字。
图纸为A4,所有插图不允许复印。
(2)装订顺序:封面、任务书、成绩评审意见表、中文摘要、关键词、目录、正文(设计题目、设计任务、设计思路、设计框图、各部分电路及相应的详细的功能分析和重要的参数计算、工作过程分析、元器件清单、主要器件介绍)、小结、参考文献、附录(总体设计框图与电路原理图)。
3 时间进度安排沈阳工程学院孵化室控温控制电路设计课程设计成绩评定表系(部):班级:学生姓名:目录中文摘要 (1)1.设计任务描述 (2)1.1设计题目 (2)1.2设计主要内容及要求 (2)2. 设计思路 (3)3. 设计框图 (4)4.各部分电路及相应的功能分析及参数计算 (5)4.1测温电路 (5)4.2温控电路 (5)4.3显示电路 (6)4.4A/D转换电路 (7)4.5报警电路 (8)4.6软件设计部分 (8)5. 工作过程分析 (19)6. 元器件清单 (20)7. 主要元器件介绍 (21)7.1温度传感器 (21)7.2继电器 (21)7.3单片机 (22)总结 (24)致谢 (25)参考文献 (26)附录一 (27)附录二 (37)中文摘要传感器一般处于研究对象和监测控制系统的最前端,是感知,获取与检测各种信息的窗口。
辽宁工业大学单片机原理及接口技术课程设计(论文)题目:鸡雏恒温孵化器设计院(系):电气工程学院专业班级:学号:学生姓名:指导教师:(签字)起止时间:2011.07.04-2011.07.15课程设计(论文)任务及评语院(系):电气工程学院教研室:注:成绩:平时20% 论文质量60% 答辩20% 以百分制摘要随着电究所子技术的发展,微处理器、集成电路不断更新、发展,温度是工业生产和自动控制中最常见的工艺参数之一,任何物理变化和化学变化的过程都与温度密切相关,因此,在生产过程中常需对温度进行检测和监控。
采用单片机进行温度检测、数值显示和数据的存储,效率高,性能稳定,还可以实现实时控制等技术要求,在工业生产中应用越来越广泛。
单片机在电子产品中的应用已经越来越广泛,在很多的电子产品中也用到了温度检测和温度控制。
随着温度控制器应用范围的日益广泛和多样,各种适用于不同场合的温度控制器应运而生。
随着人们生活水平的不断提高,单片机控制无疑是人们追求的目标之一,它所给人带来的方便也是不可否定的,其中鸡雏恒温孵化器就是一个典型的例子,本设计所介绍的鸡雏恒温孵化器,具有读数方便,测温范围广,测温准确,其输出温度采用数字显示,主要用于对测温比较准确的场所,或科研实验室使用,该设计控制器使用单片机AT89C51,测温传感器使用DS18B20,用液晶LCD1602实现温度显示。
关键词:单片机;温度传感器;LCD液晶屏;恒温目录第1章绪论 01.1恒温控制系统概况 01.2本文研究内容 0第2章 CPU最小系统设计 (1)2.1恒温系统总体设计方案 (1)2.2CPU的选择 (1)2.389C51单片机 (2)2.3.1 AT89C51主要特性 (2)2.3.2 89C51单片机的基本结构 (2)2.3.3 89C51单片机引脚功能 (2)2.4数据存储器扩展 (3)2.5复位电路设计 (5)2.6时钟电路设计 (5)2.7CPU最小系统图 (5)第3章 CPU输入输出接口电路设计 (7)3.1温度传感器的选择 (7)3.2温度检测接口电路A/D转换器选择 (8)3.3人机对话接口电路设计 (9)3.3.1 显示接口电路设计 (9)3.3.2 简易式键盘接口电路设计 (10)3.4报警与控制电路 (11)第4章系统软件设计 (12)4.1系统主程序设计 (12)4.2温度控制部分程序设计 (12)4.3键盘部分程序设计 (12)4.4温度显示子程序设计 (13)4.5数据采集模块程序设计 (14)第5章单片机程序 (15)第6章课程设计总结 (20)参考文献 (21)第1章绪论1.1恒温控制系统概况本设计的内容是恒温控制系统,控制对象是温度。
温度控制在日常生活及工业领域应用相当广泛,比如温室、水池、发酵缸、电源等场所的温度控制。
而以往温度控制是由人工完成的而且不够重视,其实在很多场所温度都需要监控以防止发生意外。
随着电究所子技术的发展,微处理器、集成电路不断更新、发展,温度是工业生产和自动控制中最常见的工艺参数之一,任何物理变化和化学变化的过程都与温度密切相关,因此,在生产过程中常需对温度进行检测和监控。
采用单片机进行温度检测、数值显示和数据的存储,效率高,性能稳定,还可以实现实时控制等技术要求,在工业生产中应用越来越广泛。
1.2本文研究内容本设计是对温度进行实时监测与控制,设计的温度控制系统实现了基本的温度控制功能:当温度低于设定下限温度时,系统自动启动加热继电器加温,使温度上升。
当温度上升到下限温度以上时,停止加温;当温度高于设定上限温度时,系统自动启动风扇降温,使温度下降。
当温度下降到上限温度以下时,停止降温。
温度在上下限温度之间时,执行机构不执行。
LCD液晶显示器即时显示温度。
本设计主要设计内容:硬件电路设计:1. CPU最小系统设计(包括CPU选择,晶振电路,复位电路)2. 温度传感器选择及接口电路设计3. 驱动电路设计软件设计:1.编程程序流程图2.程序清单编编写第2章CPU最小系统设计2.1恒温系统总体设计方案本设计题目为基于单片机的鸡雏恒温孵化器的设计,温度控制设定范围为0-50°C,上、下限温度在程序中设置,实现控制可以升温也可以降温,实时显示当前温度值,另外还有蜂鸣器报警功能。
本文使用热电偶温度自动控制系统。
(采用A/D转换器)采用单片机控制,液晶显示模块LCD显示。
系统框图如图2.1:图2.1 温度控制系统原理图2.2CPU的选择由于单片机具有功能强、体积小、可靠性好和价格便宜等独特优点,已成为传统工业技术改造和新产品更新换代的理想机种,具有广泛的发展前景。
单片机技术的应用,使得许多领域的技术水平和自动化程度大大提高,可以说,当今世界正面临着一场以单片机(微电脑)技术为标志的新技术革命本设计决定用单片机作为中心控制器。
现流行的单片机有很多种,其中MCS-51系列以较高的性价比博得很多用户的青睐。
所以,本系统采用美国Intel 公司生产的89C-51型单片机,由于其具有集成度高、处理功能强、可靠性高、系统结构简单、价格低廉等优点并具有4K字节的程序存储器,使得它应用起来更加方便。
2.389C51单片机2.3.1AT89C51主要特性(1)面向控制的8位CPU;(2)片内4KB Flash ROM 程序存储器;(3)128B的片内数据存储器;(4)可寻址64KB的片外程序存储器和片外数据存储器控制电路;(5)2个16位定时/计数器;(6)4个并行I/O口,共32条可单独编程的I/O;(7)5个中断源,2个中断优先级;(8)低功耗的闲置和掉电保护模式;2.3.289C51单片机的基本结构89C51由8个部件组成,即中央处理器(CPU),片内数据存储器(RAM),片内程序存储器,输出/输入接口(I/O,分为P0口、P1口、P2口、P3口),可编程串行口,定时/计数器,中断系统及特殊功能寄存器。
2.3.389C51单片机引脚功能(1)XTAL1:接外部晶体和微调电容的一端。
在89C51片内,它是振荡电路反向放大器的输入端及内部时钟发生器的输入端,振荡电路的频率就是晶体的固有频率。
当采用外部振荡器是次引脚输入外部时钟脉冲。
(2)XTAL2:解外部晶体和微调电容的另一端。
在89C51片内,它是振荡电路反向放大器的输出端。
在采用外部振荡器时此引脚应悬浮。
通过示波器查看XTAL2端是否有脉冲信号输出,可以确认89C51的振荡电路是否正常工作。
(3)RST:复位信号输入端,高电平有效。
当振荡器工作时,在此引脚上出现两个机器周期一上的高电平,就可以使单片机复位。
(4)ALE/ :地址锁存允许信号。
ALE锁存 P0口传送的低8位地址信号,实现低8位地址与数据的分离。
(5):外部程序存储器的读选通信号。
当89C51由外部程序存储器取指令(或常数)时,每个机器周期内两次有效输出。
(6) /VPP:内,外ROM选择端。
当端接高电平时,CPU访问并执行内部ROM 的指令;但当PC值超过4KB时,将自动转去执行外部ROM中的程序。
但端接低电平时,CPU只访问外部ROM中的指令。
(7)P0口:双向8位三态I/O 口,在访问外部存储器时,可分时用做低8位地址线和8位数据线。
无上拉电阻,能驱动8个LSTTL 门电路。
P1口:8位双向I/O 口,用做普通I/O 口。
有上拉电阻,能驱动4个LSTTL 门电路。
P2口:8位双向I/O 口,做高8位地址线。
有上拉电阻,能驱动4个LSTTL 门电路。
P3口:8位双向I/O 口,具有第二功能。
有上拉电阻,能驱动4个LSTTL 门电路。
89C51单片机的引脚图(40脚双列直插封装)如下2.4 数据存储器扩展89C-51256B 的数据存储器是远远不够的。
据存储器。
MCS-51系列单片机最大可扩展8位静态随机存储器,采用CMOS 工艺制造,单一200ns ,为28NetLab el8el11NetLab el12图2.3 6264引脚图6264的特性及引脚信号6264的容量为8KB ,是28引脚双列直插式芯片,采用CMOS 工艺制造RXD TXD INT0INT1T0T1WR RD ....A12~A0:地址线,可寻址8KB 的存储空间。
D7~D0:数据线,双向,三态。
OE :读出允许信号,输入,低电平有效。
WE :写允许信号,输入,低电平有效。
CE1:片选信号1,输入,在读/写方式时为低电平。
CE2:片选信号2,输入,在读/写方式时为高电平。
VCC :+5V 工作电压。
GND :信号地。
6264的操作方式6264的操作方式由CE1、CE2的共同作用决定写入:当和为低电平,且和CE2为高电平时,数据输入缓冲器打开,数据由数据线D7~D0写入被选中的存储单元。
读出:当和为低电平,且和CE2为高电平时,数据输出缓冲器选通,被选中单元的数据送到数据线D7~D0上。
保持:当为高电平,CE2为任意时,芯片未被选中,处于保持状态,数据线呈现高阻状态。
89C51单片机与6264的接口,如下图:NetLabel14NNetLabel17图2.4 89C51单片机扩展74LS373是一种带三态门的8D 锁存器,其管脚示意图如下图所示:其中D0~D7为8个输入端;..Q0~Q7为8个输入端;LE 为数据打入端:当LE 为“1”时,锁存器输出状态同输入状态:当LE “0”时,数据打入端锁存器;OE 为输出允许端:当OE =0时,三态门打开;OE =1时,三态门关闭,输出高阻。
2.5 复位电路设计单片机复位电路图2.6为单片机复位电路。
单片机在开机时都需要复位,以便中央处理CPU 以及其他功能部件都处于一个确定的初始状态,并从这个状态开始工作。
单片机的复位后是靠外部电路实现的,在时钟电路工作后,只要在单片机的RST 引脚上出现24个时钟振荡脉冲(2个机器周期)以上的高电平,单片机便可实现初始化状态复位。
MCS-51单片机的RST 引脚是复位信号的输入端。
例如:若MCS-51单片机时钟频率为12MHz ,则复位脉冲宽度至少应该为2μs 。
2.6 1.2MHz ~24MHz 之间选取。
C1、C2是反馈电容,其值在20pF ~100pF 之间选取,典型值为30pF 。
本电路选用的电容为30pF ,晶振频率为12MHz 。
振荡周期=s μ121; 机器周期sS m μ1=; 指令周期=s μ4~1图2.7 时钟电路原理图2.7 CPU 最小系统图本设计中的89C51的最小系统包括89C51单片机,6264可编程I/O 接口,晶振电路,按键复位电路.1.复位电路的极性电容C1的大小直接影响单片机的复位时间,一般采用10~30uF ,容值越大需要的复位时间越短。