爱登堡门机调试说明书ams新
- 格式:doc
- 大小:3.87 MB
- 文档页数:10
acceso fácilcajas de controlincorporadopor llaveparaPORTONES BATIENTESestándarde lujocajas de controlMecánicoReducción primaria: unidad de impulsióndel engranajeVelocidad: aproximadamente 90°en 15 segundos 110°máximo de apertura de la puertaMotor/Impulsión: Aluminio troquelado con untratamiento especial resistentea la corrosiónExterior: acero galvanizadoCaja de cimiento: acero probado contra la corrosiónDesconexión ManualSe proporciona Desconexión por llave“Fail-secure” mecánico ( se aseguran las puertascuando hay un corte del suministro eléctrico)NotaSe requieren los dispositivos secundarios de laprevención contra el atrapamiento con esteoperador de puertaCaracterísticas AvanzadasMecanismo de impulsión completamente encerradoInterruptores de límite ajustables incorporadosque controlan con exactitud la velocidad deempezar / parar, y el movimiento del portón parauna operación suave115 VAC entrada de energía24 VDC energía de funcionamientoSe incluyen bateríasCargador de batería incorporadoPuertos para enchufar detectorespara la salida o regresar90°en aproximadamente 15 segundos110°máximo de apertura de la puertaCaracterística que permite operar portonesbatientes dualesCircuito de la energía de la cerradura magnéticaInterruptores incorporados de reajuste yde pruebaT emporizador del máximo funcionamientoAdvertencia de alta corriente incorporadoReglamentario de SeguridadSatisface las normas de seguridad de UL 325y UL 991Listado ETLTemp de Operación32°F hasta 145°F0°C hasta 62°CPeso de EnvíoAproximadamente 80 libras (36.2 kg)GarantíaGarantía de fábrica limitada de 2 años Especificaciones GeneralesEl modelo 6400 se instala enterrado bajo tierra que lo hace prácticamente invisible y satisface las necesidades mássofisticadas de la automatización sin ser prejudicial al diseño original de la puerta. Invisible y potente, elmecanismo de motor / impulsor es construido en aluminio troquelado con un tratamiento probado-resistente a lacorrosión y porque la unidad de impulsión es impulsado por engranaje, no hay necesidad de preocuparse de losescapes, de las válvulas o de las bombas hidráulicas. La caja subterránea autosuficiente de la fundación esconstruida de acero probado-resistente contra la corrosión y tiene una tapadera de acero galvanizado. Una palancade desconexión manual que se puede cerrar es diseñado para poder funcionar por dentro o por afuera del portón.Caja de Control Estándar12.25" W x 16.75" H x 4" D(311mm W x 425mm H x 101mm D)Caja de Control de Lujo14.25" W x 24.25" H x 4" D(362mm W x 616mm H x 101mm D)Clase de Máximo Longitud Máximo Peso HP Energíaoperación del Portón *Weight *(caballos de fuerza)Tablero de Control Actuador Respaldo I10 Pies300 Libras1/2hp115 VAC, 60 Hz24 VDC Se provee baterías3.05 m136 kg10 ciclos/hr d e l t a b l e r o d e c o n t r o lservicio limitado6400 Operator Specs*Asume que la puerta y el material esta en buena condición y oscila en un plano niveladoD O O R K I N G,®I N C.120 Glasgow Avenue, Inglewood, California 90301 EE.UU. T el: 310-645-0023 FAX: 310-641-1586 Distribuido por:。
目录1.注意事项........................................................................... . (2)2.端子名称和线号 (2)3.按键名称和基本操作 (2)4.接线图 (3)5.开关门曲线说明 (4)6.基本调试1 (6)7.基本调试2 (6)8.功能参数表 (8)9.监控和故障显示 (11)1、注意事项1.必须由具有专业资格的人员才能对控制器进行调试、维修或检查。
操作前请仔细阅该使用手册。
2.确认输入电源处于完全断开的情况下,才能进行配线作业。
3.不要把输入端子(L,N)与输出端子(U,V,W) 混淆,否则会损坏控制器。
4.将控制器的接线地端子可靠接地,否则有触电危险。
5.通电情况下,不要用手触摸控制端子,否则有触电危险。
6.在充电指示灯彻底熄灭或正负母线电压在36V以下时进行,否则有触电的危险。
7.防止螺钉,垫片及金属之类的异物掉进变频器内部,否则有火灾及损坏财务的危险。
8.主回路接线用电缆端头的裸露部分,一定要用绝缘胶带包扎好,否则有损坏财物的危险。
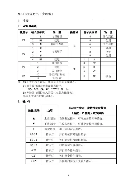
、端子定端子名电缆线号(颜色端子功能说L / N / 褐兰黄单相交流电源输入端U / V / U/V/电机接线端1开关门输入公共端COM2开门命令常开输入N23#关门命令常开输入(NO)3--*开门限位常闭输入(NC)4--*关门限位常闭输入(NC)6--*开门换速常闭输入(NC)7--*关门换速常闭输入(NC)C2-C34#到位输出公共端(COM2)A25#开门到位常闭输出(NC)A36#关门到位常闭输出(NC)C备用故障输出公共端(COM3)B1故障常闭输出(NC)A1故障常开输出(NO)注: 1、--*为控制器内部接线,不在6芯控制电缆线内。
2、控制端子第1~7号端子请连接无电压接电信号或开路集电极信号。
信号端电压为+12VDC ,输入公共端8为负。
3、按键名称和基本操作3、1 按键名称3、2 按键基本操作以改变参数P05为15为例:按键次序显示内容4、接线图按键进入参数修改或按或改变参按键确认修改后的参数按模式切换键回到通电显示状态注意: 在配接开关门到位输出电缆线时,要确认门控制器输出的逻辑状态与控制柜接收的逻辑相符,门控制器的出厂状态是常闭输出.用户要根据主控制柜实际情况选择到位输出的逻辑状态.( 端子A2)--开到位常开输出,(端子A3)--关到位常开输出, (端子C2-C3 )--输出公共端5、开关门过程说明5、1 开门过程1、以力矩提升为P05、加减速时间为d28,频率 d15启动,再以加减速时间d29,目标值为d16进入开门起始低速运行。
蒙德电气伺服门机控制器IMS —DS20P2B 系列详细调试方法补充说明 具体按键说明请参照说明书蒙德伺服门机控制器采用专有的磁编码器通讯,使用永磁同步电机控制;无限位开关,以堵转位置为终端信号,运行曲线自动生成;输入输出信号为继电器无源输出,安全不易烧点(误接110V 以上电压除外);接线调试简单+24VX1X2X3X4XC 0V+24VX1X2X3X4XC 0V外部电源接线方法内部电源接线方法1(电源高于18V有效)(开关接通有效)+24VX1X2X3X4XC 0V 内部电源接线方法2(开关接通有效)情况1:无操作器时运行调试方法(出厂默认配置时,新机,已调试好后出现运行不当或不能运行)1.上电前确保sw2开关拨到on位置(试运行模式)后再上电。
12.把sw3开关拨到off(选择自学习磁极模式),按下自学习按钮进行电机磁极自学习,此时ready/error灯亮,当驱动器面板上ready/error灯熄灭即完成.23.把sw3开关拨到on(选择自学习门宽模式),按下自学习按钮后应作开关门动作,关门到位后完成,至此驱动器应能正常工作。
34.若要回到系统中正常运行则把sw2开关拨到off位置。
5.开/关门速度调整电位器旋钮OPEN SPEED/CLOSE SPEED。
运行到终端时的保持力矩大小调整电位器旋钮HOLD。
门板堵转力大小调整电位器旋钮OBSTRUCTION.注1:若上电后驱动器ready/error灯闪烁,请检查是否未接编码器;若POWER高压灯不亮,驱动器有故障,请与厂家联系.注2:此过程若出现ready/error灯闪烁,则可能为编码器(干扰、通讯故障等)或电机(缺相等)有问题。
检查接线正确且没有断线或更换编码器后再学习。
注3:若没有开关门动作,然后ready/error灯闪烁,则门宽自学习错误。
重新上电后可尝试重新自学习电机磁极和把堵转电位器旋钮OBSTRUCTION向+方向旋转,加大堵转力矩的检测.若只开门后没有关门,则把SW1拨到相反方向即可.情况2:带操作器时运行调试方法(舒适感等高级调试)说明:若按傻瓜调试方法操作后都无法正常运行,或舒适感不佳,则需要使用操作器查看驱动器报的故障码和调试。
安装调试说明书目录一.系统概述: (2)二.电气原理说明: (12)三.控制系统安装 (15)四.调试 (17)五.调试中问题及处理 (20)六. 各控制板的输入输出描述 (22)七.故障诊断 (24)1.系统概述:1.1系统构成EDVF16 电控系统简图见图1-1. 系统包括轿顶控制柜.、厅外控制柜、电缆装置,、轿厢操纵箱,、厅外召唤显示盒、制动电阻箱、轿顶检修盒、厅外检修盒、称重装置、平层装置、上下限位开关装置、电缆装置及外部装置见图1-1 构成.系统按需要选择正常, 自动, 有司机, 检修, 消防等运行方式. 具备符合相关标准的安全保护, 提供运行状态的信号提示.1. 2 轿顶控制柜轿顶控制柜安装于轿顶,是系统的核心. 其布置见图1-2, 它装有主微机控制板, 继电器板、变频器及其它电器. 完成信号采集, 处理及控制.1.3厅外控制柜厅外控制柜装在厅外, 通常装在中间层嵌入井道壁里. 布置见图1-3. 厅外控制柜提供电源操纵, 保图1--3表1-2变频器端口定义见图1-4。
图1—4变频器和电机的旋转编码器连接见图1-5.图1-5变频器参数定义及设置方法详见F4变频器说明书.需要进行细调.参数号初始值设定值参数号初始值设定值参数号初始值设定值LF00 -4 LF59 3.000 dr.10 见备注备注:ECD100电机:LF21=360(曳引轮直径,根据现场确定)LF22=17LF24=额定载重量,根据现场确定LF36=电机最大转矩,根据电机铭牌确定dr.00=4.97dr.01=1270dr.02=9.8dr.03=127dr.07=12dr.09=37.4dr.10=电机最大转矩,根据电机铭牌确定dr.17=248dr.41=1dr.42=11.9EC.07=电机自学习后系统位置参数ECD300电机:LF21=480(曳引轮直径,根据现场确定)LF22=31LF24=额定载重量,根据现场确定LF36=电机最大转矩,根据电机铭牌确定dr.00=5.8dr.01=1788dr.02=11.5dr.03=179dr.07=14.9dr.09=32.9dr.10=电机最大转矩,根据电机铭牌确定dr.17=560dr.41=0.57dr.42=16.7EC.07=电机自学习后系统位置参数EPM300电机:LF21=480(曳引轮直径,根据现场确定)LF22=31LF24=额定载重量,根据现场确定LF36=电机最大转矩,根据电机铭牌确定dr.00=3.66dr.01=2800dr.02=6.6dr.03=420dr.07=11.2dr.09=12.5dr.10=电机最大转矩,根据电机铭牌确定dr.17=114dr.41=0.84dr.42=4.8EC.07=电机自学习后系统位置参数1.5 主板1.5.1主板外形为二层叠, 见图1-6.图1-6下层板上层板图1-51.5.2 接口说明:A: 主板的三组电源(独立的)连到开关电源. 1组供内部电路, 2组供外部电路.B. 输入输出口, 接口电路见图1-5. 输入12点, 输出8点.C. 状态显示说明见下表.上层板LED 17 18 19 20 21 22 23 24 Y Y0 Y1 Y2 Y3 Y4 Y5 Y6 Y7信号JKM1开门1JGM1关门1JKM2开门2JGM2关门2JKC备用JZM硬故障复位DZZ到站钟JZM1照明控制LED5678910111213141516 X X0 X1 X2 X3 X4 X5 X6 X7 X8 X9 XA XB信号计数脉冲计数脉冲K13变频器正常检测K15抱闸控制检测AFS机房检修上AFX机房检修下ZJJ机房检修SW1设定开关1SW2设定开关2ENT确定按纽+设定按纽-设定按纽LED L1-1L1-2L1-3L1-4L2-1L2-2L2-3 L2-4 X X30 X31 X32 X33 X34 X35 X36 X37 信号MC MSC BC KC ZCF SDW1 SDW2 XDW11.6继电器板继电器板的布置见图1-7图1—7继电器板插座说明见表1-4.详见敷线图.1.7操纵箱控制板操纵箱控制板的布置见图1-8.图1—81.8信号显示板.信号显示板的布置见图1-9.图1--92.电气原理说明2.1电梯的工作方式电梯共设有自学习井道,检修,消防,司机,自动五种工作方式.与工作方式有关的开关有:(1) 置放在轿顶控制柜内的”SW1”,”SW2”开关”+,-,ENTER”按钮.(2) 置放在轿顶控制柜内的检修开关.”ZJXD”(3) 置放在轿内操纵箱内的检修开关.”ZJXJ”(4) 置放在厅外控制柜内的检修开关.”ZJJ”(5) 置放在基站厅外的消防开关.”ZCF”(6) 置放在轿内操纵箱的有无司机开关.”ZJSJ”工作方式优先次序为:井道自学习,消防,检修,司机,自动。
第二章、门机控制器的操作与调试2.1操作显示说明附操作器正面照片(带LOGO和型号),更换掉下面的图片操作器指示灯意义:2.1.1参数操作显示YS-K01门机控制器的操作显示需使用选配件YS-P01操作器。
操作器的显示状态有以下几种状态(根据软件表现更改内容)1.停机状态显示停机状态显示的参数有:输出端子状态、门位置、开门速度、输入端子状态、母线电压,通过》键实现各种状态参数的循环显示选择。
插入实物照片2.运行状态显示运行状态显示的参数有:输出端子状态、门位置、开关门速度设定、当前运行速度、输出电压、输出电流、输出力矩、母线电压、输入端子状态,通过》键实现各种状态参数的循环显示选择。
插入实物照片3.参数编辑状态以设定参数P1.01为230V为例说明:首先按下PRG键,操作器显示-P0-,该菜单为一级菜单显示,然后按∧键显示-P1-,然后按ENTER键进入P1组内部参数组;然后按∧键显示P1.01,按ENTER键进入该功能码,该功能码显示值为220,通过按∧键将值修改为230,按ENTER键确认修改,修改完后功能码组显示P1.02,按PRG键退回一级菜单显示-P1-,按PRG键退回停机或运行监视状态。
插入实物照片4.故障状态显示当控制器处于故障状态时,操作器显示故障码,当故障排除后,按下STOP/RESET键复位故障,操作器恢复到停机状态显示。
故障显示内容参见附录2故障诊断与对策插入实物照片2.1.2 参数上传和下载批处理YS-K01门机控制器为适应电梯行业调试和维护高效率的需求,设计有控制曲线参数存储和批处理功能。
对于相同门宽、相同型号的门机,可以用同样的曲线参数实现门的开关控制,把经验曲线参数从调试效果良好的门机控制器上传到操作器,再从操作器下载到相同门宽、相同型号的门机使用的门机控制器,就可以实现良好的开关门控制。
例如:1号门和2号门宽度相同,门机械配置型号相同,1号门运行曲线调试好后,把控制器A 的曲线参数上传到操作器的相应位置,并编好组号,从操作器对应组号位置把曲线经验参数下载到控制器B ,控制器B 就可以实现对2号门的良好开关门控制。
1.确认及安装注 意2.布线注 意注意危险3.操作和运行4.维护和检查5.其它危险注意危险危险危险目录1.安全注意事项-------------------------------------------------------------------------------1 2.目录------------------------------------------------------------------------------------------2 3.接线------------------------------------------------------------------------------------------4 3—1 变频器接线图---------------------------------------------------------------------4 3—2 控制器接线--------------------------------------------------------------------------5 4.操作-------------------------------------------------------------------------------------------6 4—1 各按键功能及指示-----------------------------------------------------------------6 4—2 基本操作-----------------------------------------------------------------------------7 4—3 系统参数-----------------------------------------------------------------------------7 5.其它参数------------------------------------------------------------------------------------10 5—1 相关技术参数-----------------------------------------------------------------------10 5—2 电气参数-----------------------------------------------------------------------------10 6.调试说明------------------------------------------------------------------------------------11 6-1两个关键词的解释---------------------------------------------------------------------11 6-2门机控制器调试的具体步骤---------------------------------------------------------11 7.故障处理-------------------------------------------------------------------------------------13 8.其它---------------------------------------------------------------------------------------------13 8—1 废物处理------------------------------------------------------------------------------13 8—2 咨询修理------------------------------------------------------------------------------13 9.附页---------------------------------------------------------------------------------------------14 附页1:门机安装注意事项-----------------------------------------------------------------14 附页2:双折门机直梁安装示意图--------------------------------------------------------15 附页3:轿顶安装示意图--------------------------------------------------------------------16 1、前言1- 1开箱●首先检查确认货物是否在运输途中被破坏。
1.确认及安装注 意● 受损的变频器和零部件不全的变频器,切勿安装。
● 请安装在金属等不易燃烧的材料上,以免发生火灾。
● 安装时请不要抓在外壳或两端接线端子上,当心掉下来压脚,有受伤的危险。
● 请确定已安装牢靠。
否则,可能会掉下来砸伤人。
2.布线注 意● 请确认交流主回路电源的电压与变频器的额定电压是否一致。
切勿对变频器进行耐电压试验。
● 请勿将电源接到输出U 、V 、W 端子上。
安 全 注 意 事 项危 险在安装和设备投入运行前,请仔细阅读安全说明和警告,避免对人员、设备造成伤害及损坏。
本说明书有关安全注意事项的等级分为“注意”和“危险”两级。
注意危险:错误使用会有危险,可能会致人重伤、残废甚至死亡以及重大财物损失。
:错误使用会有危险,可能会造成轻伤、中度伤害或财物损失。
●接线前,请确认输入电源是否处于OFF状态。
●只允许连接交流单相220V的输入电源,本设备必须接地(NEC和其它应用标准)。
●非专业电气工程人员,请勿进行接线作业。
3.操作和运行注意●因散热片温度会变得很高,所以,请不要触摸,以免被烫伤。
●请勿随意变更变频器的设定,本变频器在出厂时已经进行了适当的设定。
危险●请务必在装上外壳后再接通电源。
接通电源前请将开关置于OFF位置。
●变频器通电时,即使在停机状态也不要触摸变频器的端子,以免触电。
4.维护和检查危险●检查要在切断电源5分钟后进行,否则有触电的危险。
●检查和维护要由专业人员进行●变频器的端子在通电情况下切勿触摸,端子上有高电压,非常危险。
●进行检查、维护作业时请使用绝缘工具,并避免手上佩带手表、戒指等金属物。
5.其它危险●绝对禁止对变频器进行改造,以免发生伤亡事故。
目录1、安全注意事项-------------------------------------------------------------------------------1 2.目录------------------------------------------------------------------------------------------2 3.接线------------------------------------------------------------------------------------------4 3—1 变频器接线图---------------------------------------------------------------------4 3—2 控制器接线--------------------------------------------------------------------------5 4.操作-------------------------------------------------------------------------------------------6 4—1 各按键功能及指示-----------------------------------------------------------------6 4—2 基本操作-----------------------------------------------------------------------------7 4—3 系统参数-----------------------------------------------------------------------------7 5.其它参数------------------------------------------------------------------------------------10 5—1 相关技术参数-----------------------------------------------------------------------10 5—2 电气参数-----------------------------------------------------------------------------10 6.调试说明------------------------------------------------------------------------------------11 6-1两个关键词的解释---------------------------------------------------------------------11 6-2门机控制器调试的具体步骤---------------------------------------------------------11 7.故障处理-------------------------------------------------------------------------------------13 8、其它---------------------------------------------------------------------------------------------138—1 废物处理------------------------------------------------------------------------------13 8—2 咨询修理------------------------------------------------------------------------------13 9、附页---------------------------------------------------------------------------------------------14 附页1:门机安装注意事项-----------------------------------------------------------------14 附页2:双折门机直梁安装示意图--------------------------------------------------------15 附页3;轿顶安装示意图--------------------------------------------------------------------161-12、外观和各部分的名称安利索变频器接线图3-1 控制器接线注:P3开关门指令输入,要求是开关量无源输入。
控制回路端子功能说明手持操作器功能手持操作器的外观如下图5.4所示,在表5.5中对操作键的功能进行了详细的说明。
图5.4 手持操作器的外观图表5.5 操作键的功能按键功能快捷键1.非状态显示页面时回到电梯状态显示主界面2.状态显示页面时进入故障查询页面1.故障查询页面时回到电梯状态显示页面2.电梯状态显示页面时进入3.输入输出状态查看页面时进入呼梯页面1.进入速度曲线页面方向键1.选择功能时上移一个项目2.输入数据时当前位数字增加13.选择位参数时上移16个项目4.位设置时改变“ON”, “OFF”状态1.选择功能时下移一个项目2.输入数据时当前位数字减少13.选择位参数时下移16个项目4.位设置时改变“ON”, “OFF”状态1.设置参数时上移10个项目2.输入数据时左移光标3.位设置时左移一个项目1.选择功能时下移10个项目2.输入数据时右移光标3.位设置时右移一个项目 功能键1.返回上一级菜单2.输入数据时取消输入1.选择功能时进入2.查看数据时进入编辑状态3.输入数据时保存 5.2.4 LCD 手持操作器显示界面介绍 5.2.4.1 显示界面种类下表表示了手持操作器能够出现的几种主要显示界面表5.6 显示界面的种类和主要容界面名称 主要容模式选择界面模式选择按ESC 手动进入按ENTER 自动进入上电并连接成功后的第一个状态,选择操作器的模式,一体机请选择按ENTER 自动进入。
版本界面版 本NSPE0230.03上电并连接成功后按ENTER 进入的界面,显示程序版本号。
第三行为电梯驱动程序软件版本号,第四行为电梯控制程序软件版本号。
登录界面密码登录本界面下,输入密码登录成功可以进入查看电梯运行状态 注:如密码输入不对,只能进入主监视界面、监视状态界面和重新登录界面。
电梯状态显示自动 单梯 门锁闭合1 楼 0.00m/s === 00000018 ===登陆后非故障查询页面状态下按F1可回到本状态,显示的容有: 电梯正处于自动、检修、司机、消防等状态 电梯处于单梯还是群控状态 电梯的楼层位置 电梯的运行方向电梯的运行速度 电梯的运行状态注:如无特殊说明,以下的操作都默认以本状态为初始状态功能选择功能选择 参数分类监视状态本界面下可以选择以下功能:监视状态、参数分类、调试操作、复位命令、增值功能、重新登陆、修改密码等功能,在部分功能下还有二级功能选择菜单,每一个菜单的功能描述请参见第一节。
目录
第一章门机的电气安装与配线 (1)
第二章调试过程 (2)
第三章门机运行曲线 (5)
第四章故障及对策 (6)
第五章门机保养维护 (7)
第一章 门机电控系统的电气安装与配线
1.1系统构成
门机电控系统简图见图1-1。
系统包括爱默生TD3200门机专用变频器一台,变频三相异步电动机一台,脉冲编码器一只。
1.3 输入信号:
a. 开门信号,当OD 和COM 端接通将送给控制器开门信号
b. 关门信号,当CD 和COM 端接通将送给控制器关门信号
c. 光幕常开信号与挡板常开信号输入。
输出继电器:
a. 开门到位SKW ,当门完全打开时,开门到位输出指示灯亮,继电器吸合
b. 关门到位SGW ,当门完全关闭时,关门到位输出指示灯亮,继电器吸合 [继电器输出:250V AC/2A(cos Ф=1),250V AC/1A(cos Ф=0.4),30VDC/1A]
第二章 调试过程
1.
2. 调节变频器参数(变频器参数设置具体见变频器使用说明书)
在调试过程中的主要用到的参数设定见表2-1。
表2-1
调试前应先将电机铭牌上的参数:额定电压,额定电流,额定频率,额定功率,额定转速记录下来。
然后将各接线与接线图对照详细核对一遍。
在确认无误情况下,上电。
3. 变频器上电,设置F123=2,恢复出厂参数。
4. 确认功能码F002=0。
选择通用变频器的面板控制模式,脱开门机负载,正确输入电机铭牌参数,设置F075=1,确认后按RUN键启动电机参数调谐,直至调谐完成。
电机调谐完成后参数自动保存。
表2-2
5.下电后并恢复门机机械系统,后上电。
6.设置参数F002=2, 选择门机手动调试模式,按照表1-2中推荐的参数进行设置,同时按
RUN键和
对变频器参数进行调整。
7.调试完成后,设置功能码F002=1,选择门机端子控制模式,此时门机变频器可以在控
制系统的控制下正常工作,在工作过程中,按照实际运行的情况再对开门运行曲线参数和关门运行曲线参数进行合理调整,直到能够安全平稳的运行。
8.保护力矩的设定,设置F040参数值,F040值越大,关门时能受的阻力就越大,该值不能
设的太小,否则会因为机械摩擦的缘故而导致关门关不起来。
9.设置密码:为防止调试好的各个参数被别人修改,需为变频器设置密码。
设置功能键
F000,将设置好的密码归档。
注:以上各表中的变频器各个参数值仅供参考,具体各个参数值示实际情况定。
第四章故障对策
第五章门机保养维护
5.1 日常维护
a. 保证厅门机械锁工作可靠,没有任何位移或机构变形。
b. 应经常检查门联动牵引装置的工作情况,发现钢丝绳松弛,应拉紧,防止由于松弛造成扒门时因门缝过大导致危险。
c. 门扇的导轨,挂门轮,门导靴,门扇的水平运行阻力应经常检查和维护。
d. 清除灰尘,油污。
尤其时地坎门导靴槽。
e. 当挂门轮的磨损导致门扇下坠及歪斜等时,应调整挂门轮并更换并同时调整偏心轮位置,保证合理间隙。
f. 应保持调定的调速规律,当门在开关时的速度变化异常时应立即作检查。
g. 同步齿形带有合理的张紧度。
h. 门机各传动轮,应保持良好润滑。
I. 门刀各转动关节处转动灵活,各固定处松动,门刀与启动器间隙合适。
j. 强迫关门弹簧应经常检查在用手扒门后,视其能否自动关闭严密。
k. 检查运行环境,温度,尘埃,水汽,滴漏是否正常。
5.2定期维护
用户根据使用环境,日常维护情况,可3~6个月对门机进行一次定期检查,防止门机发生故障,确保其长时间高性能运行。
a. 端子上面接线是否松动或者接触不良。
b. 电缆电线有无表面损伤,尤其是与金属表面接触的表皮是否有损伤痕迹。
c. 打开盖板,对变频器进行吹风(抽风)除尘处理。
(3个月一次)
5.3维护门机的建议
为保证您的电梯正常,高效,安全的运行,在某些零部件磨损之前建议对其进行维修或更换,零部件的使用寿命取决与零件工作环境,强度及时间等诸多因素。
(工作时间,工作环境,工作强度,保养维护程度,门扇本身重量,使用方法)。