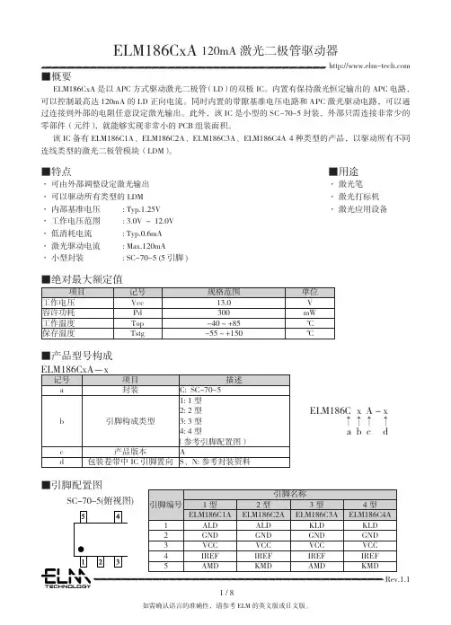
激光二极管驱动器
- 格式:pdf
- 大小:174.09 KB
- 文档页数:7
STSF8300Laser Diode Driver with TEC Controller for Butterfly LD Type 1 PumpDatasheet & User ManualBefore powering on your driver, read this manual thoroughly.If you have any doubt or suggestion, please do not hesitate to contact us!Table of contentTable of content (2)ser diode driver features (3)2.Applications (3)3.TEC controller features (3)4.Controls (3)5.Description (3)6.Package set (3)7.Overall dimensions and weight (3)8.Versions (4)9.Absolute maximum ratings (4)10.Recommended operating conditions (4)11.Power supply requirements (4)12.Electrical characteristics (4)13.Typical Performance Characteristics (5)14.Functional scheme (6)15.Pin and terminal functions (7)16.Analogue control description (10)17.Current / Temperature setting variants (11)18.How to get started (12)19.Cooling (13)20.Internal protections (13)21.Software (14)22.Digital control description (14)23.Digital control description (extended) (18)24.Troubleshooting guide (21)25.Mechanical dimensions (22)ser diode driver features∙Constant current mode∙Low current ripple ≤ 10uA∙Current stability 0.1%∙No need to adjust voltage∙Soft-start∙Adjustable current limit∙Reverse current protection∙Crowbar circuit protection∙Own software2.Applications∙Supplying laser diodes in butterfly case 3.TEC controller features∙Low current ripple≤2mA∙Integrated PID controller, doesn't require setup∙Adjustable TEC output current limit∙Working with sensor NTC 10kOhm∙Additional NTC thermistor input4.Controls∙Potentiometers on the board∙External input∙Digital control by RS-232/UART/USB15.DescriptionSTSF8300contains a laser diode driver and a temperature controller (TEC).Laser diode driver is a non isolated low drop out (LDO) regulator with constant current output. Driver produces high stability and low ripple current.TEC is a non isolated DC/DC. TEC produces low current ripples. Additional features include an adjustable TEC output current limit and Integrated self-adjusted PID controller, providing optimal temperature regulation.STSF8300 can be controlled by analogue or digital signals and switches on the board.STSF8300 is housed in 61 × 101.6 mm package with aluminum base plate to aid thermal dissipation from laser diode. The laser diode mount is located on the board. Driver can be mounted on any thermal conductive surface enough to dissipate laser diode losses.6.Package set∙Driver – 1 pcs∙50 cm ribbon cable with one 8-pin connector – 1 pcs∙50 cm ribbon cable with one 20-pin connector – 1 pcs∙Datasheet & User Manual – 1 pcs∙USB-UART converter – 1 pcs (for ZIF versions)7.Overall dimensions and weight1 Option, USB as external adapter8.Versions9.Absolute maximum ratingsStresses beyond those listed under absolute maximum ratings may cause permanent damage to the device. These are stress ratings only, which do not imply functional operation of the device at these or any other conditions beyond those indicated under recommended operating conditions. Exposure to absolute-maximum-rated conditions for extended periods may affect device reliability.10.Recommended operating conditions11.Power supply requirementsThe driver requires a 5V DC power supply. The power supply must be able to cover the driver and TEC output power and losses. The power supply must provide 40W or more. Power supply used during tests: SE-100-5.12.Electrical characteristics13.Typical Performance CharacteristicsmA/divms/divFig. 1 –Typical start up sequence Fig. 2 – Typical stop sequence14.Functional schemeAnalogue interface15. Pin and terminal functionsPlease, note polarity!Never ground any lead of the output, this may cause permanent damage to the laser diode and the driver!Never use any grounded probes (e.g. from the oscilloscope) at the output! Control pins are not isolated!Fig. 7 – ControlsSINTEC SINTECSINTECSINTEC OPTRONICS, http://www.sintec.sgDigital control connectorWurth WR-MM 690157000872 or TE Connectivity 215083-8Analogue control connectorWurth WR-MM 690157002072 or TE Connectivity 2-215083-0PIN I/O Name Description1 O +5V Connected to Vin+.2 I TEC Enable HIGH = operates, LOW = stop. Internally pulled down.3 I Laser Driver Enable HIGH = operates, LOW = stop. Internally pulled down.4 O TEC Error HIGH = fault, LOW = normal operation.5 O Laser Driver Overcurrent HIGH = fault, LOW = normal operation.6 O +2.5V Auxiliary +2.5V power supply.Up to 10mA output current capability.7 I Laser Current Set 0-2.5V = 0-MAX current at the output.8 GND9 I TEC temperature set 0V = 42°C, 2.5V = 16°C.SINTEC OPTRONICS, http://www.sintec.sg Laser diode pinout№Description №Description16.Analogue control descriptionser Driver Enable / TEC EnableThe "Enable" contacts are logic inputs.Apply high level to «TEC Enable»pin to start temperature stabilization. Apply low level to «TEC Enable»pin to stop temperature stabilization.Apply high level to «Laser Driver Enable»pin to initiate soft-start sequence of laser diode driver. Apply low level to «Laser Driver Enable»pin to stop the driver.The enable features are duplicated with on-off switches located on the board (7 in Fig. 7).16.2.TEC ErrorThe «TEC Error» contact is logic output.TEC error signal generates in overcurrent, short-circuit or circuitry overheat condition.If an error occurs «TEC Error» pin becomes high.A TEC error stops the laser driver. To reset the error, restart the device.ser Driver OvercurrentThe «Laser Driver Overcurrent»contact is logic output.The «Laser Driver Overcurrent»pin is intended for monitoring the status of the protection circuits. When the current protection is activated, the laser driver stops, the output terminals are shunted, the LED on the board lights up red. The high logic level in the contact indicates the presence of shunting of the output terminals. The current generator cannot be restarted after the protection has tripped. To reset the protection, restart the driver.16.4.Reference voltage 2.5VThe «+2.5V»pin is intended for supplying a reference voltage to external potentiometers etc., which may be used for current and temperature setting.ser Current SetThe «Laser Current Set»pin is an analog input.The «Laser Current Set»is intended for setting the driver output current amplitude. Apply voltage to the «Laser Current Set»with respect to GND to control the output current. Signal resolution depends on driver model, maximum amplitude of the signal is 2.5V.The «Laser Current Set»pin can be used for analogue modulation by applying sign, square or ramp signal with the DC component. Please, control the output current while using this feature. In this case, the value of the DC component determines the average current in the load, and the amplitude of the signal determines the modulation amplitude. It is necessary to ensure that the current for analog modulation does not exceed the current protection threshold. Analogue modulation amplitude depends on frequency.ATTENTION! If you use arbitrary/function generator or lab PS for current set, make sure it is in High Z mode, please, control the current set and current monitor pin voltages while getting started. When you using a generator with an output "50 Ohms", the value on the screen of the device can be less than the actually set 2 times. Be careful, monitor the voltage on the contact «Laser Current Set»with an oscilloscope.16.6. TEC temperature setThe «TEC temperature set» pin is an analog input.The «TEC temperature set» is intended for setting the desired temperature of laser module. Apply voltage to the «TEC temperature set» with respect to GND To set the desired temperature.The applied voltage must correspond to the desired resistance of the thermistor.Thespecified voltage U [V] is related to the resistance of the thermistor R [Ohm] by the formula:For example, to obtain a thermistor resistance of 10000 Ohm, a voltage of 1.25 V must be applied to the «TEC temperature set» pin. The 10 kOhm resistance corresponds to 25 ° C for the NTC thermistor 10k. A lower input voltage corresponds to a lower resistance of the thermistor (higher temperature) and vice versa.When translating the resistance of the thermistor to the temperature t [° C], it is necessary to consider the coefficient B25 / 100 [K], specified in the manufacturer's specifications:16.7. Driver current monitorThe output current of the driver can be monitored by current monitor.16.8. TEC temperature monitorThe «TEC temperature monitor » pin is an analog output and allows to track the temperature of the laser diode.Proportions described in paragraph 16.6 are valid for this Pin.16.9. NTC Interlock (External thermistor connection)This allows to measure the temperature of a laser diode or other devices. The measurement result is readable by the digital interface. You can set upper and lower limits of the temperature using the digital interface (with command or software). If the temperature goes beyond the limits, the driver operation is blocked. When the temperature returns to the specified range, the driver operation resumes. After setting, limits will be saved in device memory and will work when used both digital and analogue control.17. Current / Temperature setting variantsParameters can be set in three ways: using potentiometer, analog control connector or digital commands. Signal sources for current and temperature can be set independently of each other.18.How to get startedUnpack the device. The new device is configured with the following values:For the first time we recommended to connect a dummy load. You can use any diodes that are suitable for the current you want to operate. Dummy load should be connected as load. LD+ to the anode and LD- to the cathode.Please don’t turn on TEC if you have not connected a dummy load to the TEC pins.Connect the controls (analogue and/or digital).Connect the power supply (note polarity).18.1.InterlockThe driver has interlock. This is pin 15 of the analog control connector. If you left this pin open the driver is in the locked state. This pin must be connected to any GND pin for normal operation.The driver and the temperature controller can only be turned on with shorted Interlock.You can also connect something like an emergency button to this pin.By default at power up the driver is in the "allow interlock" state.Via USB you can set the driver to the "deny interlock" state. At this case the driver will ignore interlock state and can operate with opened pin 15.18.2.NTC InterlockThe driver can only be turned on with installed LD. When driver turn on without the installed LD, the operation and measure values will be incorrect! If it is necessary to turn on the driver without the installed LD, connect 10kOhm resistor to thermistor pins (2nd and 5th) on LD mount.18.3.Change the current limit on the Peltier moduleIf it is necessary, the level of current limit on the Peltier module can be changed before connecting the laser diode using digital control connection (see paragraph 20).18.4.Change the current protection threshold of the driverIf it is necessary, the current protection threshold can be changed before connection of a laser diode. Make sure that the jumper DRIVER SHORT is installed. CURRENT control selector must be in the INT position to use the CURRENT potentiometer.Connect the me asuring instrument to the «Driver Current Monitor» pin.If it is necessary to increase the limitation level, turn the potentiometer DRV OC clockwise for a few turns.Turn on the driver. Set the current equal to the desired current protection threshold withthe potentiometer CURRENT. Then slowly turn the potentiometer DRV OC counterclockwise untilthe protection is activated. Restart the driver to reset an error. Make sure that the protection is triggered at the correct current lever.Set current to zero, turn off the driver.18.5.How to control by digital signalsUse the digital control connector. You can use UART or RS-232. The USB-UART converter canbe used (optional) to connect the device to computer.See paragraphs 22-23.18.6.How to control by analogue signalsCURRENT and TEC control selectors must be in the EXT position.Use the analogue control connector.If you connect pins 2 and 3 to pin 1 (5V) before power up the device, the driver will not turn on.See paragraph 16.18.7.How to control by board switchesCURRENT and TEC control selectors must be in the INT position.Use two-position switch to start/stop laser diode driver or temperature stabilization. If youset onboard switch to ON before power up the device, the driver will not turn on.Turn CURRENT potentiometer (9 in Fig. 7) clockwise to increases the value of driver output current amplitude, counterclockwise – to reduce.Turn TEC potentiometer (10 in Fig. 7) clockwise to increases the desired temperature of laser module, counterclockwise – to reduce.19.CoolingThe board does not require active cooling. Aluminum mount is designed to remove heatfrom the laser diode.20.Internal protectionsThe device provides several security features to ensure the safety of the laser module.The jumper shunts the outputs of driver, to protect the laser diode from static dischargeswhile installing.Before installing the laser module on the board, make sure there is a jumper! Remove the jumper before turning on the driver.Reverse diode protects the laser diode from reverse current and reverse voltage.In case of an over-current or an over temperature condition, the control logic disables the driverand the output shorts with 2 mOhm shunt. Setting the current protection threshold is described in paragraph 18. The current protection threshold must be less than the laser module absolute maximum ratings.The TEC current limit allows setting the maximum current safe for the Peltier module.21.SoftwareWe offer own software to control driver. You can find it at in the ************************************************************************.22. Digital control descriptionWhen the input voltage applied the driver is always in "analogue parameters set, external enable and allowing interlock" state. Any other state should be set any time after powering the driver if needed.Data exchange between the driver and the PC is only initiated by the PC. All commands are sent in plain text format.All commands in text-plain mode should be in ASCII. All commands are sent with prefix. Number of command follows the prefix without any symbols. If there is the value after the command they separates with "space" symbol. The command ends with "carriage return" symbol.The device does not respond to P-type commands by default (see section "the protocol extension").You can request the value of parameter by the J-type command. The device will return a value of requested parameter.If the device could not recognize a command, it returns an error message with error code. The format and codes of errorsAvailable parameters and its description2 Default – 100.00% (2710h), calibration range is from 95.00% (251Ch) to 105.00% (2904h).3 Common for driver and TEC.4 If temperature of the device reaches the over temperature warning threshold the overheat flag will be set. If the device is in over temperature protection state, then it will be set overheat and over current flags together.The maximum duration depends on the set value of the frequency. When you change frequency, a new value of the maximum duration is compute automatically. The duration of pulse cannot be less than 2 ms and more than period of frequency minus 2 ms. For low frequencies the duration cannot be more than 5000 ms.Set the zero frequency to switch the device into CW mode or set not zero frequency value to switch the device into QCW (long pulses) mode. If you try to set a value more or less than limits, then the value will be rounded to limit. Any attempts to set a new state of the device, except “start”, forcibly switch the device to the state “stop”.Some states of the device are mutually exclusive, for example, if you set “Ext. Enable”, then you will not be abl e to set the state “start”. If you send “start” and “stop” commands to each other, the device will save all parameters in the internal memory. The saving process lasts about 300 ms. In this time the device does not respond to any actions. The device is able to save the next parameters in the internal memory: ∙Frequency with limits;∙Duration with limits;∙Current with limits and calibration;∙Temperature limits and B25/100;∙Settings of the RS protocol extension (see section «Digital control description (extended)»).5 Default – 100.00% (2710h), calibration range is from 95.00% (251Ch) to 105.00% (2904h).23.Digital control description (extended)WARNING! Extended protocol recommend for advanced users only. In addition, it might be use for integration of the device with other devices.Use the parameter number 0704h for configure the extended protocol. In extended protocol, you can enable and disable the next options: checksum (CRC 8-bit CCITT), return a new value of parameter after P-type commands, change baud-rate, change protocol-mode (text-plain or binary).6 In binary mode the specified commands are ignored by the device.7 Here are binary numbers.8For more information, see section “binary mode”.Text-plain modeAll commands in text-plain mode should be in ASCII.WARNING! If you enable the checksum it will change format of commands. After <CR> symbol you will be write 2 bytes of checksum and last byte will be <LF> (0Ah –“new line” symbol).Checksum is computed for all bytes of command before checksum bytes (including<CR> symbol).All answers of the device will also contain a checksum, including K-type and E-type answers.Checksum is computed by CRC-CCITT-8 algorithm. This is the main difference between the format of commands for the extended protocol and standard protocol.The format of commands for enabled checksumPossible problems1.The device waiting for symbol <LF>. If <LF> symbol does not received and buffer is overflowed,then all symbols after overload will be processed as a new command. The device returns an error. In this case, it is recommended to send the <LF> symbol. The device will generate an error and clear the buffer for the next command.2.All symbols after the <LF> symbol will be processed as a new command.Binary modeThe binary mode has a significant difference. In this mode, data are exchanged in binary form. Length of any type of command is 8 bytes! In this mode, next options are always enable and you cannot disable it: return a new value of parameter for P-type commands and checksum. The format of binary mode commands is represented in table 8.24.Troubleshooting guide25.Mechanical dimensionsAll dimensions are in millimeters. You can download the 3D-model of the driver at in the downloads section of the product page.25.1.SF8xxx-10 model for soldering 10-pin Butterfly25.2.SF8xxx-14 model for soldering 14-pin Butterfly25.3.SF8xxx-ZIF10 model with Azimuth connectors for 10-pin Butterfly25.4.SF8xxx-ZIF14 model with Azimuth connectors for 14-pin Butterfly。
2023年激光二极管驱动器行业市场前景分析
激光二极管驱动器是一种关键性器件,其主要用途是将电能转化为光能,同时控制激光的发射和功率输出。
激光二极管驱动器广泛应用于数码光纤通讯、光医疗、光谱分析、激光打印、激光加工等领域。
随着科技的发展和应用领域的扩大,激光二极管驱动器市场前景越来越广阔。
首先,激光二极管驱动器具有很强的市场需求性。
目前,数字化、网络化、智能化和绿色化成为市场主流趋势,而激光二极管驱动器恰恰能够满足这些市场需求。
例如,数字化通讯需要高速、高品质的数据传输,而激光二极管驱动器的精准控制和高速转化能够确保数据传输的高品质和高速度;同时,光医疗领域需要高精度和高效率的激光发射,此时激光二极管驱动器也能够满足这一需求。
其次,激光二极管驱动器拥有良好的发展前景。
与传统光电元器件相比,激光二极管驱动器具有更高的集成度、更小的尺寸和更高的可靠性,能够有效降低制造成本并提高系统性能。
同时,激光二极管驱动器也具有广泛的应用领域和市场前景。
未来,随着新技术的发展和应用场景的扩大,激光二极管驱动器的市场需求将越来越大,市场空间也将越来越广阔。
再次,国家政策对激光二极管驱动器市场的推动作用不可忽略。
我国在科技领域的国家力量和政策支持越来越强,特别是“中国制造2025”等政策的出台,对激光二极管驱动器等新兴产业的发展提供了强有力的政策指导。
政策支持将进一步激发市场的消费需求,并促进激光二极管驱动器市场的健康发展。
综上所述,激光二极管驱动器市场前景广阔,其未来发展潜力巨大。
作为一种关键性器件,激光二极管驱动器的应用领域和市场需求将在技术和市场的双重主导下不断扩大,将成为未来的发展热点之一。
905nm脉冲激光二极管驱动电路的设计905nm脉冲激光二极管在许多领域都有广泛的应用,如通信、激光雷达、光学传感等。
为了充分发挥其性能,一个优秀的驱动电路是必不可少的。
本文将详细介绍一种针对905nm脉冲激光二极管的驱动电路设计。
一、电路设计1. 电源供电驱动电路需要稳定的电源供电以提供所需的电压和电流。
我们选择一个开关电源,通过DC-DC转换器将输入电压转换为稳定的输出电压。
这种转换器具有高效率、低噪声和良好的负载响应特性。
2. 脉冲发生器为了产生脉冲激光,我们需要一个脉冲发生器。
我们选择一个基于TTL (Transistor-Transistor Logic)的脉冲发生器,它可以产生高速脉冲信号。
TTL脉冲发生器具有陡峭的前沿和后沿,能够确保激光二极管在脉冲期间正常工作。
3. 激光二极管驱动器激光二极管驱动器是核心部分,它需要能够提供足够的电流驱动激光二极管。
我们选择一个具有高带宽、低噪声和高驱动能力的驱动器。
该驱动器能够根据脉冲发生器的信号驱动激光二极管,使其在脉冲期间正常工作。
4. 反馈控制电路为了确保稳定的输出功率,我们设计了一个反馈控制电路。
该电路通过监测激光二极管的输出功率,调整驱动器的输出电流,从而保持输出功率稳定。
二、电路优化为了提高驱动电路的性能,我们采取了以下优化措施:1. 降低噪声:我们选择低噪声元件,并在电路中加入去耦电容,以降低电源噪声和电磁干扰。
2. 提高效率:我们优化电源电路的设计,降低功耗和热损耗,提高整个驱动电路的能效。
3. 保护二极管:我们设计了一个快速关断电路,能够在异常情况下快速关闭激光二极管,防止其损坏。
4. 温度补偿:我们加入了温度传感器和补偿电路,以补偿温度对激光二极管性能的影响。
三、总结本文介绍了一种针对905nm脉冲激光二极管的驱动电路设计。
该设计考虑了电源供电、脉冲发生器、二极管驱动器和反馈控制电路等多个方面,并进行了优化措施以提高性能。
这种驱动电路能够为905nm脉冲激光二极管提供稳定的、高效的驱动能力,使其在各种应用中发挥出色的性能。
用于保护精密仪器的紧凑型激光二极管驱动器 在精密仪器应用中,连续波激光二极管的驱动需要恒流源。
要正确设计这种驱动器必须小心处理健壮性、稳定性、噪声与其它问题,因而成本高且复杂(参考文献1)。
图1给出了一个紧凑型阴极接地激光二极管驱动器,它能防止ESD(静电放电)损坏、上电尖峰、过冲,以及可能由于外部光反馈所致的波动。
带使能输入的运算放大器IC4驱动PMOSFET Q1,并控制输出电流。
使用Opnext的35mWHL6738MG激光二极管,RS将电流设定在额定值。
为防备上电期间来自Q1的输出,比较器IC5A使IC4关断,一只10kΩ的上拉电阻将Q1栅极接到IC4的电源,使Q1关断,当端子电源VB达到所需约6.5V时,通过IC4打开Q1。
防止ESD损坏和过冲的关键在于Q2的使用,这是一种耗尽型的NMOSFET。
断电时Q2导通,将任何有害的ESD分流至地。
有电时,比较器IC5B会输出一个远低于栅源极关断电压的负电压。
因此Q2关断,对驱动电流几乎没有影响,直到激光二极管阳极工作电压超过图中2.8V的最大额定值。
此时,工作电压触发IC5B输出为高,因此使Q2导通,亦将驱动电流旁路到地。
现在,电路产生明显的时滞,锁住紧急状态。
考虑到Q2有低导通电阻,本电路对过冲抑制的保护优于使用并联齐纳二极管的普通方法(参考文献2)。
虽然采用了分离式供电,但本设计并不需要特殊的上电顺序。
只是在上电开始时必须断开Q2,因此最好在驱动器有效前打开-9V外电源。
尽管本设计的一些IC有替代品,但选择正确的器件却有些棘手。
例如,可以略作修改,用LinearTechnology公司的LT1637代替德州仪器公司的TLC070,而两种器件。
2024年激光二极管驱动器市场发展现状一、激光二极管驱动器的概述激光二极管驱动器是一种用于供给和控制激光二极管的电子设备。
激光二极管作为激光光源的重要组成部分,广泛应用于通信、医疗、工业等领域。
激光二极管驱动器的发展与激光技术的不断进步密切相关,对市场的需求也不断增长。
二、激光二极管驱动器市场规模随着激光技术的广泛应用,激光二极管驱动器市场规模逐年增长。
根据市场研究机构的数据显示,2019年全球激光二极管驱动器市场规模达到XX亿美元,预计在未来几年内将保持稳定增长。
三、主要应用领域1. 通信领域激光二极管驱动器在光通信领域的应用广泛。
随着5G时代的到来,对于高速、高频、高可靠性的通信需求不断增加,激光二极管驱动器在高速光通信设备中扮演着重要角色。
2. 医疗领域激光在医疗领域的应用日益普及,激光二极管驱动器在医疗设备中起到关键作用。
例如,激光二极管驱动器广泛应用于激光手术刀、激光治疗仪等医疗设备中。
3. 工业领域激光二极管驱动器在工业领域的应用也非常广泛。
例如,激光切割机、激光焊接机等设备都需要激光二极管驱动器来供电和控制。
四、市场竞争态势目前,激光二极管驱动器市场竞争激烈,主要厂商包括市场龙头公司以及一些中小型企业。
这些厂商通过不断的技术创新和产品优化来增强自身竞争力。
同时,市场的需求也在不断变化,对驱动器的功率、效率、稳定性等方面提出了更高的要求。
五、发展趋势分析1. 高功率驱动器的需求增加随着激光技术在各个领域的应用不断扩大,对高功率激光二极管驱动器的需求也在增加。
高功率驱动器在工业激光加工、激光显示等领域有着广阔的市场前景。
2. 高效率驱动器的研发高效率是激光二极管驱动器发展的重要方向之一。
高效率驱动器可以节约能源消耗,提高激光系统的整体效能。
因此,高效率驱动器的研发将成为未来市场竞争的重点。
3. 小型化和集成化的趋势随着激光应用场景的多样化,激光二极管驱动器的小型化和集成化也成为市场的发展趋势。
Operating Manual LPLDD-5A-24V-TP-H Laser Diode DriverContact and Shipping: Tomorrow's System Sp. Z o.o. Okulickiego 7/9 hala G3905-500 PiasecznoPolandtel.: +48 515 180 752Company Information: Tomorrow's System Sp. Z o.o. Pułaskiego 125/3515-337 BiałystokPolandNIP: PL5423238556About the LPLDD-5A-24V-TP-H Laser Diode Driver LPLDD-5A-24V-TP-H Laser Diode Driver is the new version of the classic laser diode driver with thermal protection which ensures proper work of the laser diode and protects it from overheating. The basic driver for powering laser diodes has the option to adjust the maximum output current in the range of 0-5 A, and to modulate the current flowing through the diode with frequency up to 100 kHz. The exemplary test with the 100 kHz square-wave input signal modulation is shown below.LPLDD5A-24V-TP driver is capable to power literally every laser diode available on the market up to 5 W - 405 nm, 445 nm, 520 nm, 638 nm, 650 nm, 808 nm, 980 nm. The examples of diodes are: 1 W 445 nm, 3.5 W 445 nm, 700 mW 635 nm, 200 mW 808 nm, 1 W 808 nm, 5 W 808 nm, 1 W 520 nm.PinoutPower Supply and Modulation InputWhen you are powering both the laser diode and the driver from one power supply in the range of 7.5 - 24 V DC the V LD jumper should be connected.In the case of powering a laser diode with low voltage, i.e 3 V, one should use two power supplies and the V LD jumper should be disconnected.The driver has to be powered with voltage in the range of 7.5 - 24 V DC and laser diode has to be connected to the power supply in the range of 3.3 V - 24 V DCThis feature allows you to power your laser diode from low voltage, therefore, lower power can be dissipated by the driver.Modulation input can be used as TTL input with its logic levels of 0 V and 5 V or as an analog input. Analog modulation means that by using 2.5 V on ANG input you get 50% output power, analogically by using 4 V you get 80% output power, etc. This input can also be used as PWM input; the only requirement is that the base frequency of the PWM signal is in range of 5-20 kHz.Overheat ProtectionThis laser controller has a thermal protection system which protects laser diode from overheating.•In the case of normal operation, when a thermistor measures the temperature of a laser unit below 40 degrees of Celsius, the green LED is ON. Overheat pin status: High, output 5 V DC. •When the temperature measured by the thermistor reaches 40 degrees Celsius, the red LED starts to blink. Green LED is still ON. Overheat pin status: High, output 5 V DC.•When the temperature measured by a thermistor reaches 45 degrees Celsius, the red LED is ON, and the laser diode driver switches off. Overheat pin status: Low, output 0 V DC. The laser diode driver will get back to normal operation when the temperature measured by a thermistor is lower than 40 degrees.•Two blinking LEDs means that there is no connection between the laser diode driver and a thermistor, or the connection was temporarily lost. When the connection established - reset the driver. To reset the driver, disconnect and connect the power supply of the driver.Electrical Protection•Modulation input of the driver is protected by a 5V1 Zener diode. Nevertheless, one should not use a modulation voltage higher than 5 V.•The output of the driver is protected by the Schottky diode which doesn't allow the reverse voltage to appear as well protects from ESD.Recommendations and requirementsThe laser diode supply voltage V LD should always be set higher than or equal to 3.3 V. The minimum supply voltage for different diode currents is given by the formula:V LD = 0,2* I d + V dV LD is the supply voltage [V]V d is the diode working voltage [V]I d is the laser diode operating current [A]For powering the driver, we recommend the use a cable with cross-section of 0.1* I [mm2], where I is the laser diode operating current [A].Depending on the used laser diode and PSU, you should assure proper cooling of the MOSFET transistor. The MOSFET must be isolated from the heat sink/plate with the silicon pad as well as the plastic sleeve. A short circuit between MOSFET and heat sink/plate may damage the driver and can be dangerous for the Laser Diode.Exemplary TestThe test was done using:• 6 W NUBM44 laser diode (at 3.3 A )•15 cm long 0.35 mm2 wires•12 V input voltage (@ 10% duty cycle)•80 x 80 x 20 heat sink on power MOSFETFor CW work the voltage for NUBM44 diode should be not higher than 8V.。
2024年激光二极管驱动器市场前景分析引言激光二极管驱动器是激光器工作时所需的电源驱动设备。
随着激光应用领域的不断拓展,激光二极管驱动器市场也呈现出大幅增长的趋势。
本文将对激光二极管驱动器市场的前景进行分析,并探讨其发展趋势和机遇。
市场概述激光技术的应用广泛性激光技术在各个行业和领域都有广泛的应用,如医疗美容、通信、材料加工等。
激光二极管驱动器作为激光器的重要组成部分,其需求量随着激光技术应用领域的拓展而不断增加。
市场规模的快速增长根据市场研究数据显示,激光二极管驱动器市场规模在过去几年中保持着快速增长的趋势。
据预测,未来几年激光二极管驱动器市场规模有望进一步扩大,给相关企业带来更多商机。
市场驱动因素技术升级与创新随着科技的不断进步,激光二极管驱动器的技术也在不断升级和创新。
新的驱动器产品具备更高的功率、更高的效率和更稳定的性能,能够满足不同领域激光应用的需求。
产业政策的支持政府对于激光技术的支持和鼓励,将推动激光二极管驱动器市场的发展。
政策的放宽和鼓励将吸引更多的企业进入市场,促进市场竞争和创新。
应用领域的拓展激光技术在医疗美容、通信、材料加工等领域有着广泛的应用,随着这些领域的不断拓展,激光二极管驱动器的需求量也将随之增加。
市场挑战与风险技术门槛较高激光二极管驱动器的设计和生产需要较高的技术水平和资金投入,技术门槛较高。
这对于新进入者而言是一项挑战,需要克服技术上的难题,提升产品质量和性能。
市场竞争激烈激光二极管驱动器市场竞争激烈,已有大型企业在市场上占据一定份额。
新进入者需要有独特的技术优势和市场策略,才能在竞争中脱颖而出。
市场监管与合规性激光技术属于高危险性产业,对产品的监管和合规性要求非常严格。
企业需要投入更多的资源和精力来满足相关监管要求,同时应不断提升产品质量与安全性,以获得市场和用户的信任。
市场发展趋势产品多样化与个性化需求随着激光应用领域的不断拓展,不同领域对激光二极管驱动器的需求也日益多样化和个性化。
2023年激光二极管驱动器行业市场营销策略激光二极管驱动器是一种重要的光电元件,广泛应用于激光器、光纤通信、光电数据传输等领域。
随着技术的不断进步和市场需求的不断增加,激光二极管驱动器行业市场竞争日益激烈。
要在激烈的市场竞争中脱颖而出,制定合适的市场营销策略非常关键。
以下是激光二极管驱动器行业市场营销策略的一些建议。
1. 定位目标市场:明确目标市场是制定市场营销策略的基础。
激光二极管驱动器可应用于多个领域,如激光器制造商、通信设备制造商等。
根据产品的特性和市场需求,选择一个或几个具有较大潜力的目标市场进行定位。
2. 了解目标客户需求:深入了解目标市场的客户需求是制定市场营销策略的重要一步。
通过市场调研和客户访谈等方式,掌握客户对激光二极管驱动器的需求,了解他们对品质、性能、价格等方面的关注点。
3. 开展产品宣传:产品宣传是拓展市场的重要手段。
可以通过展览会、行业媒体、网络推广等方式,向目标市场传达产品的特点和优势。
同时,还可以与目标客户建立良好的合作关系,通过合作案例等方式展示产品的应用效果。
4. 提供个性化解决方案:根据客户的需求,提供个性化的解决方案是赢得市场的一种有效策略。
通过深入了解客户的需求,为客户量身定制合适的产品和服务,提供优质的技术支持和售后服务,以满足客户的特殊需求。
5. 建立品牌形象:品牌形象是企业在市场竞争中的核心竞争力之一。
要通过产品质量的稳定性和可靠性,以及客户满意度的提高来建立良好的品牌形象。
同时,建立健全的售后服务体系,提供及时、有效的技术支持和问题解决,增强客户对品牌的信任感。
6. 寻求合作伙伴:与合适的合作伙伴合作,有助于快速拓展市场。
可以选择与激光器制造商、光纤通信设备制造商等企业进行合作,共同开发市场,实现互利共赢。
7. 不断创新和研发:市场需求不断变化,要在市场竞争中保持竞争优势,必须不断进行研发和创新。
投入更多的资源和精力,不断改进产品性能和质量,推出具有竞争力的新产品,以满足市场的需求。