正泰指针仪表
- 格式:pdf
- 大小:603.14 KB
- 文档页数:3
PD666-□S系列数显多功能表使用说明书ZTY0.464.1220浙江正泰仪器仪表有限责任公司二0一九年四月1.概述1.1.主要用途及适用范围PD666-□S系列数显多功能表(以下简称仪表)主要对电气线路中的电压、电流、有功功率、无功功率、频率、功率因数、正反向有功电能、四象限无功电能、谐波含量等参数进行实时测量与显示。
广泛应用于低压配电进线开关柜、馈线开关柜等,是针对电力系统、通信行业、建筑行业等电力监控而设计,集测量、通讯、变送、报警于一体。
执行标准:GB/T 22264.1-2008《安装式数字显示电测量仪表第1部分:定义和通用要求》GB/T 22264.2-2008《安装式数字显示电测量仪表第2部分:电流表和电压表的特殊要求》GB/T 22264.3-2008《安装式数字显示电测量仪表第3部分:功率表和无功功率表的特殊要求》GB/T 22264.4-2008《安装式数字显示电测量仪表第4部分:频率表的特殊要求》GB/T 22264.5-2008《安装式数字显示电测量仪表第5部分:相位表和功率因数表的特殊要求》GB/T 22264.7-2008《安装式数字显示电测量仪表第7部分:多功能仪表的特殊要求》GB/T 22264.8-2009《安装式数字显示电测量仪表第8部分:推荐的试验方法》GB/T 17215.211-2006《交流电测量设备通用要求、试验和试验条件第11部分:测量设备》GB/T 17215.322-2008《交流电测量设备特殊要求第22部分:静止式有功电能表(0.2S 级和0.5S级)》GB/T 17215.323-2008《交流电测量设备特殊要求第23部分:静止式无功电能表(2级和3级)》1.2.产品特点1) 具有电参量测量功能(电压、电流、功率、频率、功率因数、总谐波含量);2) 具有正反向有功电能计量、四象限无功电能计量和存储功能,支持多费率计量功能。
3) RS485接口,支持ModBus_RTU、DL/T 645-2007协议;4) 模拟量输出(变送);5) 开关量输出(报警),继电器输出;6) 开关量输入;7) 具有硬件RTC功能;1.3.型号的组成及其代表意义P2134567①产品类别:正泰安装式数字显示电测量仪表②组别代号:D:多功能表③注册号:666④仪表面板尺寸代号:2:72mm×72mm 3:96mm×96mm 6:80mm×80mm 8:120mm×120mm⑤辅助功能选择:无:默认通讯功能P :默认带开关量输入和通讯功能K:开关量输出(报警)B:模拟量输出(变送)H:定制产品1.4.使用环境条件规定的工作温度范围:-10℃~+45℃;极限的工作温度范围:-25℃~+70℃。
DDSU666.004型单相电子式电能表(导轨)使用说明书ZTY0.464.1036浙江正泰仪器仪表有限责任公司二0一九年十二月1.概述1.1主要用途及适用场合DDSU666型单相电子式电能表(导轨)(以下简称“仪表”)是针对电力系统、通信行业、建筑行业等电力监控和电能计量需求而设计,为新一代智能仪表,集测量、通讯于一体,主要用于电气线路中电压、电流、功率、频率、功率因数、有功电能等电参量的测量与显示。
可通过RS485通讯接口与外部装置实现组网;采用标准DIN35mm导轨式安装,结构模数化设计,具有体积小、易安装、易组网等优点;广泛应用于工矿企业、宾馆、学校、大型公建内部电能考核与监测。
符合的标准:GB/T 17215.321-2008《交流电测量设备特殊要求第21部分:静止式有功电能表(1级和2级)》GB/T 17215.322-2008《交流电测量设备特殊要求第22部分:静止式有功电能表(0.2S级和0.5S级)》DL/T 645-2007《多功能电能表通信协议》1.2产品特点1)计量正反向有功电能,反向电能按正向累计;2)采用温宽型LCD;3)DIN35mm标准导轨式安装,结构模数化设计,体积小、易安装、易组网。
1.3型号组成及代表意义1.4使用环境条件规定的工作温度范围: -25℃~+55℃;极限的工作温度范围: -40℃~+70℃;相对湿度(年平均):≤75%;大气压: 86kPa~106kPa.2.工作原理框图仪表工作原理框图,如图1所示:3.1型号规格*注:以实物为准3.2百分数误差单相电能表1级百分数误差不超过以下相应极限值3.3起动在功率因数为1.0和起动电流下,仪表应能起动并连续计量。
如果仪表是按照测量双向电能设计的,则应适用于电能的每个方向。
3.4潜动电能表应具有良好的防潜动逻辑,当电压回路加1.15倍参比电压,电流回路断开时,电能表不会产生多于1个的脉冲。
3.5电气参数3.6其他技术参数3.7 关键零部件采用4.主要功能4.1计量功能准确计量正向、反向有功电能,反向电能按正向累计。
1.概述DDSY666型单相电子式预付费电能表是用来计量工频交流单相有功电能,并可实现电量预购、限流保护等功能的电子式电能表。
本产品适用于工业和民用单相交流电路。
符合GB/T 17215.321-2008《交流电测量设备 特殊要求 第21部分:静止式有功电能表(1级和2级)》标准和GB/T 18460.3-2001《IC卡预付费售电系统 第3部分:预付费电能表》标准中队单相预付费电能表的全部技术要求。
本产品采用了优选大规模专用集成电路,应用微计算机、表面安装(SMT)、电磁兼容等技术,电路集成度高,结构合理,性能可靠;专用电卡(IC卡)可实现先付费后用电、表内剩余电量不足时自动报警;剩余电量为零时,自动断电;能实现可编程最大功率限制,当用户负荷超过最大功率限制值时自动断电报警等功能,可双向计量电能,独特的保密措施保证用户使用电表和电卡的高度安全性。
2.结构特征与工作原理2.1结构特征本产品采用阻燃ABS树脂外壳,具有较高的绝缘强度和耐腐蚀性,IC卡插口设在罩壳上方右侧位置,具有防窃电、防潜动等功能,造型新颖,美观适用。
2.2工作原理电流回路的电流通过分流器采样得到的电压信号,再通过电能专用计量芯片内部,得到数字相位校正和高通滤波的数字信号进入数字乘法器的一个输入端。
电压回路的电压信号经过电阻分压器取样,再通过电能专用计量芯片内部得到数字信号,进入数字乘法器的另一个输入端与电流通道的信号进行乘法运算,完成被计量电能的瞬时功率测量。
乘法器输出瞬时功率通过数字低通滤波器进行积分处理进入“数字/频率”转换器,变换成与被计量电能平均功率成比例的频率脉冲信号(分为高频脉冲信号和低频脉冲信号),其中高频脉冲输出至测试脉冲输出和用来驱动脉冲指示灯,低频脉冲输出至微处理器接口实现电能计量。
LED清晰地显示出电能值及其它有关内容;功率反向时,电能表仍然能准确计量电能值;售电部门通过售电管理系统对电卡进行初始化,并将电卡发行给用户,同时在管理系统内建立档案,用户必须向售电部门购买电量后才能用电,用户的最大功率限制值由售电部门设定。
DDSU666系列单相电子式电能表(导轨)使用说明书ZTY0.464.922浙制00000205号浙江正泰仪器仪表有限责任公司二0一六年八月目录1.概述 (1)2.工作原理 (2)3.主要技术性能与参数 (3)4关键零部件采用 (4)5.主要功能 (5)6.外形及安装尺寸 (11)7.安装及使用说明 (12)8.常见故障的诊断、分析、排除方法 (13)9.运输与贮存 (14)10.保修与服务 (14)DDSU666系列单相电子式电能表(导轨)ZTY0.464.922使用说明书共15页第1页1.概述1.1主要用途及适用范围DDSU666系列单相电子式电能表(导轨)(以下简称“仪表”)根据电力系统、通信行业、建筑行业等电力监控和电能计量需求而设计,为新一代智能仪表,集测量、通讯于一体,主要用于电气线路中电压、电流、功率、频率、功率因数、有功电能等电参量的测量与显示。
可通过RS485通讯接口与外部装置实现组网;采用标准DIN35mm导轨式安装,结构模数化设计,具有体积小、易安装、易组网等优点;广泛应用于工矿企业、宾馆、学校、大型公建内部电能考核与监测。
符合的标准:GB/T17215.321-2008《交流电测量设备特殊要求第21部分:静止式有功电能表(1级和2级)》DL/T645-2007《多功能电能表通信协议》1.2产品特点1)计量正反向有功电能,反向电能按正向累计;2)采用温宽型LCD;3)DIN35mm标准导轨式安装,结构模数化设计,体积小、易安装、易组网。
资料来源编制<**设计签字**><**设计签字日期**>校对<**校对签字**><**校对签字日期**>审核<**审核签字**><**审核签字日期**>标准化<**标准化签字**><**标准化签字日期**>提出部门审定<**审定签字**><**审定签字日期**>标记处数更改文件号签字日期职责签字日期1.3型号组成及代表意义图1型号组成1.4使用环境条件规定的工作温度范围:-25℃~+55℃;极限的工作温度范围:-40℃~+70℃;相对湿度(年平均):≤75%;大气压:86kPa~106kPa。
DTS634/DSS633型三相电子式有功电能表使用说明书浙制00000205号浙江正泰仪器仪表有限责任公司二0一六年五月目录1.概述DTS634/DSS633型三相电子式有功电能表(以下简称电能表)是采用大规模集成电路,用于测量参比频率为50Hz的三相电网中正反向有功电能。
电能表主要性能指标符合GB/T 《交流电测量设备通用要求试验和试验条件-第11部分:测量设备》、GB/T 《交流电测量设备特殊要求-第21部分:静止式有功电能表(1级和2级)》等标准的相关要求。
主要产品特点1.1.2计量正反向有功电能,反向电能按正向累计。
1.1.1电能表采用计度器显示。
1.1.3产品采用性能稳定、低功耗的工业级元器件设计制造。
型号名称DTS634:三相四线电子式有功电能表DSS633:三相三线电子式有功电能表产品型号的组成及代表意义图 1 产品型号的组成及其代表意义使用环境条件1.4.1 温度范围1.4.1.1 规定工作温度范围:-25℃~+55℃;极限工作温度范围:-40℃~+70℃;资料来源编制<**设计签字**> <**设计签字日期**>校对<**校对签字**> <**校对签字日期**>审核<**审核签字**> <**审核签字日期**>标准化<**标准化签字**> <**标准化签字日期**> 提出部门审定<**审定签字**> <**审定签字日期**>@ 换页2015(ZTY)-0984 施宁宁批准<**批准签字**> <**批准签字日期**> 标记处数更改文件号签字日期职责签字日期1.4.2 相对湿度(年平均)小于75%。
2.产品的结构特征及工作原理结构2.1.1机械结构2.1.1.1电能表的底壳采用喷漆金属材料、接线端钮盒采用黑色酚醛树脂、罩盖采用耐腐蚀、抗冲击、阻燃、绝缘性能良好的工程塑料制成,整机具有良好的阻燃、绝缘性能。
二、仪表类别(表二)三、主要技术指标仪表的外形尺寸与安装开孔尺寸(表三)1.显示方式:XMZ,XMT-1□□系列,XMZA,XMTA系列3 位数码管显示被测值。
X MTE。
XMTD,XMT-8□□□系列,3位籹码管显示被尚早值2.显示误差。
≤±0.5%3.设定点误差:≤±1%≤1字4.控制点切换差≤0.5%5.冷端补偿,0-40℃内误差小于2℃6.时间比例调节,比例带3-6%,周期30±10s7.超限报警:报警输出点在被测信号超过设定值的2-10%(全程量),消警范围≤1% 8.输出脉总目信号,幅值大于3V,宽度大于40μs的移相脉冲或过零触发脉冲9.P、I、D调节,(1)输出0-mA;(2)负载800±80Ω10.输出触点容量,交流220V,3A(阻性负载)或IA(感性)11.温度系数:在0-50℃范围内偏离20±2℃使用时,其温度系数小于0.05%12.工作电源:交流220V±10%,50HZ,功耗小于5W13.工作环境:温度0-50℃,相对湿30-85%的无腐蚀性气体场合14.外形尺寸及开孔尺寸见表三所示15.重量:约0.8公斤四、使用与调整1.检查仪表的分度号与感温元件的分度号是否相同2.配用热电偶的仪表可不接15Ω外阻,不影响精度,如距离较远,热电偶与仪表的连线采用相对应的补偿导线,且极性不得接反,以免影响精度,传感器的安装位置要能正确及时反馈被尚早对象温度的升降,如发现仪表显示反常,应检查传感器连接是否断路程(仪表有断偶保护功能);配用热电阻的仪表一般不接三个5Ω外阻,但热电阻三根连接线的规格长度要相同,如引线较长时建度使用外阻,并在订货时申明;3.把仪表插入安装孔,将上下或二侧安装螺杆适当被测温度值,无需调整。
4.XMZ、XMZA型,接上电源和感温元件,即能显示被测温度值,无需调整。
5.XMT-101,102,XMTA-2001,2002,XMTD-2001,2002,XMT-8001,8002型,将仪表连接线接拔妥后,把开关拔至“设定”处,旋转设定旋钮,此时数字显示的是所需温度值,调好后,把开关拔至“测量”处,此时数字显示的是被测对象的实际温度值,当实际温度值低于设定值时,绿灯亮,输出继电器的总低通,总高断,当实际值达到或高于设定值时,红灯亮,输出的断电器的总高通、总低断,拔码开关设定的仪表,接线后只需将拔码开关至所需温度值即可,控制状态同上述。
1、概述PA、PZ7777-□S系列三相数显电流电压表(以下简称仪表)为新一代可编程智能仪表,主要用于对三相电气线路中的相电压、线电压、相电流进行实时测量与显示,并通过RS485接口或模拟量变送输出接口对被测量电量数据进行远传。
1.1产品特点●真有效值测量,精度高,能正常测量失真波形。
●模块化结构设计,SMT生产工艺。
●全数字化调校,电压、电流变比可自由设置。
●简洁的接线方案与结构设计;●可实现上下限报警,报警动作延迟时间可设置。
●变送输出规格可设置为0~10 mA、0~20 mA、4mA~20mA,变送范围在量程内可任意设置。
●标准RS-485 通讯接口、MODBUS-RTU通讯协议,波特率1200、2400、4800、9600、19200可设置。
●具备频率值查看功能。
1.2型号定义□辅助功能选择无:显示仪表,无辅助功能K :三路继电器触点,上下限报警输出B :三路模拟量变送输出T :一路RS485通讯输出N :两种以上功能组合,由用户指定信号输入类别S :三相信号输入仪表外形尺寸2:72mm×72mm 3:96mm×96mm 4:48mm×48mm6:80mm×80mm 8:120mm×120mm设计代号仪表类型A:电流表Z:电压表安装式数显电表系列产品代号2、结构特征与工作原理模块化结构设计,辅助功能可选。
采用卡簧固定方式,安装方便,通用性强。
MCU对输入信号进行实时采样,对采样结果进行数据处理并显示,根据所选功能模块与键盘编程设定的参数值对测量值进行上下限报警输出、对被测电量数据进行远传变送输出,并通过RS485 接口与上位机进行通讯以实现组网。
三路电流/三路电压取样MCU 键盘+显示模块通讯模块报警输出模块变送输出模块开关电源3、主要技术性能与参数4、外形及安装尺寸、重量5、安装与使用5.1安装嵌入式安装方式,根据仪表外型及安装尺寸要求在安装屏面上开孔,将仪表嵌入安装孔后将两个夹持件卡入仪表对角卡槽内,用手推紧即可。
20 >>精准计量 智慧物联>> 精准计量 智慧物联 21DTZY666- 型三相远程费控智能电能表(模块-远程-开关内/外置)2 主要功能及特点3 主要技术参数备注:经互感器接入和最大电流超过60A的电能表需要外配NM1(带分励脱口器,220V)实现通断 电功能。
4 产品选型● 具有正反向有功、四象限无功电能计量功能,并可以据此设置组合有功和组合无功电能● 具有分时计量功能,可按相应的时段分别累计、存储总、尖、峰、平、谷有功和无功电能● 具有分相有功电能计量功能● 测量双向最大需量、分时段最大需量及其出现的日期和时间,并存储带时标的数据● 时段费率功能:具有两套费率时区、时段表和254个公共假日,可在约定的时刻自动转换● 具有电压、电流、功率、功率因数、当前需量等实时参量测量功能● 具有定时、瞬时、约定、整点及日冻结功能,冻结数据模式字可设● 具有红外通信口、RS485、GPRS(CDMA、微功率无线或载波通信口模块可选),方便与外 界交换数据● 电费计算在远程售电管理系统中完成,电能表可以通过RS485、GPRS(CDMA、微功率无线 或载波模块可选)虚拟介质接收远程售电管理系统下发的拉闸、允许合闸、ESAM 数据抄读指 令,指令需通过严格的密码验证及安全认证● 具有电压异常、电流异常、掉电、清零、校时、编程、开表盖、开端钮盖等事件记录功能● 具有负荷曲线记录功能,可按用户设定的时间间隔对选定的六类数据内容进行滚动记录,间隔 时间可在1 min~60min 任意设置● 具有磁场干扰事件记录功能DDZY666C 型单相本地费控智能电能表(CPU 卡—开关内/外置)2 主要功能及特点3 主要技术参数● 具有正反向有功、组合有功电能计量功能,组合有功特征字可设● 具有分时计量功能,可按相应的时段分别累计、存储总、尖、峰、平、谷电能量,可以存上12个 结算周期的总电能和各费率电能量● 时段费率功能:具有两套费率时区、时段表,可在约定的时刻自动转换● 具有定时、瞬时、约定、整点及日冻结功能,冻结数据模式字可设● 具有电压、电流、功率、功率因数、电网频率等实时参量测量功能● 具有掉电、事件清零、电表清零、校时、编程、开罩盖等事件记录● 具有红外通信、RS485通信接口,方便与外界交换数据● 电费计算在电能表内实时进行,可以通过CPU 卡等固态介质与售电管理系统进行数据交换,CPU 卡采用SM1国密算法● 采用全自动软件校表技术,校表简单,速度快,准确度高● 采用罩盖和盖板的一体化设计,造型新颖,美观实用备注:经互感器接入和最大电流超过60A的电能表需要外配NB1S(带分励脱扣器,220V)实现通断 电功能。
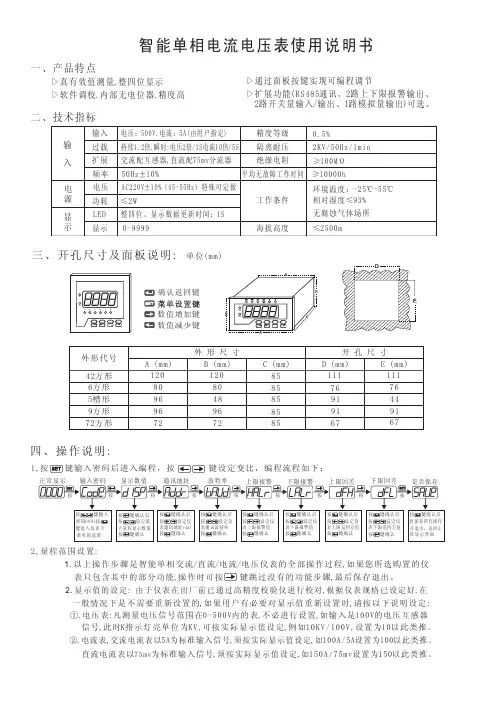
智能单相电流电压表使用说明书三、开孔尺寸及面板说明:单位(mm )一、产品特点▷真有效值测量,整四位显示▷软件调校.内部无电位器.精度高▷通过面板按键实现可编程调节▷扩展功能(RS485通讯、2路上下限报警输出、 2路开关量输入/输出、1路模拟量输出)可选。
二、技术指标输入显示输入过载扩展频率电压功耗电压:500V.电流:5A (由用户指定)持续1.2倍.瞬时:电压2倍/1S 电流10倍/5S 交流配互感器,直流配75mv 分流器50Hz ±10%AC220V ±10%(45-55Hz )特殊可定做≤2W精度等级隔离耐压绝缘电阻工作条件整四位、显示数据更新时间:1S 0-99990.5%2KV/50Hz/1min 相对湿度≤93%≥100MΩ≥10000h环境温度:-25℃-55℃LED 显示平均无故障工作时间无腐蚀气体场所海拔高度≤2500m四、操作说明:12,量程范围设置:1.以上操作步骤是智能单相交流/直流/电流/电压仪表的全部操作过程,如果您所选购置的仪2.显示值的设定: 由于仪表在出厂前已通过高精度校验仪进行校对,根据仪表规格已设定好,在一般情况下是不需要重新设置的,如果用户有必要对显示值重新设置时,请按以下说明设定:①.电压表:凡测量电压信号范围在0-500V 内的表,不必进行设置,如输入是100V 的电压互感器 ②.电流表,交流电流表以5A 为标准输入信号,须按实际显示值设定,如100A /5A 设置为100以此类推。
信号,此时K 指示灯亮单位为KV ,可按实际显示值设定,例如10KV/100V,设置为10以此类推。
直流电流表以75mv 为标准输入信号,须按实际显示值设定,如150A /75mv 设置为150以此类推。
确认返回键数值增加键数值减少键电源外形代号外 形 尺 寸开 孔 尺 寸42方形6方形5槽形9方形72方形A (mm )B (mm )C (mm )D (mm )E (mm )120809696721208048967285111769191111764491676785858585上海讯尔电气仪表有限公司大西洋电器仪表有限公司电话:0577-******** 0577-******** 传真:0577-********地址:柳市新市街50弄3号五、接线方式:工作电源96*48仪表接线图仪表接线图仪表接线图仅供参考具体接线方法以仪表壳体所附接线图为准输入电流输入电压765432110987654321工作电源输入电流输入电压96*96/120*12010987654321工作电源输入电流输入电压72/80仪表接线图七、注意事项:端子不能接错否则烧毁仪表,采用交流供电的仪表,供电电源应能保证电压稳定,远离有干扰的设备。
NZK6-M系列开关状态智能综合指示装置使用说明书上海正泰自动化软件系统有限公司2014年10月目 录1 概述 (1)1.1 型号及含义 (1)1.2 产品主要用途和适用范围 (2)1.3 使用环境条件 (2)1.4 温湿度默认值 (2)2面板指示 (4)3 安装 (2)3.1外形尺寸 (2)3.2开孔尺寸 (3)3.3端子图(未配置的功能无相对应端子) (3)4 主要功能 (4)4.1 手车位置指示 (5)4.2 断路器状态指示 (5)4.3 接地开关位置指示 (5)4.4 弹簧储能指示 (5)4.5 智能语音防误提示功能 (5)4.6 高压带电闭锁功能 (6)4.7 温湿度控制功能 (6)5 操作功能 (6)6通信功能 (7)7 附图 (7)8使用注意事项 (7)9 运输储存 (7)1 概述 1.1 型号及含义NZK6系列开关柜智能操控装置选型表表1 NZK6选型表表2断路器无线测温传感器规格序号 品种系列S (C ) M (B )L (A ) 1高压三相带电显示无 0 0 0 有1 1 1 2温湿度控制无 0 0 0 1路1 1 1 2路2223无线测温/电力参数测量无 0 0 0 电力参数测量 0 0 1 无线测温(母排三点) 0 0 2 无线测温(断路器触头三点)0 0 3 无线测温(母排六点) 0 0 4 无线测温(断路器触头六点) 0 0 5 无线测温(母排三点,触头三点) 0 0 6 无线测温(母排三点,触头六点) 0 0 7 无线测温(母排六点,触头三点) 0 0 8 无线测温(母排六点,触头六点) 094储能/未储能 无 0 0 0 有1115通讯(RS485) 无 0 0 0 有111传感器型号 适用静触头规格 适用额定电流NZK6L-101 Φ35×72(82)630ANZK6L-102 Φ49×72(82) 1250A NZK6L-103 Φ55×72(82) 1600A NZK6L-104 Φ79×102(112) 2000A(2500A) NZK6L-105 Φ109×107(117) 3150A(4000A)NZK6L-106非标准触头及电缆接点产品型号品种序号(L,M,S)一次接线图(00表示用户自定义)功能代号(详见选项表)补充说明:1.选用温湿度控制功能后,S、M 型可自行选配(单控温型、单除湿型、温湿度双控型),L 型为温湿度双控型。
正泰导轨式电表说明书一、概述导轨式电表是一种用于测量电能使用量的仪表。
正泰导轨式电表简单易用、功能齐全,广泛应用于工业、商业和家庭领域。
本说明书将详细介绍导轨式电表的性能、操作方法以及注意事项。
二、性能特点1. 高精确度:正泰导轨式电表采用先进的电子技术和精密的测量系统,能够实时准确地测量电能使用量,精确度高达0.5级。
2. 多功能显示:导轨式电表配备了大屏幕液晶显示屏,能够显示当前电能使用量、功率因数、电压、电流等信息,操作简单直观。
3. 长寿命设计:正泰导轨式电表采用高品质的材料和可靠的制造工艺,具有较长的使用寿命,确保稳定可靠的测量结果。
4. 远程读数功能:导轨式电表可与计算机系统连接,实现远程读数和数据分析,方便用户进行能源管理和统计。
三、操作方法1. 安装:安装导轨式电表前,请确保断电,并根据电表背面的电路连接图正确安装电源线、电流线和电压线。
接线完成后,将电表固定在导轨上,并确保连接牢固。
2. 上电启动:在电表上找到电源开关,并将其打开。
此时,电表将开始工作,并显示当前的电能使用量。
3. 功能选择:导轨式电表具有多种功能,可以通过按键进行选择。
例如,按下"电流"按钮可显示当前电流值,按下"电压"按钮可显示当前电压值。
4. 数据清零:如需清零电能使用量,按住"清零"按钮5秒钟,待数值显示为0时松开按钮即可。
5. 关机:如需关闭电表,请将电源开关关闭,待显示屏熄灭后,即可断开电源。
四、注意事项1. 只有专业人员才能进行电表的安装和维修,请勿擅自操作电表内部的任何部件。
2. 请定期检查电表的电源线、电流线和电压线的连接是否松动,若有问题,请立即停止使用并联系专业维修人员进行检修。
3. 请勿使用尖锐工具或硬物敲击电表,以免损坏显示屏或内部电路。
4. 请勿将电表暴露在高温、潮湿或腐蚀性气体的环境中,以免影响电表的性能和寿命。
5. 请勿在电表上使用任何化学溶剂、洗涤剂或腐蚀性物品清洁电表外壳,以免造成电表损坏。
正泰电表DDSU666通讯说明(Modbus485)
1.查看仪表侧边条形码。
2打开串⼝⼯具(这边使⽤的是TestCom),将串⼝参数调成波特率2400,数据位8位,
偶校验,停⽌位1位,端⼝选择485转USB转换器的端⼝。
3.输⼊数据68 xx xx xx xx xx xx 68 14 0E 33 33 35 3D 35 33 33 33 33 33 33 33 33 33,开头两个68之间填⼊的是仪表侧边条形码标号的倒写,如编号为 21 02 25 02 15 21 则填⼊ 21 15 02 25 02 21。
校验码为求累加和计算出来的,数据尾为16。
然后点击发送即可将645协议更改成modbus 485协议。
更改后modbus 地址,波特率,数据位,校验位,停⽌位以仪表屏幕显⽰。
附加.根据屏幕显⽰重新设置modbus 485 通讯参数。
4.更改modbus 485从站地址,格式为xx 10 00 06 00 01 02 00 xx。
前⾯xx为现在从站地址66,⼗六进制显⽰为42,数据写⼊为⼗六进制,后⾯xx为更改后从站地址01。
校验码为求CRC16-2计算出来的。
然后点击发送即可将从站地址66更改成从站地址01。
5.把默认参数modbus 485数据位8,停⽌位2,⽆校验改成数据位8,停⽌位1,⽆校验,格式为xx 10 00 05 00 01 02 00 05。
前⾯xx为现在从站地址01,⼗六进制显⽰也为01,数据写⼊为⼗六进制。
校验码为求CRC16-2计算出来的。
然后点击发送即可。
DTS634/DSS633型三相电子式有功电能表使用说明书浙制00000205号浙江正泰仪器仪表有限责任公司二0一六年五月目录1.概述........................................................... 错误!未定义书签。
2.产品的结构特征及工作原理...................................... 错误!未定义书签。
3.主要技术性能与参数............................................ 错误!未定义书签。
4.主要功能...................................................... 错误!未定义书签。
5.外形尺寸...................................................... 错误!未定义书签。
6.常见故障的诊断、分析、排除方法................................. 错误!未定义书签。
7.安装与使用说明................................................ 错误!未定义书签。
8.保修和服务.................................................... 错误!未定义书签。
9.运输与贮存.................................................... 错误!未定义书签。
1.概述DTS634/DSS633型三相电子式有功电能表(以下简称电能表)是采用大规模集成电路,用于测量参比频率为50Hz的三相电网中正反向有功电能。
电能表主要性能指标符合GB/T 《交流电测量设备通用要求试验和试验条件-第11部分:测量设备》、GB/T 《交流电测量设备特殊要求-第21部分:静止式有功电能表(1级和2级)》等标准的相关要求。
DTS634/DSS633型三相电子式有功电能表使用说明书浙制00000205号浙江正泰仪器仪表有限责任公司二0一六年五月目录1.概述........................................................... 错误!未定义书签。
2.产品的结构特征及工作原理...................................... 错误!未定义书签。
3.主要技术性能与参数............................................ 错误!未定义书签。
4.主要功能...................................................... 错误!未定义书签。
5.外形尺寸...................................................... 错误!未定义书签。
6.常见故障的诊断、分析、排除方法................................. 错误!未定义书签。
7.安装与使用说明................................................ 错误!未定义书签。
8.保修和服务.................................................... 错误!未定义书签。
9.运输与贮存.................................................... 错误!未定义书签。
1.概述DTS634/DSS633型三相电子式有功电能表(以下简称电能表)是采用大规模集成电路,用于测量参比频率为50Hz的三相电网中正反向有功电能。
电能表主要性能指标符合GB/T 《交流电测量设备通用要求试验和试验条件-第11部分:测量设备》、GB/T 《交流电测量设备特殊要求-第21部分:静止式有功电能表(1级和2级)》等标准的相关要求。