公路车辆动态称重系统解决方案
- 格式:pdf
- 大小:99.00 KB
- 文档页数:3
整车式动态称重系统技术方案整车式动态称重系统是一种利用传感器和计算机技术对车辆进行实时称重的装置。
其主要原理是通过在道路上安装传感器,对车辆在通过时的重量进行实时监测,然后将数据传输给计算机进行计算,最终得出车辆的重量。
整车式动态称重系统具有准确性高、速度快、操作简单等优点,因此被广泛应用于交通运输、物流、环保等领域。
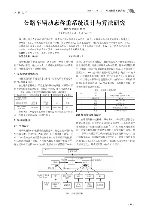
系统组成整车式动态称重系统主要由传感器、数据采集器、计算机和显示器组成。
1.传感器传感器是整车式动态称重系统的核心部件,主要负责对车辆进行实时称重。
现阶段,常用的传感器有压电型称重传感器和电子称重传感器两种。
压电型称重传感器采用压电晶体作为敏感元件,能够经受车辆经过时产生的压力变换,并将其转换成电信号输出。
电子称重传感器则采用应变片等材料作为敏感元件,可以测量车辆的重量。
2.数据采集器数据采集器主要负责将传感器采集到的数据进行保存和传输。
常用的数据采集器有有线型和无线型两种。
有线型数据采集器可以将数据通过传统的数据线进行传输;无线型数据采集器则采用射频识别、蓝牙等无线通讯技术进行传输。
3.计算机计算机是整车式动态称重系统中的核心部件,负责将传感器采集到的数据进行处理,计算出车辆的重量。
现阶段,常用的计算机有一般计算机、嵌入式计算机等。
4.显示器显示器负责显示车辆的重量和其他有关信息。
其形式可以有液晶显示屏或LED显示屏。
技术方案整车式动态称重系统的技术方案主要包括以下方面。
1.传感器选择传感器是整车式动态称重系统的核心部件,直接影响到整个系统的性能和准确度。
我们可以根据不同的应用场景选择不同类型的传感器。
如需要在恶劣环境中使用的就选择压电型传感器;在需要快速响应的场合,则选用电子称重传感器。
2.数据采集器选择数据采集器是用于将传感器的采集数据进行保存和传输的设备。
考虑到系统使用的便捷性和灵活性,我们建议使用无线数据采集器。
3.计算机选择计算机是整车式动态称重系统的核心部件,对其选择要有一定的专业技术支持,具有较好的稳定性、易操作性及较好的稳态及瞬态精度。
高速公路动态称重车辆检测器--技术方案2012年6月28日目录:1.系统主要功能简述 (3)2.系统配置及布置方案 (4)2.1系统配置方案 (4)2.2系统布置方案 (4)3.主要技术指标 (6)4.DAW100系统描述 (8)4.1DAW100动态称重检测器性能特点 (8)4.2 主要部件说明 (10)4.2.1 WPM175弯板式传感器 (10)4.2.2 线圈 (11)4.2.3 中心控制器 (12)4.3. 数据存储 (13)4.3.1数据存储型式 (14)附一:近两年来国内外使用该产品部分客户名称 (15)附二:统计样表(监控中心统计软件) (16)1.系统主要功能简述衡枣高速公路监控系统设置的动态称重车辆检测器,主要用以采集和检测进入衡枣高速公路的车辆的车速、轴载、交通量等数据,并自动进行车型分类。
高速公路管理部门可以针对不同类别的车辆设置相应的轴重和总重最大阀值,自动在监控中心记录通过检测仪的超载车辆。
根据要求,我们选用了PAT公司的DAW100动态称重系统,该系统广泛应用于:●交通和道路的规划设计●车辆流量﹑重量和速度的统计●维护计划●结合AVI(自动车辆识别系统)进行主干线的监控分析●违章统计执法●交通控制以及其它的负荷流量分析该系统主要具有以下功能:●对通过称重区域的车辆进行较为精确的称量,提供完整的车辆轴载、轴型、总重、车速、车长、轴距等信息●根据各种条件或组合条件进行车型判断,如车长、车速、轴型、轴距、载重量等,对于拖车有相应的处理方法,不会分成两辆车处理●根据该数据统计出车道占用率、平均车速、车头实距等统计类的信息,并且可以提供轴载次等各种车辆重量的统计信息,以备为以后的养护工作提供相应的数据(各种统计样表见附录)●可人工设定线圈频率,多达64级可调,彻底解决相邻车道车辆干扰问题●可设定车辆的各种报警限制,如车速、总重、车头重、单轴/双连轴/三连轴等,报警信号可以有I/O输出及数据输出两种方式2.系统配置及布置方案2.1系统配置方案根据要求,系统采用DAW100高速动态称重系统作为主线高速动态称重车辆检测器,对通行车辆进行检测。
不停车称重检测系统技术方案1. 概述我公司开发的高速动态称重不停车称重检测系统,凭借领先的技术优势多年来已在许多省市投入运行。
系统的功能设计满足交通部《全国治超检测站点规范化建设试点工程实施方案》的要求。
按照超限运输检测站的实际需求,提供超限运输称重管理系统设计方案。
2. 总体方案方案设计为高速预不停车称重检测模式,通过可变情报板及道路标志、标线,自动引导超限车辆进入执法站,而不影响正常交通。
本项目包括高速动态称重预检子系统(高速预检、车牌识别子系统、可变信息显示子系统、视频监控子系统、计算机系统、数据传输系统、供配电系统等多个模块。
方案设计在海天路主线适当位臵安装 3车道高速预检弯板称重传感器,在雄镇路主线适当位臵安装 2车道高速预检弯板称重传感器,用于对通过公路主线的车辆进行称重预检测,筛选超限嫌疑车辆。
在距高速预检弯板称重传感器 20米处分别设臵简易门架,海天路安装 3套 200万高清车牌识别装臵,雄镇路安装 2套 200万高清车牌识别装臵,用于自动识别车辆牌照,并与车辆称重信息对应存储;在距高速预检弯板称重传感器 200米处分别设臵 F 型立杆, 分别安装 LED 路侧可变情报板和声光报警器等设备, 提醒超限嫌疑车辆, 并在该路段设臵标志牌逐级提示, 配合 LED 可变情报板引导超限嫌疑车辆进入前方执法站。
方案设计适当规模的视频监控系统,在主线设臵视频全景摄像机,用于监视主线道路车辆情况;方案设计在检测室设臵硬盘录像机,与监控摄像机连接,对站内外的工作运行情况进行监控和视频录像。
系统如下:3. 不停车称重检测系统构成框图4. 监控系统构成框图硬盘录像机视频监控子系统监视器主线全景监控5. 系统工作流程系统工作流程图如下:6. 系统特点6.1. 拥有系统的自主核心技术,方便系统升级的特点高速预检设备的核心算法均具有自主知识产权,方便系统的维护、产品升级和按用户的需求进行自主开发。
●我们的车辆动态称重技术已取得国家专利(专利号:ZL03208452.8 ,我们检测软件也获得计算机软件著作权(软著登字第 011095号、软著登字第 040364号、软著登字第 032191号、软著登字第 040365号、软著登字第 054385号、软著登字第049564号、软著登字第 072820号等等●系统软件采用了零点跟踪的算法,较好的剔除了温度湿度等对称量结果的影响, 因而可以适应更加恶劣的外部环境●系统支持大容量的存储设备 (CF/SD卡 , 可保存历史数据的海量信息, 为查询车道历史过往信息提供了可靠数据,有利于历史数据的长期保存●高速检测设备采用欧标卡设计,插拔安全可靠,且同类卡之间可以互换,调试维护简单方便。
超重车辆高速动态称重系统设计方案1目录一工程概述 (4)二超限超载治理手段现状分析 (5)三系统应用介绍 (5)3.1.系统应用对象和环境介绍 (5)3.2.系统在超限超载治理和管理中的作用 (5)四系统设计方案 (6)五项目环境介绍 (8)5.1安装地点选择标准 (8)六系统总体设计方案 (9)6.1系统总体设计原则 (9)6.2系统可实现的功能 (9)6.3系统设计拓扑图 (10)6.4系统数据流程图 (12)6.5可扩展的系统网络图 (13)七称重和抓拍系统介绍 (14)7.1称重系统 (14)7.1.1称重数据采集器的选型特点 (14)7.1.2称重采集器主要技术参数 (15)7.1.3称重采集器自带软件简单介绍 (17)7.1.4称重传感器的选型特点 (24)7.1.5传感器主要技术参数 (27)27.2车辆监控及车牌照自动识别系统 (28)7.2.1抓拍系统构成 (28)7.2.2车牌识别视频监控拓扑图 (30)7.2.3车牌识别技术指标 (30)7.2.4车牌照相机技术指标 (31)7.2.5全景摄像机技术参数 (34)7.2.6车牌抓拍打包工控机主要参数 (37)7.2.7摄像机架技术参数 (38)7.2.8户外机柜及基础图纸 (39)八称重采集器软件功能介绍 (40)8.1超重管理客户端软件主要功能 (40)3一工程概述近年来由超重车辆导致的桥梁安全事故屡有发生,对公路的破坏日益严重,如钱塘江三桥引桥坍塌事故以及哈尔滨阳明滩大桥引桥倾覆事故。
超重车辆除直接导致桥梁垮塌外还加剧了桥面和路面等设施破损,增加了养护维修量,对桥梁和公路等基础设施的安全带来极大的危害。
超限车对大桥安全构成严重威胁,且这些年车超限装载,在行驶工程中,制动性等都会受到影响,对过完小车的行驶安全也不利;超限车装的石子、渣土往往有抛洒滴漏现场,威胁过完车辆行车安全,同时也污染环境。
为全面掌握各路和桥梁的超重车辆通行状况,为行政执法查处提供依据,超重车辆高速动态称重管理系统基于压电电缆传感式动态称重系统和视频监测技术的非现场超限超载执法系统。
公路运输车辆动态称重系统运维工作内容一、背景介绍公路运输车辆动态称重系统是为了保障道路交通安全和保护路面而被广泛使用的一种技术手段。
该系统通过在车辆驶过称重仪器时进行动态称重,可以准确测量车辆的重量并及时发现超载情况。
动态称重系统广泛应用于普通公路、高速公路等交通场所,对于交通管理部门的工作具有重要的意义。
二、运维工作内容1. 系统设备检查在进行动态称重系统的运维工作时,首要任务是对系统设备进行检查。
包括称重仪器、传感器、计算机等硬件设备的检查,以确保各项设备正常运行。
还需要对软件系统进行检查,确保系统能够正常启动、自检,并具备数据采集和存储的功能。
2. 系统故障排除在系统设备检查的过程中,如发现系统设备存在故障,需及时进行排除。
对于硬件设备的故障,需要进行维修或更换;对于软件系统的故障,则需要进行调试和修复。
3. 数据处理与分析动态称重系统需要对采集到的数据进行处理和分析,以便交通管理部门能够及时了解车辆的过载情况。
运维人员需要对系统采集的数据进行汇总、分析和报告,确保数据的准确性和可靠性。
4. 系统维护与保养系统设备的维护和保养是非常重要的工作内容。
定期对设备进行清洁、调校和保养,以确保设备的性能稳定和工作寿命。
5. 系统升级与改造随着技术的不断发展和应用需求的变化,动态称重系统需要不断进行升级和改造。
运维人员需要对系统进行定期的升级维护,以确保系统的功能和性能始终处于最佳状态。
6. 故障预防与应急处理在日常运维工作中,需要加强对系统设备的故障预防工作,定期进行设备巡检和隐患排查。
建立健全的系统故障应急处理机制,确保在系统故障时能够及时有效地处理。
7. 定期巡检与检测定期对动态称重系统设备进行检测和巡检,确保系统的正常运行。
包括对传感器、称重仪器、计算机等设备进行性能测试和校准,以确保系统数据的准确性和可靠性。
8. 运维记录与报告在进行运维工作的过程中,需要对工作情况进行记录和报告。
包括对设备维护、故障处理、数据分析等工作进行记录,定期向相关部门提交工作报告,确保运维工作的全面、规范和有序进行。
××市交通局超限超载检测站机电工程技术方案目录目录 (2)第一章概述 (5)1.1背景介绍 (5)1.2超限运输的严重危害性 (5)1.2.1严重损坏路面 (5)1.2.2严重损坏桥梁 (6)1.2.3危及行车安全 (6)1.3超限运输管理的有效方法 (6)1.4动态称重的定义 (7)1.5国际动态称重技术的发展 (7)1.6目前动态称重技术所存在的问题 (8)1.7动态称重系统的设计任务 (8)1.7.1系统应该具有的特性: (8)1.8设备配置 (9)1.9目前市场上称重设备客观比较: (10)1.10本文所做的工作 ......................................................................................... 错误!未定义书签。
第二章动态称重模型与自动控制系统 .. (12)2.1概念的提出 ................................................................................................... 错误!未定义书签。
2.2建立系统的数学模型 ................................................................................... 错误!未定义书签。
2.3称量模型的推导 ........................................................................................... 错误!未定义书签。
2.4系统参数的确立 ........................................................................................... 错误!未定义书签。
6交通科技与管理智慧交通与信息技术 我国城镇化进程正在积极开展,社会对于交通运输需求日渐增多。
在互联网与电子商务的促使之下,物流运输行业正在如火如荼开展,在一定程度上为公路基础设施带来了一定压力。
公路动态称重系统作为一种信息化动态称重系统,可以动态化的对正在行驶的车辆进行称重,主要的原理便是通过动态测量车辆的轴载,再由称重系统来计算出整个车的重量。
公路动态称重系统在应用的过程中具备高效性,不会影响正常的交通秩序,并且具备时变形、非线性等诸多特点。
相比静态重量测量来说,动态称重系统更加具备复杂性,衡量公路动态称重系统效率的指标便是称重精准性、车辆通过速度以及其性能。
本文将针对公路动态称重系统设计与实现进行详细分析。
1 公路动态称重系统总体设计思路 公路动态称重系统在实际运用当中具备极大优势,可以切实满足我国公路管理的需求。
借助公路动态称重系统不仅可以强化公路管理水平,而且还可以促进我国交通运输领域的信息化发展。
在进行公路动态称重系统设计时,主要有两个总体设计方面,分别是软件设计与硬件设计。
公路动态称重系统主要设计目标便是对传统公路称重系统进行优化,通过总结传统简单的滤波算法,提出一种具备动态保护式的称重系统。
在进行总体设计时,会采用当前运行效率较高的DSP芯片来作为主控CPU,引入运行速度极高的AD转换器,结合公路动态称重系统需求的搭建具备科学性的硬件系统平台,对车辆数据信息采集与处理打下基础。
搭建平均值滤波和中位值滤波结合的算法,将其作为软件设计的主体,以便于增强公路动态称重系统运行效率,满足实时动态化对车辆重量检测管控目标,满足当前社会对交通运输领域的需求。
2 公路动态称重系统构成 针对车辆动态称重系统来说,主要涵盖了称重平台、称重梁、称重杆、传感器、硬件控制单位等内容。
为了有效降低称重台造成的阻力,可以通过杆限制的方式,将称重台的位置在拉杆控制下,水平位置位移不超过2 cm,并且确保拉杆的方向施工保持不变。
汽车衡智能称重系统方案汽车衡智能称重系统是基于现代技术的智能化称重系统,旨在为汽车运输行业提供高效、准确、智能化的重量检测解决方案。
该系统主要由传感器、数据处理单元、通信模块和显示器等组成,能够实时监测车辆的重量情况,并将数据传输到后台管理系统,从而提供实时的监测和管理。
在汽车衡智能称重系统中,传感器起到了关键作用。
传感器通过感知车辆的重量变化,并将这些信息转换成电信号,传输给数据处理单元。
目前比较常用的传感器包括应变式传感器、电容式传感器和压阻式传感器等。
这些传感器具有高灵敏度、高准确性和长寿命等特点,能够准确地检测车辆的重量变化。
数据处理单元是汽车衡智能称重系统的核心部分,它主要负责对传感器传输的信号进行处理和分析。
数据处理单元中包括一台具有高性能的微处理器,它能够快速处理大量的数据,并进行复杂的算法运算。
通过对传感器信号进行滤波、放大和转换等处理,数据处理单元能够实时计算出车辆的重量,并将结果传输给后台管理系统。
通信模块是汽车衡智能称重系统与后台管理系统之间进行数据传输的桥梁。
通信模块可以采用有线或无线方式进行通信,常见的有以太网、RS485、4G和LoRa等通信方式。
通过通信模块,汽车衡智能称重系统可以将实时的重量信息传输给后台管理系统,并接收后台管理系统的指令,实现与后台管理系统的互联互通。
显示器是汽车衡智能称重系统中的输出设备,主要用于显示车辆的重量信息。
显示器通常采用液晶显示屏,能够以数字或图形的形式显示车辆的重量。
通过显示器,驾驶员和运输管理人员可以直观地了解车辆的重量情况,从而做出相应的调整和决策。
除了以上核心组件之外,汽车衡智能称重系统还可以与后台管理系统相结合,实现对车辆重量数据的实时监测和管理。
后台管理系统可以通过云计算和大数据分析技术,对车辆重量数据进行存储、统计和分析,提供丰富的报表和图表,帮助运输管理人员进行车辆运输效率和成本的优化。
在应用方面,汽车衡智能称重系统可以广泛应用于物流、公路运输、工业生产等领域。
智造物联网产业服务商智能动态称重系统解决方案智能造ꞏ 漫途造2设计思路智能称重检测系统对车道上行驶的载货车辆进行重量动态称量实现预检测,无需人为干预,不阻碍交通。
若预检货运车辆违法超载运输,该车辆称重数据、车辆图像及车牌照号码等信息被传输到指挥中心,同时,配置公路LED可变信息标志实时显示违法超限运输车辆车牌照号码及警示信息,配合路侧的交通标志,引导违法超限运输货运车辆进入固定超限检测站内接受精检、卸载和复检和处罚。
技术路线高清车牌识别子系统智能称重检测系统对2主要监测内容技术路线高清车牌识别子系统高清治安卡口抓拍监控系统的前端采用工业级摄像机,对进出卡点的所有车辆车头进行实时高清晰图像抓拍,图像可以准确反映车辆特征信息(车型、颜色、车牌等),同时捕获抓拍驾乘人员的人像、车辆细节信息,结合视频数据与卡口信息数据实时传输到路口管理服务器,进行实时上传到中心车辆违章数据库。
2技术路线不停车称重检测子系统是一组由传感器、辅助设备和含有软件的系统设备,通过精密算法用以测量车辆动态轮胎力和车辆通过时间并计算轮重、轴重、总重(如车速、轴距等)的数据。
可以瞬间“捕捉”到超载超限车辆,启动车牌抓拍,并与超限车辆的称重数据一一对应存储。
不停车称重检测子系统分为两种:一种是由石英式称重传感器组成;另一种是由弯板式传感器组成。
2技术路线全景视频监控子系统通过高清网络球型摄像机对不停车检测点整体环境进行实时监控。
整体环境进行实时监控2技术路线信息发布子系统信息发布子系统使用国内常用的LED可变情报板,该情报板安装在前端高速称重系统后方约200米位置,通过情报板上显示车辆的车牌、轴数、重量等信息来告知超限司机已经超重,并引导车辆进入治超站复检。
2技术路线指示牌交通诱导系统是通过在路边设立指示牌,治超点前用来提示车辆前方有超限超载监测站;治超点后设立,嫌疑车辆会根据指示牌提示行驶进入精检站。
3应用案例●红外线对射用于预防车辆开过界不在地磅上。
公路车载动态称重系统的设计与开发摘要公路车载动态称重系统的设计对于保护公路的正常使用有着重要的经济意义和社会价值。
随着公路运输工业生产和商业贸易的不断发展,产生了对公路车辆进行动态称重越来越严格的要求,动态称重是路政部门加强正常运输、强制超载超限、提高管理工作效率,实现路政系统管理现代化、科学化的一项关键技术。
就公路车载动态称重系统而言,称重的精度是最重要的性能指标,它标志着公路车载动态称重系统的技术水平的高低。
目前公路车载动态称重系统由于对采集的信号只能简单的处理,加上建立的数学模型不适合非线性对象的特殊性,同时缺乏对干扰因素以及各种干扰因素之间的关系做深层次的研究和处理,所以系统的精度难以得到很大的提高。
鉴于影响动态称重的干扰因素很多,而且这些因素之间不存在确切的函数关系,用传统的数学模型方法很难分析清楚这些干扰因素之间的关系,所以本文从理论基础方面入手,从提高称重精度的思想出发,介绍了应用于车载动态称重系统的各种智能算法模型,比较分析发现对于非线性对象没有解决误差精度问题,最终提出善于非线性建模的BP 神经网络技术,包括网络的基本思想、计算过程、执行步骤、存在的问题,以及针对动态称重对象的非线性特征以及称重过程中存在的精度不准确问题采取了 BP 算法的改进方法,进一步满足了现场环境的称重要求。
通过分析公路车载动态称重对象,建立了 BP 神经网络动态称重系统模型,根据现场采集的动态称重数据进行了网络模型的分析与数据训练,训练结果表明精度完全符合现场要求和国家标准。
对于系统硬件方面,系统采用单片机进行数据采集与传送,对单片机的选择进行了介绍;用于数据处理的动态称重软件系统除了实现重量数据的处理、显示和查询等基本功能以外,它还实现了将采集的数据保存于数据库中并能以报表的形式打印出来的功能,以便于统计和查阅。
本文中主要用到的单片机开发工具是 C 语言,工控机里的数据处理系统软件采用 Visual C++ 6.0 编程语言,主要利用 RS-232 串行接口来提供串口通信,使用 BP 神经网络对称重采集的数据建模仿真的环境是 MA TLABR2007。
高速公路动态计重系统的设计高速公路动态计重系统的设计摘要:高速公路是现代交通运输的重要组成部分,车辆超载问题严重影响行车安全。
为了准确监测和控制车辆超载情况,高速公路动态计重系统应运而生。
本文将从系统组成、工作原理和设计流程等方面,探讨高速公路动态计重系统的设计。
一、系统组成高速公路动态计重系统主要由称重装置、数据采集系统、信号处理系统和显示系统组成。
1. 称重装置:称重装置为系统的核心组成部分,主要由传感器和测力装置组成。
传感器负责实时监测车辆负荷情况,测力装置负责测量传感器输出的压力值。
2. 数据采集系统:数据采集系统负责将称重装置输出的数据进行采集和整合,并将数据传输给信号处理系统。
数据采集系统需要具备较高的采样率和精确度,以便精确监测和计算车辆的重量。
3. 信号处理系统:信号处理系统负责将数据采集系统传输的数据进行处理,从而计算出实际车辆的负荷情况。
信号处理系统需要具备高效的算法和数据处理能力,以确保计算结果的准确性。
4. 显示系统:显示系统用于将计算结果展示给驾驶员和相关管理部门。
通常情况下,显示系统会通过LED显示屏将车辆的重量和超载情况显示出来,以便驾驶员和交通管理部门及时采取措施。
二、工作原理高速公路动态计重系统的工作原理是通过称重装置监测车辆的负荷情况,并将数据传输给信号处理系统,最终显示在显示系统上。
1. 车辆通过称重装置时,传感器会检测到车辆的压力,并将压力值传输给测力装置。
2. 测力装置对传感器输出的压力进行测量,并将测量结果传输给数据采集系统。
3. 数据采集系统将测量结果进行采集和整合,并将数据传输给信号处理系统。
4. 信号处理系统根据接收到的数据进行处理,计算出车辆的实际重量,并将计算结果传输给显示系统。
5. 显示系统将车辆的重量和超载情况通过LED显示屏展示出来。
三、设计流程高速公路动态计重系统的设计流程主要包括需求分析、系统架构设计、硬件设计、软件设计和测试验证。
浅谈高速公路计重收费中的动态称重系统摘要:本文就高速公路动态称重系统构成及工作原理、安装和调试,以及在收费中应用产生的计重误差原因进行介绍,探讨解决方案和管理措施。
关键词:高速公路;计重收费;误差;对策一、动态称重系统安装和调试1 动态称重系统的选址与安装一般高速公路实行的收费模式是“入口领卡,出口缴费”,河南省高速公路的出口车道均安装了动态称重系统。
安装要求如下:1.1收费岛岛头应满足距收费亭中心线27米要求,安装位置应平坦,收费车道要避免出现大的坡度。
称重系统的理想称重状态是车辆水平地、匀慢速地从称重平台上通过,因此,保持收费车道的平整度十分必要,若有坡度就会使车辆产生势能,并最终转化为车辆对称重系统的冲量,影响精确度,故应做降坡处理,使纵横坡度均不大于2%。
路面应平整无坑槽、无凸起,同时为防止车辆故意刹车、加减速、高速通过等情况发生,可在广场适当位置安装减速板。
1.2 称重系统自身安装应水平、垂直,特别是称重平台的安装一定要水平、垂直。
事实上,影响称重系统精确性的因素很多,但称重平台的安装如果不当,其对精确性的影响将是直接的、长期的和难以克服的。
因此安装时,一定要保持称重平台面板与车道路面在同一水平面上,避免车轮碾压时产生冲量,同时要保持整个秤体安装垂直,减少秤体内部构建间的摩擦系数,提高称重的灵敏度。
1.3 在土建规划中要注意排水沟位置的预留和衔接,避免重复开挖和排水不畅的现象。
由于称重检测系统包含较多的电子感应器,为避免雨雪天气造成坑基积水,影响系统正常运行,因此对排水能力要求较高,为避免排水不畅的现象,应统一考虑排水系统的设计,加强排水措施。
1.4 安装中还要注意站区的外部形象,尽量将各车道称重系统的各个部件安装在同一水平线上。
具体安装称重系统时,要严格按照厂家提供的基坑尺寸施工,将厂家提供的秤体预埋件浇注结实,留足凝固期,再放置秤芯,测试联调无误后即可投入运行。
2、动态称重系统的计量检定要求动态称重系统在高速公路应用中,其计量的准确性是非常关键的,直接影响了通行费收取额和通行效率,也是应用的难点。
车辆动态计重收费系统解决方案
背景介绍
近年来,大量的超限运输车辆在高速公路上行驶,致使公路损坏严重,极大
地缩短了使用寿命,同时也危及人民群众的生命财产安全。
在实际管理工作中
难以用肉眼来判断运动中车辆载货量的大小,以动态车衡的运用相结合的本系
统可以有效的解决公路动态记重收费的问题,减少人工干预,提高经济效益。
针对目前国内交通部门公路收费将趋向按重量收费的方式,动态汽车衡在公
路管理及收费管理中的应用势在必行,为解决普通IC 卡或近距离感应卡在进
行公路车辆稽查时的会产生稽查站交通瓶颈现象,影响交通流量。
我公司的远
距离自动车辆车号识别卡系统与动态汽车衡结合使用将根本解决这个问题。
系统功能、特点
1. 通过该系统,可以很方便的实现公路货运车辆按实际重量进行公路收费的目的
2. 通过该系统,可以很方便的实现超重车辆限制通行,达到保护公路的目的。
3. 由于本系统运用射频技术在识别卡与读卡系统之间有效距离为5-8 米,可实现不停车式稽查的功能,防治产生稽查站交通瓶颈现象,影响交通流量。
4. 标签卡为无源(无电池)有效使用时间为10 年以上,工作温度为- 40°C~85°C。
5. 本设备可在高粉尘、油污、雨雪等恶劣环境下工作。
6. 卡内具有全球唯一的ID 号防止作弊行为,即使在称重过程后出现恶意换卡的行为,卡号与中
心系统记录的车辆信息不符,可以轻易查处。
系统设备组成。