铁型覆砂铸造灰铸铁制动鼓的生产控制
- 格式:pdf
- 大小:525.02 KB
- 文档页数:3
用铁模覆砂工艺生产HT250制动鼓中国铸造学会质量控制及检测技术委员会杨群收铁模型覆砂铸造,就是在金属模型与粗成型金属铸型(常称作:砂箱)内壁之间,覆上一层4~8㎜厚的覆膜砂,通常金属模型的加热温度为240~250℃,外面的金属砂箱的加热温度约为200℃,覆膜砂在这样一个温度场下固化,覆盖在金属砂箱内表面的覆膜砂成为硬壳的铸型,铁液注入覆有覆膜砂的金属砂箱之中,凝固后成为铸件的铸造工艺方法。
此工艺是基于金属型铸造和砂型铸造相结合基础上发展起来的,兼有二者的优点:铁砂箱加快了铁液的凝固冷却,使铸件石墨细小、结晶组织致密、基体中珠光体体积分数增加;铸件尺寸精度高、加工余量小;铸件表面光洁度好;造型材料需要量少;废品率相对较低以及铸件清理工作量小。
由于铸型强度高,几乎不存在铸型壁(向外)移动现象,所以石墨膨胀作用于铸型的推力,几乎不产生效应。
因此使铸件得到良好的自补缩,有利于减少或消除铸件产生缩孔、缩松等缺陷。
与砂型铸造相比,采用铁模(型)覆砂铸造工艺生产出的铸件,组织更致密、综合物理性能得到改善,实现铸件小冒口或无冒口铸造。
该工艺的缺点是:前期资金投入较多;适用于少品种、大批量铸件的生产。
作者简介:杨群收(1950—),长期从事灰铁、球铁等多种汽车配件;油田钻井用高铬双金属缸套及高铬锤头等耐磨材料的技术工作。
现为中国铸造学会质量控制及检测技术委员会委员、河南铸锻协会专家组成员制动鼓铁模覆砂造型工艺示意图:1射砂孔2下砂箱3下砂箱覆砂层4铸件5上砂箱覆砂层6上砂箱7浇注系统8射砂孔9浇冒口10冒口覆砂层11冒口坐套一.铁模覆砂工艺设计中及操作中的注意事项⑴.覆砂的厚度:覆砂的厚度对铸件质量和生产成本都很重要。
覆砂的厚度过厚,不但影响其激冷效果,也加大了生产成本,另外由于发气量大,铸件易出现气孔缺陷,且不易均匀热固化。
覆砂的厚度过薄,激烈过重,铸件的硬度高,不便精加工。
一般情况下,精加工面覆砂较厚,非加工面覆砂较薄;珠光体基体材质的铸件覆砂较薄,铁素体基体的铸件覆砂较厚;热节点覆砂较薄(可少至3~4㎜),非热节点覆砂较厚;距射砂口近处覆砂要厚,远离射砂孔处覆砂适当薄;铸件大而且形状复杂时,覆砂要厚,否则影响砂的流速,途中固化,致使铸型下部充砂不实。
曲轴铁模覆砂铸造及其生产过程控制作者:山东滨州海得曲轴有限责任公司尹士文曲轴是发动机的关键零部件之一,其性能好坏直接影响发动机的使用性能和寿命。
曲轴工作时承受着交变大负荷的弯矩、扭矩和冲击,常见的失效形式为弯曲疲劳断裂及轴颈磨损,因此要求曲轴材质具有较高的刚性和疲劳强度以及良好的耐磨损性能。
特别是最近几年涡轮增压发动机应用的增多,对曲轴内在质量和毛坯精度及毛坯面的粗糙度提出了越来越高的要求。
图1 铁型铁型覆砂铸造是在随型的铁型内腔(见图1)均匀覆上一层5~8mm热固化型砂而形成铸型的一种铸造工艺(见图2)。
由于铁模覆砂铸型刚度好且覆砂层比较薄,铸件冷却速度快,砂子粒度细(一般为200目),因此可显著提高铸件的尺寸精度、致密性、表面质量、晶粒的细化程度和球化率,同时可实现无冒口铸造。
图2 铁型覆砂铁模覆砂线的生产过程铁模覆砂线的生产工艺流程如图3所示。
现在铁模覆砂线的工艺布置有多种形式,以开式线形式布置居多。
因为它可以满足曲轴多品种生产冷却时间不同的要求,同时可方便地实现生产过程中铁型移动和铁型推进的机械化和自动化控制。
1.覆砂造型覆砂造型过程是铁模覆砂铸造的关键工序,它直接影响到生产的全过程和曲轴成品率的高低。
最初的铁模覆砂都是借用热芯盒射芯机,机械化程度低。
现在国内已有不少的铸造机械厂家生产专用的铁模覆砂设备,有的已可实现从合模到射完砂铁型移出的全过程PLC触摸屏全自动控制。
(1)铁型温度正常生产过程中铁型温度一般控制在230℃左右。
过低时覆膜砂不能完全固化,壳型强度低且发气量大;过高时型壳烧酥或是覆膜砂在流动的过程中就已固化,破坏型壳强度易造成曲轴粘砂和夹砂。
铁型第一次使用的加热一般有两种方法;一是把成批的铁型放入芯子窑中加热,然后逐一进行造型;二是逐一把凉铁型合模后通过模样和模板对铁型进行加热(模板上装有电热管)进行造型,这种方法新铁型第一次生产时速度比较慢。
正常生产过程可利用铁型的余热进行覆砂,不需要单独加热。
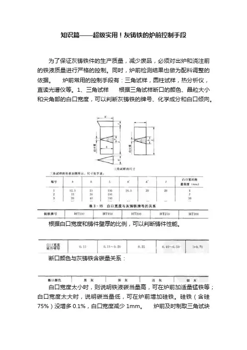
知识篇——超级实用!灰铸铁的炉前控制手段为了保证灰铸铁件的生产质量,减少废品,必须对出炉和浇注前的铁液质量进行严格的控制。
同时,炉前检测结果也做为配料调整的依据。
炉前常用的控制手段有:三角试样,圆柱试样,热分析仪,直读光谱仪等。
1、三角试样根据三角试样断口的颜色、晶粒大小和尖角部的白口宽度,可以判断灰铸铁的牌号、化学成分和白口倾向。
根据白口宽度和铸件壁厚的比例,可以判断铸件性能。
断口颜色与灰铸铁含碳量关系:白口宽度太小时,则说明铁液碳当量高,可在炉前加适量锰铁等;白口宽度太大时,说明碳当量低,可在炉前增加硅铁。
硅铁(含硅75%)没增多0.1%,白口宽度减少1mm。
炉前及时制取三角试块不可草率,不可从铁液表面取样,在炉前进行孕育处理或球化及孕育处理的前后,需要立即制取三角试块做炉前检验,以判断处理是否成功,或原铁液是否已符合要求。
处理后的铁液表面往往有氧化渣,需在扒渣后取样。
其次,由于孕育剂的密度往往比铁液轻。
孕育处理刚结束时,在靠近铁液表面的一层铁液中往往有较多的尚未溶解完的孕育剂碎末。
因此,不应该直接取这一层铁液做样品,否则就会失支对这一包铁液的代表性。
通常操作方法是:用烘烤过的小样勺,使舀样勺侧立着从铁液的无渣表面下入铁液中,并从100-200mm的深处舀取铁液,立即浇1-2片三角试块。
除此以外,还应在该包铁液浇最后一个铸件时,接取包中少量铁液,再浇1-2片三角试块。
三角试块凝固后不可过早地浸入水中,等待三角试块的凝固冷却是很消耗时间的。
经处理后的铁液决不可能等候三角试块自然冷却至可观察断面的温度;因为等待那么长的时间,这一包铁液已经报废了。
因此通常都需要用水激冷,以争取时间。
但是必须注意,用水激冷不可改变铸铁的金属基体、不可影响到铸态组织观察。
因此,要按下述规程进行操作:当三角试块凝固后降温至橙红色(800~900℃)时,用夹钳取出并清除其表面上的粘砂。
这样做的目的是节省时间,使三角试块快些冷却。
制动鼓在汽车制动系统中扮演着至关重要的角色,它能够通过制动摩擦产生的热量将车辆减速至停止。
而一种球铁外壳双金属铸造的制动鼓则是一种新型制动鼓,它采用了特殊的制造方法,具有更高的耐磨性和耐腐蚀性,使得汽车制动更加安全和可靠。
让我们来了解一下这种特殊制动鼓的制造方法。
这种双金属铸造的制动鼓是以球铁外壳为基础材料,通过特殊工艺和技术,在其内部铸造一层金属合金,在高温下使两种金属发生结合,形成金属互扣,从而实现了球铁外壳和金属合金的完美结合。
这种制造方法保证了制动鼓具有良好的耐磨性和耐腐蚀性,保证了制动系统的长期稳定性和安全性。
我们来探讨一下这种双金属铸造的制动鼓对汽车性能的影响。
传统的制动鼓往往会因为长期受到高温和高压的影响而产生变形、开裂甚至失效的情况,而这种新型制动鼓的问世,有效地解决了这一问题。
其高耐磨性和耐腐蚀性使得制动鼓能够在长时间高强度工作下依然保持稳定的性能,确保了制动系统的可靠性和持久性。
这对于汽车的安全性能和使用寿命都具有重要的意义。
接下来,让我们来总结一下这种双金属铸造的制动鼓所带来的优势。
它具有更高的耐磨性和耐腐蚀性,能够保证制动系统长期稳定可靠地工作。
采用了特殊的制造方法,使得球铁外壳和金属合金完美结合,提高了制动鼓的整体强度和稳定性。
这种制动鼓的问世填补了传统制动鼓在高强度工作环境下的不足,为汽车制动系统的发展带来了新的可能性。
在我看来,这种新型制动鼓的问世将对汽车行业产生深远的影响。
它不仅提高了汽车的安全性能和可靠性,也为汽车制动系统的进一步创新奠定了基础。
随着汽车科技的不断发展,相信这种双金属铸造的制动鼓将会在未来得到更广泛的应用,成为汽车制动技术的一项重要突破。
一种球铁外壳双金属铸造的制动鼓通过特殊的制造方法和材料选择,实现了制动鼓的全面升级,为汽车制动系统的安全性和可靠性带来了全新的可能性。
它的问世将会对汽车行业产生深远的影响,并推动汽车制动技术的发展和创新。
希望未来能够看到更多类似的新型汽车零部件问世,为汽车安全和可靠性保驾护航。
汽车制动鼓的制造工艺流程
汽车制动鼓的制造工艺流程一般包括以下几个步骤:
1. 原料准备:选用适当的材料,如铸铁或铸钢,进行熔化和准备。
2. 模具制造:根据制动鼓的图纸要求,制作出相应的模具,用于浇注熔融金属。
3. 铸造:将熔化的金属倒入模具中,待其冷却后,取出铸件。
4. 除砂:将铸件取出后,进行除砂处理,去除表面的砂粒和不规则的部分。
5. 精修:对铸件进行机械加工,如切除多余的材料,修整表面平整度等。
6. 焊接:若制动鼓由多个部分组成,需要进行焊接工艺,将各部分焊接在一起。
7. 动平衡:进行动平衡测试,确保制动鼓在高速旋转时不会产生过大的振动。
8. 热处理:对制动鼓进行热处理,以提高其硬度和耐磨性。
9. 修磨:对制动鼓进行修磨处理,使其表面平整度达到要求。
10. 表面处理:可进行表面喷涂或镀铬等处理,以提高外观和防腐性能。
11. 质检:对制动鼓的各项指标进行检测,如尺寸、材质、硬度等。
12. 组装:将制动鼓安装到汽车制动系统中,与其他零部件连接。
13. 最终检验:对组装后的制动鼓进行最终的检验,确保其正常运行。
14. 包装和出厂:对合格的制动鼓进行包装,并出厂销售。
工艺与装备127汽车制动鼓的铸造工艺分析与生产邱文(山西机电职业技术学院,长治046000)摘要:主要分析汽车制动鼓的各种铸造工艺形式的优点与缺点,并对制动鼓的铸造工艺进行设计。
介绍了 直浇道直接通过铸件内腔的底注式粘土砂型铸造法。
设计生产结果证明,这种铸造工艺方法充型过程比较稳定,能够有效避免铸件出现冲砂和气孔等现象;通过此工艺方法生产的制动鼓出品率高达80%以上。
关键词:汽车制动鼓铸造工艺设计生产随着社会的发展和经济的进步,近年来我国也步入了 汽车制造和生产的大国行列。
由于制动鼓是汽车制造过程 中制动系统不可或缺的主要零部件,且其具有易损性,属 于汽车的保安件,导致制动鼓的市场需求量相当大。
制作 制动鼓的原材料通常采用灰铸铁。
前些年,通常使用最低 抗拉强度为H T200的灰铸铁为原材料,也有使用H T300的情况和蠕墨铸铁与球墨铸铁。
在一些专业材料类刊物资料 上,出现了一种使用铁型覆砂工艺的方法。
和普通的粘土 砂型相比较,制作出来的制动鼓前者质量更好,能够使制 动鼓的缩孔与砂眼现象得到显著改善。
然而,普通粘土型 生产工艺具备生产效率高、投入成本低和适应性较强等多 种优势。
所以,现今铸造制动鼓的主要生产工艺还是以普 通粘土砂机器塑性为主。
一般情况下,生产制动鼓的方法 多运用外援浇筑法进行铸造,很容易出现紊流,导致构建 的不同位置温差较大,进而导致铸件出现缩孔和气孔、材 料的性能不够均匀等缺陷。
本文对某厂家所生产的汽车制 动鼓的工艺性能进行分析,并设计了直浇道直接通过铸件 内腔的底注式粘土砂型铸造法,适用于该厂家汽车的制动 鼓批量生产。
1制动鼓产品简介该铸件的轮廓尺寸为①450m m X292_,重量为48k g,铸件壁厚为14. 6m m,选用的原材料为H T250。
铸件的法兰 安装面上有10个①22.6m m的不铸出螺栓安装孔,铸件内 腔直径为①410m m。
法兰安装一侧与螺栓孔处要求无缩孔、气孔和渣眼等现象。
壳型铸造生产制动鼓缺陷分析与防止壳型铸造是一种常见的铸造工艺,用于生产制动鼓等零件。
然而,在生产过程中,会出现一些缺陷,影响零件的质量和性能。
因此,对壳型铸造生产制动鼓的缺陷进行分析并制定防止措施,具有重要的意义。
首先,我们来分析壳型铸造生产制动鼓可能出现的缺陷。
常见的缺陷有斑点、黑点、气孔、砂眼、夹渣、砂洞、夹粘砂等。
斑点是指铸件表面或断面上出现的具有或近似圆形的凹陷,通常由于铁水中夹杂物或砂粒等引起。
防止的措施是提高砂型砂质量,减少夹杂物的镶嵌。
黑点是指铸件表面或断面上呈现黑色或近黑色的斑点,通常由于铁水在凝固过程中产生剧烈的冷却收缩引起。
防止的措施是合理设置冷铁和垫铁,控制铁水在凝固过程中的冷却速率。
气孔是指铸件内或表面存在的凹陷,通常由于铁水中的气体被包裹在铸件中形成。
防止的措施是提高铁水的浇注温度,增加浇注系统的压力。
砂眼是指铸件表面或断面上出现的凹陷,通常由于砂型砂的流动性不佳或缩水率过大引起。
防止的措施是优化砂型砂的配方,控制砂型砂的流动性和缩水率。
夹渣是指铸件内或表面存在的砂夹杂物,通常由于砂型砂或覆盖剂中的杂质引起。
防止的措施是提高砂型砂和覆盖剂的质量,预防杂质的混入。
砂洞是指铸件内或表面存在的凹陷,通常由于砂型砂的流动性较差,无法填充完整。
防止的措施是增加砂型砂的流动性,合理设计浇注系统。
夹粘砂是指铸件表面或断面附着有砂粒或砂块等砂型砂成分,通常由于砂型砂的分散性差引起。
防止的措施是提高砂型砂的分散性,减少砂型砂中含水率。
针对上述缺陷,我们可以采取以下几种措施来进行防止。
首先,优化砂型砂的配方。
合理选择砂型砂的种类、粒度和掺配比例,提高砂型砂的流动性和耐温性。
其次,提高砂型制备的工艺水平。
加强砂型制备过程的控制,严格执行制备方法和参数,确保砂型质量符合要求。
再次,提高铁水的质量。
加强铁水的净化处理,减少夹杂物和气体的含量,提高铁水的润湿性和浇注温度。
此外,还可以增加冷铁和垫铁的设置,控制铁水在凝固过程中的冷却速率,避免黑点的产生。