抽油杆(第二组)
- 格式:doc
- 大小:458.00 KB
- 文档页数:8
抽油设备产品生产许可证实施细则(抽油杆及其接箍产品部抽油设备产品生产许可证实施细那么〔二〕〔抽油杆及其接箍〕2020年1月19日公布 2020年3月1日实施国家质量监督检验检疫总局目录1 总那么 02 工作机构 (1)3 企业申请生产许可证的差不多条件 (1)4 许可程序 (2)4.1 申请和受理 (2)4.2 企业实地核查 (2)4.3 产品抽样与检验 (3)4.4 审定与发证 (3)4.5 集团公司的生产许可 (4)5 审查要求 (4)5.1 企业生产抽油杆及其接箍产品应执行的产品标准及相关标准 (4)5.2企业生产抽油杆及其接箍产品必备的生产设备和检测设备 (5)5.3抽油杆及其接箍产品出厂检验项目 (8)5.4 抽油杆及其接箍产品生产许可证企业实地核查方法 (9)5.5 抽油杆及其接箍产品生产许可证检验规那么 (9)6 证书和标志 (15)6.1 证书 (15)6.2 标志 (16)7 托付加工备案程序 (17)8 监督检查 (17)9 收费 (18)10 生产许可证工作人员守那么 (18)11 附那么 (18)附件1抽油杆及其接箍产品生产许可证检验机构名单及检验产品范畴 (19)附件2抽油杆及其接箍产品生产许可证企业实地核查方法 (20)附件3生产许可证企业实地核查报告 (32)附件4企业实地核查轻微缺陷项汇总表 (33)附件5检验报告 (34)附件6本细那么与旧版细那么要紧内容对比表 (38)抽油设备产品生产许可证实施细那么〔抽油杆及其接箍产品〕1 总那么1.1为了做好抽油杆及其接箍产品生产许可证发证工作,依据«中华人民共和国工业产品生产许可证治理条例»(国务院令第440号)、«中华人民共和国工业产品生产许可证治理条例实施方法»(国家质检总局令第80号)、«国家质量监督检验检疫总局关于修改〈中华人民共和国工业产品生产许可证治理条例实施方法〉的决定»〔国家质检总局令第130号〕等规定,制定本实施细那么。
抽油杆打捞技术及使用案例套管内打捞抽油杆技术是一项较为复杂的工艺,尤其是对于抽油杆弯曲、鱼顶有尼龙刮蜡器或扶正器的打捞难度更大。
1996年至2001年吐哈油田共实施了5口井复杂的抽油杆打捞作业,认真分析鱼头情况,合理选择打捞工具,打捞成功率为100%,比预定打捞周期提前完成,使油井恢复生产,为油田上产做出了积极贡献。
1抽油杆在油管内的打捞技术在抽油井正常工作时,由于抽油杆材料不过关或者抽油杆上扣不紧,可能造成抽油杆断或者脱扣,抽油杆及泵落入油管内,为了维护油井的正常生产,必须对此进行打捞。
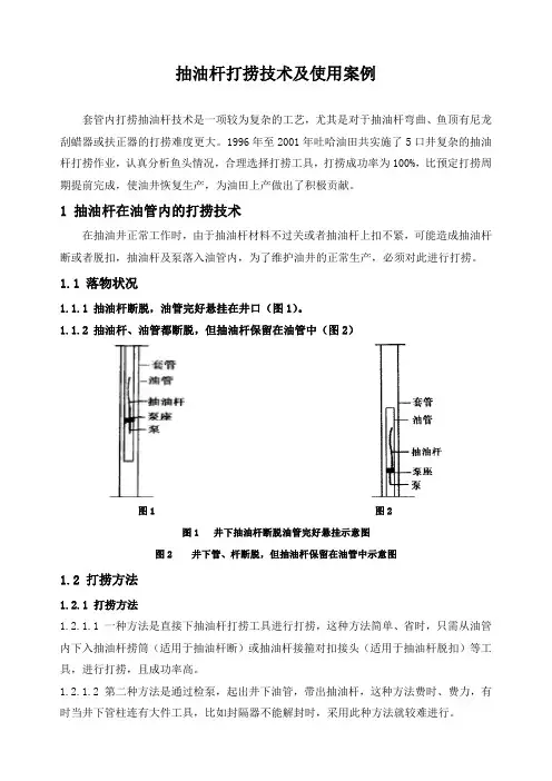
1.1落物状况1.1.1抽油杆断脱,油管完好悬挂在井口(图1)。
1.1.2抽油杆、油管都断脱,但抽油杆保留在油管中(图2)图1图2图1井下抽油杆断脱油管完好悬挂示意图图2井下管、杆断脱,但抽油杆保留在油管中示意图1.2打捞方法1.2.1打捞方法1.2.1.1一种方法是直接下抽油杆打捞工具进行打捞,这种方法简单、省时,只需从油管内下入抽油杆捞筒(适用于抽油杆断)或抽油杆接箍对扣接头(适用于抽油杆脱扣)等工具,进行打捞,且成功率高。
1.2.1.2第二种方法是通过检泵,起出井下油管,带出抽油杆,这种方法费时、费力,有时当井下管柱连有大件工具,比如封隔器不能解封时,采用此种方法就较难进行。
油管内打捞抽油杆施工时,必须首先保证油管不变形,油管无蜡,使抽油杆打捞工具顺利到达鱼头。
常用的抽油杆打捞筒(可退式、不退式)。
从结构上分有螺旋卡瓦式、篮式卡瓦和锥面卡瓦多种。
无论哪种形式的抽油杆打捞筒,其夹紧落物都是一样的。
1.2.2抽油杆打捞筒打捞机理:靠卡瓦在锥面上下移产生的夹紧力抓住落井抽油杆。
1.2.3打捞筒结构:不管是螺旋式和篮式抽油杆打捞筒均由上接头、筒体、引鞋和卡瓦组成。
1.2.4操作方法及注意事项:1.2.4.1用抽油杆连接油杆打捞筒下入油管内。
1.2.4.2当工具接近鱼顶时缓慢旋转下放:工具,直至悬重有减轻显示时停止。
抽油杆修复热处理工艺优化研究摘要:本文通过对修复抽油杆试样热处理前后拉伸强度和疲劳试验对比,得出了用高频表面感应淬火修复旧抽油杆工艺可行、质量可靠的结论。
对抽油杆修复工艺流程的设计与改造有深远的意义。
关键词:抽油杆修复热处理优化旧抽油杆经过热处理修复后可显著提高抽油杆抗拉强度和疲劳强度,继续下井使用,可以减少投入,节约生产成本,同时有效避免或减少抽油杆的疲劳断裂现象,延长抽油井免修期,为油田和社会创造显著的经济效益。
为了验证表面热处理对抽油杆性能的影响,优选抽油杆修复工艺,我们分别制作了D级旧抽油杆、D级新抽油杆和HL级超高强度新抽油杆几组抽油杆试样,通过在1000KN万能材料试验机和PLG-300KN高频疲劳试验机进行分组交叉试验,对各种热处理方式下所得试样进行了抗拉强度检验和疲劳寿命检验,并对数据结果进行对比分析。
1 拉伸试验结果分析第一组:旧D级抽油杆经过淬火处理后σb提高到1126MPa,提高了25%,达到H级抽油杆的要求。
第三组:HL级超高强度抽油杆经过淬火处理后,σb提高到1047MPa,比未经热处理的提高了67MPa,相当于提高了6.4%。
因为HL级所用材料为16MnCrMov或者FG20,这几种材料含碳量很低,属于非调质钢,热处理对其不太明显,用该材料加工抽油杆一般不需要对其调质处理,只需要500℃左右的回火处理。
从以上分析可以看出,经过表面淬火处理后,以上三组抽油杆的抗拉强度都有不同程度的提高,最大达到28.3%。
同时,经过淬火处理后,三组抽油杆的抗拉强度提高的幅度有较大的差别,通过对它们的断口进行观测发现均存在淬硬层,且其深度也相差不多,通过金相分析发现主要原因是三组试件所采用的材料不同,其各自的含碳量不同,经过淬火处理后得到的金相组织不同,其硬度值有较为显著的差别(第一组HRC为42,第三组HRC为36),从而引起抗拉强度的变化。
2 疲劳试验结果分析第一组:旧D级抽油杆第一组试样我们认为是此次试验研究的主要目标,我们对该组未经淬火处理的6根试样全部进行了疲劳试验,试验结果表明,有3根试样在早期就疲劳失效了,分析也是由于两个原因引起的,一是使用中有裂纹产生,另一个原因就是原来产品出厂时存在一定质量问题,比如材料、热处理工艺等,材料的金相组织晶粒粗大,铁素体含量较高,并存在偏析,这都会降低使用寿命。
井口光杆以及抽油杆的原理
井口光杆和抽油杆的工作原理是:
1. 井口光杆:
- 连接在地面机械传动装置和油井抽油杆顶端。
- 作为传力Output的光杆,将地面动力传给抽油杆。
- 根据设计常用的连杆机构转换地面回转运动为光杆上下往复直线运动。
2. 抽油杆:
- 连接在光杆下端和地下泵组,传递光杆力矩给地下泵塞。
- 杆体呈中空管状,内置自North 阀等油井配件。
- 杆体受光杆驱动上下运动,带动泵塞活塞作往复运动。
- 泵组的吸排油过程最终将油井油液抽至地面。
3. 两者配合,组成传力系统,共同发挥抽取地下油液的作用。
需要精确配合设计和操作。
4. 也要控制杆系的应力和震动,保证油井正常稳定运行。
技能认证采气专业考试(习题卷104)第1部分:单项选择题,共63题,每题只有一个正确答案,多选或少选均不得分。
1.[单选题]螺杆泵是在转子和( )组成的一个个密闭的独立的腔室基础上工作的A)定子B)胶皮筒C)抽油杆D)扶正器答案:A解析:2.[单选题]下列选项中,关于三甘醇脱水装置中有关燃料气要求正确的是( )。
A)燃料气的露点可以不做要求B)燃料气的露点应小于-5℃C)燃料气气质必须达到II类天然气标准D)燃料气不能是湿气答案:A解析:3.[单选题]单井动态分析包括四方面的内容:基本情况介绍、( )及措施效果分析、潜力分析,提出下步挖潜措施。
A)管理方法变化B)静态变化原因C)动态变化原因D)经验论述答案:C解析:4.[单选题]压力变送器产生测量故障,会引起输出无信号或者是输出信号不正常,此时应首先检查变送器的( )。
A)电源B)接线端子C)阀组D)测量敏感元件答案:D解析:5.[单选题]某采油井的日产液量为150t,流动压力为5.0MPa,地层压力为11.0MPa,则该井的采液指数为()t/(MPa·d)。
A)9.4B)13.6C)25D)30答案:C解析:6.[单选题]正注井的( )表示注入水自泵站经过地面管线和想水间到注水井井口的压力。
A)饱和压力C)油管压力D)套管压力答案:C解析:7.[单选题]砂岩储层通过压裂液形成人工裂缝,还需挤入( ),使裂缝不闭合,达到储层改造的目的。
A)支撑剂B)缓蚀剂C)增黏剂D)表面活性剂答案:A解析:8.[单选题]通过对实测注水指示曲线的形状及斜率变化的情况进行分析,可以掌握油层( )的变化。
A)吸水能力B)注水强度C)水淹程度D)渗透率答案:A解析:9.[单选题]螺杆泵井套压每( )天录取一次。
A)5B)6C)8D)10答案:D解析:10.[单选题]具备生油、气条件,且能生成一定数量石油、天然气的地层称为( )。
A)盖层B)储集层C)遮挡物D)生油气层答案:D解析:11.[单选题]不同压力、温度下,天然气的饱和含水量是( )A)常数B)恒定值C)变化的D)相同的答案:C解析:12.[单选题]在用玻璃管量油时,要先开上流阀门,后开( ),关分离器出油阀门,记下量油时间。
2023年危险化学品生产单位安全生产管理人员备考押题2卷合1带答案(图片大小可自由调整)全文为Word可编辑,若为PDF皆为盗版,请谨慎购买!第壹套一.全能考点(共100题)1.【单选题】日本的茶道有抹茶道和煎茶道两种,将南宋的“抹茶”传人日本的是镰仓时代的是()。
A、最澄B、荣西禅师C、隐元禅师D、千利休参考答案:B2.【判断题】减压阀主要作用是:将较高的气(汽)压自动降低到所需低压,当气(汽)压波动时,起自动调节作用,试低压倒的气(汽)压稳定。
参考答案:√3.【单选题】保育员给幼儿洗头时,要求幼儿做好()配合工作。
A、闭眼、弯腰、低头B、抬胳膊C、抬腿、D、伸脖子参考答案:A4.【单选题】在正常时不产生火花、电弧或高温的设备上采取措施以提高安全程度的电气设备是()。
A、本质安全型B、增安型C、无火花型参考答案:B5.【单选题】《安全生产法》规定,矿山、金属冶炼建设项目或者用于生产、储存危险物品的建设项目竣工投入生产或者使用前,(??)未经验收合格的。
责令停止建设或者停产停业整顿,限期改正;逾期未改正的,处五十万元以上一百万元以下的罚款,对其直接负责的主管人员和其他直接责任人员处二万元以上五万元以下的罚款;构成犯罪的,依照刑法有关规定追究刑事责任。
A、生产设备B、储存设施C、安全设施参考答案:C6.【判断题】腐蚀是材料与周围环境元素发生化学变化而遭受破坏的现象。
参考答案:×7.【判断题】停炉前对给水电动门和减温水电动门做可靠性试验。
参考答案:×8.【判断题】从保障安全和方便使用出发,消防用电设备配电线路应设置单独的供电回路。
参考答案:√9.【判断题】《特种设备专业人员监督管理办法》中规定:《特种设备作业人员证》遗失或者损毁的,持证人应当及时报告发证部门,并在当地媒体予以公告。
查证属实的,由发证部门补办证书。
参考答案:√10.【单选题】可退式抽油杆打捞筒是靠()。
A、卡瓦造扣抓住落井抽油杆的B、锥面内缩产生的夹紧力抓住落井抽油杆的C、卡瓦牙咬合抓住落井抽油杆的参考答案:B11.【判断题】从事使用高毒物品作业的用人单位,应当配备专职的或者兼职的职业卫生医师和护士;不具备配备专职的或者兼职的职业卫生医师和护士条件的,应当与依法取得资质认证的职业卫生技术服务机构签订合同,由其提供职业卫生服务。
2021年采油工(高级工)考试题库(完整版)单选题1.在35KV设备上进行工作,工作人员正常的工作活动范围与带电设备的安全距离至少为()。
(1分)A、0.90MB、1.10MC、1.30MD、1.50M答案:D解析:暂无解析2.电动机加油时要用()卸风扇,不能乱撬、乱砸。
(1分)A、撬杠B、管钳C、拔轮器D、梅花扳手答案:C解析:暂无解析3.链条式抽油机的平衡系统是由平衡气缸、平衡活塞、平衡链轮、储能气包和()组成的。
(1分)A、连杆B、轴承C、电动机D、压缩机答案:D解析:暂无解析4.如图所示的电路测量仪表示意图中,测量直流电路电压的是()。
(1分)A、图ⅠB、图ⅡC、图ⅢD、图Ⅳ答案:A解析:暂无解析5.由于阀门()安装不符合要求,会造成填料渗漏故障。
(1分)A、法兰B、垫片C、填料D、闸板答案:C解析:暂无解析6.在WorD中,要想查看页眉、页脚、页码、脚注和尾注等内容,需将文档处于()视图方式下。
(1分)A、全屏幕B、大纲C、页面D、普通答案:C解析:暂无解析7.计量分离器冲砂压力降至()时,冲砂完毕。
(1分)A、0.2MPAB、0.15MPAC、0.1MPAD、0MPA答案:D解析:暂无解析8.处理电泵井采油树大法兰钢圈刺漏时,应对()进行放空。
(1分)A、油管B、套管C、回油管线D、掺水管线答案:A解析:暂无解析9.用户利用计算机所提供的各种系统软件,编制解决用户各种实际问题的程序称为()。
(1分)A、低级语言B、应用软件C、高级语言D、办公软件答案:B解析:暂无解析10.压裂酸化工艺应用于()地层,是较大面积改造低渗油气层的重要手段。
(1分)A、砂岩B、泥岩C、碳酸盐岩D、花岗岩答案:C解析:暂无解析11.如图所示的电路测量仪表示意图中,测量低压交流电路电流的是()。
(1分)A、图ⅠB、图ⅡC、图ⅢD、图Ⅳ答案:B解析:暂无解析12.五笔字型汉字输入方法是以()为基本单位组字编码。
油藏基本名词解释油田------由单一构造控制下的同一面积范围内的一组油藏的组合。
气田------单一构造控制几个或十几个气藏的总和。
石油------具有不同结构的碳氢化合物的混和物为主要成份的一种褐色。
暗绿色或黑色液体。
天然气----以碳氢化合物为主的各种气体组成的可燃混和气体。
生油层----在古代曾经生成过石油的岩层。
油气运移--在压力差和浓度差存在的条件下,石油和天然气在地壳内任意移动的过程。
垂直运移--即油气运移的方向与地层层面近于垂直的上下移动。
测向运移---即油气运移的方向与地层层面近于平行的横向移动。
储集层-----能使石油和天然气在其孔隙和裂缝中流动,聚集和储存的岩层。
含油层-----含有油气的储集层。
圈闭----凡是能够阻止石油和天然气在储集层中流动并将其聚集起来的场所。
盖层----紧邻储集层上下阻止油气扩散的不渗透岩层。
隔层----夹在两个相邻储集层之间阻隔二者串通的不渗透岩层。
遮挡----阻止油气运移的条件或物体。
含油面积----由含油内边界所圈闭的面积。
油水边界----石油和水的接触边界。
储油面积-----储油构造中,含油边界以内的平面面积。
工业油气藏-----在目前枝术条件下,有开采价值的油气藏。
构造油气藏-----由与构造运动使岩层发生变形和移位而形成的圈闭。
地层油气藏-----由地层因素造成的遮挡条件的圈闭。
岩性油气藏-----由于储集层岩性改变而造成圈闭。
储油构造-----凡是能够聚集油,气的地质构造。
地质构造-----地壳中的岩层地壳运动的作用发生变形与变位而遗留下来的形态。
沉积相----指在一定的沉积环境中形成的沉积特征的总和。
沉积环境-----指岩石在沉积和成岩过程中所处的自然地理条件、气候状况、生物发育状况、沉积介质的物理的化学性质和地球化学要条件。
单纯介质-----只存在一种孔隙结构的介质称为单纯介质。
如孔隙介质、裂缝介质等。
多重介质----同时存在两种或两种以上孔隙结构的介质称为多重介质。
油井产液量计量原理目前,我厂已经在40多口抽油井、自喷井以及注水井上推广应用了微功耗无线变送器油水井井口自动计量装置,应用范围涉及6个采油队。
这套系统最基本的求产原理、示功图以及泵功图的定性分析有必要向各采油队技术人员做如下介绍,希望能对各位分析油井的生产状况起到作用。
(一)游梁式抽油机井功图法求产原理抽油井示功图的纵坐标为光杆(露出地面,通过悬绳器与驴头连接的第一根光滑的抽油杆)在抽油过程中受力的载荷坐标,横坐标为抽油杆上、下行程时的位移坐标。
抽油机驴头所悬拄的悬绳器承受光杆和井下全部抽油杆柱,并带动最下部有杆泵的柱塞作上、下运动,即一个周期。
相应地可画出一个载荷与位移的函数关系曲线,即示功图。
抽油井生产情况千变万化,井下泵况相当复杂,只有通过自动量油技术或动力仪、诊断仪测得反映有杆泵工作状况的示功图,只有掌握了诊断技术,才能分析和管理好抽油井。
采油二厂管辖的油田抽油机井目前已经有30多口井采用了“功图法”自动计量,相比较采用分离器求产,由于受各种因素影响求产波动较大,而且求产时间较长,不利于快速、准确、及时掌握油井生产动态,直接关系到油田的稳产,流量计或分离器的检修,也大量增加油气操作成本;以往在油田产量紧张时,大多是技术人员通过繁重的油水井大调查工作来摸清所辖井的生产情况,费时费力,其中个别油井因工程技术人员水平差异而无法进行定论,不但增加了井下作业工作量,也存在一定程度的误诊,漏诊,给油田生产造成极大不便。
通过示功图求产可以解决常期困绕油田的各类机采井求产、诊断和综合评判中存在的问题,在一定程度上不仅解决油井的求产困难,而且减轻采油工作者劳动强度。
自动计量系统油井产量提供了一个快速、准确测算方法,使决策部门能够对我厂所辖油井实现宏观上的控制和决策。
1.理论示功图特征分析在实际的示功图分析工作中,为便于分析常常要拿理论示功图与实测示功图进行对比,从中分析该油井的工作状况。
下面就先来了解一下理论示功图的绘制和解释。
常用抽油机知识介绍辽河油田常用抽油机知识介绍第一节抽油机基础知识1.1 概述当地层具有的能量不足以将原油提升到地面时,就需要通过能量的转换来达到目的。
有杆抽油设备(抽油机-抽油泵装置)因结构简单、制造容易、使用方便而成为目前应用最广泛的能量转换装置。
有杆抽油设备主要由三部分组成,一是地面部分;二是井下部分;三是联系地面和井下的中间部分。
它是由地面部分(机械)将运动和动力进行转换后,通过中间部分(杆柱或管柱)传递给井下部分(泵),再通过井下部分(泵)将能量传递给原油,完成将原油提升到地面的任务。
游梁式抽油机因具有适应野外无人看管、全天候运转的条件和使用可靠等特点,从抽油机发展的开始到现在,它都是应用最广泛的抽油机。
但随着井深和产量的不断增加,需要抽油机的能力就越大,游梁式抽油机重量大的缺点就越明显。
为了减轻抽油机的重量,提升节能效果,近二十年来也大力推广应用了一些无游梁式抽油机。
1.2 抽油机的原理、结构、特点、分类及应用按照抽油机结构和原理的不同,抽油机可分为游梁式抽油机和无游梁式抽油机。
一、游梁式抽油机游梁式抽油机的基本特点是结构简单,制造容易,使用方便,特别是它可以长期在油田全天候运转,使用可靠。
因此,尽管它存在驴头悬点运动的加速度较大、平衡效果较差、效率较低、在长冲程时体积较大和笨重等缺点,但仍然是目前应用最广泛的抽油机。
游梁式抽油机的工作原理是:由动力机供给动力,经减速器将动力机的高速转动变为抽油机曲柄的低速转动,并由曲柄—连杆—游梁机构将旋转运动变为抽油机驴头的上、下往复运动,经悬绳器总成带动深井泵工作。
游梁式抽油机的主要部件有:提供动力的动力机;传递动力并降低速度的减速器;传递动力并将旋转运动变成往复运动的四杆机构(曲柄、连杆、游梁、支架及横梁和底座);传递动力并保证光杆做往复直线运动的驴头及悬绳器总成;使抽油机能停留在任意位置的刹车装置以及为使动力机能在一个较小的负载变化范围内工作的平衡装置等。
抽油杆抽油杆是抽油机井的细长杆件,它上接总杆,下接抽油泵起传递动力的作用。
抽油杆单根长度为六米,材质一般是高碳钢表面镀硬铬,在油管内用内螺纹箍一根根连接起来一直延伸到地下油层处的活塞上,通过往复运动来泵油.目前的油井长度一般在两千米左右,以胜利油田为例,最深的以达三千余米.抽油杆的发展抽油杆是有杆抽油设备的重要部件,它将抽油机的动力传递给井下抽油泵。
抽油杆柱是由数十根或数百根抽油杆通过接箍连接而成。
在采油过程中,抽油杆柱承受不对称循环载荷的作用,工作介质为井液(原油和矿层水),而许多抽油井的井液含有腐蚀介质。
因此,抽油杆的主要失效形式为疲劳断裂或腐蚀疲劳断裂。
抽油杆的断脱事故会严重影响原油产量,增加了修井费用,提高了原油成本。
抽油杆有近百年的历史。
最原始的抽盐卤杆是用藤条做的。
第一个金属抽油杆专利(U.S.528168)是美国于亥俄州的Samuel M.Jones于1894年10月30日获得的。
近20年来,国内外在抽油杆的制造方面采用了许多新材料、新设备、新技术和新工艺,如采用多元素合金钢、玻璃钢;采用中频感应透热设备加热及自动化平锻机进行锻造,采用中频感应加热淬火装置及红外光导智能测温仪器,抽油杆头部不旋转加工生产线,接箍自动生产线;以及先进的锻模设计技术,抽油杆外螺纹滚压工艺,接箍内螺纹半切削半挤压工艺,摩擦焊接工艺,喷丸强化工艺,表面感应淬火工艺等,大大提高了抽油杆的制造水平和产品质量。
为了满足大泵强采、小泵深抽、稠油井、高含腊井、腐蚀井和斜井采油的需要,国内外开发了许多特种抽油杆,如超高强度抽油杆、玻璃钢抽油杆、空心抽油杆、KD级抽油杆、连续抽油杆、电热抽油杆、钢丝绳抽油杆和铝合金抽油杆等,并研究了许多抽油杆柱的配套件,如长冲程高强度光杆、无牙光杆卡子、旋杆器、减震器、石墨可调心光杆密封盒、滚轮接箍、扶正器、刮蜡器、加重杆、防脱器、脱接器、磁防蜡器和泵空控制器等,进一步提高了抽油杆的使用寿命和应用范围。
抽油杆的结构和用途抽油杆是有杆抽油设备的重要部件。
抽油杆通过接箍连接成抽油杆柱,上经光杆连接抽油机,下接抽油泵的柱塞,其作用是将地面抽油机驴头悬点的往复运动传递给井下抽油泵。
抽油杆螺纹失效常常表现为螺纹的拉坏。
但由于现代API抽油杆的螺纹的下部凹陷设计以及制造螺纹时采用滚压代替车削,此类问题的出现已大为减少。
普通抽油杆及其杆头结构如下图所示。
其杆体是实心圆形断面的钢杆,两端为镦粗的杆头。
杆头由外螺纹接头、卸荷槽(应力分散槽)、推承面台肩、扳手方径、凸缘和圆弧过渡区组成。
外螺纹接头用来与接箍相连接,扳手方颈用来装卸抽油杆接头时卡抽油杆钳用。
SY/T 5029-2005《抽油杆》规定,抽油杆的杆体直径分别为:12.7(1/2in),15.9mm(5/8in),19.1mm(3/4in); 22.2mm(7/8in); 25.4mm(1in); 28.6mm(1 1/8in) 。
抽油杆的长度一般为8000mm或7620mm。
为了调节抽油杆柱的长度,还有长度为410,610,910,1220,1830,2440,3050,3660mm的短抽油杆。
API SPEC 11B《抽油杆》和SY/T 5029-2005 将普通抽油杆分为C级、D级和K 级三个等级。
C级抽油杆用于轻、中负荷的油井,D级抽油杆用于中、重负荷的油井,K级抽油杆用于轻、中负荷并有腐蚀性的油井。
C级、D级和K级抽油杆分别采用碳钢或锰钢,碳钢或合金钢,镍钼合金钢,一般经镦粗、整体热处理、外螺纹滚压加工、喷丸强化、油溶性涂料防护等工序,使其获得一定的抗疲劳或抗腐蚀疲劳性能。
为了满足高含水、高粘度、高凝固点、高含蜡抽油井、腐蚀井,深井和斜井原油开采的需要,近20多年来国内外研制了许多结构、材料、用途与普通抽油杆不同的特种抽油杆,如超高强度抽油杆、玻璃钢抽油杆、空心抽油杆和连续抽油杆等。
抽油杆的分类1:常规型抽油杆常规型抽油杆是一种具有圆形断面、两头镦粗的金属杆件,镦粗部分有联结螺纹和卡扣扳手用的方形断面。
抽油杆体直径有13、16、19、22、25和29mm(即1/2、5/8、3/4、7/8、1和1 1/2in)6种,长度一般为7.62m和8m,API标准规定为7.62m和9.1m。
世界上抽油杆的生产国主要是美国、俄罗斯和中国。
美国生产抽油杆历史最长,品种多而且质量好,许多国家都按API标准生产抽油杆。
按照国标和API标准的规定,常规型抽油杆可分为:C级抽油杆——主要用于轻、中负荷无腐蚀或缓蚀油井抽油,材料为碳钢或锰钢,如C-Mn系钢抽油杆,抗拉强度为620~794MPa。
D级抽油杆——主要用于中、重负荷含硫油井抽油,材料为碳钢或合金钢,如Cr-Mo 系钢抽油杆,抗拉强度达794~965MPa。
K级抽油杆——主要用于轻、中负荷中等腐蚀或缓蚀油井,尤其是低硫腐蚀油井抽油,材料为镍钼合金钢,如Ni-C-Mo或Ni-Cr系钢抽油杆,抗拉强度为588~794MPa。
2:特种抽油杆随着石油的开发与发展,除现有批量生产的C、D、K级钢质实心常规抽油杆之外,又发展了一些新型抽油杆,其中主要是超高强度抽油杆、玻璃钢抽油杆、空心抽油杆和连续抽油杆等,统称为特种抽油杆。
目的是适应不断增长的工作载荷、环境腐蚀和特殊工况的需要,使之在深井、斜井和定向井、稠油井及严重腐蚀性等油井中实现抽油。
①超高强度抽油杆与D级抽油杆相比,这种抽油杆是一个新的强度等级,性能指标更高,具有更高的承载能力,最小应力为0~102MPa时,许用应力值超出D级抽油杆35%以上。
我国超高强度抽油杆有两种类型:通过选用适当的材料,将性能提高到超级强度等级的抽油杆,为材料型超高强度抽油杆,代号为HL,抗拉强度达966~1136MPa;采用表面淬火工艺,经性能提高到超级强度等级的抽油杆,为工艺型超高强度抽油杆,代号为HY,抗拉强度达980~1176MPa。
②玻璃钢抽油杆用玻璃钢代替钢材制造的抽油杆,其主要优点是重量轻、耐腐蚀性强,主要缺点是不能承受轴向压缩载荷,使用温度一般不得超过163℃。
这种抽油杆的头部(即连接部分)采用钢锻件;而杆体用玻璃钢纤维无捻粗纱作增强材料,用树脂作机体,以拉挤方法成型;钢接头用AISI4620钢加工而成,通过特殊的粘接工艺,用环氧树脂将接头和杆体粘结为一体。
玻璃钢抽油杆及其接头的结构如下图所示。
另一种是心部采用钢丝或钢丝绳、外包玻璃钢的所谓钢芯玻璃钢抽油杆。
玻璃钢抽油杆以杆身直径、最高工作温度和端部接头的级别表示,如7/8″-93℃-A,表示杆身直径为7/8in,最高工作温度为93℃,端部接头级别为A的抽油杆。
③空心抽油杆空心抽油杆的主要特点是:其内孔可以输油,油液在较高的流速下通过,提高了携带砂粒和机械杂质的能力;可以降低光杆最大载荷,减少修井次数;利用内孔向井底注入热油、热水或蒸汽,用以降粘和清蜡等。
故空心抽油杆特别适用于稠油井、含砂井和需要连续注入介质的抽油井。
我国油田有多种空心抽油杆获得应用,其中一种是外径为36mm,内孔为25mm,接头和杆体采用摩擦焊接,接箍外径与杆体外径相同,采用35CrMo钢经调质处理,机械性能可达D级抽油杆水平。
另一种是整体式,两端镦锻成形,一端为外螺纹接头,一端为内螺纹接头,组成抽油杆时不需要接箍,其结构如下图所示。
除了上述特种抽油杆外,还有连续抽油杆、柔性抽油杆、电热抽油杆、铝合金抽油杆、喷涂不锈钢抽油杆等,它们各自具有不同的用途和特点。
其中,由石墨复合材料等制成的连续“带杆”具有高的弹性模量和用来抽油时所需的足够刚度,还有很大的扰性,可以绕到一个卷筒上。
将卷筒置于井口上方,将抽油泵和若干加重杆联结于“带杆”的端部,然后下放到油管中的预定深度,再将“带杆”的上端固定到光杆上,就可以实现抽油。
连续型“带杆”不用接头、重量轻、运输方便、抗腐蚀,是比较理想的一种抽油杆。
此外,还有KD级抽油杆,既具有D级抽油杆的强度,又具有K级抽油杆耐腐蚀性能。
API 标准中抽油杆的分级与强度有求材料的选择根据API标准,选用D级抽油杆,所选材料为合金钢-----40Cr。
热处理工艺4 0 Cr热处理工艺特性介绍1 预备热处理调质钢经热加工后,必须经过预备热处理来降低硬度,便于切削加工,消除热加工时造成的组织缺陷细化晶粒,改善组织,为最终热处理做好准备。
对于4 0 Cr钢而言,可进行正火或退火处理。
2 最终热处理调质钢的最终热处理是淬火加高温回火。
一般可以采用较慢的冷却速度淬火,可以用油淬以避免热处理缺陷。
当强度较高时,采用较低的回火温度,反之选用较高的回火温度。
4 0 Cr热处理工艺的制定按上述知识,对 4 0 Cr钢分别采用退火、正火、淬火、不同的回火温度情况下的热处理,测定不同情况下试样的硬度与冲击韧性值。
3. 1 退火工艺的制定加热温度:+ ( 3 O ~5 0 ) ,由此确定加热温度为8 5 0 C;保温时间: 1 2 0 mi n;冷却方式:随炉冷却。
3 .2 正火工艺的制定加热温度:Ac + ( 3 0 ~5 0 )C,由此确定加热温度为8 5 0 C;保温时间:1 2 0 mi n;冷却方式:空冷。
3 .3 淬火工艺的制定加热温度:A 。
+ ( 30 ~ 5 0 )C,由此确定加热温度为8 5 0 C;保温时间:8 0 mi n;冷却方式:油冷。
3 .4 回火工艺的制定3 .4 .1 低温回火亚共析钢的低温回火温度为 1 5 0 C~300 C,但钢材的第一类回火脆性温度在 2 5 0 C~4 0 0 C,由于4 0 Cr中含有硅、锰、铬等合金元素,第一类回火脆性温度将有所增以选用低温回火温度为 2 4 0 C;保温时间为6 0 min,用空冷。
3 .4 .2 中温回火中温回火温度为3 5 0 C~5 0 0 C,选用温度为4 6 0 C;保温时间为5 0 mi n;空冷。
3 .4 .3 高温回火( 调质处理)高温回火温度为 5 0 0 C~6 5 0 C,可选用加热温度为6 2 0 C;保温时间为 6 0 mi n;空冷。
二硬度测量1. 洛氏硬度主要应用于金属材料热处理后的性能检测,所以对调质处理后的4 0 Cr的硬度测定我们选用洛氏硬度。
洛氏硬度的压痕较小,可测量较高硬度,可直接读数,操作方便,效率高。
由上表,我们选用HRC经行测量。
2.洛氏硬度的测量步骤①有上表选择压头及载荷;②根据试件大小和形状选择载物台;③将试件上下面磨平,然后置于载物台上;④加预加载和。
按顺时针方向转动升降百分表上小针移动至小红点为止;⑤调整读数表盘,使百分表盘上的长针对准硬度值的起点。
⑥加主载荷;⑦卸除主载荷;⑧读数。
表盘上长针指示的数字为硬度值;⑨下降载物台,取出试样;做拉伸试验,测量材料的屈服强度及抗拉强度,以及断面收缩率和断后伸长率,分析强度与硬度的关系。