球化处理作业指导书
- 格式:doc
- 大小:39.00 KB
- 文档页数:2
1/球化处理工艺
对球墨铸铁曲轴其球化处理工艺非常重要,曲轴的力学性能主要依靠球化质量来保证,我们选用低镁球化剂,球化反应比较平缓,铁水一次出完,球化效果比较好。
具体球化、覆盖等工艺改进如下。
球化剂(5%-7%Mg)→铁屑覆盖(1.5-2kg)→加铁水(400 g)一球化反应(50-70s)。
2/孕育处理工艺
加硅铁(一次孕育)→浇包加硅铁粉(二次孕育)→浇注随铁水流孕育(三次孕育)。
3 曲轴的清理
曲轴浇注后,大约在50~60min,可以翻箱倒铁丸取件,铸件冷却到50℃以下,可以去除冒口和浇注系统,曲轴用悬挂式抛丸机进行表面抛丸,每组20件,大约抛丸15min左右,曲轴表面要达到无粘砂,光亮为好。
采用电动角磨机和风动工具清理飞边毛刺。
4.1铁水的检验
要铸造优质的曲轴,必须保证铁水质量,特别是铁水的化学成分,其次是铁水的出炉温度(球化处理时铁水温度)和浇注温度。
铁水化学成分检验元素及检验频次见表4。
在重要铸件生产中,对材质要求高,如球墨铸铁要求P≯0.04%、S≯0.02%,铸钢要求P、S均≯0.025%,采用热分析技术及时准确控制C、Si含量,。
冲入法球化处理流程一、准备工作。
咱要做这个冲入法球化处理呀,那前期准备可不能马虎。
得先把要用的东西都找齐喽。
比如说球化剂,这可是关键的东西呢,就像做菜的盐一样重要,没它可不行。
还有孕育剂,这俩就像是好搭档,互相配合着才能把活儿干好。
在找这些材料的时候呀,咱得挑质量好的。
可不能随便抓一把就用,就像挑水果一样,得挑新鲜又饱满的。
然后就是处理的容器啦,得保证它干净整洁,没有杂质,要是里面脏脏的,那肯定会影响最后的效果呀。
二、球化剂的放置。
把球化剂放进处理容器的时候也有讲究。
咱不能一股脑儿全倒进去,得按照一定的量来放。
就像做饭放调料,放多了太咸,放少了没味。
一般呢,是根据要处理的东西的量来确定球化剂的量。
要是这个没把握好,那最后的成品可能就不是我们想要的球化效果了。
而且放球化剂的时候,也要注意它在容器里的分布。
不能让它都堆在一个地方,要尽量均匀一点。
可以想象一下,要是你在花盆里种花,种子都堆在一个角落,那肯定长不好呀。
这里也是一样的道理,均匀分布才能让球化反应更好地进行。
三、孕育剂的加入。
等球化剂放好了,就轮到孕育剂登场啦。
孕育剂的加入也不是随随便便的哦。
它加入的时间点很关键呢。
如果加得太早,可能会被球化反应给影响了;要是加得太晚呢,又起不到它应有的作用了。
我们得在合适的时机把孕育剂加进去。
这个时机呀,就需要一点经验和感觉了。
就像烤蛋糕,什么时候加那点柠檬汁,得掌握好火候一样。
孕育剂加进去之后,也要让它和里面的东西充分混合,这样才能让它发挥最大的功效。
四、反应过程。
当球化剂和孕育剂都在容器里准备好之后,就开始反应啦。
这个反应的过程就像是一场小魔术呢。
你会看到里面的物质开始发生变化,慢慢地朝着我们想要的球化状态发展。
在这个过程中,我们要密切观察。
就像照顾生病的小伙伴一样,要时刻盯着,看看有没有什么异常情况。
如果发现有什么不对劲的地方,比如反应太剧烈或者太缓慢,那我们就得想想办法了。
是不是球化剂或者孕育剂的量不对呀,还是有其他的干扰因素呢?五、后续处理。
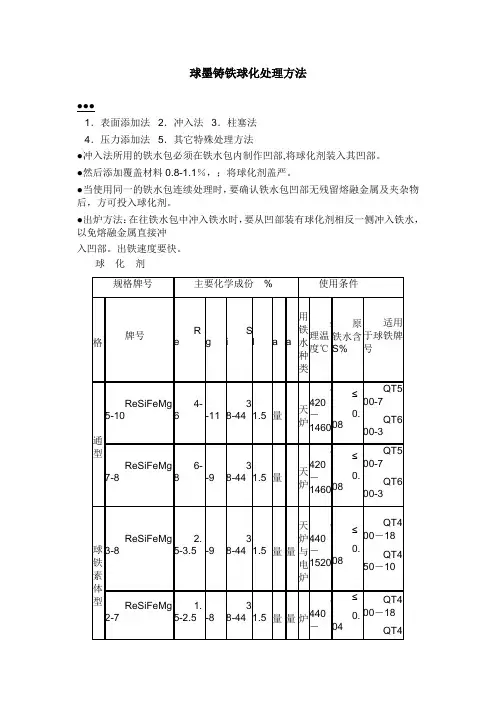
球墨铸铁球化处理方法
●●●
1.表面添加法 2.冲入法 3.柱塞法
4.压力添加法5.其它特殊处理方法
●冲入法所用的铁水包必须在铁水包内制作凹部,将球化剂装入其凹部。
●然后添加覆盖材料0.8-1.1%,;将球化剂盖严。
●当使用同一的铁水包连续处理时,要确认铁水包凹部无残留熔融金属及夹杂物后,方可投入球化剂。
●出炉方法:在往铁水包中冲入铁水时,要从凹部装有球化剂相反一侧冲入铁水,以免熔融金属直接冲
入凹部。
出铁速度要快。
球化剂
注:☆YCeSiFeMg3-8主要用于球铁件生产流水线上,球化处理后在保温浇注炉中存放30-60分钟场合;Ca、Ba与Re、Mg含量可按用户要求特殊加工。
产品料度与包装:通常粒度5-25mm,也可按用户要求特殊加工,包装25 Kg。
第三节球化处理工艺球化处理主要包括以下内容:(1)铸铁化学成分的选择;(2)球化剂的选择、加入量;(3)球化处理方法;(4)球墨铸铁的孕育处理;(5)球化效果的检验。
球墨铸铁球化处理工艺的制订应充分考虑球墨铸铁的牌号及其对组织的要求、铸件几何形状及尺寸、铸型的冷却能力、浇注时间和浇注温度、铁液中微量元素的影响以及车间生产条件等因素。
一、球墨铸铁化学成分的选择同普通灰铸铁一样,球墨铸铁化学成分主要包括碳、硅、锰、硫、磷五大常见元素。
对于一些对组织及性能有特殊要求的铸件,还包括少量的合金元素。
同普通灰铸铁不同的是,为保证石墨球化,球墨铸铁中还须含有微量的残留球化元素。
下面着重介绍这些元素在球墨铸铁中的作用及其选择原则。
1、碳及碳当量碳是球墨铸铁的基本元素,碳高有助于石墨化。
由于石墨呈球状后石墨对机械性能的影响已减小到最低程度,球墨铸铁的含碳量一般较高,在3.5~3.9%之间,碳当量在4.1~4.7%之间。
铸件壁薄、球化元素残留量大或孕育不充分时取上限;反之,取下限。
将碳当量选择在共晶点附近不仅可以改善铁液的流动性,对于球墨铸铁而言,碳当量的提高还会由于提高了铸铁凝固时的石墨化膨胀提高铁液的自补缩能力。
但是,碳含量过高,会引起石墨漂浮。
因此,球墨铸铁中碳当量的上限以不出现石墨漂浮为原则。
2、硅硅是强石墨化元素。
在球墨铸铁中,硅不仅可以有效地减小白口倾向,增加铁素体量,而且具有细化共晶团,提高石墨球圆整度的作用。
但是,硅提高铸铁的韧脆性转变温度(见图4—6),降低冲击韧性,因此硅含量不宜过高,尤其是当铸铁中锰和磷含量较高时,更需要严格控制硅的含量。
球墨铸铁中终硅量一般在1.4—3.0%。
选定碳当量后,一般采取高碳低硅强化孕育的原则。
硅的下限以不出现自由渗碳体为原则。
图4—6 硅对铁素体球墨铸铁脆性转变温度的影响球墨铸铁中碳硅含量确定以后,可用图4—7进行检验。
如果碳硅含量在图中的阴影区,则成分设计基本合适。
球墨铸铁感应炉熔炼炉前处理作业指导书本标准适用于感应炉熔炼球墨铸铁件的生产。
1原材料准备1.1球化剂1.1.1球化剂的牌号选择如下表:1.1.2球化剂粒度5~25mm。
1.1.3球化剂必须有质量保证书方可投入使用,严禁使用受潮或混合型号的球化剂。
1.2孕育剂1.2.1孕育剂采用FeSi75和18号长效孕育剂。
1.2.2 FeSi75粒度10~20mm,18号长效孕育剂粒度5~10mm。
1.2.3FeSi75必须进厂检验合格后方可投入使用,严禁使用受潮的孕育剂。
2炉前处理2.1原铁水化学成分要求如下表(%)2.2球化处理前对调整好成分的铁水取样快速分析C、Si含量,出铁水温度1540℃~1610℃。
2.3球化及孕育处理2.3.1将称量好的球化剂(根据实际情况调整)放入球化包堤坝内侧,平整紧实后再加入称量好的硅铁(粒度10~20mm),盖好铁末。
2.3.2先急后绶出定量铁水到球化包内。
2.3.3待球化反应完毕,铁水表面撒集渣剂扒渣并覆盖集渣剂或草木灰。
3炉前控制3.1球铁化学成分控制范围如下表(%,用户有特殊要求的除外)3.2铁水球化处理前利用热分析仪取样分析C、Si个含量,为炉前处理提供依据。
每包球化后取样分析Si含量,抽样检测Mn、P、S、Mg、Re含量,在前、中、后期取样分析,每炉次不少于3次,并由化验室做好记录。
3.3球化后的铁水浇注到最后一箱铸件时铁水进行快速金相分析。
每包铁水浇注的铸件应作出标记,最后一箱球化级别达不到4级的,该包次铸件出砂后应单独存放,逐件检测球化级别,将球化级别达不到4级的挑出报废。
3.4球化处理完毕至浇注完毕不得超出10分钟。
3.5抽样检测球铁的机械性能,每班次不得少于3次,应在本班次的前、中、后期分别浇注Y型试块,每次浇注应在本包铁水的中、后期。
3.6生产过程中应做好各项原始记录,并存档备查。
铸态QT400-18球墨铸铁熔作业指导书本作业指导适用于800公斤球化包处理500-800公斤QT400-18球铁。
一、原材料:1、球铁用生铁,废钢根据TJG03.7.01-08原材料验收标准进行控制。
2、回炉铁:对不同牌号的球铁回炉铁进行分类存放,配料时分别使用。
且回炉铁的杂质、泥沙必须清理干净。
3、特别注意废钢的质量,一方面,废钢厚度<3mm,锈蚀严重,会使铁水含气量增加,铁水氧化,球化剂消耗量增加,造成铸件球化不良。
另一方面,废钢中混入合金钢,会使铸件产生碳化铁,使塑性、韧性降低。
4、球化剂主要选用Mg8RE35、孕育剂:(1)孕育剂主要选用SiBaCa ,并且要达到工艺要求的粒度。
(2)对于厚大铸件、浇注时间较长,需用75Si铁与硅钡合金(Si:60-68%,Ba:4-6%,AI:1.0-2.0%,Ca:0.8-2.2%)进行复合孕育。
混合比为7∶3(3)75Si铁与硅钡复合孕育剂配比,要专人负责。
二、配料配料要求铁水成分达到以下范围原铁水碳:3.7-3.9%; 硅1.0-1.2%; 锰:0.15-0.2%; 磷:≤0.06%; 硫0.05%(脱硫处理后的成分),要求每包取原铁水激冷试样一个做为化验用,试样编号为日期+包次顺序,如:2010年8月2号第一包球铁激冷试样,编号为20100802-1也可以将年去掉,编号为0802-1,第二包激冷试样编号为0802-2,以此类推.球化处理后的最终成分:碳:3.4-3.8%; 终硅2.6-2.9%; 锰:0.15-0.2%; 磷:≤0.06%; 终硫0.02%; 残镁0.04-0.06%; 残稀土:0.02-0.04%。
要求每包取球化后铁水激冷试样一个做为化验用,试样编号为日期+包次顺序,如2010年8月2号第一包球铁激冷试样,编号为20100802-①也可以将年去掉,编号为0802-①,第二包激冷试样编号为0802-②,以此类推。
原铁水和球化后同一包铁水的激冷试样编号一致,便球化后的激冷试样最后包数加圈,用以分辨。
7.铁水转运要求:吊运人员应将接种完毕之铁液于3分钟内倒入浇注盆,炉前操作工负责监控铁水转运时间并 记录, 若超过3分钟以上时该包铁液返回电炉,重新再处理。
(二)球墨铸铁熔化操作1.熔化操作工依照每日的生产指令启动熔解作业。
首先进行领料和备料工作,所用原料要干 燥,领到现场的原料按分类标识进行存放。
2.按《中频电炉操作规程》进行电炉操作。
3.化学成份控制3.1 正常调质时C、Si不得同时做上限或下限,在包内调整合金含量时合金块度<20mm,Si, 的调整幅度≤0.2%且只能用硅铁调整不可用接种剂调整。
3.2 按时査看分光仪检测结果(分光试验人员接到分光试片测试后,将分析结果报告到炉前), 各元素成分须控制严格执行《熔解作业基准表》中的规定。
当化学成分测得在下限时,熔化工在熔化工程师的指导下计算出达到目标值所需添加的量并负责添加。
此时不必再测成分3.3 对《熔解作业基准表》中要求不明确的微量元素控制目标为:Sn≤0.007%、Sb≤0.007%,其他元素≤0.05%。
如化学成分微量元素不在控制目标内,需要电炉重新调质,调质合 格后方可出炉。
如成品化学成分微量元素不在控制目标内,按每包首尾模的插牌,将该包次回炉。
3.4 电炉铁液分析结果在标准范围内时,则可以出炉。
铁液调好后30分钟不出炉,需重新确认长度成份及白口长度3.5 铁液保温时间超过1小时,需重新调质。
3.6 每炉铁液冲入返回铁液≥两包时需重新调质。
4.温度和出铁控制:为保证铁水满足浇注要求,熔化操作工每包出铁前先进行除渣,然后用浸入式测温枪对铁液温度进行检测并记录,(预热浇包或浇注盆之铁液需在炉内测温一次〕 ,如果温度达不到要求,不能出铁。
温度以《熔解作业基准表》规定的浇注温度范围为标准5.铁液转运量管制:作业人员根据生产状况在《熔解作业基准表》规定范围内确定每包铁液量 的目标值,出铁水时用吊钩称称量,允许误差为目标值的±30kg6.球化过程:6.1球化处理过程见《球化作业指导书》,为保证球化反应稳定,每炉最后残留<500kg时不再出炉 覆盖剂加入(依球化温度增减);出炉时避免铁液直接冲击球化剂,操作人员应控制铁液角度6.2每包出炉完毕,球化反应开始时焰化操作工应按动秒表开始计时,反应时间应≥50秒,以 防止球化不良,并要记录球化反应时间。
2.1 炉料选择
球铁球化剂的加入效果条件是:高碳、低硅、大孕育量。
为了稳定化学成分和有效地控制促进白口化元素和反球化元素,保证熔炼铁水的质量,选用张钢Z14生铁,其化学成分:C>3.3%,Si 1.25%~1.60%,P≤0.06%,
S≤0.04%。
2.2 球化剂的选择
球化剂的选用应根据熔炼设备的不同,即出铁温度及铁液的纯净度(如含硫量、氧化程度等)而定。
我国最常用的是稀土镁硅铁球化剂,采用这种球化剂处理时,由于合金中含硅量较高,可显著降低镁处理时反应的剧烈程度。
同时也能因增硅而有些孕育作用。
电炉生产时,因温度相对较高,所用球化剂的化学成分见表1。
表1 球化剂FeSiMg8Re7化学成分
项目
出铁温度
/℃S %
球化剂成分/%
Mg Re Si
电炉1420~1480≤0.047.0~9.0 6.0~8.0≤44.0
3 炉前控制
3.1 化学成分选择
球铁原铁液应高碳、低硅、低硫、低磷。
控制好硫的含量,是生产球铁的一个重要条件。
几种牌号的球铁的化学成分见表2。
3.2 球化和孕育处理
球化剂加入量应根据铁液成分、铸件壁厚、球化剂成分和球化处理过程的吸收率等因素分析比较确定。
一般为1.6%~2.0%,若球化剂放置时间较。
熔炼球化的操作流程下载温馨提示:该文档是我店铺精心编制而成,希望大家下载以后,能够帮助大家解决实际的问题。
文档下载后可定制随意修改,请根据实际需要进行相应的调整和使用,谢谢!并且,本店铺为大家提供各种各样类型的实用资料,如教育随笔、日记赏析、句子摘抄、古诗大全、经典美文、话题作文、工作总结、词语解析、文案摘录、其他资料等等,如想了解不同资料格式和写法,敬请关注!Download tips: This document is carefully compiled by theeditor. I hope that after you download them,they can help yousolve practical problems. The document can be customized andmodified after downloading,please adjust and use it according toactual needs, thank you!In addition, our shop provides you with various types ofpractical materials,such as educational essays, diaryappreciation,sentence excerpts,ancient poems,classic articles,topic composition,work summary,word parsing,copy excerpts,other materials and so on,want to know different data formats andwriting methods,please pay attention!1. 准备工作检查熔炉和相关设备,确保其正常运行。
准备好所需的原材料,包括球化剂、孕育剂、铁水等。
球墨铸铁冲入法球化处理操作规程及注意事项摘要:目前,在生产球墨铸铁件的企业中,广泛采用稀土镁硅铁合金作为球化剂。
现在普及使用电炉熔炼的企业中,通常使用5-8或3-8稀土镁硅铁合金。
因电炉熔炼的铁水硫含量不高,大部分企业使用3-8稀土镁硅铁合金。
虽然部分企业已在使用喂丝球化孕育处理工艺,但仍有企业还在使用传统的冲入法球化处理工艺。
所以有必要把本人在球化处理(冲入法)实际操作的心得体会分享给大家,望对大家在生产中有所帮助。
关键词:球化包球化处理浇注时间质量控制质量检验一.球化包1. 球化包是重要的球化处理工具。
球化包除具有一般铁液浇包所具有的操作方便,手轮转动灵活,自锁性好,安全可靠外,还应有利于球化反应过程中球化元素的吸收。
一般高径比(H/D>1.5-1.8)即细高型。
球化元素在铁水包中吸收的路径加长,有利于充分吸收。
2.砌筑。
在球化包底及四周砌筑耐火砖,注意把砖缝挤紧。
在包底砌筑堤坝,用大砖(整块)或耐火砖立砌,注意挤紧压实。
堤坝应与包嘴有30º夹角,有利于把球化包内的剩余铁水全部倾倒完。
3.搪包衬。
先用面砂对包底填砂,用平锤平整捣实,既夯实包底又加固堤坝。
堤坝高度以盛装好球化剂、孕育剂、铁屑后高出40-80mm。
搪包材料用造型面砂和耐火土按4:1搅拌均匀,干湿程度比面砂稍微偏湿。
装入包内,由上到下用手搪于包的四周,要求厚度均匀,用胶皮管用力敲打,压平压光。
4.烘烤。
要求必须烘干烘透! 否则球化包包衬中的水分与镁元素发生化学反应,产生沸腾现象,容易导致整包铁水报废。
5. 修补。
烘干后需对裂纹进行修补,修补后用黑芡粉涂料对内壁涂刷,防铁水粘包。
在使用过程中,应随时检查包衬耐火材料是否脱落,发现脱落要及时修补。
二.球化处理1. 装料。
严格按照球化孕育处理工艺要求操作。
已知铁水量,使用电子秤称取球化剂和孕育剂。
先将球化剂、孕育剂和铁屑依次放入球化包的反应堤坝内,并依次用捣锤平整捣实。
捣实程度依据球化反应的强弱程度进行调整,然后再用聚渣剂平铺一层。
受控号:
汽车配件制造有限公司
球化处理作业指导书
编号:Q/YL(J)-JS-006-2010
编制:
审核:
批准:
此文件自年月日起执行。
目的:规范球化处理的操作与指导。
适用范围:适用于本厂树脂砂及潮模砂造型工艺的球化处理。
1、炉前控制成分
应严格执行《配料单》和《化学成分控制范围》
2、出铁温度
潮模1550-1580℃;树脂砂:1470-1550℃。
3、炉前检验
当铁水熔化完毕后炉前工应及时取样,进行炉前检验,确认铁水合格后,方可进行球化处理。
4、球化处理
冲入法球化,工艺如下:
4.1球化前准备
检查球化包尺寸是否符合要求,是否已烘干,球化剂和孕育剂是否干燥。
4.2冲入球化法:
1、球化包形式:球化包筑成坝式。
2、球化剂加入量一般为:0.8-1.6%,粒度为10-25mm,一次孕育剂加入量一般为
0.2-0.6%,二次孕育(依据配料单要求)粒度为3-8mm;铁豆加入量为7-10Kg
详细按照配料单和当炉的含硫量、含硅量、出炉温度等确认。
3、加料顺序及方法
球化剂放入坝中,一次孕育剂放在球化剂上面,再用铁豆或专用盖板盖好,准备出铁水。
4、出铁要求
每次出铁分为两次,第一次出铁约为铁水总量的2/3,当包内的铁水约为铁水总量的2/3左右时,开始起爆反应。
反应快结束时将剩余铁水加入包内;遇到不起反应情况时,应用长铁棍捅开球化剂,使其反应;当反应过于强烈时应在球化包中加入面包铁以缓解球化反应的程度,根据此次情况调整下炉的铁豆的加入量。
5、球化完后应立即进行至少两次拔渣操作。
6、孕育处理:即二次孕育。
1)浇包形式:浇包为茶壶式浇包。
2)孕育方法:采用冲入法进行孕育。
3)铁水量根据铸型的大小而定。
4)二次孕育剂加入量:按照配料单的要求数量加入。
一般为0.3-0.5%,粒度为3-8mm。
7、球化过程中应时刻注意反应飞溅铁豆溅入眼内或衣服内烫伤。
8、球化过程应紧凑,力争缩短时间,以防降温及出现球化不良。
一般从球化开始到浇
注结束控制在8分钟内
9、记录
《配料单》、《浇注记录》。