全国GIS地图更新项目建设方案
- 格式:doc
- 大小:2.84 MB
- 文档页数:37
gis项目计划书GIS 项目计划书一、项目背景在当今数字化的时代,地理信息系统(GIS)的应用越来越广泛。
无论是城市规划、环境保护、交通运输,还是资源管理等领域,GIS 都发挥着重要的作用。
我们计划开展的这个 GIS 项目,旨在为具体的应用领域提供更精确、高效的地理信息服务,以解决当前存在的列举一些问题问题,并为未来的发展提供有力的支持。
二、项目目标1、建立一个完整、准确的地理信息数据库,涵盖具体的地理范围和数据类型。
2、开发一套功能强大、易于使用的 GIS 应用系统,满足具体用户群体的需求。
3、通过 GIS 技术,为具体的决策或业务流程提供科学的分析和决策支持。
4、提高团队的 GIS 技术水平和项目管理能力。
三、项目团队项目负责人:姓名,具有丰富的 GIS 项目管理经验和技术能力,负责整个项目的规划、协调和推进。
数据采集与处理小组:负责收集、整理和处理地理数据,成员包括具体人员姓名。
系统开发小组:负责开发 GIS 应用系统,成员包括具体人员姓名。
数据分析与应用小组:负责对地理数据进行分析,并将结果应用于实际业务中,成员包括具体人员姓名。
质量控制小组:负责对项目的各个环节进行质量检查和控制,成员包括具体人员姓名。
四、项目进度安排1、项目启动阶段(第 1-2 周)成立项目团队,明确各成员的职责和分工。
制定项目计划和时间表。
进行项目的前期调研和需求分析。
2、数据采集与处理阶段(第 3-8 周)确定数据采集的方法和范围。
组织人员进行实地数据采集。
对采集到的数据进行整理、清洗和入库。
3、系统开发阶段(第 9-16 周)进行系统的设计和架构搭建。
开发系统的各项功能模块。
进行系统的测试和优化。
4、数据分析与应用阶段(第 17-20 周)对地理数据进行深入分析,提取有价值的信息。
将分析结果应用于实际业务中,提出相应的建议和解决方案。
5、项目验收阶段(第 21-22 周)对项目进行全面的验收和评估。
整理项目文档,总结经验教训。
GIS改造施工方案1. 引言GIS(地理信息系统)作为一种通过对地理空间数据进行获取、存储、处理、分析和可视化的有效工具,在各个领域得到了广泛应用。
针对某个特定的区域或项目,进行GIS改造施工是提升空间数据管理和分析能力,实现空间数据智能化利用的关键步骤。
本文将介绍GIS 改造施工的基本流程,并提供一份详细的施工方案,以便项目团队能够顺利完成GIS改造工作。
2. GIS改造施工流程GIT改造施工主要分为以下几个阶段:2.1 需求调研和规划在需求调研和规划阶段,项目团队需要与相关部门和利益相关者进行沟通,了解他们的需求和期望。
同时,还需要调研现有的空间数据和信息管理系统,分析其不足之处,并确定改进的方向和目标。
2.2 数据收集和整理在数据收集和整理阶段,项目团队需要对现有的空间数据进行收集和整理。
这包括从不同的来源获取数据,如卫星遥感数据、无人机影像数据、地面调查数据等,并进行数据的预处理和清洗工作,以确保数据的准确性和一致性。
此外,还需要进行地理参考系统(GIS)投影和坐标系的统一转换,以便数据能够在同一空间参考下进行整合和分析。
2.3 数据建模和数据库设计在数据建模和数据库设计阶段,项目团队需要根据需求和目标,对数据进行建模和设计。
这包括确定数据的实体和属性,并进行数据模式设计和数据库表的创建。
此外,还需要定义数据的关系和约束,以确保数据的完整性和一致性。
2.4 数据导入和转换在数据导入和转换阶段,项目团队需要将整理好的数据导入到数据库中,并进行数据格式和结构的转换。
这包括将不同格式的数据(如Shapefile、GeoJSON等)转换为数据库支持的格式,并进行数据字段的匹配和映射。
2.5 数据分析和挖掘在数据分析和挖掘阶段,项目团队可以利用GIS工具和技术进行各种空间数据的分析和挖掘。
这包括地理空间查询、空间关系分析、空间模式挖掘等。
通过对空间数据进行分析和挖掘,可以发现数据之间的关联性和规律性,并为决策提供科学依据。
GIS扩建施工方案简介地理信息系统(Geographic Information System,简称GIS)是一种将地理空间数据与数据库管理和图形绘制相结合的技术,它主要用于地理信息的存储、查询、分析和可视化等多种功能。
随着社会的发展,越来越多的企事业单位意识到GIS的重要性。
为满足不断增长的需求,扩建GIS系统已成为必然选择,本文将提供一种GIS扩建施工方案。
扩建目标本次扩建的GIS系统旨在提升现有系统的性能、增加新功能并提高系统的可靠性。
具体的扩建目标如下:1.增加地理数据的存储容量,以应对不断增长的数据需求。
2.提升地理数据的处理速度和查询效率,缩短响应时间。
3.引入新的功能模块,如地理数据分析、空间模型等。
4.优化系统的架构和设计,提高系统的可维护性和可扩展性。
5.加强系统的安全性,保护数据的机密性和完整性。
扩建方案根据扩建目标,我们提出以下具体的GIS扩建方案:1. 硬件设施扩充为满足数据存储和处理需求的增加,首先需要对硬件设施进行扩充。
具体包括:•扩大存储容量:根据需求确定需扩充的存储容量,并选择高性能、高可靠性的存储设备。
•增加服务器数量:根据对系统性能的要求,增加服务器数量以分担负载,提高系统的处理能力。
•提升网络带宽:优化系统的网络架构,提高数据传输速度和稳定性,减少网络延迟。
2. 软件系统优化为提升系统的性能和可靠性,需要对软件系统进行优化。
具体包括:•数据库优化:对数据库进行性能调优,包括索引优化、查询优化、数据分区等技术手段,提高数据库的查询效率和响应速度。
•系统架构优化:重新设计系统的架构,优化系统的模块划分和功能组织,提高系统的可维护性和可扩展性。
•引入高效算法:使用高效的地理数据处理算法,在保证计算结果准确性的同时提高计算速度。
•引入缓存机制:采用缓存技术,缓存常用的地理数据,减少对数据库的访问次数,提高系统的响应速度。
•引入高可用技术:通过引入集群和负载均衡等高可用技术手段,提高系统的可用性和可靠性。
gis项目建设方案一、背景介绍GIS(地理信息系统)是一种基于计算机技术的地理信息处理系统,通过对地理信息的采集、存储、管理、分析和展示,实现对地理空间信息的有效利用和综合应用。
随着经济的发展和城市化进程的加快,对地理信息的需求越来越大,因此,建设一套高效且具有可持续发展性的GIS项目显得尤为重要。
二、项目目标1.提高信息共享和管理通过建设GIS项目,实现不同部门、系统之间地理信息的共享和管理,减少信息孤岛现象,提高工作效率和决策的科学性。
2.优化空间规划和资源配置通过GIS系统对土地利用、房地产、交通、环保等各个领域的空间数据进行分析,为决策提供科学依据,优化城市空间规划和资源的合理配置。
3.提高服务质量和效率通过GIS系统整合政府部门的服务信息,提高服务的响应速度和质量,为居民提供更高效、便捷的公共服务。
三、项目内容1.数据采集和建库首先需要采集各类地理信息数据,例如地图、遥感影像、地形数据等。
数据采集可以结合卫星遥感和地面调查等方式进行。
采集到的数据需要进行整理和清洗,并建立相应的地理信息数据库,以便后续的分析和利用。
2.数据处理和分析在建立数据库之后,可以对数据进行进一步处理和分析,例如空间数据关联、空间模型构建、空间查询和网络分析等。
通过这些分析,可以获得地理信息之间的内在关系,并为决策提供科学依据。
3.系统开发和运维在数据处理和分析的基础上,需要开发一套功能完善、易于使用的GIS系统。
该系统应该包括数据查询、空间分析、图层叠加、专题制图等功能,并具备良好的用户界面和数据安全性。
同时,还需要建立系统的运维机制,确保系统的稳定性和数据的及时更新。
四、项目实施计划1.需求分析阶段明确项目目标和需求,了解用户的具体需求和期望,为后续的数据采集和系统开发奠定基础。
2.数据采集和建库阶段根据需求分析的结果,制定数据采集计划,并组织实施。
同时,对采集到的数据进行清洗和整理,并建立数据库。
3.系统开发和测试阶段在数据建库完成之后,开展系统的开发和测试工作。
全国GIS地图更新项目建设方案一、项目背景随着经济发展和城市建设的不断推进,地理信息系统(GIS)的应用在各行业中变得越来越重要。
全国各地的GIS地图不断更新是保证地理信息数据的准确性和时效性的关键。
因此,制定全国GIS地图更新项目建设方案具有重要意义。
二、项目目标本项目的主要目标是完善全国范围内的GIS地图数据,提高地图的准确性和时效性,为各行业的地理信息需求提供支持。
三、项目内容3.1 数据采集与更新本项目将遵循最新的GIS数据标准,利用最先进的数据采集技术,对全国范围内的地理信息数据进行更新和完善。
3.2 数据处理与整合通过数据处理与整合工作,将采集到的数据进行加工处理,确保数据的准确性和一致性。
3.3 数据发布与应用更新后的GIS地图数据将按照相关规范进行发布,为各行业的应用提供支持和服务。
四、项目实施步骤4.1 立项和组建项目组制定项目计划,确定项目组成员及分工,明确项目的实施路线和目标。
4.2 数据采集与更新阶段利用现代化的数据采集工具,对全国各地的地理信息数据进行更新和完善。
4.3 数据处理与整合阶段对采集到的数据进行清洗、处理和整合,确保数据的质量和准确性。
4.4 数据发布与应用阶段将处理完毕的GIS地图数据按照相关规范发布,并提供给用户使用,满足各行业的地理信息需求。
五、项目效益通过全国GIS地图更新项目的实施,可以提高地图数据的质量和时效性,为各行业的发展提供更加准确的地理信息支持。
六、未来展望随着信息技术的不断发展,GIS地图更新项目将持续进行并不断完善,为我国各行业的发展提供更加精准的地理信息支持。
结语全国GIS地图更新项目建设方案的制定是一个重要的工作,只有不断更新地理信息数据,才能更好地满足社会发展的需求。
希望本方案能够得到各方的支持和认可,为我国地理信息事业的发展贡献力量。
gis项目建设方案一、项目背景近年来,地理信息系统(Geographic Information System, GIS)在各个领域中得到广泛应用,有助于数据集成、空间分析和决策支持。
基于此,本项目旨在建设一个综合性的GIS系统,以提供有效的空间数据管理和分析功能,为决策者提供准确的地理信息支持。
二、项目目标1. 构建地理空间数据存储结构:搭建GIS数据库,包括矢量数据、栅格数据和拓扑数据等,实现数据的集成化管理和快速查询功能。
2. 开发地理信息查询与分析工具:通过地图查询和空间分析功能,提供精确的地理信息和专题分析报告,以支持具体应用领域的需求。
3. 实现GIS系统与其他系统的集成:将GIS系统与现有的管理系统、决策支持系统等进行无缝集成,共享数据和功能,提高工作效率和决策的准确性。
三、项目实施方案1. 数据采集与处理:收集各类地理数据,包括地形图、地理位置信息、遥感影像等,并利用数据处理技术进行质量核查、清洗和地理参考处理。
2. 数据存储与管理:建立GIS数据库,采用关系数据库管理系统,并设计合理的数据模型和数据字典,确保数据的一致性和完整性。
3. GIS应用软件开发:开发适应项目需求的GIS应用软件,包括地图查询、空间分析、报表生成等功能模块,并保证软件的可靠性和易用性。
4. 系统集成与测试:将GIS系统与其他系统进行数据集成和功能集成,并进行系统整合测试,确保系统的稳定性和可靠性。
5. 培训和技术支持:对系统的管理员和用户进行培训,提供相关技术支持和维护服务,确保系统的正常运行和持续改进。
四、项目进度安排1. 数据采集与处理:预计耗时2个月,包括数据收集、质量核查和地理参考处理等环节。
2. 数据存储与管理:预计耗时1个月,包括数据库设计、数据模型建立和数据字典定义等环节。
3. GIS应用软件开发:预计耗时3个月,包括需求分析、软件设计和编码、测试和优化等环节。
4. 系统集成与测试:预计耗时1个月,包括数据集成、功能集成和系统整合测试等环节。
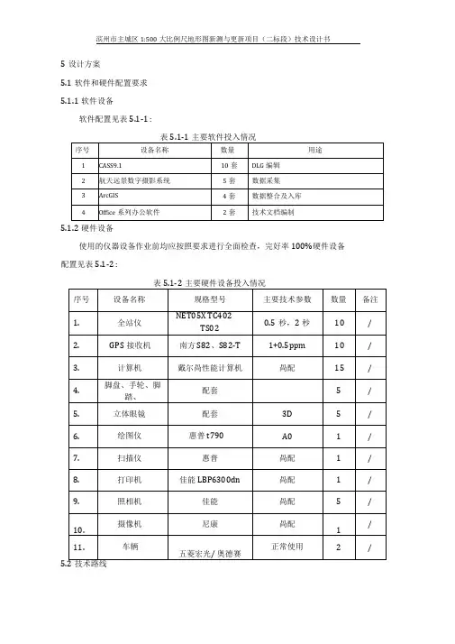
5设计方案5.1软件和硬件配置要求5.1.1软件设备软件配置见表5.1-1 :表主要软件投入情况5.1.2硬件设备使用的仪器设备作业前均应按照要求进行全面检查,完好率100%硬件设备配置见表5.1-2 :表5.1-2主要硬件设备投入情况项目全采用“内业T外业T内业”作业模式进行施工。
1)数据更新模式1:500比例尺基础地理信息数据更新方法依据地形要素变化率分为新测、修补测。
地物要素变化率参照GB/T 14268-2008附录B中地图格网统计法计算。
地物变化率计算以图幅为单位,以图上1cm1格网为1个变化量统计单位(G), 以公式a格=(m/M X 100%公式中a格为地物变化率,m为图幅内地物要素变化的总G数,M为图幅的理论总1cm1格网数(M>m。
当地物变化率a格>40%寸,进行重测,图幅内全部地理信息要素进行测绘。
当地物变化率a格<40%寸,进行修测,对图幅内部分地物要素和相应变化了的地貌进行实测修正。
原数据采用修测或修编更新方法更新超过3次,要对全部的地理信息要素进行重测。
2)数据变化信息获取方法将2015年DLG数据与2017年0.05米DO贓据进行套合对比配合人工巡查获取整个测区全面的变化信息。
3)数据更新内业立体采集为主,外业实测为辅进行数据更新。
结合测区的地形地貌及地物特点,采用航测数字法成图,平面和高程数据都由航测内业采集。
数据采集先内业判测,后外业调绘、外业补测,数据编辑整理,再数据入库。
5.3图根控制测量5.3.1图根点的布设1)图根平面控制点逐级布设,每个控制点宜保证有一个以上的通视方向。
2)图根控制点是地形图修测和地形图测量的依据,图根点在基本控制点基础上加密。
3)图根控制测量采用山东省GPS连续运行参考站(SDCORS为基础进行布设。
4)图根点的密度以满足地形、地物点及界址点的数据采集为原则,合理布设并应尽量的均匀分布,每幅图不少于4个(包括各等级控制点),个别情况至少2 个。
地图项目的实施方案一、项目背景。
随着城市的发展和人们生活水平的提高,地图已经成为人们生活中不可或缺的一部分。
地图不仅可以帮助人们找到目的地,还可以提供周边环境信息、交通状况等实用信息。
因此,我们决定开展地图项目,以提升用户体验,满足用户需求。
二、项目目标。
1. 提升地图应用的精准度和覆盖范围,确保用户在任何地点都能准确获取地图信息。
2. 优化地图应用的交互体验,提高用户使用的便捷性和舒适度。
3. 加强地图应用的功能性,增加实用工具和服务,满足用户多样化的需求。
4. 提高地图应用的数据更新速度和实时性,确保用户获取的信息是最新的。
三、实施方案。
1. 数据采集与更新。
为了提高地图应用的精准度和实时性,我们将加大数据采集的力度,包括道路、建筑、地标等信息的收集。
同时,建立数据更新机制,确保地图数据的及时更新。
2. 技术改进与优化。
针对地图应用的交互体验和功能性,我们将进行技术改进和优化。
包括地图界面的设计优化、搜索算法的优化、导航功能的增强等,以提高用户体验和满足用户需求。
3. 服务扩展与升级。
除了基本的地图显示和导航功能外,我们将增加更多的实用工具和服务,如周边信息查询、实时交通状态、停车场导航等,以满足用户多样化的需求。
4. 用户反馈与改进。
我们将建立用户反馈渠道,收集用户对地图应用的意见和建议,及时进行改进和优化,以不断提升地图应用的质量和用户满意度。
四、项目实施计划。
1. 数据采集与更新阶段,持续进行数据采集和更新,确保地图数据的准确性和实时性。
2. 技术改进与优化阶段,进行技术改进和优化,提高地图应用的交互体验和功能性。
3. 服务扩展与升级阶段,增加实用工具和服务,满足用户多样化的需求。
4. 用户反馈与改进阶段,建立用户反馈渠道,持续改进和优化地图应用。
五、项目风险与对策。
1. 数据采集困难,加大数据采集力度,引入先进的数据采集技术。
2. 技术改进难度大,加强技术研发团队,引入高级技术人才,加快技术改进和优化的进程。
地理信息系统中快速地图更新的方法与策略地理信息系统(GIS)在当代社会中扮演着至关重要的角色。
随着技术的迅速发展,地图的准确性和及时性成为了地理信息系统更新中的一个重大挑战。
本文将探讨一些快速地图更新的方法和策略,以提高地图数据的准确性和更新速度。
一、引言地理信息系统在现代社会中的应用范围非常广泛,涉及各个行业和领域。
然而,由于地图的信息容量较大,很难及时更新和准确反映实际情况。
因此,快速地图更新成为了一个迫切需要解决的问题。
二、利用卫星遥感技术进行地图更新卫星遥感技术是一种获取地球表面信息的有效手段。
通过卫星图像的获取和处理,可以快速更新地图的信息。
利用卫星遥感技术进行地图更新的方法主要包括数据采集、图像处理和信息提取。
1. 数据采集数据采集是卫星遥感技术的第一步。
可以通过卫星系统、地面测量仪器和航空摄影等方式获取地图数据。
卫星图像可以提供大范围的地理信息,而地面测量仪器和航空摄影则可以提供更加精确的地理信息。
2. 图像处理获取到的卫星图像需要进行处理,以提取有用的地理信息。
图像处理包括图像解译、图像校正和图像配准等步骤。
图像解译是将卫星图像中的地物信息识别和分类,图像校正是将卫星图像进行去噪和增强处理,图像配准是将卫星图像与现有地图进行匹配。
3. 信息提取经过图像处理之后,可以提取出有用的地理信息。
信息提取包括地物识别、地物分类和地物属性提取等步骤。
地物识别是将图像中的地物进行标注和识别,地物分类是将地物进行分组和分类,地物属性提取是提取地物的属性信息,如高度、面积和形状等。
三、利用移动设备进行地图数据采集移动设备的普及为地图数据采集提供了新的途径。
借助于移动设备的智能化和便携性,可以有效地采集地图数据,并及时更新地图信息。
1. 软件开发为了实现移动设备上的地图数据采集,需要开发相应的软件。
这些软件需要具备地图显示、数据录入和数据传输等功能。
同时,还需要考虑数据的存储和管理,以便进行后续的处理和更新。
地形图更新的实施方案地形图更新的实施方案可以分为以下几个步骤:1. 梳理需求:首先,需明确地形图更新的目的和需求,包括更新的区域范围、精度要求、实际用途等。
同时,还需要对已有的地形数据和相关资源进行评估和分析,以确定更新所需的数据来源和工具。
2. 数据采集:地形图的数据采集可以通过多种途径进行,包括航拍、测量、卫星遥感等。
根据需求,可以选择合适的数据采集方式和工具。
例如,对于小范围的地形图更新,可以通过无人机进行航拍和测量;对于大范围或复杂地形的更新,可以考虑利用卫星遥感数据进行采集。
3. 数据处理:采集到的地形数据需要进行处理,包括数据筛选、校正、配准等。
数据筛选是指对采集到的数据进行质量评估和筛选,选择质量可靠的数据进行后续处理。
数据校正是指将采集到的数据与参考数据进行比对和校正,以提高数据的精度和准确性。
数据配准是指将采集到的地形数据与地理坐标系统进行匹配,以确保数据的一致性和可用性。
4. 数据更新:在完成数据处理后,可以根据需求进行地形图的更新。
更新的方式可以根据实际情况选择,包括手工绘制、数字化处理等。
在更新过程中,需要根据数据的精度要求和实际用途,合理选择符号和标注,以确保地形图的准确性和可读性。
5. 质量控制:更新完成后,需要进行质量控制,包括对地形数据的准确性和一致性进行评估和验证。
可以采用抽样调查和比对分析等方法,对地形数据进行质量控制。
6. 发布和交流:更新完成后,可将地形图发布和向相关部门或用户进行交流。
可以通过印刷、电子版、在线地图等渠道进行发布,以满足不同用户的需求。
综上所述,地形图更新的实施方案包括梳理需求、数据采集、数据处理、数据更新、质量控制和发布交流等步骤。
通过科学合理的实施方案,可以提高地形图的准确性和可读性,满足不同用户的需求。
gis项目建设方案一、项目背景随着信息技术的发展和地理信息系统(GIS)在各个行业的广泛应用,越来越多的组织和企业开始意识到GIS在决策和资源管理中的重要性。
本项目旨在建设一套完善的GIS系统,以提高组织的决策效率和资源利用率。
二、项目目标1.建立高效的数据管理系统:通过采集、整理和更新地理信息数据,建立一套完整、准确的GIS数据管理系统,包括基础地图数据、空间分析数据和业务数据。
2.提供专业的地图制作和分析功能:通过GIS系统,为用户提供多种地图制作和分析功能,包括空间分析、地理编码、缓冲区分析等,满足用户对地理信息的各种需求。
3.支持多平台和多终端的应用:GIS系统应具备多平台和多终端的应用能力,包括PC端、移动端和Web端,以满足用户在不同场景下的使用需求。
4.建立应急响应和决策支持平台:通过GIS系统,实现对重大事件和灾害的应急响应能力,提供实时的地理信息和决策支持,为领导决策提供有力支持。
三、项目内容1.需求调研和分析:对组织内部各部门和用户的需求进行调研和分析,包括数据需求、功能需求和应用场景需求。
2.系统设计和架构:根据需求分析结果,设计GIS系统的整体架构和模块划分,确定数据存储、数据交互和功能实现等方面的技术方案。
3.数据采集和整理:通过现场调查、遥感技术和业务数据整合,采集并整理基础地图数据、业务数据和空间分析数据。
4.系统开发和测试:根据系统设计方案,进行GIS系统的开发和测试,包括数据库搭建、功能模块开发和界面设计等。
5.系统部署和运维:将开发完成的GIS系统部署到服务器和用户终端上,并进行系统运维和问题排查,确保系统的稳定运行。
四、项目计划1.需求调研和分析阶段(2周):收集和分析用户需求,编制需求规格说明书。
2.系统设计和架构阶段(2周):完成系统设计和架构方案,编制技术方案文档。
3.数据采集和整理阶段(4周):采集和整理基础地图数据、业务数据和空间分析数据。
4.系统开发和测试阶段(6周):进行GIS系统的开发和测试,编写开发文档和测试文档。
gis项目建设方案一、项目背景地理信息系统(GIS)是一种将地理空间数据与属性数据相结合的技术,可以用于地理信息的采集、存储、管理、分析和展示。
随着科技的不断发展,GIS在城市规划、环境保护、农业管理等领域发挥着重要作用。
本文旨在探讨如何制定一个有效的GIS项目建设方案。
二、项目目标1. 建立地理空间数据库:通过采集和整理地理空间数据,建立全面、准确的地理信息数据库,为后续的分析和决策提供可靠的数据支撑。
2. 实现地理信息可视化:利用现代化的地理信息系统平台,将地理空间数据以图像、图表等形式直观地展示出来,方便用户理解和利用。
3. 提供决策支持:通过GIS技术的应用,为政府和企业提供科学的决策支持,帮助其制定合理的规划和策略。
三、项目内容1. 数据采集和整理:收集相关的地理空间数据,包括地形地貌数据、人口分布数据、土地利用数据等,并对数据进行清洗、整理、分类和编码。
2. 数据存储和管理:将采集到的地理空间数据存储到数据库中,建立空间索引和属性索引,确保数据的高效调取和管理。
3. 数据分析和处理:利用GIS软件进行地理空间数据的分析、处理和模拟,得出相关的统计结果和趋势分析。
4. 地理信息展示和发布:将分析结果进行可视化展示,利用地图、图表、动态模拟等方式呈现地理信息,同时支持数据的在线发布和分享。
四、项目实施步骤1. 需求分析:与项目参与方进行沟通,明确项目需求和目标,确定GIS系统的功能和应用范围。
2. 数据采集和整理:组织相关人员进行地理空间数据的采集工作,并进行数据清洗、整理和编码,确保数据的质量和一致性。
3. 系统建设和开发:根据需求分析的结果,选用适合的GIS技术平台,进行系统的建设和开发,包括数据库的设计、功能模块的开发等。
4. 测试和上线:对开发完成的GIS系统进行测试和验证,确保其性能与功能的稳定和可用性,然后进行系统的上线发布和推广。
5. 处理与维护:建立GIS系统的日常运维机制,定期对数据进行更新和维护,解决系统中出现的问题和bug。
gis项目建设方案GIS 项目建设方案一、项目背景随着信息技术的飞速发展,地理信息系统(GIS)在各个领域的应用越来越广泛。
GIS 能够将地理空间数据与属性数据相结合,为决策提供有力的支持。
本项目旨在建设一个功能强大、性能稳定、易于使用的GIS 系统,以满足_____(具体需求方)在_____(具体业务领域)方面的需求。
二、项目目标1、建立一个涵盖_____(具体地理范围)的地理信息数据库,包括地形、地貌、土地利用、交通网络等基础地理信息。
2、开发一套具有数据采集、编辑、查询、分析、展示等功能的GIS 应用系统,满足_____(具体用户)的日常工作需求。
3、实现与现有业务系统的集成,实现数据的共享和交互。
4、提供高效、稳定、安全的运行环境,确保系统的可用性和可靠性。
三、项目需求分析1、数据需求收集和整理_____(具体数据类型)等基础地理数据。
确定数据的格式、精度、坐标系等规范。
评估数据的更新频率和来源。
2、功能需求数据采集与编辑功能,支持手动录入、导入外部数据等方式。
数据查询与检索功能,能够快速准确地查找所需的地理信息。
空间分析功能,如缓冲区分析、叠加分析、网络分析等。
数据展示功能,包括地图制图、图表生成、三维展示等。
3、性能需求系统响应时间要求在_____秒以内,以保证用户的操作体验。
支持同时在线用户数不少于_____个。
4、安全需求对数据进行访问控制,确保只有授权用户能够访问和操作敏感数据。
采取数据备份和恢复措施,防止数据丢失。
5、兼容性需求支持主流的操作系统和浏览器。
能够与现有业务系统进行无缝集成。
四、项目技术方案1、数据采集与处理采用_____(具体采集工具和技术)进行地理数据的采集。
对采集的数据进行预处理,包括数据清洗、格式转换、坐标转换等。
2、数据库设计选择合适的数据库管理系统,如_____(具体数据库名称)。
设计合理的数据库结构,包括数据表、字段、索引等。
3、系统架构采用_____(具体架构模式,如 B/S 或 C/S)架构。
gis项目建设方案1GIS项目建设方案一、项目背景随着信息技术的迅猛发展和应用需求的不断增加,GIS(地理信息系统)作为一种重要的空间分析工具被广泛应用于各个领域。
为了满足**(填写项目所属领域)**领域中**(填写具体应用需求)**的需求,本项目旨在构建一个高效、稳定的GIS系统,提供准确可靠的地理信息服务。
二、项目目标1. 构建数据平台:建立一个完备的地理数据平台,整合各类地理数据(包括地理空间数据、属性数据等),实现数据的统一管理和共享。
2. 开发分析功能:开发针对**(填写具体应用需求)**的专业地理空间分析功能,提供精准可靠的分析结果。
3. 搭建服务平台:构建一个稳定高效的地理信息服务平台,实现对外提供地理信息查询、分析和展示等服务。
三、项目实施步骤1. 需求分析:明确项目所需功能和服务,并与相关部门进行深入沟通和需求调研,以确保项目目标与最终交付的系统能够完全符合需求。
2. 数据采集和整理:对所需地理数据进行采集,并进行整理和清洗,确保数据的质量和准确性。
3. 数据存储和管理:搭建数据平台,采用**(填写数据库类型,如Oracle、PostgreSQL等)**等数据库技术,实现地理数据的存储和管理。
4. 功能开发:根据需求分析的结果,开发相应的地理空间分析功能,确保系统能够满足用户的需求,并通过测试保证其稳定性和可靠性。
5. 服务搭建:搭建地理信息服务平台,采用**(填写服务搭建工具,如ArcGIS Server、GeoServer等)**等技术,实现地理信息的查询、分析和展示等服务。
6. 系统集成和测试:将各个模块整合成一个完整的GIS系统,进行系统级联调和功能测试,确保各项功能正常运行和相互协调。
7. 系统上线和运维:将系统上线运行,并进行相关的运维工作,包括系统监控、故障排查和性能优化等。
四、项目进度计划根据项目的实际情况,制定以下项目进度计划:1. 需求分析阶段:预计耗时2周,包括需求调研、需求确认和需求文档编写等工作。
GIS项目开发计划书项目背景GIS(地理信息系统)是一种集成了地理空间数据、地理信息处理、地理信息查询、地理信息可视化等多种功能的系统。
随着地理信息技术的发展和应用需求的增加,越来越多的组织和企业开始使用GIS项目来管理和分析地理空间数据。
本项目旨在开发一个基于GIS的应用程序,用于展示和分析地理空间数据,并提供相关的功能和服务。
首先,我们将从需求分析开始,明确项目的目标和范围;然后,进行系统设计和开发,最后进行测试和部署。
项目目标本项目的主要目标是开发一个功能完备、性能稳定的GIS应用程序,具体目标如下:1.实现地理空间数据的可视化展示,支持多种地图投影和地图样式选择;2.提供地理空间数据的查询和分析功能,如缓冲区分析、空间查询等;3.支持用户自定义数据图层的添加和编辑,方便用户管理自己的地理数据;4.实现用户权限管理和用户身份验证,保证系统安全性;5.支持多种数据格式的导入和导出,方便与其他GIS系统进行数据交换;6.提供友好的用户界面和用户操作体验,使用户能够快速上手,高效使用。
项目范围本项目的开发范围包括以下几个方面:1.前端开发:包括用户界面设计和开发、地图呈现和交互等;2.后端开发:包括数据处理和存储、查询和分析功能的实现等;3.数据库设计和管理:根据需求设计数据库结构,并进行数据库管理和优化;4.服务器部署和维护:将开发好的应用程序部署到服务器上,并进行后续的维护和升级。
开发计划本项目的开发计划分为以下几个阶段:阶段一:需求分析与设计时间:1个月在这个阶段,我们将与客户进行需求讨论,明确项目的具体需求和功能,并进行整体设计。
具体任务包括:1.与客户沟通,了解项目需求和目标;2.分析需求,提出功能设计方案;3.确定系统架构和技术选型;4.编写需求文档和设计文档。
阶段二:前端开发时间:2个月在这个阶段,我们将进行前端界面的设计和开发。
具体任务包括:1.设计用户界面,包括地图展示和地图操作的交互;2.开发地图展示功能,支持多种投影和地图样式选择;3.实现用户自定义数据图层的添加和编辑功能;4.编写前端代码,实现地图交互和数据展示。
项目GIS技术策划书1. 背景介绍本文档旨在提供项目GIS技术策划书,为实施GIS技术在该项目中的应用提供指导和规划。
2. 目标与范围本项目的目标是在项目实施过程中通过GIS技术的应用,提升项目的效率和效益。
3. GIS技术的应用GIS技术将被应用于以下方面:- 地图制作和分析:利用GIS技术制作项目所在区域的地图,并进行分析,为项目实施提供支持。
- 空间数据管理:建立项目相关的空间数据库,存储和管理项目所需的地理信息数据。
- 空间决策支持:利用GIS技术提供空间决策支持系统,辅助项目决策和规划。
- 空间模拟和可视化:通过GIS技术进行空间模拟和可视化,帮助项目团队更好地理解和评估项目实施的可能性和影响。
4. 技术需求为实现项目中的GIS应用,需要满足以下技术需求:- 地理信息系统软件:选择适合项目需求的GIS软件,并确保其兼容性和稳定性。
- 数据采集工具:选择适合的数据采集工具,用于收集和更新地理信息数据。
- 硬件设备:确保项目团队有足够的硬件设备支持GIS技术的应用,包括计算机、服务器等。
- 数据安全性:确保项目中涉及的地理信息数据的安全性,采取必要的措施进行备份和保护。
5. 实施计划初步的GIS技术实施计划如下:- 需求分析:明确项目团队对GIS技术的需求,并进行需求分析。
- 技术选型:根据项目需求选择合适的GIS软件和硬件设备。
- 数据准备:收集、整理和准备地理信息数据。
- 系统开发:进行GIS系统的开发和定制,确保其满足项目需求。
- 系统测试:对GIS系统进行测试和调试,确保其正常运行和稳定性。
- 系统上线:将GIS系统正式投入使用,并进行培训和支持。
6. 风险与挑战在实施GIS技术的过程中可能会遇到以下风险和挑战:- 技术难题:GIS技术的复杂性可能导致技术难题的出现,需要及时解决。
- 数据质量:地理信息数据的质量对于GIS技术应用的有效性至关重要。
- 人员培训:项目团队成员可能需要接受GIS技术的培训和指导,以便充分利用GIS技术提供的功能和优势。
GIS安装专项施工方案GIS(地理信息系统)是一种用来进行空间分析和地理数据管理的技术。
在现代的城市规划和土地管理中,GIS扮演着至关重要的角色。
在进行GIS安装时,需要按照一定的专项施工方案来进行,以确保系统的准确性和稳定性。
下面是一份GIS安装专项施工方案,供参考:一、前期准备1.确定安装GIS的位置:要确定GIS的安装位置,首先要考虑系统的规模和要求,选择一个宽敞、通风良好、安全可靠的机房作为GIS的安装位置。
2.准备所需设备:根据GIS系统的规模和要求,准备好所需的服务器、工作站、网络设备、软件等设备。
3.制定安装计划:根据实际情况和项目要求,制定详细的安装计划,包括安装步骤、安装时间、人员配备等。
二、安装步骤1.安装服务器和网络设备:首先要安装服务器和网络设备,保证网络的畅通和稳定性。
2.安装GIS软件:根据安装计划,按照软件提供的安装指南,依次安装GIS软件和相关插件。
3.配置数据库:GIS系统通常需要使用数据库来存储地理数据,配置数据库可以提高系统的运行效率和稳定性。
4.建立地理数据:根据实际需求,导入或采集地理数据,建立GIS数据库。
5.配置地图服务:根据项目要求,配置地图服务,提供在线地图浏览功能。
6.测试系统:安装完成后,进行系统测试,包括地理数据的查询、显示、分析等功能测试。
7.人员培训:安装完成后,对相关人员进行培训,使其能够熟练操作GIS系统。
8.验收与备案:完成系统测试后,进行验收,确保系统符合要求;并将相关安装文档进行备案。
三、系统维护1.定期更新:定期对GIS系统进行软件和地理数据的更新,确保系统的准确性和时效性。
2.定期维护:定期对GIS系统进行维护,检查系统运行情况,清理垃圾数据,保证系统的稳定性。
3.故障排除:在系统运行过程中,及时处理系统出现的故障,确保系统的正常运行。
4.安全备份:定期对GIS系统的数据进行安全备份,以防数据丢失或损坏。
通过以上的专项施工方案,可以有效地指导GIS系统的安装和维护工作,确保系统的正常运行和稳定性。
全国GIS地图更新项目建设方案公司全国GIS地图更新项目建设方案一、公司全国GIS地图更新项目建设背景公司GIS地图应用3年来,为公司运输车辆的实时定位、运输全程监控等安全管控活动提供了信息可视化及空间分析基础,差不多成为公司车辆治理系统必不可少的组成部分之一。
为了保证公司GIS地图准确性,公司进行了两次年度地图更新升级工作,公司地图现势性与2011年度真实世界地理信息是一致的。
两年过去了,全国大部分地区专门是中部地区,基础建设步伐不断加快,国家公路网、公路附属设施、都市建筑等基础设施不断增加,真实世界的地理信息发生了专门大变化,为了排除公司GIS地图与真实世界地理信息之间的偏差,以保证公司GIS地图能连续为公司安全生产活动提供高质量连续服务,2020年度公司GIS地图更新升级工作须提上日程。
随着公司安全生产治理信息化建设及应用的不断深入,公司全国GIS地图每年更新势必成为常态。
二、公司全国GIS地图更新项目建设目标依照从图商处采购的2020年最新数据开展公司GIS地图更新升级工作,完成全国范畴14个比例尺下新增、变更及废弃信息的更新升级,要紧包括三方面的内容:一是完成新增、变更及废弃道路等级、形状及名称的更新升级;二是完成公路网限速信息的增加;三是完成新增、变更道路附属设施及都市POI信息的更新及丰富。
三、公司全国GIS地图更新方案(一)数据源简介本次公司GIS地图更新数据源类型包括矢量地图数据与影像资料两类。
1.矢量数据源矢量数据源包括多种不同比例尺的基础地图数据,分别是1:100万、1:20万和1:2.5万三种比例尺地图数据,见下表。
2.影像数据源影像数据源包括航空影像和卫星遥感影像:中国全域15米ETM影像、中国全域30米DEM和省会都市城区0.5m 高辨论率的航空影像或卫星遥感影像。
3.道路等级(1).高速道路:连接都市与都市之间,全封闭并设有中央分隔带,全部立体交叉并具有完善的交通安全设施和治理、服务设施,供汽车分道分向行驶并全部操纵出入的干线公路。
(2).都市高速:都市内全封闭并设有中央分隔带,供汽车分道分向行驶的高等级快速机动车专用道路。
(3).国道:由国家投资修建并统一治理的连接两省(市)以上、及重要港口、机场、边防重镇、国际交通与重要政治、经济中心的要紧道路。
名称为“Gxxx”或“xxx国道”,路碑字体为红色。
(4).省道:由省政府投资修建的连接重要县(市)的省际交通要道。
名称为“Sxxx”或“xxx省(市)道”,路碑字体为蓝色。
(5).县道:由地点政府投资修建的连接县(市)与县(市)及重要乡镇之间的道路,名称为“Xxxx”或“xxx县道”, 路碑字体为黑色。
(6).市镇村道:都市内部要紧交通干道、连接乡镇之间或乡镇与村的道路。
(7).其它道路:包括:有门或门卫的道路;道路狭窄或路况专门差的道路;其他无法通车的道路。
(8).九级辅路:非机动车辆通行的辅路我们定义为九级辅路。
(9).航线:供车辆渡过河流、湖泊、海峡等水域的路线。
图5-1(10).行人道路:只能供行人行走的道路,机动车辆因物理上的限制不能通行。
如狭窄的胡同,公园内的小径,任何车辆都无法驶入的步行商业区域等。
(二)公司GIS设计方案1.整体设计(1)显示比例尺分级。
不同显示比例尺,随着比例尺的增大其显示内容也应逐级递增,保证各内容要素、要素属性、要素关系应正确、无遗漏。
对构成网络系统的道路、河流,依照网平面图形特点进行取舍。
选取道路时,应正确表示道路的类别、等级、位置,反映道路网的结构特点、通行状况、分布密度形成连贯互通的道路网。
本次比例尺设计依照国家地图审图安全要求重新修改完善公司全国GIS地图比例尺标准:在原有13个比例尺基础上增加一个1:4000万小比例尺地图,将原先1:2600万比例尺地图调整为1:2000万地图。
(2)数据内容分级。
依照地图要素的质量特点和数量特点,结合公司业务重点关注内容,将矢量数据源不同类别的数据进行了分级,将水系按需求分为不同的显示级别,POI 点按不同关注程度不同,划分成多种级别,并在显示的优先级别做划分。
道路数据分级处理后,在不同显示比例尺下,为了实现各地区道路数据的互联互通,对所有道路数据的显示进行了升级和降级处理。
(3)颜色使用。
电子地图上,各要素用色尽量做到突出地图主题,增强各重点关注内容的表现力,同时给出不同比例尺下地图用色方案。
本项目除依据国家标准规范规定用色外,还加入了适合业务的具体内容不同显示要求的用色方案。
(4)符号使用。
不同比例尺下,电子地图中传输地理信息的符号是最要紧的可视化要素。
当前国家基础地理信息中心差不多提供一套标准的符号,这些符号满足了大部分用户在地理信息符号化中的需求,除此之外,针对不同专业领域的应用,能够依据实际情形与不同的需求,能够自定义所需的符号。
针对本项目的专门应用,在国家标准的符号基础上,我们对部分符号做了专门处理,以达到用户要求。
(5)道路网自成体系。
道路体系包括:道路和道路附属设施。
道路由道路等级和属性组成。
道路和道路附属设施按点、线和注记,依照重要性,设计颜色和尺寸进行地图表达。
路网按照连通性和连通功能,将道路数据分级5级路网,按照路网显示道路数据。
道路等级和组成整饰设计。
按照道路类型及道路属性,对道路数据分析并分类处理,赋不同颜色和尺寸。
为使道路色彩明亮突出,采纳黄色系为高等级路(高速公路、国道、省道、县道)大比例尺加深褐色边加强突出道路,低等级道路以白色为主大比例尺加灰色边突出道路。
大比例尺中按照道路属性调整道路宽度,连接路、匝道、辅路比正常路线细,视觉容易区分。
道路名称注记黑体黑色加白色晕边保持字头向上。
道路编号按实际设计,高速编号采纳白字绿色长方底框,国道编号白字粉色长方底框,省道编号白字蓝色长方底框,使注记清晰突出易辨认。
道路附属设施要紧包括红绿灯、危险路牌、高速出入口、收费站、服务区、停车场、港口码头、机场、火车站等。
依照形象设计了相关符号。
注记按照关注度,采纳红色系黑体颜色,危险路牌用红色,高速出入口、收费站、服务区、停车场、港口码头、机场、火车站用暗红色。
路网分级。
按道路“直线贯穿”和连接功能原则,对路网分级。
将与高等级道路直行方向连接、且显示等级较低的道路进行显示等级提升,保证当前比例尺级别下的道路从视觉上具备完整的路网特点,路网内道路均能直行连通。
2. 地图更新工艺流程总体工艺过程分为数据预备、数据预处理、数据整饰、成果组织四个时期。
电子地图制作整饰工艺流程图如下:(1)数据处理要紧目标是为数据整饰时期提供可高效处理、满足整饰要求的数据源。
处理时期最终成果为本底数据库。
要紧工作包括:数据整理、制作配图模板、道路显示分级、POI点分级、省级线状数据接边、及格式转换等一系列工作。
数据整理。
从数据源中提取相关要素并连接要素属性名称。
按两个步骤进行:第一,按照不同比例尺数据,提取的不同比例尺要素层包括:道路,道路附属设施、行政区界线、水系、绿地、显示文字点、POI点等要素。
第二,连接要素属性名称:通过软件将包含名称信息的文件连接到相关要素层。
包括:道路名称、行政区名称、水系名称、地物名称、POI点名称等要素信息。
制作配图模板。
以四川省数据为实例,制作配图模板。
按照需求参考国家标准制定地图分级显示比例尺:按照需求参考国家标准制定分级显示比例尺显示的内容;按照需求参考国家地图出版标准及网络电子地图图式调整配图模板中各个要素的符号表达颜色尺寸及注记的颜色尺寸,达到图面成效美观、和谐、层次分明,道路网美观、突出且道路等级区分明显,要素符号及注记不互相压盖。
道路分级。
依据显示比例分级方案,对道路数据做初步分级,并按“直线贯穿”原则,将与高等级道路直行方向连接、且显示等级较低的道路进行显示等级提升,保证当前比例尺级别下的道路从视觉上具备完整的路网特点,路网内道路均能直行连通。
POI分级。
为操纵不同比例尺,图面内POI点的的疏密状况,通过POI点的等级和一定面积内显示POI点个数,达到操纵POI点的显示疏密最佳视觉成效及应用成效。
确定POI等级,开发程序进行选择。
影像纠正:对影像数据做纠正处理,以达到影像与矢量数据源统一地图投影,并检查纠正精度,使影像与矢量套合精度满足相关规定。
接边处理:将本省数据与邻省数据统一加载检查,按跨省路网直线贯穿的原则,处理跨省道路的显示级别。
格式转换:将数据转为FileGDB,在FileGDB中,大中比例尺数据按省组织数据表、小比例尺数据按国家组织数据表。
(2) 数据整饰数据整饰时期的要紧工作是将依据整饰模板,将不同地域的数据源配饰成专业地图供最终显示使用。
整饰时期的要紧处理工艺包括数据源链接、图层文件生成、细部处理、注记处理。
数据源链接。
在ArcCatalog将已有整饰模板中的图层数据源改为当前输入的数据源,使得整饰方案与实际数据源关联。
图层文件生成。
将整饰模板中的大比例尺、中比例尺、小比例尺数据分别按国家、省存成不同的图层文件(lyr)。
细部处理。
各省数据在使用统一配图模板的情形下,按照道路体系和POI点分不同比例尺,按照地域图面疏密饱满程度不同情形进行细节处理。
区域道路分类显示。
在不同比例尺的道路显示中,针对全国道路疏密及饱和程度的不同,分区域对道路显示做细部处理。
注:西部地区:西北五省(新疆、西藏、青海、甘肃、内蒙)。
东部地区:除西部以外地区。
人工目视全面检查图面POI点是否满足信息量负载情形,再进行适当调整。
注记处理。
将POI、道路、水系的标注转为注记表并命名。
同时关联注记图层与注记表。
(3) 检查修改小比例尺和中比例尺逐级检查图面信息饱和度和注记压盖情形。
要紧检查要素包括:道路、行政区划、水系、地物及其注记。
大比例尺按照省份逐级检查图面信息饱和度和注记压盖情形。
要紧检查要素包括:道路、行政区划、水系、地物、POI点及其注记。
(4) 成果组织时期处理工艺成果组织时期的要紧目的是形成最终B/S使用的瓦片库和C/S使用的客户端数据库。
其要紧工作包括瓦片切割、C/S 客户端数据库处理两项工作:瓦片切割,利用ArcGIS瓦片切割工具,将已整饰地图切割为瓦片地图;C/S客户端数据库处理,将大比例尺数据按地区进行切割,并重复数据源链接和图层生成步骤,形成大比例尺地图图层文件。
3. 具体实施规范及样图(1)内容选择规范3.2.3.2图例规范要素大类要素名称显示比例(W:万K:千)符号示例道路高速公路1:1KW-1:256W1:128W-1:32W1:16W-1:8W1:4W-1:2W1:1W-1:5K高速_辅路_匝道_服务区1:4W-1:2W1:1W-1:5K高速_隧道1:4W-1:2W高速_隧道1:1W-1:5K国道(都市快速路)1:1KW-1:256W1:128W-1:32W1:16W-1:8W1:4W-1:2W1:1W-1:5K国道_辅路_匝道_服务区1:4W-1:2W1:1W-1:5K国道_隧道1:4W-1:2W国道_隧道1:1W-1:5K省道1:1KW-1:256W要素大类要素名称显示比例(W:万K:千)符号示例1:128W-1:32W1:16W-1:8W1:4W-1:2W1:1W-1:5K省道_辅路_匝道1:1W-1:5K 1:4W-1:2W省道_隧道1:4W-1:2W1:1W-1:5K县道1:1KW-1:256W 1:128W-1:32W 1:16W-1:8W 1:4W-1:2W 1:1W-1:5K县道_辅路_匝道1:4W-1:2W 1:1W-1:5K县道_隧道1:4W-1:2W1:1W-1:5K乡镇村道1:1KW-1:256W 1:128W-1:32W 1:16W-1:8W要素大类要素名称显示比例(W:万K:千)符号示例1:4W-1:2W1:1W-1:5K乡镇村道_辅路_匝道1:4W-1:2W 1:1W-1:5K乡镇村道_隧道1:4W-1:2W 1:1W-1:5K其他路1:1W-1:5K 风景线路1:1W-1:5K 九级路1:1W-1:5K九级路_辅路_匝道1:1W-1:5K 行人道1:1W-1:5K轮渡1:1KW-1:256W 1:128W-1:32W 1:16W-1:8W 1:4W-1:2W 1:1W-1:5K桥所有显现该要素的比例和相连道路等级线型一致红绿灯1:1W-1:5K危险路牌1:1W-1:5K高速出入口1:1W-1:5K要素大类要素名称显示比例(W:万K:千)符号示例收费站1:1W-1:5K 机场1:2W-1:5K 服务区1:1W-1:5K 火车站1:1W-1:5K港口、渡口、码头1:1W-1:5K 地铁站出入口1:5K道路注记高速编号1:128W-1:16W 国道编号1:128W-1:16W 省道编号1:64W-1:5K高速1:32W1:16W-1:8W1:4W1:2W要素大类要素名称显示比例(W:万K:千)符号示例1:1W-1:5K国道1:8W1:4W-1:2W 1:1W-1:5K省道1:8W1:4W1:2W1:1W-1:5K县道1:4W-1:2W1:1W-1:5K 乡道1:4W-1:2W1:1W-1:5K要素大类要素名称显示比例(W:万K:千)符号示例轮渡1:2W-1:5K渡口、码头、港口1:2W-1:5K 机场1:2W-1:5K 高速出入口1:1W-1:5K 收费站1:1W-1:5K 火车站1:2W-1:5k 桥1:1W-1:5K 隧道1:2W-1:5K 服务区1:1W-1:5K 危险路牌1:1W-1:5K居民地及设施北京4KW2KW省会政府1kW-1:5k 省级政府1:16W-1:5K 地级政府512W-1:5K 县级政府256W-1:5K 乡级政府1:16W-1:5k 村2W-1:5k要素大类要素名称显示比例(W:万K:千)符号示例境域与政区已定国界线1:4KW-128W未定国界线1:4KW-128W国界色带1:4KW-128W省级行政区界线所有显现该要素的比例地级行政区界线所有显现该要素的比例县级行政区界线所有显现该要素的比例水系河流所有显现该要素的比例湖泊、池塘、水库所有显现该要素的比例同上海域所有显现该要素的比例海岸线所有显现该要素的比例同上铁路铁路128W-1:5k 地铁站出入口1:5K地貌山所有显现该要素的比例都市绿地绿地1:8W-1:5k功能面医院1:5kPOI 风景名胜1:5K_1:8W要素大类要素名称显示比例(W:万K:千)符号示例公安机关1:5K_1:8W汽车销售、汽车服务1:5K_1:8W 机动车检测场1:5K_1:8W 室外停车场1:5K_1:8W 汽车用品、汽车爱护1:5K_1:8W 公园1:5K_1:8W 广场1:5K_1:8W 博物馆、纪念馆、展览馆、科技馆1:5K_1:8W电台、电视台、电影制片1:5K_1:8W 急诊1:5K_1:8W 药店1:5K_1:8W 医院1:5K_1:8W 大专院校1:5K_1:8W 中学、小学1:5K_1:8W 幼儿园、托儿所1:5K_1:8W 小区1:5K_1:8W 福利院、敬老院1:5K_1:8W 大厦1:5K_1:8W 村委会、居委会1:5K_1:8W要素大类要素名称显示比例(W:万K:千)符号示例公司企业1:5K_1:8W 图书馆1:5K_1:8W 休闲娱乐1:5K_1:8W 银行1:5K_1:8W 邮局1:5K_1:8W 长途客运站1:5K_1:8W 驾校1:5K_1:8W 人才市场1:5K_1:8W 住宿1:5K_1:8W 书店1:5K_1:8W火葬场、殡仪馆1:5K_1:8W 中餐馆1:5K_1:8W 星级宾馆1:5K_1:8W 会议中心、展览中心1:5K_1:8W 文化媒体1:5K_1:8W 科研机构1:5K_1:8W 零售业1:5K_1:8W 保险1:5K_1:8W 寺院、道观1:5K_1:8W 电信1:5K_1:8W要素大类要素名称显示比例(W:万K:千)符号示例高尔夫球场1:5K_1:8W 电影院、剧院1:5K_1:8W中专、职高、技校1:5K_1:8W 陵园、公墓1:5K_1:8W 一般政府机关、重要政府机关1:5K_1:8W 便利店1:5K_1:8W 教堂1:5K_1:8W百货商城、百货商店1:5K_1:8W 餐饮1:5K_1:8W 事务所1:5K_1:8W 超市1:5K_1:8W 国家1:4KW注记北京1:4KW-2KW 省名1:2KW-1:16W 省政府名1:8W-1:5K省会名1:1KW-1:16W 省会政府1:8W-1:5K地级市名1:512W-1:16W要素大类要素名称显示比例(W:万K:千)符号示例地级政府1:8W-1:5K县名1:256W-1:16W县级政府1:8W-1:5K乡级政府1:16W-1:5K村1:2W-1:5K岛屿1:128W-5K水系1:4KW-256W1:16W-1:5K山1:64W-1:5K医院功能面1:5KPOI点1:8W-1:5k (3) 样图L1 1:4000万L2 1:2000万L3 1:1000万L4 1:512万L5 1:256万L6 1:128万L7 1:64万L8 1:32万L9 1:16万L8 1:8万L11 1:4万L12 1:2万L13 1:1万L14 1:5000桥梁与水系名 1:5千桥梁和隧道1:1万危险路牌和道路方向1:5。