2007年太原理工大学《机械设计》考研真题
- 格式:pdf
- 大小:5.19 MB
- 文档页数:6
笔试科目对应的考试专业
试题编号:001
机械制图、理论力学、材料力学、机械原理、机械设计
试题编号:002
固体物理化学、材料科学概论、金属材料及热处理、材料性能学、材料现代分析方法
试题编号:003
数字电子技术、自动控制理论、电力电子技术、电机学、单片机原理试题编号:004
信号与系统、模拟电子线路、微机原理、数字信号处理、电路分析基础
试题编号:005
模拟电子技术、电路、C语言程序设计、微机原理与接口技术、计算机文化基础
试题编号:006
软件工程、数据库原理、离散数学、面向对象程序设计、编译原理试题编号:007
公共建筑技术原理、城市规划原理、室内空间设计方法、中国古代建筑装饰、建筑节能
试题编号:008.
混泥土结构基本原理、结构基本原理、土木工程施工、建筑结构抗震土力学
土力学、水利工程测量、水利工程概论、
试题编号:010
有机合成化学、物理化学、化工原理、综合化学实验、无机化学
试题编号:011
矿业基础
试题编号:012
地质基础
试题编号:013
环境监测、环境工程微生物学、建筑给水排水工程、给水排水管道工程、水处理工程
试题编号:014
供热工程、暖通空调
试题编号:015
财政学、市场营销学、金融学、组织行为学、人力资源管理
试题编号:016
教育学、体育心理学、体育概论、体育保健学、运动生理学
试题编号:017
中国美术史、构成基础、装饰基础、解剖、透视原理、艺术概论、外国美术史
试题编号:018
理论力学、材料力学、线性代数、生理学
量子力学、电路分析基础、电动力学、光电技术、原子物理。
年前的今天自己在宿舍为了是否要考研而辗转反侧,直到现在当初试结果跟复试结果都出来之后,自己才意识到自己真的考上了。
其实在初试考完就想写一篇关于考研的经验,毕竟这也是对自己一年来努力做一个好的总结,也希望我的经验,可以帮助奋斗在考研路上的你们。
首先当你决定考研的时候,请先想想自己是为了什么才决定要考研,并且要先想一下为什么非要选这个专业,作为你今后职业的发展方向,学习的动机决定了之后备考路上努力的成功还有克服一切困难的决心。
考研是一个很重要的决定,所以大家一定要慎重,千万不要随波逐流盲目跟风。
我选择这所学校的原因,一是因为这里是我的本校,二是因为这里离家也比较近。
所一大家一定更要个根据自己的实际情况来做出选择。
好啦,接下来跟大家好好介绍一下我的复习经验吧,希望对你们有所帮助。
另外还要说一句,这篇经验贴分为三个部分,先说英语政治,再说专业课,并且文章结尾分享了资料和真题,大家可以放心阅读。
太原理工大学机械专硕的初试科目为:(101)思想政治理论(204)英语二(302)数学二和(813)理论力学B或(815)机械设计参考书目为:1.《理论力学》哈尔滨工业大学理论力学教研室,高等教育出版社先说说真题阅读的做法…第一遍,做十年真题【剩下的近三年的卷子考试前2个月再做】,因为真题要反复做,所以前几遍都是把自己的答案写在一张A4纸上,第一遍也就是让自己熟悉下真题的感觉,虐虐自己知道英语真题的大概难度,只做阅读理解,新题型完形填空啥的也不要忙着做,做完看看答案,错了几个在草稿纸上记下来就好了,也不需要研究哪里错了为什么会错…第一遍很快吧因为不需要仔细研究,14份的试卷,一天一份的话,半个月能做完吧,偷个懒一个月肯定能做完吧【第一遍作用就是练练手找到以前做题的感觉,千万不要记答案,分析答案…】ps:用书选择:木糖英语闪电单词+木糖英语真题。
第二遍是重点…你回头再从97年做起会发现答案是记不住的,还会错很多,甚至错的还不一样,以前对的现在错了,上次错的现在对了,正常……第二遍一份卷子大概要4,5天才能完成吧,比如第一天你做完了,第二天从第一篇文章开始从头看,不会的单词全部记下来到自己的单词本子上,最好是专门记真题单词的本子,包括题目,选项里面不会的单词,虽然黄皮书上有解释,但大都不全,甚至给的不是句子里的意思,这个工程还是挺大的,一天两篇就可以了…这一遍也不需要研究句子和答案啥的,只不过记单词中除了自己买的单词大本,还要加入真题单词的记忆了,考研不止,单词不息,单词反复背……第二遍就40天来天能完成吧,最多也就两个月【时间都是宽裕的,能提前完成点最好】…第三遍自然是分析句子了,这时候以前看的长难句和单词就用到了,做完以后一个句子一个句子的看【当然包括题目和选项】,分析下句子看看自己能不能看懂,看不懂的就要好好分析了,写在本子上也可以,我当时是直接看的,用铅笔画画句子成分啥的,如果单词记得够好的话,这一遍应该也会很快吧,1个多月左右……前三遍已经用了4个月左右了,后面就要快一点了,第四遍才是最痛苦的,通篇翻译,写在纸上很潦草都没关系,很偷懒的话就在心里翻译下再看看译文吧…我只坚持了一半,就翻译了七八年的好像,其他的就是刷一遍真题,在心里扫一扫有没有翻译太不通的句子,有没有忘掉的单词啥的…这一遍挺痛苦的,也不要全部都翻译吧,能翻译6,7套试卷知道感觉就好了,不过好处还挺多的,这部分做的好,英语的翻译部分就会简单很多,这部分看你个人时间,时间剩下还多可以多翻译几套试卷第5遍,前面是打基础,单词,句子都解决了,就要看看行文了,比如提出论点,展开讨论,这个可能比较抽象…比如类似事物对比,由此及彼等等,因为考研真题的行文特征很多都是类似的,段落间的关系,这一遍也可以研究题目了,出题的方式。
考试类型:闭卷太原理工大学机械设计试卷(A) 适用专业:成型2006级考试日期:2008.12.16 时间:120 分钟共8 页一、选择题:把正确的选项代号填入题中的空格中。
(本大题分10小题, 每小题2分, 共20分)1、机械零件由于某些原因不能____________时称为失效。
A.工作B.连续工作C.正常工作D.负载工作2、对于受循环变应力作用的零件,影响疲劳破坏的主要应力成分是________________。
A.最大应力σmaxB.平均应力σm C.应力幅σa D.最小应力σmin3、为了提高受轴向变载荷螺栓联接的疲劳强度,应______。
A.增加螺栓刚度B.降低螺栓刚度C.降低被联接件刚度D.加大被联接件尺寸4、下列滚动轴承密封装置中___________属于接触式密封。
A.毡圈密封B.甩油环C.迷宫式密封D.缝隙密封5、在图示的极限应力图中,工作应力点N的位置如图所示,加载属r=常数,进行,A.工作面的压溃B.工作面过度磨损 C.键被剪断 D.键被弯断7、蜗轮轮缘与轮毂采用不同材料的目的是为了_________。
A.加工方便B.提高精度C.节约有色金属D.减轻重量第 1 页共7 页8、链传动的特点是__________________________。
A.瞬时传动比和平均传动比都是常数B.瞬时传动比和平均传动比都不是常数C.瞬时传动比是常数而平均传动比不是常数D.瞬时传动比不是常数而平均传动比是常数9、在各种基本类型的向心滚动轴承中______________不能承受轴向载荷。
A.调心球轴承B.圆柱滚子轴承C.调心滚子轴承D.深沟球轴承10、凸缘联轴器是一种__________联轴器。
A.刚性B.无弹性元件挠性C.金属弹性元件挠性D.非金属弹性元件挠性二、填空题:把答案写在题中的空格里。
(本大题分4小题, 每小题3分, 共12分)1、45号钢的疲劳极限σ-1=300MPa,若疲劳曲线指数m=9,应力循环基数N0=107,当实际的应力循环次数N=105时,则有限寿命疲劳极限为___500.43__MPa。
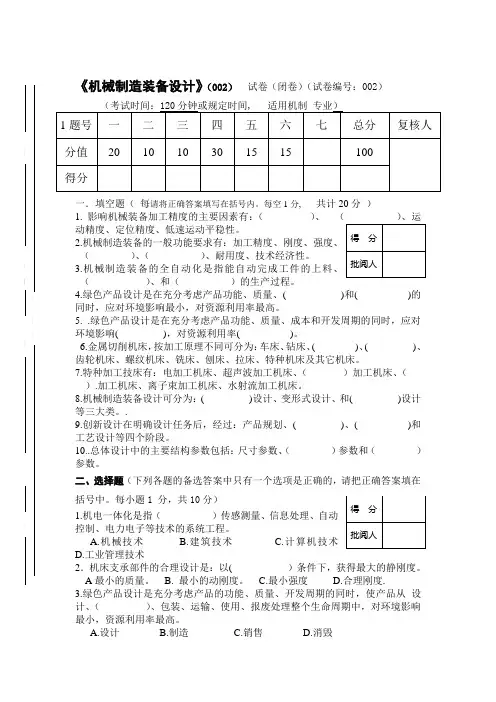
《机械制造装备设计》(002) 试卷(闭卷)(试卷编号:002)(考试时间:120分钟或规定时间, 适用机制 专业)1题号一 二 三 四 五 六 七 总分 复核人 分值 20 10 10 30 15 15 100得分一.填空题( 每请将正确答案填写在括号内。
每空1分, 共计20分 ) 1. 影响机械装备加工精度的主要因素有:( )、 ( )、运动精度、定位精度、低速运动平稳性。
2.机械制造装备的一般功能要求有:加工精度、刚度、强度、( )、( )、耐用度、技术经济性。
3.机械制造装备的全自动化是指能自动完成工件的上料、( )、和( )的生产过程。
4.绿色产品设计是在充分考虑产品功能、质量、( )和( )的同时,应对环境影响最小,对资源利用率最高。
5. .绿色产品设计是在充分考虑产品功能、质量、成本和开发周期的同时,应对环境影响( ),对资源利用率( )。
6.金属切削机床,按加工原理不同可分为:车床、钻床、( )、( )、齿轮机床、螺纹机床、铣床、刨床、拉床、特种机床及其它机床。
7.特种加工技床有:电加工机床、超声波加工机床、( )加工机床、( ).加工机床、离子束加工机床、水射流加工机床。
8.机械制造装备设计可分为:( )设计、变形式设计、和( )设计等三大类。
.9.创新设计在明确设计任务后,经过:产品规划、( )、( )和工艺设计等四个阶段。
10..总体设计中的主要结构参数包括:尺寸参数、( )参数和( )参数。
二、选择题(下列各题的备选答案中只有一个选项是正确的,请把正确答案填在括号中。
每小题1 分,共10分)1.机电一体化是指( )传感测量、信息处理、自动控制、电力电子等技术的系统工程。
A.机械技术B.建筑技术C.计算机技术D.工业管理技术 2.机床支承部件的合理设计是:以( )条件下,获得最大的静刚度。
A 最小的质量。
B. 最小的动刚度。
C.最小强度 D.合理刚度.3.绿色产品设计是充分考虑产品的功能、质量、开发周期的同时,使产品从 设计、( )、包装、运输、使用、报废处理整个生命周期中,对环境影响最小,资源利用率最高。