变压器绝缘结构及绝缘距离控制
- 格式:pptx
- 大小:3.33 MB
- 文档页数:24
变压器的绝缘系统。
变压器绝缘的性能(电气、耐热和机械性能)是决定其能否运行的基本条件之一。
只要有任何局部绝缘的损坏,都有可能损坏整台变压器,甚至危及输配电系统的安全运行。
变压器绝缘之所以重要,还在于变压器线圈、引线、分接开关等部件以及它们之间的整体——器身,均涉及到绝缘问题。
变压器绝缘分为内绝缘和外绝缘两大类,而内绝缘又分为主绝缘和纵绝缘两类。
主绝缘是指绕组对地之间、相间和同一相而不同电压等级的绕组之间的绝缘;纵向绝缘是指同一电压等级的一个绕组,其不同部位之间,层间、匝间、绕组对静电屏之间的绝缘。
表10-2为油浸式变压器绝缘分类。
表10-2油浸式变压器的绝缘分类
在叙述变压器绝缘结构之前,先了解一下变压器内部所采用的一些主要绝缘材料。
(一)主绝缘结构
1主绝缘形式
变压器内部的主绝缘形式,主要为油—隔板绝缘,通常采用加覆盖层、包绝缘层和在油隙中放置隔板三种形式。
变压器技术设计规范方案要求一、引言变压器是电力系统中的重要组成部分,用于将交流电能进行功率转换和电压变换。
为了保证变压器的正常运行和安全性,需要制定相应的技术设计规范方案。
本文将针对变压器技术设计规范方案进行详细论述。
二、总体要求1.变压器技术设计应符合国家和行业相关标准,如GB1094《电力变压器》和GB/T6451《变压器技术条件》等。
2.设计方案要满足实际工程需求,并在技术和经济上达到最佳匹配。
3.设计方案应注重环保和能源节约,提高变压器的能效比。
三、设计原则1.合理选用变压器的铁心和线圈材料,以保证较高的能量转换效率。
2.变压器的额定容量和最大容量应根据负载需求、过载能力和故障时的短路电流进行合理选择。
3.变压器的绝缘结构应具有良好的耐电压能力和散热性能,以确保变压器在额定工作条件下的可靠运行。
四、技术要求1.变压器的温升应符合相关标准要求,在额定负载条件下不超过限定温升值。
2.变压器的绝缘电阻应符合标准要求,并且应保持足够的安全裕度。
3.变压器的短路阻抗应满足配电系统的要求,以确保系统在短路故障时能够快速响应,限制故障电流。
4.变压器的空载电流应控制在合理范围内,以降低线路损耗和能源浪费。
5.变压器的噪声水平应符合国家标准,以保证正常运行不对周围环境造成过大影响。
五、安全要求1.变压器的外壳结构应具有良好的绝缘性能和防护等级,以防止触电和外界环境对变压器的损害。
2.变压器应具备过载保护、短路保护和温度保护等功能,以及相关的报警和监控系统。
3.变压器的绝缘结构应满足安全间距和安全距离的要求,避免发生电弧和漏电事故。
六、测试与验收1.变压器设计完成后,应进行各项试验和检测以验证设计方案的可行性和合格性,如绕组电压试验、短路阻抗测定、负载试验等。
2.变压器的安装、调试和运行过程中,应制定相应的验收标准和程序,确保变压器满足规定的技术要求和性能指标。
七、总结变压器技术设计规范方案是保证变压器安全可靠运行的重要保障。
电力系统中的电力变压器绝缘设计与评估随着电力工业的发展,电力变压器作为电力输送和分配的重要设备,在电力系统中扮演着至关重要的角色。
而电力变压器的绝缘设计与评估,直接影响着其性能和可靠性。
本文将围绕电力变压器的绝缘设计和评估展开讨论,从绝缘材料选择、绝缘结构设计以及绝缘性能评估三个方面进行深入探讨。
一、绝缘材料选择绝缘材料是电力变压器绝缘设计的核心,直接影响着电力变压器的工作性能。
在绝缘材料的选择上,通常需要考虑以下几个因素:1. 绝缘材料的耐电压能力:电力变压器在运行时会承受高压电力的作用,因此绝缘材料需要具备足够的耐电压能力,以确保其不会发生击穿现象。
2. 绝缘材料的介电损耗:介电损耗是指绝缘材料在电场作用下转化为热能的能力,而过高的介电损耗会导致电力变压器的温升过高,降低其工作效率。
3. 绝缘材料的机械强度:电力变压器在运行时会承受较大的机械压力,因此绝缘材料需要具备较高的机械强度,保证变压器的结构稳定性和安全性。
考虑到上述因素,常用的绝缘材料包括油纸绝缘、干式绝缘和有机高分子绝缘材料等。
不同的绝缘材料在电力变压器中具备不同的优势和适用范围,选取合适的绝缘材料对于电力变压器的正常运行至关重要。
二、绝缘结构设计绝缘结构设计是电力变压器绝缘设计的重要方面,其目的是为了提供足够的绝缘距离,防止电力系统中的放电事件和击穿现象发生。
良好的绝缘结构设计能够提高电力变压器的电气强度和电介质强度,保证其长期稳定运行。
在绝缘结构设计中,需要考虑的主要因素包括绝缘层厚度、绝缘间隙和绝缘面积等。
适当增加绝缘层的厚度和绝缘间隙的距离能够提高绝缘性能,降低放电和击穿的概率。
同时,合理设计绝缘面积可以提高绝缘能力,减少绝缘表面的局部放电现象。
除了上述因素外,还需要考虑绝缘结构的制造工艺和可行性。
绝缘结构的加工和安装需要考虑工艺的可行性和成本的控制,以确保绝缘结构的质量和可靠性。
三、绝缘性能评估绝缘性能评估是电力变压器绝缘设计的最后一步,其目的是验证绝缘设计的合理性和准确性,确保电力变压器的工作性能达到设计要求。
干式变压器绝缘标准干式变压器作为一种常见的电力设备,在电力传输和配电系统中起着至关重要的作用。
为了确保干式变压器的安全运行,制定了一系列的绝缘标准,以保证其绝缘性能和可靠性。
本文将就干式变压器绝缘标准进行详细介绍。
首先,干式变压器的绝缘材料应符合国家标准,具有良好的绝缘性能和耐电气应力能力。
在制造和安装过程中,应严格按照相关标准要求进行操作,确保绝缘材料的质量和可靠性。
其次,干式变压器的绝缘结构应设计合理,确保绝缘件之间的电场分布均匀,避免出现局部放电和绝缘击穿的情况。
在设计过程中,需要考虑绝缘结构的尺寸、形状和材料,以及绝缘件之间的间隙和连接方式,以提高整体的绝缘性能。
另外,干式变压器的绝缘测试也是至关重要的环节。
在生产过程中,需要对绝缘材料和绝缘结构进行严格的测试和检验,确保其符合相关的标准要求。
同时,在运行过程中,需要定期对干式变压器进行绝缘测试,及时发现和处理潜在的绝缘故障,保障设备的安全运行。
除此之外,干式变压器的绝缘标准还包括了绝缘油的使用和绝缘层的维护保养。
绝缘油应符合国家标准,具有良好的绝缘性能和热稳定性,以确保变压器的绝缘性能。
同时,需要定期对绝缘层进行清洁和检查,及时发现和处理绝缘层的老化和损坏,延长变压器的使用寿命。
总的来说,干式变压器的绝缘标准涉及到材料、结构、测试和维护等多个方面,需要在整个生产、运行和维护过程中严格遵守和执行。
只有通过严格的质量控制和维护管理,才能保证干式变压器的绝缘性能和安全可靠运行。
综上所述,干式变压器绝缘标准是保障设备安全运行的重要保障,需要制定和执行严格的标准和规范,以确保干式变压器在电力系统中的稳定运行,为电力传输和配电提供可靠的支持。
希望本文能对干式变压器的绝缘标准有所帮助,提高大家对干式变压器绝缘性能的认识和重视程度。
变压器全绝缘和分级绝缘的介绍电力系统所使用的变压器,其中性点的绝缘结构有两种:一种是全绝缘结构,其特点是中性点的绝缘水平与三相端部出线电压等级的绝缘水平相同,此种绝缘结构主要用于绝缘要求较高的小接地电流接地系统,目前我国40kv及以下电压等级电网均属小电流接地系统,所用的变压器都有是全绝缘结构。
另一种是分级绝缘结构,其特点是中性点的绝缘水平低于三相端部出线电压等级的绝缘水平。
分级绝缘的变压器主要用于是110kv及上电压等级电网的大电流接地系统。
采用分级绝缘的变压器可以使内绝缘尺寸减小,从而使整个变压器的尺寸缩小,这样可降低造价。
变压器的绝缘水平也称绝缘强度,是与保护水平以及其它绝缘部分相配合的水平,即耐受电压值,由设备的最高电压Um决定。
设备最高电压Um对于变压器来说是绕组最高相间电压有效值,从绝缘方面考虑,Um是绕组可以联结的那个系统的最高电压有效值,因此,Um是可以大于或者等于绕组额定电压的标准值。
绕组的所有出线端都具有相同的对地工频耐受电压的绕组绝缘称全绝缘;绕组的接地端或者中性点的绝缘水平较线端低的绕组绝缘称分级绝缘。
绕组额定耐受电压用下列字母代号标志:LI——雷电冲击耐受电压SI——操作冲击耐受电压AC——工频耐受电压变压器的绝缘水平是按高压、中压、低压绕组的顺序列出耐受电压值来表示(冲击水平在前)的,其间用斜线分隔开。
分级绝缘的中性点绝缘水平加横线列于其线端绝缘水平之后。
如:LI850 AC360—LI400 AC200/LI480 AC200—LI250 AC95/LI75 AC35。
电气设备中,绝缘投资比较大,为了节省变压器的投资,使靠近中性点的部分绕组的绝缘投资减少,绝缘水平下降,但是中性点电位正常很低,不会造成绝缘击穿,能够满足正常运行要求~称为分级绝缘。
而全绝缘是指绕组的全部部分的绝缘水平是一样的~~投资较大~~ (1)变压器在使用时,所测得的绝缘电阻值,与变压器安装或大修干燥后投入运行前测得的数值之比,不得低于50%。
4 引线绝缘距离选用原则4.1 引线至各点(引线之间、引线至地及引线至线圈)的绝缘距离,不一定完全取决于该引线的电压等级,而是取决于工频(含感应试验)及雷电或操作波冲击试验时,引线至该点的电位差。
可将该冲击电位差的峰值除以2×√2≈2.8(通常冲击系数取2)折合成工频值。
4.2 引线至线圈(含线圈首末端联线至本线圈)的绝缘距离,全绝缘产品通常取决于冲击试验的电位差,分级绝缘产品通常取决于感应高压试验的电位差。
分接线间的绝缘距离,通常取决于级间的雷电或操作波冲击电位差。
4.4 引线至地距离, 一般均为“纯油距”,凡不是纯油距(其中有爬距)者,均按下式折成纯油距S 0。
S 0 = 纯油距+ 0.4×沿木件爬距+ 0.6×沿纸板爬距(S0应大于表5中纯油距S1, S2, S3, S4加公差)4.5 各表中除已注明”含公差”者外,均为“最小绝缘距离”,它是指制造中实际测量的绝缘距离的保证值,引线设计时, 应采用“最小选用距离”, 即将“最小绝缘距离”加表4“制造公差”。
但不应小于表3 木件、紧固件等至各处的“最小机械距离”。
4.6 各表中的绝缘距离,由于结构限制,不能保证时,需另采取加强措施。
且在引线图中特殊标明。
注:*引线未夹持部位(如软接线片,穿缆式套管进口处的电缆等)至压钉夹件的公差为120 mm ;注:①220 kV级变压器高1-低-高2结构的高1上下联线至本相线端及地; 220 kV级自耦变压器上下110 kV联线至地;均按工频试验电压240 kV水平选取绝缘距离。
②220 kV级变高-低结构以及220 / 110 kV级自耦变;高压上下联线至线端之绝缘距离按340 kV水平选取。
③当220 kV级引线直径d≥φ30时,允许引线每边绝缘采用δ=10。
当中低压引线距箱壁纯间隙≤110mm时,允许中低压引线每边绝缘用δ=3,中低压引线至高压线圈绝缘距离S4=220。
表6 圆形引线特殊结构的绝缘距离表(表中 S1、S2、 S3、δ见表5)(mm)注:当电压≤ 40 kV 级的引线,可采用铜(铝)排(但≥154 kV 的线圈部位,不允许有裸铜排通过), 最小绝缘距离按表6 中 S2.1, S2.2, S2.3, S2.4 选用;其至油箱夹件等的最小绝缘距离,按表5 中δ= 0 时的 S1, S2, S6, S7选用。
电力变压器内部的主绝缘结构
变压器内部的主绝缘结构通常采纳加掩盖层、包绝缘层、隔板油间隙三种形式。
1.加掩盖层。
用电缆纸、漆布等在电极上加一薄层,厚度在1mm 以下。
其作用是阻挡杂质形成“小桥”而将两极短接。
加掩盖层后,能使工频击穿电压显著提高,特殊是在匀称电场中,可提高70%~100%,但对极不匀称的电场,则提高较少。
加掩盖层对冲击电压效果很小。
2.包绝缘层。
用电缆纸、漆布等在电极上包一较厚的绝缘层,通常在几到几十毫米。
其作用是不但起到掩盖作用,还承受着肯定比例的工作电压,结果可使油中的电场强度降低,对冲击电压和工频电压都有显著的作用。
特殊是在极不匀称的电场中,在曲率半径较小的电极上,可以明显地提高油间隙的击穿电压。
但在匀称的电场中,效果却相反,由于电场强度是根据介电常数成反比例安排的,油的介电常数为2. 2~2.4,纸的介电常数为
3.6。
当包扎了肯定厚度的绝缘层后,油中的电场强度反而比原来增加,由于油间隙比原来减小了。
3.隔板油间隙。
在油间隙中放置比电极稍大些的固体绝缘材料称为隔板。
其作用是阻挡杂质搭成“小桥”。
隔板在电场中积聚了自由电荷,形成附加电场,转变了原来的电场分布,使电场变得匀称。
这种形式对越不匀称的电场,效果越好。
当隔板放置得合适时,可使油间隙的击穿电压提高到无隔板时的2~2.5倍。
但对于匀称电场,只能提高25%左右,效果不太明显。
220kV电力变压器绝缘设计一、设计任务1. 对一台双绕组220KV级电力变压器进行绝缘结构设计,并进算绝缘结构在雷电冲击电压(全波),1min工频电压试验下的主、纵绝缘裕度。
2. 技术条件:a、全波雷电冲击试验电压945KVb、1min工频试验电压400KV(感应耐压试验)。
3. 变压器结构及其它条件:a、低压绕组外表面半径350mm,高压绕组内表面半径422mm,绕组间绝缘距离72mmb、高压绕组匝绝缘厚度1.95mm 低压绕组匝绝缘厚度0.45mmc、高压绕组为纠结式,高压绕组中部进线d、高压绕组段间油道尺寸1、3、5向外油道为8mm;7、9、11向外油道为6mm;8、10、12向内油道为10mm;其他油道均为6mm;中断点为12mme、全波梯度1、3、5油道为10;7、9、11油道为8;中断点为15.4. 要求完成的内容:a、确定变压器主绝缘尺寸b、计算主、纵绝缘在各种试验电压下的绝缘裕度c、利用Auto CAD 画出变压器绝缘装配图d、攥写课程设计报告5. 参考文献:a、路长柏等编著:电力变压器计算第五章;b、刘传彝:电力变压器设计计算方法与实践;c、路长柏:电力变压器绝缘技术;d、“电机工程手册”第二十五篇。
6. 要求时间:2010年1月4日----2010年1月15日二、综述针对上述设计要求对220KV电力变压器绝缘结构设计如下:对于主绝缘,高低压线圈间主空道为了利用变压器油的体积效应,采用薄纸板小油隙的设计思想,线圈间主绝缘距离为72mm,变压器油与绝缘纸板交替排布,具体结构为(8+2+11+2+11+2+11+2+11+4+8),即∑Dy=60mm,∑Dz=12mm,靠近高压线圈的第一个绝缘纸筒厚度取为4意在增加其机械强度,以保证高压线圈能够稳固的固定于其上;低压线圈外半径r1=350mm,高压线圈内半径r2=424mm;低压线圈(35KV)与铁心间采用厚纸板大油隙的设计思想,其绝缘距离定为27mm;由于220KV级电力变压器的高压线圈采用中部出线的出线方式,所以端部绝缘结构设计可按110KV级绝缘水平设计,其结构为:端部设静电环,静电环采用1/4圆曲率半径,S值取为5,曲率半径取为10。
220kV电力变压器绝缘设计(第一部分)(2010-02-20 11:37:11)转载标签:杂谈一.设计任务1. 对一台双绕组220KV级电力变压器进行绝缘结构设计,并进算绝缘结构在雷电冲击电压(全波),1min工频电压试验下的主、纵绝缘裕度。
2. 技术条件:a、全波雷电冲击试验电压945KVb、1min工频试验电压400KV(感应耐压试验)。
3. 变压器结构及其它条件:a、低压绕组外表面半径350mm,高压绕组内表面半径422mm,绕组间绝缘距离72mmb、高压绕组匝绝缘厚度1.95mm 低压绕组匝绝缘厚度0.45mmc、高压绕组为纠结式,高压绕组中部进线d、高压绕组段间油道尺寸1,3,5向外油道为8mm;7,9,11向外油道为6mm;8,10,12向内油道为10mm;其他油道均为6mm;中断点为12mme、全波梯度1,3,5油道为10;7,9,11油道为8;中断点为15.4. 要求完成的内容:a、确定变压器主绝缘尺寸b、计算住、纵绝缘在各种试验电压下的绝缘裕度c、利用Auto CAD 画出变压器绝缘装配图d、攥写课程设计报告5. 参考文献:a、路长柏等编著:电力变压器计算第五章;b、刘传彝:电力变压器设计计算方法与实践;c、路长柏:电力变压器绝缘技术;d、“电机工程手册”第二十五篇。
6. 要求时间:2010年1月4日----2010年1月15日二.综述针对上述设计要求对220KV电力变压器绝缘结构设计如下:对于主绝缘,高低压线圈间主空道为了利用变压器油的体积效应,采用薄纸板小油隙的设计思想,线圈间主绝缘距离为72mm,变压器油与绝缘纸板交替排布,具体结构为(8+2+11+2+11+2+11+2+11+4+8),即∑Dy=60mm,∑Dz=12mm,靠近高压线圈的第一个绝缘纸筒厚度取为4意在增加其机械强度,以保证高压线圈能够稳固的固定于其上;低压线圈外半径r1=350mm,高压线圈内半径r2=424mm;低压线圈(35KV)与铁心间采用厚纸板大油隙的设计思想,其绝缘距离定为27mm;由于220KV级电力变压器的高压线圈采用中部出线的出线方式,所以端部绝缘结构设计可按110KV级绝缘水平设计,其结构为:端部设静电环,静电环采用1/4圆曲率半径,S值取为5,曲率半径取为10。
10KV配电设备及绝缘管型安全距离说明概念为了防止人体触及或过分接近带电体,或防止车辆和其他物体碰撞带电体,以及避免发生各种短路、火灾和爆炸事故,在人体与带电体之间、带电体与地面之间、带电体与带电体之间、带电体与其他物体和设施之间,都必须保持一定的距离,这种距离称为电气安全距离。
电气[1]安全距离的大小,应符合有关电气安全规程的规定。
编辑本段简介人与带电体、带电体与带电体、带电体与地面(水面)、带电体与其他设施之间需保持的最小距离,又称安全净距、安全间距。
安全距离应保证在各种可能的最大工作电压或过电压的作用下,不发生闪络放电,还应保证工作人员对电气设备巡视、操作、维护和检修时的绝对安全。
各类安全距离在国家颁布的有关规程中均有规定。
当实际距离大于安全距离时,人体及设备才安全。
安全距离既用于防止人体触及或过分接近带电体而发生触电,也用于防止车辆等物体碰撞或过分接近带电体以及带电体之间发生放电和短路而引起火灾和电气事故。
安全距离分为线路安全距离、变配电设备安全距离和检修安全距离。
线路安全距离指导线与地面(水面)、杆塔构件、跨越物(包括电力线路和弱电线路)之间的最小允许距离。
变配电设备安全距离指带电体与其他带电体、接地体、各种遮栏等设施之间的最小允许距离。
检修安全距离指工作人员进行设备维护检修时与设备带电部分间的最小允许距离。
该距离可分为设备不停电时的安全距离、工作员工作中正常活动范围与带电设备的安全距离、带电作业时人体与带电体间的安全距离。
编辑本段分类根据各种电气设备(设施)的性能、结构和工作的需要,安全间距大致可分为以下四种:(1)各种线路的安全间距。
(2)变、配电设备的安全间距。
(3)各种用电设备的安全间距。
(4)检修、维护时的安全间距。
500kV:5m 220kV:3m 110kV:1.5m 35kV:1m 10kV:0.7m 10kV 线路在各种环境中的对地安全距离10KV电力线路与居民区及工矿企业地区的安全距离为6.5米;非居民区,但是有行人和车辆通过的安全距离为5.5米;交通困难地区的安全距离为4.5;公路路面的安全距离7米;铁道轨顶的安全距离为7.5米;通航河道最高水面的安全距离为6米;不通航的河流、湖泊(冬季水面)的安全距离5米。
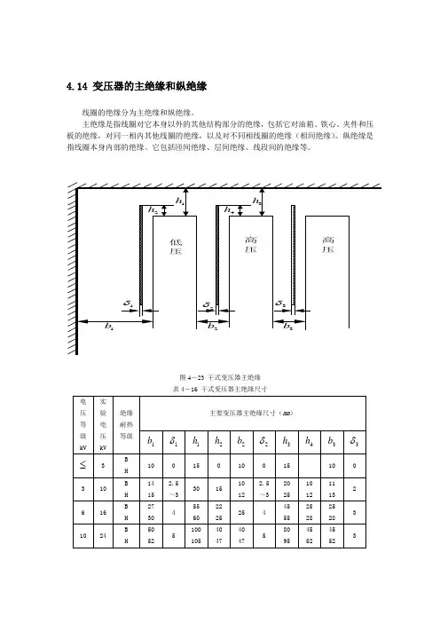
4.14 变压器的主绝缘和纵绝缘线圈的绝缘分为主绝缘和纵绝缘。
主绝缘是指线圈对它本身以外的其他结构部分的绝缘,包括它对油箱、铁心、夹件和压板的绝缘,对同一相内其他线圈的绝缘,以及对不同相线圈的绝缘(相间绝缘)。
纵绝缘是指线圈本身内部的绝缘。
它包括匝间绝缘、层间绝缘、线段间的绝缘等。
图4-23 干式变压器主绝缘表4-16 干式变压器主绝缘尺寸455R +δ=表4-17 圆筒式线圈层绝缘4.15 变压器绝缘半径计算图4-24 圆筒式绕组绝缘半径(1).圆筒式绕组绝缘半径计算(如图4-24所示)R 0——铁芯半径——铁芯对绕组绝缘距离 ——低压绕组内半径——低压绕组气道内侧绕组辐向厚度——低压绕组中气道宽度——低压绕组气道外侧绕组辐向厚度——低压绕组外半径 ——高低压绕组之间的气道宽度 ——高压绕组内半径——高压绕组气道内侧绕组辐向厚度11S R +=L22B R +=233R +δ=L14B R +=H26B R +=——高低压绕组之间的气道宽度——高压绕组气道外侧绕组辐向厚度— 高压绕组外半径——高压绕组外直径——两铁芯柱中心距离低压绕组DY2平均半径 12122R R R += 低压绕组DY1平均半径 34342R R R +=高压绕组GY2平均半径 56562R R R +=高压绕组GY1平均半径 78782R R R +=高低压间漏磁空道平均半径 452HL R R Y +=低压气道平均半径 232L R R Y +=高压气道平均半径 672H R R Y +=(2).饼式(含螺旋式、连续式)绕组绝缘半径计算R 0——铁芯半径——铁芯对绕组绝缘距离 ——低压绕组内半径图4-25——低压绕辐向厚度H18B R +=2D ⨯=60S M +=677R +δ=11S R +=L2B R +=233R +δ=——高低压绕组之间的气道宽度——高压绕组内半径——高压绕组辐向厚度—— 高压绕组外径 ——两铁芯柱中心距离 低压绕组平均半径 12122R R R +=高压绕组平均半径 34342R R R +=高低压间漏磁空道平均半径 232HL R R Y +=H 4B R +=2D ⨯=3b M+=。
简述变压器的内部绝缘结构变压器是一种用来改变电压的电气设备,其内部绝缘结构起着非常重要的作用。
内部绝缘结构的设计和材料的选择直接影响着变压器的性能和安全性。
变压器的内部绝缘结构包括绝缘导线、绝缘层、绝缘垫、绝缘板等组成。
绝缘导线是将不同电压绕组之间进行绝缘隔离的一种导线。
通常使用的绝缘导线材料有绝缘漆包线、绝缘纸包线等。
绝缘层是将绝缘导线与铁芯之间进行绝缘隔离的一种材料,常用的绝缘层材料有绝缘纸、绝缘胶纸等。
绝缘垫是指安装在绝缘层上,用于增加绝缘强度和防止绝缘层磨损的一种材料,常用的绝缘垫材料有绝缘纸板、绝缘胶木板等。
绝缘板是指安装在变压器绝缘结构上,用于增加绝缘强度和防止绝缘层磨损的一种材料,常用的绝缘板材料有绝缘纸板、绝缘胶木板等。
在变压器的内部绝缘结构中,绝缘层起着关键的作用。
它不仅能够保护绝缘导线免受外界物理和化学因素的损害,还能够防止导线之间的相互干扰和短路。
因此,在选择绝缘层材料时,需要考虑其绝缘性能、耐压性能、耐热性能等因素。
同时,绝缘层的厚度也是一个重要的参数,过薄会导致绝缘性能不足,过厚则会增加变压器的尺寸和成本。
绝缘垫的作用是增加绝缘强度和防止绝缘层磨损。
绝缘垫通常安装在绝缘层上方,可以起到填充和支撑的作用,增加绝缘层的厚度,并且能够分散绝缘层上的机械应力,提高绝缘强度。
同时,绝缘垫还可以防止绝缘层受到外界物理和化学因素的磨损,延长变压器的使用寿命。
绝缘板的作用与绝缘垫类似,也是用于增加绝缘强度和防止绝缘层磨损。
绝缘板通常安装在绝缘结构的上方,起到填充和支撑的作用,增加绝缘结构的厚度,并且能够分散绝缘结构上的机械应力,提高绝缘强度。
同时,绝缘板还可以防止绝缘结构受到外界物理和化学因素的磨损,保护变压器的内部绝缘结构。
除了以上所述的绝缘结构,变压器的内部还需要考虑绝缘油的选择和绝缘油的封装。
绝缘油是一种专门用于绝缘的液体,它具有较高的绝缘性能和热稳定性能。
绝缘油的选择需要考虑其绝缘性能、热稳定性能、氧化稳定性能等因素。
4.14 变压器的主绝缘和纵绝缘线圈的绝缘分为主绝缘和纵绝缘。
主绝缘是指线圈对它本身以外的其他结构部分的绝缘,包括它对油箱、铁心、夹件和压板的绝缘,对同一相内其他线圈的绝缘,以及对不同相线圈的绝缘(相间绝缘)。
纵绝缘是指线圈本身内部的绝缘。
它包括匝间绝缘、层间绝缘、线段间的绝缘等。
图4-23 干式变压器主绝缘表4-16 干式变压器主绝缘尺寸455R+δ=表4-17 圆筒式线圈层绝缘4.15 变压器绝缘半径计算图4-24 圆筒式绕组绝缘半径(1).圆筒式绕组绝缘半径计算(如图4-24所示)R 0——铁芯半径——铁芯对绕组绝缘距离 ——低压绕组内半径——低压绕组气道内侧绕组辐向厚度——低压绕组中气道宽度——低压绕组气道外侧绕组辐向厚度 ——低压绕组外半径 ——高低压绕组之间的气道宽度——高压绕组内半径——高压绕组气道内侧绕组辐向厚度11S R +=L22B R +=233R +δ=L14B R +=H 26B R +=——高低压绕组之间的气道宽度——高压绕组气道外侧绕组辐向厚度 — 高压绕组外半径——高压绕组外直径——两铁芯柱中心距离低压绕组DY2平均半径 12122R R R += 低压绕组DY1平均半径 34342R R R += 高压绕组GY2平均半径 56562R R R += 高压绕组GY1平均半径 78782R R R +=高低压间漏磁空道平均半径 452H L R R Y +=低压气道平均半径 232L R R Y += 高压气道平均半径 672H R R Y +=(2).饼式(含螺旋式、连续式)绕组绝缘半径计算R 0——铁芯半径——铁芯对绕组绝缘距离——低压绕组内半径图4-25——低压绕辐向厚度H 18B R +=2D ⨯=60S M +=677R +δ=11S R +=L2B R +=233R +δ=——高低压绕组之间的气道宽度——高压绕组内半径——高压绕组辐向厚度—— 高压绕组外径——两铁芯柱中心距离低压绕组平均半径 12122R R R += 高压绕组平均半径 34342R R R +=高低压间漏磁空道平均半径 232H L R R Y +=H 4B R +=2D ⨯=3b M +=。
干式变压器挡位连杆的绝缘距离国标
干式变压器挡位连杆的绝缘距离在国际上通常是按照IEC 60076标准来规定的。
根据该标准,挡位连杆的绝缘距离应符合特定的要求,以确保设备的安全可靠运行。
具体来说,挡位连杆的绝缘距离主要受到环境条件、电压等级以及设备的额定电压等因素的影响。
在IEC 60076标准中,通常会规定不同电压等级下挡位连杆的绝缘距离的最小数值要求,以确保设备在正常运行和异常情况下都能够保持良好的绝缘性能。
这些要求通常会考虑到设备的安全性、耐受性以及环境因素对绝缘性能的影响,以确保设备在各种条件下都能够可靠地运行。
因此,针对具体的干式变压器挡位连杆的绝缘距离国标要求,需要查阅最新的IEC 60076标准或者当地相关的标准文件,以获取最准确的信息。
同时,在实际工程中,还需要根据具体设备的要求和所处的环境条件来进行综合考虑和设计,以确保设备的安全运行和绝缘性能符合国家标准的要求。
5 圆形引线的绝缘距离一般结构见表5;特殊结构见表6注:①220 kV级变压器高1-低-高2结构的高1上下联线至本相线端及地; 220 kV级自耦变压器上下110 kV联线至地;均按工频试验电压240 kV水平选取绝缘距离。
②220 kV级变高-低结构以及220 / 110 kV级自耦变;高压上下联线至线端之绝缘距离按340 kV水平选取。
③当220 kV级引线直径d≥φ30时,允许引线每边绝缘采用δ=10。
表6 圆形引线特殊结构的绝缘距离表(表中S1、S2、S3、δ见表5)(mm)注:当电压≤40 kV 级的引线,可采用铜(铝)排(但≥154 kV 的线圈部位,不允许有裸铜排通过), 最小绝缘距离按表6 中S2.1, S2.2, S2.3, S2.4 选用;其至油箱夹件等的最小绝缘距离,按表5 中δ= 0 时的S1, S2, S6, S7选用。
6 内部线圈线端引线的绝缘距离见表7表7 内部线圈线端引线的绝缘距离表(mm)注:①* 为优先采用的引线每边绝缘厚度。
②▲适用于110 kV 级全绝缘线端及220 kV 级高压多线圈结构的高压2的线端。
③表中S9,S10为引线至金属压板的最小绝缘距离,如是绝缘压板时,只考虑机械距离。
④表中绝缘距离均为“最小绝缘距离”,设计时应采用“选用距离”,将“最小绝缘距离”加表4“制造公差”。
7 高压线端引线的绝缘距离见表88 铜(铝)排间及至线圈的绝缘距离见表9表9 铜(铝)排间及至线圈的绝缘距离表(mm)注:≤35(40)kV级排至线圈最小绝缘距离S 25 为纯油距(如有爬距时, 应折合成纯油距)。
9 线圈至油箱的绝缘距离见表10表10 线圈至油箱的绝缘距离表(mm)10 开关带电部位的绝缘距离10.1 置于器身顶上的开关带电部位的绝缘距离见表1110.2 置于相间的立式夹片式(DWJ)开关的绝缘距离见表1210.3 置于相间的立式鼓式(DW)开关的绝缘距离见表13注:绝缘距离下面的数值(kV)为选取该绝缘距离的工频试验电压水平。
安规对变压器的绝缘系统要求1.绝缘材料:变压器的绝缘系统应采用符合国家标准的绝缘材料,如绝缘纸、绝缘漆、绝缘胶片等。
这些材料应具有良好的绝缘性能和耐热、耐寒、耐湿等特性。
2.绝缘结构:变压器的绝缘系统应由绝缘件、导电件和接地件组成。
绝缘件主要包括绝缘垫、绝缘管、绝缘板等,用于隔离导电部分,防止电流直接通过。
导电件包括引线、铜瓦等,用于导电和传输电能。
接地件用于接地保护,防止绝缘破损引起的电击事故。
3.绝缘强度:变压器的绝缘系统应具有足够的绝缘强度,能够在额定电压下保持其绝缘性能。
绝缘强度一般指耐压试验,即在一定时间内施加一定电压,检测绝缘是否被击穿。
国家标准对不同类型的变压器绝缘强度有相应的要求。
4.绝缘电阻:变压器的绝缘系统应具有足够的绝缘电阻,能够防止漏电流引起的绝缘破损。
绝缘电阻是指在施加一定电压下测量的绝缘系统电阻。
一般要求变压器绝缘电阻不得低于一定要求值。
5.绝缘损耗:变压器的绝缘系统应具有低损耗、高效率的特点。
绝缘损耗是指绝缘材料中电能转化为热能或其他形式的能量损失,它与绝缘材料的特性和使用条件有关。
国家安规对变压器的绝缘损耗有严格的限制,以保证变压器的正常运行和节能。
6.绝缘监测:变压器的绝缘系统应配备绝缘监测装置,用于监测绝缘状况,及时发现绝缘故障,并采取相应措施。
常见的绝缘监测装置包括绝缘电阻仪、局部放电监测仪、超声波检测仪等。
7.绝缘维护:变压器的绝缘系统需要定期维护和检查,保持其良好的绝缘性能。
维护包括绝缘清洁、绝缘涂层补修、绝缘阻燃等。
同时,还应制定相应的维护计划和维修记录,确保绝缘系统的可靠性。
总之,安规要求变压器的绝缘系统具备良好的绝缘性能和安全性,保证变压器的正常运行和保护人身安全。
绝缘材料的选择、绝缘结构的设计、绝缘强度的测试、绝缘电阻的测量、绝缘损耗的控制、绝缘监测的实施以及维护和检修等都是确保变压器绝缘系统符合安规要求的重要环节。