HJ 水质 氨氮测定
- 格式:docx
- 大小:60.99 KB
- 文档页数:6
hj537-2009氨氮的测定
HJ537-2009是中国标准化学试剂行业标准,用于测定水中氨
氮含量的方法。
下面是测定氨氮的步骤:
1. 预处理样品:将待测水样过滤,并根据需要进行调整pH值。
2. 安装装置:根据实验需要,选择合适的装置,如Nessler管、氨电极等。
3. 准备试剂:根据标准要求,使用标准氨氮溶液或其他指定试剂。
4. 测定样品:将处理后的水样与试剂混合,根据试剂的特性,一般需要加热或采用其他方法促进反应的进行。
5. 比色或电位测定:根据试剂的不同,可以采用比色法或电位法测定氨氮的含量。
6. 计算结果:根据标准方法计算出水样中氨氮的含量。
需要注意的是,具体的测定步骤和试剂使用可能根据实验方法的具体要求有所不同,建议根据HJ537-2009标准进行操作。
氨氮的测定纳氏试剂分光光度法目次前言............................................................................................................................... (III)1适用范围............................................................................................................................... .. (1)2方法原理............................................................................................................................... .. (1)3干扰及消除............................................................................................................................... . (1)4试剂和材料............................................................................................................................... . (1)5仪器和设备............................................................................................................................... . (3)6样品............................................................................................................................... . (3)7分析步骤............................................................................................................................... .. (4)8结果计算............................................................................................................................... .. (4)9准确度和精密度 (5)10质量保证和质量控制 (5)前言为贯彻《中华人民共和国环境保护法》和《中华人民共和国水污染防治法》,保护环境,保障人体健康,规范水中氨氮的监测方法,制定本标准。
水质氨氮的测定方法验证报告1.检验依据HJ 535-2009水质 氨氮的测定 纳氏试剂分光光度法 2. 主要仪器和设备uv2800紫外分光光度计(编号:IE005) 3.分析步骤参考HJ 535-2009水质 氨氮的测定 纳氏试剂分光光度法 4. 验证结果4.1校准曲线及线性范围表1 氨氮标准曲线图1 氨氮标准曲线图回归方程:y=0.00728737x-0.00056509 r =0.99994.2 检出限在10个空白样品中分别加入5倍检出限浓度的标准物质(即0.125mg/L ),进行测定,按HJ 168-2010规定MDL=S n t ⨯-)99.0,1(进行计算,结果如下:表2 方法检出限测定结果(N=10)4.3 精密度取2个浓度水平的标准样品,编号分别为BY140812-54和BY140812-55,标准值分别为(3.01±0.11)mg/L和(1.09±0.05)mg/L,按照步骤3,分别做6次平行实验,计算出氨氮的浓度、平均值,标准偏差并求出相对标准偏差,结果见表3表3 精密度测试数据4.4 准确度4.4.1 有证标准样品测试取2个浓度水平的标准样品,编号分别为BY140812-54和BY140812-55,标准值分别为(3.01±0.11)mg/L和(1.09±0.05)mg/L,按照步骤3,平行测定6份样品,计算平均值,相对误差,检测结果见表4。
表4 有证标准样品测试数据4.4.2 实际样品加标回收测试取2个浓度水平的实际样品,按照步骤3,分别做6次加标回收实验,计算出氨氮的浓度、平均值,加标回收率,结果见表5.5 实际样品加标测试数据表5.注意事项配制过硫酸钾溶液时,为了保证纳氏试剂有良好的显色能力,务必控制HgCl2的加入量,至微量HgI2红色沉淀不再溶解时为止。
为了加快反应速度,节省配置时间,可低温加热进行,防止HgI2红色沉淀的提前出现。
氨氮的测定纳氏试剂分光光度法目次前言............................................................................................................................... (III)1适用范围............................................................................................................................... .. (1)2方法原理............................................................................................................................... .. (1)3干扰及消除............................................................................................................................... . (1)4试剂和材料............................................................................................................................... . (1)5仪器和设备............................................................................................................................... . (3)6样品............................................................................................................................... . (3)7分析步骤............................................................................................................................... .. (4)8结果计算............................................................................................................................... .. (4)9准确度和精密度 (5)10质量保证和质量控制 (5)前言为贯彻《中华人民共和国环境保护法》和《中华人民共和国水污染防治法》,保护环境,保障人体健康,规范水中氨氮的监测方法,制定本标准。
氨氮的测定纳氏试剂分光光度法目次前言...................................................................... ........................................................................ (III)1适用范围...................................................................... .. (1)2方法原理...................................................................... .. (1)3干扰及消除...................................................................... . (1)4试剂和材料...................................................................... . (1)5仪器和设备...................................................................... . (3)6样品.............................................................................................................................................. .37分析步骤...................................................................... .. (4)8结果计算...................................................................... .. (4)9准确度和精密度...................................................................... .. (5)10质量保证和质量控制...................................................................... . (5)前言为贯彻《中华人民共和国环境保护法》和《中华人民共和国水污染防治法》,保护环境,保障人体健康,规范水中氨氮的监测方法,制定本标准。
中华人民共和国国家环境保护标准HJ 535—2009代替GB 7479—87水质氨氮的测定纳氏试剂分光光度法Water quality—Determination of ammonia nitrogen—Nessler’s reagent spectrophotometry2009-12-31发布 2010-04-01实施环境保护部发布HJ535—2009中华人民共和国环境保护部公告2009年第77号为贯彻《中华人民共和国环境保护法》,保护环境,保障人体健康,现批准《环境空气和废气氨的测定纳氏试剂分光光度法》等五项标准为国家环境保护标准,并予发布。
标准名称、编号如下:一、《环境空气和废气氨的测定纳氏试剂分光光度法》(HJ 533—2009);二、《环境空气氨的测定次氯酸钠–水杨酸分光光度法》(HJ 534—2009);三、《水质氨氮的测定纳氏试剂分光光度法》(HJ 535—2009);四、《水质氨氮的测定水杨酸分光光度法》(HJ 536—2009);五、《水质氨氮的测定蒸馏–中和滴定法》(HJ 537—2009)。
以上标准自2010年4月1日起实施,由中国环境科学出版社出版,标准内容可在环境保护部网站()查询。
自以上标准实施之日起,由原国家环境保护局批准、发布的下述五项国家环境保护标准废止,标准名称、编号如下:一、《空气质量氨的测定纳氏试剂比色法》(GB/T 14668—93);二、《空气质量氨的测定次氯酸钠–水杨酸分光光度法》(GB/T 14679—93);三、《水质铵的测定纳氏试剂比色法》(GB 7479—87);四、《水质铵的测定水杨酸分光光度法》(GB 7481—87);五、《水质铵的测定蒸馏和滴定法》(GB 7478—87)。
特此公告。
2009年12月31日iHJ535—2009 iiHJ535—2009目次前言 (iv)1 适用范围 (1)2 方法原理 (1)3 干扰及消除 (1)4 试剂和材料 (1)5 仪器和设备 (2)6 样品 (3)7 分析步骤 (3)8 结果计算 (3)9 准确度和精密度 (4)10 质量保证和质量控制 (4)iiiHJ535—2009前言为贯彻《中华人民共和国环境保护法》和《中华人民共和国水污染防治法》,保护环境,保障人体健康,规范水中氨氮的监测方法,制定本标准。
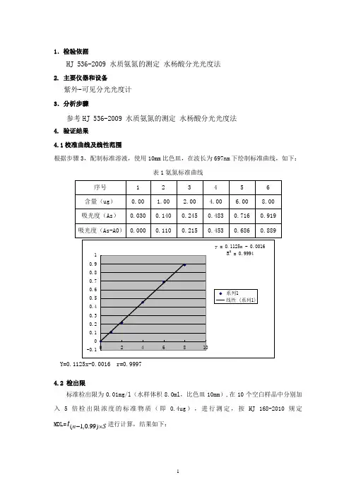
1.检验依据
HJ 536-2009 水质氨氮的测定 水杨酸分光光度法
2. 主要仪器和设备 紫外-可见分光光度计 3.分析步骤
参考HJ 536-2009 水质氨氮的测定 水杨酸分光光度法
4. 验证结果
4.1校准曲线及线性范围
根据步骤3,配制标准溶液,使用10mm 比色皿,在波长为697nm 下绘制标准曲线,如下:
表1氨氮标准曲线
Y=0.1125x-0.0016 r=0.9997
4.2 检出限
标准检出限为0.01mg/l (水样体积8.0ml ,比色皿10mm ),在10个空白样品中分别加入5倍检出限浓度的标准物质(即0.4ug ),进行测定,按HJ 168-2010规定MDL=S n t ⨯-)99.0,1(进行计算,结果如下:
表2 方法检出限测定结果(N=10)
4.3 精密度
取2个浓度的样品,按照步骤3,分别做6次平行实验,计算出氨氮的浓度、平均值,标准偏差并求出相对标准偏差,结果见表3
表3 精密度测试数据
4.4 准确度
取2个不同浓度标准样品,按照步骤3,分别做6个平行测定,计算出氨氮的样品浓度、
平均值,相对标准偏差,最大相对误差,结果见表5。
表5 标准样品测试数据
5. 结论
5.1 本实验的检出限为0.008mg/L,标准方法检出限为0.01mg/L,符合方法要求;
5.2 分别测定两个浓度水平的样品,6次测定的相对标准偏差分别为4%和0.6%,验证结果符合方法要求;
5.3对两个浓度水平的标准样品,分别测定6次,单次测定结果均在标准值不确定度范围内,最大相对误差分别为0.9%、2.3%,验证结果符合质控要求。
《水质氨氮的测定纳氏试剂分光光度法》hj535-2009水质是指水的自然状态和特性,主要包括水的味、色、浑浊度、PH值、氨氮含量等指标。
而其中,氨氮是水质指标中的一个重要参数,是生活污水和工业废水中常见的一种污染物。
对水中氨氮的测定至关重要。
在我国,关于氨氮的测定标准主要由国家环境保护部门制定,其中hj535-2009是目前较为常用的测定方法之一。
该方法采用纳氏试剂分光光度法,具有操作简便、准确性高等特点。
下面,我们将深入探讨《水质氨氮的测定纳氏试剂分光光度法》,以便更好地理解该测定方法的原理、步骤和应用。
一、什么是氨氮?氨氮是指水中以氨态氮形式存在的总氮,一般用NH3-N表示。
它来自于生活污水、工业废水和农业废水中的有机氮和无机氮的部分。
氨氮是影响水体富营养化和水质的关键指标之一,因此对其测定具有重要意义。
二、纳氏试剂分光光度法的原理纳氏试剂是一种特定试剂,能与氨氮在碱性溶液中生成深黄色络合物。
而分光光度法则是一种通过物质对光的吸收来测定物质浓度的方法。
纳氏试剂分光光度法利用了纳氏试剂与氨氮络合物的吸光度特性,通过光的吸收程度来测定水样中氨氮的含量。
三、操作步骤1. 取水样制备:需要从水样中将氨氮提取出来,通常采用碱式蒸馏法。
2. 添加纳氏试剂:将提取出的氨氮溶液与纳氏试剂混合,生成深黄色络合物。
3. 测定吸光度:使用分光光度计测定深黄色络合物的吸光度,根据吸光度值计算出水样中的氨氮含量。
四、方法特点纳氏试剂分光光度法具有操作简便、准确性高的特点。
由于深黄色络合物具有明显的吸光度,因此对于低浓度的氨氮也能准确测定。
另外,该方法还具有对有色和浑浊样品的适用性,适用范围广。
五、个人观点和理解在实际应用中,纳氏试剂分光光度法对于水样中氨氮的测定具有非常重要的意义。
其操作简便、准确性高的特点,使其成为了环境监测、工业生产和科研实验中常用的分析方法。
通过该方法测定水质中氨氮含量,能更好地掌握水体的污染程度,为环境保护和水质改善提供重要参考。
1. 范围1.1 本方法规定了用纳氏试剂分光光度法测定水中的氨氮。
1.2 本方法适用于地下水、地表水、生活污水和工业废水中氨氮的测定。
1.3 当水样体积为50mL,使用20mm比色皿时,本方法检出限为0.025mg/L,测定下限为0.10mg/L,测定上限为2.0mg/L(均以N计)。
2. 参考标准水质氨氮的测定纳氏试剂分光光度法HJ 535-20093. 职责检测技术人员按本作业指导书对水样中氨氮进行分析检测。
4. 方法原理以游离态的氨或铵离子等形式存在的氨氮与纳氏试剂反应生成淡红棕色络合物,该络合物的吸光度与氨氮含量成正比,于波长420nm处测量吸光度。
5. 干扰及消除5.1 水样中含有悬浮物、余氯、钙镁离子等金属离子、硫化物和有机物时会产生干扰,含有此类物质时要作适当处理,以消除对测定的影响。
5.2 若样品中存在余氯,可加入适量的硫代硫酸钠溶液去除,用淀粉–碘化钾试纸检验余氯是否除尽。
在显色时加入适量的酒石酸钾钠溶液,可消除钙镁等金属离子的干扰。
若水样浑浊或有颜色时可用预蒸馏法或絮凝沉淀法处理。
6. 试剂除非另有说明,分析时所用试剂均为符合国家标准的分析纯化学试剂,实验用水为按6.1制备的水,使用经过检定的容量器皿和量器。
6.1 无氨水,在无氨环境中用纯水器法制备。
用市售纯水器直接制备。
或采用下述方法之一制备:6.1.1 离子交换法:蒸馏水通过强酸性阳离子交换树脂(氢型)柱,将流出液收集在带有磨口玻璃塞的玻璃瓶内。
每升流出液加10g同样的树脂,以利于保存。
6.1.2 蒸馏法:在1000mL的蒸馏水中,加0.1mL硫酸(ρ=1.84g/mL),在全玻璃蒸馏器中重蒸馏,弃去前50mL馏出液,然后将约800mL馏出液收集在带有磨口玻璃塞的玻璃瓶内。
每升馏出液加10g强酸性阳离子交换树脂(氢型)。
6.2 盐酸,ρ(HCl)=1.18g/mL。
SO)=1.84g/mL。
H硫酸,ρ(6.3 426.4 无水乙醇6.5 轻质氧化镁(MgO):不含碳酸盐,在500 ℃下加热氧化镁,以除去碳酸盐。
1.检验依据
HJ537-2009水质 氨氮的测定 蒸馏-中和滴定法 2. 主要仪器和设备
25ml 酸式滴定管,250ml 锥形瓶,氨氮蒸馏装置 3.分析步骤
见HJ 537-2009水质 氨氮的测定 蒸馏-中和滴定法 4. 验证结果 4.1 检出限
按HJ 168-2010规定公式1
01
0V M M V k MDL ρλ
=计算,=k 1;=λ1;实验用25ml 滴定管
的最小液滴体积为=0V 0.04mL ;=1M 14.01g/mol (N 摩尔质量);=1V 250.0mL ;其中
盐酸浓度为0.02013mol/L 时,5
.36105.36010.030-⨯⨯=M ρ
mol/mL =2.013×10-5mol/mL ,
测得=MDL 4.51×10-8g/mL =0.05mg/L 。
4.2 精密度
取2个高低浓度的样品,按照步骤3,分别做6次平行实验,计算出氨氮的浓度、平均值并求出标准偏差和相对标准偏差,结果见表1
表1 精密度测试数据
4.3 准确度
测定2个有证标准样品,按照步骤3,分别平行测定6次,计算平均值,相对标准偏差、最大相对误差,检测结果见表2。
表2 有证标准样品测试数据
5. 结论
1 本实验的检出限为0.05mg/L,方法检出限为0.05mg/L,符合方法要求;
2 测定两个不同浓度的样品,分别6次测定的相对标准偏差分别为1%和0.9%,符合要求;
3 测定编号为200588和200576的有证标准物质,分别测定6次,单次测定结果均在标准值不确定度范围内,相对标准偏差分别问0.6%、0.8%,最大相对误差分别为1.1%和1.1%,满足质控要求。
hj535-2009
标准介绍HJ 535-2009 水质氨氮的测定纳氏试剂分光光度法HJ 535-2009 水质氨氮的测定纳氏试剂分光光度法为贯彻《中华人民共和国环境保护法》和《中华人民共和国水污染防治法》,保护环境,保障人体健康,规范水中氨氮的监测方法,制定本标准。
本标准规定了测定水中氨氮的纳氏试剂分光光度法。
本标准适用于地表水、地下水、生活污水和工业废水中氨氮的测定。
本标准是对《水质铵的测定纳氏试剂比色法》
(GB7479-87)的修订。
自本标准实施之日起,原国家环境保护局1987年3月14日批准、发布的国家环境保护标准《水质铵的测定纳氏试剂比色法》(GB7479-87)废止。
中华人民共和国国家环境保护标准HJ536-2009代替GB 7481-87水质 氨氮的测定水杨酸分光光度法Water quality―Determination of ammonia nitrogen―Salicylic acid spectrophotometry本电子版为发布稿。
请以中国环境科学出版社出版的正式标准文本为准。
环 境 保 护 部 发布目 次1 适用范围 (1)2 方法原理 (1)3 干扰及消除 (1)4 试剂和材料 (1)5 仪器和设备 (3)6 样品 (3)7 分析步骤 (4)8 结果表示 (4)9 准确度和精密度 (5)10 质量保证和质量控制 (5)前 言为贯彻《中华人民共和国环境保护法》和《中华人民共和国水污染防治法》,保护环境,保障人体健康,规范水中氨氮的监测方法,制定本标准。
本标准规定了测定水中氨氮的水杨酸分光光度法。
本标准是对《水质 铵的测定 水杨酸分光光度法》(GB7481-87)的修订。
本标准首次发布于1987年,原标准起草单位是江西省赣州地区环境监测站。
本次为首次修订。
本次修订的主要内容如下:——标准的名称由《水质 铵的测定 水杨酸分光光度法》改为《水质 氨氮的测定 水杨酸分光光度法》。
——增加30mm比色皿测定方式,降低了方法的检出限,扩大了方法的适用范围。
明确规定了方法的测定下限和测定上限。
——合并了结果的计算公式。
——修改了规范性附录。
自本标准实施之日起,原国家环境保护局1987年3月14日批准、发布的国家环境保护标准《水质 铵的测定 水杨酸分光光度法》(GB7481-87)废止。
本标准的附录A为规范性附录,附录B为资料性附录。
本标准由环境保护部科技标准司组织制订。
本标准主要起草单位:沈阳市环境监测中心站。
本标准环境保护部2009年12月31日批准。
本标准自2010年4月1日起实施。
本标准由环境保护部解释。
水质 氨氮的测定 水杨酸分光光度法1 适用范围本标准规定了测定水中氨氮的水杨酸分光光度法。
氨氮HJ535-2009水质氨氮的测定方法验证报告1(检验依据HJ 535-2009水质氨氮的测定纳氏试剂分光光度法2. 主要仪器和设备uv2800紫外分光光度计(编号:IE005)3(分析步骤参考HJ 535-2009水质氨氮的测定纳氏试剂分光光度法4. 验证结果4.1校准曲线及线性范围表1 氨氮标准曲线氨氮含量(μg) 0 5.0 10.0 20.0 40.0 60.0 80.0 100 吸光度As 0.054 0.095 0.127 0.192 0.345 0.489 0.638 0.783 吸光度As-A0 0 0.041 0.073 0.138 0.291 0.435 0.584 0.729图1 氨氮标准曲线图回归方程:y=0.00728737x-0.00056509 r,0.99994.2 检出限在10个空白样品中分别加入5倍检出限浓度的标准物质(即0.125mg/L),进行测定,t按HJ 168-2010规定MDL=进行计算,结果如下: (n,1,0.99),S表2 方法检出限测定结果(N=10)序号 1 2 3 4 5 6 7 8 9 100.047 0.046 0.043 0.041 0.043 0.044 0.047 0.045 0.047 0.041 吸光度(A)样品浓度0.1305 0.1278 0.1196 0.1141 0.1196 0.1223 0.1305 0.12510.1305 0.1141 (mg/L)平均值 0.1234 (mg/L)标准偏差0.00647 Sb(mg/L)2.821 t值检出限 0.018 (mg/L)4.3 精密度取2个浓度水平的标准样品,编号分别为BY140812-54和BY140812-55,标准值分别为(3.01?0.11)mg/L和(1.09?0.05)mg/L,按照步骤3,分别做6次平行实验,计算出氨氮的浓度、平均值,标准偏差并求出相对标准偏差,结果见表3 表3 精密度测试数据试样平行号编号BY140812-54标准样品编号BY140812-55标准样品1 3.05mg/L 1.09mg/L2 3.04mg/L 1.08mg/L 测定3 3.00mg/L 1.12mg/L 结果4 3.04mg/L 1.11mg/L5 2.98mg/L 1.08mg/L6 3.00mg/L 1.09mg/L平均值 3.02mg/L 1.10mg/L标准偏差 0.02858mg/L 0.01643mg/L相对标准偏差 0.95% 1.50%4.4 准确度4.4.1 有证标准样品测试取2个浓度水平的标准样品,编号分别为BY140812-54和BY140812-55,标准值分别为(3.01?0.11)mg/L和(1.09?0.05)mg/L,按照步骤3,平行测定6份样品,计算平均值,相对误差,检测结果见表4。
目次前言 (iv)1 适用范围 (1)2 方法原理 (1)3 干扰及消除 (1)4 试剂和材料 (1)5 仪器和设备 (2)6 样品 (2)7 分析步骤 (3)8 结果表示 (3)9 准确度和精密度 (4)10 质量保证和质量控制 (4)附录A(规范性附录)次氯酸钠溶液的制备方法及其有效氯浓度和游离碱浓度的标定 (5)附录B(资料性附录)共存离子的影响及其消除 (7)水质氨氮的测定水杨酸分光光度法1 适用范围本标准规定了测定水中氨氮的水杨酸分光光度法。
本标准适用于地下水、地表水、生活污水和工业废水中氨氮的测定。
当取样体积为8.0 ml,使用10 mm比色皿时,检出限为0.01 mg/L,测定下限为0.04 mg/L,测定上限为1.0 mg/L(均以N计)。
当取样体积为8.0 ml,使用30 mm比色皿时,检出限为0.004 mg/L,测定下限为0.016 mg/L,测定上限为0.25 mg/L(均以N计)。
2 方法原理在碱性介质(pH =11.7)和亚硝基铁氰化钠存在下,水中的氨、铵离子与水杨酸盐和次氯酸离子反应生成蓝色化合物,在697 nm处用分光光度计测量吸光度。
3 干扰及消除本方法用于水样分析时可能遇到的干扰物质及限量,详见附录B。
苯胺和乙醇胺产生的严重干扰不多见,干扰通常由伯胺产生。
氯胺、过高的酸度、碱度以及含有使次氯酸根离子还原的物质时也会产生干扰。
如果水样的颜色过深、含盐量过多,酒石酸钾盐对水样中的金属离子掩蔽能力不够,或水样中存在高浓度的钙、镁和氯化物时,需要预蒸馏。
4 试剂和材料除非另有说明,分析时所用试剂均使用符合国家标准的分析纯化学试剂,实验用水为按4.1制备的水。
4.1 无氨水,在无氨环境中用下述方法之一制备。
4.1.1离子交换法蒸馏水通过强酸性阳离子交换树脂(氢型)柱,将流出液收集在带有磨口玻璃塞的玻璃瓶内。
每升流出液加10 g同样的树脂,以利于保存。
4.1.2 蒸馏法在1 000 ml的蒸馏水中,加0.10 ml硫酸(4.3),在全玻璃蒸馏器中重蒸馏,弃去前50 ml馏出液,然后将约800 ml馏出液收集在带有磨口玻璃塞的玻璃瓶内。
H J水质氨氮测定 The latest revision on November 22, 2020
水质氨氮的测定
1 含义及方法原理
含义
氨氮是指水中以游离氨(NH
)和(NH4+)形式存在的氮。
动物性的含氮量
3
一般较植物性有机物为高。
同时,人畜粪便中含氮有机物很不稳定,容易分解成氨。
因此,水中氨氮含量增高时指以氨或铵离子形式存在的化合氨。
方法原理
以游离态的氨或铵离子等形式存在的氨氮与纳氏试剂反应生成淡红棕色络合物,该络合物的吸光度与氨氮含量成正比,于波长420 nm处测量吸光度空气质量标准。
2. 方法名称、标准号及适应范围
方法名称:《水质氨氮的测定纳氏试剂分光光度法》
方法标准号:HJ535 -2009
方法适用范围:本标准适用于地表水、地下水、生活污水和工业废水中氨氮的测定。
3 仪器
可见分光光度计:具20 mm比色皿。
氨氮蒸馏装置:由500 mL凯式烧瓶、氮球、直形冷凝管和导管组成,冷凝管末端可连接一段适当长度的滴管,使出口尖端浸入吸收液液面下。
亦可使用500 mL蒸馏烧瓶。
4 试剂
除非另有说明,分析时所用试剂均使用符合国家标准的分析纯化学试剂,实验用水为按制备的水。
无氨水,在无氨环境中用下述方法之一制备。
离子交换法
蒸馏水通过强酸性阳离子交换树脂(氢型)柱,将流出液收集在带有磨口玻璃塞的玻璃瓶内。
每升流出液加10 g同样的树脂,以利于保存。
蒸馏法
在1 000 mL的蒸馏水中,加 mL硫酸(ρ= g/mL),在全玻璃蒸馏器中重
蒸馏,弃去前50 mL馏出液,然后将约800 mL馏出液收集在带有磨口玻璃塞的玻璃瓶内。
每升馏出液加10 g强酸性阳离子交换树脂(氢型)。
纯水器法
用市售纯水器临用前制备。
轻质氧化镁(MgO)
不含碳酸盐,在500℃下加热氧化镁,以除去碳酸盐。
盐酸,ρ(HCl)= g/mL。
纳氏试剂,可选择下列方法的一种配制。
二氯化汞-碘化钾-氢氧化钾(HgCl
2
-KI-KOH)溶液
称取 g氢氧化钾(KOH),溶于50 mL水中,冷却至室温。
称取 g碘化钾(KI),溶于10 mL水中,在搅拌下,将 g二氯化汞
(HgCl
2
)粉末分多次加入碘化钾溶液中,直到溶液呈深黄色或出现淡红色沉淀溶解缓慢时,充分搅拌混合,并改为滴加二氯化汞饱和溶液,当出现少量朱红色沉淀不再溶解时,停止滴加。
在搅拌下,将冷却的氢氧化钾溶液缓慢地加入到上述二氯化汞和碘化钾的混合液中,并稀释至100 mL,于暗处静置24 h,倾出上清液,贮于聚乙烯瓶内,用橡皮塞或聚乙烯盖子盖紧,存放暗处,可稳定1个月。
碘化汞-碘化钾-氢氧化钠(HgI
2
-KI-NaOH)溶液
称取 g氢氧化钠(NaOH),溶于50 mL水中,冷却至室温。
称取 g碘化钾(KI)和 g碘化汞(HgI
2
),溶于水中,然后将此溶液在搅拌下,缓慢加入到上述50 mL氢氧化钠溶液中,用水稀释至100 mL。
贮于聚乙烯瓶内,用橡皮塞或聚乙烯盖子盖紧,于暗处存放,有效期1年。
酒石酸钾钠溶液,ρ=500 g/L。
称取 g酒石酸钾钠(KNaC
4H
6
O
6
·4H
2
O)溶于100 mL水中,加热煮沸以驱除
氨,充分冷却后稀释至100 mL。
硫代硫酸钠溶液,ρ= g/L。
称取 g硫代硫酸钠(Na
2S
2
O
3
)溶于水中,稀释至1 000 mL。
硫酸锌溶液,ρ=100 g/L。
称取 g硫酸锌(ZnSO
4·7H
2
O)溶于水中,稀释至100 mL。
氢氧化钠溶液,ρ=250 g/L。
称取25 g氢氧化钠溶于水中,稀释至100 mL。
氢氧化钠溶液,c(NaOH)=1 mol/L。
称取4 g氢氧化钠溶于水中,稀释至100 mL。
盐酸溶液,c(HCl)=1 mol/L。
量取 mL盐酸()于适量水中用水稀释至100 mL。
硼酸(H
3BO
3
)溶液,ρ=20 g/L。
称取20 g硼酸溶于水,稀释至1 L。
溴百里酚蓝指示剂(bromthymol blue),ρ= g/L。
称取 g溴百里酚蓝溶于50 mL水中,加入10 mL无水乙醇,用水稀释至100 mL。
淀粉-碘化钾试纸
称取 g可溶性淀粉于烧杯中,用少量水调成糊状,加入200 mL沸水,搅
拌混匀放冷。
加 g碘化钾(KI)和 g碳酸钠(Na
2CO
3
),用水稀释至250 mL。
将滤纸条浸渍后,取出晾干,于棕色瓶中密封保存。
氨氮标准溶液
氨氮标准贮备溶液,ρ
N
=1 000 μg/mL。
称取 0 g氯化铵(NH
4
Cl,优级纯,在100~105℃干燥2 h),溶于水中,移入1 000 mL容量瓶中,稀释至标线,可在2~5℃保存1个月。
氨氮标准工作溶液,ρ
N
=10 μg/mL。
吸取 mL氨氮标准贮备溶液()于500 mL容量瓶中,稀释至刻度。
临用前配制。
5样品
样品采集与保存
水样采集在聚乙烯瓶或玻璃瓶内,要尽快分析。
如需保存,应加硫酸使水样酸化至pH<2,2~5℃下可保存7 d。
样品的预处理
去除余氯
若样品中存在余氯,可加入适量的硫代硫酸钠溶液()去除。
每加可去除mg余氯。
用淀粉-碘化钾试纸()检验余氯是否除尽。
絮凝沉淀
100 mL样品中加入1 mL硫酸锌溶液()和~ mL氢氧化钠溶液(),调节pH约为,混匀,放置使之沉淀,倾取上清液分析。
必要时,用经水冲洗过的中速滤纸过滤,弃去初滤液20 mL。
也可对絮凝后样品离心处理。
预蒸馏
将50 mL硼酸溶液()移入接收瓶内,确保冷凝管出口在硼酸溶液液面之下。
分取250 mL 样品,移入烧瓶中,加几滴溴百里酚蓝指示剂(),必要时,用氢氧化钠溶液()或盐酸溶液()调整pH至(指示剂呈黄色)~(指示剂呈蓝色),加入 g轻质氧化镁()及数粒玻璃珠,立即连接氮球和冷凝管。
加热蒸馏,使馏出液速率约为10 mL/min,待馏出液达200 mL时,停止蒸馏,加水定容至250 mL。
6 分析步骤
校准曲线
在8个50 mL比色管中,分别加入、、、、、、和 mL氨氮标准工作溶液(),其所对应的氨氮含量分别为、、、、、、和100 μg,加水至标线。
加入 mL酒石酸钾钠溶液(),摇匀,再加入纳氏试剂 mL()或 mL(),摇匀。
放置10 min后,在波长420 nm下,用20 mm比色皿,以水作参比,测量吸光度。
以空白校正后的吸光度为纵坐标,以其对应的氨氮含量(μg)为横坐标,绘制校准曲线。
注:根据待测样品的质量浓度也可选用10 mm比色皿。
样品测定
清洁水样:直接取50 mL,按与校准曲线相同的步骤测量吸光度。
有悬浮物或色度干扰的水样:取经预处理的水样50 mL(若水样中氨氮质量浓度超过2 mg/L,可适当少取水样体积),按与校准曲线相同的步骤测量吸光度。
注:经蒸馏或在酸性条件下煮沸方法预处理的水样,须加一定量氢氧化钠溶液(),调节水样至中性,用水稀释至50 mL 标线,再按与校准曲线相同的步骤测量吸光度。
空白试验
用水代替水样,按与样品相同的步骤进行前处理和测定。
7结果的表示
水中氨氮的质量浓度按式(1)计算:
(1)
式中:ρN ——水样中氨氮的质量浓度(以N 计),mg/L ;
As ——水样的吸光度;
Ab ——空白试验的吸光度;
a ——校准曲线的截距;
b ——校准曲线的斜率;
V ——试料体积,mL 。
V b a
A A b s N ⨯--=ρ。