微型计算机的总线结构
- 格式:docx
- 大小:21.14 KB
- 文档页数:5
1.什么是微型计算机的系统总线?说明数据总线、地址总线、控制总线各自的作用。
【解答】系统总线是CPU与其它部件之间传送数据、地址和控制信息的公共通道。
(1)数据总线(DB):用来传送数据,主要实现CPU与内存储器或I/O设备之间、内存储器与I/O设备或外存储器之间的数据传送。
16位机有16条数据总线,32位机有32条。
数据总线是双向的。
(2)地址总线(AB):用来传送地址。
主要实现从CPU送地址至内存储器和I/O设备,或从外存储器传送地址至内存储器等。
地址总线的多少决定了系统直接寻址存储器的范围,如8086的地址总线有20条,可以寻找从00000H-FFFFFH共220=1M个存储单元,可以寻址64K个外设端口。
地址总线是单向的。
(3)控制总线(CB):用于传送控制信号、时序信号和状态信息等。
2.8086CPU具有20 条地址线,可直接寻址(220=)1MB 容量的内存空间,在访问I/O端口时,如果使用地址线16条,最多可寻址(216=)64K 个I/O端口。
3.8086CPU的数据外总线宽度为16 位,指令缓冲器为 6 个字节,选通存储器或I/O接口的信号是;8088CPU的数据外总线宽度为8 位,指令缓冲器为 4 个字节,选通存储器或I/O 接口的信号是。
4.解释逻辑地址、偏移地址、有效地址、物理地址的含义,8086存储器的物理地址是如何形成的?怎样进行计算?【解答】逻辑地址:表示为段地址:偏移地址书写程序时用到,一个存储单元可对应多个逻辑地址;偏移地址:是某一存储单元距离所在逻辑段的开始地址的字节个数。
有效地址:是指令中计算出的要访问的存储单元的偏移地址。
物理地址:是CPU访问存储器时用到的20位地址,是存储单元的唯一的编号。
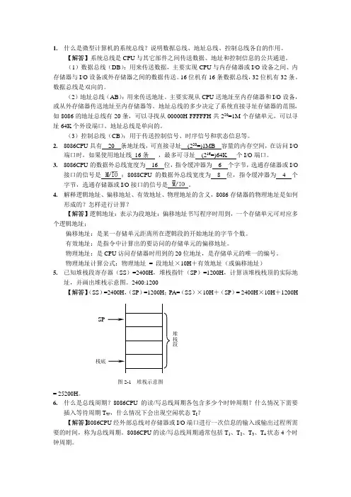
物理地址计算公式:物理地址= 段地址×10H+有效地址(或偏移地址)5.已知堆栈段寄存器(SS)=2400H,堆栈指针(SP)=1200H,计算该堆栈栈顶的实际地址,并画出堆栈示意图。
1.微机系统采用总线结构,按照所传送信息类型的不同,总线可以分为地址总线(AB),数据总线(DB),控制总线(CB)。
2.微型计算机系统的工作过程,是取指令,分析指令,执行指令三种形式。
3.8088CPU有20位地址总线,可直接寻址的内存空间为1MB,相应的物理地址范围为00000H到FFFFFH。
4.从编成结构来看,8086CPU可分为总线接口部件(BIU)和执行部件(EU)两大部分,前者的主要功能是控制与片外的数码传送,后者的主要功能是分析执行指令。
5.8088CPU内部有四个16位的段寄存器,分别为代码段寄存器,数据段寄存器,堆栈段寄存器,附加段寄存器。
6.ALU单元在8086CPU的执行部件(EU)中,可以进行算术运算和逻辑运算。
7.8086CPU内部的指令对列为6B;而8088CPU内部的指令对列为4B。
8.8086CPU被复位后,其内部的一些寄存器的状态分别为:标志寄存器F=0000H;代码段寄存器CS=FFFFH。
9.8088CPU的20为地址总线中,高4位是地址/状态复用总线;低8位是地址/数据复用总线。
10.CPU中两个基址寄存器分别是数据段基址寄存器(BX)、堆栈段基址寄存器(BP);两个编制寄存器分别是原变址寄存器(SD)、目的变址寄存器(DI)。
11.8088CPU中有一个16位的标志寄存器,其中包括六个状态标志,和三个控制标志。
12.在最小工作模式下,8086/8088微机系统的控制信号由CPU直接产生;而在最大模式下,控制信号则由总线控制器(8288)根据CPU的控制而产生,系统中可以配置多个协处理器。
13.要把一项数据写入某I/O端口,8088CPU产生的下列控制信号的电平状态为:RD=高(1),WR=低(0),M/IO=高(1)。
14.若某CPU的主频为8MHz,则其时钟周期为0.125uS,典型的总线周期为0.5uS。
15.下列物理地址所对应的存数单元中,能够作为段起始位置的是(B)A.FFFFFHB.FFFF0HC.FFFF8HD.FFFF1H16.微机系统可以直接寻址的内存空间大小,取决于CPU中(A)A.地址总线B.数据总线C.控制总线D.状态总线17.内存位于微机系统中(B)的内部A.CPUB.主机C.I/O接口D.硬盘18.关于8086CPU中地址加法器的位置,下列说法正确的是(C)A位于ALU中 B.位于EU中 C.位于BIU中D.位于PSW中19.Intel8086CPU工作于最小模式时,系统中直接产生控制信号的芯片是(D)A.8282B.8286C.8288D.808620.8086CPU的下列总线中,不支持分时复用的是(B)A.高4位地址总线B中8位地址总线C.低8位地址总线D.数据总线21.8086/8088CPU有哪两部分组成?各有什么功能和作用?答:8086/8088CPU由总线接口部件BIU和执行部件EU两部分组成,前者负责芯片内外部的数码传送,即实现对内存单元、I/O端口进行读/写操作控制,后者则专门负责指令的分析和执行。
第1章 总线组成和总线功能一.微型计算机总线主要由数据总线、地址总线、控制总线和电源等四部分组成。
1.数据总线数据总线是外部设备和主控设备之间数据传送的数据通道,通常用n ........D D 0表示,n 表示数据宽度,如ISA 总线宽度是16位,PCI 总线和数据宽度是32位。
总线中数据总线的宽度基本上反应了总线数据传输能力。
2. 地址总线地址总线是外部设备与主控设备之间传送地址信息的通道,通常用n ........A A A 10,表示。
地址总线的宽度,表示了该总线的寻址范围。
如PC/AT 机以及现在的常用计算机,在实模式下地址总线有16位地址线,则计算机系统所具有的基本寻址空间为MB 1024210=空间,在微机中,I/O 地址采用统一编码。
在PCI 总线中,内存空间、I/O 空间、配置空间是从地址总线的译码空间中划分出的三个区域,由于PCI 总线有32条地址线,寻址能力达GB 4232=字节。
3. 控制总线控制总线是专供各种控制信号传送的通道。
总线操作的各项功能都是由控制总线完成的。
在ISA 控制总线中,控制信号有总线允许、DMA 传输、中断请求、I/O 控制、存储器读写等。
ISA 控制总线可分为: I/O 总线操作:外设与主控设备建立联系,数据在外设与主控设备之间流通,如硬盘读写、数据显示、数据传输等。
I/O 总线操作常用IN 和OUT 语句。
DMA 总线操作:用DMA 方式在外设与存储器之间传送数据而封锁主控设备参与,由DMA 控制器控制总线占有权。
中断控制:外设通过中断线向主设备提出服务请求信号,主设备根据中断优先级进行响应。
控制总线是总线中最有特色的部分。
数据总线看宽度,表示计算机系统的计算能力和计算规模。
地址总线看位数,它决定了系统的寻址能力,表明计算机构成的规模 控制总线看特色,表示该总线的设计思维,控制方式及技巧。
4. 电源ISA 总线及PCI 总线电源由+12V ,-12V ,+5V ,-5V 。
微型计算机的总线结构(1).引言微型计算机是由具有不同功能的一组功能部件组成的,系统中各功能部件的类型和它们之间的相互连接关系称为微型计算机的结构。
微型计算机大多采用总线结构,因为在微型计算机系统中,无论是各部件之间的信息传送,还是处理器内部信息的传送,都是通过总线进行的。
(2).什么是总线所谓总线,是连接多个功能部件或多个装置的一组公共信号线。
按在系统中的不同位置,总线可以分为内部总线和外部总线。
内部总线是CPU内部各功能部件和寄存器之间的连线;外部总线是连接系统的总线,即连接CPU、存储器和I/O接口的总线,又称为系统总线。
微型计算机采用了总线结构后,系统中各功能部件之间的相互关系变为各个部件面向总线的单一关系。
一个部件只要符合总线标准,就可以连接到采用这种总线标准的系统中,使系统的功能可以很方便地得以发展,微型机中目前主要采用的外部总线标准有:PC—总线,ISA—总线,VESA—总线等。
(3).三总线结构按所传送信息的不同类型,总线可以分为数据总线DB(Data Bus)、地址总线AB(Address Bus)和控制总线CB(Control Bus)三种类型,通常称微型计算机采用三总线结构。
①地址总线(Address Bus)地址总线是微型计算机用来传送地址信息的信号线。
地址总线的位数决定了CPU 可以直接寻址的内存空间的大小。
因为地址总是从CPU发出的,所以地址总线是单向的、三态总线。
单向指信息只能沿一个方向传送,三态指除了输出高、低电平状态外,还可以处于高阻抗状态(浮空状态)。
②数据总线(Data Bus)数据总线是CPU用来传送数据信息的信号线(双向、三态)。
数据总线是双向三态总线,即数据既可以从CPU送到其它部件,也可以从其它部件传送给CPU,数据总线的位数和处理器的位数相对应。
③控制总线(Control Bus)控制总线是用来传送控制信号的一组总线。
这组信号线比较复杂,由它来实现CPU对外部功能部件(包括存储器和I/O接口)的控制及接收外部传送给CPU的状态信号,不同的微处理器采用不同的控制信号。
1.典型的微型计算机系统总线是由数据总线,地址总线和控制总线三部分组成的。
2.基本ASCII码共有128个字符。
3.1946年第一台通用电子数字计算机埃尼阿克(ENIAC)在美国诞生。
4.已知(BL)=8FH,执行 TEST BL,0FH后(BL)=8FH5.CPU从I/O接口的状态端口中获取外部设备的“准备好”,“忙”或“闲”等状态信息。
6.不经过CPU,数据直接在I/O设备与存储器间传输的方法称为无条件传送方式。
7.在1MB的存储器中,每个存储单元都有一个唯一的20位地址,称为该单元的物理地址。
8.“先判断后工作”的循环程序结构中,循环体执行的次数最少是0次。
9.假定AL=96H,BL=47H,依次执行ADD AL,BL和DAA指令后,AL=143H。
10.若定义 VAR DB 2DUP(1,3DUP(1,3),2(1))则在VAR存储区内前5个单元的数据是1,1,3,1,3。
1.所谓CPU是指运算器与控制器(A)2.在中断服务程序中,至少应有一条中断返回指令(D)3.若某存储器芯片地址线为12根,那么它的存储容量为4KB(C)4.在计算机内部,一切信息的存取,处理和传送都是以二进制编码形式进行的。
(D)5.十进制数38.875转换为二进制数是100110.1116.8086当前指令的地址存放在CS:IP中。
(D)7.指令 MOV AX,BUFFER中的源操作数的寻址方式是(其中BUFFER为变量名)直接寻址(C)8.8086 CPU经加电复位后,执行第一条指令的地址是FFFF0H(D)9.采用级联方式使用8259中断控制器,可使它的硬中断源最多扩大到64个。
(A)10.8086指令队列的作用是暂存指令地址(C)1. -32:8位二进制数原码:10100000,反码:11011111,补码:11100000;16位二进制数:原码、反码、补码前加8个0。
2.设当前SS=2010H,SP=FE00H,BX=3456H,计算当前栈顶的地址为多少?当执行PUSH BX 指令后,栈顶地址和栈顶2个字节的内容分别是什么?当前栈顶的地址2010H*16+FE00H=2FF00H;执行PUSH BX指令后,堆栈地址指针SP减2,则栈顶地址为2FEEDH;栈顶2个字节的内容为56H、34H。
微型计算机的体系结构微型计算机基本构成五大部件:运算器、控制器、存储器、输入设备和输出设备。
之间通过三个总线连接。
运算器+控制器=中央处理器(CPU,Center Process Unit)1. 地址总线由若干地址线组成,传递CPU要访问数据的地址。
地址总线的根数(宽度)决定了CPU的寻址能力。
若果有20根地址总线,则表2. 数据总线CPU与存储器和输入/输出接口电路之间数据的传递是通过数据总线进行的。
数据总线的根数(宽度)决定了CPU和外界一次传递数据的位数。
8根数据总线一次可传递而数据总线宽度为16处理器一次可以传递一组16位二进制数据。
3. 控制总线控制总线是一个总称,是由不同的控制线组成的。
CPU通过控制总线对存储器和输入/输出接口电路进行控制,并且得到状态消息。
控制总机的控制能力就越强。
微处理器(CPU)1971年,Intel设计第一片4位微处理器Intel 4004;随之又设计生产了8位微处理器8008;1973年推出了8080;1974年基于8080个人计算机(PC)问世1977年Intel推出了8085。
自此之后又陆续推出了8086、80386、Pentium等80x86系列微处理器。
各种微处理器的主要区别在于 处理速度、寄存器位数、数据总线宽度和地址总线宽度。
1981年,IBM采用8088CPU推出了具有划时代意义的个人计算机,简称IBM PC。
次年年底推出展型1984年,IBM采用80286推出增强型IBM PC/AT。
IBM PC/XT/AT 三款个人计算机通常称为PC系列机,他们都是16位的,后来各种32位P 80x86 CPU而形成的计算机,但其基本结构仍来源于PC/AT.80x86系列微处理器1)8088微处理器。
具有14个16位寄存器、8位数据总线和20位地址总线,可以寻址1MB的内存。
虽然这些寄存器一次可以处理2个字节,但数据总线一次只能传送1个字节。
该处理器只能以实2)8086微处理器。
微型计算机的总线结构
(1).引言
微型计算机是由具有不同功能的一组功能部件组成的,系统中各功能部件的类型和它们之间的相互连接关系称为微型计算机的结构。
微型计算机大多采用总线结构,因为在微型计算机系统中,无论是各部件之间的信息传送,还是处理器内部信息的传送,都是通过总线进行的。
(2).什么是总线
所谓总线,是连接多个功能部件或多个装置的一组公共信号线。
按在系统中的不同位置,总线可以分为内部总线和外部总线。
内部
总线是CPU内部各功能部件和寄存器之间的连线;外部总线是连接
系统的总线,即连接CPU、存储器和I/O接口的总线,又称为系统
总线。
微型计算机采用了总线结构后,系统中各功能部件之间的相互关系变为各个部件面向总线的单一关系。
一个部件只要符合总线标准,就可以连接到采用这种总线标准的系统中,使系统的功能可以很方便地得以发展,微型机中目前主要采用的外部总线标准有:PC—总线,ISA—总线,VESA—总线等。
(3).三总线结构
按所传送信息的不同类型,总线可以分为数据总线DB(Data Bus)、地址总线AB(Address Bus)和控制总线CB(Control Bus)三种类型,通常称微型计算机采用三总线结构。
①地址总线(Address Bus)
地址总线是微型计算机用来传送地址信息的信号线。
地址总线的位数决定了CPU 可以直接寻址的内存空间的大小。
因为地址总是从CPU发出的,所以地址总线是单向的、三态总线。
单向指信息只能沿一个方向传送,三态指除了输出高、低电平状态外,还可以处于高阻抗状态(浮空状态)。
②数据总线(Data Bus)
数据总线是CPU用来传送数据信息的信号线(双向、三态)。
数据总线是双向三态总线,即数据既可以从CPU送到其它部件,也可以从其它部件传送给CPU,数据总线的位数和处理器的位数相对应。
③控制总线(Control Bus)
控制总线是用来传送控制信号的一组总线。
这组信号线比较复杂,由它来实现CPU对外部功能部件(包括存储器和I/O接口)的控制及接收外部传送给CPU的状态信号,不同的微处理器采用不同的控制信号。
控制总线的信号线,有的为单向,有的为双向或三态,有的为非三态,取决于具体的信号线。
4. 微处理器的内部结构与基本功能
(1)概述
微处理器的内部结构受大规模集成电路制造工艺的严格约束,表现为芯片的面积不能过大,芯片引脚的数量也不能过多。
因此,通用微处理器的内部结构及其同外部电路的连接方式,都有比较严格的规定。
微处理器外部一般采用上述三总线结构;内部则采用单总线即内部所有单元电路都挂在内部总线上,分时享用。
一个典型的8位微处理器的结构如图1-4所示,主要包括以下几个重要部分:累加器,算术逻辑运算单元(ALU),状态标志寄存器,寄存器阵列,指令寄存器,指令译码器和定时及各种控制信号的产生电路。
图1-4 典型8位微处理器结构
(2) 累加器和算术逻辑运算部件
累加器和算术逻辑运算部件主要用来完成数据的算术和逻辑运算。
ALU有2个输入端和2个输出端,其中一端接至累加器,接收由累加器送来的一个操作数;另一端通过数据总线接到寄存器阵列,以接收第二个操作数。
参加运算的操作数在ALU中进行规定的操作运算,运算结束后,一方面将结果送至累加器,同时将操作结果的特征状态送标志寄存器。
累加器是一个特殊的寄存器,它的字长和微处理器的字长相同,累加器具有输入/输出和移位功能,微处理器采用累加器结构可以简化某些逻辑运算。
由于所有运算的数据都要通过累加器,故累加器在微处理器中占有很重要的位置。
(3) 寄存器阵列
①通用寄存器组:可由用户灵活支配,用来寄存参与运算的数据或地址信息。
②地址寄存器:专门用来存放地址信息的积存器。
③指令指针IP:它的作用是指明下一条指令在存储器中的地址。
每取一个指令字节,IP自动加1,如果程序需要转移或分支,只要把转移地址放入IP即可。
④变址寄存器SI,DI:变址寄存器的作用是用来存放要修改的地址,也可以用来暂存数据。
⑤堆栈指示器SP:用来指示RAM中堆栈栈顶的地址。
SP寄存器的内容随着堆栈操作的进行,自动发生变化。
(4) 指令寄存器,指令译码器和定时及各种控制信号的产生电路
①指令寄存器(Instruction Register,IR)用来存放当前正在执行的指令代码;
②指令译码器ID(Instruction Delocler)用来对指令代码进行分析、译码,根据指令译码的结果,输出相应的控制信号;
③时序逻辑产生出各种操作电位、不同节拍的信号、时序脉冲等执行此条命令所需的全部控制信号。
(5) 内部总线和总线缓冲器
内部总线把CPU内各寄存器和ALU连接起来,以实现各单元之间的信息传送。
内部总线分为内部数据总线和地址总线,它们分别通过数据缓冲器和地址缓冲器与芯片外的系统总线相连。
缓冲器用来暂时存放信息(数据或地址),它具有驱动放大能力。
二、微机系统的工作过程
我们已经介绍了微型计算机的组成及系统结构,并且分析讨论了作为微型
计算机核心部件的CPU的内部结构,在这一基础上,讨论微型计算机系统的工
作过程,是本课程的核心内容。
1.程序存储及程序控制的基本概念
(1).计算机工作过程的实质
计算机之所以能在没有人直接干预的情况下,自动地完成各种信息处理
任务,是因为人们事先为它编制了各种工作程序,计算机的工作过程,就是执
行程序的过程。
(2).程序存储
程序是由一条条指令组合而成的,而指令是以二进制代码的形式出现的,
把执行一项信息处理任务的程序代码,以字节为单位,按顺序存放在存储器
的一段连续的存储区域内,这就是程序存储的概念。
(3).程序控制
计算机工作时,CPU中的控制器部分,按照程序指定的顺序(由码段寄存器CS 及指令指针寄存器IP指引),到存放程序代码的内存区域中去取指令代码,在CPU中完成对代码的分析,然后,由CPU的控制器部分依据对指令代码的分析结果,适时地向各个部件发出完成该指令功能的所有控制信号,这就是程序控制的概念,
(4).冯.诺依曼概念,程序存储及程序控制的概念,是由美籍匈牙利人冯.诺依曼提出的,因此又称为冯.诺依曼概念。
简单地讲,微型计算机系统的工作过程是取指令(代码)→分析指令(译码)→执行指令的不断循环的过程。