室内消火栓系统安装检验批质量验收记录
- 格式:pdf
- 大小:76.08 KB
- 文档页数:2
室内消火栓系统安装工程检验批质量验收记录项目名称:室内消火栓系统安装工程工程地点:XXX建筑物工程编号:XXXXX施工单位:XXX建筑工程有限公司监理单位:XXX监理有限公司验收单位:XXX消防监督局一、工程概况二、验收内容本次验收主要针对室内消火栓系统的安装质量进行检查验收,包括消火栓设备、消火栓管道、水泵、水箱等的安装情况。
三、验收标准本次验收参照以下标准进行:1.《建筑设计防火规范》2.《建筑消防设施设计规范》3.《室内消火栓系统技术规范》4.《建筑消防设施工程施工质量验收规范》四、验收依据本次验收依据以下文件进行:1.工程设计文件2.施工图纸3.施工合同及补充协议4.相关设备和材料的合格证明5.施工记录五、验收过程1.现场检查对消火栓设备、消火栓管道、水泵、水箱等进行现场检查,确认其安装位置、固定及接口连接等情况。
同时,检查周边区域是否保持清洁、整齐,无杂物阻挡。
2.设备功能测试对消火栓系统进行功能测试,包括消火栓手轮操作、喷头喷水效果测试、水泵启动及运行测试等。
检查设备运行是否正常,喷水效果是否达到相应要求。
3.管道质量验收检查管道的连接情况,包括连接的牢固性、密封性等,是否存在漏水、渗漏等情况。
同时,验收管道的施工质量,如铺设是否平整、无松动、变形等。
4.材料验收对消火栓设备、消火栓管道、水泵、水箱等材料进行验收,检查其合格证明及相关技术资料是否齐全,并与施工记录进行核对。
5.施工记录审查对施工记录进行审查,确认施工单位按照设计要求进行施工,是否存在非正常操作及不合格记录等情况。
六、验收结论根据现场检查、设备功能测试、管道质量验收、材料验收和施工记录审查的结果,确认室内消火栓系统安装工程达到了设计要求和相关规范要求。
七、存在问题及整改措施1.发现消火栓设备一处安装位置与设计不符,要求施工单位整改并重新验收。
2.发现部分消火栓管道连接不紧密,存在漏水情况,要求施工单位进行修复。
3.施工记录中存在漏填内容,要求施工单位补充完整相关记录。
室内消火栓系统安装检验批质量验收记录一、安装单位信息:安装单位名称:项目名称:施工日期:竣工日期:验收日期:二、安装检验批质量验收内容:1.消火栓系统安装工程验收记录:施工过程中是否按照国家规范和相关标准进行施工?(是/否)消火栓系统的设计是否满足建筑消防设计规范要求?(是/否)安装单位是否具备相应的施工资质和人员证书?(是/否)消火栓设施的安装位置是否合理、方便使用?(是/否)消火栓系统安装工程是否符合消防设施工程验收规范要求?(是/否)2.消火栓系统管道安装工程验收记录:消火栓系统管道连接是否牢固、紧密?(是/否)管道是否采用防腐措施,并保证耐久性和使用寿命?(是/否)现场焊接接头是否符合相关标准和规范要求?(是/否)管道的走向和布置是否合理、美观?(是/否)3.消火栓系统设施安装工程验收记录:喷头和喷洒设备是否按照设计要求进行安装?(是/否)储水罐等消防设施是否防水、防漏,并具备良好的密封性能?(是/否)消火栓系统的控制设备是否安装牢固、正常工作?(是/否)消火栓系统的相关配件是否齐全、完好?(是/否)消火栓系统的消防栓是否符合相关标准和规范要求?(是/否)4.消火栓系统工程竣工验收记录:消火栓系统施工质量是否符合验收标准和要求?(是/否)消火栓系统是否操作正常、可靠?(是/否)施工单位是否提供了消防设施的技术资料和维护保养手册?(是/否)施工单位是否进行了完善的安全交底和保养保修知识培训?(是/否)三、质量验收结论:经过对室内消火栓系统安装工程的检查和测试,各项施工质量均符合国家规范和相关标准的要求,满足了建筑消防设计规范要求。
因此,对消火栓系统的安装检验批质量进行结论。
结论:合格四、存在的问题和改进措施:在安装过程中,未发现明显的施工缺陷和质量问题。
但建议施工单位在今后的工程中进一步加强施工质量管控,确保整个消防设施安装过程的质量可控和可靠。
以上为室内消火栓系统安装检验批质量验收记录,请按照验收检查结果进行处理和决策。
《室内消火栓系统安装检验批质量验收记录》表格示例及填写说明
【规范名称及编号】《建筑给水排水及采暖工程质量验收规范》(GB 50242-2002)
【条文摘录】
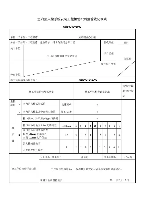
4.3室内消火栓系统安装
主控项目
4.3.1室内消火栓系统安装完成后应取屋顶层(或水箱间内)试验消火栓和首层取二处消
火栓做试射试验,达到设计要求为合格。
检验方法:实地试射检查。
一般项目
4.3.2安装消火栓水龙带,水龙带与水枪和快速接头绑扎好后,应根据箱内构造将水龙
带挂放在箱内的挂钉、托盘或支架上。
检验方法:观察检查。
4.3.3箱式消火栓的安装应符合下列规定:
1栓口应朝外,并不应安装在门轴侧。
2栓口中心距地面为1.1m,允许偏差±20mm。
3阀门中心距箱侧面为140mm,距箱后内表面为100mm,允许偏差±5mm。
4消火栓箱体安装的垂直度允许偏差为3mm。
检验方法:观察和尺量检查。
室内消火栓系统安装工程检验批质量验收记录表
GB50242-2002
郑州市工程质量监督站监制
郑州市工程质量监督站监制
郑州市工程质量监督站监制
郑州市工程质量监督站监制
郑州市工程质量监督站监制
郑州市工程质量监督站监制
郑州市工程质量监督站监制
郑州市工程质量监督站监制
郑州市工程质量监督站监制
郑州市工程质量监督站监制
郑州市工程质量监督站监制
郑州市工程质量监督站监制
郑州市工程质量监督站监制
郑州市工程质量监督站监制
郑州市工程质量监督站监制
郑州市工程质量监督站监制
郑州市工程质量监督站监制
郑州市工程质量监督站监制
郑州市工程质量监督站监制
郑州市工程质量监督站监制
郑州市工程质量监督站监制。
《室内消火栓系统安装工程检验批质量验收记录》填写说明与依据一、总说明(1)适用范围:适用于工作压力不大于1.0Mpa的消火栓系统管道安装工程的质量检验与验收(2)检验批的划分:室内消火栓系统安装分项工程应按系统区域,施工段或楼层等进行划分,分项工程应划分成若干检验批进行验收。
(3)验收人员:由监理工程师(建设单位项目专业技术负责人)组织施工单位项自经理和有关勘察,设计单位项目负责人等进行验收。
二、表格项目填写说明1.主控项日室内消火栓试射试验1)规范要求:室内消火栓系统安装完成后应取屋顶层(或水箱间内)试验消火栓和首层取一处消火栓做试射试验,达到设计要求为合格。
2)检查方法:实地试射检查。
检查数量:检查屋顶(或水箱间内)消火栓和首层取二处消火栓。
3)填写说明与依据:①消火栓栓口的静水压力不应大于0.80MPa,当大于0,80MPa时,应采取分区给水系统。
消火栓栓口的出水压力大于0.50MPa时,消火栓处应设减压装置。
②消火栓的水枪充实水柱应通过水力计算确定,且建筑高度不超过100m的高层建筑不应小于10m;建筑高度超过100m的高层建筑不应小于13m。
③高位消防水箱的设置高度应保证最不利点消火栓静水压力。
当建筑高度不超过100m时,高层建筑最不利点消火栓静水压力不应低于0.07MPa;当建筑高度超过100m时,高层建筑最不利点消火栓静水压力不应低于0.15MPa。
当高位消防水箱不能满足上述静压要求时,应没增压设施2,一般项日(1)室内消火栓水龙带在箱内安放1)规范要求:安装消火栓水龙带,水龙带与水枪和快速接头绑扎好后,应根据箱内构造将水龙带挂放在箱内的挂钉、托盘或支架上。
2)检查方法:观察检查。
检查数量:系统总组数少于5组的全检,大于5组的抽查1/2,但不少于5组。
(2)箱式消火栓的安装1)规范要求:箱式消火栓的安装应符合下列规定:栓口应朝外,并不应安装在门轴侧;栓口中心距地面为1.1m,允许偏差士20mm;阀门中心距箱侧面为140mm,距箱后内表面为100mm,允许偏差±5mm;消火栓箱体安装的垂直度允许偏差为3mm。
室内消火栓系统安装检验批质量验收记录
注:本表内容的填写需依据《现场验收检验批检查原始记录》。
本检验批质量验收的规范依据见本页背面。
填写说明
一、填写依据
1 《建筑给水排水及采暖工程施工质量验收规范》GB50242-2002。
2 《建筑工程施工质量验收统一标准》GB50300-2013。
二、检验批划分
可按设计系统、楼层、施工段、单元划分。
三、GB50242-2002规范摘要
主控项目
4.3.1 室内消火栓系统安装完成后应取屋顶层(或水箱间内)试验消火栓和首层取二处消火栓做试射试验,达到设计要求为合格。
检验方法:实地试射检查。
一般项目
4.3.2 安装消火栓水龙带,水龙带与水枪和快速接头绑扎好后,应根据箱内构造将水龙带挂放在箱内的挂钉、托盘或支架上。
检验方法:观察检查。
4.3.3 箱式消火栓的安装应符合下列规定:
1 栓口应朝外,并不应安装在门轴侧。
2 栓口中心距地面为1.1m,允许偏差±20mm。
3 阀门中心距箱侧面为140mm,距箱后内表面为100mm,允许偏差±5mm。
4 消火栓箱体安装的垂直度允许偏差为3mm。
检验方法:观察和尺量检查。