建筑箱梁分析
- 格式:pptx
- 大小:487.53 KB
- 文档页数:36
现浇箱梁的质量控制一、引言现浇箱梁是建筑工程中常见的构件之一,其质量直接关系到工程的安全和稳定性。
因此,对现浇箱梁的质量控制非常重要。
本文将从设计、材料选用、施工工艺等方面详细介绍现浇箱梁的质量控制要点。
二、设计要点1. 结构设计:现浇箱梁的结构设计应符合相关标准和规范要求,确保其承载能力和稳定性。
2. 尺寸设计:根据工程实际需求,合理确定现浇箱梁的尺寸,确保其与其他构件的连接和协调。
三、材料选用1. 混凝土:选择符合工程要求的高强度混凝土材料,确保混凝土的强度和耐久性。
2. 钢筋:选用符合设计要求的钢筋,确保其强度和粘结性能。
3. 模板:选择合适的模板材料,确保模板的平整度和稳定性。
四、施工工艺1. 模板安装:根据设计要求,正确安装模板,确保模板的稳定性和密实性。
2. 钢筋布置:按照设计图纸要求,正确布置钢筋,确保钢筋的位置准确和连接牢固。
3. 浇筑混凝土:在浇筑混凝土前,应进行充分的浇筑前检查,确保模板和钢筋的质量符合要求。
同时,控制混凝土的浇筑速度和均匀性,避免产生空洞和夹杂物。
4. 养护措施:在混凝土浇筑完成后,应及时进行养护,确保混凝土的强度和耐久性。
五、质量检验1. 模板检查:对模板进行检查,确保其平整度和稳定性。
2. 钢筋检验:对钢筋进行检验,包括尺寸、数量和连接等方面,确保钢筋的质量符合要求。
3. 混凝土检验:对浇筑的混凝土进行抽检,检测混凝土的强度和密实性。
4. 结构检验:对现浇箱梁的结构进行检验,确保其承载能力和稳定性。
六、质量控制措施1. 严格执行相关标准和规范要求,确保施工过程中的质量。
2. 加强施工现场的管理,确保施工人员的素质和责任心。
3. 建立健全的质量控制体系,包括质量计划、质量检验和质量记录等方面。
4. 加强与监理单位的沟通和协调,及时解决施工中的质量问题。
七、总结现浇箱梁的质量控制是确保工程安全和稳定性的关键。
通过合理的设计、材料选用和施工工艺,加强质量检验和质量控制措施,可以有效提高现浇箱梁的质量。
现浇箱梁设计存在问题及解决方法跟着我国桥梁技术的提升,桥梁的雅观也愈来愈高,现浇连续箱梁因拥有外形简捷、雅观、抗扭刚度大、整体性好、合用性强等长处,在桥梁建设中发挥侧重要的作用。
因为箱梁问题较为复杂,国内研究也并不是完整成熟,各单位整体设计思想也存在差别,致使现浇箱梁设计图纸的多样性。
点我:领取工程大礼包。
怎样让现浇箱梁设计和施工标准化优秀连接,本文会对设计师有优秀的启迪。
过去设计、施工中存在的主要问题1、箱梁拆模后在腹板与底部承托部位出现空洞、蜂窝、麻面,部分腹板距底板 1m 高范围内出现空洞、蜂窝、麻面。
2、箱梁底板在沿预应力钢束涟漪管地点下出现的断断续续、长度不等的纵向裂痕。
3、箱梁底板横向裂痕4、箱梁腹板出现斜向裂痕现浇混凝土箱梁常常出现腹板斜向裂痕,表现为45°的斜裂痕和沿预应力索管方向的斜裂痕,常常凑近锚头处裂痕展开较宽,渐渐变窄而至消逝。
5、箱梁翼缘板横向裂痕翼缘板横向裂痕一般在施工期就出现,一般由腹板处向悬臂外伸展。
6、预应力钢束张拉时,钢束伸长量高出了同意偏差值如包括平弯、竖弯的长钢束伸长值比设计值偏小,短钢束的伸长值比设计值偏大。
7、预应力筋的断丝和滑丝预应力混凝土箱梁张拉时发生预应力钢索的断丝和滑丝,使得箱梁的预应力钢束受力不平均或使构件不可以达到所要求的预应力度。
8、锚头下锚板处混凝土变形开裂成因:1)锚板邻近钢筋部署较密,浇筑混凝土时,振捣不实、混凝土分散或仅有沙浆,致使该处混凝土强度低。
2 )锚垫板下钢筋部署偏少、局部承压尺寸偏小,受压面积偏小,局部应力过大。
3)锚板或锚垫板设计厚度偏薄,受力后变形多大。
9、表面龟裂一般是因为连续梁在施工过程中保养不实时或温度变化较大时产生的。
10、管道压浆不密实管道压浆不密实是目前预应力桥梁的质量通病。
点我:领取工程大礼包。
11、分段施工时,连结器邻近腹板开裂连结器处腹板厚度较小,施工缝处钢筋连结长度不够,施工缝未按冷缝进行办理等。
二、技术指标主要技术指标表三、主要材料原材料应有供应商提供的出厂检验合格证明书,并应按《公路桥涵施工技术规范》(JTG/T F50-2011)规定的检验项目、批次规定,严格实施进场检验。
1.混凝土预制主梁、端横梁、封锚、现浇湿接缝混凝土均采用C50,调平层混凝土采用C40;桥面铺装采用沥青混凝土。
1)水泥:水泥应采用品质稳定的普通硅酸盐水泥或硅酸盐水泥,碱含量不宜大于0.60%,熟料中C3A含量不应大于8.0%。
其余技术要求尚应符合GB 175-2007的规定,不应使用其它品种水泥。
2)细骨料:细骨料应采用硬质洁净的天然中粗河砂,也可使用经专门机组生产、并经试验确认的机制砂,其细度模数宜为2.6~3.2,含泥量不应大于2.0%,泥块含量不应大于0.5%(高性能混凝土),其余技术要求应符合JTG E42-2005的规定。
3)粗骨料:粗骨料应采用坚硬耐久的碎石或卵石,空隙率宜小于40%,压碎指标宜小于20%,粗骨料母岩的抗压强度与混凝土设计强度之比应不小于1.5,含泥量不应大于1.0%,泥块含量不应大于0.5%,针片状含量宜小于10%;粒径宜为5mm~20mm,连续级配,最大粒径不应超过25mm,且不应大于钢筋最小净距的3/4。
其余技术要求应符合JTG E42-2005的规定。
4)选用的骨料应在施工前进行碱活性试验,应优先采用非活性骨料。
不应使用碱-碳酸盐反应活性骨料和膨胀率大于0.20%的碱-硅酸反应活性骨料。
当所采用骨料的碱-硅酸反应膨胀率在0.10%~0.20%时,混凝土中的总碱含量不宜大于3.0kg/m3(特大桥、大桥和重要桥梁不宜大于1.8kg/m3),且应经碱-骨料反应抑制措施有效性试验验证合格。
5)混凝土拌和及养护用水应符合JGJ 63-2006的规定要求。
混凝土拌和物(含封锚混凝土)中各种原材料引入的氯离子总量不得超过胶凝材料总量的0.06%。
6)混凝土矿物掺和料应采用性能稳定的粉煤灰,粉煤灰氯离子含量不宜大于0.02%,其余性能应符合GB/T 1596-2005中I级粉煤灰的规定。
预制箱梁质量通病分析与控制措施预制箱梁是工业建筑领域最常见的混凝土梁之一,广泛用于桥梁、隧道、高速公路、城市轨道交通等领域。
在项目实施过程中,预制箱梁的质量是至关重要的。
然而,预制箱梁在施工过程中存在一些通病,比如拼缝质量差、钢筋错位、预应力张拉质量差等问题,会直接影响预制箱梁的使用寿命和安全性。
本文将对预制箱梁质量通病进行分析,并提出相应的控制措施。
一、拼缝质量差拼缝是预制箱梁中最容易出现质量问题的区域。
一方面,拼缝处需要进行钢筋焊接,焊接的质量会直接影响拼缝的强度和耐久性。
另一方面,拼缝处的混凝土浇筑和粘贴需要达到很高的工艺要求,否则会引发严重的质量隐患。
为了解决拼缝质量差的问题,首先需要在设计阶段就加强拼接结构的优化和研究,在施工阶段需要加强拼缝区域的管理和监测。
拼缝处的焊接需要特别注意焊缝的质量,焊接工艺需要严格控制,确保焊接的强度和稳定性。
同时,对于混凝土浇筑和粘贴的要求也需要更高的标准,对施工人员进行相关技术培训,提高他们的技术水平和工艺素质。
二、钢筋错位钢筋错位是预制箱梁质量问题中最严重的问题之一,也是导致诸多桥梁事故的重要原因。
钢筋错位情况严重可能导致预制箱梁整体强度下降,影响使用寿命和安全性。
为了避免钢筋错位的问题,需要从钢筋生产、加工、运输、施工等环节都进行全程监控和管理。
在生产阶段,需要对钢筋质量进行抽检,排除质量问题。
在加工和运输中,需要加强对钢筋的保护,避免钢筋弯曲、磨损等情况。
在施工阶段,需要对钢筋进行鉴定,并严格按照钢筋排列图施工,杜绝钢筋错位的情况。
三、预应力张拉质量差预应力张拉是预制箱梁质量控制中最重要的一个环节。
预应力张拉不当会导致梁体强度下降、破裂等情况。
预应力张拉的质量需要从预应力钢筋、锚固系统、张拉设备、作业环境、作业人员等多个方面确保。
在预应力钢筋的选用上,需要排除不合格的产品,选择符合要求的产品。
在锚固系统的设计和选型上,需要符合国家标准和规范,确保锚固效果稳定可靠。
现浇箱梁1. 简介现浇箱梁是一种常用的混凝土结构构件,常用于建筑、桥梁、隧道等工程中。
本文将介绍现浇箱梁的定义、特点、施工过程和注意事项。
2. 定义现浇箱梁,是指在现场进行混凝土浇筑,形成箱状梁体结构。
一般包括箱体底板、侧板和顶板。
箱梁广泛应用于大跨度桥梁、地铁隧道等工程中。
3. 特点现浇箱梁相较于其他结构构件,具有以下特点:•承重能力强:现浇箱梁采用混凝土材料浇筑而成,具有较大的承载能力,能够满足工程对于结构的强度要求。
•施工周期短:相较于其他施工方法,现浇箱梁施工周期短,能够提高工程进度,缩短施工时间。
•模板灵活:现浇箱梁采用模板支撑,在结构形状和尺寸有一定灵活性,可适应各种设计要求和工程条件。
•施工性能好:现浇箱梁采用现场浇筑施工,能够适应不同工程需求,施工性能好,适用性广。
4. 施工过程现浇箱梁的施工过程一般包括以下几个步骤:4.1 模板安装根据设计要求,安装适合尺寸和形状的模板。
模板应牢固稳定,确保浇筑过程中的精度和平整度。
4.2 钢筋布置根据设计图纸要求,将钢筋按照规格和布局要求进行安装和固定。
钢筋的质量和安装密度直接影响现浇箱梁的强度和承载能力。
4.3 浇筑混凝土在模板安装和钢筋布置完成后,进行混凝土的浇筑工作。
混凝土应根据设计配合比要求进行调配,并在浇筑过程中进行振捣,以确保混凝土的密实性和均匀性。
4.4 养护和拆模混凝土浇筑完毕后,需要进行养护工作,保持适当的湿润度和温度,以确保混凝土的强度发展。
根据混凝土的强度发展情况,决定拆除模板的时间和方式。
5. 注意事项在施工现浇箱梁时,需要注意以下几点:•混凝土配合比应按照设计要求进行调配,确保浇筑的混凝土强度和质量。
•模板的安装应严格按照设计要求进行,并做好支撑和固定工作。
•钢筋的安装应符合设计布局要求,确保钢筋的质量和数量。
•浇筑混凝土时,应注意提前安排好施工计划和组织好人员,确保施工顺利进行。
•施工现场要加强安全管理,确保施工人员的人身安全,并制定应急预案,应对突发事件。
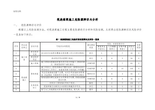
现浇箱梁施工危险源辨识与分析
一、危险源辨识与评价
根据以上风险估测方法,对现浇梁施工过程主要危险源进行分析和风险估测,从而得出危险源辨识及风险评价一览表如下所示:
表1 现浇箱梁施工危险有害因素辨识及评价一览表
1/ 9
2/ 9
3/ 9
4/ 9
5/ 9
二、风险分析结论
6/ 9
根据现浇梁施工作业风险LEC法评估结果表,显著以上危险的有30项,主要潜在事故类型:触电、起重伤害、机械伤害、物体打击、高处坠落、坍塌,其中3级风险30项,需要制定针对性安全措施,施工期间,严格落实领导带班制度。
表2显著危害因素清单
7/ 9
8/ 9
9/ 9。
施工技术交底现浇箱梁一、引言现浇箱梁作为一种常见的搭建结构,在建筑施工中起到了重要的作用。
本文将对施工技术交底现浇箱梁进行讨论和分析,旨在加深对现浇箱梁施工技术的理解和应用。
二、现浇箱梁的定义现浇箱梁,又称为模板箱梁,是指在工地现场搭建模板,并进行混凝土浇筑,形成一种承载力强、结构稳定的横梁结构。
它通常用于桥梁、超高层建筑、隧道等工程中。
三、现浇箱梁施工技术交底1. 设计参数和荷载要求:在进行现浇箱梁施工之前,需要明确设计参数和荷载要求。
设计参数包括梁的几何形状、尺寸和截面形式等;荷载要求包括荷载类型、作用位置和作用方向等。
这些参数和要求将决定施工过程中的各项措施和技术。
2. 模板搭设:模板的搭设是现浇箱梁施工中的核心环节。
首先要对箱梁进行测量和标记,确定梁的几何尺寸和位置。
然后按照设计要求,搭建箱梁的模板结构,包括梁底模板、侧模板和顶模板。
模板要牢固、稳定,并能承受混凝土浇筑时的压力和振动。
3. 钢筋布置:钢筋的布置是保证现浇箱梁强度和承载力的重要环节。
按照设计要求,在模板内部设置纵向和横向的钢筋,并严格控制钢筋的间距和纵横交叉点的连接。
钢筋的长度和直径要根据设计要求进行计算和选择。
4. 混凝土浇筑:混凝土是现浇箱梁的主要材料,浇筑过程需严格控制。
首先要对混凝土进行配制,使其符合设计要求;然后在模板内逐层浇筑混凝土,使用振动器进行振捣,以排除空隙和保证混凝土的密实性。
浇筑完成后,要进行养护,确保混凝土的强度和耐久性。
5. 模板拆除:在混凝土达到设计强度后,可以进行模板拆除工作。
拆除时要小心谨慎,避免损坏梁体和周围结构。
需要注意的是,拆除后的现浇箱梁仍需进行养护,以确保其稳定性和耐久性。
四、现浇箱梁施工中的常见问题及解决方法在现浇箱梁的施工过程中,常常会遇到一些问题,例如模板的破损、混凝土的质量问题等。
针对这些问题,需要及时发现并采取相应的解决措施,以避免影响施工质量和工程安全。
1. 模板破损:模板在施工过程中可能出现破损的情况,可能是由于施工人员操作不当、混凝土压力过大等原因导致。
箱梁结构各部位详解箱梁结构,是一种广泛应用于桥梁、隧道和建筑等领域的结构形式。
它以箱形截面为主要特征,具有高刚度、轻量化、施工方便等优点,因此广受欢迎。
下面我们就来详细了解一下箱梁结构的各个部位。
一、截面形式箱梁结构有多种截面形式,常见的有矩形、圆形、梯形、单板和复合等几种,其中矩形截面是最为常见的结构形式。
矩形箱梁结构具有结构刚度高、工程可操作性强的特点,其截面呈矩形形式,由上下两个平面板和四个垂直于平面板的墙构成。
二、横隔板横隔板是箱梁梁体内部的构件,其起到加强箱梁纵向刚度和防止侧面位移的作用。
横隔板数量根据箱梁结构长度和要求而定,一般在箱梁中每个孔跨设1~2个横隔板。
三、斜撑在其它结构中,为增加结构稳定,常常采用斜撑、承压杆等单向约束架构件。
为了增强箱梁结构的刚度和稳定性,增加斜撑与横隔板的作用,提高结构整体的抗弯扭性能,斜撑在箱梁结构中也得到了广泛应用。
四、接缝方式箱梁结构中需要使用接缝方式,以便将多个箱体连接成整体。
接缝的质量关系到整个结构的安全性和可靠性,常见的接缝方式有桁架式接缝、悬挑式接缝、预制接缝等。
其中桁架式接缝是目前应用最广泛的一种接缝方式,其直线程度高,加工工序简单。
五、支座箱梁结构的支座在施工和使用过程中都起到至关重要的作用。
支座的主要作用是将箱梁与墩身相连,并平衡不同温度和随时间而产生的变形,以确保结构的安全性、可靠性和整体稳定性。
在设计过程中,必须充分考虑结构的热胀冷缩变形以及墩身问题。
六、预应力钢束箱形梁结构施工时采用预应力方法,通过预应力钢束的拉应力,使结构内部受到的压应力大幅增加,从而提高箱形梁结构的承载能力和刚度。
预应力钢束一般埋设在箱体内部,施工时采用模板固定,使锚具预埋在箱体内部并拉紧。
预应力钢束也是箱梁结构的重要构件之一。
综上所述,箱梁结构由多个关键部位构成,每一部位的设计和施工都对整个结构的稳定性、可靠性和安全性具有至关重要的作用。
因此,在设计和施工过程中,必须充分考虑各个部位的特点,合理分配资源,确保结构的长期稳定性和安全性。
预应力混凝土箱梁开裂原因分析与防治措施摘要:随着当前我国建筑行业的快速发展,各类基建工程的施工发展也获得了较多的实践机会。
在此过程中分析关于基建施工中的预应力混凝土箱梁开裂现状,也引起了施工人员及研究人员的重视。
文章简要分析预应力混凝土箱梁开裂原因及防治措施,以盼能为相关工艺实施中出现的开裂问题解决提供参考。
关键词:预应力混凝土箱梁;开裂原因;防治措施预应力混凝土箱梁施工技术为当前基建工程施工中,常用的一类工艺技术。
该工艺技术在施工应用中具备施工工艺简单,施工效率高,施工成本低的优势,因此在施工应用中关于影响其施工质量的开裂现象以及对应的防治措施,也成为当前行业发展中主要研究的问题。
1 预应力混凝土箱梁开裂主要原因分析分析当前预应力混凝土箱梁在施工应用中,出现开裂现象的主要原因有:设计原因、温度原因、水灰比原因、养护原因、超载原因。
上述原因的出现,严重影响了预应力混凝土箱梁工艺的应用质量,且造成了较多返工复工及安全隐患现象,对于工程的施工质量,以及业主单位的实际投资效果,都造成了严重的影响。
笔者针对上述原因造成的工程开裂现象,以及开裂产生的影响进行简要的分析研究。
1.1 设计原因分析当前在预应力混凝土箱梁施工中因设计原因,造成的工程开裂现象较为常见。
具体在施工中分析因设计原因,造成的工程开裂现象主要表现为:工程设计不合格,造成箱梁实际荷载能力小于上层的负荷,最终造成在持续施工中箱梁体出现了开裂现象。
分析该类原因造成的箱梁开裂现象,严重时可造成工程垮塌,变形等不良现象,极大的影响了工程的施工质量,且造成了较多的工程进度延期等不良现象,对于工程的施工成本控制,以及工程进度管理造成了较大的影响。
1.2 温度原因预应力混凝土箱梁在施工作业中,水为主要的施工材料。
分析因水的物理特性,加之预应力混凝土箱梁施工中的内外部应力差原因,最终造成在温度变化过快的期间内,箱梁出现了开裂等不良现象。
具体分析因温度原因造成的箱梁开裂现象,轻微开裂可通过凿毛补浆,现场浇筑的方式进行工程修复。
箱梁架设安全隐患及问题引言箱梁是一种常用于桥梁、建筑物等结构中的重要构件,承载着巨大的荷载。
在箱梁的架设过程中,存在着一些潜在的安全隐患和问题,这些问题可能会对工程质量和施工人员的安全产生严重的影响。
本文将分析和总结箱梁架设过程中常见的安全隐患及问题,并提出相应的解决方案。
安全隐患及问题1. 梁体稳定性问题在箱梁架设过程中,一些设计不合理或者施工过程中的错误操作可能导致梁体的稳定性问题,例如:•梁体倾斜:在浇筑混凝土时,如果未采取适当的支撑措施或者支撑设计不合理,可能导致梁体倾斜,从而影响整个结构的稳定性。
•梁体侧倾:在箱梁架设过程中,梁体的侧倾可能会导致其所承受的荷载不均匀分布,从而影响梁体的安全性能。
2. 施工安全问题箱梁架设过程中,由于宽度较大、重量较重,工人操作可能存在一定的风险,例如:•高空坠落:在架设箱梁过程中,工人需要在高空进行作业,如果没有采取恰当的安全措施,可能会发生高空坠落事故。
•操作不当:由于箱梁的体积和重量较大,操作不当很容易导致梁体滑落或坠落,对工人和周围环境造成严重安全隐患。
3. 材料质量问题箱梁的质量直接关系到结构的安全性,因此材料的选择和检测非常重要。
以下是一些可能存在的材料质量问题:•钢筋质量不合格:如果箱梁中的钢筋质量不符合要求,可能会导致梁体的强度不足,从而影响整个结构的安全性能。
•混凝土强度不达标:如果箱梁中的混凝土质量不达标,可能会导致梁体在工作荷载下产生裂缝,严重时甚至会引发结构的坍塌。
解决方案1. 设计和施工方案优化•针对梁体稳定性问题,应加强对梁体支撑的设计和施工,确保梁体在架设过程中保持稳定。
•对于箱梁侧倾问题,应在施工前进行全面的安全评估,确定适当的支撑方案,确保梁体在施工过程中保持垂直。
2. 强化施工现场安全管理•在高空作业中,应设立安全围护网、脚手架等安全设施,确保工人的安全。
•在进行箱梁架设操作时,应组织专业技术人员进行指导,确保操作规范和安全。
浅谈现浇箱梁施工易出现的问题及处理方法摘要:在箱梁现浇施工时,在诸多的因素的影响下很容易产生一些质量隐患。
这些问题得不到重视,必将影响箱梁的施工质量。
所以,本文将对梁面混凝土干缩产生裂纹、箱梁底砼外观缺陷问题、预应力张拉过程中出现的钢绞线断丝和滑丝、钢筋施工中的问题进行分析,并对其出现的问题提出相应的解决方法。
关键词: 现浇箱梁裂纹外观缺陷处理方法随着我国社会经济进步,公路建设得到了巨大的发展,加上更多大型建设项目在我国的建设,大跨度现浇箱梁的建筑更是得到了很大的发展。
钢筋混凝土箱形连续现浇梁具有桥梁跨越幅度大、桥梁重量小、桥梁形状优美、性能好、可选桥型以及线型多等优点。
随着施工技术的日趋完善以及预应力技术的广泛应用,现浇箱梁技术也越来越受到社会的关注。
但由于受到诸多因素的影响,在现浇箱梁施工过程中也会出现一些质量问题,例如,混凝土干缩导致的裂纹、预应力张拉过程中出现的钢绞线断丝和滑丝问题以及梁底砼外观缺陷问题。
因此,对于现浇箱梁施工易出现的问题及处理方法的研究是很有必要的。
一.梁面裂纹问题和处理方法1梁面裂纹产生原因裂缝是影响现浇箱梁施工工程质量的主要因素之一。
施工中产生裂缝的原因主要有三个方面的原因:1)支架不均匀下沉产生裂缝。
当箱梁支架的地基强度达不到规定要求时,混凝土浇筑初期会出现支架的下沉现象,从而会产生裂缝问题,其中,最容易产生的裂缝的是墩顶的横隔板和横隔板两侧。
2)支架拆除控制不当产生裂缝。
在现浇箱梁施工过程中,施工人员很容易忽视支架拆除时的控制问题。
拆除支架时混凝土强度要达到设计的100%。
因此,在此种情况下拆除支架后,混凝土会发生变化,从而导致跨中正弯矩区梁底和支撑处会产生裂缝现象。
3)混凝土浇筑时间的不当和混凝土收缩产生裂缝。
分两次浇筑的方法是现浇箱梁施工时所经常使用的,在完成底板浇筑后,会由于工序上安排的不合理和一些其他因素将会加大浇筑腹板和顶板的时间,导致底板的混凝土快速收缩。
混凝土板、空心箱梁、Z梁优缺点混凝土板优缺点优点- 强度高:混凝土板具有较高的抗压性能和抗弯性能,能够承受较大的荷载。
- 耐久性好:混凝土板具有较长的使用寿命,能够抵抗风、震、火等自然灾害。
- 隔热隔音性能好:混凝土板具有较好的隔热隔音性能,可以提供良好的室内环境。
- 可塑性强:混凝土板可以根据需要进行各种形状和尺寸的构建,具有较高的可塑性。
缺点- 重量大:混凝土板相对较重,需要较大的施工和运输工作。
- 施工周期长:混凝土板的施工周期较长,需要经历浇筑、养护等步骤。
- 成本较高:混凝土板的制作和施工成本较高。
空心箱梁优缺点优点- 重量轻:空心箱梁由于内部为空心,相对较轻,有助于节省材料和减少施工负荷。
- 施工方便:空心箱梁的安装和施工相对简单,节省了时间和人力。
- 适应性强:空心箱梁可以根据需要进行设计和调整,适应不同的工程需求。
缺点- 强度较低:空心箱梁的抗压和抗弯性能相对较弱。
- 隔热隔音性能差:由于空心箱梁内部为空洞,其隔热隔音性能相对较差。
- 不耐久:空心箱梁容易受到环境和时间的影响,其使用寿命相对较短。
Z梁优缺点优点- 节约材料:Z梁采用薄型结构设计,能够较好地节约材料。
- 建筑效益高:Z梁可以有效提高楼层高度,增加使用空间,提高建筑效益。
- 抗震性能好:Z梁具有较好的抗震性能,能够减少在地震等自然灾害中的破坏。
缺点- 施工复杂:Z梁的施工过程相对复杂,需要专业的施工工艺和技术。
- 难以调整:一旦Z梁的设计确定,调整起来较为困难。
- 隔热隔音性能差:由于Z梁的结构特点,其隔热隔音性能相对较差。
以上是混凝土板、空心箱梁和Z梁的优缺点。
根据具体的工程需求和条件,可以选择合适的结构形式来进行设计和构建。
箱梁概述箱梁是一种常见的结构工程构件,通常用于在建筑、桥梁和其他大型结构中承受重载的功能。
其主要特点是具有较大的弯曲刚度和承载能力。
箱梁的设计和制造需要考虑多个因素,如强度、稳定性、刚度、施工和运输等。
1. 箱梁的类型和用途箱梁有多种类型,包括实心箱梁、空心箱梁、T形箱梁等。
不同类型的箱梁适用于不同的情况和需要。
实心箱梁由于其整体性和强度,常用于承载大荷载的桥梁结构中。
空心箱梁因其重量较轻而且方便施工和维护,常被采用于地铁、市政工程和航空航天领域。
T形箱梁结构常见于建筑的楼层、横梁和地下结构,其形状提供了较大的悬挑能力。
2. 箱梁的设计要点在设计箱梁时,需要考虑多个要点。
首先是强度和刚度的设计。
箱梁的设计应满足加载条件下的静力强度和变形要求。
其次是稳定性分析。
为了保证结构的稳定性,必须考虑横向位移、侧翻和纵向稳定性等因素。
此外,还需要考虑施工过程中的可行性和经济性。
3. 箱梁的制造和施工箱梁的制造通常采用预制方式。
预制箱梁可以在工厂中制造,然后通过运输设备将其送到施工现场。
预制箱梁可以精确地控制构件的尺寸和质量,并减少现场制造和施工时间。
箱梁的施工需要大型的起重设备和施工支架。
在施工过程中,需要注意提前进行稳固计算,并采取适当的安全措施。
4. 箱梁的优缺点箱梁作为结构构件具有以下优点:首先,箱梁的刚度和承载能力较高。
其次,箱梁的设计和制造可以在工厂中进行,减少了现场施工的复杂性。
此外,由于箱梁的结构形式,其自重相对较轻,可以降低土建结构的压力。
然而,箱梁也存在一些缺点。
首先,制造预制箱梁需要大型的设备和先进的技术,这对于一些项目来说可能不太容易实现。
其次,预制箱梁的运输和安装也需要专门的设备和大型施工机械。
5. 箱梁的典型应用案例箱梁广泛应用于各种建筑工程中。
在桥梁工程中,箱梁常用于大跨度桥梁的主梁和横梁。
在地铁和市政工程中,空心箱梁常用于地铁隧道的顶板和侧墙。
在建筑结构中,T形箱梁常被用作横梁和楼层结构。
现浇箱梁钢芯模上浮原因控制措施提纲:1. 现浇箱梁钢芯模上浮的原因分析2. 现浇箱梁钢芯模上浮的危害及影响因素3. 现浇箱梁钢芯模上浮的控制措施4. 现浇箱梁钢芯模上浮的检测方法5. 实际项目中现浇箱梁钢芯模上浮案例分析第一部分:现浇箱梁钢芯模上浮的原因分析现浇箱梁是建筑施工中常用的梁式结构,通常采用钢模板来施工,对比传统的木模板,钢模板具有施工速度快、使用寿命长等优势。
然而在实际工程中也会存在一些问题,其中一个比较常见的问题就是钢芯模上浮。
1.1 温度差异引起的热应力现浇箱梁结构中钢芯模板与混凝土之间形成接触面,钢模板和混凝土固化硬化度和收缩量不同,在温差作用下容易产生热应力,从而导致钢芯模板上浮。
1.2 渗水、渗油引起的腐蚀及砂浆胶结失效在施工过程中,钢模板容易遭受渗水、渗油等现象,导致钢芯模板表面产生锈蚀和砂浆胶结失效。
1.3 施工中人工操作引起的力学影响在施工的过程中,人工操作也会对钢芯模板产生影响。
例如在混凝土注入时,如果不是均匀注入,会产生不同程度的冲击力和水平力,导致钢芯模板的上浮。
1.4 钢模板设计问题钢芯模板的设计不合理也会对其造成影响,例如在设计中未考虑到钢芯模板的伸缩量、挠度等因素。
1.5 其他因素建筑施工中存在的其他因素,例如地基沉降、风荷载等因素,也可能对钢芯模板上浮产生影响。
第二部分:现浇箱梁钢芯模上浮的危害及影响因素现浇箱梁钢芯模上浮会对建筑结构产生一定的影响,主要包括以下几个方面:2.1 安全风险钢芯模板上浮会造成结构变形不均,影响结构的承载能力和稳定性,从而造成安全风险。
2.2 施工效率现浇箱梁钢芯模上浮需要及时治理,会对施工效率产生影响。
2.3 施工成本治理上浮需要额外的费用,增加工程的成本。
2.4 建筑质量现浇箱梁钢芯模上浮会影响建筑质量,容易引起建筑病害。
2.5 桥梁使用寿命现浇箱梁钢芯模上浮对桥梁使用寿命也会产生影响,需要及时治理,否则会缩短桥梁使用寿命。
预制预应力混凝土小箱梁的经济指标分析摘要:预制预应力混凝土小箱梁被广泛应用于桥梁工程中,本文根据本人任职单位设计的多座预制预应力混凝土小箱梁桥工程的造价指标及主要构件工程量指标进行计算、分析和研究,总结出影响预制预应力混凝土小箱梁造价的主要因素,为今后类似工程造价的编制提供参考和借鉴,并提出控制桥梁工程造价的建议。
关键词:桥梁工程;预制预应力小箱梁;经济指标在我国,随着桥梁建设的快速发展,桥梁的结构形式越来越多,对桥梁的各项性能要求也越来越高,中小跨径桥梁在桥梁工程中占绝大部分,而预制预应力混凝土小箱梁结构则被广泛应用于中小跨径桥梁工程中,如中桥、小桥、城市高架桥、立交桥和独立大桥及特大桥中的引桥等。
预制预应力混凝土小箱梁具有梁高小、抗弯强度高、剪应力小、抗扭刚度大、横向荷载分配均匀、稳定性好等良好的受力性能。
此外,预制预应力混凝土小箱梁结构简单,设计施工难度低,经验成熟,采用工厂统一预制,施工工期短,对交通和环境影响较小。
因此,对预制预应力混凝土小箱梁结构进行经济指标分析和总结,不仅可以为类似工程的估算、概算、预算编制提供经验数据,更对桥梁工程的造价控制具有重要的意义。
一、桥梁工程造价编制依据本文选取本人近几年参与的预制预应力混凝土小箱梁桥梁工程作为经济指标分析依据,这12座桥均为广东省的项目,道路等级为城市主干道,设计速度为60km/h,设计荷载为城-A级,结构设计安全等级为一级,桥梁工程造价(建筑安装工程费)编制依据为国家标准《建设工程工程量清单计价规范》(GB50500-2013)、粤建市[2010]15号《广东省建设工程计价通则2010》、《广东省建设施工机械台班费用2010》、《广东省市政工程综合定额2010》和穗建筑[2011]476号《广州市市政工程补充综合定额2011》。
由于这12座桥的设计时间不同,为了便于比较,材料价统一按2014年第二季度广州地区建设工程常用材料综合价格和广州地区建设工程材料(设备)厂家价格信息计算,机械台班价格统一按2014年第二季度广州地区建设工程机械台班指导价格计算。
1 研究背景在实际工程中,混凝土结构由于受到荷载作用、温度变化、徐变收缩等因素影响,会使得结构中主拉应力超过混凝土极限拉应力,使得结构开裂。
其中荷载因素包括施工中的荷载和裂缝的成桥后的荷载,温度变化分为整体温度变化(年温差)和局部温差(日照)作用等。
由于这些作用的存在方式不同,将在不同阶段产生不同类型的裂缝,需要分别考虑。
目前混凝土箱梁桥出现的裂缝形式可以分为整体受力裂缝和局部受力裂缝。
整体受力裂缝主要表现为:箱梁跨中受弯时在地板受拉区产生的弯曲裂缝,腹板在受弯和受剪共同作用下主拉应力过大产生斜裂缝,支座处受负弯矩(或者预应力作用产生的负弯矩)在顶板产生的弯曲裂缝,弯曲裂缝延伸到腹板继续形成的斜裂缝等。
规范上对整体裂缝的出现给出了限制条件,并提供了验算的公式,即在弯矩作用下混凝土的拉应力在一定的范围内和控制受弯受剪主拉应力。
规范中也给出了局部受力裂缝的计算公式和限制方法。
局部裂缝主要表现在:翼缘在局部车辆荷载作用下在腹板交界处引起弯矩时产生的弯曲裂缝,张拉预应力时在平行于预应力方向形成的手拉裂缝等,局部混凝土受压产生的裂缝等。
规范中也是给出了受拉应力的限制值和受压应力的限制值来保证裂缝不发生或者裂缝的宽度在一定的范围内。
但由于规范中采用的经典分析方法认为箱梁为柔性梁,往往忽视了剪切变形的影响,已经不适用于新出现结构的发展要求,如叠合梁。
同时新材料的使用如FRP也对规范的计算方法提出了挑战。
同时规范针对结构六种受力方式(轴力,两个方向的剪力,两个方向的弯矩和扭矩)进行配筋时,配筋方法相互独立甚至矛盾,并且剪扭配筋理论体系尚不完善,造成当六种力共同作用相互耦合时,现行设计理论时常难以解释清楚,1混凝土箱梁出现了规范中不能给出解释的裂缝。
这些裂缝的出现将逐渐扩大并形成贯穿裂缝,对建筑物的质量和运行安全造成威胁,影响桥梁结构的耐久性。
在实际混凝土箱梁桥结构中,规范中缺失的验算项而引起的裂缝有:顶板斜向裂缝、底板斜向裂缝,底板斜向裂缝和腹板斜向裂缝连通、顶板八字形裂缝等。