电动汽车控制系统毕业设计
- 格式:doc
- 大小:356.50 KB
- 文档页数:37
济南职业学院毕业设计(论文)题目:新能源汽车电动汽车动力及控制技术设计系部:机械系济南职业学院毕业论文(设计)任务书课题名称:电动汽车动力及控制技术设计系部:_机械系专业:汽车检测与维修__________ 姓名:_ 学号:指导教师:_ 二〇一一年4月25 日毕业设计(论文)成绩评定表系部:机械系专业:汽车检测与维修班级:1班注:设计(论文)总成绩=指导教师评定成绩(30%)+评阅人评定成绩(30%)+答辩成绩(40%)新能源汽车电动汽车动力及控制技术设计摘要随着世界环境的污染、全球石油危机日益严重而带动的石油价格不断上涨给汽车工业带来了不可忽视的冲击,也增强了人们开发新能源的意识,而新能源汽车更是人们关注的一大焦点。
目前电瓶式纯电动汽车以噪音小、耗能低、无污染、成本低、结构简单而成为新能源汽车发展的主流,世界很多国家都投入了大量的人力、财力去开发电动汽车。
本文主要围绕电动汽车的电动机以及目前普遍使用的电动车控制系统主要参数作出分析,例如转速与转矩的关系、转速与功率的关系、功率与转矩的关系以及传动比、蓄电池的比能量等,设计出合理的电动车动力系统和控制系统。
本文主要采用的技术有:1、电动机的转矩、转速、功率。
2、电动机的主要调速方式。
关键词:电动机、发动机、转矩、变频调速、交流电动机、EV目录第一章前言 (1)第二章电动汽车构造与原理 (2)第一节电动车的种类 (2)第二节蓄电池电动车 (4)第三节燃料电池电动车 (10)第三章电动车动力及控制设计 (12)第一节电动车驱动电机种类 (12)第二节直流驱动电动机 (14)第三节交流驱动电动机 (18)第四节直流电动机的控制 (21)第五节三项交流电动机的控制 (24)第四章我国电动汽车的缺陷 (27)第五章电动汽车的发展趋势 (29)致谢 (31)附录一 (32)附录二 (33)参考文献 (39)第一章前言汽车工业的告诉发展,汽车带来的环境污染、能源短缺、资源枯竭和安全等方面的问题越来越突出。
新能源汽车电动汽车动力及控制技术设计_毕业设计论文一、内容概述电动汽车动力系统设计概述了电动汽车动力系统的基本构成和关键参数,包括电池组、电机、电控系统等主要部件的选择与配置。
对不同类型的动力系统设计方案进行比较分析,旨在选择最优设计方案以实现电动汽车的高效、稳定和可靠运行。
电池管理技术是论文的核心内容之一,主要涉及电池的充电与放电特性分析,电池的容量及寿命评估等方面。
本文重点研究如何提升电池的储能性能和安全性能,降低电池成本,以实现电动汽车的可持续发展。
电机控制技术着重探讨电机的性能优化和效率提升方法,包括电机的控制策略、调节方式以及控制算法等。
还将对电机控制技术的智能化发展进行深入探讨,以期实现电机的高效、精确控制。
智能化能量管理策略是本论文的另一个重点研究方向。
通过对电动汽车运行过程中的能量消耗进行实时监测和优化管理,实现电动汽车的能量利用效率最大化。
还将探讨如何通过智能化技术实现电动汽车的自动驾驶和智能导航等功能。
1. 背景介绍:阐述新能源汽车的发展背景,电动汽车的重要性和发展趋势。
在当前社会,新能源汽车的发展已然成为全球汽车工业的大势所趋。
面对环境污染与能源短缺的双重压力,新能源汽车作为绿色、低碳、高效的交通方式,正日益受到全球各国的重视和推动。
尤其是电动汽车,由于其零排放、高效率的特性,已然成为新能源汽车领域中的领军角色。
发展背景:随着科技的进步和社会的发展,传统燃油汽车的排放问题日益凸显,对环境的污染和对资源的消耗引起了全球的关注。
为了应对这些问题,各国政府和企业纷纷转向新能源汽车的研发和生产。
新能源汽车应运而生,它的发展不仅是汽车工业技术进步的体现,更是人类社会对环境友好、可持续发展的追求。
电动汽车的重要性:电动汽车作为新能源汽车的一种,以其独特的优势在市场上占据了重要的地位。
电动汽车具有零排放的特点,它可以有效减少尾气排放,改善空气质量。
电动汽车的能效高,能源利用率远高于传统燃油汽车。
电动汽车毕业设计【篇一:电动车毕业设计】第一章概述1.1设计的主要目的和意义此次设计的目的是掌握产品造型的设计,包括材料、尺寸的合理选择,灵活运用制作技术、形态表达语言,根据人机工程学和美学来设计电动自行车的尺寸和颜色。
根据同类型产品的类比和设计,力学分析,考虑人机工程学中的人体尺寸和人的舒适程度来综合设计电动自行车的尺寸。
设计的目的其实包括好几个层面,第一,加工工艺的了解;第二,进一步提出不同材质的优化组合课题;第三,探究材料与产品结构、功能的有机联系;第四,熟悉产品结构连接件的运用;第五,产品形态讨论;第六,寻求产品设计制作的个性化等等。
通过这半年的设计,我们很好的复习了已经学过的课程,并对部分材料的应用有了一定了解,在颜色搭配上也有了一定的学习,而且能熟练操作制图软件和办公软件。
对我们以后在工作上有很大的帮助。
1.2国内外电动自行车的发展情况1.2.1国外及我国台湾地区电动自行车的发展情况为创造市场需要,适合老弱妇孺各种年龄层骑乘自行车,国外厂商多年前即开始研制辅助驱动自行车并且在新电池和驱动机械马达技术成熟发展之下,电动自行车应运而生。
海外发展较早的要数日本、奥利地、德国、台湾等国家和地区,近几年美国发展也比较快。
国外的电动自行车主要是作为一种轻松代步及休闲健身工具。
例如,在大型的停车场、超市和旅游区里使用。
从1994到1999年6年时间中,全球电动自行车数量,从3.6万辆剧增1600万辆,如按2%算,电动车需要量会在30万辆以上。
同时,东南亚、中东、印度增到50万辆,而在2000年,仅日本就需要50万辆。
总体来说,电动自行车在全球的潜在市场很大,并呈上升趋势。
日本电动车的生产及技术都占世界领先地位,商品化的电动自行车由日本雅马哈公司率先于1994年推出,并随着本田、三洋、松下等知名公司的参与,生产规模日益放大。
但日本对电动自行车的使用管理上采取了严格限制,日本只许智能型电动自行车上路,并对智能型电动自行车的要求制定了很严格规定。
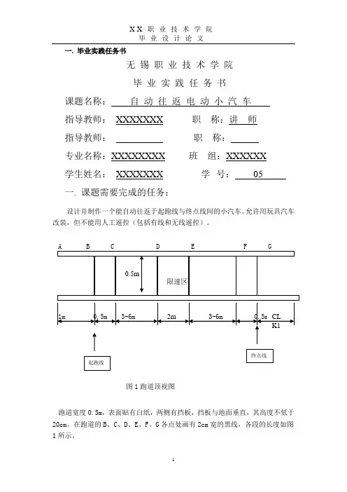
一. 毕业实践任务书无锡职业技术学院毕业实践任务书课题名称:自动往返电动小汽车指导教师:XXXXXXX 职称:讲师指导教师:职称:专业名称:XXXXXXXX 班组:XXXXXX学生姓名:XXXXXXX 学号:05一. 课题需要完成的任务:设计并制作一个能自动往返于起跑线与终点线间的小汽车。
允许用玩具汽车改装,但不能用人工遥控(包括有线和无线遥控)。
图1跑道顶视图跑道宽度0.5m,表面贴有白纸,两侧有挡板,挡板与地面垂直,其高度不低于20cm。
在跑道的B、C、D、E、F、G各点处画有2cm宽的黑线,各段的长度如图1所示。
设计要求1、车辆从起跑线出发(出发前,车体不得超出起跑线),到达终点线后停留10秒,然后自动返回起跑线(允许倒车返回)。
往返一次的时间应力求最短(从合上汽车电源开关开始计时)。
2. 达终点线和返回起跑线时,停车位置离起跑线和终点线偏差应最小(以车辆中心点与终点线或起跑线中心线之间距离作为偏差的测量值)。
D~E间为限速区,车辆往返均要求以低速通过,通过时间不得少于8秒,但不允许在限速区内停车。
二. 课题计划:2006.3.3~2006.3.6 熟悉课题,可行性方案分析及方案论述。
2006.3.7~2006.3.19 查阅资料,设计各部分硬件。
2006.3.19~2006.4.10 画原理图,印刷线路板。
2006.4.10~2006.4.20 编写程序验证部分硬件。
2006.4.21~2006.4.25 写出毕业论文。
计划答辩时间:4.21-4.28XXXXX 系(部、分院)2006年02年18日二.外文翻译VIDEOCASSETTEBefore the videocassette recorder there was the movie projector and screen. Perhaps you remember your fifth-grade teacher pulling down a screen—or Dad hanging a sheet on the wall, ready to show visiting friends the enthralling account of your summer vacation at the shore. Just as the film got started, the projector bulb often blew out.Those days did have one advantage, though: the screen was light, paper-thin and could be rolled into a portable tube. Compare that with bulky television and computer screens, and the projector screen invokes more than just nostalgia. Could yesterday's convenience be married to today's technology?The answer is yes, thanks to organic light-emitting materials that promise to make electronic viewing more convenient and ubiquitous. Used in displays, the organic materials are brighter, consume less energy and are easier to manufacture (thus potentially cheaper) than current options based on liquid crystals. Because organic light-emitting diodes (OLEDs) emit light, they consume significantly less power, especially in small sizes, than common liquid-crystal displays (LCDs), which require backlighting. OLEDs also offer several exciting advantages over common LEDs: the materials do not need to be crystalline (that is, composed of a precisely repeating pattern of planes of atoms), so they are easier to make; they are applied in thin layers for a slimmer profile; and different materials (for different colors) can be patterned on a given substrate to make high-resolution images. The substrates may be inexpensive glass or flexible plastic or even metal foil.In the coming years, large-screen televisions and computer monitors could roll up for storage. A soldier might unfurl a sheet of plastic showing a real-time situation map. Smaller displays could be wrapped around a person's forearm or incorporated into clothing. Used in lighting fixtures, the panels could curl around an architectural column or lie almost wallpaperlike against a wall or ceiling.LEDs currently have longer lifetimes than organic emitters, and itwill be tough to beat the widespread LED for use in indicator lamps. But OLEDs are already demonstrating their potential for displays. Their screens put out more than 100 candelas per square meter (about the luminance of a notebook screen) and last tens of thousands of hours (several years of regular use) before they dim to half their original radiance.Close to 100 companies are developing applications for the technology, focusing on small, low-power displays [see box on page 80]. Initial products include a nonflexible 2.2-inch (diagonal) display for digital cameras and cellular phones made jointly by Kodak and Sanyo, introduced in 2002, and a 15-inch prototype computer monitor produced by the same collaborative venture. The global market for organic display devices was about $219 million in 2003 and is projected to jump to $3.1 billion by 2009, according to Kimberly Allen of iSuppli/Stanford Resources, a market-research firm specializing in displays.一、What LED to OLEDCRYSTALLINE semiconductors—the forerunners of OLEDs—trace their roots back to the development of the transistor in 1947, and visible-light LEDs were invented in 1962 by Nick Holonyak, Jr. They were first used commercially as tiny sources of red light in calculators and watches and soon after also appeared as durable indicator lights of red, green or yellow. (When suitably constructed, LEDs form lasers, which have spawned the optical-fiber revolution, as well as optical data storage on compact discs and digital video discs.) Since the advent of the blue LED in the 1990s [see “Blue Chip,” by Glenn Zorpette; Scientific American, August 2000], full-color, large-screen television displays made from hundreds of thousands of LED chips have appeared in spectacular fashion on skyscrapers and in arenas [see “In Pursuit of the Ultimate Lamp,” by M. George Crawford, Nick Holonyak, Jr., and Frederick A. Kish, Jr.; Scientific American, February 2001]. Yet the smaller sizes used in devices such as PDAs (personal digital assistants) and laptops are not as practical.LEDs and OLEDs are made from layers of semiconductors—materials whose electrical performance is midway between an excellent conductorsuch as copper and an insulator such as rubber. Semiconducting materials, such as silicon, have a small energy gap between electrons that are bound and those that are free to move around and conduct electricity. Given sufficient energy in the form of an applied voltage, electrons can “jump” the gap a nd begin moving, constituting an electrical charge. A semiconductor can be made conductive by doping it; if the atoms added to a layer have a smaller number of electrons than the atoms they replace, electrons have effectively been removed, leaving positively charged “holes” and making the material “p-type.” Alternatively, a layer that is doped so that it has an excess of negatively charged electrons becomes “n-type” [see box on opposite page]. When an electron is added to a p-type material, it may encounter a hole and drop into the lower band, giving up an amount of energy (equal to the energy gap) as a photon of light. The wavelength depends on the energy gap of the emitting material.For the production of visible light, organic materials should have an energy gap between their lower and higher conduction bands in a relatively small range, about two to three electron volts. (One electron volt is defined as the kinetic energy gained by an electron when it is accelerated by a potential difference of one volt. A photon with one electron volt of energy corresponds to the infrared wavelength of 1,240 nanometers, and a photon of two electron volts has a wavelength half as much—620 nanometers—a reddish color.)二、A Surprising GlowORGANIC semiconductors are formed as aggregates of molecules that are, in the technologies being pursued, amorphous—a solid material, but one that is noncrystalline and without a definite order. There are two general types of organic light emitters, distinguished by “small” and “large” molecule sizes. The first practical p-n-type organic LED, based on small molecules, was invented in 1987 by Ching W. Tang and Steven A. Van Slyke of Eastman Kodak, after Tang noticed a surprising green glow coming from an organic solar cell he was working on. The duo recognized that by using two organic materials, one a good conductor of holes and the other a good conductor of electrons, they could ensure that photon emission would take place near the contact area, or junction, of the two materials, as in acrystalline LED. They also needed a material that held its electrons tightly, meaning that it would be easy to inject holes. For the light to escape, one of the contacts must be transparent, and the scientists benefited from the fortunate fact that the most widely used transparent conducting material, indium tin oxide, bound its electrons suitably for p-type contact material.The structure they came up with has not changed much over the years and is often called “Kodak-type,” because Kodak had the basic patent [see box on opposite page]. Beginning with a glass substrate, different materials are deposited layer by layer. This process is accomplished by evaporating the constituent materials and letting them condense on the substrate. The total thickness of the organic layers is only 100 to 150 nanometers, much thinner than that of a conventional LED (which is at least microns in thickness) and less than 1 percent of the thickness of a human hair. Because the molecules of the materials used are relatively lightweight—even lighter than a small protein—the Kodak-type OLEDs are referred to as “small molecule” OLEDs.After their initial insight, Tang and Van Slyke tinkered with the design to increase efficiency. They added a small amount of the fluorescent dye coumarin to the emitter material tris (8-hydroxy-quinoline) aluminum. The energy released by the recombination of holes and electrons was transferred to the dye, which emitted light with greatly increased efficiency. Deposition of additional thin layers of indium tin oxide and other compounds next to the electrodes altered the interaction of the thicker layers and also improved the efficiency of the injection of holes and electrons, thereby further upping the overall power efficiency of the fluorescent OLED.Organic LEDs of this small-molecule type are used to make red, green and blue light, with green light having the highest efficiency. Such green-emitting OLEDs can exhibit luminous efficiencies of 10 to 15 candelas per ampere—about as efficient as commercial LEDs today—and seven to 10 lumens per watt, values that are comparable to those for common incandescent lamps.录像机在卡匣式录像机出来之前,我们用的是电影放映机与屏幕。
摘要随着工业发展和社会需求的增加,汽车在社会进步和经济发展中扮演着重要的角色。
汽车工业的迅速发展,推动了机械、能源、橡胶、钢铁等重要产业的发展,但同时也日益面临着环境污染、能源短缺的严重问题。
纯电动汽车以其零排放,噪声低等优点越来越受到世界各国的重视,被称作绿色环保车。
作为发展电动车的关键技术之一的电池管理系统(BMS),是纯电动车产业化的关键。
车载网络数据采集系统就是这样一个电池管理系统,可以直接检测及管理电动汽车的储能电池运行的全过程,实现对车载多级串联锂电池、电池温度、车速等数据的监测、采集和分析。
本论文是基于CAN总线的车载网络数据采集系统选用STM32F103VB作为系统的核心芯片,通过芯片自带的12位ADC对端口电压分别进行采集和监测,并通过CAN网络将采集到的数据发送到汽车仪表盘,为车辆状态量实时监测提供数据来源。
关键词:纯电动车,电池管理系统,电池状态,STM32F103VBAbstractWith industrial development and social demand, vehicle of social progress and economic development play important roles. Although the rapid development of automobile industry promote the machinery, energy, rubber, steel and other important industries, it is increasingly faced with environmental pollution, energy shortages and other serious problems.With the merit of zero-emission, and low noise, the pure electric vehicles which is called green cars has got more and more attention around the world. As one of the key technologies for the development of electric vehicles ,battery management system (BMS) is the point of the pure electric vehicle industry. Vehicle network data acquisition system is a battery management system that can directly detect and manage the storage battery electric vehicles to run the whole process, to achieve the data monitoring, collection and analysis of the on-board multi-level series of lithium battery, battery temperature, speed, and otherThe thesis is based on the vehicle CAN bus data acquisition system to chose STM32F103VB network as the core of the system ADC which comes from the chip collect and monitor the port voltages and sent the collected data to the car dashboard through the CAN network , which offer real-time monitoring of vehicle status amount of data sources.Key words:Pure electric cars, Battery Management Systems, The battery state, STM32F103VB摘要 (1)Abstract (2)第一章前言 (5)本课题研究的目的和意义 (5)车载网络数据采集系统的国内外研究现状 (6)本论文研究的主要工作 (7)第二章车载网络数据采集系统设计的原理 (9)车载网络数据采集系统的功能概述 (9)车载网络数据采集系统的结构 (10)基于STM32的车在网络数据采集系统设计控制框图 (10)信号的采集与处理 (11)车载系统的网络通讯 (12)CAN网络的基本概念 (12)CAN网络在车载数据采集系统中的应用 (13)系统主要性能指标 (14)系统预期误差的评估 (15)第三章基于STM32F103VB数据采集系统的硬件设计 (16)STM32F103VB简介 (16)STM32F103VB电源模块的设计 (18)电源电路的设计 (18)STM32启动模式电路选择设计 (18)STM32F103VB外围接口电路的设计 (19)模数转换器的电路设计 (19)测温电路设计 (20)复位电路的电路设计 (21)STM32F103B通讯电路的设计 (21)CAN通讯接口电路设计 (21)JTAG程序调试接口电路设计 (22)RS485通讯电路设计 (23)第四章基于STM32数据采集系统的软件设计 (25)Keil uVision3平台简介 (25)基于STM32的车在网络数据采集系统的程序设计 (25)数据采集模块程序设计 (26)LCD显示模块程序设计 (27)数据存储模块程序设计 (27)CAN数据通讯模块程序设计 (28)RS485通讯模块程序设计 (28)第五章误差分析与处理 (29)误差概述 (29)误差的主要来源 (29)误差的处理 (29)误差分析 (30)测控系统的非线性 (30)系统工作环境的噪声 (31)系统的稳定性 (31)误差处理 (32)实测电压数据分析 (32)整机PCB板设计 (33)第六章总结与展望 (35)总结 (35)展望 (35)参考文献 (36)致谢 (36)第一章前言本课题研究的目的和意义随着世界工业经济的不断发展和人类需求的不断增长,对全球气候造成严重的影响,二氧化碳排放量增大,臭氧层遭受到破坏等。
汽车方面的毕业设计(一)引言概述:汽车方面的毕业设计是一个关于汽车领域的研究项目,该设计旨在探索汽车技术和创新,以及解决现有汽车相关问题。
本文将就汽车方面的毕业设计进行详细阐述,分析其五个关键方面。
正文:1. 汽车性能提升:- 引擎技术的研究和改进- 车辆动力系统设计的优化- 悬挂系统和刹车系统的改良- 车辆空气动力学特性的优化- 利用先进的材料提高汽车轻量化性能2. 汽车安全性研究:- 研发先进的主动安全技术,如自动紧急制动系统(AEB)和车道保持辅助系统(LKAS)- 改进被动安全设计,包括车身结构和气囊系统- 开发智能驾驶辅助系统,如自动泊车和自适应巡航控制3. 新能源汽车技术:- 开发电动汽车的关键组件,如电池、电机和控制系统- 提高充电技术的效率和便捷性- 探索可再生能源的利用,如太阳能和风能- 研究混合动力技术,提高燃油经济性和减少排放4. 智能互联汽车技术:- 开发具有高级智能功能的汽车信息娱乐系统- 研究车辆与车辆、车辆与基础设施的通信技术,如车联网和车辆间通信- 探索人工智能技术在汽车中的应用,如语音识别和自动驾驶系统5. 汽车设计创新:- 提升汽车外观设计和内饰舒适性- 研发可持续发展的汽车设计,考虑环境和社会因素- 利用新材料和生产工艺改善汽车质量和耐久性- 探索未来汽车概念设计,如自动驾驶出租车和共享汽车总结:汽车方面的毕业设计是一个多样化且发展迅速的领域。
本文针对汽车性能提升、汽车安全性研究、新能源汽车技术、智能互联汽车技术和汽车设计创新等五个方面进行了深入阐述。
通过这些研究和创新,将为未来的汽车发展和汽车行业的进步做出重要贡献。
智能小车毕业论文完整版Document serial number【UU89WT-UU98YT-UU8CB-UUUT-UUT108】学士学位论文系别:计算机科学与技术学科专业:计算机科学与技术姓名: @@@@@@@2011年 06月智能小车引导控制系统的设计与实现系别:计算机科学与技术学科专业:计算机科学与技术指导老师: @@@姓名: @@@@@@2011年 06月智能小车引导控制系统的设计与实现摘要:面对诸多恶劣的工作环境(如灭火、救援等),为了有效的避免人员伤亡,就需要采用智能小车去现场来完成相应的任务。
因此研究和开发智能小车引导控制系统具有十分重要的意义。
本系统采用STC89C51单片机作为核心控制芯片,设计制作了一款通过红外光电传感器检测路径信息、红外火焰传感器检测火源的智能寻迹灭火小车。
本系统由单片机控制模块、寻迹传感器模块、驱动电机模块、火源传感器模块、风扇模块、电源模块等组成。
实际应用表明,该小车可以在专门设计的场地上实现自主发现火源,自主识别路线,自主行进接近火源并灭火,最终完成灭火的任务。
关键词:单片机小车引导控制传感器Smart cars guide control system design and implementation Abstract: Confronted with so many bad working environment (such as fire fighting, rescue etc), in order to effectively avoid casualties, need to use intelligent go by car scene to complete relevant tasks. Therefore, the research and development of intelligent car guide control system has the extremely vital significance. This system uses STC89C51 as the core control chip, design and make a new electric sensor detection byinfrared sensor information, infrared flame path of intelligent tracing test fire extinguishing car. The system is composed of single-chip microcomputer control module, tracing sensor module, drive motor module, ignition sensor module, fan module, power supply module. The practical application indicates that the car can be in a specially designed field on fire, to realize the independent found autonomous recognition route, independent sources and marching close to the fire extinguishing, finally complete task.Keywords: Microcontroller Car Control system Sensors目录引言现在,随着科技的快速发展,国内外对小型智能系统的应用越来越广泛,种类也越来越多。
车辆工程毕业设计车辆工程毕业设计设计题目:电动汽车的驱动系统设计与优化设计背景:随着环境污染和化石能源逐渐枯竭的问题越发严重,电动汽车作为一种清洁能源的替代品,逐渐受到人们的关注和青睐。
然而,电动汽车的续航里程和动力性能仍然是制约其普及的主要问题。
因此,本设计旨在针对电动汽车的驱动系统进行设计与优化,以提高其续航里程和动力性能。
设计内容及步骤:1. 确定电动汽车基本参数:包括整车质量、功率需求、最大车速等。
这些参数将作为设计的基础。
2. 选择电动汽车的动力电池:根据电动汽车工作的时间和负载需求,选择能够满足其需求的动力电池。
考虑到零部件的可靠性和安全性,也需要对电池系统进行充分的安全性能评估。
3. 设计电动汽车的电动机:根据电动汽车的最大车速和整车功率需求,选择合适的电动机。
考虑到电动汽车的效率和续航里程之间的关系,可以对电动机的转矩-转速特性进行优化。
4. 设计电动汽车的保护与控制系统:设计电动汽车的保护系统,包括电池的过充和过放保护、电机的过载保护等。
同时,设计电动汽车的控制系统,实现对电池和电机的电流、电压、转速等参数的监测与控制。
5. 进行整车的动力学模拟:使用车辆动力学仿真软件,对整车的动力性能进行仿真分析。
通过调整电动机的驱动控制策略,优化整车的动力性能和续航里程。
6. 制作电动汽车的原型:根据设计结果,制作电动汽车的原型进行实际测试。
通过测试数据的分析和比对,验证设计的可行性和有效性。
设计成果预期:本设计旨在通过对电动汽车驱动系统的设计与优化,提高其续航里程和动力性能。
预期成果包括:电动汽车的整车参数设计、动力电池和电动机的选择与设计、保护与控制系统的设计、整车的动力学仿真分析结果、电动汽车的原型制作与测试结果等。
设计结果的可行性和有效性将通过仿真和实际测试数据的分析和比对来验证。
设计意义:本设计不仅可以提高电动汽车的续航里程和动力性能,降低对化石能源的依赖,减少环境污染,还可以推动电动汽车产业的发展和普及。
摘要80C51单片机是一款八位单片机,他的易用性和多功能性受到了广大使用者的好评。
这里介绍的是如何用80C51单片机来实现长春工业大学的毕业设计,该设计是结合科研项目而确定的设计类课题。
本系统以设计题目的要求为目的,采用80C51单片机为控制核心,利用超声波传感器检测道路上的障碍,控制电动小汽车的自动避障,快慢速行驶,以及自动停车,并可以自动记录时间、里程和速度,自动寻迹和寻光功能。
整个系统的电路结构简单,可靠性能高。
实验测试结果满足要求,本文着重介绍了该系统的硬件设计方法及测试结果分析。
采用的技术主要有:(1)通过编程来控制小车的速度;(2)传感器的有效应用;(3)新型显示芯片的采用.关键词80C51单片机、光电检测器、PWM调速、电动小车Design and create an intelligence electricity motive small carAbstract80C51 is a 8 bit single chip computer. Its easily using and multi-function suffer large users. This article introduces the CCUT graduation design with the 80C51 single chip computer. This design combines with scientific research object. This system regards the request of the topic, adopting 80C51 for controlling core, super sonic sensor for test the hinder. It can run in a high and a low speed or stop automatically. It also can record the time, distance and the speed or searching light and mark automatically the electric circuit construction of whole system is simple, the function is dependable. Experiment test result satisfy the request, this text emphasizes introduced the hardware system designs and the result analyze.The adoption of technique as:(1)Reduce the speed by program the engine;(2)Efficient application of the sensor;(3)The adoption of the new display chip.Keywords 80C51 single chip computer, light electricity detector, PWM speed adjusting, Electricity motive small car目录第一章前言 (1)第二章方案设计与论证 (3)一直流调速系统 (3)二检测系统 (4)三显示电路 (9)四系统原理图 (9)第三章硬件设计 (10)一 80C51单片机硬件结构 (10)二最小应用系统设计 (11)三前向通道设计 (12)四后向通道设计 (15)五显示电路设计 (17)第四章软件设计 (20)一主程序设计 (20)二显示子程序设计 (24)三避障子程序设计 (25)四软件抗干扰技术 (26)五“看门狗”技术 (28)六可编程逻辑器件 (29)第五章测试数据、测试结果分析及结论 (30)致谢 (31)参考文献 (32)附录A 程序清单 (33)附录B 硬件原理图 (41)第一章前言随着汽车工业的迅速发展,关于汽车的研究也就越来越受人关注。
毕业设计说明书(论文)中文摘要摘要:电动汽车(Electric vehicle,简称EV)是当前解决能源短缺和环境污染问题可行的技术之一。
电动汽车是由车载动力电池作为能量源的零排放汽车。
近些年来,电动汽车的研制热潮在全世界范围内兴起,逐步向小批量商业化生产的方向发展。
电动汽车技术的发展依赖于多学科技术的进步,尤其需要解决的问题是进一步提高动力性能,增加续驶里程,降低成本。
本文基于微型燃油汽车的一些基本参数,研究整车驱动形式,整车总布置方案。
对整车动力学匹配计算,主要部件的选择。
按照动力性能要求,运用汽车理论、电动机和电池相关知识,对电动机的功率、传动比,蓄电池进行主要参数设计与匹配计算。
关键词:电动汽车、总体设计、参数匹配、续驶里程外文摘要Abstract:Electric vehicle is one of available ways to solve the problems of energy source’s lack and pollution of environment. Pure electric vehicle whose energy is power battery loaded on the vehicle is a kind of zero emission vehicles. In recent years, the upsurge of developing electric vehicle is rising all over the world, and developing to the small amount commercialization production gradually. The development of electric vehicle is relying on the progress of several subjects. Especially, further raising the dynamic performance, increasing the driving range and reducing cost are very necessary. In view of the development funds and times, use the computer to establish the simulation models to simulate the performance is a better way.This paper, based on one Micro-fuel cars, the power form, configuration and Chassis structure are defined. According to the dynamic performance, such important parameters as the power of the motor can be calculated by using the knowledge of vehicle, motor and battery. Then the other parameters: reduction ratio, the parameters of battery also can be calculated.Keywords:Electric Vehicle、Overall Design、Driving Range、Parameters Matching目录1 绪论.....................................................1.1电动车的发展历史及国外的研究情况.......................................................................1.2国内的研究情况...................................................................................................................2 纯电动车的原理与构造........................................2.1工作原理 .................................................................................................................................2.2主要结构及特点...................................................................................................................2.3纯电动汽车的技术介绍 ....................................................................................................3 微型纯电动车部件选择与设计...................................3.1微型纯电动车蓄电池系统................................................................................................3.2微型纯电动车电机驱动系统...........................................................................................3.3微型纯电动车悬架系统 ....................................................................................................3.4微型纯电动车转向系统 ....................................................................................................4 微型电动车总体参数与性能计算.................................4.1车型、驱动、布置形式的选择 ......................................................................................4.2整车参数的选择...................................................................................................................4.3电机功率的确定...................................................................................................................4.4计算微型电动车的爬坡度与加速时间.......................................................................4.5蓄电池组的数量与电池参数 ..........................................................................................4.6座椅的设计 ............................................................................................................................4.7轮胎的选择 ............................................................................................................................5 纯电动车的发展瓶颈与展望 ....................................结论.......................................................参考文献.................................................致谢.....................................................第一章绪论最初世界各国开始试图发展新能源汽车的主要原因是石油价格持续飙升造成能源紧缺,而拥有大量人口和消费潜力的金砖四国开始全面普及家庭汽车消费,这加剧了石油危机轰轰烈烈爆发!于是人们提出了新能源汽车这个概念,尝试混合动力汽车、燃料电池汽车或者是太阳能汽车等等,然而经过几年摸索之后,大家发现这些模式都不能从根本上解决问题,只有纯电动汽车才能够满足快速削减石油消费的根本目标。
电动汽车毕业设计电动汽车毕业设计随着环境保护意识的增强和对能源危机的担忧,电动汽车作为一种清洁、高效的交通工具,受到了越来越多人的关注。
作为一名即将毕业的学生,我决定以电动汽车为主题进行毕业设计,探索其在未来交通领域的应用和发展前景。
首先,我将研究电动汽车的动力系统。
电动汽车的核心是电池组和电动机。
通过深入研究不同类型的电池技术,如锂离子电池、镍氢电池和固态电池等,我将评估它们的性能、能量密度、充电时间和循环寿命等方面的差异。
同时,我还将研究电动机的类型和效率,以确定最适合电动汽车的配置。
其次,我将关注电动汽车的充电基础设施建设。
电动汽车的普及离不开充电设施的支持。
我将调研不同地区的充电桩分布情况,并分析其对电动汽车使用的影响。
此外,我还将研究快速充电技术和无线充电技术的发展,探索其在提高电动汽车充电效率和便利性方面的潜力。
在设计阶段,我将以提高电动汽车的续航里程和性能为目标。
通过优化车身结构、减轻整车重量和改进空气动力学性能,我将努力提高电动汽车的能效和行驶里程。
同时,我还将研究智能能源管理系统,以实现电动汽车电池的智能优化充放电,进一步提高能源利用率。
在实验阶段,我将建立电动汽车的模型并进行测试。
通过模拟不同驾驶条件下的能耗和性能数据,我将验证设计方案的可行性和有效性。
同时,我还将进行电池循环寿命测试和快速充电测试,以评估电池的稳定性和可靠性。
最后,我将对电动汽车的市场前景和发展趋势进行分析。
我将研究电动汽车的销售情况、用户需求和政府政策等因素对市场的影响。
同时,我还将关注电动汽车技术的发展趋势,如自动驾驶、智能交通系统和车联网等,以预测未来电动汽车的发展方向。
通过这个毕业设计项目,我希望能够深入了解电动汽车的技术和市场,并为电动汽车的进一步发展做出贡献。
电动汽车作为一种绿色出行方式,对于改善空气质量、减少能源消耗和缓解交通拥堵具有重要意义。
我相信,在不久的将来,电动汽车将成为主流交通工具,为人们创造更加可持续和环保的出行方式。
江海职业技术学院毕业设计毕业设计题目:姓名学号:所在系(部):专业及班级:指导教师:完成日期:中文摘要智能车辆是集环境感知、规划决策、多等级辅助驾驶等功能于一体的综合系统,是智能交通系统的一个重要组成部分。
它在军事、民用、太空开发等领域有着广泛的应用前景。
随着电子工业的发展,智能技术广泛运用于各种领域,运用于智能家居中的产品更是越来越受到人们的青睐。
本系统在硬件设计方面,以Arduino单片机为控制核心,以超声波传感器检测前方障碍物,从而自动避障。
在软件方面,利用C语言进行编程,通过软件编程来控制小车运转。
根据家庭各种房间家具的布局不同而使用不同的路径,从而使得家居中常用到的智能清扫小车智能化,人性化。
该小车能自动避障,有一定的实用价值。
关键词:单片机;智能清扫小车;自动避障目录第一章绪论 (1)1.1 选题背景 (1)1.2 智能小车研究现状 (2)1.3 课题主要内容 (4)第二章智能小车总体结构 (5)2.1 方案综述 (5)2.2 主控单元方案比较与选择 (5)2.3 避障单元方案比较与选择 (6)2.4 “小车”的必要的信息 (7)第三章智能小车的触觉、眼睛 (8)3.1 智能小车内部检测原理 (8)3.2 电机电流、电压检测 (10)3.3 超声波测距 (11)第四章智能小车的脚 (23)4.1 轮系结构详述 (23)4.2 直流电机 H 桥驱动电路 (26)4.3 电机控制信号 (28)第五章智能小车的大脑 (29)5.1 Arduino单片机简介 (29)5.2 Arduino单片机引脚简介 (30)5.3 Arduino编程软件 (33)第六章智能小车控制流程及程序 (35)6.1 控制流程 (35)参考文献 (36)致谢 (37)第一章绪论随着科技进步,现代工业技术发展越来越体现出机电一体化的特征。
无论是在金属加工、汽车技术、工业生产等等方面,机器设备表现了所谓智能化、集成化、小型化、高精度化的发展趋势。
届本科毕业论文(设计)论文题目:纯电动汽车电控调速系统设计学生姓名:所在院系:所学专业:应用电子技术教育指导老师:完成时间:摘要本论文以纯电动汽车直流无刷电机控制器为研究目的,详细地叙述了基于STC12C5404AD型单片机控制的PWM调速控制系统的设计过程。
在论文中简单介绍了单片机STC12C5404AD的结构以及IGBT功率驱动模块的应用;无刷直流电机的霍尔信号与逻辑驱动信号的关系,利用此关系来控制电机的转动和方向;另外,本论文中对电机的一些保护功能如限流保护、欠压保护、短路保护都是利用模块的自带功能来实现的,而刹车断电、智能巡航、自动定速、防飞车、防盗等保护功能是利用程序来实现,这样使电路简单,成本降低。
除此之外,还设计了系统的软件流程,包括主程序流程设计,调速子程序流程设计。
关键词:纯电动汽车;STC12C5404AD;IGBT功率模块;PWM控制The pure electric vehicles speed electronic control system designAbstractThis article take developments the pure electric automobile concurrent not to brush the electrical machinery controller as the research goal, narrated in detail has controlled the pure electric automobile's PWM velocity modulation control system's design process based on the STC12C5404AD monolithic integrated circuit. The present paper introduced the monolithic integrated circuit STC12C5404AD structure as well as the IGBT power actuation module application in detail; Introduced not brushes direct current machine's Hall signal and logic driving signal relations, uses this relations to control electrical machinery's rotation and the direction; Moreover, in the present paper to electrical machinery's some protection function like current limiting protection, the under voltage protection, the short circuit protection is realizes using the module bringing function, but gets on the brakes the power failure, the intelligent cruise, the automatic constant speed, against speeding car, security and so on protection functions is realizes using the procedure, like this makes the electric circuit to be simple, cost reduction. In addition, but also has designed system's software flow, including master routine flow design, velocity modulation subroutine flow design.Key words:the pure electric automobile; STC12C5404AD; IGBT power module, PWM controls目录1 引言 (1)2设计方案 (1)2.1电机的选择 (1)2.2控制器的选择 (2)2.3PWM调制方式 (2)3系统结构框图 (3)4 单片机外围器件的设计 (4)4.1电源电路 (4)4.2单片机主控制电路 (4)4.2.1 SoC型单片机STC12C5404AD (5)4.2.2 ISP电路 (6)4.2.3 IGBT驱动模块 (7)4.3调速器输入电路 (7)4.4控制模拟器 (8)4.5换相逻辑接口 (9)4.6IGBT驱动电路 (10)4.7无刷电机驱动电路 (11)4.8防盗报警 (12)4.9保护电路 (13)5软件设计与分析 (13)5.1主程序流程图 (13)5.2PWM频率 (13)5.3子程序流程图 (13)5.3.1 模拟控制键子程序 (15)5.3.2 正反转子程序 (16)5.3.3 A/D转换子程序 (16)6 结束语 (16)谢辞 (18)参考文献 (19)附图1: 整体电路图 (20)程序清单 (21)1 引言汽车虽给国民经济带来了发展,给人类带来了方便,但也给人类带来了巨大的灾害,42%的环境污染是来源于燃油汽车的排放,80%的城市噪声是由交通工具产生的;并且当今世界石油储量日趋减少,而燃油汽车是消耗石油的大户!因而当今汽车工业发展势必寻求低噪声、零排放、综合利用能源的方向。
摘要在当前全球汽车工业面临金融危机和能源环境问题的巨大挑战的情况下,发展电动汽车,利用无污染的绿色能源,实现汽车能源动力系统的电气化,推动传统汽车产业的战略转型,在国际上已经形成了广泛共识。
本课题以电动汽车他励电机控制器为例,以实现电动汽车的加、减速,起、制动等基本功能以及一些特殊情况下的处理。
以开发出高可靠性、高性能指标、低成本并且具有自主知识产权的电动汽车电机驱动控制系统为目的。
主要包括硬件电路板的设计,以及驱动系统的软件部分的仿真调试。
在驱动系统硬件设计中,这里主控制芯片采用ATMEL公司的ATmega64芯片。
功率模块采用多MOSFET并联的方式,有效的节约了成本。
电源模块采用基于UC3842的开关电源电路。
选用IR公司的IR2110作为驱动芯片,高端输出驱动电流可到1.9A,低端输出驱动电流可到2.3A,能够提供7个MOSFET并联时驱动电流。
对于电流检测模块,本文没有采用电流传感器或者是康铜丝,而是采用了一种基于MOSFET管压降的电流检测电路,这种方式即节约了成本也保证了检测精度。
驱动系统的软件设计中,主要实现的功能为:开关量的检测处理,故障检测,串口通讯,励磁、电枢控制,报警功能等。
针对他励电机电动汽车的控制特性,提出了节能控制算法和最大转矩控制算法,用于提高电动汽车的续航里程和加速性能。
他励直流电动机驱动系统能够很好的运行在电动汽车上,性能可靠、结构简单,并且节约了成本,使电动汽车的性价比大大提高,有利于电动汽车的普及。
关键词:电动汽车,ATmega64,他励直流电机,PID模糊控制目录摘要 (1)第一章绪论1.1纯电动汽车在国内的发展状况 (3)1.2 国外电动汽车发展现状 (3)1.3 本课题的任务和主要工作 (4)第二章他励电动机的控制理论基础2.1他励直流电动机的调速与制动 (5)2.1.1直流电动机电枢电动势和电磁转矩 (5)2.1.2 他励直流电动机的机械特性 (6)第三章系统的硬件设计3.1系统硬件的整体设计方案 (10)3.2主控制器MCU的介绍 (10)3.2.1 MCU的选择 (10)3.2.2 ATmega64的特性与内部结构 (11)3.3开关电源模块 (12)3.4电流检测模块 (13)3.5驱动电路的设计 (16)3.6电压检测电路 (17)3.7温度检测电路 (18)3.8加减速踏板信号检测电路 (19)3.9 开关量输入信号 (20)3.10蜂鸣器报警电路 (20)3.11通讯模块电路设计 (21)3.12硬件抗干扰的设计 (22)3.13本章小结 (23)第四章系统的软件设计4.1 电动汽车的控制策略研究 (24)4.1.1再生制动控制策略 (24)4.1.2驱动控制策略 (24)4. 2 主要任务模块的详细设计 (26)4.2.1主程序 (26)4.2.2 励磁、电枢PWM控制模块 (27)4.2.3 电动机速度测量 (28)4. 3 本章小结 (29)第五章总结 (30)参考文献 (31)第一章绪论1.1 纯电动汽车在国内的发展状况与世界其他国家一样,电动汽车研发工作在我国也正在如火如荼的进行着:“十五”期间,国家从维护我国能源安全、改善大气环境、提高汽车工业竞争力、实现我国汽车工业的跨越式发展的战略高度考虑,设立“电动汽车重大科技专项’’,通过组织企业、高等院校和科研机构,集中国家、地方、企业、高校、科研院所等方面的力量进行联合攻关。
为此,从2001年10月起,国家共计拨款8.8亿元作为这一重大科技专项的经费【1】。
我国电动汽车重大科技专项实施4年来,经过200多家企业、高校和科研院所的2 000多名技术骨干的努力,目前已取得重要进展:燃料电池汽车已经成功开发出性能样车,燃料电池轿车累计运行4000km,燃料电池客车累计运行8000km:混合动力客车已在武汉等地公交线路上试验运行超过140000km:纯电动轿车和纯电动客车均已通过国家有关认证试验。
国内主要汽车制造商对纯电动汽车的开发和研制也投入了相当的人力和物力,并取得了一定的成果。
北京奥运会期间,奇瑞、长安、东风、一汽、京华及福田等汽车生产企业联合清华大学、北京理工大学等单位,向社会提供了自主研发的55辆纯电动锂电池汽车、25辆混合动力客车、75辆混合动力轿车、20辆燃料电池轿车,以及400辆纯电动场地车等各种新能源汽车为奥运会服务。
奥运会后,科技部还将计划连续3年在国内10个以上有条件的大中城市开展千辆级混合动力汽车、纯电动汽车和燃料电池汽车、以及提供基础设施的大规模示范,到2010年底节能与新能源汽车达到1万辆。
最近,比亚迪公司新推出一款商业化的电动汽车比亚迪e6,为我国电动汽车产业做出了重大贡献。
1.2 国外电动汽车发展现状近二十多年来,西方工业发达国家把电动汽车的研究开发看是作解决环境问题和能源问题的一种有效手段。
美国政府动员全美所有科研机构进行电动汽车(Electric vehicle,简称EV)的研究,在1991年,美国通用汽车公司、福特汽车公司、克莱斯勒汽车公司共同协议,成立了“先进电池联合体”(USABC),共同研发新一代电动汽车所需要的高性能电池。
为实现新的节能车而能保持现有汽车的价格和性能,美国先后推出了PNGV、Freedom CAR、AVP计划。
法国政府推出“PREDIT m--2002/2006"计划,并给购买EV的用户提供5000法郎的补贴。
德国政府同9个主要公司签订了一份理解备忘录,为创建一个清洁能源城市(柏林)而结成同盟。
英国、意大利等欧洲国家都在开展电动汽车的研发工作。
而日本政府更是特别重视电动汽车的研究和开发。
1998年日本东京电力公司联合日本电池公司,共同开发了“ZA一牌电动汽车,该电动汽车采用了高新技术,使其具有当时EV的世界最高水平。
而丰田汽车公司在1996年就已成功地研制出燃料电池汽车的生产样车,并先于其他汽车厂家在1997年开始批量生产混合动力电池汽车,成为环保技术领域和世界电动汽车产业化的领头羊。
以上各国政府在大力扶持大型汽车集团的同时,纷纷通过制定环保和节能法规,采取投资、税收优惠、政府补贴促进消费的政策,旨在抢占电动汽车产业制高点。
代表着当代EV先进水平的福特汽车公司的Think、通用汽车公司的Impact、丰田汽车公司的E.corn、Prius 电动汽车、本田公司的Civic电动汽车正是这种竞争的产物。
1.3 本课题的任务和主要工作本文在广泛查阅相关文献的基础上,设计基于ATmega64的他励电机电动汽车控制系统。
本文的主要工作归纳为以下几点:1.介绍了他励电动机的控制理论基础与调速系统的仿真,为后章系统硬件与软件的设计做好了准备。
2. 讨论系统的硬件设计。
详细讨论了开关电源模块电路、电流检测电路、串口通信电路、驱动电路、及抗干扰电路的设计。
3. 讨论系统的软件设计。
设计系统的程序整体框架、各任务模块程序、中断服务程序和抗干扰程序。
4. 进行系统调试与实验。
系统设计完成后进行硬件调试和软件调试,搭建实验平台,记录实验数据及图表,进行实验分析。
第二章他励电动机的控制理论基础2.1他励直流电动机的调速与制动为了满足各种生产机械对负载转矩特性的要求,在实际应用中需通过设法改变电动机的各种控制参数来达到所需的人为机械特性。
由于他励直流电动机的可控参数多,易实现所需要的人为机械特性,所以在直流调速中较多地采用他励直流电动机,电动汽车中一般也是选用他励直流电动机作为直流驱动电动机。
因此,需要给出直流电动机电枢电动势和电磁转矩的两个数学公式,从而导出他励直流电动机的机械特性数学方程式,即电动机的电磁转矩和转速之间的函数关系式n=f(t),然后才能说明如何改变方程式中的相关参数来获得所需人为机械特性。
2.1.1直流电动机电枢电动势和电磁转矩1)电枢电动势。
电枢电动势是指直流电动机正常工作时,电枢绕组切割气隙磁通所产生的电动势。
无论是发电机还是电动机,只要电枢旋转切割磁通就有电枢电动势。
根据前述直流电动机的结构原理可导出直流电动机电枢电动势Ea为:(2.1)式(2.1)中P——电动机极对数;N——电枢绕组总的导体数;a——电枢绕组的支路对数;φ——电动机每极磁通(Wb);n——电动机转速(r/min);c(e)——电动势常数。
2)电磁转矩。
电磁转矩是指直流电动机的电枢绕组流过电流时,这些载流导体在磁场中所受力而形成的总转矩。
同样按直流电动机的结构原理可推得直流电动机的电磁转矩T为:(2.2)式(2.2)中I(a)——电枢电流(A);C(t)——转矩常数。
电动势常数C(e)和转矩常数C(t)都是决定于电动机结构的数据,对于一台已制的电动机C(e)和C(T)都是恒定不变的常数,并且从式(2.1)和式(2.2)可知两者之间的关系为:2.1.2 他励直流电动机的机械特性得出他励直流电动机的机械特性数学方程式:(2.3)式(2.3)中R(a)——电枢绕组内电阻;R(c)——电枢外串联电阻;n(0) ——理想空载转速;β——机械特性斜率其中,2.1.3他励直流电动机的调速通过对他励直流电动机的机械特性数学方程式(2.3)的分析,可知改变其中U、φ、R(c)三个参数即可改变其转速n。
因此相应的调速方法也要降压、弱磁、串电阻三种:降压调速是改变电源电压U来获得恒转矩调速;弱磁调速是通过改变励磁电流I(f),从而改变电动机磁通量Φ来获得恒功率调速;串电阻调速是通过逐级改变电枢回路中所串电阻R(c)来进行调速,它使机械特性变软,并增加了功耗,所以目前很少采用,主要用在大电动机的起动过程,即通过逐级减小电枢回路中所串电阻来减小起动电流。
而前两种调速方法目前用得较多,并也是电动汽车中需配合采用的方法,现分别具体介绍如下:(1)降低电源电压的恒转矩调速保持他励直流电动机的磁通为额定值,电枢回路不串电阻,若将电源电压分别降低为U1、U2、U3等不同数值时,则可获得与固有机械特性平行的人为机械特性,如图2.1所示。
图中所示的负载为恒转矩负载,在电源电压为额定值U(e)时,其工作点为e,电动机为额定转速n(e);当电压降低到U1时,工作点为A,转速为n(a);电压为U2时,工作点为B,转速为n(b)等。
即转速随电源电压降低,调速方向是从基数(额定转速N(e))向下调节,并且电源电压为不同值时,其机械特性的斜率都与固有机械特性斜率相等,即特性较硬。
通常电源电压不超过额定值,即采用连续降低电源电压来实现恒转矩无级调速,以获得如图2.3所示的从基速到零速段的调速控制。
(2)减弱磁通的恒功率调速由于通常电动机额定运行时均已在磁通近饱和状态,故一般只能采用减弱磁通量的方法来调速。
保持他励直流电动机电源为额定值,电枢回路不串联电阻,通过减小电动机的励磁电流I(f),即减弱电动机磁通Φ时,其机械特性方程式为:(2.4)从式(2.4)中可看出n(0)随φ的减弱成反比例增加,而△n随φ的二次方成反比地增加,若将近饱和额定磁通φ(e)的比例定为l,减弱后其比例也就小于l,平方后其比例是减小,因此n(0)比△n增加得快,即减弱磁通φ后电动机的转速n将升高,调速方向是从基速(额定转速n(e))向上调节。