咖啡吧台基本设备
- 格式:xlsx
- 大小:15.32 KB
- 文档页数:6
酒吧是由前吧、操作台(中心吧)及后吧三部分组成吧台高度大约为1 一1 。
2 米,但这种高度标准并非为绝对真理,应随调酒师的平均身高而定。
前吧下方的操作台,高度一般为76 厘米,但也非一成不变,应据调酒师身高而定.一般其高度应在调酒师手腕处,这样比较省力。
操作台通常包括下列设备:三格洗涤槽(具有初洗、刷洗、消毒功能)或自动洗杯机、水池、拧水槽、酒瓶架、杯架、以及饮料或啤酒配出器等。
后吧高度通常为1 . 75 米以上,但顶部不可高于调酒师伸手可及处,下层一般为1 。
10 米左右,或与吧台(前吧)等高。
后吧实际上起着贮藏、陈列的作用,后吧上层的橱柜通常陈列酒具、酒杯及各种酒瓶,中间多为配制混合饮料的各种烈酒,下层橱柜存放红葡萄酒及其他酒吧用具。
安装在下层的冷藏柜则作冷藏白葡萄酒、啤酒以及各种水果原料之用。
前吧至后吧的距离,即服务人员的工作走道,一般为1米左右,且不可有其他设备向走道突出。
顶部应装有吸塑板或橡皮板顶棚,以保证酒吧服务人员的安全.走道的地面铺设塑料或木头条架,或铺设橡垫板,以减少服务人员长时间站立而产生疲劳。
吧台设计(1)在室内设置吧台,必须将吧台看作是完整空间的一部分,而不单只是一件家具,好的设计能将吧台融入空间。
吧台的位置并没有特定的规则可循,设计师通常会建议利用一些畸零空间,如果将吧台融入当做是空间的主体时,便要好好考虑动线走向。
良好的设计具有引导性,无形中使居住往来更加舒适。
(2)位置当然也会影响电路和给排水设计,尤其是离管道间或排水管较远的角落时,排水就成了一大难题。
排水管要有一定的倾斜角度.如果吧台位置离室外近,可以将排水管接到户外,以单独的管线排水;如果须将管线接到管道间而倾斜度又不足,必须从天花板或者墙内安管时,施工就比较麻烦,费用也会跟着提高。
(3)如果想在吧台内使用耗电量高的电器,像电磁炉等,最好单独设计一个回路,以免电路跳闸。
(4)利用角落而筑成的吧台,操作空间至少需要90cm,而吧台高度有两种尺寸,单层吧台约110cm上下,双层吧台则为80cm与105cm,其间差距至少要有25cm,内层才能置放物品。
咖啡店咖啡机设备配置清单
1. 咖啡机
1.1 主要咖啡机设备
- 手动咖啡机(1台):用于制作单杯特殊咖啡,如手冲咖啡和拿铁等。
- 半自动咖啡机(2台):用于制作各种浓缩咖啡,可调节萃取时间和水量。
1.2 辅助咖啡机设备
- 咖啡研磨机(1台):用于将咖啡豆研磨成合适颗粒度的咖啡粉。
- 压力机(1台):用于加压研磨后的咖啡粉,以制作浓缩咖啡。
- 蒸汽机(2台):用于制作奶泡和蒸煮牛奶。
2. 咖啡机配件
- 咖啡杯(30个):用于盛放咖啡。
- 咖啡温度计(2个):用于监测咖啡的温度。
- 咖啡机清洁工具:包括刷子、清洁片和清洁剂等,用于保持咖啡机的清洁和卫生。
3. 附加设备
- 滤纸(100张):用于手冲咖啡的滤泡。
- 咖啡壶(1个):用于手冲咖啡的沏泡和倒入。
- 压力表(2个):用于监测咖啡机内的压力情况。
以上是咖啡店咖啡机设备配置清单,此清单可根据实际需要进行调整和扩充。
请根据店铺规模和需求选择合适的设备,并注意定期维护和清洁,以确保咖啡机的正常运作和咖啡的质量。
开咖啡店必看,咖啡馆吧台设计完全指南吧台是咖啡馆日常经营的重要场所之一,聚集着水路、电路的分部,同时也融入了设计师的智慧。
一个好的吧台从两个方面可以看出,一是:合理的高度和尺寸;二是:便捷的操作和服务;三是:强大的仓储和安全。
分享一组吧台实景,吧台的细节,后吧台咖啡设备的规划,以及吧台上方的钢架结构的设计,堪称完美!吧台,在咖啡馆进入到设计阶段时,从美观、功能、实用、材质、尺寸和布局等等诸多方面都要细致地思考。
其主要几个流程归纳如下,仅供参考:1、根据经验项目,合理配置吧台设备和器皿;2、根据设备尺寸,结合功能和操作进行布局;3、根据水电特点,划分制作产品的区域特点;4、根据咖啡器具,要制作出美观的陈列架构;5、根据销售产品,布局出体验和销售的便利。
一、确定操作间的分类1.开放式:是指顾客进入店铺后,只要对方愿意一直站在吧台外观察,就能清楚看到你制作产品和使用设备的所有过程。
这种店铺装修价格相对便宜省事,同时对卫生和细节要求很高,如果能做到细节处理,保持卫生,会让顾客对你的产品非常放心和依赖。
但是不隐秘的环境,会让有心的同行很容易就了解到你产品的配方、和制作流程。
一般用于外带式奶茶店。
2.半开放式:是指顾客进入店铺后,只能看到你制作饮品的过程,却并不了解更多细节。
这种装修方式,既让顾客看到想让他们了解的,又能保证自己的产品具有一定的神秘感。
3.封闭式:是指顾客进入店铺后,点完单直接等待出品。
无法看到你的任何操作细节,所有的步骤都是在一个封闭的空间完成的。
一般休闲式奶茶店会选择这样的方式,因为让顾客站在你面前等待是一个很无聊的过程,如果没有座位让她坐下来,她可能会因为不耐烦而对你的店铺产生负面的印象,而且很好地保持了饮品制作的神秘感,更适合做一些花式饮品。
所以建议咖啡店使用。
但封闭式操作有一个很重要的问题,就是店内至少要有两个店员同时在岗,收银和制作的工作是完全独立的,这在一定程度上会增加你的人员成本,甜品店一般会使用这种吧台。
<<吧台人生>>吧台操作手册咖啡:一、煮咖啡四种方式虹吸式(一杯份):咖啡豆研磨成粉,倒入虹吸壶上座,下座加水一杯份,待水温达到95度,,插入上座,待水上升到一定程度,移火并均匀搅拌咖啡粉,移入关小火,(计时)待28秒后搅拌第二次,50秒搅拌第三次,关火并用湿毛巾擦拭下座,待咖啡液全部流入下座,拔出上座,倒入温好的咖啡杯中。
摩卡壶式:将烧开的水倒入下座至气阀中间处,研磨两勺咖啡粉装入滤芯,盖上滤纸拧紧上座,加热至咖啡液全部上升至上座,配一个温好的浓缩杯。
意式咖啡机式:机器内装入一杯份开水,在XX中放满咖啡粉,用压棒压紧,装在意式机上,打开开关,装入温好的杯内。
比利时式:研磨四勺咖啡豆倒入玻璃器皿中,将两杯份的煮开的水倒入比利时壶中,检查是否密封。
出品:配两个盛有开水的咖啡杯、奶粒、咖啡勺。
二、材料、份量及制作方法纯品咖啡制作(虹吸式):纯品咖啡热品均用2勺咖啡豆,即20公克。
根据各种咖啡豆的烘焙程度来调整烧煮时间和水温,时间都不超过60秒,一般为55秒,搅拌三次,根据搅拌效果来调节搅拌间隔,第一次与第二次间隔为27秒,水温到98度时插入上座(摩卡可提前)。
冻品可用冲调好的咖啡制作,特蓝、蓝山要求现磨现煮,用3勺咖啡豆煮成,冷却调制而成。
意大利香醇咖啡:摩卡基诺:浓缩咖啡倒进浓缩咖啡杯中+巧克力酱1吧勺+热牛奶细绵奶泡+巧克力酱(浓缩咖啡杯装配底蝶、咖啡勺一个)蛋蜜拿铁:热浓缩咖啡+蛋黄一个+蜂蜜1OZ+肉桂少许+白兰地.1/3OZ+热牛奶+细绵奶泡(拿铁专用杯装配底蝶、搅拌勺一个)卡布基诺:意大利浓缩咖啡1/3 + 热牛奶1/3 + 细绵奶泡1/3,洒上少许肉桂粉(意式咖啡杯装)康宝兰:意大利浓缩咖啡2/3 +挤入发泡奶油呈现黑白对(意式咖啡杯装)意大利浓缩咖啡:意式咖啡8分满,配奶粒糖罐一个和啡匙一个。
(意式浓缩杯装)花式咖啡:皇家咖啡::热咖啡8分满将皇家勺烧热,使其引火容易把方糖放在皇家勺,滴上白兰地于方糖上.点燃白兰地及方糖(皇家咖啡杯)皇家拿铁: 鲜牛奶1/3+咖啡1/3+奶泡1/3。
操作手册水吧操作目录1、水吧简介……………………………………………………………………………………III.1 1、1水吧岗位的重要性…………………………………………………………………III.1.11、2水吧员工的基本要求………………………………………………………………III.1.22、水吧器具…………………………………………………………………………………III.22、1杯具……………………………………………………………………………………III.2.1 2、2量具……………………………………………………………………………………III.2.2 2、3用具……………………………………………………………………………………III.2.32、4泡茶器具………………………………………………………………………………III.2.43、水吧设备……………………………………………………………………………………III.3 3、1设备、器具定位图…………………………………………………………………III.3.13、2设备介绍……………………………………………………………………………III.3.24、水吧标准……………………………………………………………………………………III.45、水吧抹布的更换及清洁使用方法…………………………………………………………III.56、水吧原材料管理……………………………………………………………………………III.67、水吧泡茶……………………………………………………………………………………III.78、煮糖及烧仙草的方法………………………………………………………………………III.89、饮品制作……………………………………………………………………………………III.910、水吧产品管理………………………………………………………………………………III.1011、水吧工作流程………………………………………………………………………………III.11水吧操作III.1水吧简介水吧岗位是店铺所有饮品制作的一个岗位,所有饮品均为水吧员工现场调制,以确保饮品的新鲜可口。
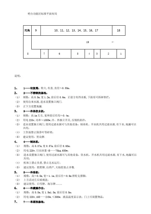
吧台功能区标准平面布局说明:1、1——垃圾筒:特大,有盖,直径≈0.55m;2、2——不锈钢洗涤池:(1)规格:高0.8m,宽1.2m,前后径0.6m;正前方有挡水板,下面有可拆卸铁栏;(2)使用自来水源,进水设置独立阀门.(3)正下方设置地漏.3、3——冷热饮水机:(1)规格:高1m左右,宽和前后径均≈0.4m;(2)用电220v,功率≈1000w,冷、热独立开关,压缩机制冷;(3)进水设置独立阀门,使用过滤水源可与其他设备:制冰机、开水机共用过滤水源,有下水,地漏可以共用;(4)工作面禁止倒茶叶等碎屑;(5)建议使用:贺众牌.4、4——制冰机:(1)规格:高0.87m,宽0.57m,前后径0.68m;(2)用电220v,日出冰量45——70kg,650w;(3)进水设置独立阀门,使用过滤水源可与其他设备:饮水机、开水机共用过滤水源,有下水,地漏可以共用;(4)机体上禁止负重,禁止无水运行;(5)建议使用:胜野牌,台湾产,大陆组装占多数.5、5——冷冻柜:(1)规格:高≈0.8m,宽≈1.1m,前后径≈0.6m滑轮支撑脚;(2)上方活动左右玻璃盖;(3)建议使用:白雪牌、海尔牌、、、、、6、6——冷藏操作台:(1)规格:高0.8m,宽1.5m1.8m,前后径0.8m;(2)用电220v,165——245w,≤300w;液晶温度显示表;门上可放置物品;7、7——单厢洗涤池:(1)规格:高0.8m,宽0.6m,前后径0.6m;(2)正前方有挡水板,下面有可拆卸铁栏;(3)使用自来水源,进水设置独立阀门;(4)正下方设置地漏.8、8——咖啡操作台:(1)前台嵌入式咖啡台×1,表面尺寸:1.1m×0.25m;下台离地高度0.8m,长度 1.5m,下台深度≥0.45m,0.65m≤;咖啡操作台表面至下台表面高度≥0.25m;单座瓦斯炉×3,间距0.25m,插壶孔两个直径0.03m,间距0.1m;(2)磨砂挡风玻璃,中间高度0.2 m—0.3 m,上方为弧形;(3)电动磨豆机×1;用电220v,200w;9、9——自动开水机:用电220v,3000w,16 A;用电380v,6000w,20A;进水设置独立阀门;10、10——17为:(1)10——消毒柜:小型,双层,用电220v,600w;(2)11——刨冰机:韩国,台湾产,可用全铝碎冰机代替,用电220v,250w.挑选碎冰机时最好准备好冰块使用看其出冰效果:雪花状.(3)12——冰沙机:高速,冰沙专用;用电220v,850w;(4)13——碎冰机:可用手动;全铝碎冰机;用电220v,600w;可将刨冰机刀口调至较粗也可用;(5)14——搅拌机:速度可分档,带滤网,玻璃杯罩,用电220v,220w;(6)15——果汁机:榨汁用;用电220v,220w;搅拌机和果汁机可选用二合一三合一机型,建议使用:飞利浦、三菱、、、、、(7)16——烤箱:用电220v,1000w,旋风式;(8)17——松饼机:用电220v,1000w;11、18——煤气炉:如果考虑操作灵活性可用两支大功率电磁炉代替煤气炉,用电220v,1000——1500w ×2;12、19——吧台前后操作台间距:90——110cm;吧台后操作台前后径45——50 cm,高度80cm;与展示柜间距60cm;展示柜隔板间距依次为:123顶部,30cm→30cm→40cm.吧台前台高度吧台内净高,不包括大理石板110cm.13、箭头所指为吧台入口方向;以上图例的入口方向可以按布局顺序左右互换调整后,再调整到左侧.。
咖啡厅的配套设备
1. 咖啡机:咖啡机是咖啡厅最重要的设备之一。
根据咖啡厅的
规模和需求,可以选择半自动或全自动咖啡机。
咖啡机的品质和性
能会直接影响咖啡的口感和制作效率。
2. 咖啡磨豆机:磨豆机用于现磨咖啡豆,确保咖啡的新鲜度和
口感。
根据咖啡的类型和需求,可以选择不同类型的磨豆机,如手
动磨豆机或电动磨豆机。
3. 水处理设备:水是咖啡的主要成分,所以水的质量很重要。
水处理设备可以去除水中的杂质和余氯,提供适合咖啡冲泡的水质。
4. 咖啡烘焙机:如果咖啡厅有烘焙咖啡豆的需求,可以考虑购
买咖啡烘焙机。
烘焙咖啡豆能够提供更多种类和口味的咖啡供顾客
选择。
5. 制冰机:对于需要提供冷饮的咖啡厅,制冰机是必备设备。
制冰机能够快速制备各种规格的冰块,以满足顾客对冷饮的需求。
6. 烘干器:如果咖啡厅提供烘焙食品或糕点,烘干机是必要设
备之一。
烘干机可以帮助烘干食品,保持其口感和质量。
7. 陈列柜和展示柜:陈列柜和展示柜用于展示咖啡豆、糕点等
产品,吸引顾客的注意力,并促进销售。
8. 清洁设备:咖啡厅的清洁卫生是非常重要的,所以准备适当
的清洁设备和用品是必要的。
这包括清洁剂、拖把、抹布等清洁工具。
以上是咖啡厅的一些常见配套设备,根据咖啡厅的经营规模和
需求,可以适当选择和调整设备配置。
通过合理的设备选择和配置,可以提升咖啡品质,提高工作效率,为顾客提供更好的服务体验。
开酒吧所需设备费用开酒吧所需设备费用机器类:酒吧专用搅拌机奶昔快速搅拌机新奇士榨汁机碎冰机电动磨豆机 1台刨冰机 1台制冰机半自动咖啡机暖咖啡炉冰柜 1台三星水斗(三格洗涤槽分别具有初洗、刷洗及消毒功能)操作工作台带清洁口杯具类:大鸡尾酒杯9oz小鸡尾酒杯5oz高身八角杯14oz高身八角杯12oz矮身八角咯杯5oz矮身八角咯杯8oz矮身八角咯杯12oz小白兰地杯 8oz中白兰地杯 12oz大白兰地杯 17oz玛格丽特杯 9oz笛形香摈杯 6oz大红酒杯 14oz小红酒杯 7oz威士忌杯 1.5oz古典杯 11oz直身水杯 11oz龙卷风杯 15oz修腰形啤酒杯11oz果汁杯 10oz子弹杯1oz子弹杯2oz条纹扎壶1L/1.3L用具类:纸巾吸管架鸡尾酒盐边架4/6格装饰物盒美式调酒壶美式调酒壶包防滑胶配TIN专用杯带刻度专用杯练习瓶FB-750(练习用)夜光表演瓶FB-750N(表演用)英式调酒壶550ml英式调酒壶350ml金属酒头285塑料酒头410系列威士忌酒头210系列滤冰隔(配TIN用)果汁壶PS601N长吧台垫BA0758方吧台服务垫SM0758网式隔水杯垫6006系列调酒吧勺30cm、25cm量酒器1/2oz-1oz。
花式开瓶器CO-3系列多功能红酒刀(弯月型)冰桶1L香摈桶半打装冰夹大冰铲24oz小冰铲12oz柠檬夹开罐器水果刀鹰唛12 “砧板钢底咖啡壶Knox八角蜡烛台(看台数定)各式搅拌棒黑吸管/艺术吸管烟灰缸6头子弹杯架(长方式/转盘式/长方磨沙)12头子弹杯架(长方式/转盘式/长方磨沙)18头试管架(配粗试管)36头试管架(配长试管)特色试管架(钢琴/小提琴/三角形)粗试管长试管1、清洗水槽三格(推荐)2.洗手池(Hand Sink)调酒师及服务人员的专用洗手池。
3.装饰物配料盒(Condinent tray)在酒吧中装饰物是大量使用的,所以装饰物配料盒是必备的。
4.储冰槽及酒瓶舱(Ice chest with bottle wells)传统上,酒吧经营是离不开冰块的,即酒吧中必须有冰块,调酒师会随时将冰块加至饮品中,因此,前吧要设置储冰槽。
咖啡厅吧台功能区平面布局咖啡厅吧台是咖啡厅的核心区域,是顾客与咖啡师之间交流的重要场所。
一个好的咖啡厅吧台功能区平面布局应该能够提供一个舒适、高效的工作环境,同时兼顾顾客的就坐体验和服务需求。
下面是一个关于咖啡厅吧台功能区平面布局的详细介绍。
首先,在设计咖啡厅吧台功能区平面布局时,需要考虑到顾客和咖啡师之间的互动和交流。
吧台应尽可能靠近入口,方便顾客进出咖啡厅,并且容易被顾客注意到。
吧台的形状可以根据咖啡厅的整体风格和空间来确定,常见的有直线状、折线状、弧形等。
吧台的高度一般为1.1~1.2米,既符合人体工程学,也方便顾客和咖啡师之间的交流。
其次,咖啡厅吧台功能区平面布局应该有足够的空间来容纳咖啡机、磨豆机、水槽、冷藏设备等基本设备,并且还要有储存空间来存放咖啡豆、杯具、调料等。
吧台后面的墙面可以利用挂架、储物柜等手段来增加存储空间,保持吧台整洁有序。
另外,咖啡厅吧台功能区平面布局应该合理安排各项设备的位置,以提高工作效率。
咖啡机应该放在吧台的中央位置,以便咖啡师能够方便地取用和操作。
咖啡师通常会分为制作区和交付区,制作区应该放置磨豆机、注水器、挤压器等设备,以便咖啡师能够高效地制作咖啡。
交付区应该放置装满咖啡的杯子、糖、牛奶等,以便顾客可以方便地取用。
此外,水槽应该放在咖啡机附近,方便咖啡师清理工具和准备咖啡。
最后,咖啡厅吧台功能区平面布局还应该考虑到顾客的就坐体验。
吧台面前一般应该设置一些高脚椅或者高脚凳,供顾客就坐。
吧台前的座位应该与吧台保持适当的距离,以便顾客在就坐时能够感到舒适。
总而言之,咖啡厅吧台功能区平面布局是设计咖啡厅的重要环节之一,合理的布局能够提高工作效率,改善顾客的就坐体验。
设计咖啡厅吧台功能区平面布局需要考虑到顾客和咖啡师的需求,尽量提供一个舒适、高效的工作环境。
这样的设计能够提高咖啡厅的竞争力,吸引更多的顾客。
咖啡厅的配套设备
咖啡厅的配套设备是经营咖啡业务的重要组成部分。
它们可以提高咖啡的制作效率、提供更好的服务体验,并帮助咖啡师们发挥出他们的专业技能。
以下是一些常见的咖啡厅配套设备:
1. 咖啡机:咖啡机是咖啡厅必备的设备之一。
选择一台高质量的咖啡机可以保证咖啡的口感和质量。
咖啡机的类型有多种,包括手动咖啡机、半自动咖啡机和全自动咖啡机,根据咖啡厅的需求和预算选择适合的咖啡机。
2. 磨豆机:磨豆机用于将咖啡豆研磨成粉末。
咖啡豆的磨碎度对咖啡的口感和浓度有着重要影响,因此选择一个高效的磨豆机非常重要。
3. 咖啡壶和咖啡杯:在咖啡厅中,咖啡壶和咖啡杯是不可或缺的。
它们用于装载和提供咖啡给顾客,良好的设计和质量可以提升顾客的用餐体验。
4. 咖啡搅拌器和咖啡制作工具:咖啡搅拌器和咖啡制作工具包括搅拌棒、筛子、咖啡勺等。
它们用于搅拌和调配咖啡,使咖啡味道更加均匀和浓郁。
5. 冷热水设备:咖啡制作过程中需要用到大量的冷热水,因此咖啡厅需要配备冷热水设备,如冰箱、热水壶等。
6. 清洁设备:保持咖啡机和咖啡制作区域的清洁非常重要,因此配备清洁设备如清洁刷、清洁剂等是必要的。
以上是一些常见的咖啡厅配套设备。
根据咖啡厅的规模和业务需求,还可以考虑其他设备如咖啡烘焙机、茶具等。
要确保设备的质量和安全性,建议从正规的供应商购买,并定期维护保养设备。
咖啡厅的配套设备对于经营咖啡业务至关重要,正确的选择和使用设备可以提高工作效率和客户满意度,从而帮助咖啡厅获得商业成功。
一、磨豆机系统:意大利产MAZZER Super Jolly 磨豆机一台、意大利产Rancilio Rocky磨豆机一台(备用磨豆机可不选)大平板毛刷一只(清洁操作台面),磨豆机专业清洁刷两只(清洁磨豆机)二、净水系统:美国产3M咖啡店用净水器一台、8L软水器一台(含配套连接管路及弯头)三、咖啡机系统意大利产La cimbali M29双头半自动咖啡机一台(配套咖啡冲煮把手:双份两只、单份一只、无孔滤器一个)三份冲煮把手一只(可不配)、咖啡机压力计一只(测量内锅炉压力用)、红茶冲煮把手一只(可不配)、压粉器一只(按冲煮把手尺寸购买:如随咖啡机配有压粉器,则可不必另购)咖啡专用温度计两只、1000ml咖啡拉花杯一只、600ml咖啡拉花杯两只、350ml咖啡拉花杯两只、450ml手动双层奶泡壶两只、1。
5安士咖啡玻璃量杯4只、电子计时器一只(可不配)、咖啡渣桶一只(最好购买或自制大尺寸渣桶)、冲煮头专用长柄刷一只(塑料或钢制刷头)、冲煮把手清洁刷一只(刷头宽度小于50mm)意大利产锅炉清洁药片、意大利产冲煮头反冲粉(各一桶)可调活扳手一只(0-30mm)、多头螺丝刀一只(可用美国产莱特曼多用工具钳替代)、工作刀一只(刃长8cm左右,可单手开刀,衬锁锁定:推荐国产三刃木牌或美国产蝴蝶牌)四、调味台糖浆抽嘴若干支(与使用糖浆同品牌),糖浆座若干个(视糖浆数量而定,可自制)、酱料抽嘴三只(与酱料同品牌)、金属制酒嘴若干只、亚克力调料台一个(放置餐巾、糖包、搅拌棒用可自制)、大号双层钢制冰桶一只(如吧台有专用冰槽可不配)、中号不锈钢冰铲一只、冰夹一只、1L奶油枪若干支(视加味奶油数量而定)、1。
5L苏达枪若干支、550ml钢制雪克壶两只、750ml钢制雪克壶一只、波士顿调酒壶两只(可不配)、、长柄调勺两只(长度25cm左右)、西餐服务勺两只、鸡尾酒调勺两只、钢制量酒器一套、1.5L果汁桶若干只(推荐韩国LOCK&LOCK)、鸡尾酒盐边盒一个、鸡尾酒打火枪一只、开罐器一套、量勺一套(四只套)、糖水瓶若干只、调味盒一套、调味瓶若干个、大号胶质垃圾桶一个.五、水槽&清洁槽自来水龙头一只、纯净水龙头一只、长流水龙头一只(可不配)、长流水接水槽一个(可不配)、电动杯刷(双头)一只、安利洗涤剂喷罐一个、洗手液瓶一个、速热热水器一台(清洁用,可不配)六、冷冻设备四门卧式商用冰柜一个、60kg制冰机一台(需接纯净水)、立式冰柜一个(360L以上,可不配)、冰激凌柜一个(可租赁,无需自购、配一或两只冰激凌勺)、蛋糕保鲜柜一个(长度1.5M以上、配蛋糕夹及蛋糕铲)七、饮料设备数控连续式热水器一台、美国产Hamilton Beach HBH650冰砂机两台、饮料保温桶若干(视产品而定,如无需要可不配)八、简餐设备电磁炉两台、微波炉一个、30L以上烤箱一台、牛扒扒板(电热)一台、商用电饭锅(30人份以上)一台、电炸炉(双槽)一个、松饼机两台、三明治机一台、9寸以上平底西餐锅一套(汤锅、蒸锅、炒锅等)、西餐炒勺一套、西餐刀具一套、砧板两个(生熟分开)、抽油烟机一台、带盖不锈钢桶(10L以上)两个、网状漏勺一套。
咖啡厅吧台必要器具及设施设备清单
咖啡厅吧台必要器具及设施设备清单
空调一台(如果有中央空调,需要另外设置分路)
制冰机一台
保险冰箱一台
意式咖啡机一台(带蒸汽半自动)
虹吸壶俩个(附带酒精底座或者液化气底座与接口)
滴滤式咖啡筒两支(方便快速萃取咖啡,适用于比较忙的时候制作咖啡)电磁炉一台
微波炉一台
碎冰机一台
咖啡磨豆机一台(或者古典式手摇磨豆机,根据营业情况而定)
电热油炸机一台(如果考虑今后中西简餐,还需要添加液化气炉)单品咖啡杯,杯垫,勺子。
浓缩咖啡杯,杯垫,勺子。
茶杯
啤酒杯
鸡尾酒杯
红酒杯
白兰地杯
香槟杯
威士忌杯
果盘玻璃果盘(大)不锈钢果盘架
砧板
水果刀
榨汁机一台
搅拌机三台
盎司杯,雪克壶各两个
以及其他吧台出品消耗品。
酒吧设备酒吧教学资源【文件编号】BHITF0203酒吧用品与设施一、酒吧主要涉及的设备简明清单编号设备名称编号设备名称1 双门卧式冰箱14 红酒恒温柜2 不锈钢双门物品柜15 活动酒吧台3 不锈钢水池16 Pos机4 冰槽架17 收款机5 制冰机18 沙发和茶几6 洗杯机19 电视机7 搅拌机20 电话机8 榨汁机9 扎啤机10 半自动咖啡机11 全自动咖啡机12 磨豆机13 微波炉编杯具名称图片及说明号1 双门卧式冰箱Freezer卧式冰柜是存放冰镇饮料的冰柜,长150-180厘米,宽60-80厘米,高80-100厘米不等,也可以根据酒吧的具体情况要求定做。
卧式冰柜上边可以摆放其他设备,如咖啡机,榨汁机等。
酒吧中常用的卧式冰柜多为内侧双开门三层储物设计,在门的旁边有一控温面板和通风口。
控温面板上有调温旋钮,可以根据冰柜内存放的饮品进行控温,通风口外有一空气过滤罩,用来阻隔灰尘,每月需要清洗一次。
设计酒吧时应在卧式冰柜下预设下水管,用于冰柜内积水滴流。
选购时注意:卧式冰柜分风冷却和管冷却两中,酒吧应选择风冷却。
2 不锈钢双门物品柜Cupboard不锈钢双门物品柜是酒吧必不可少的用具之一。
此物品柜通常分为上下两层。
用于贮存酒吧内的各种调酒工具及用品,此外,还可以放置陶瓷器皿或各种玻璃杯具。
注意:在使用此物品柜时,需要在柜内垫上白布后再放置物品,以确保柜内干净整洁。
3 不锈钢水池Cistern酒吧中的不锈钢水池通常为两星和三星的(一星代表一个水槽)。
水池的选择主要根据吧台内的规格及设计要求。
酒吧中的两星不锈钢水池分为两个部分——清洗池和消毒池。
清洗池通常用来洗手,初步清洗脏的杯具,玻璃器皿以及瓷器。
消毒池则是清洗瓷器内的茶渍,茶垢。
值得注意的是:消毒池需要时刻保持干净,卫生,避免往消毒池内倾倒杂物,否则会造成堵塞。
因此,要经常对池内进行清洁处理,防止水垢的产生,去除水迹,保持光泽。
4 冰槽架冰槽架多以不锈钢材质为主。
咖啡店开业所需设备清单基本设备
1. 咖啡机:选择一台高品质的咖啡机是咖啡店开业的关键。
建议选择能够煮制各种咖啡类型的全自动咖啡机。
2. 咖啡磨豆机:用于将咖啡豆磨成粉末,保证新鲜的咖啡粉。
3. 咖啡壶:用于煮制滴漏咖啡的咖啡壶,确保咖啡的品质和口感。
4. 热水壶:提供热水,方便泡茶和其他热饮的制作。
5. 冷热水机:提供冷热水的设备,用于制作冷饮和热饮。
6. 冷藏设备:冷藏设备用于储存牛奶、奶油和其他需要冷藏的食材。
7. 水槽和净水设备:用于清洗咖啡器具和餐具,并提供纯净的水源。
8. 餐具和杯具:包括咖啡杯、茶杯、碟子、勺子等必要的餐具和杯具。
9. 咖啡粉称量器:用于精确称量咖啡粉的重量,保证咖啡的一致性和品质。
10. 咖啡器具清洁工具:包括刷子、清洁剂、抹布等用于清洁咖啡机和其他器具的工具。
可选设备
1. 手冲咖啡器具:如便携式手冲壶、手冲咖啡滴漏器等,适用于提供特殊咖啡口味的手冲咖啡。
2. 咖啡豆保持器:用于储存咖啡豆的,保持咖啡豆的新鲜度和口感。
3. 咖啡机清洁剂:用于定期清洁咖啡机和咖啡器具,保持卫生和品质。
4. 咖啡温度计:用于准确测量咖啡温度,保证咖啡的口感和品质。
5. 咖啡店装饰:如招牌、桌椅、艺术品等,用于营造咖啡店的氛围和吸引顾客。
以上是一份咖啡店开业所需设备清单,根据自己的经营需求和预算,可以进行适当的调整。
希望对您有所帮助!。
咖啡厅功能分配
一、基本情况:
2、房屋:具备经营餐饮的条件,如隔油池、排烟道、电量、煤气等必要的设施。
3、面积:600平
4、经营业态:主营咖啡,搭配西式快餐,另点心、小吃、冷饮
4、停车位:20台左右停车位置。
二、功能区分:
1、厨房:后厨面积120平米,设有凉菜间、面点房、冷库及厨房专用卫生间。
(一楼可考虑以通透玻璃幕为隔断)
2、吧台:具备上下水、冰柜及能操作简单的饮品、冰点的设施设备。
3、收银台:可以与吧台共享,要有醒目的区分。
4、营业区:300平,大概150个餐位。
(配备无线上网)
●大小包间(4人到20人不等),大房间配有卫生间及小型会议功能设施设备
●无烟区(适合女性或者不抽烟人群)
●洽谈区(适合商务洽谈及休闲聊天人群)
5、客用卫生间:50平(一楼+二楼)
6、清洗间、消毒间20平
7、仓库:40平米(地下层,存放原材料及所需的物品)。
8、办公室:15平(地下层)
8、员工休息室:48平(24*2,员工休息场所),
9、员工卫生间+淋浴+更衣室:60平(30*2)。
吧台空间尺寸设计标准是多少吧台是酒吧、咖啡店和餐厅中常见的一个区域,用于服务顾客和展示饮品。
吧台空间的尺寸设计标准通常取决于一系列因素,包括店铺的整体面积、服务人员数量以及顾客流量等等。
以下是一些常见的吧台空间尺寸设计标准,供参考:1. 吧台长度:吧台的长度通常在3-6米之间。
从实际操作角度来看,长度在4-5米之间比较理想,可以容纳多个服务人员同时工作,并且有足够的展示空间。
2. 吧台宽度:吧台的宽度要根据店铺的面积和顾客流量来决定。
一般来说,宽度在0.6-1米之间比较合适。
如果店铺面积较小,可以考虑减小宽度,以便腾出更多的空间给座位。
3. 吧台高度:吧台的高度通常在1.0-1.2米之间。
这个高度可以适应绝大多数人的身高。
如果希望创造出更多的互动氛围,可以考虑在吧台前加入一些高脚椅。
4. 吧台座位:吧台的座位数量取决于店铺的顾客流量。
对于一个小型酒吧或者咖啡店来说,通常可以提供6-8个座位。
在人流量较大的地区,可以考虑增加座位数量,但要确保吧台的宽度足够容纳座位和顾客之间的空间。
5. 储存空间:吧台下方和后方的储存空间非常重要,用于存放饮品、冰块、器具等等。
这些储存空间要足够宽敞,便于服务人员进行工作,但又不会占用过多的吧台空间。
除了上述的尺寸设计标准,还需要注意以下几点:1. 照明:吧台的照明要明亮且柔和,以突出展示的饮品和创造舒适的用餐环境。
2. 设备安装:吧台上需要安装适当的设备,如热饮机、制冰机、洗杯机等,要根据实际需要和空间来进行安排。
3. 通风:考虑到吧台上可能有饮品制作时产生的蒸汽和异味,要确保通风系统的设置,以保持吧台的清新。
总的来说,吧台空间的尺寸设计标准是根据店铺的实际情况和需求来确定的,要保证能够提供舒适的工作环境和愉悦的用餐体验。
相关部门有一些规范和指南可供参考,但最终的设计还是要根据具体情况来进行调整和优化。