悬臂式排桩支护的计算
- 格式:ppt
- 大小:1.84 MB
- 文档页数:59
第二部分支护结构的设计计算一、AB段支护本设计标高皆为绝对标高(吴淞高程)。
自然地面标高为12.0m,基坑开挖面绝对标高以底板垫层底标高计为6.7m,基坑挖深为5.3m。
地下水位按稳定地下水位埋深0.5m考虑。
地面均布超载按20kPa考虑,道路超载按10kPa考虑。
基坑安全等级按“二级”考虑,重要性系数Υ0=1.0。
设计采用灌注桩进行支护。
----------------------------------------------------------------------[ 支护方案 ]----------------------------------------------------------------------排桩支护----------------------------------------------------------------------[ 基本信息 ]----------------------------------------------------------------------规范与规程《建筑基坑支护技术规程》 JGJ 120-2012内力计算方法增量法支护结构安全等级二级支护结构重要性系数γ0 1.00基坑深度H(m) 5.300嵌固深度(m)7.200桩顶标高(m)-1.000桩材料类型钢筋混凝土混凝土强度等级C30桩截面类型圆形└桩直径(m)0.800桩间距(m) 1.000有无冠梁无放坡级数1超载个数2支护结构上的水平集中力0----------------------------------------------------------------------[ 放坡信息 ]----------------------------------------------------------------------坡号台宽(m)坡高(m)坡度系数1 1.000 1.000 1.000----------------------------------------------------------------------[ 超载信息 ]----------------------------------------------------------------------超载类型超载值作用深度作用宽度距坑边距形式长度序号(kPa,kN/m)(m)(m)(m)(m)130.000---------------210.0000.00015.00010.000条形---[ 附加水平力信息 ]水平力作用类型水平力值作用深度是否参与是否参与序号(kN)(m)倾覆稳定整体稳定[ 土层信息 ]土层数3坑内加固土否内侧降水最终深度(m) 5.800外侧水位深度(m) 1.000弹性计算方法按土层指定ㄨ弹性法计算方法m法基坑外侧土压力计算方法主动[ 土层参数 ]层号土类名称层厚重度浮重度粘聚力内摩擦角(m)(kN/m3)(kN/m3)(kPa)(度)1杂填土0.3018.0---10.0015.002杂填土 5.5018.48.418.0010.003粘性土14.0019.59.5------层号与锚固体摩粘聚力内摩擦角水土计算方法m,c,K值抗剪强度擦阻力(kPa)水下(kPa)水下(度)(kPa) 118.0---------m法 2.28---218.018.0010.00合算m法 2.80---355.044.6016.40合算m法8.20---[ 土压力模型及系数调整 ]----------------------------------------------------------------------弹性法土压力模型: 经典法土压力模型:层号土类水土水压力外侧土压力外侧土压力内侧土压力内侧土压力名称调整系数调整系数1调整系数2调整系数最大值(kPa) 1杂填土分算 1.000 1.000 1.000 1.00010000.000 2杂填土合算 1.000 1.000 1.000 1.00010000.000 3粘性土合算 1.000 1.000 1.000 1.00010000.000 [ 工况信息 ]工况工况深度支锚号类型(m)道号1开挖 5.300---[ 设计结果 ]---------------------------------------------------------------------- ---------------------------------------------------------------------- [ 结构计算 ]---------------------------------------------------------------------- 各工况:内力位移包络图:地表沉降图:----------------------------------------------------------------------[ 截面计算 ]----------------------------------------------------------------------钢筋类型对应关系:d-HPB300,D-HRB335,E-HRB400,F-RRB400,G-HRB500,P-HRBF335,Q-HRBF400,R-HRBF500桩是否均匀配筋是混凝土保护层厚度(mm)50桩的纵筋级别HRB400桩的螺旋箍筋级别HPB300桩的螺旋箍筋间距(mm)200弯矩折减系数 1.00剪力折减系数 1.00荷载分项系数 1.25配筋分段数一段各分段长度(m)11.50[ 内力取值 ]段内力类型弹性法经典法内力内力号计算值计算值设计值实用值基坑内侧最大弯矩(kN.m)0.000.000.000.001基坑外侧最大弯矩(kN.m)387.96290.22484.96484.96最大剪力(kN)149.28130.39186.60186.60段选筋类型级别钢筋实配[计算]面积号实配值(mm2或mm2/m)1纵筋HRB40012E224562[4307]箍筋HPB300d8@200503[895]加强箍筋HRB335D16@2000201----------------------------------------------------------------------[ 整体稳定验算 ]----------------------------------------------------------------------计算方法:瑞典条分法应力状态:有效应力法条分法中的土条宽度: 1.00m滑裂面数据整体稳定安全系数 K s = 2.852圆弧半径(m) R = 16.258圆心坐标X(m) X = -0.022圆心坐标Y(m) Y = 9.037----------------------------------------------------------------------[ 抗倾覆稳定性验算 ] ----------------------------------------------------------------------抗倾覆安全系数:M p——被动土压力及支点力对桩底的抗倾覆弯矩, 对于内支撑支点力由内支撑抗压力决定;对于锚杆或锚索,支点力为锚杆或锚索的锚固力和抗拉力的较小值。
第二局部支护结构的设计计算一、AB段支护本设计标高皆为绝对标高〔吴淞高程〕。
自然地面标高为12.0m,基坑开挖面绝对标高以底板垫层底标高计为6.7m,基坑挖深为5.3m。
地下水位按稳定地下水位埋深0.5m考虑。
地面均布超载按20kPa考虑,道路超载按10kPa考虑。
基坑安全等级按“二级〞考虑,重要性系数Υ=1.0。
设计采用灌注桩进展支护。
----------------------------------------------------------------------[ 支护方案 ]----------------------------------------------------------------------排桩支护----------------------------------------------------------------------[ 根本信息 ]---------------------------------------------------------------------- [ 放坡信息 ][ 超载信息 ][ 附加水平力信息 ][ 土层信息 ][ 土层参数 ][ 土压力模型与系数调整 ]---------------------------------------------------------------------- 弹性法土压力模型:经典法土压力模型:[ 工况信息 ][ 设计结果 ]---------------------------------------------------------------------- ---------------------------------------------------------------------- [ 结构计算 ]---------------------------------------------------------------------- 各工况:内力位移包络图:地表沉降图:---------------------------------------------------------------------- [ 截面计算 ]----------------------------------------------------------------------钢筋类型对应关系:d-HPB300,D-HRB335,E-HRB400,F-RRB400,G-HRB500,P-HRBF335,Q-HRBF400,R-HRBF500[ 整体稳定验算 ]----------------------------------------------------------------------计算方法:瑞典条分法应力状态:有效应力法滑裂面数据整体稳定安全系数 K s----------------------------------------------------------------------[ 抗倾覆稳定性验算 ]---------------------------------------------------------------------- :p , 对于内支撑支点力由内支撑抗压力 决定;对于锚杆或锚索,支点力为锚杆或锚索的锚固力和抗拉力的较小值。
考虑桩—土相互作用的悬臂式排桩内力计算方法研究当基坑开挖深度不大且土性条件较好时,可采用悬臂式排桩进行支护.目前悬臂式排桩内力计算常用的方法有:静力平衡法、弹性法和共同变形理论三种[1-3].静力平衡法是将支护桩的入土深度和土压力零点视为未知量,根据力的平衡条件或力矩平衡条件加以求解的方法.该法概念明确、计算简便,在工程中广为采用.但静力平衡法将支护桩侧土压力简单地按主、被动土压力计算,不考虑桩土之间的相互作用和变形协调条件,存在较大的计算误差.弹性法将水土压力作为已知荷载,将单位宽度的桩墙或单桩(按有效截面宽度计算)视为设置于弹性地基上的梁,再根据通用弹性地基梁法求解结构内力和变形.该法考虑了桩身各微段的平衡条件,可在一定程度上分析桩土相互作用机理,计算参数少且积累了较多工程经验,是实际工程中一种重要的设计方法和手段[2-3].但弹性法一般只考虑土体抗力与桩身位移间的线性函数关系[4-5],与实际不符.共同变形理论将基坑内、外侧土体简化为土弹簧,假定在初始时刻各弹簧压力均处于静止土压力的基准状态,随着桩侧位移的增大不断向主动或被动土压力状态变化,通过调整桩身位移直到满足平衡条件,从而计算桩侧土压力和桩身内力.该法能较好地考虑桩土相互作用机理,但其计算过程繁琐,所用地基反力系数与通用弹性地基法的相关参数具有不同的意义,取值缺乏工程经验积累.由上面的讨论可以看出,常用的悬臂式排桩内力计算方法均存在一些不合理之处.为此,本文通过引入非线性的桩土相互作用模型,提出一种可充分考虑桩土共同作用机理的悬臂式排桩内力计算方法.从图3(a)可以看出,本文方法计算的桩身水平位移明显大于经典弹性地基梁法计算的桩身水平位移.从图3(b)和(c)可以看出,本文方法计算的桩身最大剪力和弯矩值也大于按经典弹性地基梁法计算的结果.这是因为经典的弹性地基梁法仅考虑桩侧土体抗力与桩身位移间的线性函数关系,即土体抗力可以随桩侧位移增大而不断增大,因此有可能出现桩侧土压力大于被动土压力的情况,过高地估计了土体的抗力值.另外,经典方法将基坑外侧土压力直接按主动土压力计算,荷载取值明显偏小.实际上,基坑外侧土体是处于静止土压力与主动土压力之间的“中间状态”,因此实际的土压力值要远大于按主动土压力计算的结果.从上述分析可以看出,经典方法过高地估计了土体的抗力,而过低地估计了基坑外侧的土压力荷载,因此计算结果偏于危险.本文方法通过考虑桩侧土压力与桩身位移间的非线性函数关系,较好地克服了经典方法的上述缺点,因而计算结果更为合理.从以上的分析结果可以看出,土压力变化控制参数c1,c2可以调节基坑内、外侧土压力随桩身位移变化的规律,其对计算结果的影响主要表现为对桩身侧向位移大小和最大剪力、弯矩值的影响,而对桩身位移和内力的分布形式的影响较小.总体而言,参数c1,c2在其取值范围内变化时,计算结果的变化较为平缓,因此实际计算中不会出现因参数取值的偏差而造成计算结果误差很大的情况.另外,从计算结果还可看出,由于悬臂式排桩没有设置锚杆或内支撑,因此其桩顶处的侧向位移值相对较大;桩底附近由于桩身侧向位移方向的改变,基坑外侧土压力迅速增大,基坑内侧土压力迅速减小.该结果表明,通过将基坑内、外侧土压力的变化与桩身侧向位移的变化联系起来,本文方法较好地考虑了桩土之间的相互作用机理,因而能较好地反映悬臂式排桩的实际受力情况.4结论桩土间的相互作用是悬臂式排桩内力计算的关键因素.本文引入非线性的桩土相互作用模型,提出了一种可考虑桩土相互作用机理的悬臂式排桩内力计算方法,通过实际工程应用,可得出以下结论.1)采用有限单元法建立结构刚度方程,并采用NewtonRaphson 法进行迭代求解,可以快速计算出结构位移列阵,从而避免了共同变形理论中对结构位移进行不断调整的繁琐过程,极大地提高了求解效率.2)通过假定基坑内、外侧土压力与桩身侧向位移间的非线性函数关系,较好地考虑了桩土间的相互作用机理和土压力变化非线性的特点.3)从影响因素分析的结果来看,参数c1,c2可以调整土压力随桩身侧向位移的变化规律,在给定的取值范围内,计算结果变化较为平缓,因此实际计算时不会出现因参数取值的偏差而造成计算误差很大的情况,本文方法适合于工程应用.。
第二部分支护结构的设计计算一、AB段支护本设计标高皆为绝对标高(吴淞高程)。
自然地面标高为12.0m,基坑开挖面绝对标高以底板垫层底标高计为6.7m,基坑挖深为5.3m。
地下水位按稳定地下水位埋深0.5m考虑。
地面均布超载按20kPa考虑,道路超载按10kPa考虑。
基坑安全等级按“二级”考虑,重要性系数Υ0=1.0。
设计采用灌注桩进行支护。
----------------------------------------------------------------------[ 支护方案 ]----------------------------------------------------------------------排桩支护----------------------------------------------------------------------[ 基本信息 ]----------------------------------------------------------------------规与规程《建筑基坑支护技术规程》 JGJ 120-2012力计算方法增量法支护结构安全等级二级支护结构重要性系数γ0 1.00基坑深度H(m) 5.300嵌固深度(m)7.200桩顶标高(m)-1.000桩材料类型钢筋混凝土混凝土强度等级C30桩截面类型圆形└桩直径(m)0.800桩间距(m) 1.000有无冠梁无放坡级数1超载个数2支护结构上的水平集中力0----------------------------------------------------------------------[ 放坡信息 ]----------------------------------------------------------------------坡号台宽(m)坡高(m)坡度系数1 1.000 1.000 1.000----------------------------------------------------------------------[ 超载信息 ]超载类型超载值作用深度作用宽度距坑边距形式长度序号(kPa,kN/m)(m)(m)(m)(m)130.000---------------210.0000.00015.00010.000条形---[ 附加水平力信息 ]水平力作用类型水平力值作用深度是否参与是否参与序号(kN)(m)倾覆稳定整体稳定[ 土层信息 ]土层数3坑加固土否侧降水最终深度(m) 5.800外侧水位深度(m) 1.000弹性计算方法按土层指定ㄨ弹性法计算方法m法基坑外侧土压力计算方法主动[ 土层参数 ]层号土类名称层厚重度浮重度粘聚力摩擦角(m)(kN/m3)(kN/m3)(kPa)(度)1杂填土0.3018.0---10.0015.002杂填土 5.5018.48.418.0010.003粘性土14.0019.59.5------层号与锚固体摩粘聚力摩擦角水土计算方法m,c,K值抗剪强度擦阻力(kPa)水下(kPa)水下(度)(kPa) 118.0---------m法 2.28---218.018.0010.00合算m法 2.80---355.044.6016.40合算m法8.20---[ 土压力模型及系数调整 ]----------------------------------------------------------------------弹性法土压力模型: 经典法土压力模型:层号土类水土水压力外侧土压力外侧土压力侧土压力侧土压力名称调整系数调整系数1调整系数2调整系数最大值(kPa)1杂填土分算 1.000 1.000 1.000 1.00010000.000 2杂填土合算 1.000 1.000 1.000 1.00010000.000 3粘性土合算 1.000 1.000 1.000 1.00010000.000[ 工况信息 ]工况工况深度支锚号类型(m)道号1开挖 5.300---[ 设计结果 ]---------------------------------------------------------------------- ---------------------------------------------------------------------- [ 结构计算 ]---------------------------------------------------------------------- 各工况:力位移包络图:地表沉降图:----------------------------------------------------------------------[ 截面计算 ]----------------------------------------------------------------------钢筋类型对应关系:d-HPB300,D-HRB335,E-HRB400,F-RRB400,G-HRB500,P-HRBF335,Q-HRBF400,R-HRBF500桩是否均匀配筋是混凝土保护层厚度(mm)50桩的纵筋级别HRB400桩的螺旋箍筋级别HPB300桩的螺旋箍筋间距(mm)200弯矩折减系数 1.00剪力折减系数 1.00荷载分项系数 1.25配筋分段数一段各分段长度(m)11.50[ 力取值 ]段力类型弹性法经典法力力号计算值计算值设计值实用值基坑侧最大弯矩(kN.m)0.000.000.000.001基坑外侧最大弯矩(kN.m)387.96290.22484.96484.96最大剪力(kN)149.28130.39186.60186.60段选筋类型级别钢筋实配[计算]面积号实配值(mm2或mm2/m)1纵筋HRB40012E224562[4307]箍筋HPB300d8200503[895]加强箍筋HRB335D162000201----------------------------------------------------------------------[ 整体稳定验算 ]----------------------------------------------------------------------计算方法:瑞典条分法应力状态:有效应力法条分法中的土条宽度: 1.00m滑裂面数据整体稳定安全系数 K s = 2.852圆弧半径(m) R = 16.258圆心坐标X(m) X = -0.022圆心坐标Y(m) Y = 9.037----------------------------------------------------------------------[ 抗倾覆稳定性验算 ]----------------------------------------------------------------------抗倾覆安全系数:M p——被动土压力及支点力对桩底的抗倾覆弯矩, 对于支撑支点力由支撑抗压力决定;对于锚杆或锚索,支点力为锚杆或锚索的锚固力和抗拉力的较小值。
基坑悬臂式钢板桩的计算方法有很多,包括静力平衡法、Blum法、平行杆系弹性支点法、杆系有限单元法、共同变形法和有限单元法等。
具体来说,悬臂式板桩的稳定性和计算荷载的确定是重要的一环,这需要参照《建筑基坑支护技术规程》(JGJ120-99)和《土力学与地基基础》等资料进行编制。
例如,悬臂支护结构设计计算书会包括参数信息,如支护桩间距、支护桩嵌入土深度、基坑开挖深度和基坑外侧水位深度等。
同时,悬臂式排桩支护的计算还需要考虑诸如深度z处桩的横向位移值、深度z处桩侧向应力、深度z处转角、深度z处的弯矩以及深度z处的剪力等因素。
此外,对结构的弯矩计算也是关键步骤,例如计算出悬臂式支护结构弯矩Mc,最大挠度以及截面弯矩设计值M等。
最后,还需要进行截面承载力的计算,包括材料的强度计算等。
以上所有的计算过程都需要严格遵循相关规范,确保安全且符合设计要求。
支护结构计算之排桩与地下连续墙计算对于较深的基坑,排桩、地下连续墙围护墙应用最多,其承受的荷载比较复杂,一般应考虑下述荷载:土压力、水压力、地面超载、影响范围内的地面上建筑物和构筑物荷载、施工荷载、邻近基础工程施工的影响(如打桩、基坑土方开挖、降水等)。
作为主体结构一部分时,应考虑上部结构传来的荷载及地震作用,需要时应结合工程经验考虑温度变化影响和混凝土收缩、徐变引起的作用以及时空效应。
排桩和地下连续墙支护结构的破坏,包括强度破坏、变形过大和稳定性破坏(图6-65)。
其强度破坏或变形过大包括:图6-65 排桩和地下连续墙支护结构的破坏形式(a)拉锚破坏或支撑压曲;(b)底部走动;(c)平面变形过大或弯曲破坏;(d)墙后土体整体滑动失稳;(e)坑底隆起;(f)管涌(1)拉锚破坏或支撑压曲:过多地增加了地面荷载引起的附加荷载,或土压力过大、计算有误,引起拉杆断裂,或锚固部分失效、腰梁(围擦)破坏,或内部支撑断面过小受压失稳。
为此需计算拉锚承受的拉力或支撑荷载,正确选择其截面或锚固体。
(2)支护墙底部走动:当支护墙底部嵌固深度不够,或由于挖土超深、水的冲刷等原因都可能产生这种破坏。
为此需正确计算支护结构的入土深度。
(3)支护墙的平面变形过大或弯曲破坏:支护墙的截面过小、对土压力估算不准确、墙后增加大量地面荷载或挖土超深等都可能引起这种破坏。
平面变形过大会引起墙后地面过大的沉降,亦会给周围附近的建(构)筑物、道路、管线等造成损害。
排桩和地下连续墙支护结构的稳定性破坏包括:(1)墙后土体整体滑动失稳:如拉锚的长度不够,软粘土发生圆弧滑动,会引起支护结构的整体失稳。
(2)坑底隆起:在软粘土地区,如挖土深度大,嵌固深度不够,可能由于挖土处卸载过多,在墙后土重及地面荷载作用下引起坑底隆起。
对挖土深度大的深坑需进行这方面的验算,必要时需对坑底土进行加固处理或增大挡墙的入土深度。
(3)管涌:在砂性土地区,当地下水位较高、坑深很大和挡墙嵌固深度不够时,挖土后在水头差产生的动水压力作用下,地下水会绕过支护墙连同砂土一同涌入基坑。
第二部分支护结构的设计计算一、AB段支护本设计标高皆为绝对标高(吴淞高程)。
自然地面标高为12.0m,基坑开挖面绝对标高以底板垫层底标高计为6.7m,基坑挖深为5.3m。
地下水位按稳定地下水位埋深0.5m考虑。
地面均布超载按20kPa考虑,道路超载按10kPa考虑。
基坑安全等级按“二级”考虑,重要性系数Υ0=1.0。
设计采用灌注桩进行支护。
----------------------------------------------------------------------[ 支护方案]----------------------------------------------------------------------排桩支护----------------------------------------------------------------------[ 基本信息]---------------------------------------------------------------------- [ 放坡信息]---------------------------------------------------------------------- [ 超载信息][ 附加水平力信息][ 土层信息][ 土层参数 ][ 土压力模型及系数调整 ]----------------------------------------------------------------------弹性法土压力模型:经典法土压力模型:[ 工况信息 ]---------------------------------------------------------------------- ---------------------------------------------------------------------- [ 设计结果 ]---------------------------------------------------------------------- ---------------------------------------------------------------------- [ 结构计算 ]---------------------------------------------------------------------- 各工况:内力位移包络图:地表沉降图:----------------------------------------------------------------------[ 截面计算]----------------------------------------------------------------------钢筋类型对应关系:d-HPB300,D-HRB335,E-HRB400,F-RRB400,G-HRB500,P-HRBF335,Q-HRBF400,R-HRBF500[ 整体稳定验算]----------------------------------------------------------------------计算方法:瑞典条分法应力状态:有效应力法条分法中的土条宽度: 1.00m滑裂面数据整体稳定安全系数K s = 2.852圆弧半径(m) R = 16.258圆心坐标X(m) X = -0.022圆心坐标Y(m) Y = 9.037----------------------------------------------------------------------[ 抗倾覆稳定性验算]----------------------------------------------------------------------:M p ——被动土压力及支点力对桩底的抗倾覆弯矩, 对于内支撑支点力由内支撑抗压力 决定;对于锚杆或锚索,支点力为锚杆或锚索的锚固力和抗拉力的较小值。
第二部分支护结构的设计计算一、AB段支护本设计标高皆为绝对标高(吴淞高程)。
自然地面标高为12.0m,基坑开挖面绝对标高以底板垫层底标高计为6.7m,基坑挖深为5.3m。
地下水位按稳定地下水位埋深0.5m考虑。
地面均布超载按20kPa考虑,道路超载按10kPa考虑。
基坑安全等级按“二级”考虑,重要性系数Υ0=1.0。
设计采用灌注桩进行支护。
----------------------------------------------------------------------[ 支护方案 ]----------------------------------------------------------------------排桩支护----------------------------------------------------------------------[ 基本信息 ]----------------------------------------------------------------------规范与规程《建筑基坑支护技术规程》 JGJ 120-2012内力计算方法增量法支护结构安全等级二级支护结构重要性系数γ0 1.00基坑深度H(m) 5.300嵌固深度(m)7.200桩顶标高(m)-1.000桩材料类型钢筋混凝土混凝土强度等级C30桩截面类型圆形└桩直径(m)0.800桩间距(m) 1.000有无冠梁无放坡级数1超载个数2支护结构上的水平集中力0----------------------------------------------------------------------[ 放坡信息 ]----------------------------------------------------------------------坡号台宽(m)坡高(m)坡度系数1 1.000 1.000 1.000----------------------------------------------------------------------[ 超载信息 ]----------------------------------------------------------------------超载类型超载值作用深度作用宽度距坑边距形式长度序号(kPa,kN/m)(m)(m)(m)(m)130.000---------------210.0000.00015.00010.000条形---[ 附加水平力信息 ]水平力作用类型水平力值作用深度是否参与是否参与序号(kN)(m)倾覆稳定整体稳定[ 土层信息 ]土层数3坑内加固土否内侧降水最终深度(m) 5.800外侧水位深度(m) 1.000弹性计算方法按土层指定ㄨ弹性法计算方法m法基坑外侧土压力计算方法主动[ 土层参数 ]层号土类名称层厚重度浮重度粘聚力内摩擦角(m)(kN/m3)(kN/m3)(kPa)(度)1杂填土0.3018.0---10.0015.002杂填土 5.5018.48.418.0010.003粘性土14.0019.59.5------层号与锚固体摩粘聚力内摩擦角水土计算方法m,c,K值抗剪强度擦阻力(kPa)水下(kPa)水下(度)(kPa) 118.0---------m法 2.28---218.018.0010.00合算m法 2.80---355.044.6016.40合算m法8.20---[ 土压力模型及系数调整 ]----------------------------------------------------------------------弹性法土压力模型: 经典法土压力模型:层号土类水土水压力外侧土压力外侧土压力内侧土压力内侧土压力名称调整系数调整系数1调整系数2调整系数最大值(kPa) 1杂填土分算 1.000 1.000 1.000 1.00010000.000 2杂填土合算 1.000 1.000 1.000 1.00010000.000 3粘性土合算 1.000 1.000 1.000 1.00010000.000 [ 工况信息 ]工况工况深度支锚号类型(m)道号1开挖 5.300---[ 设计结果 ]---------------------------------------------------------------------- ---------------------------------------------------------------------- [ 结构计算 ]---------------------------------------------------------------------- 各工况:内力位移包络图:地表沉降图:----------------------------------------------------------------------[ 截面计算 ]----------------------------------------------------------------------钢筋类型对应关系:d-HPB300,D-HRB335,E-HRB400,F-RRB400,G-HRB500,P-HRBF335,Q-HRBF400,R-HRBF500桩是否均匀配筋是混凝土保护层厚度(mm)50桩的纵筋级别HRB400桩的螺旋箍筋级别HPB300桩的螺旋箍筋间距(mm)200弯矩折减系数 1.00剪力折减系数 1.00荷载分项系数 1.25配筋分段数一段各分段长度(m)11.50[ 内力取值 ]段内力类型弹性法经典法内力内力号计算值计算值设计值实用值基坑内侧最大弯矩(kN.m)0.000.000.000.001基坑外侧最大弯矩(kN.m)387.96290.22484.96484.96最大剪力(kN)149.28130.39186.60186.60段选筋类型级别钢筋实配[计算]面积号实配值(mm2或mm2/m)1纵筋HRB40012E224562[4307]箍筋HPB300d8@200503[895]加强箍筋HRB335D16@2000201----------------------------------------------------------------------[ 整体稳定验算 ]----------------------------------------------------------------------计算方法:瑞典条分法应力状态:有效应力法条分法中的土条宽度: 1.00m滑裂面数据整体稳定安全系数 K s = 2.852圆弧半径(m) R = 16.258圆心坐标X(m) X = -0.022圆心坐标Y(m) Y = 9.037----------------------------------------------------------------------[ 抗倾覆稳定性验算 ] ----------------------------------------------------------------------抗倾覆安全系数:M p——被动土压力及支点力对桩底的抗倾覆弯矩, 对于内支撑支点力由内支撑抗压力决定;对于锚杆或锚索,支点力为锚杆或锚索的锚固力和抗拉力的较小值。
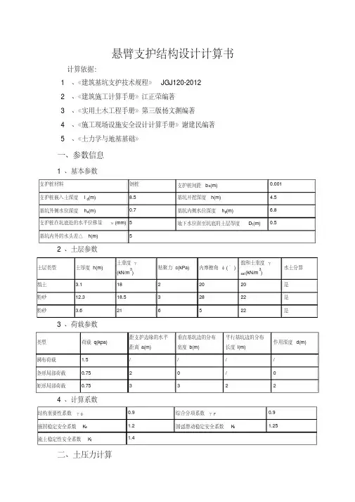
悬臂支护结构设计计算书计算依据:1、《建筑基坑支护技术规程》JGJ120-20122、《建筑施工计算手册》江正荣编著3、《实用土木工程手册》第三版杨文渊编著4、《施工现场设施安全设计计算手册》谢建民编著5、《土力学与地基基础》一、参数信息1、基本参数支护桩材料钢桩支护桩间距b a(m) 0.001 支护桩嵌入土深度l d(m) 8.5 基坑开挖深度h(m) 4.5 基坑外侧水位深度h a(m) 0.7 基坑内侧水位深度h p(m) 6.8 支护桩在坑底处的水平位移量υ(mm) 5 地下水位面至坑底的土层厚度D1(m) 0.5 基坑内外的水头差△h(m) 52、土层参数土层类型土厚度h(m) 土重度γ(kN/m3)粘聚力c(kPa) 内摩擦角φ(°)饱和土重度γsat(kN/m3)水土分算填土 3.1 18 2 20 20 是粉砂12.3 18.5 3 28 22 是粉砂 3.6 21 6 5 22 是3、荷载参数类型荷载q(kpa) 距支护边缘的水平距离a(m)垂直基坑边的分布宽度b(m)平行基坑边的分布长度l(m)作用深度d(m)满布荷载 1.5 / / / / 条形局部荷载0.75 2 0 / 0 矩形局部荷载0.75 3 3 2 24、计算系数结构重要性系数γ00.9 综合分项系数γF0.9 嵌固稳定安全系数K e 1.2 圆弧滑动稳定安全系数K s 1.25 流土稳定性安全系数K f 1.4二、土压力计算土压力分布示意图附加荷载布置图1、主动土压力计算1)主动土压力系数K a1=tan2(45°- φ1/2)= tan2(45-20/2)=0.49; K a2=tan2(45°- φ2/2)= tan2(45-20/2)=0.49; K a3=tan2(45°- φ3/2)= tan2(45-20/2)=0.49; K a4=tan2(45°- φ4/2)= tan2(45-28/2)=0.361; K a5=tan2(45°- φ5/2)= tan2(45-28/2)=0.361; K a6=tan2(45°- φ6/2)= tan2(45-28/2)=0.361; 2)土压力、地下水产生的水平荷载第1层土:0-0.7mH1'=[∑γ0h0+∑q1]/γi=[0+1.5]/18=0.083mP ak1上 =γ1H1'K a1-2c1K a10.5=18×0.083×0.49-2×2×0.490.5=-2.068kN/m2P ak1下 =γ1(h1+H1')K a1-2c1K a10.5=18×(0.7+0.083)×0.49-2×2×0.490.5=4.106kN/m2第2层土:0.7-2mH2'=[∑γ1h1+∑q1]/γsati=[12.6+1.5]/20=0.705mP ak2上 =[γsat2H2'-γw(∑h1-h a)]K a2-2c2K a20.5+γw(∑h1-h a)=[20×0.705-10×(0.7-0.7)]×0.49-2×2×0.490.5+10×(0.7-0.7)=4.109kN/m 2P ak2下 =[γsat2(H2'+h2)-γw(∑h1-h a)]K a2-2c2K a20.5+γw(∑h1-h a)=[20×(0.705+1.3)-10×(2-0.7)]×0.49-2×2×0.490.5+10×(2-0.7)=23.479kN/m 2第3层土:2-3.1mH3'=[∑γ2h2+∑q1+∑q1b1/(b1+2a1)]/γsati=[38.6+1.5+0]/20=2.005mP ak3上 =[γsat3H3'-γw(∑h2-h a)]K a3-2c3K a30.5+γw(∑h2-h a)=[20×2.005-10×(2-0.7)]×0.49-2×2×0.490.5+10×(2-0.7)=23.479kN/m 2P ak3下 =[γsat3(H3'+h3)-γw(∑h2-h a)]K a3-2c3K a30.5+γw(∑h2-h a)=[20×(2.005+1.1)-10×(3.1-0.7)]×0.49-2×2×0.490.5+10×(3.1-0.7)=39.869kN/m 2第4层土:3.1-5mH4'=[∑γ3h3+∑q1+∑q1b1/(b1+2a1)]/γsati=[60.6+1.5+0]/22=2.823mP ak4上 =[γsat4H4'-γw(∑h3-h a)]K a4-2c4K a40.5+γw(∑h3-h a)=[22×2.823-10×(3.1-0.7)]×0.361-2×3×0.3610.5+10×(3.1-0.7)=34.151kN/m 2P ak4下 =[γsat4(H4'+h4)-γw(∑h3-h a)]K a4-2c4K a40.5+γw(∑h3-h a)=[22×(2.823+1.9)-10×(5-0.7)]×0.361-2×3×0.3610.5+10×(5-0.7)=61.382kN/m 2第5层土:5-6mH5'=[∑γ4h4+∑q1+∑q1b1/(b1+2a1)+∑q1b1l1/((b1+2a1)(l1+2a1)]/γsati=[102.4+1.5+0+0]/22=4.723mP ak5上 =[γsat5H5'-γw(∑h4-h a)]K a5-2c5K a50.5+γw(∑h4-h a)=[22×4.723-10×(5-0.7)]×0.361-2×3×0.3610.5+10×(5-0.7)=61.382kN/m 2P ak5下 =[γsat5(H5'+h5)-γw(∑h4-h a)]K a5-2c5K a50.5+γw(∑h4-h a)=[22×(4.723+1)-10×(6-0.7)]×0.361-2×3×0.3610.5+10×(6-0.7)=75.714kN/m 2第6层土:6-13mH6'=[∑γ5h5+∑q1+∑q1b1l1/((b1+2a1)(l1+2a1)]/γsati=[124.4+1.5+0]/22=5.723mP ak6上 =[γsat6H6'-γw(∑h5-h a)]K a6-2c6K a60.5+γw(∑h5-h a)=[22×5.723-10×(6-0.7)]×0.361-2×3×0.3610.5+10×(6-0.7)=75.714kN/m 2P ak6下 =[γsat6(H6'+h6)-γw(∑h5-h a)]K a6-2c6K a60.5+γw(∑h5-h a)=[22×(5.723+7)-10×(13-0.7)]×0.361-2×3×0.3610.5+10×(13-0.7)=176.038kN/m 2 3)水平荷载临界深度:Z0=P ak1下h1/(P ak1上+ P ak1下)=4.106×0.7/(2.068+4.106)=0.466m;第1层土E ak1=0.5P ak1下Z0b a=0.5×4.106×0.466×0.001=0.001kN;a a1=Z0/3+∑h2=0.466/3+12.3=12.455m;第2层土E ak2=h2(P a2上+P a2下)b a/2=1.3×(4.109+23.479)×0.001/2=0.018kN;a a2=h2(2P a2上+P a2下)/(3P a2上+3P a2下)+∑h3=1.3×(2×4.109+23.479)/(3×4.109+3×23.479)+11=11.498m;第3层土E ak3=h3(P a3上+P a3下)b a/2=1.1×(23.479+39.869)×0.001/2=0.035kN;a a3=h3(2P a3上+P a3下)/(3P a3上+3P a3下)+∑h4=1.1×(2×23.479+39.869)/(3×23.479+3×39.869)+9.9=10.403m;第4层土E ak4=h4(P a4上+P a4下)b a/2=1.9×(34.151+61.382)×0.001/2=0.091kN;a a4=h4(2P a4上+P a4下)/(3P a4上+3P a4下)+∑h5=1.9×(2×34.151+61.382)/(3×34.151+3×61.382)+8=8.86m;第5层土E ak5=h5(P a5上+P a5下)b a/2=1×(61.382+75.714)×0.001/2=0.069kN;a a5=h5(2P a5上+P a5下)/(3P a5上+3P a5下)+∑h6=1×(2×61.382+75.714)/(3×61.382+3×75.714)+7=7.483m;第6层土E ak6=h6(P a6上+P a6下)b a/2=7×(75.714+176.038)×0.001/2=0.881kN;a a6=h6(2P a6上+P a6下)/(3P a6上+3P a6下)=7×(2×75.714+176.038)/(3×75.714+3×176.038)=3.035m;土压力合力:E ak=ΣE aki=0.001+0.018+0.035+0.091+0.069+0.881=1.095kN;合力作用点:a a= Σ(a ai E aki)/E ak=(12.455×0.001+11.498×0.018+10.403×0.035+8.86×0.091+7.483×0.069+3.035×0.881)/1.095=4.183m;2、被动土压力计算1)被动土压力系数K p1=tan2(45°+ φ1/2)= tan2(45+28/2)=2.77;K p2=tan2(45°+ φ2/2)= tan2(45+28/2)=2.77;2)土压力、地下水产生的水平荷载第1层土:4.5-11.3mH1'=[∑γ0h0]/γi=[0]/18.5=0mP pk1上 =γ1H1'K p1+2c1K p10.5=18.5×0×2.77+2×3×2.770.5=9.986kN/m2P pk1下 =γ1(h1+H1')K p1+2c1K p10.5=18.5×(6.8+0)×2.77+2×3×2.770.5=358.452kN/m2第2层土:11.3-13mH2'=[∑γ1h1]/γsati=[125.8]/22=5.718mP pk2上 =[γsat2H2'-γw(∑h1-h p)]K p2+2c2K p20.5+γw(∑h1-h p)=[22×5.718-10×(6.8-6.8)]×2.77+2×3×2.770.5+10×(6.8-6.8)=358.441kN/m 2P pk2下 =[γsat2(H2'+h2)-γw(∑h1-h p)]K p2+2c2K p20.5+γw(∑h1-h p)=[22×(5.718+1.7)-10×(8.5-6.8)]×2.77+2×3×2.770.5+10×(8.5-6.8)=431.949kN/m 23)水平荷载第1层土E pk1=b a h1(P p1上+P p1下)/2=0.001×6.8×(9.986+358.452)/2=1.253kN;a p1=h1(2P p1上+P p1下)/(3P p1上+3P p1下)+∑h2=6.8×(2×9.986+358.452)/(3×9.986+3×358.452)+1.7=4.028m;第2层土E pk2=b a h2(P p2上+P p2下)/2=0.001×1.7×(358.441+431.949)/2=0.672kN;a p2=h2(2P p2上+P p2下)/(3P p2上+3P p2下)=1.7×(2×358.441+431.949)/(3×358.441+3×431.949)=0.824m;土压力合力:E pk=ΣE pki=1.253+0.672=1.925kN;合力作用点:a p= Σ(a pi E pki)/E pk=(4.028×1.253+0.824×0.672)/1.925=2.91m;3、基坑内侧土反力计算1)主动土压力系数K a1=tan2(45°-φ1/2)= tan2(45-28/2)=0.361;K a2=tan2(45°-φ2/2)= tan2(45-28/2)=0.361;2)土压力、地下水产生的水平荷载第1层土:4.5-11.3mH1'=[∑γ0h0]/γi=[0]/18.5=0mP sk1上 =(0.2φ12-φ1+c1)∑h0(1-∑h0/l d)υ/υb+γ1H1'K a1=(0.2×282-28+3)×0×(1-0/8.5)×0.005/0.01+18.5×0×0.361=0kN/m2P sk1下 =(0.2φ12-φ1+c1)∑h1(1-∑h1/l d)υ/υb+γ1(h1+H1')K a1=(0.2×282-28+3)×6.8×(1-6.8/8.5)×0.005/0.01+18.5×(0+6.8)×0.361=135.038kN/m2第2层土:11.3-13mH2'=[∑γ1h1]/γsati=[125.8]/22=5.718mP sk2上 =(0.2φ22-φ2+c2)∑h1(1-∑h1/l d)υ/υb+[γsat2H2'-γw(∑h1-h p)]K p2+γ2-28+3)×6.8×(1-6.8/8.5)×5/10+[22×5.718-10×w(∑h1-h p)=(0.2×28(6.8-6.8)]×0.361+10×(6.8-6.8)=135.036kN/m 2P sk2下 =(0.2φ22-φ2+c2)∑h2(1-∑h2/l d)υ/υb+[γsat2(H2'+h2)-γw(∑h2-h p)]K p2+γw(∑h2-h p)=(0.2×282-28+3)×8.5×(1-8.5/8.5)×5/10+[22×(5.718+1.7)-10×(8.5-6.8)]×0.361+10×(8.5-6.8)=69.777kN/m 23)水平荷载第1层土P sk1=b0h1(P s1上+P s1下)/2=0.001×6.8×(0+135.038)/2=0.459kN;a s1=h1(2P s1上+P s1下)/(3P s1上+3P s1下)+∑h2=6.8×(2×0+135.038)/(3×0+3×135.038)+1.7=3.967m;第2层土P sk2=b0h2(P s2上+P s2下)/2=0.001×1.7×(135.036+69.777)/2=0.174kN;a s2=h2(2P s2上+P s2下)/(3P s2上+3P s2下)=1.7×(2×135.036+69.777)/(3×135.036+3×69.777)=0.94m;土压力合力:P pk=ΣP pki=0.459+0.174=0.633kN;合力作用点:a s= Σ(a si P ski)/P pk=(3.967×0.459+0.94×0.174)/0.633=3.135m;P sk=0.633kN≤E p=1.925kN满足要求!三、稳定性验算1、嵌固稳定性验算E pk a pl/(E ak a al)=1.925×2.91/(1.095×4.183)=1.223≥K e=1.2满足要求!2、整体滑动稳定性验算圆弧滑动条分法示意图K si =∑{c j l j+[(q j b j+ΔG j)cosθj-μj l j]tanφj}/∑(q j b j+ΔG j)sinθc j、φj──第j土条滑弧面处土的粘聚力(kPa)、内摩擦角(°);b j──第j土条的宽度(m);θj──第j土条滑弧面中点处的法线与垂直面的夹角(°);l j──第j土条的滑弧段长度(m),取l j=b j/cosθj;q j──作用在第j土条上的附加分布荷载标准值(kPa) ;ΔG j──第j土条的自重(kN),按天然重度计算;u j──第j土条在滑弧面上的孔隙水压力(kPa),采用落底式截水帷幕时,对地下水位以下的砂土、碎石土、粉土,在基坑外侧,可取u j=γw h waj,在基坑内侧,可取u j=γw h wpj;滑弧面在地下水位以上或对地下水位以下的粘性土,取u j=0;γw──地下水重度(kN/m3);h waj──基坑外侧第j土条滑弧面中点的压力水头(m);h wpj──基坑内侧第j土条滑弧面中点的压力水头(m);min{ K s1,K s2,……,K si,……}=-0.389< K s=1.25不满足要求,增加支挡构件的嵌固深度或选用其它支挡形式!3、渗透稳定性验算渗透稳定性简图匀质含水层中,地下水渗流的稳定性验算:∑γ'=∑(γsati-γw)h i/H=[(18-10)×0.7+(18-10)×2.4+(22-10)×1.4]/4.5=9.244(2l d+0.8D1)∑γ` /(Δh γw) =(2×8.5+0.8×0.5)×9.244/(5×10)=3.217 (2l d+0.8D1 )∑γ` /(Δh γw) =3.217≥K f=1.4满足要求!四、结构计算1、材料参数钢桩类型钢板钢桩型号400×170×15.5 钢材的惯性矩I(cm4) 4670 钢材的截面抵抗矩W(cm3) 362钢材的弹性模量E(N/mm2) 20600 钢材的抗弯强度设计值f(N/mm2) 205钢材的抗剪强度设计值τ(N/mm2) 125 材料截面塑性发展系数γ 1.052、支护桩的受力简图计算简图弯矩图(kN·m)M k=2.591kN.m剪力图(kN)V k=0.64kN3、强度设计值确定M=γ0γF M k=0.9×0.9×2.591=2.099kN·mV=γ0γF V k=0.9×0.9×0.64=0.518kN4、材料的强度计算σmax=M/(γW)=2.099×106/(1.05×362×103)=5.522N/mm2≤[f]=205N/mm2 满足要求!H`=(WH2-(H-t)2(W-2t))/(2(WH-(H-t)(W-2t))=(400×1702-(170-15.5)2(400-2×15.5))/(2(400×170-(170-15.5)(400-2×15.5))=125mmS=t(H-H`)2=15.5×(170-125)2=31388mm3,τmax=VS/It=0.518×31388×103/(4670×104×15.5)=0.022N/mm2≤[f]=125N/mm2满足要求!结论和建议:1.不满足要求,增加支挡构件的嵌固深度或选用其它支挡形式!。
基坑开挖深度h=5.0m, 土层重度为γ=193/m kN ,内摩擦角ψ=25 ,粘聚力c=30kPa,地面超载 q =20 kPa 。
悬臂式排桩支护,桩的最小长度和最大弯矩,及桩的配筋计算如下:沿支护墙长度方向取1延米进行计算,则有:主动土压力系数:a K =tan 2(45-225)=0.0998被动土压力系数:p K =tan 2(45+225)=1.5697基坑开挖底面处土压力强度:a e =( q +rh )a K -2c a K =30.43172/m kN土压力零点距开挖面的距离u=[( q +rh )a K -2c(a K +p K )]/γ(a K -p K )= -2.6m开挖面以上桩后侧地面超载引起的侧压力1a E = q h a K =9.98kN其作用点距地面的距离1a h =0.5h=2.5m开挖面以上桩后侧主动土压力2a E 为2a E =0.5γh 2a K -2ch a K +2c 2/γ=23.6693kN作用点距地面2a h2a h =23(h-aK cr 2)= -3.33m桩后侧开挖面至土压力零点净土压力3a E 为3a E =21a e u 2=102.859kN 其作用点距地面的距离3a h 为3a h =h+31u=4.1333m土压力合力E 为:E=1a E +2a E +3a E =136.5083kNE 的作用点距地面距离:a h =(1a E 1a h +2a E 2a h +3a E 3a h )/E=2.7198mt 3- 6E/γ(p K -a K )t+6(h+u-a h )E/γ(p K -a K )=0t 3- 29.327t+9.3788=0解得t=5.25m所以桩的长度最小为9.225m最大弯矩:M=(5-2.6+3.1266)136.5083-142.267=240.883mkN考虑安全系数2,得最大弯矩为481.766m kN桩距1.2m 一根,所以作用在单根桩上的最大弯矩为578.119mkN578.119m kN <=32α1c f A γ(3sin Πα/Π)+y f S A γS(sin Πα+sin Παt )/Π1.2144+128.98S A =578.119S A =4482.23mm 2。
悬臂支护结构设计计算书计算依据:1、《建筑基坑支护技术规程》JGJ120-20122、《建筑施工计算手册》江正荣编著3、《实用土木工程手册》第三版杨文渊编著4、《施工现场设施安全设计计算手册》谢建民编著5、《土力学与地基基础》一、参数信息1、基本参数支护桩材料钢桩支护桩间距ba(m) 0.001 支护桩嵌入土深度l d(m) 8.5 基坑开挖深度h(m) 4.5 基坑外侧水位深度h a(m) 0.7 基坑内侧水位深度h p(m) 6.8支护桩在坑底处的水平位移量υ(mm) 5 地下水位面至坑底的土层厚度D1(m) 0.5 基坑内外的水头差△h(m) 52、土层参数土层类型土厚度h(m) 土重度γ(kN/m3)粘聚力c(kPa) 内摩擦角φ(°)饱和土重度γsat(kN/m3)水土分算填土 3.1 18 2 20 20 是粉砂12.3 18.5 3 28 22 是粉砂 3.6 21 6 5 22 是3、荷载参数类型荷载q(kpa) 距支护边缘的水平距离a(m)垂直基坑边的分布宽度b(m)平行基坑边的分布长度l(m)作用深度d(m)满布荷载 1.5 / / / / 条形局部荷载0.75 2 0 / 0 矩形局部荷载0.75 3 3 2 24、计算系数结构重要性系数γ00.9 综合分项系数γF0.9 嵌固稳定安全系数K e 1.2 圆弧滑动稳定安全系数K s 1.25 流土稳定性安全系数K f 1.4二、土压力计算土压力分布示意图附加荷载布置图 1、主动土压力计算1)主动土压力系数Ka1=tan2(45°- φ1/2)= tan2(45-20/2)=0.49;Ka2=tan2(45°- φ2/2)= tan2(45-20/2)=0.49;Ka3=tan2(45°- φ3/2)= tan2(45-20/2)=0.49;Ka4=tan2(45°- φ4/2)= tan2(45-28/2)=0.361;Ka5=tan2(45°- φ5/2)= tan2(45-28/2)=0.361;Ka6=tan2(45°- φ6/2)= tan2(45-28/2)=0.361;2)土压力、地下水产生的水平荷载第1层土:0-0.7mH1'=[∑γh+∑q1]/γi=[0+1.5]/18=0.083mPak1上 =γ1H1'Ka1-2c1Ka10.5=18×0.083×0.49-2×2×0.490.5=-2.068kN/m2Pak1下 =γ1(h1+H1')Ka1-2c1Ka10.5=18×(0.7+0.083)×0.49-2×2×0.490.5=4.106kN/m2第2层土:0.7-2mH2'=[∑γ1h1+∑q1]/γsati=[12.6+1.5]/20=0.705mPak2上 =[γsat2H2'-γw(∑h1-ha)]Ka2-2c2Ka20.5+γw(∑h1-ha)=[20×0.705-10×(0.7-0.7)]×0.49-2×2×0.490.5+10×(0.7-0.7)=4.109kN/m2Pak2下 =[γsat2(H2'+h2)-γw(∑h1-ha)]Ka2-2c2Ka20.5+γw(∑h1-ha)=[20×(0.705+1.3)-10×(2-0.7)]×0.49-2×2×0.490.5+10×(2-0.7)=23.479kN/m2第3层土:2-3.1mH3'=[∑γ2h2+∑q1+∑q1b1/(b1+2a1)]/γsati=[38.6+1.5+0]/20=2.005mPak3上 =[γsat3H3'-γw(∑h2-ha)]Ka3-2c3Ka30.5+γw(∑h2-ha)=[20×2.005-10×(2-0.7)]×0.49-2×2×0.490.5+10×(2-0.7)=23.479kN/m2Pak3下 =[γsat3(H3'+h3)-γw(∑h2-ha)]Ka3-2c3Ka30.5+γw(∑h2-ha)=[20×(2.005+1.1)-10×(3.1-0.7)]×0.49-2×2×0.490.5+10×(3.1-0.7)=39.869kN/m2第4层土:3.1-5mH4'=[∑γ3h3+∑q1+∑q1b1/(b1+2a1)]/γsati=[60.6+1.5+0]/22=2.823mPak4上 =[γsat4H4'-γw(∑h3-ha)]Ka4-2c4Ka40.5+γw(∑h3-ha)=[22×2.823-10×(3.1-0.7)]×0.361-2×3×0.3610.5+10×(3.1-0.7)=34.151kN/m2Pak4下 =[γsat4(H4'+h4)-γw(∑h3-ha)]Ka4-2c4Ka40.5+γw(∑h3-ha)=[22×(2.823+1.9)-10×(5-0.7)]×0.361-2×3×0.3610.5+10×(5-0.7)=61.382kN/m2第5层土:5-6mH5'=[∑γ4h4+∑q1+∑q1b1/(b1+2a1)+∑q1b1l1/((b1+2a1)(l1+2a1)]/γsati=[102.4+1.5+0+0]/22=4.723mPak5上 =[γsat5H5'-γw(∑h4-ha)]Ka5-2c5Ka50.5+γw(∑h4-ha)=[22×4.723-10×(5-0.7)]×0.361-2×3×0.3610.5+10×(5-0.7)=61.382kN/m2Pak5下 =[γsat5(H5'+h5)-γw(∑h4-ha)]Ka5-2c5Ka50.5+γw(∑h4-ha)=[22×(4.723+1)-10×(6-0.7)]×0.361-2×3×0.3610.5+10×(6-0.7)=75.714kN/m2第6层土:6-13mH6'=[∑γ5h5+∑q1+∑q1b1l1/((b1+2a1)(l1+2a1)]/γsati=[124.4+1.5+0]/22=5.723mPak6上 =[γsat6H6'-γw(∑h5-ha)]Ka6-2c6Ka60.5+γw(∑h5-ha)=[22×5.723-10×(6-0.7)]×0.361-2×3×0.3610.5+10×(6-0.7)=75.714kN/m2Pak6下 =[γsat6(H6'+h6)-γw(∑h5-ha)]Ka6-2c6Ka60.5+γw(∑h5-ha)=[22×(5.723+7)-10×(13-0.7)]×0.361-2×3×0.3610.5+10×(13-0.7)=176.038kN/m2 3)水平荷载临界深度:Z0=Pak1下h1/(Pak1上+ Pak1下)=4.106×0.7/(2.068+4.106)=0.466m;第1层土Eak1=0.5Pak1下Zba=0.5×4.106×0.466×0.001=0.001kN;aa1=Z/3+∑h2=0.466/3+12.3=12.455m;第2层土Eak2=h2(Pa2上+Pa2下)ba/2=1.3×(4.109+23.479)×0.001/2=0.018kN;aa2=h2(2Pa2上+Pa2下)/(3Pa2上+3Pa2下)+∑h3=1.3×(2×4.109+23.479)/(3×4.109+3×23.479)+11=11.498m;第3层土Eak3=h3(Pa3上+Pa3下)ba/2=1.1×(23.479+39.869)×0.001/2=0.035kN;aa3=h3(2Pa3上+Pa3下)/(3Pa3上+3Pa3下)+∑h4=1.1×(2×23.479+39.869)/(3×23.479+3×39.869)+9.9=10.403m;第4层土Eak4=h4(Pa4上+Pa4下)ba/2=1.9×(34.151+61.382)×0.001/2=0.091kN;aa4=h4(2Pa4上+Pa4下)/(3Pa4上+3Pa4下)+∑h5=1.9×(2×34.151+61.382)/(3×34.151+3×61.382)+8=8.86m;第5层土Eak5=h5(Pa5上+Pa5下)ba/2=1×(61.382+75.714)×0.001/2=0.069kN;aa5=h5(2Pa5上+Pa5下)/(3Pa5上+3Pa5下)+∑h6=1×(2×61.382+75.714)/(3×61.382+3×75.714)+7=7.483m;第6层土Eak6=h6(Pa6上+Pa6下)ba/2=7×(75.714+176.038)×0.001/2=0.881kN;aa6=h6(2Pa6上+Pa6下)/(3Pa6上+3Pa6下)=7×(2×75.714+176.038)/(3×75.714+3×176.038)=3.035m;土压力合力:Eak =ΣEaki=0.001+0.018+0.035+0.091+0.069+0.881=1.095kN;合力作用点:aa = Σ(aaiEaki)/Eak=(12.455×0.001+11.498×0.018+10.403×0.035+8.86×0.091+7.483×0.069+3.035×0.881)/1.095=4.183m;2、被动土压力计算1)被动土压力系数Kp1=tan2(45°+ φ1/2)= tan2(45+28/2)=2.77;Kp2=tan2(45°+ φ2/2)= tan2(45+28/2)=2.77;2)土压力、地下水产生的水平荷载第1层土:4.5-11.3mH1'=[∑γh]/γi=[0]/18.5=0mPpk1上 =γ1H1'Kp1+2c1Kp10.5=18.5×0×2.77+2×3×2.770.5=9.986kN/m2Ppk1下 =γ1(h1+H1')Kp1+2c1Kp10.5=18.5×(6.8+0)×2.77+2×3×2.770.5=358.452kN/m2第2层土:11.3-13mH2'=[∑γ1h1]/γsati=[125.8]/22=5.718mPpk2上 =[γsat2H2'-γw(∑h1-hp)]Kp2+2c2Kp20.5+γw(∑h1-hp)=[22×5.718-10×(6.8-6.8)]×2.77+2×3×2.770.5+10×(6.8-6.8)=358.441kN/m2Ppk2下 =[γsat2(H2'+h2)-γw(∑h1-hp)]Kp2+2c2Kp20.5+γw(∑h1-hp)=[22×(5.718+1.7)-10×(8.5-6.8)]×2.77+2×3×2.770.5+10×(8.5-6.8)=431.949kN/m23)水平荷载第1层土Epk1=bah1(Pp1上+Pp1下)/2=0.001×6.8×(9.986+358.452)/2=1.253kN;ap1=h1(2Pp1上+Pp1下)/(3Pp1上+3Pp1下)+∑h2=6.8×(2×9.986+358.452)/(3×9.986+3×358.452)+1.7=4.028m;第2层土Epk2=bah2(Pp2上+Pp2下)/2=0.001×1.7×(358.441+431.949)/2=0.672kN;ap2=h2(2Pp2上+Pp2下)/(3Pp2上+3Pp2下)=1.7×(2×358.441+431.949)/(3×358.441+3×431.949)=0.824m;土压力合力:Epk =ΣEpki=1.253+0.672=1.925kN;合力作用点:ap = Σ(apiEpki)/Epk=(4.028×1.253+0.824×0.672)/1.925=2.91m;3、基坑内侧土反力计算 1)主动土压力系数Ka1=tan2(45°-φ1/2)= tan2(45-28/2)=0.361;Ka2=tan2(45°-φ2/2)= tan2(45-28/2)=0.361;2)土压力、地下水产生的水平荷载第1层土:4.5-11.3mH1'=[∑γh]/γi=[0]/18.5=0mPsk1上 =(0.2φ12-φ1+c1)∑h(1-∑h/ld)υ/υb+γ1H1'Ka1=(0.2×282-28+3)×0×(1-0/8.5)×0.005/0.01+18.5×0×0.361=0kN/m2Psk1下 =(0.2φ12-φ1+c1)∑h1(1-∑h1/ld)υ/υb+γ1(h1+H1')Ka1=(0.2×282-28+3)×6.8×(1-6.8/8.5)×0.005/0.01+18.5×(0+6.8)×0.361=135.038kN/m2第2层土:11.3-13mH2'=[∑γ1h1]/γsati=[125.8]/22=5.718mPsk2上 =(0.2φ22-φ2+c2)∑h1(1-∑h1/ld)υ/υb+[γsat2H2'-γw(∑h1-hp)]Kp2+γw (∑h1-hp)=(0.2×282-28+3)×6.8×(1-6.8/8.5)×5/10+[22×5.718-10×(6.8-6.8)]×0.361+10×(6.8-6.8)=135.036kN/m2Psk2下 =(0.2φ22-φ2+c2)∑h2(1-∑h2/ld)υ/υb+[γsat2(H2'+h2)-γw(∑h 2-hp)]Kp2+γw(∑h2-hp)=(0.2×282-28+3)×8.5×(1-8.5/8.5)×5/10+[22×(5.718+1.7)-10×(8.5-6.8)]×0.361+10×(8.5-6.8)=69.777kN/m2 3)水平荷载第1层土Psk1=bh1(Ps1上+Ps1下)/2=0.001×6.8×(0+135.038)/2=0.459kN;as1=h1(2Ps1上+Ps1下)/(3Ps1上+3Ps1下)+∑h2=6.8×(2×0+135.038)/(3×0+3×135.038)+1.7=3.967m;第2层土Psk2=bh2(Ps2上+Ps2下)/2=0.001×1.7×(135.036+69.777)/2=0.174kN;as2=h2(2Ps2上+Ps2下)/(3Ps2上+3Ps2下)=1.7×(2×135.036+69.777)/(3×135.036+3×69.777)=0.94m;土压力合力:Ppk =ΣPpki=0.459+0.174=0.633kN;合力作用点:as = Σ(asiPski)/Ppk=(3.967×0.459+0.94×0.174)/0.633=3.135m;Psk =0.633kN≤Ep=1.925kN满足要求!三、稳定性验算1、嵌固稳定性验算Epk apl/(Eakaal)=1.925×2.91/(1.095×4.183)=1.223≥Ke=1.2满足要求!2、整体滑动稳定性验算圆弧滑动条分法示意图Ksi =∑{cjlj+[(qjbj+ΔGj)cosθj-μjlj]tanφj}/∑(qjbj+ΔGj)sinθcj 、φj──第j土条滑弧面处土的粘聚力(kPa)、内摩擦角(°);bj──第j土条的宽度(m);θj──第j土条滑弧面中点处的法线与垂直面的夹角(°);lj ──第j土条的滑弧段长度(m),取lj=bj/cosθj;qj──作用在第j土条上的附加分布荷载标准值(kPa) ;ΔGj──第j土条的自重(kN),按天然重度计算;uj──第j土条在滑弧面上的孔隙水压力(kPa),采用落底式截水帷幕时,对地下水位以下的砂土、碎石土、粉土,在基坑外侧,可取uj =γwhwaj,在基坑内侧,可取uj =γwhwpj;滑弧面在地下水位以上或对地下水位以下的粘性土,取uj=0;γw──地下水重度(kN/m3);hwaj──基坑外侧第j土条滑弧面中点的压力水头(m);hwpj──基坑内侧第j土条滑弧面中点的压力水头(m);min{ Ks1,Ks2,……,Ksi,……}=-0.389< Ks=1.25不满足要求,增加支挡构件的嵌固深度或选用其它支挡形式!3、渗透稳定性验算渗透稳定性简图匀质含水层中,地下水渗流的稳定性验算:∑γ'=∑(γsati -γw)hi/H=[(18-10)×0.7+(18-10)×2.4+(22-10)×1.4]/4.5=9.244(2ld +0.8D1)∑γ` /(Δh γw) =(2×8.5+0.8×0.5)×9.244/(5×10)=3.217(2ld +0.8D1)∑γ` /(Δh γw) =3.217≥Kf=1.4满足要求!四、结构计算1、材料参数钢桩类型钢板钢桩型号400×170×15.5 钢材的惯性矩I(cm4) 4670 钢材的截面抵抗矩W(cm3) 362钢材的弹性模量E(N/mm2) 20600 钢材的抗弯强度设计值f(N/mm2) 205钢材的抗剪强度设计值τ(N/mm2) 125 材料截面塑性发展系数γ 1.052、支护桩的受力简图计算简图弯矩图(kN·m)Mk=2.591kN.m剪力图(kN)Vk=0.64kN3、强度设计值确定M=γ0γFMk=0.9×0.9×2.591=2.099kN·mV=γ0γFVk=0.9×0.9×0.64=0.518kN4、材料的强度计算σmax=M/(γW)=2.099×106/(1.05×362×103)=5.522N/mm2≤[f]=205N/mm2 满足要求!H`=(WH2-(H-t)2(W-2t))/(2(WH-(H-t)(W-2t))=(400×1702-(170-15.5)2(400-2×15.5))/(2(400×170-(170-15.5)(400-2×15.5))=125mmS=t(H-H`)2=15.5×(170-125)2=31388mm3,τ=VS/It=0.518×31388×103/(4670×104×15.5)=0.022N/mm2≤max[f]=125N/mm2满足要求!结论和建议:1.不满足要求,增加支挡构件的嵌固深度或选用其它支挡形式!。
悬臂式排桩支护的计算首先,悬臂式排桩支护的计算需要考虑以下几个要素:施工荷载、土壤力学参数、桩材质及受力状况、抗弯能力、刚度分析等。
1.施工荷载:施工过程中,排桩支护需要承受土壤压力、地下水压力、施工机械力等荷载。
根据施工荷载的大小和分布,可以计算出排桩支护的总荷载。
2.土壤力学参数:土壤力学参数是进行排桩支护计算的重要依据。
通过对工程现场进行土壤试验,测定土壤的强度参数、压缩性参数等,并进行土壤分类。
3.桩材质及受力状况:悬臂式排桩支护通常选择钢筋混凝土桩作为支护材料。
根据桩的受力状态,分析桩的截面特性,计算桩的抗弯能力和抗剪能力。
4.抗弯能力:排桩支护的抗弯能力是支护结构稳定的重要因素。
根据桩的截面尺寸和钢筋配筋,通过弹塑性分析或有限元分析,计算桩的弯矩和应力。
5.刚度分析:悬臂式排桩支护的刚度分析是为了确定桩与桩之间的相互作用和桩与土壤之间的相互作用。
通过刚度分析,可以计算出支撑系统的刚度矩阵和位移矩阵,确定主动桩和被动桩的受力情况。
6.桩身稳定性:悬臂式排桩支护的桩身稳定性是影响支护效果的关键因素。
根据施工荷载、土壤条件、桩的截面尺寸等参数,计算桩的稳定性,包括桩身的抗倾覆稳定性和侧推稳定性。
综合以上要素,可以进行悬臂式排桩支护的计算。
根据工程的实际情况和需求,可以分析桩的布置形式、桩的数量、桩的直径和间距,以及桩顶和桩底的刚度特征等。
通过理论计算和数值仿真,可以得到排桩支护的稳定性和安全性评估。
需要注意的是,悬臂式排桩支护的计算是一个复杂的过程,需要考虑众多的参数和因素。
因此,在进行计算前,需要综合考虑工程的实际情况和参数的精确性,进行合理的假设和边界条件确定。
悬臂式排桩支护的计算是地下工程设计中的重要环节,合理的设计能够确保施工的安全和高效。
通过科学的计算方法和有效的分析手段,可以得到合理的支护方案,提高施工的质量和效益。
因此,对于工程设计人员和施工人员来说,掌握悬臂式排桩支护计算的方法和技巧,具有重要的意义。
悬臂支护结构设计计算书计算依据:1、《建筑基坑支护技术规程》JGJ120-20122、《建筑施工计算手册》江正荣编著3、《实用土木工程手册》第三版杨文渊编著4、《施工现场设施安全设计计算手册》谢建民编著5、《土力学与地基基础》一、参数信息1、基本参数2、土层参数3、计算系数二、土压力计算土压力分布示意图1、主动土压力计算1)主动土压力系数K a1=tan2(45°- φ1/2)= tan2(45-11/2)=0.68;K a2=tan2(45°- φ2/2)= tan2(45-24/2)=0.422;K a3=tan2(45°- φ3/2)= tan2(45-24/2)=0.422;2)土压力、地下水产生的水平荷载第1层土:0-2mH1'=[∑γ0h0]/γi=[0]/18=0mP ak1上=γ1H1'K a1-2c1K a10.5=18×0×0.68-2×15×0.680.5=-24.739kN/m2P ak1下=γ1(h1+H1')K a1-2c1K a10.5=18×(2+0)×0.68-2×15×0.680.5=-0.259kN/m2 第2层土:2-2.5mH2'=[∑γ1h1]/γi=[36]/18.5=1.946mP ak2上=γ2H2'K a2-2c2K a20.5=18.5×1.946×0.422-2×19×0.4220.5=-9.493kN/m2P ak2下=γ2(h2+H2')K a2-2c2K a20.5=18.5×(0.5+1.946)×0.422-2×19×0.4220.5=-5.589kN/m2 第3层土:2.5-6mH3'=[∑γ2h2]/γsati=[45.25]/20=2.263mP ak3上=γsat3H3'K a3-2c3K a30.5=20×2.263×0.422-2×19×0.4220.5=-5.586kN/m2P ak3下=γsat3(h3+H3')K a3-2c3K a30.5=20×(3.5+2.263)×0.422-2×19×0.4220.5=23.954kN/m2 3)水平荷载临界深度:Z0=P ak3下h3/(P ak3上+ P ak3下)=23.954×3.5/(5.586+23.954)=2.838m;第1层土E ak1=0kN;第2层土E ak2=0kN;第3层土E ak3=0.5P ak3下Z0b a=0.5×23.954×2.838×0.6=20.394kN;a a3=Z0/3=2.838/3=0.946m;土压力合力:E ak=ΣE aki=0+0+20.394=20.394kN;合力作用点:a a= Σ(a ai E aki)/E ak=(0×0+0×0+0.946×20.394)/20.394=0.946m;2、被动土压力计算1)被动土压力系数K p1=tan2(45°+ φ1/2)= tan2(45+24/2)=2.371;K p2=tan2(45°+ φ2/2)= tan2(45+24/2)=2.371;2)土压力、地下水产生的水平荷载第1层土:3-3.5mH1'=[∑γ0h0]/γi=[0]/18.5=0mP pk1上=γ1H1'K p1+2c1K p10.5=18.5×0×2.371+2×19×2.3710.5=58.513kN/m2P pk1下=γ1(h1+H1')K p1+2c1K p10.5=18.5×(0.5+0)×2.371+2×19×2.3710.5=80.444kN/m2 第2层土:3.5-6mH2'=[∑γ1h1]/γsati=[9.25]/20=0.463mP pk2上=γsat2H2'K p2+2c2K p20.5=20×0.463×2.371+2×19×2.3710.5=80.468kN/m2P pk2下=γsat2(h2+H2')K p2+2c2K p20.5=20×(2.5+0.463)×2.371+2×19×2.3710.5=199.018kN/m2 3)水平荷载第1层土E pk1=b a h1(P p1上+P p1下)/2=0.6×0.5×(58.513+80.444)/2=20.844kN;a p1=h1(2P p1上+P p1下)/(3P p1上+3P p1下)+∑h2=0.5×(2×58.513+80.444)/(3×58.513+3×80.444) +2.5=2.737m;第2层土E pk2=b a h2(P p2上+P p2下)/2=0.6×2.5×(80.468+199.018)/2=209.614kN;a p2=h2(2P p2上+P p2下)/(3P p2上+3P p2下)=2.5×(2×80.468+199.018)/(3×80.468+3×199.018)=1. 073m;土压力合力:E pk=ΣE pki=20.844+209.614=230.458kN;合力作用点:a p= Σ(a pi E pki)/E pk=(2.737×20.844+1.073×209.614)/230.458=1.224m;3、基坑内侧土反力计算1)主动土压力系数K a1=tan2(45°-φ1/2)= tan2(45-24/2)=0.422;K a2=tan2(45°-φ2/2)= tan2(45-24/2)=0.422;2)土压力、地下水产生的水平荷载第1层土:3-3.5mH1'=[∑γ0h0]/γi=[0]/18.5=0mP sk1上=(0.2φ12-φ1+c1)∑h0(1-∑h0/l d)υ/υb+γ1H1'K a1=(0.2×242-24+19)×0×(1-0/3)×0.01/0.01+18.5×0×0.422=0kN/m2P sk1下=(0.2φ12-φ1+c1)∑h1(1-∑h1/l d)υ/υb+γ1(h1+H1')K a1=(0.2×242-24+19)×0.5×(1-0.5/3)×0.01/0. 01+18.5×(0+0.5)×0.422=49.82kN/m2第2层土:3.5-6mH2'=[∑γ1h1]/γsati=[9.25]/20=0.463mP sk2上=(0.2φ22-φ2+c2)∑h1(1-∑h1/l d)υ/υb+γsat2H2'K a2=(0.2×242-24+19)×0.5×(1-0.5/3)×0.01/0.01 +20×0.463×0.422=49.824kN/m2P sk2下=(0.2φ22-φ2+c2)∑h2(1-∑h2/l d)υ/υb+γsat2(h2+H2')K a2=(0.2×242-24+19)×3×(1-3/3)×0.01/0.0 1+20×(0.463+2.5)×0.422=25.008kN/m23)水平荷载第1层土P sk1=b0h1(P s1上+P s1下)/2=0.6×0.5×(0+49.82)/2=7.473kN;a s1=h1(2P s1上+P s1下)/(3P s1上+3P s1下)+∑h2=0.5×(2×0+49.82)/(3×0+3×49.82)+2.5=2.667m ;第2层土P sk2=b0h2(P s2上+P s2下)/2=0.6×2.5×(49.824+25.008)/2=56.124kN;a s2=h2(2P s2上+P s2下)/(3P s2上+3P s2下)=2.5×(2×49.824+25.008)/(3×49.824+3×25.008)=1.38 8m;土压力合力:P pk=ΣP pki=7.473+56.124=63.597kN;合力作用点:a s= Σ(a si P ski)/P pk=(2.667×7.473+1.388×56.124)/63.597=1.538m;P sk=63.597kN≤E p=230.458kN满足要求!三、稳定性验算1、嵌固稳定性验算E pk a pl/(E ak a al)=230.458×1.224/(20.394×0.946)=14.621≥K e=1.2满足要求!2、整体滑动稳定性验算圆弧滑动条分法示意图K si=∑{c j l j+[(q j b j+ΔG j)cosθj-μj l j]tanφj}/∑(q j b j+ΔG j)sinθc j、φj──第j土条滑弧面处土的粘聚力(kPa)、内摩擦角(°);b j──第j土条的宽度(m);θj──第j土条滑弧面中点处的法线与垂直面的夹角(°);l j──第j土条的滑弧段长度(m),取l j=b j/cosθj;q j──作用在第j土条上的附加分布荷载标准值(kPa) ;ΔG j──第j土条的自重(kN),按天然重度计算;u j──第j土条在滑弧面上的孔隙水压力(kPa),采用落底式截水帷幕时,对地下水位以下的砂土、碎石土、粉土,在基坑外侧,可取u j=γw h waj,在基坑内侧,可取u j=γw h wpj;滑弧面在地下水位以上或对地下水位以下的粘性土,取u j=0;γw──地下水重度(kN/m3);h waj──基坑外侧第j土条滑弧面中点的压力水头(m);h wpj──基坑内侧第j土条滑弧面中点的压力水头(m);min{ K s1,K s2,……,K si,……}=2.186≥K s=1.3满足要求!四、结构计算1、材料参数钢桩类型钢板钢桩型号600×210×18 钢材的惯性矩I(cm4) 8630 钢材的截面抵抗矩W(cm3) 539钢材的弹性模量E(N/mm2) 206000 钢材的抗弯强度设计值f(N/mm2) 205钢材的抗剪强度设计值τ(N/mm2) 125 材料截面塑性发展系数γ 1.052、支护桩的受力简图计算简图弯矩图(kN·m)M k=77.592kN.m剪力图(kN)V k=63.59kN3、强度设计值确定M=γ0γF M k=1×1.25×77.592=96.99kN·mV=γ0γF V k=1×1.25×63.59=79.488kN4、材料的强度计算σmax=M/(γW)=96.99×106/(1.05×539×103)=171.376N/mm2≤[f]=205N/mm2满足要求!H`=(WH2-(H-t)2(W-2t))/(2(WH-(H-t)(W-2t))=(600×2102-(210-18)2(600-2×18))/(2(600×210-(210-18)(600-2×18))=160mmS=t(H-H`)2=18×(210-160)2=45000mm3,τmax=VS/It=79.488×45000×103/(8630×104×18)=2.303N/mm2≤[f]=125N/mm2 满足要求!。
入土深度计算-复件一:悬臂式排桩支护的计算土压力零点距坑底的距离u=(q+rh)*k?/r*(kp-k?)=(e q+e?)/r(k p-k?)对桩底C点取矩,则有ΣP(l+x-a)-Ep*x/3=0Ep=r*(k p-k?)x^2/2化简后得X^3-6ΣP*X/r(k p-k?)-6ΣP(l-a)/r(k p-k?)=0l=h+u a----ΣP合力距地面距离ΣP.a=qk a h*h/2+(rhk a*h/2)*2h/3+((q+rh)*k?*u/2)*(h+u/3)ΣP=qk a h+rh^2*k a/2+(q+rh)*k?*u/2对基坑顶的力矩和令§=x/l m=6ΣP/r(k p-k a)l^2 n=6aΣP/r(k p-k a)l^3 式得§^3=m(§+1)-n 式中m及n确定后连一直线并延长即可求得§值。
同理由于x=§*l得出x值,可按下式得到桩的入土深度t=u+1.2x=u+1.2§*l2、求剪力为零处的Xm的值ΣP-Ep=0 即ΣP-r*(kp-k?)Xm^2/2=0X m^2=2 ΣP/r*(kp-k?)3、最大弯矩Mmax=ΣP.(l+X m-a)-r(k p-k a)X m^3/6二、单支点排桩支护的计算(等值梁法)R a=E a(h+u-a)/(h+u-h0)Q B=E a(a-h0)/(h+u-h0)a----主动土压力合力距坑顶的距离h0------单支点距坑顶的距离u-----土压力零点距坑底的距离由等值梁BG求算板桩的入土深度。
取ΣM G=0,则Q B x=[k p r(u+x)-rk a(h+u+x)]x^2/6X^2=6Q B/r(kp-k?)桩的最小入土深度t0=u+x如土质差时,应乘系数1.1~1.2,即t=(1.1~1.2)t0由等值梁求算最大弯矩 Mmax值三、多支点排桩支护的计算1、等弯矩布置计算这种布置是将支撑布置成使板桩各跨度的最大弯矩相等,且等于板桩的允许抵抗弯矩。