(完整版)排桩支护设计与计算
- 格式:doc
- 大小:655.51 KB
- 文档页数:13
支护结构计算之排桩与地下连续墙计算排桩是指在地基中按一定的排列规律竖向钻孔和灌入浇筑有强度的混凝土,形成一定的桩状体,以增加地基的承载力和稳定性的一种地基加固方式。
而地下连续墙是指沿地基深处连续围成一定的围护结构,从而达到增加地基的稳定性和承载力的作用。
下面我们就来详细介绍一下排桩和地下连续墙的计算方法。
一、排桩的计算方法:1.确定设计堆载荷和设计基本桩载荷:根据工程的荷载要求,计算地基所能承受的荷载大小。
2.计算单桩承载力和桩长:采用极限平衡法,以单桩为单位计算桩的承载力,得到单桩的承载力和桩长。
3.计算点桩的间距和排桩深度:根据桩的承载力和荷载大小,计算相邻桩之间的距离和排桩深度。
4.桩的排列形式:根据工程的具体要求和土层的情况,确定桩的排列形式和间距。
5.计算排桩的承载力:按排桩的排列形式和间距,采用图解法或计算法计算排桩的整体承载力。
二、地下连续墙的计算方法:1.墙的排列形式和尺寸:根据工程的具体要求和土层的情况,确定连续墙的排列形式和尺寸。
2.确定土的侧压力和角度:根据土的密度、倾斜角等参数,计算土的侧压力和侧压力的作用角度。
3.计算墙的承载力和刚性:根据连续墙的尺寸和挡土高度,计算墙的承载力和刚性。
4.计算墙板的厚度和加固措施:根据土的侧压力和墙的承载力,计算墙板的厚度和加固措施,提高墙的稳定性。
5.计算墙的受力状态:计算连续墙在工作状态下的受力状态,包括剪切力、弯曲力、轴力等受力。
通过以上的计算方法,可以得到排桩和地下连续墙的各项参数和设计要求。
在实际工程中,还需要根据具体情况进行一些调整和改进,以确保结构的稳定性和可靠性。
同时,需要进行孔隙水压力和土的变形等方面的计算,进一步确认结构的可行性和安全性。
总结起来,排桩和地下连续墙的计算方法是基于土力学和结构力学的理论基础上进行的。
通过合理的计算和设计,能够保证工程的稳定性和可靠性,提高地基的承载力和稳定性。
第二部分支护结构的设计计算一、AB段支护本设计标高皆为绝对标高(吴淞高程)。
自然地面标高为12.0m,基坑开挖面绝对标高以底板垫层底标高计为6.7m,基坑挖深为5.3m。
地下水位按稳定地下水位埋深0.5m考虑。
地面均布超载按20kPa考虑,道路超载按10kPa考虑。
基坑安全等级按“二级”考虑,重要性系数Υ0=1.0。
设计采用灌注桩进行支护。
----------------------------------------------------------------------[ 支护方案 ]----------------------------------------------------------------------排桩支护----------------------------------------------------------------------[ 基本信息 ]----------------------------------------------------------------------规范与规程《建筑基坑支护技术规程》 JGJ 120-2012内力计算方法增量法支护结构安全等级二级支护结构重要性系数γ0 1.00基坑深度H(m) 5.300嵌固深度(m)7.200桩顶标高(m)-1.000桩材料类型钢筋混凝土混凝土强度等级C30桩截面类型圆形└桩直径(m)0.800桩间距(m) 1.000有无冠梁无放坡级数1超载个数2支护结构上的水平集中力0----------------------------------------------------------------------[ 放坡信息 ]----------------------------------------------------------------------坡号台宽(m)坡高(m)坡度系数1 1.000 1.000 1.000----------------------------------------------------------------------[ 超载信息 ]----------------------------------------------------------------------超载类型超载值作用深度作用宽度距坑边距形式长度序号(kPa,kN/m)(m)(m)(m)(m)130.000---------------210.0000.00015.00010.000条形---[ 附加水平力信息 ]水平力作用类型水平力值作用深度是否参与是否参与序号(kN)(m)倾覆稳定整体稳定[ 土层信息 ]土层数3坑内加固土否内侧降水最终深度(m) 5.800外侧水位深度(m) 1.000弹性计算方法按土层指定ㄨ弹性法计算方法m法基坑外侧土压力计算方法主动[ 土层参数 ]层号土类名称层厚重度浮重度粘聚力内摩擦角(m)(kN/m3)(kN/m3)(kPa)(度)1杂填土0.3018.0---10.0015.002杂填土 5.5018.48.418.0010.003粘性土14.0019.59.5------层号与锚固体摩粘聚力内摩擦角水土计算方法m,c,K值抗剪强度擦阻力(kPa)水下(kPa)水下(度)(kPa) 118.0---------m法 2.28---218.018.0010.00合算m法 2.80---355.044.6016.40合算m法8.20---[ 土压力模型及系数调整 ]----------------------------------------------------------------------弹性法土压力模型: 经典法土压力模型:层号土类水土水压力外侧土压力外侧土压力内侧土压力内侧土压力名称调整系数调整系数1调整系数2调整系数最大值(kPa) 1杂填土分算 1.000 1.000 1.000 1.00010000.000 2杂填土合算 1.000 1.000 1.000 1.00010000.000 3粘性土合算 1.000 1.000 1.000 1.00010000.000 [ 工况信息 ]工况工况深度支锚号类型(m)道号1开挖 5.300---[ 设计结果 ]---------------------------------------------------------------------- ---------------------------------------------------------------------- [ 结构计算 ]---------------------------------------------------------------------- 各工况:内力位移包络图:地表沉降图:----------------------------------------------------------------------[ 截面计算 ]----------------------------------------------------------------------钢筋类型对应关系:d-HPB300,D-HRB335,E-HRB400,F-RRB400,G-HRB500,P-HRBF335,Q-HRBF400,R-HRBF500桩是否均匀配筋是混凝土保护层厚度(mm)50桩的纵筋级别HRB400桩的螺旋箍筋级别HPB300桩的螺旋箍筋间距(mm)200弯矩折减系数 1.00剪力折减系数 1.00荷载分项系数 1.25配筋分段数一段各分段长度(m)11.50[ 内力取值 ]段内力类型弹性法经典法内力内力号计算值计算值设计值实用值基坑内侧最大弯矩(kN.m)0.000.000.000.001基坑外侧最大弯矩(kN.m)387.96290.22484.96484.96最大剪力(kN)149.28130.39186.60186.60段选筋类型级别钢筋实配[计算]面积号实配值(mm2或mm2/m)1纵筋HRB40012E224562[4307]箍筋HPB300d8@200503[895]加强箍筋HRB335D16@2000201----------------------------------------------------------------------[ 整体稳定验算 ]----------------------------------------------------------------------计算方法:瑞典条分法应力状态:有效应力法条分法中的土条宽度: 1.00m滑裂面数据整体稳定安全系数 K s = 2.852圆弧半径(m) R = 16.258圆心坐标X(m) X = -0.022圆心坐标Y(m) Y = 9.037----------------------------------------------------------------------[ 抗倾覆稳定性验算 ] ----------------------------------------------------------------------抗倾覆安全系数:M p——被动土压力及支点力对桩底的抗倾覆弯矩, 对于内支撑支点力由内支撑抗压力决定;对于锚杆或锚索,支点力为锚杆或锚索的锚固力和抗拉力的较小值。
一、工程概况本工程位于XX市XX区,项目总投资XX亿元。
基坑开挖深度约6.5米,周边环境复杂,地下管线密集。
为保障基坑施工安全和周边环境稳定,特制定本专项方案。
二、支护结构设计1. 支护形式:采用钢筋混凝土排桩支护,桩径800mm,桩间距1.5m,桩长根据地质情况确定。
2. 钢筋混凝土排桩设计:(1)桩身混凝土强度等级C30;(2)桩身配筋:主筋直径φ25,箍筋直径φ12,间距150mm;(3)桩顶设置钢筋混凝土冠梁,尺寸为1200mm×1200mm,配筋同桩身。
3. 防水措施:在桩身混凝土中掺入防水剂,确保桩身防水性能。
三、施工方案1. 施工顺序:先进行桩基施工,再进行冠梁施工,最后进行土方开挖。
2. 桩基施工:(1)桩基施工采用旋挖钻机进行钻孔,钻孔深度根据地质情况确定;(2)成孔后,清孔,清孔标准为孔底沉渣厚度≤50mm;(3)下钢筋笼,钢筋笼制作应符合设计要求;(4)浇筑混凝土,混凝土强度达到设计要求后方可进行下一道工序。
3. 冠梁施工:(1)冠梁混凝土强度等级C30;(2)冠梁配筋:主筋直径φ25,箍筋直径φ12,间距150mm;(3)冠梁施工完成后,进行养护。
4. 土方开挖:(1)采用挖掘机进行土方开挖,分层开挖,每层厚度不超过2.0m;(2)开挖过程中,应确保支护结构稳定,避免因开挖不当导致支护结构破坏;(3)开挖过程中,应及时进行排水,防止基坑积水。
四、计算书1. 桩基承载力计算:(1)桩基轴向承载力计算公式:Qa = qSap + qaAp(2)桩基侧阻力计算公式:Qs = 0.6qL + 0.4qLγH(3)桩基抗拔力计算公式:Qb = qaApγH2. 冠梁弯矩计算:(1)冠梁弯矩计算公式:M = (F1L1 + F2L2)/2(2)F1为桩顶水平力,F2为桩侧水平力,L1为桩顶至冠梁长度,L2为冠梁长度。
3. 冠梁剪力计算:(1)冠梁剪力计算公式:V = (F1 + F2)γH/2五、安全措施1. 施工过程中,加强监测,确保支护结构稳定;2. 加强施工人员安全培训,提高安全意识;3. 严格执行施工方案,确保施工质量;4. 加强现场文明施工,减少对周边环境的影响。
M法计算书土压力计算依据《上海市标准基坑工程设计规程》(DBJ08-61-97)。
1.地质勘探数据如下:—————————————————————————————————————序号 h(m) (kN/m3) C(kPa) (°) M值计算方法1 1.90 19.00 18.00 20.00 7800.0 水土合算2 1.29 18.70 18.00 20.00 7800.0 水土合算3 5.00 17.50 16.00 14.00 4120.0 水土合算4 3.34 16.90 11.00 10.00 2100.0 水土合算5 3.99 19.70 42.00 20.00 10200.0 水土合算6 4.89 18.90 7.00 31.50 17395.0 水土合算—————————————————————————————————————表中:h为土层厚度(m),为土重度(kN/m3),C为内聚力(kPa),为内摩擦角(℃)2.基底标高为-8.40m,支撑分别设置在标高计算标高分别为-8.40m处,3.地面超载:—————————————————————————————————————序号布置方式作用标高m 荷载值kPa 距基坑边线m 作用宽度m—————————————————————————————————————基坑侧壁重要性系数为1.10,为一级基坑采用单排桩排桩直径为0.6m,砼标号为C30,桩间距为0.85m.抗隆起、抗倾覆、抗渗流验算结果按地基承载力验算抗隆起基坑外侧支护结构底部至地面之间土层的加权重度1=18.17(kN/m3)基坑内侧支护结构底部至坑底之间土体的加权重度2=18.37(kN/m3)支护结构嵌入深度D=6.60(m)基坑开挖深度h=8.40(m)基坑地表附加荷载q=0.00(kPa)坑底被动区附加荷载q pa=0.00(kPa)支护结构底部滑裂面上地基土的粘聚力c=42.00(kPa)支护结构底部滑裂面上地基土的内摩擦角=20.00°Nq=6.40Nc=14.83计算的抗隆起安全系数为Kwz=[42.00×14.83+(18.37×6.60+0.00)×6.40]/[18.17×(8.40+6.60)+0.00]=5.13达到规范规定安全系数2.50,合格!按滑弧稳定验算抗隆起围护墙底以上地基土各土层天然重度的加权平均值=18.23(kN/m3) 围护墙在基坑开挖面以下的入土深度D=6.60(m)主动土压力系数Ka=tg2(45o-15.47o/2)=0.58滑裂面上地基土的粘聚力加权平均值c=23.15(kPa)滑裂面上地基土的内摩擦角加权平均值=0.27(弧度)基坑开挖深度h0=8.40(m)最下一道支撑距地面的深度h0'=8.40(m)最下一道支撑面与基坑开挖面间的水平夹角a1=0.00(弧度)以最下一道支撑点为圆心的滑裂面圆心角a2=3.14(弧度)坑外地面荷载q=0.00(kPa)q f=18.23×8.40+0.00=153.14(kPa)M SL=0.5×(18.23×8.40+0.00)×6.602=3335.35(kN.m/m)R3=8.40×6.60+(3.14-0.00)×6.602=192.29(m2)R2=0.5×6.602×153.14+{3.14-0.00-0.5×[sin(2×3.14)-sin(2×0.00)]}-1/3×18.23×6.603×{sin2(3.14)×cos(3.14)-sin2(0.00)×cos(0.00)+2×[cos(3.14)-cos(0.00)]} =10326.84(kN.m/m)R1=6.60×(18.23×8.402/2+0.00×8.40)+0.5×6.602×153.14×[3.14-0.00+sin(3.14)×cos(3.14)-sin(0.00)×cos(0.00)]-1/3×18.23×6.603×[cos3(3.14)-cos3(0.00)]=18217.48(kN.m/m)M RL=18217.48×0.58×tg(0.27)+10326.84×tg(0.27)+192.29×23.15=10270.03(kN.m/m)计算的抗隆起安全系数为:K L=3.08=10270.03/3335.35=3.08达到规范规定安全系数2.50,合格!按经验公式计算基坑隆起量:基坑开挖深度H=8.40(m)地表超载q=0.00(kPa)支护结构底部处土的粘聚力c=42.00(kPa)支护结构底部处土的内摩擦角=20.00(°)基坑外侧支护结构底部至地面之间土层的加权重度1=18.17(kN/m3)基坑外侧坑底至地面之间土的加权重度2=18.01(kN/m3)支护结构入土深度D=6.60(m)基坑底最大隆起量=-291.67-25.21+141.02+172.01=0.01(mm)验算抗倾覆稳定最下一道支撑(若无支撑,则为桩顶)以下的主动土压力合力为Ea=951.05(kN/m),合力标高为Elva=-9.43(m)被动土压力合力为Ep=1504.14(kN/m),合力标高为Elvp=-12.90(m)最下一道支撑(若无支撑,则为桩顶)的标高为Elvs=0.00(m)主动土压力对最下一道支撑产生的力矩为Moc=Ea×(Elvs-Elva)=951.05×(9.43-0.00)=8970.47(kN.m/m)被动土压力对最下一道支撑产生的力矩为Mrc=Ep×(Elvs-Elvp)=1504.14×(12.90-0.00)=19408.13(kN.m/m)计算的抗倾覆安全系数为:2.16达到规范规定安全系数1.20,合格!验算抗渗流稳定的公式为:基坑外水位标高为Elvwout=-0.50(m),基坑内水位标高为Elvwin=-10.30(m)基坑内外水头差hw=Elvwout-Elvwin=-0.50-(-10.30)=9.80(m)坑底标高为Elvebot=-8.40(m),桩墙底标高为Elvpbot=-15.00(m),桩墙宽度为Pw=0.60(m) 水的渗流路径长度L =(Elvwin-Elevpbot)+Pw+(Elvwout-Elevpbot )=[-10.30-(-15.00)]+0.60+[-0.50-(-15.00)]=19.80(m)坑底土的渗流水力坡度i=hw/L=9.80/19.80=0.49坑底土的浮重度'=6.90(kN/m3) (近似取坑底土的天然容重为其饱和容重)坑底土的临界水力坡度ic='/w=6.90/10.=0.69计算的抗渗流安全系数k=ic/i=0.69/0.49=1.39计算的渗流稳定安全系数为:1.39没有达到规范规定安全系数1.50,不合格!内力及位移计算采用m法计算计算采用位移法有限元,单元最大长度为0.1m。
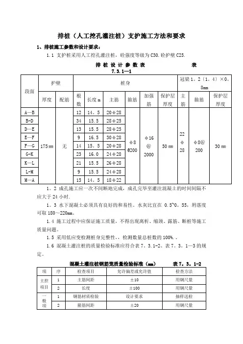
排桩(人工挖孔灌注桩)支护施工方法和要求1、排桩施工参数和设计要求:1.1 支护桩采用人工挖孔灌注桩,砼强度等级为C30.砼护壁C25.排桩设计参数表表1。
2 成孔施工应一次不间断地完成,成孔完毕至灌注混凝土的时间间隔不应大于24小时.1。
3 水下混凝土必须具有良好的和易性。
水灰比宜在0.5~0。
55,坍落度可取180~220mm。
1.4 施工过程中应保证施工质量,不得出现离析、缩颈、露筋、断桩等施工质量问题。
1.5 采用低应变检测桩身完整性,,检测数量总桩数的100%.。
1.6 混凝土灌注桩的质量检验标准应符合表7。
3.1-2、表7。
3。
1—3的规定。
1。
7 为保证工程质量,关键工序及主要工序应提请监理工程师现场验收.a、桩位测放;b、嵌固深度确定;c、桩位对中;d、测量孔深;e、沉渣测定;f、钢筋笼制安;2、排桩施工顺序:2。
1 施工顺序:从各段面两侧同时相向并进施工,采用间隔跳打法施工。
即桩施工间距≥3.4米(间隔1个桩)。
2.2为防止振动导致邻孔孔壁坍塌或影响邻孔已浇灌砼强度,应待邻孔砼抗压强度达到2。
5Mpa后,方可进行挖孔。
3、排桩施工工艺选择:3.1 设计人工挖孔桩桩径为φ1m,与居民房较近,根据和设计地质勘探资料、桩长和桩径,排桩嵌固深度都在全风化岩层内,因此施工采用人工挖土孔灌注桩(层岩采用风镐成孔)。
3.2 钢筋笼在现场制作采用汽车起重机安放,采用商品砼浇筑,排桩砼采用串筒法灌注.5、排桩施工准备:5。
1地质勘察报告、桩基施工图已收集齐全.5。
2 施工场地范围内的障碍物已拆除.场地按施工要求平整,临时设施及道路已修建.5。
3 设置桩位轴线、定位点;桩孔四周撒灰线。
测定高程水准点,放线工序完成后,办理预检手续.5。
4 机具设备已齐备,并已维修、保养,处于完好状态.5.5 人工挖孔操作的安全至关重要,开挖前对施工人员进行全面的安全技术交底;操作前对吊具进行安全可靠的检查和试验,确保施工安全。
排桩支护(最终版)1. 简介排桩支护是指通过打入深度较深的钢筋混凝土桩,以保证基坑围护结构的稳定和安全的一种基础支撑方式。
排桩支护的主要作用是解决施工现场基坑的支撑问题,使得工程能够按照预期的计划稳定建设。
2. 排桩的种类常见的排桩种类主要包括:•预制桩•钻孔桩•空心挖掘桩•钢管桩不同种类的排桩在使用时需要根据实际情况进行选择,满足基坑支护的要求。
3. 排桩的施工过程排桩施工包括以下几个步骤:3.1 基坑开挖基坑开挖是排桩施工的第一步,需要根据设计要求进行开挖。
3.2 做桩基础在完成基坑开挖后,需要先进行桩基础的施工。
桩基础施工包括凿孔、清孔、洗孔等工序。
3.3 灌注混凝土桩基础施工完成后需要进行灌注混凝土,以进行桩的加固。
3.4 安装排桩在桩基础完成后,可以开始根据设计要求进行排桩的安放。
3.5 进行桩顶平整排桩完成后需要将桩顶整平。
3.6 缝隙处理在排桩完成后,需要对桩与土壤之间的缝隙进行处理,防止土体从中渗流。
3.7 进行档土最后,需要进行档土施工,以完成支护作用。
4. 排桩支护的注意事项•排桩施工过程中需要保证施工场地的安全有序。
•钢筋混凝土排桩需要进行质量检测。
•排桩深度需要根据设计要求进行确认,以保证基坑的稳定和安全。
•桥墩基础、高层建筑等需要进行深基坑开挖的建筑物需要进行排桩支护。
5. 总结排桩支护是一种基础支撑方式,可以有效地确保基坑围护结构的稳定和安全。
在进行施工时需要严格按照设计要求和相关规范进行实施,以确保工程建设的安全有序进行。
排桩支护施工方案排桩支护施工方案一. 工程概述本工程为一处高层建筑的排桩支护工程,地下室采用钢筋混凝土桩的方式进行基础支撑。
二. 桩型选择本工程选用H型钢桩作为排桩的主要材料。
H型钢桩具有较高的承载能力和抗挠性能,适用于各类土质条件,并且易于施工和加固,适合本工程。
三. 施工方案1. 施工准备:明确施工范围,进行场地清理,确定施工梯队和机械设备,并做好材料和物资的准备。
2. 桩基定位:根据设计图纸和现场实际情况,确定桩基的准确位置和标高,并进行定位。
3. 桩孔开挖:根据设计要求,采用钻孔机进行桩孔的开挖,控制孔径和孔深,确保桩孔的准确性和一致性。
4. 检查孔底土质:在桩孔开挖到设计孔深后,使用地质钻探仪器对孔底土质进行检测和记录,以供后续施工参考。
5. 桩身处理:清除桩孔内的淤泥和碎石,清洗桩身表面,确保桩体与周围土壤的紧密接触。
6. 桩机安装:将桩机安装在桩孔上方,并进行牢固固定,调整好机器的水平度和垂直度。
7. 桩的打入:通过桩机的操作,将H型钢桩一段段打入桩孔中,通过震动或冲击,使桩体沉入到设计深度。
8. 检测和记录:在桩身打入到设计深度后,使用水平仪和测深仪对桩机进行检测和记录,以确保桩的垂直度和尺寸的准确性。
9. 桩头加固:在桩身打入到设计深度后,对桩头进行加固处理,通过焊接或螺栓连接,形成一体化的基础。
10. 后续施工:经过桩基处理后,可进行后续的地下室施工,如钢筋混凝土的浇筑和墙体的搭建。
四. 安全措施1. 施工现场必须设置围挡,限制非工作人员进入施工区域。
2. 操作桩机的施工人员必须持证上岗,并接受专业培训。
3. 桩机的周边区域必须平整,防止桩机倾覆。
4. 桩机操作时,周围人员必须远离,保持安全距离。
5. 钻孔机在作业时,必须穿戴好防护设备,避免作业人员受伤。
6. 施工过程中,严禁超载、超高和超速行驶。
7. 施工现场必须保持整洁,材料不得乱放乱堆。
8. 施工完成后,必须对工程现场进行清理,恢复原状。
排桩支护设计及计算排桩支护是一种常用的地下工程支护措施,广泛应用于基坑工程、地铁工程、桥梁工程等。
排桩支护设计及计算是确保地下结构施工安全和施工质量的重要环节。
本文将从排桩支护设计原理、设计步骤、计算方法以及设计注意事项等方面进行详细阐述。
一、排桩支护设计原理排桩支护是通过设置一定间距的垂直桩体来增加土的抗侧性能,从而抵抗地下结构施工期间可能引起的土体侧向变形和变位。
排桩支护设计原理主要包括以下几点:1.土体侧向力学行为的分析:通过土体的剪切强度、侧向压力分布、桩与土体的相互作用等参数的计算,分析土体在侧向荷载作用下的力学行为。
2.土的排桩支护效应:排桩支护能够增加土的整体抗剪强度,减小土体的侧向位移,提高土体的稳定性。
3.桩与土体的相互作用:桩与土体之间存在一定的相互作用,通过研究桩的剪切阻抗特性和土的侧向位移变形特性,进行排桩支护设计。
二、排桩支护设计步骤1.地质勘察:对施工场地进行地质勘察,掌握地质情况、土层特性,确定施工地段的荷载条件、地下水位等。
2.设置桩的类型与间距:根据工程要求确定采用的桩的类型,如钢筋混凝土桩、钢管桩等,并根据工程需求确定桩的间距。
3.排桩效应分析:通过合理的计算方法,分析排桩后土体的变形与位移情况,确定桩的稳定性和支护效果。
4.桩的计算与设计:根据排桩后的土体变形和位移情况,进行桩的计算与设计,确定桩的尺寸和数量。
5.施工方法的选择:根据地质条件、桩的类型和设计要求,选择适合的施工方法,包括静载试验、动力触探、振动沉桩等。
6.监测与检查:在施工过程中进行监测与检查,保证排桩支护的施工质量。
三、排桩支护设计计算方法排桩支护的设计计算主要包括桩的受力计算和土体的侧向位移计算。
一般常用的计算方法有以下几种:1.桩的受力计算方法:根据杆件受力平衡原理,计算桩的竖向荷载、弯矩和剪力等。
根据桩的受力情况,可以确定桩体的截面尺寸和钢筋配筋等。
2. 土体的侧向位移计算方法:根据土的力学特性,可以采用有限元方法、解析方法或经验公式等进行土体的侧向位移计算。
排桩支护设计和计算排桩支护是一种在土壤工程中常用的支护措施,它通过钢筋混凝土或钢桩等部件将土壤固定在地下,以防止土体塌方、滑动等地质灾害的发生。
本文将介绍排桩支护设计和计算的基本原理和步骤。
排桩支护的设计和计算主要包括以下几个方面:确定地下水位、确定排桩参数、桩身设计、桩端承载力计算、桩间距设计、荷载计算、桩长设计等。
第一步是确定地下水位。
地下水位的高低对排桩支护设计起到重要的作用,因为地下水的压力会对土体产生一定影响,需要在设计计算中进行考虑。
第二步是确定排桩参数。
排桩参数包括桩径、桩长、桩间距等。
这些参数的确定需要综合考虑土体的性质、地下水位、工程荷载等因素。
第三步是桩身设计。
桩身设计主要包括桩体的截面形状和桩身钢筋的布置等。
桩身设计需要满足强度和稳定性的要求,在设计中需要对桩身进行强度计算和稳定性分析。
第四步是桩端承载力计算。
桩端承载力是指桩端在承受荷载时的承载能力,它是排桩支护设计中至关重要的因素之一、桩端承载力可以通过理论计算或现场试验来确定。
第五步是桩间距设计。
桩间距的设计需要满足排桩结构的整体稳定性要求,一般要保证相邻桩之间的土体不会倒塌或滑动。
桩间距的设计通常需要进行反复计算和修正。
第六步是荷载计算。
荷载是排桩支护设计中的重要参数之一,需要根据工程的实际情况来确定。
荷载计算包括静载荷计算和动载荷计算两部分,需要考虑工程的特点和设计要求。
第七步是桩长设计。
桩长的设计是指确定桩的埋置深度。
桩的埋置深度一般根据土体的特性和工程要求来确定,需要满足排桩结构的稳定性和承载能力要求。
综上所述,排桩支护设计和计算是一个复杂的过程,需要考虑多个因素并进行综合分析。
通过合理的设计和计算,可以有效地提高排桩支护结构的稳定性和承载能力,确保土体工程的安全和可靠。
支护结构计算之排桩与地下连续墙计算对于较深的基坑,排桩、地下连续墙围护墙应用最多,其承受的荷载比较复杂,一般应考虑下述荷载:土压力、水压力、地面超载、影响范围内的地面上建筑物和构筑物荷载、施工荷载、邻近基础工程施工的影响(如打桩、基坑土方开挖、降水等)。
作为主体结构一部分时,应考虑上部结构传来的荷载及地震作用,需要时应结合工程经验考虑温度变化影响和混凝土收缩、徐变引起的作用以及时空效应。
排桩和地下连续墙支护结构的破坏,包括强度破坏、变形过大和稳定性破坏(图6-65)。
其强度破坏或变形过大包括:图6-65 排桩和地下连续墙支护结构的破坏形式(a)拉锚破坏或支撑压曲;(b)底部走动;(c)平面变形过大或弯曲破坏;(d)墙后土体整体滑动失稳;(e)坑底隆起;(f)管涌(1)拉锚破坏或支撑压曲:过多地增加了地面荷载引起的附加荷载,或土压力过大、计算有误,引起拉杆断裂,或锚固部分失效、腰梁(围擦)破坏,或内部支撑断面过小受压失稳。
为此需计算拉锚承受的拉力或支撑荷载,正确选择其截面或锚固体。
(2)支护墙底部走动:当支护墙底部嵌固深度不够,或由于挖土超深、水的冲刷等原因都可能产生这种破坏。
为此需正确计算支护结构的入土深度。
(3)支护墙的平面变形过大或弯曲破坏:支护墙的截面过小、对土压力估算不准确、墙后增加大量地面荷载或挖土超深等都可能引起这种破坏。
平面变形过大会引起墙后地面过大的沉降,亦会给周围附近的建(构)筑物、道路、管线等造成损害。
排桩和地下连续墙支护结构的稳定性破坏包括:(1)墙后土体整体滑动失稳:如拉锚的长度不够,软粘土发生圆弧滑动,会引起支护结构的整体失稳。
(2)坑底隆起:在软粘土地区,如挖土深度大,嵌固深度不够,可能由于挖土处卸载过多,在墙后土重及地面荷载作用下引起坑底隆起。
对挖土深度大的深坑需进行这方面的验算,必要时需对坑底土进行加固处理或增大挡墙的入土深度。
(3)管涌:在砂性土地区,当地下水位较高、坑深很大和挡墙嵌固深度不够时,挖土后在水头差产生的动水压力作用下,地下水会绕过支护墙连同砂土一同涌入基坑。
排桩支护设计和计算排桩支护是土木工程中常用的一种结构支护方法,主要用于土壤或岩石边坡、挖掘壕沟、基坑开挖等地方,以防止土体的失稳和坍塌。
本文将介绍排桩支护的设计和计算方法。
一、设计参数1.土壤或岩石的力学性质:包括土壤或岩石的强度、黏聚力、内摩擦角以及它们的变化规律。
2.桩的几何形状和材料:包括桩的直径、长度、材料的强度和刚度,以及桩之间的间距。
3.水文地质条件:包括地下水位、地下水的压力变化和渗透性。
4.边坡或基坑开挖的几何形状和尺寸:包括边坡或基坑的高度、坡度和开挖的深度。
5.附近建筑物或设施对边坡或基坑的影响:包括建筑物的排水系统、振动、荷载和地基沉降等。
二、计算方法1.确定桩的尺寸和间距:根据设计参数,可以根据公式或图表来确定桩的直径和间距。
一般而言,桩的直径应根据土壤或岩石的强度来确定,直径越大则承载能力越高,但成本也相应增加。
桩之间的间距应根据排桩应变圈来确定,一般认为桩之间的距离应小于桩的直径。
如果桩之间的距离太远,则桩体之间的土体可能会塌陷,导致支护效果不理想。
2.计算桩的承载力:桩的承载力可以通过斯托克斯公式来计算,公式为:Qc=Σ(π/4)(d^2)(cNc+qNq+0.5γsBNγ)其中,Qc表示桩的承载力,d表示桩的直径,c表示土壤的黏聚力,Nc和Nq分别为规定的地基反应系数,γs为土壤的自重,B为桩的宽度,Nγ为地基反应系数。
3.判断排桩支护的稳定性:根据计算得到的桩的承载力,可以和桩上所受的荷载进行对比,判断桩的稳定性。
如果桩的承载力大于所受荷载,则桩的稳定性良好;如果桩的承载力小于所受荷载,则需要增加桩的直径或间距,以提高支护的稳定性。
4.根据具体情况进行改进设计:根据实际情况,可以对桩的设计进行改进。
例如,可以增加桩的长度,以提高桩体的承载力;可以增加桩的间距,以提高排桩的整体稳定性;也可以增加桩的直径,以增加桩的刚度。
综上所述,排桩支护设计和计算主要涉及设计参数的确定、桩的尺寸和间距的计算、桩的承载力的计算以及排桩支护的稳定性判断等方面。
一、工程概况XX大厦基坑位于丰和中大道西侧,世贸路北侧,距离丰和中大道道路红线约30m,距离世贸路道路红线约90m。
基坑周边环境较空旷,北侧和西侧为空地,南侧为工商银行用地,东侧为XX开发用地,西南角为已建成的南昌银行大楼,距离基坑约20m。
本基坑平面尺寸116.47mx117.3m,基坑施工整平地面标高为19.0m,地下室底板顶绝对标高7.05m(相对标高-16.9m),基坑开挖深度约13.05m,核心筒范围局部加深7.05m,加深段平面尺寸26.5mx23.184m。
基坑支护上部采用放坡,下部采用排桩+支撑,地下水处理措施为止水帷幕+坑内降水。
二、工程地质与水文地质1、工程地质根据勘察报告,拟建场地勘察深度内分布有①层素填土(Q4ml),其下为第四系全新统冲积层(Q4al),包括②层粉质粘土、③层中砂、④层粗砂、⑤层砾砂。
下伏基岩为第三系新余群砂砾岩(E1-2),包括⑥层强风化砂砾岩、⑦层中风化砂砾岩、⑧层微风化砂砾岩,各土层自上而下分述如下:①层素填土:主要成份为粉质粘土,上部含少量碎石,稍湿,松散,全场均有分布,层厚0.5~7.5m。
②层粉质粘土:灰色、灰黄色,稍湿~湿,可塑,局部硬塑。
底部含砂量渐增,韧性中等,干强度中等,全场分布,层厚1.0~6.9m。
③层中砂:灰、灰白、浅黄色,湿~饱和,稍密~中密,颗粒级配较好, 全场分布,层厚0.9~5.1m。
④层粗砂:灰黄、黄色,饱和,中密,全场分布,层厚1.0~4.3m。
⑤层砾砂:黄褐、浅黄色,饱和,稍密~中密,全场分布,层厚2.6~7.2m。
⑥层强风化砂砾岩:棕红、暗红、紫红色,砾石成份主要为石英、长石及少量砂岩碎屑,粒径多为1~3mm,局部可达10mm以上,胶结能力较差,岩体完整程度属破碎,岩石饱和单轴抗压强度平均值2.6MPa,属于软岩,岩体基本质量等级为V类。
全场分布,层厚2.1~4.2m。
⑦层中风化砂砾岩:棕红、紫红色,砾石成份主要为石英、长石及少量砂岩碎屑,粒径多为1~3mm,局部可达10mm以上,胶结一般,RQD=40%~60%,岩体完整程度属较破碎,岩石饱和单轴抗压强度平均值8.91MPa,属于软岩,岩体基本质量等级为V类。
排樁支護設計與計算8.7.1概述基坑開挖事,對不能放坡或由於場地限制而不能採用攪拌樁支護,開挖深度在6~10米左右時,即可採用排樁支護。
排樁支護可採用鑽孔灌注樁、人工挖孔樁、預製鋼筋混凝土板樁或鋼板樁。
圖8-4排樁支護的類型排樁支護結構可分為:(1)柱列式排樁支護當邊坡土質尚好、地下水位較低時,可利用土拱作用,以稀疏鑽孔灌注樁或挖孔樁支擋土坡,如圖8-4a所示。
(2)連續排樁支護(圖8-4b)在軟土中一般不能形成土拱,支擋結構應該連續排。
密排的鑽孔樁可互相搭接,或在樁身混凝土強度尚未形成時,在相鄰樁之間做一根素混凝土樹根樁把鑽孔樁排連起來,如圖8-4c所示。
也可採用鋼板樁、鋼筋混凝土板樁,如圖8-4d、e所示。
(3)組合式排樁支護在地下水位較高搭軟土地區,可採用鑽孔灌注排樁與水泥土樁防滲牆組合的方式,如圖8-4f所示。
按基坑開挖深度及支擋結構受力情況,排樁支護可分為一下幾種情況。
(1)無支撐(懸臂)支護結構:當基坑開挖深度不大,即可利用懸臂作用擋住牆後土體。
(2)單支撐結構:當基坑開挖深度較大時,不能採用無支撐支護結構,可以在支護結構頂部附近設置一單支撐(或拉錨)。
(3)多支撐結構:當基坑開挖深度較深時,可設置多道支撐,以減少擋牆擋壓力。
根據上海地區的施工實踐,對於開挖深度<6m的基坑,在場地條件允許的情況下,可採用重力式深層攪拌樁擋牆較為理想。
當場地受限制時,也可採用φ600mm密排懸臂鑽孔樁,樁與樁之間可用樹根樁密封,也可採用灌注樁後注漿或打水泥攪拌樁作防水帷幕;對於開挖深度在4~6m的基坑,根據場地條件和周圍環境可選用重力式深層攪拌樁擋牆,或打入預製混凝土板樁或鋼板樁,其後注漿或加攪拌樁防滲,設一道檁和支撐也可採用φ600mm鑽孔樁,後面用攪拌樁防滲,頂部設一道圈梁和支撐;對於開挖深度為6~10米的基坑,以往採用φ800~1000mm的鑽孔樁,後面加深層攪拌樁或注漿放水,並設2~3道支撐,支撐道數視土質情況、周圍環境及圍護結構變形要求而定;對於開挖深度大於10m的基坑,以往常採用地下連續牆,設多層支撐,雖然安全可靠,但價格昂貴。
排桩(地下连续墙)规范计算本计算依据《建筑基坑支护技术规程》(JGJ120-99)。
1.地质勘探数据如下:序号 h(m)(kN/m3) C(kPa) (°) m(kN/m4) 计算方法土类型1 5.00 19.00 10.00 12.00 35000 水土合算填土2 5.00 19.20 27.30 23.70 35000 水土合算填土3 5.00 19.00 16.00 27.00 35000 水土合算填土4 5.00 19.20 12.00 32.00 35000 水土合算填土5 5.00 20.40 89.00 19.00 35000 水土合算填土表中:h为土层厚度(m),为土重度(kN/m3),C为内聚力(kPa),为内摩擦角(°)。
基坑外侧水标高-0.50m,基坑内侧水标高-10.30m。
2.基本计算参数:地面标高0.00m,基坑坑底标高-9.30m,支撑分别设置在标高-2.00m、-5.00m处,计算标高分别为-2.50m、-5.50m、-9.30m处。
侧壁重要性系数1.00。
桩墙顶标高0.00m,桩墙嵌入深度5.70m,桩墙计算宽度1.18m。
桩墙顶标高以上放坡级数为0级坡。
——————————————————————————序号坡高m 坡宽m 坡角°平台宽m——————————————————————————3.地面超载:—————————————————————————————————————————序号布置方式作用区域标高m 荷载值kPa 距基坑边线m 作用宽度m —————————————————————————————————————————一、第一阶段,挖土深2.50m,挡土桩(墙)呈悬臂状,计算过程如下:第1阶段主动、被动水土压力合力图1.作用在桩(墙)的主动土压力分布:第1层土上部标高0.00m,下部标高-0.50mE a1上 = (19.00×0.00)×tg2(45-12.00/2)-2×10.00×tg(45-12.00/2)= -16.19kN/m2(取0.0)E a1下 = (19.00×0.50)×tg2(45-12.00/2)-2×10.00×tg(45-12.00/2)= -9.97kN/m2(取0.0)第2层土上部标高-0.50m,下部标高-2.50mE a2上 = (19.00×0.50+19.00×0.00)×tg2(45-12.00/2)-2×10.00×tg(45-12.00/2) = -9.96kN/m2(取0.0)E a2下 = (19.00×0.50+19.00×2.00)×tg2(45-12.00/2)-2×10.00×tg(45-12.00/2) = 14.95kN/m2第3层土上部标高-2.50m,下部标高-5.00mE a3上 = (19.00×0.50+19.00×2.00)×tg2(45-12.00/2)-2×10.00×tg(45-12.00/2) = 14.95kN/m2E a3下 = (19.00×0.50+19.00×2.00)×tg2(45-12.00/2)-2×10.00×tg(45-12.00/2) = 14.95kN/m22.作用在桩(墙)的被动土压力分布:第3层土上部标高-2.50m,下部标高-5.00mE p3上 = (19.00×0.00)×tg2(45+12.00/2)+2×10.00×tg(45+12.00/2)= 24.70kN/m2E p3下 = (19.00×2.50)×tg2(45+12.00/2)+2×10.00×tg(45+12.00/2)= 97.13kN/m23.土压力为零点距离坑底距离d的计算:桩的被动、主动土压力差值系数为:B = ((97.13-24.70)-(14.95-14.95))/2.50=28.97kN/m3d = 0.00 = 0.00m4.D点以上土压力对D点的力矩与合力计算:D点以上土压力对桩(墙)土压力的合力:E a = (0.00+14.95)×2.00/2.0= 14.95kN/mD点以上土压力对D点的力矩(梯形转为矩形与三角形计算):M a = (0.00-0.00)×0.50/2.0×(2.00+0.50/3.0)+(14.95-0.00)×2.00/2.0×(0.00+2.00/3.0)= 9.97kN.m/m5.悬臂桩嵌入D点以下距离t的计算:合力E a到D点的距离:y = 9.97/14.95 = 0.67m根据规范4.1.1条得到桩(墙)需要的总长度为4.00m6.最大弯矩的计算:而经过积分运算得到最大正弯矩M umax= 0.00kN.m/m,发生在标高-7.15m处;最大负弯矩M dmax= -16.40kN.m/m,发生在标高-3.25m处。
排桩支护设计与计算8.7.1概述基坑开挖事,对不能放坡或由于场地限制而不能采用搅拌桩支护,开挖深度在6~10米左右时,即可采用排桩支护。
排桩支护可采用钻孔灌注桩、人工挖孔桩、预制钢筋混凝土板桩或钢板桩。
图8-4排桩支护的类型排桩支护结构可分为:(1)柱列式排桩支护当边坡土质尚好、地下水位较低时,可利用土拱作用,以稀疏钻孔灌注桩或挖孔桩支挡土坡,如图8-4a所示。
(2)连续排桩支护(图8-4b)在软土中一般不能形成土拱,支挡结构应该连续排。
密排的钻孔桩可互相搭接,或在桩身混凝土强度尚未形成时,在相邻桩之间做一根素混凝土树根桩把钻孔桩排连起来,如图8-4c所示。
也可采用钢板桩、钢筋混凝土板桩,如图8-4d、e所示。
(3)组合式排桩支护在地下水位较高搭软土地区,可采用钻孔灌注排桩与水泥土桩防渗墙组合的方式,如图8-4f所示。
按基坑开挖深度及支挡结构受力情况,排桩支护可分为一下几种情况。
(1)无支撑(悬臂)支护结构:当基坑开挖深度不大,即可利用悬臂作用挡住墙后土体。
(2)单支撑结构:当基坑开挖深度较大时,不能采用无支撑支护结构,可以在支护结构顶部附近设置一单支撑(或拉锚)。
(3)多支撑结构:当基坑开挖深度较深时,可设置多道支撑,以减少挡墙挡压力。
根据上海地区的施工实践,对于开挖深度<6m的基坑,在场地条件允许的情况下,可采用重力式深层搅拌桩挡墙较为理想。
当场地受限制时,也可采用φ600mm密排悬臂钻孔桩,桩与桩之间可用树根桩密封,也可采用灌注桩后注浆或打水泥搅拌桩作防水帷幕;对于开挖深度在4~6m的基坑,根据场地条件和周围环境可选用重力式深层搅拌桩挡墙,或打入预制混凝土板桩或钢板桩,其后注浆或加搅拌桩防渗,设一道檩和支撑也可采用φ600mm钻孔桩,后面用搅拌桩防渗,顶部设一道圈梁和支撑;对于开挖深度为6~10米的基坑,以往采用φ800~1000mm的钻孔桩,后面加深层搅拌桩或注浆放水,并设2~3道支撑,支撑道数视土质情况、周围环境及围护结构变形要求而定;对于开挖深度大于10m的基坑,以往常采用地下连续墙,设多层支撑,虽然安全可靠,但价格昂贵。
近来上海常采用φ800~1000mm 大直径钻孔桩代替地下连续墙,同样采取深层搅拌桩放水,多道支撑或中心岛施工法,这种支护结构已成功用于开挖深度达到13米的基坑。
图8-5 悬臂板桩的变位及土压力分布图a.变位示意图b.土压力分布图c.悬臂板桩计算图d. Blum 计算图式 8.7.2 悬臂式排桩支护设计和计算悬臂式排桩支护的计算方法采用传统的板桩计算方法。
如图8-5所示,悬臂板桩在基坑底面以上外侧主动土压力作用下,板桩将向基坑内侧倾移,而下部则反方向变位.即板桩将绕基坑底以下某点(如图中b 点)旋转。
点b 处墙体无变位,故受到大小相等、方向相反的二力(静止土压力)作用,其净压力为零。
点b 以上墙体向左移动,其左侧作用被动土压力,右侧作用主动土压力;点b 以下则相反,其右侧作用被动土压力,左侧作用主动土压力。
因此,作用在墙体上各点的净土压力为各点两侧的被动土压力和主动土压力之差,其沿墙身的分布情况如图8-5b 所示,简化成线性分布后的悬臂板桩计算图式为图8-5c ,即可根据静力平衡条件计算板桩的入上深度和内力。
H.Blum 又建议可以图8-5d 代替,计算入土深度及内力。
下面分别介绍下面两种方法。
1.静力平衡法图8-5表示主动土压力及被动土压力随深度呈线性交化,随着板桩入土深度的不同,作用在不同深度上各点的净土压力的分布也不同。
当单位宽度板桩墙两侧所受的净土压力相平衡时,板桩墙则处于稳定,相应的板桩入土深度即为板桩保证其稳定性所需的最小入土深度,可根据静力平衡条件即水平力平衡方程()和对桩底截面的力矩平衡方程(∑=0M )。
(1).板桩墙前后的土压力分布第n 层土底面对板桩墙主动土压力为)2/45tan(2)2/45(tan )(0102n n n i n i i n an C h q e ϕϕγ---+=∑= (8-1)第n 层土底面对板桩墙底被动土压力为)2/45tan(2)2/45(tan )(0102n n n ni i i n pn c h q e ϕϕγ++++=∑= (8-2) 式中 n q ——地面递到n 层土底面底垂直荷载; i γ——i 层土底天然重度; i h ——i 层土的厚度;n ϕ——n 层土的内摩擦角;n c ——n 层土的内聚力; 对n 层土底面的垂直荷载n q ,可根据地面附加荷载、邻近建筑物基础底面附加荷载0q 分别计算。
图8-6 静力平衡法计算悬臂板桩地面几种荷载可折算成均布荷载:1) 繁重的起重机械:距板桩1.5m 内按60kN/m 2取值;距板桩1.5~3.5m ,按40kN/m 2取值;2) 轻型公路:按5kN/m 2;3) 重型公路:按10kN/m 2;4) 铁道:按20kN/m 2。
∑ = 0 H对土的内摩擦角n ϕ及内聚力n c 按固结快剪方法确定。
当采用井点降低地下水位,地面有排水和防渗措施时,土的那摩擦角n ϕ值可酌情调整:1) 板桩墙外侧,在井点降水范围内,n ϕ值可乘以1.1~1.3;2) 无桩基的板桩内侧,n ϕ值可乘以1.1~1.3; 3) 有桩基的板桩墙内侧,在送桩范围内乘以1.0;在密集群桩深度范围内,乘以1.2~4;4) 在井点降水土体固结的条件下,可将土的内聚力n c 值乘以1.1~1.3。
墙侧的土压力分布如图8-6所示。
(2).建立并求解静力平衡方程,求得板桩入土深度1) 计算桩底墙后主动土压力3a e 及墙墙被动土压力3p e ,然后进行迭加,求出第一个土压力为零的,该点离坑底距离为u ;2) 计算d 点以上土压力合力,求出至d 点的距离y ;3) 计算d 点处墙前主动土压力1a e 及墙后被动土压力1p e ; 4) 计算柱底墙前主动土压力2a e 和墙后被动土压力2p e ; 5) 根据作用在挡墙结构上的全部水平作用力平衡条件和绕挡墙底部自由端力矩总和为零的条件: ∑=0H []02)(2)()(0332233=⋅--⋅-+-+t e e z e e e e E a p a p a p a (8-3) ∑=0M[]032)(3)()(2)(003322330=⋅⋅--⋅-+-⋅++⋅t t e e z e e e e z y t E a p a p a p a (8-4) 整理后可得t 0的四次方程式:04)(6)(2(622110112301140=+--⎥⎦⎤⎢⎣⎡-+-⋅-+ββββa a p a a p a a p E e e y E t e e y E t e e t (8-5) 式中 [])2/45(tan )2/45(tan 0202n n n ϕϕγβ--+=求解上述四次方程,即可得板桩嵌入d 点以下的深度t 0值。
为安全起见,实际嵌入坑底面以下的入土深度为 02.1t u t += (8-6)(3).计算板桩最大弯矩板桩墙最大弯矩的作用点,亦即结构端面剪力为零的点。
例如对于均质的非粘性土,如图8-3所示,当剪力为零的点在基坑底面以下深度为b 时,即有02)(222=+-a p K b h K b γγ (8-7)式中)2/45(tan 02ϕ-=a K ;)2/45(tan 02ϕ+=p K由上述解得b 后,可求得最大弯矩[]p a p a K b K b h K b b K b h b h M 3322max )(6233)(-+=-++=γγγ (8-8) 2. 布鲁姆(Blum)法布鲁姆(H.Blum )建议以图8-3d 代替8-3c ,即原来桩脚出现的被动土压力以一个集中力p E '代替,计算结果图如8-7所示。
a 作用荷载图b 弯矩图c 布鲁姆理论计算曲线图8-21 布鲁姆计算简图图如图8-7a 所示,为求桩插入深度,对桩底C 点取矩,根据∑=0c M 有03)(=--+∑x E a x l P p (8-9)式中2)(22)(x K K x x K K E a p a p p ⋅-=⋅-=γγ代入式(8-9)得 0)(6)(3=⋅---+∑x K K a x l P a p γ化简后得0)()(6)(63=-----∑∑a P a P K K a l P x k k P x γγ (8-10)式中 ∑P ——主动土压力、水压力的合力;a ——∑P 合力距地面距离;u h l +=u ——土压力为零距坑底的距离,可根据净土压力零点处墙前被动土压力强度和墙后主动土压力相等的关系求得,按式(8-11)计算。
)(a p a K K h K u -= (8-11)从式(8-12)的三次式计算求出x 值,板桩的插入深度x u t 2.1+= (8-12)布鲁姆(H.Blum )曾作出一个曲线图,如图8-7c 所示可求得x 。
令l x=ξ,代入式(8-10)得)(6)1()(6323a p a p K K l P a K K l P -⋅-+-=∑∑λξγξ 再令)(62a p K K l Pm -=∑γ,)(63a p K K l P a n -⋅=∑λ上式即变成n m -+=)1(3ξξ (8-13) 式中m 及n 值很容易确定,因其只与荷载及板桩长度有关。
在这式中m 及n 确定后,可以从图8-7c 曲线图求得的n 及m 连一直线并延长即可求得ξ值。
同时由于x =l ξ,得出x 值,则可按式(8-14)得到桩的插入深度: l u x u t ξ2.12.1+=+= (8-14)最大弯矩在剪力Q =0处,设从O 点往下x m 处Q =0,则有a 土压力分布b 弯矩图图8-8 挖孔桩悬臂挡墙计算0)(22=--∑m a p x K K P γ)(2a p m K K Px -=∑γ (8-15)最大弯矩 ∑---+⋅=6)()(3max m a p x K K a xm l P M γ (8-16)求出最大弯矩后,对钢板桩可以核算截面尺寸,对灌注桩可以核定直径及配筋计算。
【例 8-1】 某工程基坑挡土桩设计。
可采用φ100cm 挖孔桩,基坑开挖深度6.0m ,基坑边堆载q =10 kN/m 2(图8-8)。
地基土层自地表向下分别为:(1)粉质粘土:可塑,厚1.1~3.1m ;(2)中粗砂:中密~密实,厚2~5m ,ϕ=340,γ=20kN/m 3;(3)砾砂:密实,未钻穿,ϕ=340。
试设计挖孔桩。
【解】 1.求桩的插入深度28.053.0)2/3445(tan )2/45(tan 200202==-=-=ϕa K1693.056.6)28.053.3(2004.415.1286)(62749.056.6)28.053.3(2015.1286)(6m 04.415.12819.6256.051.362362671.33863.2kN/m 18.128251.3656.026)51.368.2(m 56.0)28.053.3(2051.36)(kN/m 51.362809.0)62010()(kN/m 8.22809.01053.388.1)2/3445(tan )2/45(tan 33222221200202=⨯-⨯⨯=-==⨯-⨯=-==⨯⨯+⨯⨯⨯+==⨯+⨯+==-=-==⨯⨯+=+==⨯====+=+=∑∑∑l K K P n K K P m a P K K hK u K h q e qK e K a p a p a p aa a a a p γγγγγϕ查布鲁姆理论的计算曲线,得m u x t ml x 84.556.040.42.12.140.456.667.067.0=+⨯=+==⨯===ξξ 桩的总长:6+5.84=11.84m ,取12.0m 。