车轮系统设计规范
- 格式:doc
- 大小:1.26 MB
- 文档页数:11
汽车设计标准汽车设计标准是指在汽车设计过程中需要遵循的技术规范和要求。
这些标准旨在确保汽车的安全性、可靠性和性能的提高,并促进汽车设计的统一和互通。
以下是一些与汽车设计有关的参考内容:1. 安全性标准:汽车设计中的安全性是一个重要的考量因素。
汽车设计需要符合各国汽车安全标准,如在美国是符合美国机动车安全标准(FMVSS),在欧洲是符合欧洲汽车安全标准(ECE R)等。
这些标准包括碰撞安全、刹车性能、灯光和信号等方面的要求。
2. 排放标准:汽车设计需要符合各国的排放标准。
例如,在美国是需要符合美国环保署(EPA)的排放标准,欧洲则需要符合欧洲排放标准(如欧洲排放标准6)等。
这些标准规定了汽车排放的限值和控制技术。
3. 燃油经济性标准:燃油经济性是评价汽车性能的重要指标之一。
各国设置了燃油经济性标准,要求汽车在一定的驾驶循环中的燃油消耗不超过一定的限制值。
例如,在美国是需要符合美国环保署(EPA)的燃油经济性标准。
4. 噪音标准:汽车在行驶过程中产生的噪音会对驾驶者和周围环境造成影响。
因此,各国有噪音标准来规定汽车的噪音限制。
例如,在欧洲是需要符合欧洲噪声标准的要求。
5. 材料和构造标准:汽车设计需要使用符合要求的材料和构造。
例如,汽车的车身需要使用高强度钢材料来提高结构刚度和碰撞安全性能。
此外,还有关于车轮、刹车系统、座椅和安全气囊等部件的标准要求。
6. 设计要求:汽车设计还需要满足一些设计要求。
例如,设计要求涉及到车辆的外观设计、人机工程学、空气动力学等方面的要求。
这些要求旨在提高汽车的运行效率、驾驶安全性和乘坐舒适性。
7. 维修和保养标准:汽车设计中还需要考虑维修和保养的方便性。
例如,设计需要方便车辆各部件的拆卸和更换,以及提供易于维护的技术文档和培训等。
8. 车辆识别标准:车辆识别标准包括车辆识别号码(VIN)的规定和标签的要求。
VIN是全球唯一的标识符,记录了车辆的制造商、车型和生产信息。
本规范介绍了制动器的设计计算、各种制动阀类的功能和匹配、以及制动管路的布置。
本规范合用于天龙系列车型制动系统的设计。
本规范主要是在满足下列标准的规定(或者强制)范围之内对制动系统的零、部件进行设计和整车布置。
汽车制动系统结构、性能和试验方法机动车和挂车防抱制动性能和试验方法机动车运行安全技术条件在设计制动系统时,应首先考虑满足零部件的系列化、通用化和零件设计的标准化。
先从《产品开辟项目设计定义书》上获取新车型在设计制动系统所必须的下列信息。
再设计制动器、匹配各种制动阀,以满足整车制动力和制动法规的要求。
确定了制动器的规格和各种制动阀之后,再完成制动器在前、后桥上的安装,各种制动阀在整车上的布置,以及制动管路的连接走向。
3.1 车辆类型:载货汽车、工程车、牵引车3.2 驱动形式:4×2、6×4、8×43.3 主要技术及性能参数:长×宽×高、轴距、空/满载整车重心高坐标、轮距、整备质量、额定载质量、总质量、前/后桥承载吨位、 (前/后)桥空载轴荷、 (前/后)桥满载轴荷、最高车速、最大爬坡度等。
3.4 制动系统的配置:双回路气/液压制动、弹簧制动、鼓/盘式制动器、防抱制动系统、手动/自动调整臂、无石棉磨擦衬片、感载阀调节后桥制动力、缓速器、排气制动。
本规范仅对鼓式制动器的各主要元件和设计计算加以阐述,盘式制动器的选型和计算将暂不列入本规范的讨论范围之内。
4.1 鼓式制动器主要元件:4.1.1 制动鼓:由于铸铁耐磨,易于加工,且单位体积的热容量大,所以,重型货车制动鼓的材料多用灰铸铁。
不少轻型货车和轿车的制动鼓为组合式,其圆柱部份用铸铁,腹板则用钢压制件。
制动鼓在工作载荷下将变形,使蹄、鼓间单位压力不均,带来少许踏板行程损失。
制动鼓变形后的不圆柱度过大,容易引起制动时的自锁或者踏板振动。
所以,在制动鼓上增加肋条,以提高刚度和散热性能。
中型以上货车,普通铸造的制动鼓壁厚为 13~18㎜。
三轮自行车标准自行车是一种常见的交通工具,被广泛应用于运动、娱乐和代步等方面。
三轮自行车作为自行车家族的一员,具有稳定性强、载重能力高等优点,深受广大市民的喜爱。
本文将介绍三轮自行车的标准规范,以保障其安全性和可靠性。
一、车架材质与规格三轮自行车的车架是其骨架,直接影响到整车的稳定性和承载能力。
常见的车架材质有钢材、铝合金和碳纤维等,其中钢材车架成本低,但重量较重;铝合金车架轻巧且耐久,成为较为常见的选择;碳纤维车架轻量化,但成本较高。
三轮自行车的车架规格应符合以下要求:1. 车架应具有足够的刚性,能够承受正常使用过程中的冲击和负载。
2. 断面尺寸应满足相关标准,确保车架的稳定性和安全性。
3. 合理的几何设计,确保舒适性和操控性。
二、车轮和轮胎三轮自行车通常采用三个车轮,其中后两个车轮为驱动车轮。
车轮应具备以下特点:1. 轮辋强度和刚度要求高,以保证路面冲击传递到轮胎的平稳性。
2. 合理的尺寸和宽度,以提供足够的接地面积和稳定性。
3. 高质量的轴承系统,确保车轮自由旋转、无阻力和耐久可靠。
轮胎是三轮自行车与地面直接接触的部分,其选择应注意以下要点:1. 合适的胎面花纹和胎压,提供良好的抓地力和稳定性。
2. 耐磨性能好,保证长时间使用不易磨损。
3. 抗刺穿能力强,减少因路面异物而造成的爆胎风险。
三、骑行系统骑行系统包括刹车、变速器等,直接关系到骑行的安全和顺畅。
以下是骑行系统的标准规范:1. 刹车系统应具备良好的制动力和灵敏的刹车反应,确保在紧急情况下能够迅速停车。
2. 变速器应具备平顺的换挡和可靠的传动性能,以满足不同路况与需求的调整。
3. 链条和链轮应具有耐久性,减少因链条脱落或链环脱离而导致的骑行事故。
四、座椅和悬挂系统座椅和悬挂系统直接影响到骑行的舒适性和稳定性,应符合以下要求:1. 座椅应具备合适的宽度和长度,提供舒适的骑行体验。
2. 悬挂系统应有足够的行程和可调性,以减少路面震动对骑行者身体的影响。
冶金车轮标准车轮是工业机械设备中一种常见的零部件,用于传递动力和支撑重量。
冶金车轮是经过特殊冶金工艺处理的车轮,具有更优异的性能和耐用性。
本文将介绍冶金车轮的标准,包括材料、工艺要求和技术性能等方面。
1. 材料要求冶金车轮的材料要求较高,通常采用高强度合金钢或铸铁制造。
下面是冶金车轮的材料要求:•高强度合金钢:要求强度高、硬度适中,能够承受高负荷和冲击力。
常用的材料有42CrMo和40Cr等。
•铸铁:铸铁车轮具有优异的耐磨性和抗冲击性能。
一般采用球墨铸铁(抗拉、抗压和抗冲击性能更好)或灰铸铁(耐磨性更好)制造。
2. 工艺要求冶金车轮的工艺要求包括铸造和热处理两个方面。
下面是具体要求:•铸造:采用优质砂型或金属型进行铸造,确保车轮的几何形状和尺寸精度。
铸造时应控制好冷却速度,避免产生过大的内部应力。
•热处理:通过热处理工艺对车轮进行调质、淬火等处理,提高材料的硬度和强度。
热处理过程包括加热、保温和冷却三个阶段,确保车轮达到设计要求的性能指标。
3. 技术性能要求冶金车轮的技术性能要求较高,下面是常见的要求:•强度:冶金车轮需要具有足够的强度,能够承受工作条件下的高负荷和冲击力。
•硬度:车轮表面需要具有一定的硬度,以提高耐磨性和抗压性能。
•耐磨性:车轮需要具备良好的耐磨性能,以延长使用寿命和减少维护成本。
•抗冲击性:车轮需要具备较好的抗冲击能力,以应对复杂工况下的冲击和震动。
•尺寸精度:车轮的尺寸需要满足设计要求,确保与其他机械部件的配合精度。
4. 质量控制为了确保冶金车轮的质量,需要进行严格的质量控制。
常见的质量控制措施如下:•检验:通过外观检查、尺寸测量、硬度测试等方式对车轮进行全面检验。
•检测设备:使用先进的检测设备,如硬度计、超声波探伤仪等,对车轮进行非破坏性检测,确保无内部缺陷和裂纹。
•抽样检验:根据相关标准和技术规范,对生产中的车轮进行抽样检验,判断整体质量符合标准要求。
•标识和记录:对合格的车轮进行标识,记录相关信息,以便追溯和质量跟踪。
基于单片机的两轮自平衡车控制系统设计摘要两轮自平衡车是一种高度不稳定的两轮机器人,就像传统的倒立摆一样,本质不稳定是两轮小车的特性,必须施加有效的控制手段才能使其稳定;本文提出了一种两轮自平衡小车的设计方案,采用重力加速度陀螺仪传感器MPU-6050检测小车姿态,使用互补滤波完成陀螺仪数据与加速度计数据的数据融合;系统选用STC公司的8位单片机STC12C5A60S2为主控制器,根据从传感器中获取的数据,经过PID 算法处理后,输出控制信号至电机驱动芯片TB6612FNG,以控制小车的两个电机,来使小车保持平衡状态;整个系统制作完成后,小车可以在无人干预的条件下实现自主平衡,并且在引入适量干扰的情况下小车能够自主调整并迅速恢复至稳定状态;通过蓝牙,还可以控制小车前进,后退,左右转;关键词:两轮自平衡小车加速度计陀螺仪数据融合滤波 PID算法Design of Control System of Two-Wheel Self-Balance Vehicle based onMicrocontrollerAbstractTwo-wheel self-balance vehicle is a kind of highly unstable two-wheel robot. The characteristic of two-wheel vehicle is the nature of the instability as traditional inverted pendulum, and effective control must be exerted if we need to make it stable. This paper presents a design scheme of two-wheel self-balance vehicle. We need using gravity accelerometergyroscope sensor MPU6050 for the inclination angle of vehicle, and using complementary filter for the data fusion of gyroscope and accelerometer. We choose an 8-bit microcontroller named STC12C5A60S2 from STC Company as main controller of the control system. The main controller output control signal, which is based on the data from the sensors, to the motor drive chip named TB6612FNG for controlling two motors of vehicle, and keeping the vehicle in balance. After the completion of the control system, the vehicle can achieve autonomous balance under the conditions of unmanned intervention, the vehicle can adjust automatically and restored to a stable state quickly in the case of giving appropriate interference as well. In addition, we can control the vehicle forward, backward and turn around. Key words: Two-Wheel Self-Balance Vehicle; Accelerometer; Gyroscope; Data fusion;Complementary filter; PID algorithm1 绪论自平衡小车的研究背景近几年来,随着电子技术的发展与进步,移动机器人的研究不断深入,成为目前机器人研究领域的一个重要组成部分,并且其应用领域日益广泛,其所需适应的环境和执行的任务也更复杂,这就对移动机器人提出了更高的要求;比如,户外移动机器人需要在凹凸不平的地面上行走,有时机器人所需要运行的地方比较狭窄等;如何解决机器人在这些环境中运行的问题,已成为现实应用中所需要面对的一个问题;两轮自平衡小车就是在这些的需求下所产生的;这种机器人相对于其他移动机器人的最显着特点是:采用了两轮共轴、各自独立驱动的方式工作,车身重心位于车轮轴上方,通过车轮的前后滚动来保持车身的动态平衡,并可以在直立平衡状态下完成前进、后退、左右转等任务;正是由于其特殊的构造,两轮自平衡小车适应地形变化的能力较强,且运动灵活,可以胜任一些复杂环境中的工作;两轮自平衡车自面世以来,一直受到世界各国机器人爱好者和研究者的关注,这不仅是因为两轮自平衡车具有独特的外形和结构,更重要的是因为其自身的本质不稳定性和非线性使它成为很好的验证控制理论和控制方法的平台,具有很高的研究价值;早在1987年,日本电信大学教授山藤一雄就提出了两轮自平衡机器人的概念;这个基本的概念就是用数字处理器来侦测平衡的改变,然后以平行的双轮来保持机器的平稳;本世纪初;美国发明家狄恩·卡门与他的DEKA公司研发出了可以用于载人的两轮自平衡车,并命名为赛格威,投入市场后,引发了自平衡车的流行;由于两轮自平衡车有着活动灵活,环境无害等优点,其被广泛应用于各类高规格社会活动中,目前该车已用于奥运会、世博会、机场、火车站等大型场合;自平衡小车研究意义由于两轮自平衡小车具有结构特殊、体积小、运动灵活、适应地形变化能力强、能够方便的实现零半径回转、适合在拥挤和危险的空间内活动、可以胜任一些复杂环境里的工作;因此两轮自平衡车有着广泛的应用前景,其典型应用包括代步工具、通勤车、空间探索、危险品运输、高科技玩具、控制理论测试平台等方面;目前自平衡车的应用如自平衡的代步车正在流行开来;因此两轮自平衡车的研究很有意义;论文的主要内容本论文主要叙述了基于单片机的两轮自平衡车控制系统的设计与实现的整个过程;主要内容为两轮自平衡小车的平衡原理,直立控制,蓝牙控制;整个内容分为六章,包括绪论、课题任务与关键技术、系统原理概述、系统硬件设计、系统软件设计和系统的机械安装及调试;第一章主要讲解了课题的研究背景及意义,国内外研究现状;第二章主要讲解了设计的主要任务与所需的关键技术;第三章主要讲解了两轮自平衡小车控制系统的直立控制原理,转向控制原理;第四章主要讲解了系统的硬件设计,介绍了自平衡小车控制系统的硬件构成,主控芯片STC12C5A60S2的结构及组成,以及稳压电源模块,倾角测量模块,直流电机驱动模块,蓝牙控制模块和两轮测速模块的设计;第五章主要讲解了软件设计的算法功能与框架,主要描述了控制系统的程序实现以及PID算法的使用;第六章主要讲解了系统的调试与参数整定;最后总结与展望,总结本设计的各个模块,并对两轮自平衡小车的优化方向进行简要的阐述;2 课题任务与关键技术主要任务本文研究并设计了一种基于单片机的两轮自平衡小车控制系统,实现了两轮小车的自主直立控制与蓝牙控制功能;系统采用STC12C5A60S2单片机作为核心控制单元,通过增加各种传感器,设计相应电路并编写相应程序完成平衡控制与蓝牙控制;系统需要利用加速度计和陀螺仪获得车体的倾角和角速度,并对数据进行互补滤波融合;通过编码器获得两轮的速度信息;根据获得的数据信息对速度和倾角进行闭环控制;加入蓝牙通信控制,将所有输出数据进行叠加,输出至驱动芯片,实现对小车的控制;关键技术系统设计两轮自平衡车的系统设计包括:车身机械结构设计,硬件系统设计和软件系统设计;在机械结构上必须保持小车重心的稳定性,才能避免控制系统过于复杂;硬件系统必须包含自平衡车所需的所有电子系统与电气设备;软件系统则负责车身平衡控制与目标效果的实现;数学建模模型的建立有助于控制器的设计,以及控制系统各项参数的大概确定;模型的建立主要使用牛顿力学定律;姿态检测两轮自平衡车是一个本质不平衡的系统,控制系统对小车的精确控制依赖于姿态检测系统对车身姿态及运动状态的精确检测;目前,一般采用由陀螺仪和加速度计等惯性传感器组成的姿态检测系统对车身倾角进行实时、准确的检测;但是由于惯性传感器自身固有的特性,随着温度、震动等外界变化,会产生不同程度的噪声与漂移,因此必须采用一些滤波算法,对加速度计和陀螺仪所采集的数据进行融合,使测量角度更加真实稳定;控制算法两轮自平衡车所实现的平衡是一种动态的平衡;在遇到外界干扰时,需要通过控制算法来快速将小车恢复至平衡状态;传统的PID算法在各类工业场合有着广泛的应用,完全可以满足本控制系统的要求,因此本控制系统设计采用PID控制算法;3 系统原理分析控制系统任务分解根据系统要求,小车必须能够在没有外界干预的情况下依靠两个同轴安装的车轮保持平衡,并完成前进,后退,左右转等动作;相对于四轮车,控制系统的任务更为复杂,为了能解决该问题,首先将复杂的问题分解成简单的几个问题进行讨论;对系统要求进行分析,可知维持小车直立,并在受到外界干扰后迅速恢复稳态,完全依赖于一对直流电机对车轮的驱动;因此本控制系统的设计可以从对电机的控制着手,控制电机的转速以及转向来实现对小车的控制;小车的控制任务可以分解成以下三个基本任务:(1)控制小车直立:通过控制两个电机的转向保持小车的直立状态;(2)控制小车车速:通过控制两个电机的转速实现车速控制;(3)控制小车转向:通过控制两个电机的转速差实现转向控制;以上三个任务都是通过控制小车两个车轮的驱动电机完成的;直流电机的控制最终取决于电机两端输入的电压大小,将电机近似认为处于线性状态,因此上述三个基本任务可以等效成三种不同控制目标的电压,将这三种电压进行叠加后,便可以得到最终所需的电压,并将其施加在电机上以达到所追求的控制效果;在这三个任务中,保持小车平衡是关键,三个任务执行的优先级为:平衡控制>速度控制>转向控制;由于小车同时受到三种控制的影响,从平衡控制角度来看,其他两个控制就成为了它的干扰;因此对小车速度、方向的控制应该尽量保持平滑,以减少对平衡控制的干扰;上述三种控制各自独立进行,它们各自假设其他两个控制都已经达到稳定;比如控制小车加速和减速的时候,平衡控制一直在起作用,它会自动改变小车的倾角,使小车实现加速和减速;控制原理生活中有很多直立控制的例子,例如一个正常人可以经过简单的练习,让一根直木棒在水平的掌心中保持直立;这需要两个条件:一是托着木棒的手掌可以移动;二是眼睛可以观察到木棒的倾斜角和倾斜趋势角加速度;可以通过手掌的移动抵消木棒的倾斜角度和趋势,从而保持木棒的直立;这两个条件缺一不可,这就是控制中的负反馈机制;单,因为小车有两个车轮着地,因此车体只会在一个平面内发生倾斜;控制车轮转动便可抵消倾斜的趋势从而保持车体直立;数学模型二轮自平衡小车在建模时可以将其简化为倒立摆,便于进行受力分析并建立其数学模型,从而更好的设计控制系统;图 单摆模型与倒立摆模型通过对单摆模型的观察可知,当物体离开平衡位置后会受到重力与线的合作用力,驱使重物回复至平衡位置,并进行周期运动,由于空气阻力的存在,单摆最终会停在平衡位置;可以得出,单摆保持平衡的条件有两点:(1) 受到与位移方向相反的回复力作用;(2) 受到和运动速度相反的阻尼力作用;如果没有阻尼力的作用,单摆会在平衡位置左右晃动无法停止,如果阻尼力过小,单摆会在平衡位置震荡,如果阻尼力过大,则单摆的回复时间将变长,因此存在一个临界阻尼系数,使得单摆停止在平衡位置所需时间最短;车体垂直,车车体向前倾车体向后倾斜,图 通过车轮控制车体平衡倒立摆在偏离平衡位置时,受到的合力与位移方向相同,因此倒立摆不能像单摆一样稳定在垂直位置,并且会加速偏离平衡位置直至倒下;为了让倒立摆能像单摆一样平衡在稳定位置,只能通过增加额外受力使回复力与位移方向相反;控制车轮做加速运动,以小车作为参考系,重心受到一个额外的惯性力,与车轮加速度大小相同,方向相反;因此倒立摆所受到的回复力为F =mgsinθ−macosθ 3-1根据控制系统的特性,角θ需要控制在很小的范围内,并且假设控制车轮加速度与角θ成正比,比例系数为k 1,因此上式可近似处理为F =mgθ−mk 1θ 3-2此时,只要k 1>g ,回复力的方向便和位移方向相反,此时小车可以恢复到平衡位置;为使小车能在平衡位置尽快的稳定下来,还需要有阻尼力,阻尼力与角速度方向相反,大小成正比;式3-2可变为 F =mgθ−mk 1θ−mk 2θ′ 图 小车受力分析mgsinθ−macosθmgθ m3-3式中,k1,k2均为比例系数,θ为小车倾角,θ′为角速度;只要满足k1>g,k2>0,便可以将小车维持在直立状态;k2是小车回到垂直位置的阻尼系数,选取合适的阻尼系数可以保证小车可以尽快稳定在垂直位置;因此为了控制小车稳定,需要精确的测量小车倾角θ的大小和角速度θ′的大小,并以此控制车轮的加速度;4 系统硬件设计本控制系统主要由以下几个模块组成:STC12C5A60S2单片机最小系统、电源管理模块、车身姿态感应模块、电机驱动模块、速度检测模块、蓝牙模块,各模块关系图如下所示:图硬件设计总体框图STC12C5A60S2单片机介绍本控制系统采用STC12C5A60S2单片机作为控制核心;该单片机是深圳宏晶科技有限公司的典型单片机产品,采用了增强型8051内核,片内集成了60KB程序Flash、1KB数据FlashEEPROM、1280字节RAM、2个16位定时/计数器、44根I/O口线、两个全双工异步串行口UART、高速同步通信端口SPI、8通道10位ADC、2通道PWM/可编程计数器阵列/捕获/比较单元PWM/PCA/CCU、MAX810专用复位电路和硬件看门狗等资源;STC12C5A60S2具有在系统可编程ISP功能和在系统调试ISD功能,可以省去价格较高的专门编程器,开发环境的搭建非常容易,并且该单片机所有指令和标准的8051内核完全兼容,具有良好的兼容性和很强的数据处理能力;STC12C5A60S2系列单片机的内部结构框图如下所示,该单片机中包含中央处理器CPU、程序存储器Flash、数据存储器SRAM、定时/计数器、UART 串口、串口2、I/O接口、高速A/D转换、SPI接口、PCA、看门狗及片内R/C振荡器和外部晶体振荡电路等模块;STC12C5A60S2单片机几乎包含了数据采集和控制中所需的所有单元模块,可称得上一个片上系统;图 STC12C5A60S2系列内部结构框图图单片机最小系统电源管理模块电源管理模块为整个硬件电路提供所需的电源,其稳定性是整个硬件电路可靠运行的基础;为了减少各个模块之间的相互干扰,电源模块由若干相互独立的稳压电路模块组成;整个系统由三节的18650锂电池串联供电;选择LM2596S作为稳压芯片,整个系统的供电模块如下图所示;图系统供电模块示意图LM2596S开关电压调节器是降压型电源管理单片集成电路,能够输出3A的驱动电流,同时具有很好的线性和负载调节特性;该器件内部集成频率补偿和固定频率发生器,开关频率为150KHz,与低频开关调节器相比较,可以使用更小规格的滤波元件;该器件还有其他一些特点:在特定的输入电压和输出载荷的条件下,输出电压的误差可以保证在±4%的范围内,振荡频率误差在±15%的范围内;可以用仅80uA的待机电流;可实现外部断电;具有自我保护电路;该器件完全可以满足系统需要;稳压电路原理图如下图所示;图稳压电路原理图车身姿态感应模块在第三章原理分析中可知,为了控制小车稳定,需要精确的测量小车倾角θ的大小和角速度θ′的大小,并以此控制车轮的加速度,以此消除小车的倾角;因此小车倾角以及倾角的角速度的测量成为了控制小车直立的关键;测量小车倾角和角速度可以通过加速度传感器和陀螺仪实现;本控制系统的设计使用了整合性6轴运动处理组件,相较于多组件方案,免除了组合陀螺仪与加速器时的轴间差的问题,减少了大量的封装空间;MPU6050对陀螺仪和加速度计分别用了三个16位的ADC,将其测量的模拟量转化为可输出的数字量,和所有设备寄存器之间的通信采用400kHz 的I2C 接口;为了精确跟踪快速和慢速的运动,传感器的测量范围都是用户可控的,陀螺仪的可测范围为±250,±500,±1000,±2000°/秒dps,加速度计可测范围为±2,±4,±8,±16g;量程越大,测量精度越低;MPU6050实物及坐标轴示意图如下图所示;加速度计MPU6050的加速度计部分可以测量出各轴方向上的加速度,并经过AD 转换后可输出数字信号;加速度检测的基本原理如下图所示;++++X++X图 MPU6050实物图与对应坐标轴示意图 加速度检测的基本原理通过微机械加工技术在硅片上加工形成了一个机械悬臂;它与相邻的电极形成了两个电容;由于加速度使得机械悬臂与两个电极之间的距离发生了变化,从而改变了两个电容的参数;通过集成的开关电容放大电路测量电容参数的变化,形成了与加速度成正比的电压输出;只需要测量出一个轴上的加速度,便可计算出小车的倾角;如下图所示,设小车前进方向是小车直立时MPU6050的Y 轴正向;当小车前倾时,小车重心在Y 轴上所受的力便是重力在Y 轴上的分力,为mgsinθ,因此MPU6050在Y 轴上所获得的加速度为 gsinθ;似乎只需要获得加速度数据就可以获得小车的倾角,但在实际小车的运行过程中,由于小车本身的运动所产生的加速度会产生很大的干扰信号叠加在上述测量信号上,使得输出信号无法准确的反映小车的倾角,如下图所示;小车运动所产生的振动加速度使得输出电压在实际倾角电压附近波动,可以使用低通滤波将其过滤,但也会使得信号无法实时反映小车的倾角变化,从而影响对小车的控制,使得小车无法保持平衡;图 小车受力分析图 加速度计信号波动陀螺仪陀螺仪可以用来测量物体的旋转角速度,它利用了旋转坐标系中的物体会受到克里利奥力的原理,在器件中利用压电陶瓷做成振动单元;当器件旋转时会改变振动频率从而反映出物体旋转的角速度;将MPU6050安装在小车上时,可以测量出小车倾斜的角速度,将角速度信号进行积分便可得到小车的倾角;如下图所示;由于陀螺仪输出的是车模的角速度,不会受到车体振动的影响,因此该信号中的噪声很小,小车的倾角数据又是由所测角速度积分得来,进一步使信号变得平滑,从而使得角度信号更加稳定;但是在实际情况中,测量所得的角速度信号存在微小的误差,经过积分运算之后,会形成累计误差,并会随着时间的延长逐步增加,最终导致电路饱和,无法形成正确的角度信号;如下图所示;测t图 小车的角速度和角图 角度积分漂如上所述,加速度计对加速度很敏感,所获得的数据会由于小车的运动产生高频噪声;而陀螺仪所测得的数据受到车体振动影响很少,但是随着时间延长,容易存在积分漂移;因此可以使用互补滤波,使得这两个传感器正好能弥补相互的缺点;简而言之,互补滤波就是在短时间内采用陀螺仪得到的角度作为最优,定时对加速度转化而来的角度进行取平均值处理来校正陀螺仪所得到的角度;具体实现方法如下图所示;利用加速度计所获得的角度信息θg 与陀螺仪积分后的角度θ进行比较,将比较的误差信号经过比例T g 放大之后与陀螺仪输出的角速度信号叠加之后再进行积分;从上图的框图可以看出,对于加速度计给定的角度θg ,经过比例、积分环节之后产生的角度θ必然最终等于θg ;由于加速度计获得的角度信息不会存在积累误差,所以最终将输出角度θ中的积累误差消除了;加速度计所产生的角度信息θg 中会叠加很强的噪声信号;为了避免该噪声信号对于角度θ的影响,比例系数T g 应该非常小;这样,加速度的噪声图 互补滤波原理框图信号经过比例、积分后,在输出角度信息中就会变得很小;由于存在积分环节,所以无论T g多小,最终输出角度θ必然与加速度计测量的角度θg相等,但是这个调节过程会随着T g的减小而延长;为了避免输出角度θ跟着θg过长,可以采取以下两个方面的措施:(1)仔细调整陀螺仪的放大电路,使得它的零点偏置尽量接近于设定值,并且稳定;(2)在控制电路和程序运行的开始,尽量保持小车处于直立状态,这样一开始就使得输出角度θ和θg相等;此后,加速度计的输出只是消除积分的偏移,输出角度不会出现很大的偏差;电机驱动模块本控制系统采用了TB6612FNG作为直流电机驱动器件,该器件具有很高的集成度,同时能提供足够的输出能力,运行性能和能耗方面也具有优势,因此在集成化、小型化的电机控制系统中,它可以作为理想的电机驱动器件;TB6612FNG是东芝半导体公司生产的一款直流电机驱动器件,它具有大电流MOSFET-H桥结构,双通道电路输出,可同时驱动2个电机;该器件每通道输出最高的连续驱动电流,启动峰值电流达2A/连续脉冲/单脉冲;4种电机控制模式:正转/反转/制动/停止;PWM支持频率高达100kHz;待机状态;片内低压检测电路与热停机保护电路;工作温度:-20~85℃;SSOP24小型贴片封装;如上图所示,TB6612FNG 的主要引脚功能:AIN1/AIN2、BIN1/BIN2、PWMA/PWMB 为控制信号输入端;AO1/AO2、BO1/BO2为2路电机控制输出端;STBY 为正常工作/待机状态控制引脚;VM~15V 和VCC~分别为电机驱动电压输入和逻辑电平输入端;TB6612FNG 是基于MOSFET 的H 桥集成电路,其效率高于晶体管H 桥驱动器,并且外围电路简单,只需外接电源滤波电容就可以直接驱动电机,利于减小系统尺寸;对于PWM 信号,它支持高达100kHz 的频率;TB6612FNG 在本控制系统中的电路连接如下图所示;如上图所示,AIN1/AIN2,BIN1/BIN2以及STBY 连接直单片机的普通I/O 口,STBY 控制器件的工作状态,AIN1/AIN2和BIN1/BIN2的输入决定电机的正反转;单片机的PCA 模块产生PWM 输出作为电机转速的控制手段,连接至TB6612FNG 的PWMA/PWMB;电路采用耐压值25V 的10uF 电解电容和的电容进行电源滤波,使用功率MOSFET 对VM 和VCC 提供电源反接保护;TB6612FNG 图 TB6612FNG 芯片功能示意图图 TB6612FNG 电路连接示意图的逻辑真值表如下图所示;表1 TB6612FNG逻辑真值表输入输出H H H/L H L L制动L H H H L H反转L H L H L L制动H L H H H L正转H L L H L L制动L L H H OFF停止H/L H/L H/L L OFF待机速度检测模块本系统采用安华高公司的L15D11型光电编码器作为车速检测元件,其精度达到车轮每旋转一周,旋转编码器产生448个脉冲,可满足控制精度的要求;图光电编码器由于光电管器件直接输出数字脉冲信号,因此可以直接将这些脉冲信号连接到单片机的计数器或外部中断端口;编码器每个光电管输出两个脉冲信号,它们波形相同,相位相差90°;如果电机正转,第二个脉冲落后90°;如果电机反转,第二个脉冲超前90°;可以通过这个关系判断电机是否正反转,但是在实际电路中,只检测一路脉冲信号,通过该信号得到电机。
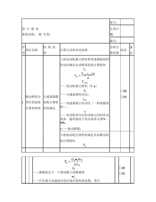
设计规范系统名称:桥车型:表号:生效日期:编号:序号项目名称控制内容计算公式和评定标准分析计算结果结论备注1驱动桥部分零件的强度计算和校核主减速器锥齿轮计算转矩的确定⒈按发动机最大转矩和变速器最低档传动比确定从动锥齿轮的计算转矩——发动机最大转矩(N.m)——主减速器传动比;——变速器最大传动比(一档或爬坡档);——发动机到万向传动轴之间的传动效率,通常情况下传动效率为97%~99%;n——驱动桥数;□OK□NO⒉按驱动轮打滑转矩确定从动锥齿轮的计算转矩——满载状态下一个驱动桥上的静载荷——汽车最大加速度时的后轴负荷转移系数,货车□OK□NO=1.1~1.2;——轮胎与路面间的附着系数,在良好的混凝土或沥青路面上,路面干燥时,值为0.7~0.8,路面潮湿时值为0.5~0.6,干燥的碎石路0.6~0.7,干燥的土路值为0.5~0.6,湿土路面时值为0.2~0.4;——车轮滚动半径(m)——主减速器传动比——主减速器从动齿轮到车轮之间的传动比;(双级减速的轮边减速比)——主减速器从动齿轮到车轮之间的传动比;(双级减速的轮边减速比)——主减速器主动齿轮到车轮之间的传动效率,对于双曲面齿轮副单级减速器,当>6时,取85%,当<6时,取90%,对于双曲面齿轮副双级减速器,取80%,⒊按汽车日常行驶平均转矩确定从动锥齿轮的计算转矩——汽车满载总重(N)——所牵引的挂车满载总重(N),但仅用于牵引车——道路滚动阻力系数,计算时轿车取0.010-0.015,载货汽车取0.015-0.020,越野汽车取0.020-0.035——汽车正常使用式的平均爬坡能力系数,轿车取0.08,载货汽车和城市公共汽车取0.05-0.09,长途公共汽车取0.06-0.10,越野汽车取0.09-0.30。
——汽车或汽车列车的性能参数当时,取当计算锥齿轮最大应力时,计算转矩取前两种的较小值,即=min[];当计算锥齿轮的疲劳寿命时,□OK □NO取。
差速器间隙设计标准差速器是汽车传动系统的重要组成部分,它通过允许车轮以不同的速度旋转来使车辆转向更加流畅。
在差速器的设计和制造过程中,间隙的设置是非常关键的一环。
合理设计的差速器间隙可以确保其正常运转、稳定性和耐用性。
本文将围绕差速器间隙的设计标准展开讨论,探讨其对差速器性能的影响以及相关的设计原则。
一、差速器间隙的定义差速器间隙指的是差速器各齿轮、齿条、齿轮轴等零件之间的间隙。
合适的间隙设计能够有效减小齿轮、齿条等零件之间的磨损,提高传动效率,确保差速器的正常工作。
二、差速器间隙的设计标准1. 齿轮的间隙差速器中齿轮的间隙设计标准应当符合国家标准或者行业标准。
一般来说,齿轮的间隙设计会考虑传动的可靠性和平稳性,以及耐用性和可维护性。
目前,国内对差速器齿轮间隙的标准是在0.15mm~0.25mm之间。
2. 齿条的间隙差速器齿条的间隙是指齿条与齿轮啮合时两者之间的间隙。
合理的齿条间隙设计可以减小齿轮和齿条之间的磨损,提高传动效率。
一般来说,齿条的间隙设计标准应该在0.08mm~0.15mm之间。
3. 齿轮轴的间隙齿轮轴的间隙设计直接关系着差速器的稳定性和传动效率。
设计标准一般应在0.05mm~0.15mm之间。
三、差速器间隙设计标准的影响1. 间隙过大会导致传动系统的松动和震动,降低传动效率,甚至会造成齿轮磨损过快。
2. 如果间隙设计不当,可能会导致传动过程中产生噪音,影响车辆的行驶舒适性。
3. 差速器间隙设计不当还可能导致差速器传动系统的不稳定,影响整个汽车的转向性能和行驶稳定性。
四、差速器间隙设计的原则1. 可靠性原则:通过合理的间隙设计保证差速器传动系统的可靠性,确保车辆在行驶过程中的安全性。
2. 高效原则:合理的间隙设计可以减小齿轮、齿条之间的磨损,提高传动效率。
3. 耐用性原则:差速器间隙设计应该考虑到差速器整体的耐用性,延长其使用寿命。
4. 维护性原则:合理的间隙设计不仅有助于减小传动系统的故障率,也有利于后期的维护和保养工作。
车辆制动方案设计标准背景随着汽车工业的发展,车辆安全已经成为越来越重要的话题。
在整个车辆系统中,制动系统扮演着至关重要的角色,直接影响着车辆的安全性。
因此,车辆制动方案设计需要遵循一定的标准,以保证设计的质量和安全性。
设计标准安全性要求1.制动系统必须保证车辆在制动情况下不发生侧滑和翻车。
2.制动系统必须保证车辆在制动情况下的制动距离不超过制动测试规定的标准。
3.制动系统必须保证在高温,低温和各种不同路况情况下的制动效果不会有明显的变化。
4.制动系统必须进行防抱死(ABS)系统设计,以防止车轮抱死。
稳定性要求1.制动系统必须具有稳定的制动效果,以保证统一的停车制动性能。
2.制动系统必须与车辆其他系统相互适应,不会对车辆方向盘或悬挂系统造成不良影响。
可靠性要求1.制动系统必须具有较高的可靠性,能够始终保持良好的制动效果。
2.制动系统必须能够超过整车寿命的使用寿命,且不需要进行常规的维护和更换。
3.制动系统必须考虑恶劣环境和各种不同道路条件下的使用,如湿地和山区等。
环保要求1.制动系统必须有良好的环保性能,不会对环境造成不良影响。
2.制动系统必须与车辆的排放系统相互配合,减少尾气排放。
设计过程为了满足以上的制动方案设计标准,制动系统的设计需要经过以下的具体步骤:确定车型制动系统设计的第一步是确定车型。
制动系统的设计需要考虑到车辆型号和车辆使用情况等因素,以便为其设计一个最合适的制动方案。
材料选用制动系统设计的第二步是材料选用。
根据具体的车辆型号、使用情况等因素,选用合适的制动片、刹车油、制动盘等零部件。
综合考虑制动系统设计的最后一步是综合考虑。
在制动系统设计的过程中,需要注意系统的组装、安装和调整。
同时,也需要考虑到整个车辆系统中各个部分之间的协调配合,以确保制动系统的正常工作。
总结车辆制动方案是车辆安全的重要保障措施。
车辆制动方案的设计需要遵循一定的标准,并经过严谨的设计流程。
制动系统的安全性、稳定性、可靠性和环保性都是设计过程中要重点关注的因素。
汽车车轮侧滑量检测系统的设计
本系统主要应用于汽车车轮侧滑量的检测。
为保证汽车转向车轮无横向滑移的直线滚动,要求车轮外倾角和车轮前束有适当配合,当车轮前束值与车轮外倾角匹配不当时,车轮就可能在直线行驶过程中不作纯滚动,产生侧向滑移现象。
当这种滑移现象过于严重时,将破坏车轮的附着条件,丧失定向行驶能力,引发交通事故并导致轮胎的异常磨损。
侧向滑移量的大小与方向可用汽车车轮侧滑检验台来检测。
侧滑台结构图:
系统的硬件配置:
2个位移传感器
2组光电开关
模拟量输入模块
开关量输入模块
系统工作原理:
当车轮踏上侧滑板时,第一组光电开关关闭(光电开关在没被挡住的情况下为常开状态),等离开侧滑板时,第二组光电开关关闭,此时记录车轮的侧滑量,一组车轮测试完成。
车轮依次踏上侧滑板,按照上述方式记录侧滑量,完成整个车的侧滑量测试。
功能结构图:
系统功能:
汽车定位:系统提供3种不同的汽车定位系统,分别为单桥定位,双桥定位。
轮毂设计标准规范要求是什么轮毂是汽车的重要组成部分,对于轮毂的设计标准规范有一定的要求。
下面是关于轮毂设计标准规范要求的一些内容(限定在700字内):1. 强度要求:轮毂一般由铝合金、钢材等材料制成,其强度要求必须满足汽车正常行驶时的负荷和振动条件,并确保其能够承受一定的冲击载荷,以确保行车安全。
2. 尺寸规范:轮毂的尺寸规范包括轮毂直径、宽度、中心孔直径、PCD(轮毂螺栓孔圆心距离)等要求。
这些尺寸要求是为了与汽车的车轮和制动系统配合使用,确保轮毂在装配和使用过程中的匹配性。
3. 表面处理:轮毂的表面处理一般包括化学处理和电镀两种方式。
化学处理主要是对铝合金轮毂进行氧化处理以提高表面硬度和附着力,电镀则是为了提高轮毂的防腐蚀性能和美观度。
表面处理的规范要求应满足相关的国家或地区标准。
4. 质量要求:轮毂的质量要求主要涉及材料的成分和性能、制造工艺、外观质量等。
对于有色金属轮毂来说,材料成分要满足相关标准的要求,而制造工艺要求则包括模具设计、铸造过程、CNC加工等。
外观质量要求包括表面有无气泡、裂纹、砂眼等缺陷,以及刻字和标志的清晰度。
5. 滚动性能要求:轮毂的滚动性能主要包括轮毂的平衡性和旋转力矩。
平衡性要求轮毂在装配到车辆后,能够始终保持平衡,不产生过大的离心力和振动;旋转力矩要求轮毂不会产生过大的摩擦阻力,以保证汽车的正常行驶。
6. 热处理要求:对于某些高强度和高刚性的轮毂,可能需要进行热处理以改善其机械和物理性能。
热处理过程包括淬火、回火、时效等,相应的温度、时间和冷却速率需符合规范要求。
总之,轮毂设计标准规范要求是为了保证轮毂在汽车行驶中具备足够的强度和刚性,并且能够与车辆其他部件配合良好,从而确保汽车的安全性和正常运行。
这些规范要求对轮毂的材料、尺寸、质量、表面处理、滚动性能和热处理等方面都有一定的要求。
同时,根据不同国家或地区的标准,这些要求可能略有差异。
牵引车车轮总成的制动系统设计与性能分析1. 引言牵引车作为一种用于运输重型货物的特种车辆,其制动系统的设计和性能分析至关重要。
本文主要针对牵引车车轮总成的制动系统进行设计与性能分析,旨在提高牵引车的刹车效果和安全性。
2. 制动系统设计2.1 制动原理牵引车的制动系统主要依靠压力液体的作用,通过制动器施加摩擦力来减缓车速。
常用的制动原理包括摩擦制动、液压制动和电子制动等。
2.2 制动器选择在设计牵引车车轮总成的制动系统时,需要根据车辆的负载情况、行驶环境和制动要求选择合适的制动器。
常见的制动器类型有盘式制动器和鼓式制动器。
2.3 制动力分配牵引车车轮总成的制动系统需要考虑到各个车轮之间的制动力分配问题,以保证各个车轮制动效果的均衡。
制动力分配系统可以使用机械式分配器或电子控制器来实现。
3. 性能分析3.1 制动效果评估牵引车的制动效果对于安全驾驶和货物运输至关重要。
设计人员需要通过制动力测试和汽车动力学模拟等方法来评估制动效果,例如制动距离、刹车力矩等指标。
3.2 制动系统热效应在长时间连续制动过程中,制动系统会产生大量热量,对制动效果和制动器寿命造成影响。
设计人员需要分析制动系统的热效应,选择合适的散热措施和材料,以确保制动器的正常工作。
3.3 制动系统的抗干扰能力牵引车在复杂的道路环境和恶劣的天气条件下行驶,制动系统需要具备抗干扰能力,以保证制动效果的稳定性。
设计人员应对制动系统进行抗干扰性能测试和环境适应能力评估。
4. 改善设计与优化4.1 制动材料的选择制动系统的性能和耐用性与所选制动材料密切相关。
设计人员应选择高级制动材料,如碳陶瓷制动片或金属陶瓷制动片,以提高制动效果和延长制动器寿命。
4.2 制动力分配系统优化针对制动力分配不均衡的问题,设计人员可以通过调整制动力分配系统的参数或采用先进的电子控制技术来优化系统设计,以达到制动效果均衡的目标。
4.3 制动系统的智能化随着科技的进步,智能化制动系统正在逐渐应用于牵引车的设计。
基于单片机的两轮自平衡车控制系统设计文件排版存档编号:[UYTR-OUPT28-KBNTL98-UYNN208]基于单片机的两轮自平衡车控制系统设计摘要两轮自平衡车是一种高度不稳定的两轮机器人,就像传统的倒立摆一样,本质不稳定是两轮小车的特性,必须施加有效的控制手段才能使其稳定。
本文提出了一种两轮自平衡小车的设计方案,采用重力加速度陀螺仪传感器MPU-6050检测小车姿态,使用互补滤波完成陀螺仪数据与加速度计数据的数据融合。
系统选用STC公司的8位单片机STC12C5A60S2为主控制器,根据从传感器中获取的数据,经过PID算法处理后,输出控制信号至电机驱动芯片TB6612FNG,以控制小车的两个电机,来使小车保持平衡状态。
整个系统制作完成后,小车可以在无人干预的条件下实现自主平衡,并且在引入适量干扰的情况下小车能够自主调整并迅速恢复至稳定状态。
通过蓝牙,还可以控制小车前进,后退,左右转。
关键词:两轮自平衡小车加速度计陀螺仪数据融合滤波 PID算法Design of Control System of Two-Wheel Self-Balance Vehicle based onMicrocontrollerAbstractTwo-wheel self-balance vehicle is a kind of highly unstable two-wheel robot. The characteristic of two-wheel vehicle is the nature of the instability as traditional inverted pendulum, and effective control must be exerted if we need to make it stable. This paper presents a design scheme of two-wheel self-balance vehicle. We need using gravityaccelerometer gyroscope sensor MPU6050 for the inclination angle of vehicle, and using complementary filter for the data fusion of gyroscope and accelerometer. We choose an 8-bit microcontroller named STC12C5A60S2 from STC Company as main controller of the control system. The main controller output control signal, which is based on the data from the sensors, to the motor drive chip named TB6612FNG forcontrolling two motors of vehicle, and keeping the vehicle in balance. After the completion of the control system, the vehicle can achieve autonomous balance under the conditions of unmanned intervention, the vehicle can adjust automatically and restored to a stable statequickly in the case of giving appropriate interference as well. In addition, we can control the vehicle forward, backward and turn around. Key words: Two-Wheel Self-Balance Vehicle; Accelerometer; Gyroscope; Data fusion;Complementary filter; PID algorithm1 绪论自平衡小车的研究背景近几年来,随着电子技术的发展与进步,移动机器人的研究不断深入,成为目前机器人研究领域的一个重要组成部分,并且其应用领域日益广泛,其所需适应的环境和执行的任务也更复杂,这就对移动机器人提出了更高的要求。
车轮和轮胎总成设计规范编制:日期:校对:日期:审核:日期:标准:日期:批准:日期:前言范围 规范性引用文件 术语和定义 轮胎车轮 输入条件 车轮和轮胎总成的匹配设计 车轮和轮胎总成的技术方案 车轮和轮胎总成匹配设计过程 注意的问题 可靠性验证 技术要求车轮 轮胎 输出文件1 2 33.1 3.2 4 5 5.1 5.2 5.3 5.4 6 6.1 6.2 7前言本标准是为了规范我公司汽车产品车轮和轮胎总成的规范设计而编制的,标准中对设计程序、参数的输入、参照标准、结构设计等方面进行了详尽的描述和规定,以此作为今后车轮轮胎在设计时参考的规范性指导文件,车轮和轮胎总成设计规范1 适用范围本规范适用于我公司设计的汽车铁车轮(或铝车轮)和充气轮胎与整车的匹配设计。
2 规范性引用文件下列文件中的条款通过本标准的引用而成为本标准的条款。
凡是注日期的引用文件,其随后所有的修改单(不包括勘误的内容)或修订版均不适用于本标准,然而,鼓励根据本标准达成协议的各方研究是否可使用这些文件的最新版本。
凡是不注日期的引用文件,其最新版本适用于本标准。
GB/T 2933充气轮胎用车轮和轮辋的术语、规格代号和标志GB/T 2977载重汽车轮胎系列GB/T 2978轿车轮胎系列GB/T 4502轿车轮胎脱圈耐久性试验方法转鼓法GB/T 4053轿车轮胎强度试验方法GB/T 4504轿车无内胎轮胎脱圈阻力试验方法GB/T 6326轮胎术语GB/T 7034轿车轮胎高速性能试验方法转鼓法GB 7063汽车护轮板GB 9743轿车轮胎GB 9744载重汽车轮胎QC/T 242汽车车轮不平衡量要求及测试方法QC/T 259车轮轮辋、轮辐焊接强度要求及试验方法QC/T 5334轿车车轮冲击试验方法3 术语和定义3.1 轮胎轮胎术语除下列规定外, 其它术语按GB/T 6326 的规定。
3.1.1 斜交轮胎帘布层和缓冲层各相邻层帘线交叉,且与胎冠中心线呈小于90°角排列的充气轮胎。
制动盘外径设计标准是什么
制动盘外径设计标准是制动系统中的关键参数之一,它直接影响到制动性能和安全性。
以下是制动盘外径设计标准的相关内容,共计700字。
在设计汽车制动盘的外径时,需要根据车辆的重量、功率、驱动方式、车轮尺寸等因素来确定合适的尺寸,以保证制动性能的稳定和安全。
首先,制动盘的外径应能满足制动力矩的需求。
制动盘与刹车片之间的摩擦力矩决定了制动力的大小,而制动力矩与制动盘的外径成正比。
因此,为了满足制动力的需求,制动盘外径通常会根据车辆的重量和功率进行设计。
其次,制动盘的外径还应能满足热量的散发需求。
制动盘在制动过程中会产生大量的热量,如果热量无法快速散发出去,就会导致制动效果下降甚至失效。
因此,制动盘的外径应足够大,以增大散热面积,提高热量的散发效率,保证制动性能的稳定。
此外,制动盘的外径还应考虑到车轮尺寸的限制。
制动盘是安装在车轮上的,其外径不能超过车轮的尺寸,否则会导致安装不上或者与轮胎发生碰撞。
因此,在制动盘设计时,需根据车轮尺寸的限制,合理确定制动盘的外径。
与外径相关的参数还有制动盘的内径和厚度。
制动盘与车轮轴通过固定螺栓连接,在设计制动盘的外径时,还需考虑车轮轴的尺寸和连接方式。
另外,制动盘的厚度会影响整个制动系统
的散热性能、制动力矩的传递等,因此也是需要考虑的重要参数之一。
综上所述,制动盘外径的设计标准主要包括:满足制动力矩的需求、满足热量的散发需求、考虑车轮尺寸的限制以及与内径和厚度等参数的协调。
制动盘外径的设计应根据具体的车辆特性、工况要求以及制动系统的设计要求来确定,以保证制动性能的稳定和安全。
可编辑修改精选全文完整版一、国标要求1、GB 12676-1999《汽车制动系统结构、性能和试验方法》2、GB 13594-2003《机动车和挂车防抱制动性能和试验方法》3、GB 7258-1997《机动车运行安全技术条件》二、整车基本参数及样车制动系统主要参数整车基本参数样车制动系统主要参数三、计算1. 前、后制动器制动力分配1.1 地面对前、后车轮的法向反作用力 公式:gz h dt du mGb L F +=1 ………………………………(1) gz h dt du mGa L F -=2 (2)参数:1z F ——地面对前轮的法向反作用力,N ;2z F ——地面对后轮的法向反作用力,N ;G ——汽车重力,N ;b ——汽车质心至后轴中心线的水平距离,m ;a ——汽车质心至前轴中心线的距离,m 。
m ——汽车质量,kg ;gh ——汽车质心高度,m ;L ——轴距,m ;dt du——汽车减速度,m/s 2四、制动器的结构方案分析制动器有摩擦式、液力式和电磁式等几种。
电磁式制动器虽有作用滞后小、易于连接且接头可靠等优点,但因成本高而只在一部分重型汽车上用来做车轮制动器或缓速器。
液力式制动器只用作缓速器。
目前广泛使用的仍为摩擦式制动器。
摩擦式制动器按摩擦副结构形式不同,分为鼓式、盘式和带式三种。
带式只用作中央制动器。
一、鼓式制动器鼓式制动器分为领从蹄式、双领蹄式、双向双领蹄式、双从蹄式、单向增力式、双向增力式等几种,见图la ~f 。
不同形式鼓式制动器的主要区别有:①蹄片固定支点的数量和位置不同。
②张开装置的形式与数量不同。
③制动时两块蹄片之间有无相互作用。
因蹄片的固定支点和张开力位置不同,使不同形式鼓式制动器的领、从蹄数量有差别,并使制动效能不同。
制动器在单位输入压力或力的作用下所输出的力或力矩,称为制动器效能。
在评比不同形式制动器的效能时,常用一种称为制动器效能因数的无因次指标。
制动器效能因数的定义为,在制动鼓或制动盘的作用半径R 上所得到的摩擦力(RM μ)与输入力0F 之比,即RF M K 0μ=式中,K 为制动器效能因数;μM 为制动器输出的制动力矩。
DB4403/T 6—2019目次前言 (II)1 范围 (1)2 规范性引用文件 (1)3 术语和定义 (2)4 行车组织与运营管理 (4)5 车辆 (5)6 限界 (9)7 线路 (10)8 道岔 (15)9 车站建筑 (17)10 车站结构 (20)11 导轨梁桥工程 (20)12 供电系统 (23)13 列车控制系统 (26)14 通信及其他系统 (29)15 综合调度及火灾自动报警系统 (31)16 机电设备 (33)17 综合车场 (35)18 防灾与救援 (37)19 环境保护 (38)附录A(规范性附录) 道岔 (39)附录B(资料性附录) 车辆限界图 (42)IDB4403/T 6—2019胶轮有轨电车系统技术规范1 范围本标准规定了胶轮有轨电车系统的行车与运营组织、车辆、限界、线路、道岔、车站建筑、车站结构、导轨梁桥工程、供电系统、列车控制系统、通信及其他系统、综合调度及火灾自动报警系统、机电设备、综合车场、防灾与救援和环境保护等相关内容。
本标准适用于小运量、专用路权,以高架为主,最高运行速度不宜超过80 km/h,高峰小时断面客运量不超过1万人次的胶轮有轨电车系统新建工程。
2 规范性引用文件下列文件对于本文件的应用是必不可少的。
凡是注日期的引用文件,仅注日期的版本适用于本文件。
凡是不注日期的引用文件,其最新版本(包括所有的修改单)适用于本文件。
GB 3096 城市区域环境噪声标准GB 7588 电梯制造与安装安全规范GB 8702 电磁环境控制限值GB 8978 污水综合排放标准GB 9254 信息技术设备的无线电骚扰限值和测量方法GB 10071 城市区域环境振动测量方法GB/T 12325 电能质量供电电压允许偏差GB/T 14549 电能质量公用电网谐波GB 14892 城市轨道交通列车噪声限值和测量方法GB 16899 自动扶梯和自动人行道的制造与安装安全规范GB 17625.1 电磁兼容限值低压电气及电子设备发出的谐波电流发射限值GB/T 17626 电磁兼容试验和测量技术(所有部分)GB 20286 公共场所阻燃制品及组件燃烧性能要求和标识GB/T 21562 轨道交通可靠性、可用性、可维修性和安全性规范及示例GB/T 22239 信息安全技术信息系统安全等级保护基本要求GB/T 24338 轨道交通电磁兼容GB/T 28808 轨道交通通信、信号和处理系统信号和防护系统软件GB/T 28809 轨道交通通信、信号和处理系统信号用安全相关电子系统GB/T 31467 电动汽车用锂离子动力蓄电池包和系统GB/T 31485 电动汽车用动力蓄电池—安全要求及试验方法GB/T 31486 电动汽车用动力蓄电池电性能要求及试验方法GB/T 32590.1 轨道交通城市轨道交通运输管理和指令/控制系统第1部分:系统原理和基本概念GB 50007 建筑地基基础设计规范GB 50009 建筑结构荷载规范GB 50011 建筑抗震设计规范GB 50016 建筑设计防火规范GB 50034 建筑照明设计标准1DB4403/T 6—20192 GB 50045 高层民用建筑设计防火规范GB 50053 20kV及以下变电所设计规范GB 50054 低压配电设计规范GB 50057 建筑物防雷设计规范GB 50059 35~110kV变电所设计规范GB/T 50062 电力装置的继电保护和自动装置设计规范GB/T 50065 交流电气装置的接地设计规范GB 50067 汽车库、修车库、停车场设计防火规范GB 50116 火灾自动报警系统设计规范GB 50139 内河通航标准GB 50156 汽车加油加气站设计与施工规范GB 50157 地铁设计规范GB 50217 电力工程电缆设计规范GB 50458 跨座式单轨交通设计规范GB 50763 无障碍设计规范GB 50974 消防给水及消火栓系统技术规范GB 51151 城市轨道交通共公安全防范系统工程技术规范GB 51249 建筑钢结构防火技术规范GB 51251 建筑防烟排烟系统技术标准CJJ 11 城市桥梁设计规范CJJ 152 城市道路交叉口设计规程CJJ 166 城市桥梁抗震设计规范CJJ/T 235 城镇桥梁钢结构防腐蚀涂装工程技术规程CJJ 377 城市道路工程设计规范CJ/T 417 低地板有轨电车车辆通用技术条件HJ 453 环境影响评价技术导则城市轨道交通JGJ 16 民用建筑电气设计规范JT/T 722 公路桥梁钢结构防腐涂装技术条件JT/T 933 快速公共汽车交通系统(BRT)站台安全门JTG D60 公路桥涵设计通用规范JTG/T D60 公路桥梁抗风设计规范JTG/T B02-01 公路桥梁抗震设计细则JTG/T B07 公路工程混凝土结构防腐蚀技术规程JTG D63 公路桥涵地基与基础设计规范JTG D64 公路钢结构桥梁设计规范TB 10002 铁路桥涵设计规范TB 10063 铁路工程设计防火规范TB/T 2615 铁道信号故障——安全原则TB/T 3138 机车列车阻燃材料技术条件3 术语和定义下列术语和定义适用于本标准。
车轮和轮胎总成设计规范编制:日期:校对:日期: 审核:日期: 标准:日期: 批准:日期:目次前言1 范围2规范性引用文件3术语和定义3.1 轮胎3.2 车轮4输入条件5车轮和轮胎总成的匹配设计车轮和轮胎总成的技术方案车轮和轮胎总成匹配设计过程注意的问题可靠性验证6 技术要求6.1 车轮6.2 轮胎7 输出文件前言本标准是为了规范我公司汽车产品车轮和轮胎总成的规范设计而编制的,标准中对设计程序、参数的输入、参照标准、结构设计等方面进行了详尽的描述和规定,以此作为今后车轮轮胎在设计时参考的规范性指导文件,车轮和轮胎总成设计规范1 适用范围本规范适用于我公司设计的汽车铁车轮(或铝车轮)和充气轮胎与整车的匹配设计。
2 规范性引用文件下列文件中的条款通过本标准的引用而成为本标准的条款。
凡是注日期的引用文件,其随后所有的修改单(不包括勘误的内容)或修订版均不适用于本标准,然而,鼓励根据本标准达成协议的各方研究是否可使用这些文件的最新版本。
凡是不注日期的引用文件,其最新版本适用于本标准。
GB/T 2933 充气轮胎用车轮和轮辋的术语、规格代号和标志GB/T 2977 载重汽车轮胎系列GB/T 2978 轿车轮胎系列GB/T 4502 轿车轮胎脱圈耐久性试验方法转鼓法GB/T 4053 轿车轮胎强度试验方法GB/T 4504 轿车无内胎轮胎脱圈阻力试验方法GB/T 6326 轮胎术语GB/T 7034 轿车轮胎高速性能试验方法转鼓法GB 7063 汽车护轮板GB 9743 轿车轮胎GB 9744 载重汽车轮胎QC/T 242 汽车车轮不平衡量要求及测试方法QC/T 259 车轮轮辋、轮辐焊接强度要求及试验方法QC/T 5334 轿车车轮冲击试验方法3 术语和定义3.1 轮胎轮胎术语除下列规定外,其它术语按GB/T 6326的规定。
3.1.1 斜交轮胎帘布层和缓冲层各相邻层帘线交叉,且与胎冠中心线呈小于90°角排列的充气轮胎。
3.1.2 子午线轮胎胎体帘布层帘线与胎冠中心线呈90°角或接近90°角排列,并以带束层箍紧胎体的充气轮胎。
3.1.3 有内胎轮胎外胎内腔中需装配内胎的充气轮胎。
3.1.4 无内胎轮胎不需装配内胎的轮胎,该胎里气密层和胎圈与轮辋严密固着以保持气压。
3.1.5 轮胎规格由轮胎名义直径、名义断面宽、名义高宽比、结构代号和轮辋名义直径组合所表示的轮胎尺寸。
3.1.6 速度符号按规定充气后,在相应负荷下,轮胎最高行驶速度的特定符号。
3.1.7 胎面磨耗标记指示胎面已经磨到必须进行翻新的标记。
3.1.8 静负荷半径轮胎在静止状态下受法向负荷作用后,从轮轴中心到支撑平面的垂直距离。
3.1.9 动负荷半径轮胎在负荷行驶中,当倾角为零度时,从轮轴中心到支撑平面的垂直距离。
3.1.10 静不平衡轮胎主惯性轴线与原轴线平行位移的一种不平衡现象。
3.1.11 动不平衡轮胎主惯性轴线与原轴线既不平行,也不在重心相交的一种不平衡现象。
3.1.12 轮胎规格表示方法3.2 车轮车轮术语除下列规定外,其它术语按GB/T 2933的规定。
3.2.1 轮辋车轮上安装和支承轮胎的部件。
3.2.2 轮辐车轮上介于车桥和轮辋之间的支承部件。
3.2.3 偏距偏距是轮辐安装平面到轮辋中心平面的距离。
轮辋中心平面位于轮辐安装平面内侧的车轮的偏距为负,相反则为正。
3.2. 4 车轮规格表示方法15 × 5.5 J轮辋的轮缘轮廓的代号轮辋的尺寸轮辐的尺寸4 车轮和轮胎匹配设计的输入条件4.1 整车配置定义车轮为铁车轮或铝车轮,车轮的规格大小或轮胎的参数。
4.2 前后桥参数,主要是车轮安装面之间距离、车轮装配参数和前后制动器的参数。
4.3 整车满载或最大允许载荷时前后轴载荷。
5 车轮和轮胎总成的匹配设计5.1 车轮和轮胎总成的技术方案根据整车技术条件或设计任务书等选择车轮轮胎的型号规格、型式、车轮偏距等,以及所需要的车轮轮胎的承载能力和车轮轮胎的技术要求。
5.2 车轮和轮胎总成匹配设计过程车轮、轮胎规格匹配设计车轮安装参数等设计,轮胎花纹、速度级别等选择技术要求数模与图纸供应商提交性能试验报告(最好是第三方)整车可靠性路试整车技术条件或设计任务书相关部件之间的间隙校核等不可接受否匹配设计完成可接受车轮外观评审(铝车轮)通过5.2.1 车轮的规格尺寸和轮胎的规格根据整车规定车轮、轮胎规格(主要是直径)初步选定所需车轮的规格尺寸(主要是轮辋轮辐的参数)和轮胎的规格,此时应综合考虑车轮、轮胎的供应商和GB/T2978《轿车轮胎系列》或GB/T2977《载重汽车轮胎系列》来设计匹配,选择轮胎时还应考虑到轮胎的负荷指数、侧偏刚度、速度级别以及胎面花纹,以及轮胎的3c 认证及美国的DOT 认证等。
同时,必须考虑所开发或选用的车轮和轮胎之间的匹配性。
一般来说,根据所选用轮胎在GB/T2978《轿车轮胎系列》或GB/T2977《载重汽车轮胎系列》中所对应规格的车轮进行铝车轮或铁车轮的匹配设计开发。
5.2.1.1 轮胎的花纹分为:直沟花纹、横沟花纹、纵横沟花纹、泥雪地花纹、越野花纹等五种,目前,我公司主要用的为标识为“M+S ”的泥雪地花纹(我公司用的这种轮胎实际上是按照四季轮胎的标准生产的,故从功能上来说是四季轮胎),轮胎的花纹对整车的油耗和噪音有一定的影响,一般来说,装备越野花纹轮胎较装备其他花纹的轮胎的油耗要高,噪音要大,在进行整车匹配设计时对此必须有所考虑。
同时,由于轮胎的大小直接影响到车速里程表的匹配设计,故在进行整车匹配设计时应该考虑到里程表等相关部件的匹配设计。
5.2.1.2 轮胎的负荷指数设计轮胎负荷指数应比整车设计规定的单轮最大载荷至少大50kg 。
5.2.1.3 轮胎的速度级别轮胎的速度级别应比整车设计规定的最高车速至少大20~30km/h 。
5.2.2 根据前后桥的技术参数选择车轮的偏距和安装参数,以及车轮的定位方式。
车轮的偏距是由桥的结构和整车参数来决定的,不能随意更改车轮的偏距。
车轮的安装参数主要包括中心孔直径、安装螺栓孔数目和直径、安装孔的分布圆直径。
车轮的定位方式主要是指中心孔定位(如例1)和螺栓孔定位(如例2),采用中心孔定位时,就是中心孔和轮毂配合有公差要求,一般孔取上偏差,轴取下偏差,安装螺母采用平面螺母;采用螺栓孔定位时,就是螺栓孔和螺栓配合有公差要求,安装螺母采用60°锥面螺母。
例1:车轮中心孔直径为15.005.107+φ,轮毂相应安装面直径为012.05.107-φ;例2:车轮上螺栓孔直径为5.0014+φ,60°锥面,安装螺栓为M12×1.5;5.2.3 根据整车的轴荷设定车轮的额定载荷和轮胎的充气压力、静力半径与滚动半径,一般实车确定。
5.2.4 铝车轮还应进行造型评审,造型评审通过后再与供应商进行具体的开发工作。
5.2.5车轮的动不平衡量(克.厘米,g.cm ),不应大于下表规定限值规定。
车轮名义直径 12131415 16 17 18 19 20 动不平衡量 400 450 450 500650750750具体参照QC/T 242的相关要求。
5.3 设计过程中应注意问题5.3.1 车轮与前制动器和后制动鼓的装配间隙,间隙应大于5mm 。
5.3.2 平衡块在车轮上的安装方式(嵌入式或粘贴)、轴头装饰盖的安装方式(从里往外装还是直接嵌入式)等。
5.3.3 车轮与护轮板(依据GB 7063中相关要求进行校核)、轮眉等部件的间隙及运动关系,特别是在悬架运动校核过程中对此进行校核,保证与相关的零部件不产生干涉现象。
5.4 可靠性验证车轮和轮胎在工装样品之前和装车后应进行下表试验项目,验证相应的性能要求。
阶段试验项目车轮轮胎铁车轮铝车轮工装样品之前动态弯曲疲劳试验动态弯曲疲劳试验强度试验径向疲劳试验径向疲劳试验和冲击试验耐久性轮辋、轮辐的焊接强度试验冲击试验高速性能试验装车后路试可靠性(一般路试里程15000公里)6 技术要求6.1 车轮6.1.1 车轮的动态弯曲疲劳试验(可以参照GB 5334《乘用车车轮性能要求和试验方法》中相关规定)在弯矩M作用下,旋转次数按下表规定。
动态弯曲疲劳试验要求材料强化系数S 最低循环次数摩擦系数钢车轮 1.60 30 000 0.71.33 150 000轻合金 1.60a100 0001.33 270 000注:钢车轮认证实验时两种系数均要使用,轻合金只要选用其中的一种系数a 为优先使用的试验系数试验方法:根据车轮在车辆上安装的实际情况,按规定的扭矩值最低值的115%,将车轮紧固在实验装置的支承面,螺母不允许加润滑剂。
调整车轮位置后将轮辋的轮缘夹紧到试验夹具上。
实验的连接件和车轮的配合面应去除多余的堆积物、灰尘或杂质。
车轮的螺栓和螺母在试验过程中可再次紧固。
加载系统应保持规定的载荷,误差不超过±2.5%。
如果在试验过程中螺栓断裂,允许更换螺栓后继续试验。
失效判断依据:对于铝车轮,车轮的任何部位新可见疲劳裂纹 (用着色渗透法,或其它可接受的方法,如萤光探伤法检查);车轮不能继续承受载荷至所要求的的循环次数;如果在达到要求的循环次数之前,加载点的偏移量已超过初始加载全偏移量的10%,应认为车轮试验已经失败。
对于铁车轮,车轮不能继续承受载荷;原始裂纹产生扩展或出现应力导致的侵入车轮断面的可见裂纹;如果在达到要求的循环次数之前,加载点的偏移量已超过初始加载全偏移量的10%,应认为车轮试验已经失败。
6.1.2 车轮的动态径向疲劳试验(可以参照GB5334《乘用车车轮性能要求和试验方法》中相关规定):车轮在径向力的作用下,旋转次数不少于50万次;试验方法:实验车轮所选用的轮胎是车轮厂或汽车制造厂规定的最大承载能力的车胎。
不使用内胎,轮胎通气压力为448±35kPa(冷态时),实验中,气压可能提高,但无需调整。
试验连接件应与车轮相匹配,并用车轮规定使用的螺栓和螺母进行安装,螺母按规定的扭矩最低值的115%拧紧,试验过程中,要定期检查和调整螺母扭矩,螺母不允许加润滑剂。
加载系统应保持规定的载荷,误差不超过±2.5%。
如果在试验过程中轮胎损坏,允许更换轮胎后继续试验。
动态径向疲劳试验要求(钢车轮或轻合金车轮)强化试验系数K 最低循环次数2.25*500 0002.00 1 000 000注:对每种产品的认证试验可根据汽车生产厂的要求只选用其中的一种系数* 为优先使用的试验系数失效判断依据:对于铝车轮,车轮的任何部位出现新可见疲劳裂纹 (用着色渗透法,或其它可接受的方法,如萤光探伤法检查);车轮不能继续承受载荷。
对于铁车轮,车轮不能继续承受载荷;原始裂纹产生扩展或出现应力导致的侵入车轮断面的可见裂纹。