焊接设计、标注管理规定
- 格式:pdf
- 大小:890.28 KB
- 文档页数:24
焊缝标注的标准一、焊缝位置在标注焊缝时,首先需要确定焊缝的位置。
这包括描述焊缝在部件中的相对位置,如对接焊缝、角焊缝等。
同时,需要标明焊缝所在的板材或结构的哪一面。
二、焊缝编号为方便管理和跟踪,每个焊缝都应有一个唯一的编号。
编号应清晰易读,并且能够反映焊缝的特性。
编号应包括一个标识符和可能的序列号。
三、焊缝类型焊缝类型描述了焊缝的基本形状和结构。
常见的焊缝类型包括角焊缝、对接焊缝、塞焊缝等。
焊缝类型应与图纸和焊接工艺相适应。
四、焊接方法焊接方法描述了制造焊缝所使用的工艺。
这包括手工电弧焊、气体保护焊、埋弧焊等。
焊接方法的选择应基于工件材料、厚度和焊接质量要求。
五、焊接参数焊接参数包括电流、电压、焊接速度等,这些参数影响焊接质量。
在标注焊缝时,应明确标明适用的焊接参数范围,以确保焊接的一致性和质量。
六、焊接顺序某些情况下,焊缝的焊接顺序可能会影响焊接质量和工件的整体结构。
因此,在标注焊缝时,应明确规定焊缝的焊接顺序。
七、焊工标识为了确保焊接质量,每个焊工都应有明确的标识。
在标注焊缝时,应标明负责焊接该焊缝的焊工姓名或标识符。
八、焊缝质量等级根据工件的应用和安全要求,焊缝应具有不同的质量等级。
例如,一级焊缝不允许有任何缺陷,二级焊缝允许在一定条件下有缺陷等。
在标注焊缝时,应明确标明质量等级。
九、验收标准验收标准描述了如何评估焊缝的质量。
这包括对焊缝的外观检查、无损检测等要求。
标注时应明确规定验收标准和验收程序。
十、备注信息备注信息用于提供其他与焊缝标注相关的附加信息,如特殊工艺要求、注意事项等。
这些信息可能不经常使用,但在特定情况下非常重要。
焊接作业安全管理规定范文第一章总则第一条为了加强焊接作业的安全管理,防止事故的发生,保障职工的人身安全,根据有关法律法规和国家标准,制定本规定。
第二条本规定适用于所有从事焊接作业的单位和个人,包括公司、工厂、建筑工地、维修厂等。
第三条所有从事焊接作业的人员必须具备相应的职业资格和培训证书,并依法参加职业健康体检。
第四条任何单位和个人不得违反本规定,违反者将承担相应的法律责任。
第二章职责和义务第五条焊接作业单位应当建立完善的焊接作业安全管理制度,明确责任人,并配备专职的安全管理人员。
第六条焊接作业单位应当为从事焊接作业的人员提供必要的职业培训和安全教育,确保他们具备相应的安全技术知识和操作技能。
第七条焊接作业单位应当制定详细的操作规程和安全操作规范,并组织实施。
第八条焊接作业人员应当严守操作规程和安全操作规范,正确佩戴个人防护装备,采取安全措施,确保自己的安全。
第九条焊接作业人员应当及时向上级报告并妥善处理发现的安全隐患和事故风险。
第三章安全措施第十条焊接作业前,必须进行现场安全检查,确保工作环境符合安全要求,并清除安全隐患。
第十一条在焊接作业现场,应当设置明显的安全警示标志,并设立安全警戒线,禁止无关人员靠近。
第十二条在进行有害气体焊接作业时,必须配备有效的通风设备,确保室内空气质量合格。
第十三条在进行高温焊接作业时,必须采取防火防爆措施,确保工作场所的安全。
第十四条在进行电弧焊接作业时,必须确保焊接设备的接地连接良好,防止电击和火灾事故的发生。
第十五条焊接作业现场应当清洁整齐,杂物必须及时清除,避免引发安全事故。
第四章事故应急处理第十六条焊接作业单位应当建立健全事故应急预案,设置专人负责应急救援工作,并定期组织相关演练。
第十七条焊接作业发生事故时,必须及时启动应急预案,采取有效的措施控制事故发展,并及时报告有关部门。
第十八条受伤人员应当第一时间送往医院进行救治,同时尽快组织调查事故原因,采取相应的防范措施。
螺母螺栓焊接标注规范 Document serial number【NL89WT-NY98YT-NC8CB-NNUUT-NUT108】
螺母、螺栓焊接标注规范在2016年8月23日的EN15085年度监督审核中,审核员对公司产品的图纸设计提出更改意见,内容为:“焊缝标注参数中的间距由原来填写的均分更改为具体长度。
”
为规范结构图纸中的焊接标注,现对图纸中的螺母、螺栓焊接标注进行规范,以便公司图纸中焊接标注的统一。
具体规范内容为:对焊接在板上的螺母,螺母承力较小的焊缝采用三段焊缝断续焊接,螺母承力较大的采用满焊焊接,焊缝参数依板厚、螺母尺寸及承力大小来决定。
规范参考示例如下:
1、M4螺母断续焊焊接标注示意:
2、M5螺母断续焊焊接标注示意:
3、M6螺母断续焊焊接标注示意:
4、M8螺母断续焊焊接标注示意:
5、M8螺母满焊焊接标注示意:
6、M10螺母断续焊焊接标注示意:
7、M10螺母满焊焊接标注示意:
8、M12螺母断续焊焊接标注示意:
9、M12螺母满焊焊接标注示意:
10、非标准螺母、螺套根据具体直径和具体应用填写焊缝间距。
——李建力(设计开发一部)。
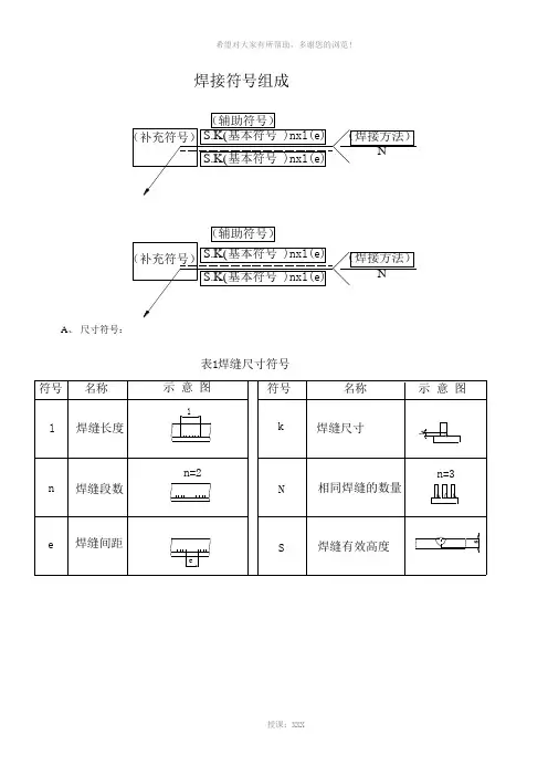
焊接结构施工图焊缝符号标注规范1、焊缝符号是用于在图样上标注焊缝形式、焊缝尺寸和焊接方法等。
2、焊缝符号标注组成:一般由基本符号与指引线组成,必要时加上辅助符号、补充符号和焊缝尺寸符号。
3、基本符号是表示焊缝截面形状的符号,如下表:4、辅助符号:表示焊缝表面形状特征的符号。
有三种:焊缝表面平齐,焊缝表面凹陷,焊缝表面凸起。
一般情况下,不需要确切说明焊缝的表面形状,所以一般情况下辅助符号不需标出。
辅助焊缝示例如下表:5、焊缝补充符号:有时为了补充说明焊缝的某些特征,需要用其它符号说明。
常见有三种:一种是表示背面底部有垫板(图一)。
一种是表示三面围焊(图二)。
一种是表示四面围焊(图三)。
一种是表示现场施焊(图三)。
一种是尾部添加符号(图二)图一. 图二图三6、为了完整地表示焊缝,除了以上符号外,还应包括指引线、一些尺寸符号及数据。
7、焊缝符号在图样上的位置1)基要符号相对基准线的位置,指引线一般由带有箭头的指引线和两条基准线(一条为实线,另一条为虚线)两部份组成(图四),如果焊缝在接头的箭头侧,则将基本符号标在基准线的实线侧(图五),如果焊缝在接头的非箭头侧,则将基本符号标在基准线的虚线侧(图六),标注对称焊缝及双面焊缝时,可不加虚线(图七)。
..图四图五图六图七2)前头线相对焊缝的位置一般没什么要求(图八),但在标注带坡口的V、Y、J形焊缝时,箭头线应指向带有坡口一侧(图九),必要时,充许箭头线弯折一次(图十)。
图八图九图十3)基准线的位置,基准线的虚线可以画在基准线的实线下侧或上侧。
基准线一般应与图样的底边平行,但在特殊条件下亦可与底边互相垂直。
4)标注实际焊缝时,如果尺寸因素较少,直接在焊缝符号上标注。
如果为了更明确地表示出焊缝的形式,就采用机械制图的方式来表示,即画出连接接头截面详细结构和加工尺寸,图十一,图十二。
图十一图十二8、焊缝尺寸符号及其标注位置1)基本符号必要时可以附带尺寸符号及数据,尺寸符号汇总见下表:2)焊缝尺寸符号及数据的标注原则如下图说明:(1)、焊缝横绝面的尺寸,标在基本符号码左侧。
焊缝尺寸符号及数据的标注原则:a、焊缝截面上的尺寸标注在基本符号的左侧;b、焊缝长度方向尺寸标注在基本符号的右侧;c、坡口角度、坡口面角度、根部间隙等尺寸标注在基本符号的上侧或下侧;d、相同焊缝数量符号标注在尾部。
尺寸符号的说明:a、确定焊缝位置的尺寸不在焊缝符号中给出,而将其标注在图样上;b、在基本符号的右侧无任何标注又无其他说明时,表示焊缝在工件的整个长度上是连续的;c、在基本符号的左侧无任何标注又无其他说明时,表示焊缝要完全焊透;d、塞焊缝、槽焊缝带有斜边时,应标注孔底部的尺寸。
C、基本符号:表示焊缝横截面形状的符号序号表3 基本符号名 称示 意 图符 号说 明11形焊缝V形焊缝单边V形焊缝带钝边V形焊缝带钝边U形焊缝带钝边J形焊缝封底焊缝角焊缝塞焊缝或槽焊缝点焊缝缝焊缝R8.5d’为指向图线中心的尺寸其它尺寸参照序号3其它尺寸参照序号4R8.5d’为指向图线中心的尺寸其它尺寸参照序号7R8d’为指向图线中心的尺寸φ13d’为指向图线中心的尺寸偏离中心:尺寸参照上图其它尺寸参照序号12偏离中心:尺寸参照上图2 3 4 5 6 7 8 9 10 1112 133d'R8.5d'7d'1d'1d'45°60°1d'4d'1d'4d'1d'1d'3d'R4.5d'5d'R8d'1d'45°12d'7d'20d'5d'卷边焊缝(卷边完全熔化 )11d'D、辅助符号:表示焊缝表面形状的符号(如尺寸符号、表面粗糙度符号、形状和位置公差符号)的线宽、尺寸字体的字型、字高和笔画宽度相同;焊缝符号的表示法一般由基准线、箭头线和基本符号组成,必要时还可以加上辅助符号、补充符号和焊缝尺寸符号;基准线一般与图样标题栏的长边平行,必要时也可以与标题栏的长边垂直。
工艺管道单线图焊口标注方法与焊接日报规定一:目的:为了确保施工过程中焊接接头统计与管理的准确性与科学性,特制定本规定编制原则:综合考虑:合同计费方式,检测方式,简明扼要,便于归类为原则二:适用范围:本规定适用于DNC2项目的所有工艺管道。
(包括本项目的夹套内外管)本规定不适用于设备内部或者设备自带现场焊接的管道;建筑物上或者内上下水管道;仪表专业的连接管(但就是象取样管、信号等与工艺管道焊接连接的接头属于本规定);工艺管上的伴热管。
三:单线图(轴测图,焊口标注)发放流程:说明:1:管理审核后复印三份给施工单位。
2:标好焊口的原图保存在管理QC组NEWS办公室,必须在原图上进行焊口与局部的焊口修改,改好后复印分发施工单位替换原图,同时把修改的部分在NEWS进行修正。
四:关于单线图版本的一些规定说明1:初版原图发放→施工单位标注焊口→管理审核盖章签名→复印分发各相关单位部门(各单位各部门图纸保持一致)。
2:设计变更图设计变更图FRI,发放路径基本相同,施工单位对老版图纸上的原焊口进行转移,对于修改部分的焊口已经焊接的需要利用的,焊口号跟着转移,新增加的焊口重新编号。
注:修改图由各单位NEWS操作员发放到各施工单位,并收回上版图。
3:现场局部管线修改现场提出的需要进行局部修改(如果只就是增加或者减少仪表接头、放空、遇障避让等不影响设计意图与设计功能的修改),可以在原图上进行修改,不进行单线图的升版,但就是必须提前得到设计的同意(通知管理管道组),改好后由修改人签字(一般就是管理管道组工程师或者现场设计代表),并复印一份修改图给设计部门对设计模型进行修改,但就是单线图不进行升版。
如果需要增加或者减少管道组成件材料的,还必须通知材料控制部门。
(注:变更图、修改图由各单位NEWS操作员及时发放到各施工单位,并收回上版图。
4:现场焊口的改变现场增加或者减少焊口;现场口转预制或者预制转现场口;现场施工需要割除再重新焊接的焊口,所有这些未改变管线规格、走向等特性,只就是焊口号改变的不需要由(施工单位/管理管道组)在原图上直接修改,在焊口圆圈的右上角注明焊口变更代号:C、D、N、M…,并在修改部位圈上云线,注明本页修改版次,下图就是现场修改的取消的五:焊口标注1:管道单线标注的内容包括:管道的段号、焊口号、焊接接头形式、焊口的DB、修改的变更图还有焊口的状态代号(三角版本符号),修改的版本号,本页单线图的最大焊口编号。
工艺管道单线图焊口标注方法和焊接日报规定一:目的:为了确保施工过程中焊接接头统计和管理的准确性和科学性,特制定本规定编制原则:综合考虑:合同计费方式,检测方式,简明扼要,便于归类为原则二:适用范围:本规定适用于DNC2项目的所有工艺管道。
(包括本项目的夹套内外管)本规定不适用于设备内部或者设备自带现场焊接的管道;建筑物上或者内上下水管道;仪表专业的连接管(但是象取样管、信号等和工艺管道焊接连接的接头属于本规定);工艺管上的伴热管。
三:单线图(轴测图,焊口标注)发放流程:说明:1:管理审核后复印三份给施工单位。
2:标好焊口的原图保存在管理QC组NEWS办公室,必须在原图上进行焊口和局部的焊口修改,改好后复印分发施工单位替换原图,同时把修改的部分在NEWS进行修正。
四:关于单线图版本的一些规定说明1:初版原图发放→施工单位标注焊口→管理审核盖章签名→复印分发各相关单位部门(各单位各部门图纸保持一致)。
2:设计变更图设计变更图FRI,发放路径基本相同,施工单位对老版图纸上的原焊口进行转移,对于修改部分的焊口已经焊接的需要利用的,焊口号跟着转移,新增加的焊口重新编号。
注:修改图由各单位NEWS操作员发放到各施工单位,并收回上版图。
3:现场局部管线修改现场提出的需要进行局部修改(如果只是增加或者减少仪表接头、放空、遇障避让等不影响设计意图和设计功能的修改),可以在原图上进行修改,不进行单线图的升版,但是必须提前得到设计的同意(通知管理管道组),改好后由修改人签字(一般是管理管道组工程师或者现场设计代表),并复印一份修改图给设计部门对设计模型进行修改,但是单线图不进行升版。
如果需要增加或者减少管道组成件材料的,还必须通知材料控制部门。
(注:变更图、修改图由各单位NEWS操作员及时发放到各施工单位,并收回上版图。
4:现场焊口的改变现场增加或者减少焊口;现场口转预制或者预制转现场口;现场施工需要割除再重新焊接的焊口,所有这些未改变管线规格、走向等特性,只是焊口号改变的不需要由(施工单位/管理管道组)在原图上直接修改,在焊口圆圈的右上角注明焊口变更代号:C、D、N、M…,并在修改部位圈上云线,注明本页修改版次,下图是现场修改的取消的五:焊口标注1:管道单线标注的内容包括:管道的段号、焊口号、焊接接头形式、焊口的DB、修改的变更图还有焊口的状态代号(三角版本符号),修改的版本号,本页单线图的最大焊口编号。
管道焊口标识管理办法
为配合单线图施工,保证《压力管道安全管理与监察规定》等法规、标准的正确执行,加强压力管道安装质量控制,确保管道质量,特制定管道焊口标识管理办法。
1 单线图发放之前,管道技术员在自己及班组施工用的单线图上,预先标
注焊口号,保持两份单线图焊口号标注一致。
无单线图的班组应拒绝施工。
2 施工班组的作业组长根据预先设置的焊口号,在预制的管段上用油漆或
或油性记号笔写清管线号、焊口号,并在单线图上进行焊工号、焊口号、焊接日期标识,保持两者的一致性。
当实际焊口与预设焊口不一致时,可以适当增减焊口。
在预设焊口N与N+1之间增加焊口时,标记为N-1、N-2…;在预设焊口N、N+1、N+2之间减少焊口时,可将N+1焊口去掉,并在单线图上进行标记。
固定口需在焊口号前加F。
承插口和挖眼三通焊口与对焊口分别标序号,承插口和挖眼三通焊口序号前应加I,与对焊口加以区别(如某条管线对焊口20个,承插口5个,则对焊口的序号为1、2、3……19、20;承插口的序号为I1、I2、I3、I4、I5)。
3技术人员开探伤委托单时,在自己用的单线图上标记探伤焊口(在相应焊口上画圈,并旁注RT或PT等)。
4探伤人员根据委托单进行焊缝探伤,每探完一个焊口,在该焊缝上用黑色或蓝色记号笔或蓝色油漆画“×”。
不探伤的焊口不作标识。
5不锈钢管道焊口酸洗,清洗完毕后在该焊缝边上用黑色或蓝色记号笔标注。
6管道施工完毕,作业组长在单线图上签名,由班长负责收集标识齐全
40。
焊口标识管理规定
☞管道焊口标识格式统一按下表:
管线号
焊口号
焊工号
焊接日期
对外径Φ≤60mm的焊口如采用上述标识方法标注困难,可以不画田字格直接在焊口附近标注管线号、焊口号、焊工号、焊接日期。
☞对接焊缝焊口号用英文字母W表示,即从管道的一端开始编号(一般按管道内介质流向)分别为W1、W2、W3...,支管上的对接接头也按此方法依次编入。
☞角焊缝焊口号用英文字母D表示,也从管道的一端开始分别为D1、D2、D3...,支管上的角接接头按此方法依次编入。
☞要区分活动口和固定口,固定口要在其焊口号后加大写英文字母“G”后缀,已示与活动口区别。
如:活动口 W2 D6
固定口 W7G D12G
☞管道在预制或安装过程中需要增加焊口时,所增加焊口的编号按所插入位置的前一焊口的编号后加大写英文字母“Z”来编制;当此位置插入多道焊口时,再加后缀1、2、3...已示区别。
如在焊口编号为W16、W17的管段内插入一道焊口,则此焊口的焊缝编号为W16Z;若在此管段插入三道焊口,则用W16Z1、W16Z2、W16Z3表示。
单线图焊口标注与管理
单线图焊口标注与管理
图中分A,B,C三个管段,F1,F2,F3为现场安装焊口,寸口数合计为6寸。
A1~A3,B1-B5,C1-C2为预制焊口,预制寸口数合计为20寸。
焊口标注注意事项:
1、预制焊口达到65%,现场安装焊口为35%,减少现场工作量。
2、管段划分要合理,便于运输,长度一般不能长于10-12米,复杂装置区内的管道预制不要太复杂,以免预制好后放不进去。
3、焊口标注顺着管线流向,最前面或最后面一个焊口不标注,要统计,以免在下张图也标注,造成焊口重复。
4 、两端均与设备相连的管线中间最少要留1个现场焊口。
5、与动设备和静设备管嘴相连的法兰口留做现场焊口。
∙guanwutang (2008-8-29 07:44:13)
不知道是通过什么软件来管理焊接的
∙liangzonghui (2008-8-29 07:56:06)
WCS系统: Welding control system——焊接控制系统——控制焊口
FMCS系统: Field Material Control System_——现场材料控制系统——控制材料
并且这两个软件之间的数据可以互相导入和导出
∙liangzonghui (2009-1-01 04:06:43)
现在国内也有这样的软件,但用的不多. 即使用,用的也是马马虎虎.
这样种软件,最主要的是要用在以寸口为管道付款凭证的项目上,这样,使用单位才会配合,把每日焊
接完成量、增加或取消的焊口及时报给总包商。
我喜欢用这种软件管理项目,但是国内总包商单位承包的项目都实行不开。
国内项目的工程建设过程只关注结果,不关注过程。
焊缝尺寸符号及数据的标注原则:a、焊缝截面上的尺寸标注在基本符号的左侧;b、焊缝长度方向尺寸标注在基本符号的右侧;c、坡口角度、坡口面角度、根部间隙等尺寸标注在基本符号的上侧或下侧;d、相同焊缝数量符号标注在尾部。
尺寸符号的说明:a、确定焊缝位置的尺寸不在焊缝符号中给出,而将其标注在图样上;b、在基本符号的右侧无任何标注又无其他说明时,表示焊缝在工件的整个长度上是连续的;c、在基本符号的左侧无任何标注又无其他说明时,表示焊缝要完全焊透;d、塞焊缝、槽焊缝带有斜边时,应标注孔底部的尺寸。
C、基本符号:表示焊缝横截面形状的符号序号表3 基本符号名 称示 意 图符 号说 明11形焊缝V形焊缝单边V形焊缝带钝边V形焊缝带钝边U形焊缝带钝边J形焊缝封底焊缝角焊缝塞焊缝或槽焊缝点焊缝缝焊缝R8.5d’为指向图线中心的尺寸其它尺寸参照序号3其它尺寸参照序号4R8.5d’为指向图线中心的尺寸其它尺寸参照序号7R8d’为指向图线中心的尺寸φ13d’为指向图线中心的尺寸偏离中心:尺寸参照上图其它尺寸参照序号122 3 4 5 6 7 8 9 10 1112 133d'R8.5d'7d'1d'1d'45°60°1d'4d'1d'4d'1d'1d'3d'R4.5d'5d'R8d'1d'45°12d'7d'20d'5d'卷边焊缝(卷边完全熔化 )11d'D、辅助符号:表示焊缝表面形状的符号B、基本规定:在任一图样中,焊缝图形符号的线宽、焊缝符号中字体的字型、字高和字体的笔画宽度应与图样中其他符号(如尺寸符号、表面粗糙度符号、形状和位置公差符号)的线宽、尺寸字体的字型、字高和笔画宽度相同;焊缝符号的表示法一般由基准线、箭头线和基本符号组成,必要时还可以加上辅助符号、补充符号和焊缝尺寸符号;基准线一般与图样标题栏的长边平行,必要时也可以与标题栏的长边垂直。
螺母、螺栓焊接标注规范
在2016年8月23日的EN15085年度监督审核中,审核员对公司产品的图纸设计提出更改意见,内容为:“焊缝标注参数中的间距由原来填写的均分更改为具体长度。
”
为规范结构图纸中的焊接标注,现对图纸中的螺母、螺栓焊接标注进行规范,以便公司图纸中焊接标注的统一。
具体规范内容为:对焊接在板上的螺母,螺母承力较小的焊缝采用三段焊缝断续焊接,螺母承力较大的采用满焊焊接,焊缝参数依板厚、螺母尺寸及承力大小来决定。
规范参考示例如下:
1、M4螺母断续焊焊接标注示意:
2、M5螺母断续焊焊接标注示意:
3、M6螺母断续焊焊接标注示意:
4、M8螺母断续焊焊接标注示意:
5、M8螺母满焊焊接标注示意:
6、M10螺母断续焊焊接标注示意:
7、M10螺母满焊焊接标注示意:
8、M12螺母断续焊焊接标注示意:
9、M12螺母满焊焊接标注示意:
10、非标准螺母、螺套根据具体直径和具体应用填写焊缝间距。
——李建力(设计开发一部)
2016.11.03。
焊缝标注的标准全文共四篇示例,供读者参考第一篇示例:焊缝标注是焊接工程中非常重要的一环,它旨在规范焊接过程中的质量控制,确保焊接接头的质量和可靠性。
焊缝标注需要符合一定的标准和规范,以便工程师和操作人员能够准确地理解和执行。
本文将介绍焊缝标注的标准及其重要性。
一、焊缝标注的意义焊缝是焊接工艺中最核心的部分,它直接影响到焊接接头的质量和性能。
正确的焊缝标注能够为焊接工程提供清晰的指引,帮助工程师和操作人员准确地了解焊接要求和规范,从而确保焊接接头符合设计要求,具有良好的机械性能和耐久性。
焊缝标注通常包括以下内容:1. 焊接方法:标明使用的焊接方法,如手工焊、埋弧焊、气保焊等;2. 焊接位置:标明焊接的具体位置,如水平焊、垂直焊、仰角焊、横角焊等;3. 焊接材料:标明使用的焊材种类和规格,如焊丝、焊条、焊粉等;4. 焊接工艺:标明焊接过程中的各项参数,如焊接电流、电压、焊接速度等;5. 检验要求:标明对焊接接头进行的检验方法和要求,如X射线检测、超声波检测、磁粉检测等。
焊缝标注需要符合相应的标准,以确保焊接工程具有一致性和可靠性。
常见的焊缝标注标准包括:1. GB/T 985.1-1988《焊接术语》:这是中国国家标准,规定了焊接术语和符号的使用方法,包括焊缝的标记和表达;2. AWS A2.4-2012《符号化表示的焊接和切割标准》:这是美国焊接学会(AWS)发布的标准,规定了焊接符号和标记的使用方法,适用于各类焊接和切割过程;3. EN 22553-2008《焊接和相关过程的符号化表示》:这是欧洲标准化委员会(CEN)发布的标准,规定了焊接符号和标志的表达方法,适用于欧洲范围内的焊接工程。
正确的焊缝标注对焊接工程至关重要,它可以起到以下作用:1. 指导焊接操作:焊缝标注可以让操作人员清晰地了解焊接要求和规范,避免出现操作失误和质量问题;2. 保证焊接质量:焊缝标注可以确保焊接接头符合设计要求,避免隐藏质量缺陷和安全隐患;3. 提高焊接效率:焊缝标注可以让工程师和操作人员更加高效地进行焊接工作,减少无谓的沟通和误解。
质监总站焊口标注管理规定一、基本要求1、焊工必须持证上岗,同时佩带焊研室下发的胸卡。
2、焊工必须严格按图纸、规范、焊接施工方案,焊接工艺卡施工。
3、焊缝表面不得有药皮、飞溅、未熔合、气孔,凹陷、裂纹等缺陷。
4、焊工对焊缝表面要自检,合格后方可进行无损探伤,发现缺陷要立即修补,直到合格。
5、焊工必须持焊条筒施焊,不持焊条筒者发现一次罚款5元。
6、焊工要在焊缝附近按规定做好标识。
7、有透视比例的管线需经质检员或技术员点口探伤。
8、用错焊条及时发现,未造成质量事故者罚责任人300元。
如未及时发现己安装到工程上造成严重后果者要负法律责任。
二、无损探伤底片计奖办法1、—次合格率达到96%以上(含96%)每张合格片奖励为每张片为3元2、一次合格率达到90%以上(含90%)每张合格片奖励为每张片为2元3、一次合格率达到85%以上(含85%),不亨受底片奖,不合格片每张罚款1元。
4、一次合格率在84%以下(含84%)不亨受底片奖,每张不合格片罚款1元并扣除当月奖金20元。
5、以上第一、二条,每发生一张不合格片,按每张片奖励数的两倍扣罚。
三、评选优秀焊工条件1、每月底片50张以上,一次焊接合格率96%以上,可评为优秀焊工。
2、没有透视比例的普通和钢结构,为鼓励焊工保证焊接质量和付出的辛勤劳动,经检查员检查外观,点次合格率达到98%以上的(含98%)可评为优秀焊工。
外观检查包括(不锈钢焊口写焊工钢印号,碳钢焊口打钢印号无电弧擦伤、无药皮、表面美观且符合规范要求。
)3、优秀焊工每月评选一次,对评上的优秀焊工每人奖励50元,连续三个月被评为优秀焊工的,另外嘉奖100元。
螺母、螺栓焊接标注规范
在2016年8月23日的EN15085年度监督审核中,审核员对公司产品的图纸设计提出更改意见,内容为:“焊缝标注参数中的间距由原来填写的均分更改为具体长度。
”
为规范结构图纸中的焊接标注,现对图纸中的螺母、螺栓焊接标注进行规范,以便公司图纸中焊接标注的统一。
具体规范内容为:对焊接在板上的螺母,螺母承力较小的焊缝采用三段焊缝断续焊接,螺母承力较大的采用满焊焊接,焊缝参数依板厚、螺母尺寸及承力大小来决定。
规范参考示例如下:
1、M4螺母断续焊焊接标注示意:
2、M5螺母断续焊焊接标注示意:
3、M6螺母断续焊焊接标注示意:
4、M8螺母断续焊焊接标注示意:
5、M8螺母满焊焊接标注示意:
6、M10螺母断续焊焊接标注示意:
7、M10螺母满焊焊接标注示意:
8、M12螺母断续焊焊接标注示意:
9、M12螺母满焊焊接标注示意:
10、非标准螺母、螺套根据具体直径和具体应用填写焊缝间距。
——李建力(设计开发一部)
2016.11.03。