接地变原理图纸讲解
- 格式:pptx
- 大小:1.02 MB
- 文档页数:16
接地变的作用与原理接地变是一种电力系统中常用的电气设备,它在电力系统中具有重要的作用。
接地变的主要作用是将接地电流引入地下导体,避免设备或线路出现大电流通过,造成系统短路或人身安全事故。
下面将从作用和原理两个方面来详细介绍接地变的作用与原理。
一、接地变的作用1.防止设备绝缘击穿:在电力系统中,接地变可将设备绝缘绝对零位,使设备不会有大的感应电势,避免设备的绝缘击穿。
2.保证设备运行的可靠性:通过接地变可以降低电阻的接地电阻,提高系统的故障定位速度,保证设备运行的可靠性。
3.防止人体触电:当系统发生故障时,接地变可将电流通过导地线引入地下,避免电流通过人身而造成触电事故,保障人身安全。
4.保护设备:接地变在电力系统中起到保护设备的作用,避免设备损坏和寿命的缩短。
当系统发生故障时,接地变可将故障电流迅速导引至接地,减少对设备的冲击,从而保护设备。
5.排除系统静电:在静电系统中,接地变可排除系统中的静电,提高系统的抗干扰能力。
二、接地变的原理接地变是通过电阻和电容来实现的。
它由高压侧绕组、中压侧绕组和中间绕组组成。
接地变的中间绕组与低压侧绕组的总阻抗形成了一个回路,这个回路将电流引导至地。
在电力系统中,当系统中出现故障时,如线路断线、设备短路等,电流很容易引发故障电弧和烧毁设备。
为了避免这种情况的发生,需要将故障电流引入地下。
接地变的高压绕组和中压绕组相互串联,其电压比为高压绕组与中压绕组的电压比,即Vh/Vm。
当系统中发生故障时,故障电流通过中压绕组流向地,通过接地电阻流至大地。
接地变的原理主要有以下几点:1.高压绕组与中压绕组之间的电阻将电压降低,从而形成一个较低的电压,减小了设备的感应电势,避免击穿。
2.故障电流通过中压绕组流向地,从而把电流引入地下,避免设备或线路出现大电流通过,造成系统短路。
3.通过电容作用,将其它频率的噪声和干扰分离,提高了系统的抗干扰能力。
4.通过接地变,可以实现对系统进行故障保护和故障检测,快速定位系统故障点。
TN-S接地系统(整个系统的中性线和保护线是分开的)TN-C接地系统(整个系统的中性线和保护线是合一的)TT接地系统(TT接地系统有一个直接接地点,电气装置外露可导电部分则是接地)TN-C-S接地系统(整个系统有一部分的中性线和保护线是合一的)IT接地系统(IT接地系统的带电部分与大地间不直接连接,而电气装置的外露可导电部分则是接地的)字母标识第一字母表示电力系统的对地关系T-----一点接地I-----所有带电部分与地绝缘,或一点经阻抗接地第二字母表示装饰的外露可导电部分对地关系T-----外露可导电部分对地直接电气连接,与电力系统的任何接地点无关N-----外露可导电部分与电力系统的接地点直接电气连接(在交流系统中,接地点通常就是中性点)如果后面还有字母,这个字母表示中性线和保护线的组合S-----中性线和保护线是分开的C-----中性线和保护线是合一的(PEN线)我们国家110KV及以上系统普遍采用中性点直接接地系统(即大电流接地系统)。
35KV、10KV系统普遍采用中性点不接地系统或经大阻抗接地系统(即小电流接地系统) 380V/220V低压配电系统按保护接地的形式不同可分为:IT系统、TT系统和TN系统。
IT系统的电源中性点是对地绝缘的或经高阻抗接地,而用电设备的金属外壳直接接地。
即:过去称三相三线制供电系统的保护接地。
TT系统的电源中性点直接接地;用电设备的金属外壳亦直接接地,且与电源中性点的接地无关。
即过去的三相四线制供电系统中的保护接地。
TN系统,在变压器或发电机中性点直接接地的380/220V三相四线低压电网中,将正常运行时不带电的用电设备的金属外壳经公共的保护线与电源的中性点直接电气连接。
即过去的三相四线制供电系统中的保护接零。
TN系统的电源中性点直接接地,并有中性线引出。
按其保护线形式,TN系统又分为:TN-C系统、TN-S系统和TN-C-S系统等三种。
(1)TN-C系统(三相四线制),该系统的中性线(N)和保护线(PE)是合一的,该线又称为保护中性线(PEN)线。
接地保护
电网在正常运行以及发生相间短路时,三相电流之和为零,即系统中无零序电流。
只有当系统发生单相接地短路时,才会出现零序电流。
HL-9661可以为采用中性点或经消弧线圈接地的35kV以下电压等级的小电流接地系统提供接地保护。
零序电流大于整定值时。
保护可作用于信号或跳闸(由控制字选择)。
其动作方程为:
I0(采样零序电流)>I0(零序电流定值)
t≥t_I0
t为采样零序电流大于接地保护定值的时间;
t_I0为接地保护的整定延时。
接地保护原理逻辑图如下:
复归后
接地控制字
保护动作出口
保护信号出口
保护信号出口
出口信号
图5-8 接地保护原理逻辑图。
工作接地,保护接地各个系统原理(TN,TT,IT)带图1什么是工作接地,什么是保护接地?工作接地,在正常或故障情况下为了保证电气设备的可靠运行,而将电力系统中某一点接地称为工作接地。
例如电源(发电机或变压器)的中性点直接(或经消弧线圈)接地,能维持非故障相对地电压不变,电压互感器一次侧线圈的中性点接地,能保证一次系统中相对低电压测量的准确度,防雷设备的接地是为雷击时对地泄放雷电流。
保护接地,将在故障情况下可能呈现危险的对地电压的设备外露可导电部分进行接地称为保护接地。
电气设备上与带点部分相绝缘的金属外壳,通常因绝缘损坏或其他原因而导致意外带电,容易造成人身触电事故。
为保障人身安全,避免或减小事故的危害性,电气工程中常采用保护接地。
接地保护与接零保护统称保护接地,是为了防止人身触电事故、保证电气设备正常运行所采取的一项重要技术措施。
这两种保护的不同点主要表现在三个方面:一是保护原理不同。
接地保护的基本原理是限制漏电设备对地的泄露电流,使其不超过某一安全范围,一旦超过某一整定值保护器就能自动切断电源;接零保护的原理是借助接零线路,使设备在绝缘损坏后碰壳形成单相金属性短路时,利用短路电流促使线路上的保护装置迅速动作。
二是适用范围不同。
根据负荷分布、负荷密度和负荷性质等相关因素,《农村低压电力技术规程》将上述两种电力网的运行系统的使用范围进行了划分。
TT系统通常适用于农村公用低压电力网,该系统属于保护接地中的接地保护方式;TN 系统(TN系统又可分为TN-C、TN-C-S、TN-S三种)主要适用于城镇公用低压电力网和厂矿企业等电力客户的专用低压电力网,该系统属于保护接地中的接零保护方式。
当前我国现行的低压公用配电网络,通常采用的是TT或TN-C系统,实行单相、三相混合供电方式。
即三相四线制380/220V配电,同时向照明负载和动力负载供电。
三是线路结构不同。
接地保护系统只有相线和中性线,三相动力负荷可以不需要中性线,只要确保设备良好接地就行了,系统中的中性线除电源中性点接地外,不得再有接地连接;接零保护系统要求无论什么情况,都必须确保保护中性线的存在,必要时还可以将保护中性线与接零保护线分开架设,同时系统中的保护中性线必须具有多处重复接地。
接地变的原理及作用随着城市建设发展的需要和供电负荷的增加,许多地方正在城区建设110/10kV终端变电所,一次侧采用电压110kV进线,随着城网改造中杆线下地,城区10kV出线绝大多数为架空电缆出线,10kV配电网络中单相接地电容电流将急剧增加。
根据国家原电力工业部《交流电气装置的过电压保护和绝缘配合》规定,3—66KV系统的单相接地故障电容电流超过10A时,应采用消弧线圈接地方式。
一般的110/10kV变电所,其变压器低压侧为△接线,系统低压侧无中性点引出,因此,在变电所设计中要考虑10kV接地变的设置。
1接地变的原理对于三角形接线的配电系统,要造成系统的中性点,必须接入接地变压器。
接地变压器有二种:Z型接地变压器(ZN、ZN,yn)和星形/三角形接线变压器(YN,d)。
现在,多用Z型接地变压器,其中性点可接入消弧线圈。
Z型接地变压器,在结构上与普通三相芯式电力变压器相同,只是每相铁芯上的绕组分为上、下相等匝数的两部分,接成曲折形连接。
接线方式不同,又分为ZN,yn1和ZN,yn11两种形式。
Z型接地变压器同一柱上两半部分绕组中的零序电流方向是相反的,因此零序电抗很小,对零序电流不产生扼流效应。
当Z型接地变压器中性点接入消弧线圈时,可使消弧线圈补偿电流自由地流过,因此Z 型变压器广为采用作接地变压器。
Z型接地变压器,还可装有低压绕组,接成星形中性点接地(yn)等方式,作为所用变压器使用。
Z型接地变压器有油浸式和干式绝缘两种,其中树脂浇注式是干式绝缘的一种。
适用范围:适用于容量为220千伏安及以下,电压为35千伏及以下的油浸式Z型接地变压器。
对于35KV、66KV配电网,变压器绕组通常采用Y接法,有中性点引出,就不需要使用接地变压器。
对于6KV、10KV配电网,变压器绕组通常采用△接法,无中性点引出,这就需要用接地变压器引出中性点。
接地变压器的作用就是在系统为△型接线或Y型接线中性点未引出时,用于引出中性点以连接消弧线圈。
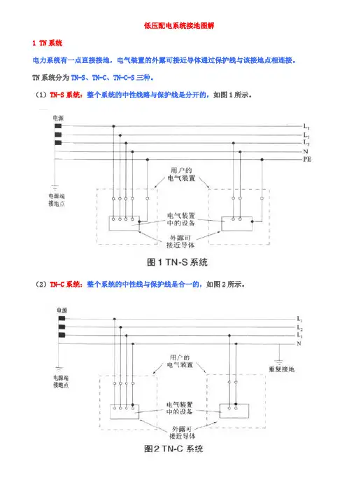
低压配电系统接地图解1 TN系统电力系统有一点直接接地,电气装置的外露可接近导体通过保护线与该接地点相连接。
TN系统分为TN-S、TN-C、TN-C-S三种。
(1)TN-S系统:整个系统的中性线路与保护线是分开的,如图1所示。
(2)TN-C系统:整个系统的中性线与保护线是合一的,如图2所示。
(3)TN-C-S系统:系统中有一部分线路的中性线与保护线是合一的,如图3所示。
2 TT系统电力系统中有一点直接接地,电气设备的外露可接近导体通过保护接地线接至与电力系统地点无关的接地极,如图4所示。
3 IT系统电力系统与大地间不直接连接,电气装置的外露可接近导体,通过保护接地线与接地极连接,如图5所示。
4 各类接地系统的特点分析上述接地系统各有其特点和优缺点,需对其有全面了解,以便正确地选择使用。
4.1 TN-S系统从图1可知,在整个TN-S系统内,PE线和N线被分为两根平行不相交的导线。
正常运行时,PE线不通过电流,也不带电位。
只有在发生接地故障时,会有故障电流通过,因此电气装置的外露可接近导体,在正常运行时不带电位,该系统安全可靠性高。
但它需在回路的全长多敷设一根导线。
4.2 TN-C系统从图2可知,TN-C系统内的PEN线兼作PE线和N线的作用,可节省一根导线,比较经济。
我国过去长期按前苏联规程的规定,广泛采用这一系统。
但从电气安全着眼,这一系统存在较多问题。
(1)当系统为单相回路,在PEN线中断时,设备金属外壳对地将带220 V的故障电压,当人身碰触时,电击死亡的危险很大。
220 V电压回路见图6虚线所示。
(2)当安装剩余电流保护装置时,其PEN线穿过剩余电流保护装置,因接地故障电流产生的磁场,在剩余电流保护装置内相抵消而使剩余电流保护装置拒动,所以在TN-C系统内不能装用剩余电流保护装置来防人身电击。
(3)进行电气维修时,需用四极断路器来隔断中性线上可能出现的故障电压。
因PEN线含有PE 线而不允许被开关切断,所以TN-C系统内不能装用四极开关,来保证维修人员的安全。
10kv接地变工作原理1.概述接地变(G ro un di ng T ra ns fo rm er)是电力系统中一种特殊的变压器,其主要作用是将输电系统的中性点与地之间建立电气链接,起到保护设备和人身安全的作用。
本文将介绍10k v接地变的工作原理及其在电力系统中的应用。
2.工作原理10kv接地变主要由高压侧绕组、低压侧绕组和接地引出装置组成。
其工作原理如下:建立电气连接-:10k v接地变的高压侧绕组与输电系统的中性点相连,形成电气连接。
中性点常由星形连接产生,接地变可将星形连接的中性点引出,使其与地电位建立联系。
转换高压为低压-:接地变的高压侧绕组负责接收输电系统的高压供电,然后通过变压作用将其转换为低压输出。
通常情况下,接地变的低压侧输出为220V,以满足消费者的用电需求。
提供电力保护-:接地变在电力系统中的另一个重要功能是提供电力保护。
当输电系统出现故障导致中性点电压升高时,接地变会通过引出装置将电流引至地电位,以保护设备和人身安全。
3. 10kv接地变的应用3.1人身安全在电力系统中,接地变的主要作用是保护设备和人身安全。
当输电系统发生故障时,如接地故障或线路漏电,会导致设备外壳被带电,存在触电风险。
但通过接地变的引出装置,将电流引至地电位,有效消除了人体触电的危险。
3.2降低电气设备故障率接地变可将输电系统的中性点电位稳定在地电位,有效减少设备的工作电压。
这样,可以避免因电压过高导致设备绝缘损坏和设备故障的发生,提高电气设备的可靠性和稳定性。
3.3保护设备10kv接地变在电力系统中还可起到保护设备的作用。
当系统出现电压暂降或电力负荷异常变化时,接地变可通过变压调节,维持设备的正常运行。
同时,在供电系统的故障情况下,接地变可以有效隔离故障点,避免影响到其他正常工作的设备。
4.总结10kv接地变作为电力系统中重要的设备,通过建立电气连接、转换高压为低压以及提供电力保护等功能,保障了设备和人身安全,降低了设备故障率,并维持了电力系统的正常运行。
接地变压器的原理、特点和容量选择4.1 接地变压器的接线原理当主变压器配电电压侧为三角形接线或为星型接线而中性点不能引出时,必须用一个Z型接线的接地变压器人为地制造一个中性点,中性点接地电阻接入接地变地中性点,如附图所示:Z型接地变压器地特点如下:将三相铁心的每个芯柱上的绕组平均分为两段,两段绕组极性相反,三相绕组按Z形连接法接成星型接线。
Z型接地变压器的电磁特性是:对正序、负序电流呈现高阻抗(相当于激磁阻抗),绕组中只流过很小的激磁电流;由于每个铁心柱上两段绕组绕向相反,同芯柱上两绕组流过相等的零序电流时,两绕组产生的磁通互相抵消,所以对零序电流呈现低阻抗(相当于漏抗),零序电流在绕组上的压降很小。
4.2 接地变压器的容量选择接地变容量的选择依据IEEE-C62.92.3标准,该标准规定接地变压器10秒过载系数为额定容量的10.5倍,因此可首先计算出10秒情况下接地变的容量,然后按10秒允许过载倍数折算为连续运行的额定容量。
计算过程●已知条件:系统额定电压:U=35kV系统额定相电压:U=20.2kV电阻器短时允许通流:I=600A标称电阻值:R=33.7Ω短时通流时间:10秒●接地变的10秒短时运行容量S=3 U I/3=3*20.2*600/3=12120kVA●将10秒短时运行容量折算为连续运行时的额定容量S=S/10.5=12120/10.5=1154kVA取1200kVA●容量选择此种方法是根据变压器的允许过载倍数进行选择的,已考虑了变压器的可靠系数,这里无需再重复考虑可靠系数,所以选择额定容量为1200KVA的接地变压器是完全可以接地安全可靠运行的。
因此,接地变型号:DKSC-1200KVA/35KV五、零序CT的配置及零序保护整定的原则5.1概述采用定时限零序过电流保护或单相接地方向保护,零序保护方式可以准确判断出故障线路,实现有选择性的断开故障线路。
5.2零序电流互感器的配置采用专用的零序电流互感器;5.3单相接地故障零序保护的配置每条馈线首端配置限时零序电流保护;主变低压侧进线间隔装设反映单相接地故障的零序保护,作为母线单相接地故障的主保护和馈线单相接地的后备保护;5.4零序电流保护的一次动作电流5.4.1馈电线路单相接地保护的一次动作电流均按躲过被保护线路本身的单相接地电容电流进行整定:I=K*II――保护装置的依次动作电流;K――可靠系数;I――被保护线路本身单相接地电容电流。
ZNyn1接法的接地变ZNyn1接法的接地变矢量图ZNyn11接法的接地变ZNyn11接法的接地变矢量图一般系统不平衡电压较大时,Z型变压器的三相绕组做成平衡式,就可以满足测量需要。
当系统不平衡电压较小时,Z型变压器的中性点要做出30V~70V的不平衡电压以满足测量需要。
接地变压器除可带消弧线圈外,也可带二次负载,代替站用变。
在带二次负载时,接地变压器的一次容量应为消弧线圈容量与二次负载容量之和。
接地变的最大功能就是传递接地补偿电流。
Z型接地变压器的接线有ZNyn11(如下图)和ZNyn1有两种接线方式。
其降低零序阻抗的原理是:在接地变压器三相铁芯的每一相都有两个匝数相同的绕组,分别接不同的相电压。
当接地变压器线端加入三相正、负序电压时,接地变压器每一铁芯柱上产生的磁势是两相绕组磁势的向量和。
三个铁芯柱上的合成磁势相差120°,是一组三相平衡量。
三相磁通可在三个铁芯柱上互相形成磁通路,磁阻小、磁通量大、感应电势大,呈现很大的励磁阻抗。
当接地变压器三相线端加入零序电压时,在每个铁芯柱上的两个绕组产生的磁势大小相等,方向相反,合成的磁势为零,三相铁芯柱上没有零序磁通。
零序磁通只能通过外壳和周围介质形成闭合回路,磁阻很大,零序磁通很小,所以零序阻抗也很小。
接地变压器的作用是在系统为△型接线或Y型接线中性点无法引出时,引出中性点用于加接消弧线圈,该变压器采用Z型接线(或称曲折型接线),与普通变压器的区别是每相线圈分别绕在两个磁柱上,这样连接的好处是零序磁通可沿磁柱流通,而普通变压器的零序磁通是沿着漏磁磁路流通,所以Z型接地变压器的零序阻抗很小(10Ω左右),而普通变压器要大得多。
全程图解电工维修技法
⑧其他凡因绝缘损坏人能触及的外露可导电部分均应进行保护接地或保护接零。
7.2.3 配电系统的接地或接零代号
按照配电系统接地的方式划分,低压配电系统的保护方式可分为三大类,即IT配电系统、TT配电系统和TN配电系统。
TN又分为TN-S配电系统、TN-C配电系统和TN-C-S配电系统三种,系统分类的字母含义如下所述。
第一位字母表示配电系统电源侧中性点与大地的关系:
I—表示配电系统电源侧中性点不接地或经阻抗接地;
T—表示配电系统电源侧中性点直接接地。
第二位字母表示电气装置外露可导电部分与大地的关系:
T—表示电气外露可导电部分通过接地装置直接与大地做电气上的连接,而与配电系统电源侧中性点接地与否无关;
N—表示电气外露可导电部分与配电系统电源侧中性点接地有直接电气连接。
其他字母表示配电系统中性点接地和保护线的组合情况:
C—表示在同一配电系统中工作零线N与接零保护线PE是合一的。
S—表示在同一配电系统中工作零线N与接零保护线PE由配电系统电源侧中性点工作接地点开始是完全分开的。
C-S—表示在同一配电系统中靠近电源侧工作零线N与接零保护线是合一的,而后工作零线N与接零保护PE线又是分开的。
7.2.4 保护接地的原理及应用
保护接地主要适用于三相三线制中性点不接地的电力系统,其中包括低压三相三线制380V的配电系统和高压3kV、6kV、10kV等三相三线电力电网,同时根据相关规程规定,也适用于低压三相四线制中性点直接接地的公用变压器的配电系统,但居民小区的配电系
— 562 —。
教你识读电源电路图
50
胡老师
第 2 讲 电源变压器降压电路
工作原理分析与理解
胡老师:下面我们讲解电源变压器降压电路。
对这部分内容要求深入掌握,因为它的应用
相当广泛。
电源电路中,通常采用电源变压器进行交流市电电压的降低。
图2-26所示是电源变压器降压电路在电源电路中的位置示意图。
从图中可以看出,电源变压器降压电路在电源电路的前列,220V 交流市电经电源开关电路之后直接进入电源变压器降压电路。
图2-26 电源变压器降压电路在电源电路中位置示意图
有些进口或出口的电子电器中,为了适合不同国家和地区的交流市电电压需要,在电源变压器降压电路之前还设有交流电压转换电路。
2.2.1 电源接地电路工作原理分析与理解
电源电路中的电源变压器二次绕组一端要接整机线路的地线,在讲解电源变压器电路之前,先对地线概念进行讲述。
1.正极性直流电源接地
图2-27所示是采用正极性直流电源供电电路中的接地示意图,从图中可以看出,接地点是电源的负极,电路中所有与电源负极相连的元器件、线路都可以用同一个接地符号来表示,这样同一个电路图中相同符号接地点之间是相通的。
采用这种方法后,可以减少电路图中的连线,从而可以方便电路的分析。
一般电路中采用正极性直流电源供电的情况比较多。
2.负极性直流电源接地
图2-28所示是采用负极性直流电源供电电路中的接地示意图,从图中可以看出,接地点是电源的正极,电路中所有与电源正极相连的元器件、线路都可以用同一个接地符号来表示。