耐高温电缆型有哪些
- 格式:docx
- 大小:141.15 KB
- 文档页数:2
新型耐火电缆材料———陶瓷化耐火硅橡胶及复合带赵源一、概述耐火电缆是指在火焰燃烧情况下能够保持一定时间安全运行的电缆。
我国国家标准GB12666.6(等IEC331)将耐火试验分A、B两种级别,A级火焰温度950~1000℃,持续供火时间90min,B级火焰温度750~800℃,持续供火时间90 min,整个试验期间,试样应承受产品规定的额定电压值。
耐火电缆广泛应用于高层建筑、地下铁道、地下街、大型电站及重要的工矿企业等与防火安全和消防救生有关的地方,例如,消防设备及紧急向导灯等应急设施的供电线路和控制线路。
目前,国内外的防火电线电缆大多采用的氧化镁矿物绝缘电缆和云母带缠绕的耐火电缆;其中,氧化镁矿物绝缘电缆的结构如图1。
.氧化镁矿物绝缘电缆是耐火电缆中性能较优的一种,它是由铜芯、铜护套、氧化镁绝缘材料加工而成的,简称MI(minerl insulated cables)电缆。
该电缆完全由无机物构成耐火层,而普通耐火电缆的耐火层是由无机物与一般有机物复合而成,因此MI电缆的耐火性能较普通耐火电缆更优且不会因燃烧而分解产生腐蚀性气体。
MI电缆具有良好的耐火特性且可以长期工作在250℃高温之下,同时还有防爆、耐腐蚀性强、载流量大、耐辐射、机械强度高、体积小、重量轻、寿命长、无烟的特点。
但价格贵、工艺复杂、施工难度大,在油灌区、重要木结构公共建筑、高温场所等耐火要求高且经济性可以接受的场合,可采用这种耐火性能好的电缆,但只能用于低压耐火电缆。
云母带缠绕的耐火电缆是在导体外部反复缠绕多层云母带,借以阻挡火焰的燃烧,从而延长安全运行的时间,保持线路在一定的时间内畅通。
二、氧化镁白色无定型粉末。
无臭、无味、无毒。
具有极强的耐高低温(高温2500℃,低温-270℃)、抗腐蚀性、绝缘性和良好的导热性和光学性能、无色透明的晶体,熔点2852℃。
氧化镁有高度耐火绝缘性能,熔点很高。
用于生产氧化镁矿物绝缘耐火电缆。
三、云母带云母,是一种片状的无机矿物材料,其特性是绝缘、耐高温、有光泽、物理化学性能稳定,具有良好的隔热性、弹性和韧性和不燃性,又有被剥成具有弹性的透明薄片的性能。
常见电缆型号说明及用途Document serial number【NL89WT-NY98YT-NC8CB-NNUUT-NUT108】电缆的规格型号代表的含义一型号含义:R-连接用软电缆(电线),软结构。
V-绝缘聚氯乙烯。
V-聚氯乙烯绝缘V-聚氯乙烯护套B-平型(扁形)。
S -双绞型。
A-镀锡或镀银。
F-耐高温P-编织屏蔽P2-铜带屏蔽P22-钢带铠装Y—预制型、一般省略,或聚烯烃护套FD—产品类别代号,指分支电缆。
将要颁布的建设部标准用FZ表示,其实质相同YJ—交联聚乙烯绝缘V—聚氯乙烯绝缘或护套ZR—阻燃型NH—耐火型WDZ—无卤低烟阻燃型WDN—无卤低烟耐火型例如:SYV 75-5-1(A、B、C)S: 射频 Y:聚乙烯绝缘 V:聚氯乙烯护套 A:64编 B:96编 C:128编75:75欧姆 5:线径为5MM 1:代表单芯SYWV 75-5-1S: 射频 Y:聚乙烯绝缘 W:物理发泡 V:聚氯乙烯护套75:75欧姆 5:线缆外径为5MM 1:代表单芯来源例如:RVVP2*32/ RVV2* BVRR: 软线 VV:双层护套线 P屏蔽2:2芯多股线 32:每芯有32根铜丝:每根铜丝直径为0.2MMZR-RVS2*24/ZR: 阻燃 R: 软线 S:双绞线2:2芯多股线 24:每芯有24根铜丝:每根铜丝直径为0.12MM型号、名称RV 铜芯氯乙烯绝缘连接电缆(电线)AVR 镀锡铜芯聚乙烯绝缘平型连接软电缆(电线)RVB 铜芯聚氯乙烯平型连接电线RVS 铜芯聚氯乙烯绞型连接电线RVV 铜芯聚氯乙烯绝缘聚氯乙烯护套圆形连接软电缆ARVV 镀锡铜芯聚氯乙烯绝缘聚氯乙烯护套平形连接软电缆RVVB 铜芯聚氯乙烯绝缘聚氯乙烯护套平形连接软电缆RV-105 铜芯耐热105oC聚氯乙烯绝缘聚氯乙烯绝缘连接软电缆AF-205AFS-250AFP-250 镀银聚氯乙氟塑料绝缘耐高温-60oC~250oC连接软电线规格表示法的含义规格采用芯数、标称截面和电压等级表示①单芯分支电缆规格表示法:同一回路电缆根数*(1*标称截面),1KV,如:4*(1*185)+1*95 1KV 请登陆:输配电设备网浏览更多信息②多芯绞合型分支电缆规格表示法:同一回路电缆根数*标称截面,1KV,如:4**185+1*95 1KV③多芯同护套型分支电缆规格表示法:电缆芯数×标称截面-T,如:4×25-T完整的型号规格表示法因为分支电缆包含主干电缆和支线电缆。
高压电缆分类
高压电缆是一种用于输送高电压电力的电缆,通常用于城市供电、工业生产和交通运输等领域。
根据不同的用途和技术要求,高压电缆可以分为以下几类:
1. 交联聚乙烯绝缘电力电缆
交联聚乙烯绝缘电力电缆是一种常见的高压电缆,通常用于输送中低压电力。
其特点是绝缘性能好、机械强度高、耐腐蚀性能好。
此外,这种电缆还具有良好的耐热性能和抗老化能力。
2. 油浸纸绝缘电力电缆
油浸纸绝缘电力电缆是一种传统的高压电缆,通常用于输送中高压电力。
其特点是绝缘性能好、耐热性能好、机械强度高。
但由于使用过程中需要加油充油,所以对环境污染较大。
3. 交联聚乙烯绝缘交联聚乙烯护套(XLPE/XLPE)高压直流输电线路
这种类型的高压电缆主要用于输送高压直流电力,具有较好的绝缘性能和导电性能,可用于远距离输电。
与传统的油浸纸绝缘电力电缆相
比,这种类型的电缆不需要加油充油,对环境污染较小。
4. 交联聚乙烯绝缘铝合金芯塑料护套(XLPE/ACP)高压电力电缆
这种类型的高压电缆主要用于输送中低压电力,具有良好的机械强度和防腐蚀性能。
与传统的油浸纸绝缘电力电缆相比,这种类型的电缆无需加油充油,使用寿命更长。
5. 交联聚乙烯绝缘铜带屏蔽聚氯乙烯护套(XLPE/CV)高压电力电缆
这种类型的高压电缆主要用于输送中低压交流和直流电力,具有良好的防干扰性能和耐化学腐蚀性能。
与其他类型的高压电缆相比,这种类型的电缆更适合在复杂环境下使用。
总之,不同类型的高压电缆根据其特点和用途的不同,各有优缺点。
在选择高压电缆时,需要根据具体情况进行综合考虑,选择最适合自己需求的电缆类型。
耐高温电线电缆通常是指氟塑料电缆或铁氟龙电缆,广泛适用于交流额定电压450/750V、600/1000V及以下电器仪表的连接线和自动控制系统的传输线,具有耐油、防水、耐磨、耐酸碱及各种腐蚀性气体、耐老化、不燃烧等优异性能,适合冶金、电力、石化等行业,在电子行业中,可用于温度补偿导线,耐低温导线,高温加热导线,耐老化电线及阻燃电线;家用电器行业中,可用于空调机,微波炉,电子消毒柜,电饭堡,电子热水瓶,电暖器,电烤箱,电炒锅,灯具灯饰等的内部布线。
耐高温电线电缆相关参数下面安徽康泰来为您分享!耐高温电缆温度范围(1)最高工作温度:聚全氟乙丙烯(F46)绝缘不超过200℃、可溶性聚四氟乙烯(PFA)绝缘不超过260℃(2)最低环境温度:聚氯乙烯护套:固定敷设-40℃,非固定敷设-15℃,氟塑料及硅橡胶护套:固定敷设-40℃,非固定敷设-20℃(3)电缆安装敷设温度应不低于0℃(氟塑料、硅橡胶和丁腈护套电缆不低于-25℃)。
(4)电缆允许弯曲半径:非铠装电缆最小为电缆外径的6倍,铜带屏蔽或钢带铠装电缆最小为电缆外径的10倍,氟塑料绝缘和护套电缆最小为电缆外径的8倍耐高温电缆型号种类KFF 氟塑料绝缘和护套控制电缆KFFP 氟塑料绝缘和护套屏蔽控制电缆KFFR 氟塑料绝缘和护套控制软电缆KFFRP 氟塑料绝缘和护套屏蔽控制软电缆KFV 氟塑料绝缘聚氯乙烯护套控制电缆KFVP 氟塑料绝缘聚氯乙烯护套屏蔽控制电缆KFVR 氟塑料绝缘聚氯乙烯护套控制软电缆KFVRP 氟塑料绝缘聚氯乙烯护套屏蔽控制软电缆KFV22 氟塑料绝缘聚氯乙烯护套钢带铠装控制电缆KFVP22 氟塑料绝缘聚氯乙烯护套钢带铠装屏蔽控制电缆KFVR22 氟塑料绝缘聚氯乙烯护套钢带铠装控制软电缆KFVRP22氟塑料绝缘聚氯乙烯护套钢带铠装屏蔽控制软电缆KFFV22 氟塑料绝缘和内护套聚氯乙烯外护套钢带铠装控制电缆KFFRV22氟塑料绝缘和内护套聚氯乙烯外护套钢带铠装控制软电缆耐高温氟塑料电缆特性1、阻燃:氟塑料的氧指数高,燃烧时火焰扩散范围小,产生的烟雾量少。
如有帮助,欢迎下载。
耐高温氟塑料电线电缆********电缆集团有限公司发布前言本标准由中国电器工业协会提出。
本标准由全国电线电缆标准化技术委员归口。
本标准负责起草单位:********电缆集团有限公司。
本标准主要起草人:本标准于2008年**月**日首次发布。
目录第一部分一般规定 (3)第二部分耐高温氟塑料防腐控制电缆 (11)第三部分耐高温氟塑料防腐电力电缆 (15)第四部分耐高温氟塑料安装线 (19)GB××××.1-2008耐高温氟塑料电线电缆第一部分一般规定1范围本标准规定了耐高温氟塑料电线电缆的产品分类、技术要求、试验方法、检验规则、标志、包装、运输及贮存。
本标准适用于氟塑料绝缘耐高温电缆。
2 引用标准下列标准所包含的条文,通过在本标准中引用而构成为本标准的条文:本标准出版时,所示版本均为有效,所有标准都会被修订,使用本标准的各方应探讨使用下列标准最新版本的可能性:GB/T2951 电线电缆机械物理性能试验GB/T3048 电线电缆电性能试验方法GB/T3956 电缆的导体JB/T8137 电线电缆交货盘GB9330 塑料绝缘控制电缆GB4909 裸电线试验方法GB8170 数值修约规则GB2952 电缆外护层GB/T12706 额定电压1KV(Um=1.2KV)到35KV(Um=40.5KV)挤包绝缘电力电缆及附件GB/T18380 电缆在火焰条件下的燃烧试验GB6995 电线电缆识别标志方法3分类与命名3.1代号3.1.1系列代号控制电缆 K安装线 A软结构 R3.1.2材料代号导体代号铜导体(T)省略镀银铜线导体 Y绝缘代号F46氟塑料绝缘 FF4氟塑料绝缘F4F47氟塑料绝缘F47屏蔽代号铜丝编织屏蔽P镀锡铜丝编织屏蔽 P0铠装代号双钢带铠装 22GB××××.1-2008细圆钢丝铠装 32外护套代号F46氟塑料护套 FF4氟塑料护套H9F47氟塑料护套H113.2表示方法3.2.1产品用型号、规格(额定电压、芯数、标称截面)及标准号表示:3.2.2举例a 铜芯F46氟塑料绝缘F46氟塑料护套控制电缆额定电压450/750V,24芯,标称截面1.5mm2,表示为:JHKFF 24*1.5 Q/AJTZD001.2-2005b铜芯F46氟塑料绝缘F46氟塑料护套镀锡铜丝编织屏蔽高温电力电缆额定电压0.6/1kV,3+1,标称截面50mm2,表示为:JHFFP0 3*50+1*25 Q/AJTZD001.3-20054导体4.1镀锡铜线导体线芯采用JB3135-82TRY型。
型号代码含义:R-连接用软电缆(电线,软结构。
V-绝缘聚氯乙烯。
V-聚氯乙烯绝缘V-聚氯乙烯护套B-平型(扁形。
S-双绞型。
A-镀锡或镀银。
F-耐高温P-编织屏蔽P2-铜带屏蔽P22-钢带铠装Y—预制型、一般省略,或聚烯烃护套FD—产品类别代号,指分支电缆。
将要颁布的建设部标准用FZ表示,其实质相同YJ—交联聚乙烯绝缘V—聚氯乙烯绝缘或护套ZR—阻燃型NH—耐火型WDZ—无卤低烟阻燃型WDN—无卤低烟耐火型例如:SYV 75-5-1(A、B、CS: 射频Y:聚乙烯绝缘V:聚氯乙烯护套A:64编B:96编C:128编75:75欧姆5:线径为5MM 1:代表单芯SYWV 75-5-1S: 射频Y:聚乙烯绝缘W:物理发泡V:聚氯乙烯护套75:75欧姆5:线缆外径为5mm 1:代表单芯例如:RVVP2*32/0.2 RVV2*1.0 BVRR: 软线VV:双层护套线P屏蔽2:2芯多股线32:每芯有32根铜丝0.2:每根铜丝直径为0.2mm ZR-RVS2*24/0.12ZR: 阻燃R: 软线S:双绞线2:2芯多股线24:每芯有24根铜丝0.12:每根铜丝直径为0.12mm 型号、名称RV 铜芯氯乙烯绝缘连接电缆(电线A VR 镀锡铜芯聚乙烯绝缘平型连接软电缆(电线RVB 铜芯聚氯乙烯平型连接电线RVS 铜芯聚氯乙烯绞型连接电线RVV 铜芯聚氯乙烯绝缘聚氯乙烯护套圆形连接软电缆ARVV 镀锡铜芯聚氯乙烯绝缘聚氯乙烯护套平形连接软电缆RVVB 铜芯聚氯乙烯绝缘聚氯乙烯护套平形连接软电缆RV-105 铜芯耐热105oC聚氯乙烯绝缘聚氯乙烯绝缘连接软电缆AF-205AFS-250AFP-250 镀银聚氯乙氟塑料绝缘耐高温-60oC~250oC连接软电线规格表示法的含义:规格采用芯数、标称截面和电压等级表示:①单芯分支电缆规格表示法:同一回路电缆根数*(1*标称截面,0.6/1kV,如:4*(1*185+1*95 0.6/1kV②多芯绞合型分支电缆规格表示法:同一回路电缆根数*标称截面,0.6/1kV,如:4**185+1*95 0.6/1kV③多芯同护套型分支电缆规格表示法:电缆芯数×标称截面-T,如:4×25-T完整的型号规格表示法:因为分支电缆包含主干电缆和支线电缆。
各种电线电缆最高允许温度要求•来源:金环宇电缆•发布日期:2019-09-27 15:29•各种电线电缆(聚氯乙烯绝缘、交联聚乙烯绝缘电缆、架空绝缘电缆、预制分支电缆、橡套电缆、电焊机电缆)温度要求一、聚氯乙烯绝缘电线及电缆型号:BV、BVR、BVV、RV、RVV、VV、VLV等温度要求:1、工作温度:电缆导体最高额定工作温度为70℃。
2、敷设温度:电缆敷设温度不低于0℃。
二、交联聚乙烯绝缘电缆型号:YJV、YJLV、YJV22、YJLV22、YJV23、YJLV23温度要求:1、工作温度:电缆导体最高额定工作温度为90℃。
2、过载温度:电缆短时过载最高温度不得超过130℃。
3、短路温度:电缆短路时,最高温度不得超过250℃。
(最长持续时间不超过5秒)。
4、敷设温度:电缆敷设温度不低于0℃。
低于0℃敷设时须预先加热。
三、架空绝缘电缆型号:JKY、JKLY、JKYJ、JKLYJ等温度要求:1、电缆的长期允许工作温度:交联聚乙烯绝缘为90℃,高密度聚乙烯绝缘为75℃。
2、短路时(最长持续时间不超过5秒),电缆的最高温度:高密度聚乙烯绝缘为150℃,交联聚乙烯绝缘为250℃。
3、电缆的敷设温度应不低于-20℃。
四、预制分支电缆型号:FZ-VV、FZ-YJV、FZ-WDZ-YJY等温度要求:1、电缆的长期允许工作温度:聚氯乙烯绝缘为70℃;交联聚乙烯绝缘为90℃。
2、电缆短路时(最长持续时间不超过5秒),电缆的最高温度:聚氯乙烯绝缘为160℃;交联聚乙烯绝缘为250℃。
3、电缆的敷设温度应不低于0℃。
五、橡套电缆型号:YZ、YC、YZW、YCW温度要求:1、工作温度:电缆导体最高额定工作温度不超过70℃。
六、电焊机电缆型号:YHZ、YH温度要求:1、工作温度:电缆导体最高额定工作温度不超过70℃。
七、同轴电缆型号:SYWV温度要求:1、环境温度:聚氯乙烯护套为-25~+70℃,聚乙烯护套为-40~+70℃。
上海耐高温电线电缆产品特点及用途一:耐高温电线电缆产品特点及用途泰州市飞宇高温线缆有限公司的耐高温线生产基地位于美丽富饶的鱼米之乡兴化市张郭镇,是国内专业生产高温电线电缆的企业之一。
泰州飞宇拥有先进的高温线生产设备,雄厚的开发基础,科学的检测手段和可靠的质保体系。
具有一大批经验丰富的专业设计人员和生产工艺人员。
主要生产氟塑料绝缘耐高温电线电缆、硅橡胶绝缘护套电线电缆、云母绕色耐高温电线电缆,电热带等多种型号规格的产品。
产品广泛应用于航空、冶金、化工、石油、电力、汽车、电子、机械和家电行业。
欢迎您致电咨询高温线缆规格、报价一般用聚氯乙烯绝缘和护套补偿导线或电缆具有优良的防潮、耐磨及阻燃特性;耐高温氟塑料绝缘和护套补偿导线或电缆采用连续挤出工艺,更有耐高温、耐寒、耐酸碱油水、不延燃、抗老化等优越性,产品质量高于国标GB/T4989-94(等效采用IEC584-3)的规定。
本质安全防爆测温系统用补偿导线或电缆采用低电容、低电感材料结构,具有防爆安全性能,适用于有爆炸危险的环境下作防爆热电偶冷短与防爆测温仪表连接,形成本安热电偶测温系统。
二:产品执行标准GB/T4989-94(等效采用IEC584-3标准)三:使用特性1.导体最高工作温度:耐热级:聚全氟乙丙烯(F46)200℃可溶性聚四氟乙烯260℃硅橡胶180℃普通级:聚氯乙烯70℃和105℃,交联聚乙烯90℃低烟无卤阻燃聚烯烃70℃,交联型90℃和125℃2.低环境温度:聚氯乙烯护套:固定敷设-40℃,非固定敷设-15℃氟塑料绝缘和护套:固定敷设-60℃,非固定敷设-20℃3.电缆允许弯曲半径:非铠装电缆最小为外径的6倍铜带屏蔽或钢带铠装点缆最小为电缆外径的12倍氟塑料绝缘和护套最小为电缆外径的10倍四:基本型号及名称1:热电偶用补偿导线2:本安型热电偶用补偿导线3:补偿电缆4:本安型补偿电缆五:代号名称和含义表2适用范围:补偿导线和补偿线缆是在一定温度范围内(包括常温)具有与所匹配的热电偶的热电动势相同的一对或多对带有绝缘层的导线或电缆,用它们连接热电偶与测量装置,以补偿它们与热电偶连接处的温度变化所产生的误差,补偿导线与补偿电缆分为延长和补偿型两种。
高温电缆规格型号摘要:一、高温电缆的概述二、高温电缆的规格型号1.氟橡胶高温电缆2.硅橡胶高温电缆3.云母高温电缆4.耐热聚烯烃高温电缆5.矿物绝缘高温电缆三、高温电缆的应用领域四、高温电缆的选购与安装正文:一、高温电缆的概述高温电缆,顾名思义,是指在高温环境下能够正常工作的电缆。
这类电缆具有优异的耐热性能,可以抵抗高温环境对电缆的损害。
在我国,高温电缆广泛应用于石油、化工、冶金、航空、航天等产业领域。
二、高温电缆的规格型号1.氟橡胶高温电缆氟橡胶高温电缆采用氟橡胶作为绝缘层和护套层,具有优良的耐高温性能、耐腐蚀性能和电绝缘性能。
其主要规格有氟橡胶70℃高温电缆、氟橡胶125℃高温电缆、氟橡胶150℃高温电缆等。
2.硅橡胶高温电缆硅橡胶高温电缆以硅橡胶为绝缘层和护套层,具有优异的耐高温性能、耐寒性能和电绝缘性能。
其主要规格有硅橡胶100℃高温电缆、硅橡胶150℃高温电缆、硅橡胶200℃高温电缆等。
3.云母高温电缆云母高温电缆采用云母纸作为绝缘层,具有较高的耐温性能和电绝缘性能。
其主要规格有云母105℃高温电缆、云母200℃高温电缆等。
4.耐热聚烯烃高温电缆耐热聚烯烃高温电缆采用耐热聚烯烃材料作为绝缘层和护套层,具有较好的耐高温性能和电绝缘性能。
其主要规格有耐热聚烯烃105℃高温电缆、耐热聚烯烃125℃高温电缆等。
5.矿物绝缘高温电缆矿物绝缘高温电缆采用矿物绝缘材料作为绝缘层,具有极高的耐温性能和电绝缘性能。
其主要规格有矿物绝缘1000℃高温电缆等。
三、高温电缆的应用领域高温电缆广泛应用于各种高温环境和气氛中,如蒸汽管道、热水管道、热风管道、高温炉、高温反应釜、高温加热器等设备。
四、高温电缆的选购与安装在选购高温电缆时,需要根据使用环境的温度、湿度、腐蚀性等因素选择合适的电缆型号。
在安装过程中,应确保电缆的敷设方式符合相关规定,避免电缆受到外力损伤。
同时,要注意电缆接头的制作和安装,确保接头质量。
耐高温(阻燃)电力电缆High Temperature Resistant (Flame Retardant) Power Cable本产品适用于额定电压0.6/1kV及以下的高温范围和恶劣环境内,作电气设备电能传输线。
It is used as power transmission cable for electric equipments of rated voltage 0.6/1kV or lower in bad environment or that with high temperature.一、生产执行标准采用企业标准Executive standard:enterprise standard二、使用特性Performance in Usage1、额定电压UO/U: 0.6/1kV。
2、电缆允许最高工作温度: 氟塑料绝缘及护套为200℃; 氟塑料绝缘耐热105聚氯乙烯护套为105℃;氟塑料绝缘硅橡 胶护套为180℃。
3、短路时(最长持续间不超过5S)电缆导体的最高温度不 超过250℃。
4、电缆敷设温度应不低于-15℃。
5、电缆的弯曲半径如下:单芯电缆:其弯曲半径不小于 电缆外径的20D。
三芯电缆:其弯曲半径不小于电缆外径的15D。
6、氟塑料绝缘及护套型电力电缆具有优异的耐化学腐蚀 性、耐高温及阻燃性。
1: Rated voltage UO/U: 0.6/1kV2: Max.working temperature allowed by cable is 200℃ for cable with fluoroplastic insulation and sheath, 105℃ for cable with fluoroplastic insulation,105℃ heat resistanc and PVC sheath, and 180℃ for cable with fluo-roplastic insulation and silicon rubber sheath.3: Max temperature of cable conductor is no more than 250℃ during short circuit (The longest lasting time is no more than 5s).4: Temperature for installation is no less than -15℃.5: Bending radius of cable as follows:It is no less than 20 times that of cable outer diam- eter for cable with single coreIt is no less than 15 times that of cable outer diameter for cable with 3 cores6: Power c able with f luoroplastic insulation and sheath has good features of chemical corrosion resis- tance, high temperature resistance and flame retardance.三、电缆的型号名称 Type and Description1、电缆的型号名称如表1 Type and Description in Table 1Table 1注:型号中“22”表示钢带铠装,如需钢丝铠装结构应将型号中的“22”改为“32”即可。
耐热和高温电线电缆简述耐热和高温电线电缆简述摘要:本文内容主要将一些比常规工作温度高的电线电缆品种作简单介绍,围绕电缆使用的耐热和高温材料,结合产品的品种和耐热性能略作表达,使大家能更多了解高温电线电缆这一特种领域。
关键词:电线电缆;氟塑料;辐照交联;聚氨脂;硅橡胶一、前言一般的电线电缆是以塑料和橡胶为绝缘护套,这些材料都是常规工程材料,具有丰富的来源,能够满足大规模生产,而且本钱相对较低。
但对于一些特殊行业如石油化工、钢铁、航空航天、造船、军工、制药、食品、塑料机械、锅炉等与热与高温有关的行业,都需要能够耐一定较高温度的电线电缆,普通的电线电缆显然不能使用,需能耐高温的电线电缆才能保证其电力和信号的安全运行。
随着我国经济快速开展,特种行业对高温电缆的需求已显高速增长阶断,耐热和高温电缆每年以20%的速度增长,高温电缆作为特种电缆的重要组成局部,具有极强的生命力,供不应求,我国每年从国外进口约二十亿元用于国内建设。
下面我们了解一下什么样的工作温度称为耐热与高温电缆。
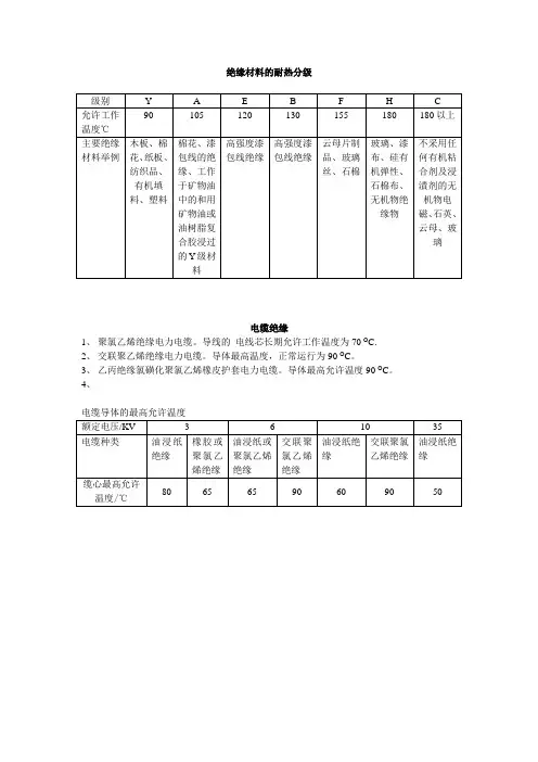
国际电工委员会〔IEC〕对绝缘的耐热的等级一般按表1规定分为:表1 耐热的等级的规定耐热等级YAEBFHC最高允许工作温度/℃≥180我们普通用的电线电缆绝缘和护套为普通工程橡胶和塑料为根本树脂,但要求是绝缘级的。
常见电缆用橡胶材料有:丁本橡胶、乙丙橡胶、天然橡胶和氯磺化聚乙烯等,工作温度为〔60~75〕℃;常见电缆用塑料材料有聚氯乙烯、聚乙烯〔包括交联聚乙烯〕和聚丙烯等,工作温度为〔70~90〕℃。
由此可见,这些电缆不是严格意义上的耐热或高温电缆。
耐热电缆一般指〔90~155〕℃与以下的电缆,而高温电缆那么是180℃与以上的电缆。
而要解决普通电缆不耐高温的状况,那么是要对材料进展改良,或使用能够耐高温的绝缘级材料。
二、耐热和高温电线电缆的主要特点耐热和高温电线电缆一般是由两种需求决定的。
第一种是电线电缆环境温度较高,电缆在长期在高温下能够正常传输信号或电能;另一种是电力传输电缆,主要是增加截流能力为主要目的。
高温电缆规格型号
高温电缆是指在高温环境下仍能保持良好导电性和绝缘性能的电缆。
常见的高温电缆规格型号有很多种,以下是一些常见的型号:
1. VV或VLV:这是聚氯乙烯绝缘聚氯乙烯护套的电缆,常用规格有350116、3120170等。
2. 辐照联聚烯茎电缆:这种电缆具有优良的耐热性、物理机械、电绝缘和挤出成型性,可在高温环境下保持性能稳定。
3. 硅橡胶绝缘电缆:硅橡胶绝缘电缆具有柔软性能优良,耐高温、耐酸碱、耐老化等特点。
常见的规格有YGC-F46/YGC-F46R/YGC-F46RP等。
4. 氟塑料绝缘电缆:如聚醚砜绝缘电缆,具有优良的耐热性、物理机械、电绝缘、挤出成型性,在高温下保持性能稳定。
常见规格有阻燃类(ZR)、低烟无卤阻燃(WDZR)等。
5. 云母绝缘电缆:这种电缆具有较高的耐热性、电气性能和机械强度,适用于高温环境。
6. 氧化镁绝缘电缆:氧化镁绝缘电缆具有优异的耐热性能、电气性能和机械强度,适用于较高温度环境。
在选用高温电缆时,需要根据实际应用场景和环境条件选择合适的规格和型号。
请注意,以上信息仅供参考,具体电缆规格型号请以实际应用需求和厂家提供的数据为准。
电缆耐热温度
电缆耐热温度是指电缆在高温环境下所能承受的最高温度。
一般来说,电缆的耐热温度与电缆材料、绝缘层、护套等相关,不同类型的电缆耐热温度也不同。
在实际应用中,电缆的耐热温度非常重要,因为在高温环境下,电缆可能会发生融化、老化、变形等问题,导致电气系统的运行不稳定,甚至出现安全隐患。
因此,选用合适的耐热电缆非常重要。
一般来说,低压电缆的耐热温度一般在70℃左右,中压电缆则在90℃左右,高压电缆则可以达到150℃以上。
同时,一些特殊的电缆,比如耐火电缆、高温电缆等,其耐热温度也会更高。
在选用电缆时,需要根据实际需求综合考虑多个因素,包括电缆材料、使用环境、电气负荷等。
只有选择合适的电缆,才能确保电气系统的稳定运行和安全性。
- 1 -。
耐高温电缆型号有哪些
什么是耐高温电缆呢?本产品适用于交流额定电压450/750V及以下电器仪表的连接线和自动控制系统的传输线。
耐高温电缆具有耐油、防水、耐磨、耐酸碱及各种腐蚀性气体、耐老化、不燃烧等优异性能,适合适合冶金、电力、石化等行业。
下面我们就一起来了解下耐高温电缆的相关知识吧!
在了解耐高温电缆型号之前,我们先来了解下耐高温电缆的相关知识。
耐高温电缆主要是用于交流额定电压450/750V及以下电器仪表的连接线和自动控制系统的传输线,所以我们在装修的时候就会选择使用耐高温电缆。
那么,今天我来要给大家介绍常用的耐高温电缆型号有哪些?耐高温电缆的价格是多少?如果你有这方面需求的话,不妨随我一起来了解下耐高温电缆型号、价格及其它相关知识吧!
耐高温电缆特点
具有耐油、防水、耐磨、耐酸碱及各种腐蚀性气体、耐老化、不燃烧等优异性能,适合冶金、电力、石化等行业。
耐高温电缆型号
广泛用于航空航天、机车车辆、能源、钢铁、有色金属冶炼、石油开采、电机等领域。
长期连续工作温度在125度、135度、150度、180度、200度、250度及250度以上的耐高温电缆,目前常用的有辐照联聚烯茎、硅橡胶、氟树脂、聚醯亚胺、云母、氧化镁等电缆。
耐高温电缆型号1、聚醚砜绝缘电缆
优良的耐热性、物理机械、电绝缘、挤出成型性,在高温下,保持性能稳定等优点,热变形温度在200-220度,连续使用温度为180-200度,ul温度指数为180度。
可耐150-160度热水或蒸汽,不受酸、碱的侵蚀。
弹性模量在100-200度几乎不变、线膨胀系数小、温度依赖性小,具有无毒性,被美国DA认可、自熄性,不添加任何阻燃剂。
耐高温电缆型号2、聚醚醚酮绝缘电缆
聚醚醚酮属于超耐热性热塑料性树脂,长期连续使用温度为250度,ul温度指数为250度。
peek是一种柔韧的树脂,抗蠕变性能、自熄性以及不添加任何阻燃剂就可以达到要求。
耐高温电缆型号3、耐热硅橡胶绝缘硅橡胶护套电缆
适用于家用电器、照明灯具、燃具设备等高温环境。
分为镀锡铜芯硅橡胶绝缘耐高温软线、镀锡铜芯硅橡胶绝缘编织屏蔽耐高温软线、镀锡铜芯硅橡胶绝缘高压线、镀锡铜芯硅橡胶绝缘中型橡套软电缆、镀锡铜芯硅橡胶绝缘重型橡套软电缆。
耐高温电缆价格
由于耐高温电缆品牌、型号及厂家不同,当然耐高温电缆价格也会有所差异。
那么,耐高温电缆价格是多少呢?耐高温电缆价格按卷来算的话,300元不等。
按米来算的话,每米也就几元不等。
注:此价格仅供参考!由于地域不同,当然价格也会有所差异。
如需了解更多相关价格详情,请以当地经销商提供为准!
电缆与电线的区别
“电线”和“电缆”无界限。
通常,芯数少、产品直径小、结构简单的产品称为电线,没有绝缘的称为裸电线,其他的称为电缆;导体截面积较大的(大于6平方毫米)称为大电线,较小的(小于或等于6平方毫米)称为小电线,绝缘电线又称为布电线。
耐高温电缆产品执行标准
Q/HHTZH004.1;阻燃耐火特性试验执行GB12666-90标准
总结:以上就是常用的耐高温电缆型号有哪些的相关知识,希望能够帮助到有这方面需求的朋友们!。