8-软件运维成本测算标准解读及应用-王海青
- 格式:pdf
- 大小:1.38 MB
- 文档页数:32
运维费用标准运维费用是指企业为了保障信息系统的正常运行而发生的各项费用,是企业信息化建设中不可或缺的一部分。
合理的运维费用标准不仅可以有效控制企业成本,还能够保障信息系统的稳定运行。
本文将就运维费用标准进行详细的介绍和分析。
首先,运维费用的构成主要包括人工成本、设备维护成本和软件服务成本。
人工成本是指企业为了保障信息系统的正常运行而雇佣的运维人员的工资和福利支出。
设备维护成本包括硬件设备的折旧费用、维修费用和更新换代费用。
软件服务成本则包括软件的购买费用、升级费用和技术支持费用。
这些费用的合理分配和控制是确定运维费用标准的关键。
其次,运维费用标准的确定需要考虑企业的实际情况和信息系统的规模。
不同规模的企业对信息系统的需求不同,因此运维费用标准也会有所差异。
一般来说,大型企业由于信息系统规模大、设备多、服务复杂,其运维费用会相对较高;而中小型企业则相对较低。
因此,在确定运维费用标准时,需要充分考虑企业的实际情况,避免盲目跟风或者过度投入。
再次,运维费用标准的制定需要充分考虑信息系统的稳定性和安全性。
信息系统是企业的重要资产,其稳定运行和安全保障至关重要。
因此,在确定运维费用标准时,需要充分考虑信息系统的维护、更新、备份等方面的费用,确保信息系统能够稳定运行,避免因为运维费用不足导致系统故障或数据丢失等问题。
最后,运维费用标准的调整需要根据实际情况进行灵活变通。
随着企业业务的发展和信息系统的更新换代,运维费用标准也需要根据实际情况进行适时调整。
因此,在制定运维费用标准时,需要充分考虑未来的发展需求,确保运维费用能够满足信息系统的需求,并且能够随着企业的发展进行适时调整。
综上所述,运维费用标准的确定需要充分考虑企业的实际情况和信息系统的需求,合理分配和控制人工成本、设备维护成本和软件服务成本,确保信息系统的稳定运行和安全保障。
同时,需要根据实际情况进行灵活变通,确保运维费用能够满足信息系统的需求,并且能够随着企业的发展进行适时调整。
应急管理系统平台方案设计目录一、内容描述 (3)1.1 编写目的 (4)1.2 背景介绍 (4)1.3 方案概述 (5)二、需求分析 (6)2.1 应急管理现状分析 (7)2.2 系统功能需求 (9)2.3 性能需求 (10)2.4 安全性需求 (12)三、平台架构设计 (13)3.1 总体架构 (14)3.2 组件设计 (15)3.2.1 数据采集层 (17)3.2.2 业务逻辑层 (18)3.2.3 数据存储层 (20)3.2.4 前端展示层 (21)3.3 系统交互设计 (22)四、功能设计 (23)4.1 应急预案管理 (24)4.2 应急资源管理 (26)4.3 应急事件处理 (27)4.4 应急演练与培训 (28)4.5 应急指挥与协调 (30)五、数据库设计 (31)5.1 数据库需求分析 (33)5.2 数据库表设计 (34)5.3 数据库关系图 (36)六、安全性设计 (37)6.1 用户认证与授权 (38)6.2 数据加密与解密 (39)6.3 日志管理与审计 (41)七、平台实施计划 (42)7.1 项目启动与团队组建 (42)7.2 开发与测试阶段计划 (44)7.3 上线与运维计划 (45)八、预算与成本分析 (46)8.1 软硬件采购费用 (48)8.2 人员工资及福利 (49)8.3 项目实施与培训费用 (50)8.4 运维与升级费用 (52)九、风险评估与应对措施 (53)9.1 技术风险 (54)9.2 运营风险 (55)9.3 法律法规风险 (56)9.4 其他风险 (58)十、总结与展望 (59)10.1 方案总结 (60)10.2 发展前景 (61)10.3 后续工作建议 (62)一、内容描述系统架构设计:详细介绍系统的总体架构,包括各个模块之间的关系、数据流向以及功能划分。
对系统的技术选型进行说明,如采用哪种编程语言、数据库管理系统等。
功能模块设计:根据应急管理的实际需求,设计并详细阐述各个功能模块的功能、操作流程以及与其他模块的交互关系。
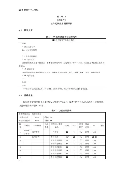
附录A(资料性)软件运维成本测算示例A.1需求示意表A.1XX政务服务平台业务需求XX政务服务平台业务需求……3业务需求分析3.1目标业务架构……3.2业务功能概括3.2.1门户首页按照国家政务服务平台要求,主体布局分为两列。
左边展示“新闻”列表。
右边展示XX政务服务应用图标。
3.2.2新闻管理新闻管理是维护管理门户新闻栏目,包括对新闻的新增、修改、删除、查看、保存、撤回等操作。
3.2.3用户管理……3.2.4…………本项目评估范围包括门户首页、新闻管理、用户管理等共计8个模块。
A.2规模度量根据需求文档的软件功能描述,采用SJ/T11619-2016中的估算功能点法进行规模度量。
功能点计数表如表A.2所示。
表A.2功能点计数表规模估算方法估算功能点功能点合计1000单位:FP调整后功能点1000单位:FP编号子系统一级模块二级模块功能点计数项名称类别UFP重用程度修改类型US备注1政务服务平台门户首页门户首页EQ4低新增 4.002新闻管理新闻信息ILF10低新增10.00 3新闻信息新增EI4低新增 4.00 4新闻信息修改EI4低新增 4.00 5新闻信息删除EI4低新增 4.00 6新闻信息查看EQ4低新增 4.00 7新闻信息保存EI4低新增 4.00 8新闻信息撤回EI4低新增 4.009用户管理……10………………合计10001000.00 A.3工作量估算本项目工作量估算活动主要包括:a)确认项目关键属性,如表A.3所示。
表A.3关键属性描述序号类别调整因子描述1.运维级别要求更新频率平均每季度1次2.技术支持方式现场支持为主3.安全等级第三级4.业务重要性核心5.响应时效一级故障处理时间小于24h6.软件完整性级别没有明确的完整性级别7.运维能力要求团队经验无特别要求8.自动化程度无特别要求9.运维系统及业务特征部署方式集中式10.用户规模小于100011.系统关联性1-5个12.业务单元数1-5个b)参考相关行业数据及本组织历史数据中软件运维调整因子参数表(参见表A.4-表A.17),确定本项目调整因子取值(参见表A.18)。
信息化运维造价定额标准演示课件contents •信息化运维概述•造价定额标准体系介绍•硬件设备运维造价定额标准•软件系统运维造价定额标准•网络与通信运维造价定额标准•安全防护运维造价定额标准•总结与展望目录信息化运维概述信息化运维定义与重要性信息化运维定义信息化运维是指对信息化设施、系统及应用进行规划、设计、实施、运营和维护的全过程,旨在保障信息化系统的稳定、高效、安全运行。
信息化运维重要性信息化运维是企业信息化建设的重要组成部分,对于提高企业运营效率、降低运营成本、保障信息安全等方面具有重要意义。
信息化运维发展趋势与挑战发展趋势随着云计算、大数据、人工智能等技术的不断发展,信息化运维正朝着智能化、自动化、可视化的方向发展。
挑战信息化运维面临着技术更新快、系统复杂性增加、安全风险高等挑战,需要不断提升运维人员的技能水平和综合素质。
信息化运维造价管理意义造价管理定义信息化运维造价管理是指对信息化运维过程中所涉及的成本进行预算、核算、分析和控制等一系列管理活动。
造价管理意义信息化运维造价管理有助于企业合理控制运维成本,提高投资效益,同时也有利于推动信息化运维行业的规范化和标准化发展。
通过有效的造价管理,企业可以更加清晰地了解运维成本构成,制定合理的预算和成本控制策略,从而实现降本增效的目标。
造价定额标准体系介绍造价定额标准概念:是指在信息化运维领域中,根据一定的计量单位和方法,对各项运维工作所消耗的人力、物力、财力等资源进行统一规定和量化的标准。
造价定额标准作用为信息化运维项目提供统一的计量和核算依据,确保项目成本的可控性和可预测性。
促进信息化运维市场的规范化发展,提高市场透明度和竞争公平性。
有助于企业制定合理的信息化运维预算和投资决策,降低运维成本,提高运维效率。
010*******造价定额标准概念及作用人力成本标准物力成本标准服务费用标准其他相关成本标准造价定额标准体系构成01020304包括各类运维人员的工资、福利、社保等费用标准。
ICSL 77DB11北京市地方标准DB11/T 1424—2017信息化项目软件运维费用测算规范Specification for software operation and maintenance cost estimating ofinformation technology projects2017 - 06 - 29 发布2017 - 10 - 01 实施目次前言 (Ⅱ)1 范围 (1)2 规范性引用文件 (1)3 术语和定义 (1)4 信息化项目软件运维费用构成 (3)运维费用构成 (3)直接人力成本构成 (4)直接非人力成本构成 (4)间接人力成本构成 (4)间接非人力成本构成 (4)毛利润构成 (4)5 信息化项目软件运维费用测算 (4)测算过程 (4)规模测算 (5)工作量测算 (5)费用测算 (6)附录 A(规范性附录)功能点计数基本规则 (7)附录 B(资料性附录)参数表 (9)附录 C(资料性附录)测算示例 (11)参考文献 (13)前言本标准按照GB/T 《标准化工作导则第1部分:标准的结构和编写》的规则起草。
本标准由北京市经济和信息化委员会提出并归口。
本标准由北京市经济和信息化委员会组织实施。
本标准主要起草单位:北京软件和信息服务交易所有限公司、北京软件造价评估技术创新联盟、北京科信深度科技有限公司、北京中基数联科技有限公司、中科宇图科技股份有限公司、珠海市软件行业协会、神州数码信息服务股份有限公司、国网北京经济技术研究院、中国光大银行股份有限公司、招商银行股份有限公司、交通银行股份有限公司、农信银资金清算中心有限责任公司、广发银行股份有限公司、中信银行股份有限公司、北京神舟航天软件技术有限公司、北京久其软件股份有限公司、北京市朝阳区卫生信息中心、北京爱知之星科技股份有限公司。
本标准主要起草人:王海青、于铁强、代寒玲、胡才勇、刘东华、许宗敏、冯军红、李培圣、张超辉、唐坤良、崔婷婷、王伟欣、刘俊、王忠福、王宗凯、吴新平、董丽、陈祖家、廖为民、孙莉、张海彤、王丽辉、陈石、张艳、彭欣华、秦思思、彭涛、曾以蓁、王楠、汪喜斌、李炯锋、张坤、曹晖、戴悦、朱默、孔垂柳。
智慧高校大数据分析平台建设方案目录一、项目背景与目标 (3)1.1 项目背景 (4)1.2 项目目标 (5)二、平台建设需求分析 (5)2.1 数据整合需求 (7)2.2 数据处理需求 (8)2.3 数据分析需求 (9)2.4 数据可视化需求 (10)三、平台架构设计 (11)3.1 总体架构 (13)3.2 分层架构 (14)3.3 硬件资源需求 (15)3.4 软件资源需求 (16)四、平台功能规划 (17)4.1 数据采集与清洗 (19)4.2 数据存储与管理 (20)4.3 数据分析与挖掘 (21)4.4 数据可视化与报表生成 (22)4.5 用户管理与权限控制 (24)五、平台实施计划 (24)5.1 项目启动阶段 (25)5.2 项目规划阶段 (26)5.3 项目开发阶段 (27)5.4 项目测试阶段 (29)5.5 项目上线与运维阶段 (30)六、平台预算与成本分析 (31)6.1 项目预算 (33)6.2 成本分析 (34)6.3 资金筹措计划 (35)七、风险评估与应对措施 (36)7.1 技术风险与应对 (37)7.2 运营风险与应对 (38)7.3 法律风险与应对 (39)八、项目效益评估 (40)8.1 社会效益评估 (42)8.2 经济效益评估 (43)8.3 环境效益评估 (44)九、项目可持续性与未来发展 (46)9.1 项目可持续发展策略 (47)9.2 未来发展规划 (48)十、项目总结与展望 (50)10.1 项目成果总结 (50)10.2 项目亮点与创新点 (52)10.3 未来展望 (53)一、项目背景与目标随着信息技术的飞速发展,高等教育领域正面临着前所未有的挑战与机遇。
智慧高校建设已成为教育领域数字化转型的重要方向,为了响应这一趋势,本项目致力于构建智慧高校大数据分析平台,以应对高校管理、教学科研、学生服务等方面的数据需求与挑战。
数字化趋势:信息技术的普及与深化应用要求高等教育领域实现数字化转型,以应对教育现代化、信息化的挑战。
信息化项目软件运维费用测算规范》(编制说明-it项目成本评估北京地标《信息化项目软件运维费用测算规范》(征求意见稿)编制说明一、任务来源,起草单位,协作单位,主要起草人。
根据北京市质量技术监督局下达的2016年标准制修订计划,将《信息化项目软件运维费用测算规范》列为标准制修订一类项目,该标准项目计划号为20161065,归口单位为北京市经济和信息化委员会。
主要起草单位:主要起草人:二、制定标准的必要性和意义。
为了更快地促进北京市信息产业的发展相继出台了《信息化基础设施提升计划》及《北京市促进软件和信息服务业发展的指导意见》,进一步明确了新时期软件和信息服务业的发展战略,为未来产业新发展进行了战略布局。
随着十三五规划的逐步实施,北京市信息化逐步进入运维阶段,运维管理以及外包服务的性质与内容发生了根本性的改变。
由于首都信息化项目的独特性和创新性,对如何保证运维项目的化良性发展;如何实施“十三五”信息化规划;如何坚持以科学发展观为统领,全面推进“智慧城市”建设等,是北京市当前需要完成的重要工作任务。
由于相关标准的缺失,如何测算运维项目的合理成本一直都是北京软件产业发展中的难点,因而常常导致项目预算超支、工期延期、软件企业恶性竞争等问题的频频发生。
信息化项目运维费用测算标准的出台,其意义在于:统一预测算算口径,明确运维内容,采用运维工作量法计算运维费用,使得运维费用测算更加科学化、合理化,从而有效利用资金,保障相关企业和部门的信息化运维工作正常开展,确保信息化对运维的有效支撑和业务持续。
因此,该规范的制定将是北京软件产业走向成熟的重要标志,北京作为工业和信息化部设立的全国软件名城之一,将为全国的软件和信息服务业起到良好的示范带头作用,将为北京软件和信息产业的可持续健康发展提供重要的战略支1 / 5撑。
本标准借鉴国外成熟经验并结合北京市产业实际情况,针对北京市信息化软件运维项目,信息化项目软件运维费用测算的方法及过程,包括信息化项目软件运行维护服务内容及费用构成,软件运维项目规模、工作量、费用的测算方法及过程,以满足北京市软件和信息服务产业发展的迫切需求。
信息化项目软件运维费用测算规范————————————————————————————————作者:————————————————————————————————日期:《信息化项目软件运维费用测算规范》地方标准(征求意见稿)编制说明标准工作组二〇一七年十月一、工作简况(一)任务来源本标准的编制任务来源于成都市质量技术监督局《关于下达2017年成都市地方标准制(修)订项目计划的通知》,标准计划编号为“成质监标[2017]6号”。
(二)参加单位成都软交所信息服务有限公司、成都安全可靠信息技术联合会、四川创立信息科技有限责任公司、四川久远银海软件股份公司、成都市信息化建设发展有限公司、成都思迈信通科技有限公司、成都中科大旗软件有限公司、成都卫士通信息产业股份有限公司、成都安美勤信息技术股份有限公司、成都三泰智能科技有限公司、四川川大智胜软件股份有限公司、成都索贝数码科技股份有限公司、成都中兴软件有限公司、四川中电启明星信息技术有限公司等作为主要编制单位参加了本标准的编写。
本标准主要起草人包括...等,负责标准相关资料的搜集和调研、标准框架编制、标准内容起草、反馈意见整理等工作。
(三)编制过程标准编制过程分为:工作组成立、标准调研、标准起草、征求意见、标准修改五个阶段。
1、工作组成立2017年5月18日,信息技术服务标准工作组成立。
2017年5月20日,《信息化项目软件运维费用测算规范》标准组启动。
2、标准调研自2017年5开始,各标准编写单位组织专家、企业及相关人员研究信息化项目软件运维费用的构成,包括直接成本、间接成本和毛利润的构成,信息化项目软件运维费用的测算过程、测算原则和测算方法,信息项目软件服务市场的需求和现状,信息化项目软件运维的需求,逐步形成信息化项目软件运维费用测算规范标准体系。
3、标准起草(1)确定标准编制框架及编制计划2017年7月,包括成都软交所信息服务有限公司、成都安全可靠信息技术联合会、四川创立信息科技有限责任公司、四川久远银海软件股份公司、成都市信息化建设发展有限公司、成都思迈信通科技有限公司、成都中科大旗软件有限公司、成都卫士通信息产业股份有限公司、成都安美勤信息技术股份有限公司、成都三泰智能科技有限公司、四川川大智胜软件股份有限公司、成都索贝数码科技股份有限公司、成都中兴软件有限公司、四川中电启明星信息技术有限公司等单位参加了《信息化项目软件运维费用测算规范》编写成都第一次封闭。
ICS 35.080L 77DB11北京市地方标准DB11/T 1424—2017信息化项目软件运维费用测算规范Specification for software operation and maintenance cost estimating ofinformation technology projects2017 - 06 - 29 发布2017 - 10 - 01 实施目次前言 (Ⅱ)1 范围 (1)2 规范性引用文件 (1)3 术语和定义 (1)4 信息化项目软件运维费用构成 (3)4.1 运维费用构成 (3)4.2 直接人力成本构成 (4)4.3 直接非人力成本构成 (4)4.4 间接人力成本构成 (4)4.5 间接非人力成本构成 (4)4.6 毛利润构成 (4)5 信息化项目软件运维费用测算 (4)5.1 测算过程 (4)5.2 规模测算 (5)5.3 工作量测算 (5)5.4 费用测算 (6)附录 A(规范性附录)功能点计数基本规则 (7)附录 B(资料性附录)参数表 (9)附录 C(资料性附录)测算示例 (11)参考文献 (13)前言本标准按照GB/T 1.1-2009 《标准化工作导则第1部分:标准的结构和编写》的规则起草。
本标准由北京市经济和信息化委员会提出并归口。
本标准由北京市经济和信息化委员会组织实施。
本标准主要起草单位:北京软件和信息服务交易所有限公司、北京软件造价评估技术创新联盟、北京科信深度科技有限公司、北京中基数联科技有限公司、中科宇图科技股份有限公司、珠海市软件行业协会、神州数码信息服务股份有限公司、国网北京经济技术研究院、中国光大银行股份有限公司、招商银行股份有限公司、交通银行股份有限公司、农信银资金清算中心有限责任公司、广发银行股份有限公司、中信银行股份有限公司、北京神舟航天软件技术有限公司、北京久其软件股份有限公司、北京市朝阳区卫生信息中心、北京爱知之星科技股份有限公司。
信息系统运维服务方案的成本控制与效益分析信息系统在现代企业中扮演着至关重要的角色,它们对企业的运营和管理起着关键支持作用。
为了确保信息系统的正常运行,企业通常会采取运维服务方案。
然而,这些方案所涉及的成本需要被控制,同时也需要对其带来的效益进行评估和分析。
本文将针对信息系统运维服务方案的成本控制与效益分析进行探讨。
一、成本控制信息系统运维服务方案所涉及的成本主要包括以下几个方面:1.人力成本:指企业为运维人员的薪资、培训和福利等费用。
在成本控制方面,企业可以通过合理规划人力资源,避免人员过剩或不足导致的成本浪费。
2.设备和软件成本:包括硬件设备的购买、维修和更新,以及软件的购买和更新等。
企业在采购设备和软件时,应充分考虑其价值和性能,避免不必要的浪费。
3.外包和合作成本:企业可以选择将部分运维工作外包给专业的服务提供商。
外包可以减少企业的固定成本,但需要注意选择可靠的合作伙伴,并确保合作成本合理。
为了控制运维服务方案的成本,企业可以采取以下措施:1.合理评估人力需求:根据信息系统的规模和复杂程度,科学评估所需的人力资源,避免过度或不足。
2.精细化设备管理:建立设备管理制度,定期检查和维护设备,延长设备的使用寿命,减少设备损坏和更换的成本。
3.灵活运用外包和合作:根据实际需求,选择合适的外包合作方式,平衡成本和效益。
4.持续优化流程:通过流程改进和自动化技术,提高运维效率,降低人力成本。
二、效益分析信息系统运维服务方案的效益主要体现在以下几个方面:1.业务连续性:信息系统的正常运行对企业的业务连续性至关重要。
通过运维服务方案,可以及时发现和解决系统故障,减少系统停机时间,保障业务的正常运行。
2.安全性和稳定性:信息系统是企业重要数据的存储和处理中心,运维服务方案可以确保系统的安全性和稳定性,防止数据泄露和系统崩溃。
3.成本控制:虽然运维服务本身需要成本投入,但通过合理的成本控制措施,可以降低运维成本,提高企业的经济效益。
附录A(资料性)软件运维成本测算示例A.1需求示意表A.1XX政务服务平台业务需求XX政务服务平台业务需求……3业务需求分析3.1目标业务架构……3.2业务功能概括3.2.1门户首页按照国家政务服务平台要求,主体布局分为两列。
左边展示“新闻”列表。
右边展示XX政务服务应用图标。
3.2.2新闻管理新闻管理是维护管理门户新闻栏目,包括对新闻的新增、修改、删除、查看、保存、撤回等操作。
3.2.3用户管理……3.2.4…………本项目评估范围包括门户首页、新闻管理、用户管理等共计8个模块。
A.2规模度量根据需求文档的软件功能描述,采用SJ/T11619-2016中的估算功能点法进行规模度量。
功能点计数表如表A.2所示。
表A.2功能点计数表规模估算方法估算功能点功能点合计1000单位:FP调整后功能点1000单位:FP编号子系统一级模块二级模块功能点计数项名称类别UFP重用程度修改类型US备注1政务服务平台门户首页门户首页EQ4低新增 4.002新闻管理新闻信息ILF10低新增10.00 3新闻信息新增EI4低新增 4.00 4新闻信息修改EI4低新增 4.00 5新闻信息删除EI4低新增 4.00 6新闻信息查看EQ4低新增 4.00 7新闻信息保存EI4低新增 4.00 8新闻信息撤回EI4低新增 4.009用户管理……10………………合计10001000.00 A.3工作量估算本项目工作量估算活动主要包括:a)确认项目关键属性,如表A.3所示。
表A.3关键属性描述序号类别调整因子描述1.运维级别要求更新频率平均每季度1次2.技术支持方式现场支持为主3.安全等级第三级4.业务重要性核心5.响应时效一级故障处理时间小于24h6.软件完整性级别没有明确的完整性级别7.运维能力要求团队经验无特别要求8.自动化程度无特别要求9.运维系统及业务特征部署方式集中式10.用户规模小于100011.系统关联性1-5个12.业务单元数1-5个b)参考相关行业数据及本组织历史数据中软件运维调整因子参数表(参见表A.4-表A.17),确定本项目调整因子取值(参见表A.18)。