(线路极限传输容量)线路参数计算表
- 格式:xls
- 大小:123.00 KB
- 文档页数:4
线路参数计算表(单位长度标幺值)
摘自电力工业部电力规划设计总院编制的电力系统设计手册(第303~311页)
表中零序参数取ρ=100(m·Ω)数值
线路参数计算表(单位长度标幺值)
摘自电力工业部电力规划设计总院编制的电力系统设计手册(第303~311页)
线路参数计算表(单位长度标幺值)
摘自电力工业部电力规划设计总院编制的电力系统设计手册(第303~311页)
垂直
线路参数计算表(单位长度标幺值)
摘自电力工业部电力规划设计总院编制的电力系统设计手册(第303~311页)
充电功率
(万乏
/100km)
1340
11.20
11.42183248.4618
1.5111.417.16566 1.95139
11.10
11.136240.09357
11.1290.5068
11.8
11.9
12.0
11.5
11.5
0.5000000011.9 5.947167
23.11283
11.4
11.4
11.3
11.3
充电功率
1.43
1.44
1.47
1.50
1.980.719151 1.382641
1.990.720073 1.379392
2.020.72501 1.369445
1.48
1.44
1.85
1.87
1.82
1.85
1.99
1.99
1.96
充电功率1.96
0.34 0.34 0.35 0.35 0.36 0.37 0.38 0.38 0.39
充电功率。
线路、变压器参数计算第一部分:线路一:线路参数表输电线路参数统计附页:棉线杆塔示意图垂直排列1(包棉线挂在中回路)垂直排列2(包棉线挂在中回路)垂直排列3(棉纺线挂在上回路)首先看懂线路参数表的内容:1、线路的长度2、线路的型号3、线路的排列方式4、备注内容二、线路几何均距的计算1、明确三相的排列方式及相与相间的距离水平排列、三角排列、垂直排列等…….. .A B CAB C...ABC几何均距的计算公式:Dcp=3√(AB× BC×CA)例如:AB=4.7768 mBC=5.7762 mCA=6.11248 mDcp=3√(AB× BC×CA)=3√(4.7768×5.7762×6.11248)=5.5287 m取:5.5 m三、线路等值阻抗的计算公式1、线路的电阻RR=ρ.L/S公式中:ρ---电阻率,铝为31.5(Ω.mm2/Km)、铜为18.8(Ω.mm2/Km)L---导线长度S---导线截面积2、线路的电抗X单导线:x=0.1445lg(Djj/rdz)+0.0157(Ω/km)公式中:Djj-----三相导线的几何均距(计算出来的)rdz -----每相导线的等值半径(cm)。
计算公式为rdz= ª√(r·djj ª¯ ¹)rdz= ª√(r·djj ª¯ ¹)= 1√(r·djj 1¯ ¹)= r(从书中查---分裂导线中次导线半径)分裂导线:x=0.1445lg(Djj/rdz)+0.0157/a(Ω/km)公式中:Djj-----三相导线的几何均距(计算出来的)rdz -----每相导线的等值半径(cm)。
计算公式为rdz= ª√(r·djj ª¯ ¹)a-----每相分裂导线的根数其中:rdz= ª√(r·djj ª¯ ¹)当线路为双分裂导线时a=2则:rdz= ²√(r·djj ²¯ ¹)=√(r·djj )公式中:r -----分裂导线中次导线半径(从书中查)djj -----每相次导线间的几何均距式中:djj=σ·d=σ×400(mm)当线路为双分裂导线时σ=1公式中:σ-----次导线排列方式二分裂σ=1三分裂(正三角)σ=1三分裂(水平)σ=1.26d-----次导线距离,一般取400(mm)3、线路的阻抗Z有名值:Z=√(R²+ X²)标幺值:Z*=Z×Sj/Ucp²=0.0341公式中:Sj-----系统基准容量100MVAUcp-----平均电压,220KV为230KV、110KV为115KV、35KV为37KV10KV为10.5KV4、线路阻抗角ФФ=arctg(X/R)第二部分:变压器一、变压器参数表电力变压器参数站名:编号:投运日期:制造厂:出厂日期:型式:首先看懂线路参数表的内容:1、变压器的容量及容量比2、变压器的电压比及分头3、变压器的接线方式4、备注内容二、变压器等值阻抗的计算1、变压器的电阻值R(1)两卷变压器的电阻值RR=ΔP.Ue2.103/Se2 (Ω)公式中:R1------变压器绕组电阻值ΔP1------变压器的短路损耗值Ue------变压器高压侧额定电压Se------变压器高压侧额定容量(2)三卷变压器的电阻值R高压侧R1=ΔP1.Ue2.103/Se2 (Ω)中压侧R2=ΔP2.Ue2.103/Se2 (Ω)低压侧R3=ΔP3.Ue2.103/Se2 (Ω)公式中:R1------变压器高压侧绕组电阻值(归算到变压器高压侧)R2------变压器中压侧绕组电阻值(归算到变压器高压侧)R3------变压器低压侧绕组电阻值(归算到变压器高压侧)ΔP1------变压器高压侧绕组的短路损耗值ΔP2------变压器中压侧绕组的短路损耗值ΔP3------变压器低压侧绕组的短路损耗值Ue------变压器高压侧额定电压Se------变压器高压侧额定容量其中:ΔP1=(ΔP12 +ΔP13-ΔP23)/2ΔP2=(ΔP12 +ΔP23-ΔP12)/2ΔP3=(ΔP13 +ΔP23-ΔP12)/2公式中:ΔP1、ΔP2、ΔP13----各绕组的短路损耗ΔP12、ΔP13、ΔP23----各绕组间的短路损耗其中:ΔP12 ----高对中绕组间的短路损耗ΔP13 ----高对低绕组间的短路损耗ΔP23----中对低绕组间的短路损耗经验:计算保护定值时,由于变压器的电阻值与变压器电抗值相比小的很多,则一般只考虑变压器的电抗值,其变压器电阻值忽略不计。
架空输电线路电气参数计算一、提资参数表格式二、线路参数的计算:1.3倍。
导线的直流电阻可在导线产品样本中查到。
当线路的相导线为两分裂导线时,相当于两根导线并联,则其电阻应除以2。
多分裂导线以此类推。
1)单回路单导线的正序电抗:X1=0.0029f lg(d m/r e) Ω/km式中f-频率(Hz);d m-相导线间的几何均距,(m);dm=3√(d ab d bc d ca)d ab d bc d ca -分别为三相导线间的距离,(m);r e-导线的有效半径,(m);r e≈0.779rr-导线的半径,(m)。
2)单回路相分裂导线的正序电抗:X1=0.0029f lg(d m/R e) Ω/km式中f-频率(Hz);d m-相导线间的几何均距,(m);dm=3√(d ab d bc d ca)d ab d bc d ca -分别为三相导线间的距离,(m);R e-相分裂导线的有效半径,(m);n=2 R e=(r e S)1/2n=4 R e=1.091(r e S3)1/4n=6 R e=1.349(r e S5)1/6S-分裂间距,(m)。
3)双回路线路的正序电抗:X1=0.0029f lg (d m/R e) Ω/km式中f-频率(Hz);d m-相导线间的几何均距,(m);a 。
c′。
dm=12√(d ab d ac d a b′d ac′‵d ba d bc d ba′d bc′d ca d cb d ca′d cb′) b 。
b′。
d ab d bc ……分别为三相双回路导线间的轮换距离,(m);c 。
a′。
R e-相分裂导线的有效半径,(m);R e=6√(r e3 d aa′d bb′d cc′)国内常用导线的线路正序电抗查《电力工程高压送电线路设计手册》第二版 P18~P19查表时注意:1)弄清计算线路有代表性的塔型(用得多的塔型),或有两种塔型时,用加权平均计算出线路的几何均距。
参数计算(第一版)1.线路参数计算内容已知量:线路型号(导线材料、截面积mm 2)、长度(km)、排列方式、线间距离(m)、外径(mm)、分裂数、分裂距(m)、电压等级(kV)、基准电压U B (kV, 母线电压作为基准电压)、基准容量S B (100MVA)。
待计算量:电阻R(Ω/km)、线电抗X(Ω/km)、零序电阻R0(Ω/km)、零序电抗X0(Ω/km)、对地电纳B(S/km)、对地零序电纳B0(S/km)。
计算公式: 1.3.1线路电阻R=ρ/S (Ω/km)R*=R2BBU S 式中ρ——导线材料的电阻率(Ω·mm 2/km); S ——线路导线的额定面积(mm 2)。
1.3.2线路的电抗X=eqm r D +n 0157.0(Ω/km)X*=X 2BBU S式中m D ——几何均距,m D =ac bc ab D D D (mm 或cm,其单位应与eq r 的单位相同);eq r ——等值半径, eq r =n n m rD 1(mm,其中r 为导线半径);n ——每个导线的分裂数。
1.3.3零序电阻R0=R+3R g (Ω/km)R0*=R02BBU S 式中R g ——大地电阻, R g =π2×10-4×f =×10-4×f (Ω/km)。
在f =50Hz 时,R g =Ω/km 。
1.3.4零序电抗X0=sg D D (Ω/km)X0*=X02BBU S 式中g D ——等值深度, g D =γf 660,其中γ为土壤的电导率,S/m 。
当土壤电导率不明确时,在一般计算中可取g D =1000m 。
s D ——几何平均半径, s D =32m D r '其中r '为导线的等值半径。
若r 为单根导线的实际半径,则对非铁磁材料的圆形实心线,r '=r ;对铜或铝的绞线,r '与绞线股数有关,一般r '=~r ;纲芯铝线取r '=r ;若为分裂导线,r '应为导线的相应等值半径。
配电线路输送容量计算公式随着社会的不断发展,电力供应已经成为现代社会生活中不可或缺的一部分。
而配电线路作为电力输送的重要组成部分,其输送容量的计算显得尤为重要。
本文将介绍配电线路输送容量的计算公式,并探讨其在实际应用中的意义和作用。
配电线路输送容量计算是指在一定条件下,配电线路所能输送的最大功率。
其计算公式一般采用以下形式:输送容量 = 电压×电流× 3 × 0.866。
其中,电压为线路的额定电压,电流为线路的额定电流,3为三相电路的数量,0.866为三相电路中的功率系数。
这个公式是根据三相电路的特性和传输功率的计算原理得出的,是配电线路输送容量计算的基本公式。
在实际应用中,配电线路输送容量的计算可以帮助电力系统工程师和设计师确定线路的合理设计和选型。
通过计算输送容量,可以确保线路在正常运行条件下不会超载,保障电力系统的安全稳定运行。
另外,输送容量的计算也可以为电力系统的规划和扩建提供重要参考依据,帮助决策者做出合理的投资和规划。
除了基本的输送容量计算公式外,还有一些特殊情况下的配电线路输送容量计算方法。
比如,在交流电路中,由于电流和电压之间存在相位差,需要考虑功率因数的影响;在直流电路中,输送容量的计算方法也有所不同。
因此,在实际应用中,需要根据具体情况选择合适的计算方法,并结合实际条件进行修正和调整。
另外,配电线路输送容量的计算还需要考虑线路的损耗和温升等因素。
在长距离输电和大功率输送的情况下,线路的损耗会对输送容量产生影响,需要进行修正计算。
而在高温环境下,线路的温升也会影响其输送容量,需要进行额外的考虑和计算。
除了输送容量的计算,还需要考虑线路的安全性和可靠性。
在设计和选型时,需要考虑线路的过载能力、短路能力、绝缘强度等因素,确保线路在各种异常情况下能够安全可靠地运行。
因此,在实际应用中,配电线路输送容量的计算需要综合考虑各种因素,进行全面的分析和评估。
总之,配电线路输送容量的计算公式是电力系统设计和运行中的重要工具,其合理计算可以为电力系统的安全稳定运行提供保障,为系统的规划和扩建提供重要参考依据。
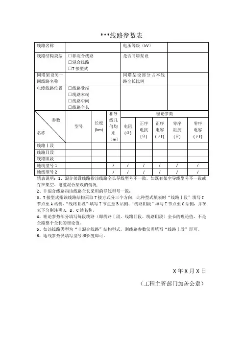
***线路参数表
存在架空、电缆混合架设的情况;
2、非混合线路指该线路全长采用的导线型号一致;
3、T接型式指该线路结构采取T接方式分三个方向,此种型式填表时“线路Ⅰ段”填写T 节点至A站侧、“线路Ⅱ段”填写T节点至B站侧、“线路Ⅲ段”填写T节点至C站侧,并在表下分别注明A、B、C站名称。
4、理论参数部分填写每段线路(即线路Ⅰ段、线路Ⅱ段、线路Ⅲ段)全长的理论值,不是全路整个全长的理论值。
5、如该线路类型为“非混合线路”结构型式,则线路参数仅需填写“线路Ⅰ段”即可。
6、地线参数仅填写型号和长度即可。
X年X月X日
(工程主管部门加盖公章)。
线路、变压器的参数计算一、线路参数计算1、线路电阻每公里长度的导线电阻为:r o =A ρ=A·103γ 欧姆/公里 每相导线在线路全长的总电阻为:R =r o L式中:γ——导线的导电系数(米/欧姆·毫米2)ρ——导线的电阻系数(欧姆·毫米2/公里)A ——导线的标称截面积(毫米2)L ——导线的长度(公里)实际计算时应考虑因绞线引起的电阻系数、实际截面、温度等。
2、三相输电线路每根导线的电感对任意排列的三相输电线路,经过完全换位后,其每相导线单位长度的电抗为: Xo =0.1445lg r jjD +0.0157 欧姆/公里每相导线在线路全长L 上的总电抗为:X =X o L其中:Dj j ——三相导线相间的几何平均距离,对于任意排列的三相导线, Dj j =3312312D D D (D 12、D 23、D 31——导线A 、B 相间,B 、C 相间,C 、A 相间的距离) r ——导线的半径3、线路的电纳、电容电流对于架空电力线路的每相单根导线,其单位长度的电容为:c O =rlg 024.0jj D ×10-6 法拉/公里 当f =50Hz 时,线路每相每公里的电纳为:b O =ωc o =rlg 58.7jj D ×10-6 西门/公里 每相导线的总电纳为:B =b o L 西门输电线路每相导线的电容电流和电容功率(无功功率)可由一下两式求得: 每相线路电容电流: I C =3eU b o L 千安每相线路电容功率: Q C =3U e I C =2e U b o L 兆乏二、双绕组变压器参数计算1、变压器等值电阻变压器在额定负荷时,线圈中的有功功率损耗(短路损耗或铜损)为:⊿P d =32e I R B ×10-3=2e2e U S R e ×103 千瓦 则 R B =2e2e d S U P ⊿×103 欧姆 (公式1) 其中:I e ——变压器的额定电流;U e ——变压器某一侧额定线电压;S e ——变压器的额定容量;R B ——变压器两侧绕组归算至某一侧电压的等值总电阻;⊿P d ——变压器短路损耗;2、变压器的等值电抗变压器每相两侧绕组归算至某一侧电压的总电抗为:X B =e2e x S U U %×10 欧姆 电抗百分数U x %为:U x %=22d %)-(%)(R U U其中:U d %为变压器短路电压百分数;U R %变压器电阻压降百分数。
输入:电压等级(kV)110线路长度(km)28.7000导线的材质铝单根导线的标称截面积(m m2)240测试时的环境温度(℃)0每相导线的根数(根)单根导线架空地线及回路数有架空地线的双回线路输入:电压等级(kV)110线路长度(km)28.7000导线的材质铜单根导线的标称截面积(m m2)300测试时的环境温度(℃)020℃时的直流电阻(Ω/km)0.07541+jX1总 长度的零序电阻(Ω)总 长度的零序电抗(Ω)0+jX0二、电缆线路的参数计算:三、架空、电缆混合线路的参数计算:先按照架空线路、电缆线路分别计算一、架空线路的参数计算:输出:单位长度的正(负)序电阻(Ω/km)0.1218总 长度的正(负)序电阻(Ω)3.4957单位长度的正(负)序电抗(Ω/km)0.4000总 长度的正(负)序电抗(Ω)11.4800R1+jX13.4957+j11.4800正(负)序阻抗角度(度)73.06单位长度的零序电阻(Ω/km)0.3654总 长度的零序电阻(Ω)10.4870单位长度的零序电抗(Ω/km)1.2000总 长度的零序电抗(Ω)34.4400R0+jX010.4870+j34.4400零序阻抗角度(度)73.06输出:单位长度的正(负)序电阻(Ω/km)0.0696总 长度的正(负)序电阻(Ω)1.9975单位长度的正(负)序电抗(Ω/km)0.1800总 长度的正(负)序电抗(Ω)5.1660R1+jX11.9975+j5.1660正(负)序阻抗角度(度)68.86单位长度的零序电阻(Ω/km)0.6960总 长度的零序电阻(Ω)19.9752单位长度的零序电抗(Ω/km)0.0626总 长度的零序电抗(Ω)1.7966R0+jX019.9752+j1.7966零序阻抗角度(度)5.14总 长度的正(负)序电阻(Ω)5.4932总 长度的正(负)序电抗(Ω)16.6460R1+jX116.646+j5.4932正(负)序阻抗角度(度)71.74总 长度的零序电阻(Ω)30.4622总 长度的零序电抗(Ω)36.2366R0+jX030.4622+j36.2366零序阻抗角度(度)49.95。