主要材料技术指标
- 格式:doc
- 大小:220.00 KB
- 文档页数:11
常用建筑材料主要技术指标生石灰的技术指标项目钙质石灰镁质石灰一等二等三等一等二等三等有效钙加氧化镁含量不小于(%)85 80 70 ;80 75 65 未消化残渣含量(5mm圆孔筛余)不大于(%)7 11 17 ;16 14 20消石灰粉的技术指标项目钙质石灰镁质石灰一等二等三等一等二等三等有效钙加氧化镁含量不小于(%)65 60 55 ;60 55 50含水率不大于(%)4 4 4 ; 4 4 4细度0.71mm方孔筛余不大于(%)0 1 1 ;0 1 10.125mm方孔累计筛余不大于(%)13 20 -;13 20 -建筑石膏质量标准技术指标项目一等二等三等凝结时间(min)初凝不早于 5 4 3终凝不早于7 6 6终凝不迟于30 30 30细度(筛余≯%)64孔/cm2筛 2 8 12900孔/cm2筛25 35 40抗拉强度(Mpa) 养护一天0.8 0.6 0.5养护七天 1.5 1.2 1.0抗压强度(Mpa)养护一天 4.9~8 3.4~4.4 1.5~2.9养护七天7.8~11.8 5.9~7.4 2.5~4.9碎石或卵石中不良颗粒及有害杂质的规定项目≥C30 <C30 ≤C10针片状颗粒含量(%)15 25 40含泥量(%) 1 2 适当放宽泥块含量(%)0.5 0.7 1硫化物和硫酸盐含量(%) 1卵石中有机物含量:颜色不宜深于标准色,否则以砼进行强度对比试验复核注:①对有抗冻、抗渗要求的砼,所用碎石、卵石的含泥量不大于1%;②如含泥基本上是非粘土质的石粉时,其总含量可由1%及2%分别提高到1.5%和3%;③含有颗粒状硫化物和硫酸盐时,要经专门检验,确认能满足砼耐久性要求时,方能使用。
石子的颗粒强度火成岩变质岩水成岩水饱和极限抗压强度(Mpa)80 60 60注:石子的颗粒强度与所采用的砼标号之比,不应小于1.5%。
石子的压碎指标值岩石品种砼强度等级压碎指标值(%)碎石火成岩C55~C40 ≤10 ≤C35 ≤16 变质岩或深成的火成岩C55~C40 ≤12 ≤C35 ≤20水成岩C55~C40 ≤13 ≤C35 ≤30卵石C55~C40 ≤12 ≤C35 ≤16砂、石的坚固性指标砼所处的环境条件循环后的重量损失砂石在严寒及寒冷地区室外使用,并经常处于潮湿或干湿交替状态下的砼≤8 ≤8在其他条件下的砼≤10 ≤12砂中泥污、有害物质含量的规定项目≥C30 <C30 注含泥量≯% 3 5 有抗冻、抗渗或其它特殊要求的砼用砂不宜>3%;对≤C10的砼用砂可放宽云母含量≯% 2 有抗冻、抗渗要求的砼用砂不宜>1%轻物质含量≯% 1 -硫化物和硫酸盐含量≯% 1 含有颗粒状者,要经专门检验,确认能满足砼耐久性要求时,方能使用有机物含量颜色不宜深于标准色如果深于标准色,则应配成砂浆进行强度复核泥块含量≯% 1 2 对≤C10的砼用砂可放宽烧结普通砖耐久性能鉴别指标项目鉴别指标抗冻试验每块砖样均须符合下列要求:(1)干燥时的质量损失不大于2%(2)被冻裂砖样的裂纹长度不大于下表中关于“裂纹长度”的规定泛霜试验每块砖样不应出现起砖粉、掉屑和脱皮现象石灰爆裂试验试验后每块砖样外观指标应符合下表中“杂质凸出高度”、“缺楞掉角”、“裂纹长度”的规定,且在各面上不允许有最大直径大于10mm的爆裂点,另:(1)特等砖 a.具有最大直径为2~5mm的爆裂点不超过两处的样砖不得多于2块,但爆裂点不得在同一条面或顶面上出现;b.具有最大直径为5~10mm的爆裂点一处者不得多于1块。
保温材料技术性能指标及用途保温材料是一种能有效减少能量传导、传热和传质的材料。
它广泛应用于建筑、工业设备和管道、电器电子设备等领域,以提高能源利用效率、减少热损失和冷却所需能量。
保温材料的技术性能指标主要包括导热系数、保温温度范围、耐压性能、耐腐蚀性能和耐火性能等。
以下是对这些指标的详细介绍。
1.导热系数(λ值):导热系数是衡量保温材料导热性能的主要指标,表示单位温度差情况下单位时间内热量在材料中传导的能力。
导热系数越小,材料的保温性能越好。
2.保温温度范围:保温材料适用的温度范围取决于其材料的稳定性和耐热性能。
一些保温材料适用于高温环境,例如硅酸铝纤维、陶瓷纤维等;而一些适用于低温环境,例如聚氨酯泡沫材料、聚苯板等。
3.耐压性能:保温材料在承受外部力的条件下,能否保持原有的热阻性能。
耐压性能好的保温材料可以在复杂的施工环境中使用,不易损坏。
4.耐腐蚀性能:保温材料的耐腐蚀性能指其在化学物质或水蒸气等环境下是否会发生化学反应,导致性能衰减或破坏。
一些保温材料具有良好的耐酸碱腐蚀性能,可在化工设备和烟囱等腐蚀环境中使用。
5.耐火性能:保温材料的耐火性能是指材料在受到高温时能否维持其完整性和热阻性能。
耐火性能好的保温材料可以在火灾发生时起到隔热阻燃作用,保护人员和设备安全。
除了以上的技术性能指标,保温材料也有各种不同的用途。
常见的保温材料包括:1.聚合物泡沫:例如聚氨酯泡沫、聚苯乙烯泡沫等。
这些泡沫材料具有轻便、保温性能好和施工方便等特点,广泛用于建筑墙体、屋顶、地板等保温隔热材料。
2.硅酸铝纤维和陶瓷纤维:这些纤维材料具有耐高温、低导热系数和良好的隔热性能,适用于高温设备、管道和烟囱等领域。
3.玻璃纤维:这是一种常见的保温材料,具有优异的隔热性能和耐酸碱腐蚀性能,常用于建筑、化工设备和电子电器设备等领域。
4.风管用保温材料:由于建筑中的通风系统需要保持空气的温度,所以需采用保温材料封装,以确保低能耗和高效。
主要材料的技术参数材料的技术参数是指材料在各个方面的性能指标和特点。
以下是一些常见材料的技术参数:1.金属材料:a.强度:金属材料的强度是指其抵抗外力的能力。
通常用抗拉强度表示,单位是兆帕(MPa)。
b.韧性:金属材料在受到外力时能够延展变形而不断裂的能力。
c.硬度:金属材料的硬度是指其抵抗划痕或其他形式的物理损伤的能力。
d.导电性:金属材料的导电性指其传导电流的能力。
e.导热性:金属材料的导热性指其传导热量的能力。
2.塑料材料:a. 密度:塑料材料的密度是指单位体积的质量,通常以克/立方厘米(g/cm³)表示。
b.耐热性:塑料材料的耐热性指其在高温环境下的稳定性和耐受能力。
c.可塑性:塑料材料的可塑性指其可变形和成型的能力。
d.耐腐蚀性:塑料材料的耐腐蚀性指其抵抗化学腐蚀的能力。
e.透明度:透明塑料材料的透明度指其光线透过的能力。
3.陶瓷材料:a.耐热性:陶瓷材料的耐热性指其在高温环境下的稳定性和耐受能力。
b.脆性:陶瓷材料的脆性指其抗拉伸、弯曲和挤压等力的能力。
c.导电性:一些陶瓷材料具有良好的导电性,可以用于电子元器件制造。
d.绝缘性能:陶瓷材料具有良好的绝缘性能,可以用于电气绝缘材料。
4.纤维材料:a.强度:纤维材料的强度是指其抗拉伸和抗压弯的能力。
b.轻质性:纤维材料具有轻质的特点,可以用于减轻产品重量。
c.耐磨性:纤维材料具有良好的耐磨性,适用于制作耐磨材料和防护装备。
d.吸湿性:纤维材料具有吸湿性,可以吸收空气中的湿度,保持干燥。
5.玻璃材料:a.透明性:玻璃材料具有良好的透明性,可透过光线。
b.高温稳定性:玻璃材料具有较高的熔点和热稳定性,适用于高温应用。
c.抗冲击性:玻璃材料具有一定的抗冲击性,但易破碎。
d.绝缘性:玻璃材料具有良好的绝缘性能,可用于电子和电气设备。
这些技术参数只是材料性能中的一部分,不同的应用领域对材料的需求也不同,因此技术参数会有所差异。
在选择和设计材料时,需要根据具体的需求和应用环境来确定。
建筑材料主要技术指标建筑材料是构建建筑物的基础,其质量和性能直接影响到建筑物的稳定性、安全性和使用寿命。
为了满足建筑物的需求,建筑材料需要符合一系列的主要技术指标。
本文将介绍一些常见的建筑材料主要技术指标,包括强度、耐久性、防火性能和隔音性能。
1. 强度抗压强度抗压强度是指材料在受到垂直作用力时保持完整的能力。
常用的抗压强度指标包括抗压强度和抗压弹性模量。
抗压强度是材料在压缩力下的最大承载力,通常以兆帕(MPa)或千克/平方厘米(kg/cm²)表示。
抗压弹性模量是材料在弹性变形区域内,应力与应变之间的比例关系,单位为兆帕(MPa)。
抗拉强度是指材料在拉伸作用力下保持完整的能力。
常用的抗拉强度指标包括抗拉强度和抗拉弹性模量。
抗拉强度是材料在拉伸力下的最大承载力,通常以兆帕(MPa)或千克/平方厘米(kg/cm²)表示。
抗拉弹性模量是材料在弹性变形区域内,应力与应变之间的比例关系,单位为兆帕(MPa)。
抗剪强度抗剪强度是指材料在受到平行于应力面的剪切力时保持完整的能力。
常用的抗剪强度指标包括抗剪强度和抗剪弹性模量。
抗剪强度是材料在剪切力下的最大承载力,通常以兆帕(MPa)或千克/平方厘米(kg/cm²)表示。
抗剪弹性模量是材料在弹性变形区域内,应力与应变之间的比例关系,单位为兆帕(MPa)。
抗水性抗水性是指材料在潮湿、湿度高或水浸条件下的性能。
抗水性的好坏对于建筑材料的长期使用寿命具有重要影响。
一些常见的抗水性指标包括吸水率和抗冻性能。
吸水率表示材料吸水的能力,通常以百分比(%)表示。
抗冻性能是指材料在冻融循环条件下的抵抗能力,通常以冻融强度损失百分比表示。
抗腐蚀性抗腐蚀性是指材料在酸、碱、盐等腐蚀性介质中的稳定性和耐久性。
抗腐蚀性的好坏决定了材料在不同环境下的使用寿命。
常用的抗腐蚀性指标包括抗硫酸盐腐蚀性、抗碱性和抗酸性能。
防火性能是指材料在火灾条件下的耐火能力。
建筑材料的防火性能直接关系到建筑物的安全性。
建筑材料选用的主要技术指标及其评价在建筑工程中,建筑材料的选用是至关重要的环节。
正确选择合适的建筑材料不仅关系到建筑物的质量和安全性,还会对工程的成本、工期和可持续性产生深远影响。
而要做出明智的选择,就必须了解建筑材料的主要技术指标,并能够对其进行准确的评价。
一、建筑材料的分类建筑材料种类繁多,大致可以分为结构材料、装饰材料和功能材料三大类。
结构材料主要用于承担建筑物的荷载,如钢材、混凝土、木材等。
装饰材料用于美化建筑物的外观和内部环境,如涂料、壁纸、瓷砖等。
功能材料则具有特定的功能,如保温材料、防水材料、隔音材料等。
二、主要技术指标1、物理性能指标(1)密度:材料在绝对密实状态下单位体积的质量。
密度的大小直接影响材料的自重和运输成本。
(2)孔隙率:材料内部孔隙体积占总体积的比例。
孔隙率会影响材料的强度、吸水性和保温性能等。
(3)吸水性:材料在水中吸收水分的能力。
吸水性强的材料在潮湿环境中容易导致性能下降。
(4)耐水性:材料在长期浸泡在水中而不破坏的性质。
这对于经常接触水的建筑部位至关重要。
2、力学性能指标(1)强度:材料抵抗外力破坏的能力,包括抗压强度、抗拉强度、抗弯强度等。
强度是衡量材料质量的重要指标。
(2)弹性模量:材料在受力时产生的弹性变形程度。
弹性模量越大,材料越不容易发生变形。
(3)韧性:材料在冲击或振动荷载作用下吸收能量而不破坏的能力。
韧性好的材料能够提高建筑物的抗震性能。
3、化学性能指标(1)耐腐蚀性:材料抵抗化学介质侵蚀的能力。
在一些特殊环境中,如化工厂附近,材料的耐腐蚀性尤为重要。
(2)耐久性:材料在长期使用过程中保持其性能稳定的能力。
耐久性好的材料能够延长建筑物的使用寿命。
4、热工性能指标(1)导热系数:材料传递热量的能力。
导热系数小的材料具有良好的保温隔热性能。
(2)比热容:单位质量的材料温度升高 1 摄氏度所吸收的热量。
比热容大的材料能够在一定程度上调节室内温度。
5、防火性能指标(1)燃烧性能:材料燃烧的难易程度和火焰传播速度。
常用建筑材料质量技术指标1. 引言建筑材料是建筑工程中至关重要的组成部分。
为了保证建筑工程的质量和安全,需要对常用建筑材料的质量进行严格监控和评估。
本文将介绍常用建筑材料的质量技术指标,包括水泥、钢筋、砖块和玻璃等。
2. 水泥的质量技术指标水泥是建筑中常用的材料之一,在混凝土制作中起到粘合作用。
水泥的质量直接影响到混凝土的强度和耐久性。
以下是水泥常用的质量技术指标:•灼烧失重:水泥在高温下灼烧后的重量损失,一般不应超过5%。
•压缩强度:水泥的抗压能力,根据具体的使用需求,有不同的强度等级要求。
•凝结时间:水泥凝结成坚硬体的时间,应符合规定的时间范围。
•细度:水泥的颗粒大小,一般要求细度不小于300平方厘米/克。
3. 钢筋的质量技术指标钢筋是混凝土结构中常用的增强材料,用于增加混凝土的抗拉强度。
以下是钢筋常用的质量技术指标:•强度:钢筋的抗拉力,一般根据具体的使用需求,有不同的强度等级要求。
•锚固性:钢筋与混凝土的粘结能力,要求牢固可靠。
•弯曲性:钢筋在施工过程中的弯曲性能,应能够满足变形要求。
•锈蚀性:钢筋的耐腐蚀性,要求能够长期保持稳定性。
4. 砖块的质量技术指标砖块是建筑中常用的墙体材料,用于搭建建筑结构。
以下是砖块常用的质量技术指标:•抗压强度:砖块的抗压能力,根据具体的使用需求,有不同的强度等级要求。
•吸水率:砖块吸水的能力,要求合理,以防止墙体渗水。
•尺寸误差:砖块的大小和形状误差,应符合规定的标准范围。
•导热系数:砖块导热能力的指标,决定了墙体的保温性能。
5. 玻璃的质量技术指标玻璃是建筑中常用的建材,用于窗户和隔断等。
以下是玻璃常用的质量技术指标:•视觉质量:玻璃的透明度和平整度,应无显著瑕疵。
•抗冲击性:玻璃的耐冲击能力,要求能够承受一定的冲击力。
•导热系数:玻璃导热能力的指标,决定了玻璃隔热性能。
•抗紫外线:玻璃的抗紫外线能力,以保护室内物品免受紫外线损害。
结论常用建筑材料的质量技术指标对于保证建筑工程的质量和安全至关重要。
<一>球墨铸铁件熔炼及成分控制
1.材质:QT450-10。
1.1 成分要求:C:3.6-3.9% Si:
2.4-2.9% M n≦0.3% P≦0.06% S≦0.03%
1.2配料
1.3熔炼:加炉料通电熔化,待炉料全部熔清后取样分析原铁水化学成分,保证高碳低硅的原则调整化学成分,继续升温到铁水所需温度,准备好浇包和合金,浇包内筑堤坝。
先放球化剂再放硅铁(8-10㎜),覆盖剂最后用球铁板压紧、压实。
出铁水,注意铁水不能直接冲入堤坝内观察火苗大小,同时浇三角试块炉前检验,断口应在浇注端两壁有凹陷,断口中心有缩松,断面结晶细,缘和中心细化程度一致,断口呈银白色有乙炔臭味。
1.4再次检测球化孕育后铁水的化学成分。
<二>灰口铸铁件熔炼及成分控制
1.材质:HT200。
2.成分要求:C:
3.4% Si:1.8% Mn:0.8% P≦0.2% S≦0.12%
3.配料:
4.熔炼:加炉料通电熔化,当炉内有铁水熔化时注意冷却水调整,不宜长时间大于60℃,以免感应器结垢。
炉料全部熔清后取样分析化学成分,同时浇三角试块,加入硅铁和锰铁来调整化学成分至铸件要求,然后开温出铁。
出铁前测定铁水温度,一般要求出炉温度≧1500℃.。
常用建筑材料的质量技术指标1. 介绍常用建筑材料是指在建筑施工中广泛应用的各种材料,包括混凝土、砖块、钢材、木材等。
这些材料的质量技术指标是评估其性能和使用寿命的重要依据。
本文将介绍常用建筑材料的质量技术指标,包括强度、耐久性、吸水性等方面。
2. 常用建筑材料的质量技术指标2.1 混凝土混凝土是建筑中最常用的材料之一,其主要质量技术指标包括强度、耐久性和吸水性。
强度是指混凝土的抗压能力,通常使用抗压强度来衡量。
耐久性是指混凝土在不同环境条件下的使用寿命,主要与抗硫酸盐侵蚀、冻融循环等有关。
吸水性是指混凝土对水的渗透能力,一般使用渗透系数来评估。
砖块是常用的建筑墙体材料,其主要质量技术指标包括抗压强度、吸水性和摩擦系数。
抗压强度指砖块的抗压能力,一般用标称抗压试验来评估。
吸水性指砖块对水的吸收能力,常使用吸水率来衡量。
摩擦系数是指砖块外表与其他材料外表之间的摩擦阻力,主要与砖块的外表处理有关。
2.3 钢材钢材是常用的建筑结构材料,其主要质量技术指标包括抗拉强度、弯曲强度和焊接性能。
抗拉强度指钢材在拉伸状态下的抗力,是衡量钢材强度的重要指标。
弯曲强度是指钢材在弯曲状态下的抗力,常使用屈服强度来评估。
焊接性能是指钢材的焊接连接质量,主要与焊接接头的强度和无缺陷程度有关。
木材是常用的建筑材料,其主要质量技术指标包括密度、含水率和抗弯强度。
密度是指木材的质量与体积之比,常使用相对密度来评估。
含水率是指木材中含有的水分量,常使用枯燥状态下的木材质量与湿态下的木材质量之差来计算。
抗弯强度是指木材抵抗弯曲的能力。
3. 结论常用建筑材料的质量技术指标包括强度、耐久性、吸水性、抗压强度、摩擦系数、抗拉强度、弯曲强度、焊接性能、密度、含水率和抗弯强度等方面。
对于建筑工程来说,选择适宜的材料是保证工程质量的关键,因此了解和熟悉常用建筑材料的质量技术指标是非常重要的。
参考文献: 1. 张永富, 张良成. 建筑工程质量与平安[M]. 内江师范学院出版社, 2024. 2. 林宏彬, 吴秉祥, 彭锡良. 结构工程材料[M]. 科学出版社, 2024. 3. GB 50010-2024 建筑结构荷载标准[S]. 中国建筑工业出版社, 2024.。
各种活性炭主要技术指标活性炭是一种以炭素为主要成分,并具有高比表面积和多孔结构的材料。
它具有广泛的应用领域,如污水处理、空气净化、催化剂载体等。
不同用途的活性炭在生产过程中,会根据具体需求制定相应的技术指标。
以下是几种常见的活性炭技术指标:1.比表面积:活性炭的比表面积是指单位质量活性炭的表面积。
比表面积越大,活性炭的吸附能力就越强。
常用的测试方法有氮气吸附法和乙烯吸附法等。
通常来说,优质的活性炭比表面积可达到几百至几千平方米/克。
2. 孔体积:活性炭的孔体积是指单位质量活性炭所含的总孔体积。
孔体积主要包括微孔体积和介孔体积。
微孔体积是指孔径小于2nm的孔体积,而介孔体积则是指孔径大于2nm的孔体积。
3.孔径分布:活性炭的孔径分布是指孔径大小的分布情况。
通常分为微孔、介孔和宏孔。
微孔主要用于吸附小分子物质,介孔主要用于吸附中等分子物质,宏孔主要用于吸附大分子物质。
4.吸附性能:活性炭的吸附性能是指活性炭对特定物质的吸附能力。
常见的包括水分的吸附性能、气体的吸附性能等。
5.灼烧损失:活性炭在高温下的重量损失称为灼烧损失,也叫灼烧残渣。
它是衡量活性炭质量稳定性的重要参数,一般要求灼烧损失在5%以下。
6.堆密度:活性炭在一定条件下所具有的实际体积与其质量之比称为活性炭堆密度。
堆密度反映活性炭的填充性能,对活性炭床的固定和操作具有重要意义。
7.pH值:活性炭的pH值是指活性炭与水接触时,溶液的酸碱程度。
pH值可以影响活性炭的表面电荷性质,进而影响其吸附性能。
8.饱和容量:活性炭的饱和容量是指单位质量活性炭能吸附的溶液中其中一种特定物质的最大量。
饱和容量决定了活性炭的吸附效率和使用寿命。
除了上述技术指标外,活性炭的制备方法、粉末与颗粒、颗粒大小分布等都会对活性炭的性能产生重要影响。
不同用途的活性炭会根据具体需求调整这些技术指标,以满足不同的工程要求。
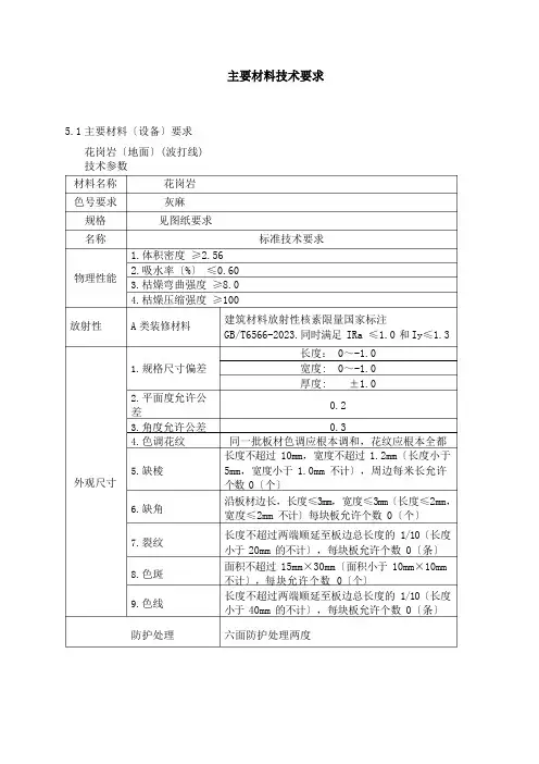
主要材料技术要求5.1主要材料〔设备〕要求花岗岩〔地面〕(波打线)技术参数材料名称花岗岩色号要求灰麻规格名称物理性能见图纸要求1.体积密度≥2.562.吸水率〔%〕≤0.603.枯燥弯曲强度≥8.04.枯燥压缩强度≥100标准技术要求放射性 A 类装修材料建筑材料放射性核素限量国家标注GB/T6566-2023.同时满足 IRa ≤1.0和Iy≤1.3长度: 0~-1.0外观尺寸1.规格尺寸偏差2.平面度允许公差3.角度允许公差4.色调花纹5.缺棱6.缺角7.裂纹8.色斑9.色线防护处理宽度: 0~-1.0厚度: ±1.00.20.3同一批板材色调应根本调和,花纹应根本全都长度不超过 10mm,宽度不超过 1.2mm〔长度小于5mm,宽度小于 1.0mm 不计〕,周边每米长允许个数 0〔个〕沿板材边长,长度≤3mm,宽度≤3mm〔长度≤2mm,宽度≤2mm不计〕每块板允许个数 0〔个〕长度不超过两端顺延至板边总长度的 1/10〔长度小于 20mm 的不计〕,每块板允许个数 0〔条〕面积不超过15mm×30mm〔面积小于10mm×10mm不计〕,每块允许个数 0〔个〕长度不超过两端顺延至板边总长度的 1/10〔长度小于 40mm 的不计〕,每块板允许个数 0〔条〕六面防护处理两度理石〔墙面〕技术参数材料名称理石色号要求云朵拉灰规格见图纸要求名称1.体积密度≥2.302.吸水率〔%〕≤0.50标准技术要求物理性能 3.光泽度〔光泽单位〕≥804.枯燥弯曲强度≥7.05.枯燥压缩强度≥50.0放射性 A 类装修材料建筑材料放射性核素限量国家标注GB/T6566-2023.同时满足IRa ≤1.0和Iy≤1.3长度: 0~-1.5外观尺寸1.规格尺寸偏差2.平面度允许公差3.角度允许公差4.色调花纹5.缺棱6.缺角7.裂纹8.色斑9.色线宽度: 0~-1.5厚度: ±2.00.20.3同一批板材色调应根本调和,花纹应根本全都长度不超过 10mm,宽度不超过 1.2mm〔长度小于5mm,宽度小于 1.0mm 不计〕,周边每米长允许个数 0〔个〕沿板材边长,长度≤3mm,宽度≤3mm〔长度≤2mm,宽度≤2mm不计〕每块板允许个数 0〔个〕长度不超过两端顺延至板边总长度的 1/10〔长度小于 20mm 的不计〕,每块板允许个数 0〔条〕面积不超过15mm×30mm〔面积小于10mm×10mm不计〕,每块允许个数 0〔个〕长度不超过两端顺延至板边总长度的 1/10〔长度小于 40mm 的不计〕,每块板允许个数 0〔条〕仿木纹穿孔铝板技术参数材料名称参考色号规格穿孔铝板全球白600*600*1.2mm材料要求的铝板生产厂家产品〕,需供给原产地证明;2、吸音铝板吊顶工程的施工工艺 孔径大小、孔间距和布孔率都需通过相关声学测定机构测定。
工程创新性指标大全(各种主材创新技术
应用)
以下是一份工程创新性指标大全,涵盖了各种主材创新技术的应用。
1. 高强度主材
- 使用高强度材料可以提高工程的抗压能力,延长使用寿命。
- 例如,使用高强度钢材可以增加桥梁和建筑物的承载能力。
2. 绿色建材
- 选择绿色建材可以减少资源消耗和环境污染。
- 例如,使用可回收的建筑材料、低碳混凝土等可以降低建筑对环境的影响。
3. 节能材料
- 使用节能材料可以降低能源消耗和运营成本。
- 例如,采用隔热材料、保温材料等可以减少建筑物的能耗。
4. 智能主材
- 应用智能主材技术可以提高工程的自动化水平和效率。
- 例如,利用智能传感器、自动控制系统等可以实现智能化监测和管理。
5. 防火材料
- 使用防火材料可以提高工程的安全性能。
- 例如,采用防火涂料、防火板材等可以减少火灾事故发生的概率。
6. 环保材料
- 选择环保材料可以减少对环境的污染。
- 例如,使用无污染的油漆、绿色地板等可以改善室内空气质量。
7. 水泥混合材料
- 使用水泥混合材料可以提高工程的耐久性和强度。
- 例如,使用矿渣粉、矿渣砂等可以改善混凝土性能。
该文档提供了各种主材创新技术的应用,可以为工程项目的设计和施工提供参考和指导。
请注意,以上内容仅供参考,具体选用材料时应根据实际项目需求和要求进行权衡和决策。
混凝土主要技术指标性能及工艺混凝土是由水泥、碎石、砂和水等材料混合而成的一种人工制品。
它是建筑中最常用的材料之一,广泛应用于建筑、道路和桥梁等工程中。
混凝土的性能指标和工艺对于工程质量和使用寿命有着重要的影响。
本文将介绍混凝土的主要技术指标性能及工艺。
混凝土的主要技术指标性能包括强度、耐久性、施工性能和可靠性等方面。
1.强度:混凝土的强度是衡量其承受力的重要指标。
常见的混凝土强度包括抗压强度和抗折强度等。
抗压强度是指混凝土在受到压力作用下的抵抗能力,是最常用的强度指标。
抗折强度是指混凝土在受到弯曲力作用下的抵抗能力。
2.耐久性:混凝土在不同环境条件下的耐久性是评价其使用寿命的重要指标。
混凝土的耐久性包括抗冻融性、抗硫酸盐侵蚀性、抗氯离子侵蚀性等。
抗冻融性是指混凝土在冻融循环中不发生损坏的能力。
抗硫酸盐侵蚀性是指混凝土在硫酸盐侵蚀环境下不发生腐蚀的能力。
抗氯离子侵蚀性是指混凝土在氯离子环境下不发生腐蚀的能力。
3.施工性能:混凝土的施工性能指的是混凝土在施工过程中的流动性、可塑性和坍落度等特性。
流动性是指混凝土在给定的工作性能下的流动性能,直接影响施工操作的顺利进行。
可塑性是指混凝土在施工中能够顺利塑形成型的能力。
坍落度是指混凝土从施工时石油中的坍落性能,是衡量混凝土浆体粘稠度和流动性的重要指标。
4.可靠性:混凝土的可靠性是指混凝土在使用过程中的稳定性和可靠性。
包括抗裂性、抗渗性、耐久性和韧性等。
抗裂性是指混凝土在受到荷载作用下不发生裂缝的能力。
抗渗性是指混凝土在受到渗水压力作用下不发生渗漏的能力。
耐久性是指混凝土在长时间作用下能够保持原有性能的能力。
韧性是指混凝土在受到外力作用下能够发生塑性变形而不破坏的能力。
对于混凝土的工艺来说,主要包括配合比设计、施工方法、养护措施等方面。
1.配合比设计:配合比是指混凝土中各种材料的比例和配比关系。
合理的配合比设计能够保证混凝土的强度和耐久性。
配合比设计需要考虑混凝土的强度等级、使用环境、施工条件等因素。
主要材料技术参数1.1金属天花吊顶材料技术参数所有使用材料的各项技术指标应符合但不只限于下列国家规范、标准与要求。
1.1.1执行标准铝质天花须符合产品质量检验所检验标准GB/T3880.1-2006一般工业用铝及铝合金板、带材第-部分GB/T 5237.1-2000铝合金建筑型材第l部分:基材ENl396/IS0 铝合金基材有机涂层,附原料生产厂证书GB/T l561-1992金属吊顶GB/T 3280-2007 不锈钢冷轧钢饭GB/T 6414-1999铸件尺寸公差GB/T 3274-2007碳素结构钢和低合金结构钢BS467金属吊顶系统吸音性能GB/T l3912-2002金属覆盖层钢铁制件热浸镀锌层技术要求及试验方法GB 8624-2006建筑材料及制品燃烧性能分级GBl720、GBl732、GBl764、GB6739、GB5938面板涂层GB/T 9988-1988光泽,耐碱性能,耐酸性能1.1.2穿孔、平板铝板的材料技术要求金属天花吊顶材料首先必须完全满足国家及行业有关标准和技术指标要求,在此基础上,尚需强调如下要求:质量好、耐用、易清洁、美观、防火(经表面处理后仍然保持不燃性A 级要求)、防腐蚀、安装维修方便。
1.1.2.1其主要技术参数如下:1.1.2.1.1主要成份:Si≤0 3 Fe≤0.7 CU≤0.15 Mn0.8~1.2 Fe/Si≥2余量AL1.1.2.1.2力学性能:状态H26时抗拉强度σb=170~210Mpa伸长率σ≥3%1.1.2.1.3状态Hl8时抗拉强度σ b≥190Mpa伸长率σ≥2%1.1.2.2具体的技术要求如下:1.1.2.2.1颜色均匀,每批产品同-色泽,抗老化时间十年,并达到ENl396/IS0规定指标。
白色色差△Ea*b≤1.0NBS,其它颜色△Ea*b≤l.5NBS,有关技术要求符合GB/F9761-1988标准。
1.1.2.2.2材质:要求选用高档AA3000系列或以上优质铝合金板材。
建筑材料主要技术指标建筑材料的主要技术指标是指在建筑材料的评价、选择和应用中所关注的关键性能参数。
这些技术指标既包括物理性能指标,如强度、耐久性等,也包括工程应用性能指标,如施工性,安全性等。
下面将对建筑材料的几个主要技术指标进行详细介绍。
1.强度:建筑材料的强度是指其抵抗外力破坏的能力。
常见的强度指标有抗拉强度、抗压强度、抗弯强度等。
强度是评价建筑材料性能的重要指标之一,对建筑物的结构安全和承载能力具有决定性作用。
2.耐久性:建筑材料的耐久性是指其在长期使用和环境侵蚀下所保持的性能稳定性。
耐久性包括抗热性、抗冻性、抗腐蚀性等指标,这些指标反映了建筑材料在恶劣环境下的稳定性和使用寿命。
3.导热性:建筑材料的导热性是指其传导热量的能力。
建筑中的热传递是通过墙体、屋顶等材料实现的,材料的导热性能会影响建筑物的保温性能和节能性能。
因此,低导热系数的建筑材料在节能建筑中应用广泛。
4.防水性:建筑材料的防水性是指其防止水分渗透的能力。
防水性是评价建筑材料质量的重要指标之一,特别是在地下室、浴室等湿度较高的场所,保证建筑物的防水性能能够有效阻止水分渗透,避免对建筑结构和设备的损害。
5.火灾安全性:建筑材料的火灾安全性是指其在火灾条件下的阻燃性和防火性能。
选择具有良好的火灾安全性能的建筑材料对于保护建筑物和人员生命财产安全至关重要。
6.施工性:建筑材料的施工性是指其在施工过程中的加工性能、施工工艺性,以及施工过程中的操作性和稳定性。
施工性的好坏会直接影响到施工效率和工程质量。
7.环境友好性:随着环保意识的提高,人们对建筑材料的环境友好性越来越重视。
环境友好性是指建筑材料的制造、使用和废弃对环境的影响。
环境友好的建筑材料应该具备低污染、低能耗和可循环利用等特点。
8.外观效果:建筑材料的外观效果是指其在视觉上的美观程度和装饰效果。
外观效果是建筑材料在建筑装饰中的重要指标,通过选择合适的建筑材料可以提高建筑的美观度和装饰效果。
原材料的技术指标原材料是指用于产品制造的基础材料,对于产品的质量和性能有着重要的影响。
因此,掌握原材料的技术指标对于生产制造企业来说至关重要。
1.成分指标:原材料的成分是影响产品质量和性能的关键因素之一、例如,在钢铁制造中,铁矿石的含铁、磷、硫、氧等成分的含量都会对最终产品的品质产生重要影响。
因此,成分指标是衡量原材料质量的重要标准之一2.物理性能指标:原材料的物理性能指标包括密度、硬度、熔点、热传导性等。
这些指标对于产品制造工艺和最终产品的性能都有着直接影响。
例如,在塑料制造中,原料的硬度决定了制成品的刚度和韧性,而熔点则决定了加工温度。
3.化学性质指标:原材料的化学性质指标主要包括化学反应性、化学稳定性等。
这些指标对于在产品制造过程中的化学反应和产品的持久性有着重要影响。
例如,在化工行业中,原材料的化学性质可以决定其是否能够与其他物质发生反应,以及反应是否剧烈。
4.纯度指标:原材料的纯度是指其所含杂质的含量。
纯度越高,原材料的质量就越好,可以提高产品的质量和性能。
例如,在半导体制造中,要求用于制造芯片的硅片必须达到非常高的纯度,以确保芯片的可靠性和性能。
5.可再生性指标:随着可持续发展理念的普及,原材料的可再生性成为了重要的技术指标。
可再生性指标包括资源的重生速度、可利用率和环境影响等。
例如,木材是一种常见的原材料,如果能够选择从可持续林业中获得的木材,就能够减少对自然资源的消耗和环境的影响。
6.安全性指标:原材料的安全性是指其在使用过程中对人体和环境的危害程度。
例如,在化妆品行业,原料的安全性指标包括化学成分是否会对皮肤产生刺激、过敏等不良反应。
总之,原材料的技术指标对于产品制造企业来说至关重要。
企业需要根据产品的要求选择合适的原材料,并且对原材料进行严格的检测和评估,以确保产品的质量和性能达到要求。
此外,随着可持续发展理念的普及,企业还需要考虑原材料的可再生性和环境影响等方面的指标,以满足社会和环境的可持续发展要求。
常用建筑材料的质量技术指标随着现代建筑技术的不断进步,常用建筑材料的质量技术指标得到了广泛的应用和推广,这些指标不仅可以为建筑产品提供有效的保障,同时也可以为建筑材料的选取和使用提供参考依据。
本文将就常用建筑材料的质量技术指标做一详细的介绍。
1.水泥水泥是一种主要用于建筑行业的材料,其主要质量技术指标包括外观、化学成分、物理性能、生产日期等。
其中化学成分应符合国家标准,在硅酸盐含量、放射性等指标方面要求严格;物理性能指标包括其在28天内的抗压强度、初始和终凝时间等。
2.混凝土混凝土是建筑中常见的搅拌材料,其质量技术指标包括强度、坍落度、骨料含量等。
其中强度是重要的技术指标,应符合国家建设质量监督检验中心的相关标准。
3.钢材钢材在建筑中广泛应用,其主要质量技术指标包括其化学成分、机械性能、外观质量等。
其中机械性能包括抗拉强度和屈曲强度等指标,都应符合国家相关标准。
4.木材在木建筑或木结构中使用的木材,其主要质量技术指标包括含水率、密度、弯曲强度、桥式指标等。
其中,桥式指标主要用于描述木材的弯曲性质。
5.砖瓦砖瓦是建筑中常用材料,其主要质量技术指标包括吸水率、抗压强度、耐火度等。
这些指标可以为承重墙体、结构地面提供参考依据。
6.玻璃玻璃是建筑中常见的透明材料,其主要质量技术指标包括透光率、吸收率、厚度等。
在建筑中,玻璃用作幕墙和窗户,需要具备一定的光学性能。
7.石材石材在建筑中被广泛应用,其主要质量技术指标包括密度、抗压强度、耐磨性等。
其色泽、纹理等也是外观质量中的重要指标。
总之,建筑材料的质量技术指标涵盖了材料的化学组成和物理性质等多个方面,可以为建筑产品的质量提供有力的保障。
建筑工程师和材料供应商可以依据这些指标选择合适的材料,以确保建筑的结构安全和使用质量。
硼化钴主要技术指标硼化钴是一种重要的无机化合物,具有广泛的应用前景。
本文将从以下几个方面介绍硼化钴的主要技术指标。
1. 化学成分:硼化钴的化学式为CoB,其化学成分主要由钴和硼组成。
硼化钴的纯度要求较高,一般要求钴含量在90%以上。
2. 晶体结构:硼化钴的晶体结构属于六方晶系,晶胞参数为a=0.381nm,c=0.616nm。
晶体结构的稳定性对硼化钴的性能有重要影响。
3. 物理性质:(1) 密度:硼化钴的密度约为7.6g/cm³,属于高密度材料,具有较大的质量。
(2) 熔点:硼化钴的熔点较高,约为1250℃,在高温下表现出良好的热稳定性。
(3) 硬度:硼化钴具有较高的硬度,常用硬度测试方法之一是Vickers硬度测试,硬度值可达到1200HV。
(4) 磁性:硼化钴具有较高的磁导率和饱和磁感应强度,是一种重要的磁性材料。
4. 制备方法:(1) 化学气相沉积法:通过化学反应将气相中的钴和硼元素沉积在基底上,得到硼化钴薄膜。
这种方法制备的硼化钴薄膜具有较高的纯度和均匀性。
(2) 真空熔炼法:将钴和硼的粉末按一定的摩尔比例混合后,在高真空条件下进行熔炼和冷却,得到块状的硼化钴。
这种方法制备的硼化钴具有较高的结晶度和致密性。
5. 应用领域:(1) 硼化钴在电子行业中具有重要的应用,可以制备高性能的磁性材料和磁记录介质。
硼化钴薄膜在磁存储领域有广泛的应用,可以制备高密度、高稳定性的磁盘和磁带。
(2) 硼化钴还可以用于制备高性能的硬质合金。
硼化钴具有较高的硬度和耐磨性,可以用于制造切削工具、研磨材料等。
(3) 硼化钴还具有较好的热导率和导电性能,可以用于制备高性能的散热材料和导电材料。
硼化钴作为一种重要的无机化合物,其主要技术指标包括化学成分、晶体结构、物理性质、制备方法和应用领域等。
研究和开发硼化钴材料具有重要的科学意义和应用价值,对于推动材料科学和工程技术的发展具有重要的意义。
生石灰的技术指标
碎石或卵石中不良颗粒及有害杂质的规定
注:①对有抗冻、抗渗要求的砼,所用碎石、卵石的含泥量不大于1%;
②如含泥基本上是非粘土质的石粉时,其总含量可由1%及2%分别提高到1.5%和3%;
③含有颗粒状硫化物和硫酸盐时,要经专门检验,确认能满足砼耐久性要求时,方能使用。
石子的颗粒强度
注:石子的颗粒强度与所采用的砼标号之比,不应小于1.5%。
砂、石的坚固性指标
烧结普通砖耐久性能鉴别指标
烧结普通砖标号
烧结普通砖标号续表
烧结多孔砖的标号
烧结多孔砖砖主要规格
石油沥青技术标准
高聚物改性沥青防水卷材外观质量
高聚物改性沥青防水卷材物理性能
合成高分子防水卷材外观质量
合成高分子密封材料物理性能
改性石油沥青密封材料物理性能
松散保温材料质量要求
注:d—弯芯直径,a—钢筋公称直径
钢筋混凝土用热轧光圆钢筋力学性能指标
低碳钢热轧盘圆条力学性能指标
水泥的标号
主要材料技术指标。