正交优化法
- 格式:doc
- 大小:40.00 KB
- 文档页数:4
利用正交试验法分析优化饮品摘要正交分析实验是食品科学中常用且重要的一种研究方法,有效减小实验次数和误差。
本文介绍了用正交实验法优化咖啡因提取实验工艺研究和正交试验法研究红薯浆的酵制备红薯全汁酸奶两个实验,以体现正交分析实验的设计与数据分析过程。
并分析食品中试验设计与数据分析的注意事项,以及实验的重要作用。
关键词正交试验食品咖啡因酸奶正文食品研究的重要表现形式是新产品、新工艺的研制与开发。
把琳琅满目的食品提供给社会。
以满足不同层次、不同需求、不同用途的人们对食品多样化、合理化的要求。
从事食品生产的企业在激烈的市场竟争中要靠新产品、新工艺的研制与开发谋求企业的生存和发展。
因而重视食品研究。
用现代化的科学技术不断提高产品的科技含量。
增加产品的附加值来谋求企业的发展。
然,食品研究与其他学科一样,实际上是一个数据的收集、整理、分析过程。
翻阅国内外有关食品的期刊、杂志。
可以明显的发现国内与国外食品研究在试验设计与数据分析方面存在的差距。
因此将食品研究中常用的研究方法介绍给从事食品科研人员是非常必要的。
食品研究具有多因素的综合影响,试验效应常常包括因素的主效应,也包括因素间的交互作用,因此,试验设计者总希望安排足够多的研究因素以使试验效应有充分的试验论据。
但因素和水平的增加造成试验规模庞大,特别是对于多指标分析的试验往往由于分析困难而无法实施。
当试验因素超过3个的多水平试验时,由于采用组合处理,处理数目等于因素水平间的乘积,是随因素的增加呈几何级数增加。
由于处理数目太大,不仅增加了试验误差,而且由于受试材和条件的限制,这对食品研究来说有时是难以实施的。
因此正交试验在食品工艺改革、新产品的试制中得到了广泛的应用。
下面将例举两种正交实验在饮品优化当中所涉及的实验,以体现正交试验的分析方法及优点。
—一、正交实验法优化咖啡因提取实验工艺研究茶水作为中国人非常喜欢喝的饮料之一,有抗癌、预防心血管病等重要作用。
现代科学研究表明,茶叶中含有茶多酚、生物碱等多种对人身有益的成分其中生物碱主要是咖啡因。
正交试验设计因素选择与优化策略正交试验设计是一种常用的统计方法,用于确定影响某一产出指标的多个因素之间的关系。
通过使用正交试验设计,可以在少量实验中获得充分的信息,从而帮助优化产品或过程。
然而,正确选择和优化正交试验设计的因素是关键的。
本文将探讨正交试验设计因素选择与优化策略。
1. 因素选择在确定正交试验设计的因素时,需要考虑以下几个方面:1.1 问题定义首先,需要明确研究的问题定义。
确定您感兴趣的产出指标,并确定可能影响该指标的因素。
1.2 因素类型确定因素的类型是选择正交试验设计的重要一步。
因素可以是定性的或定量的。
定性因素是指不能被精确测量的因素,如颜色或形状;而定量因素是可以被准确测量的,如温度或时间。
确保正确识别因素的类型,以便正确选择设计。
1.3 因素数量确定正交试验设计中的因素数量是很重要的。
较少的因素数量可以减少实验规模,但可能无法完全掌握因素之间的相互作用。
较多的因素数量可能会增加实验的复杂性。
根据实验的目标和可用资源,选择适当的因素数量。
2. 优化策略在确定正交试验设计的因素之后,需要考虑如何优化设计以获得可靠的结果。
以下是几个常用的优化策略:2.1 L型表设计L型表是正交试验设计中常用的设计类型之一。
它可以用于确定每个因素的水平对产出指标的影响,并确定因素之间的相互作用。
通过选择适当的L型表设计,并根据实验结果进行分析,可以获得最佳的因素水平组合。
2.2 随机化在正交试验设计中,随机化是必不可少的。
它可以减少可能存在的偏差,并提高实验结果的可信度。
通过随机化因素水平的选择和实验的顺序,可以降低因素之间的干扰效应。
2.3 统计分析使用适当的统计方法对实验数据进行分析也是优化正交试验设计的重要策略。
通过运用方差分析、回归分析等方法,可以确定哪些因素对产出指标具有显著影响,并进一步优化设计。
2.4 反应面法反应面法是一种基于正交试验设计结果的建模方法。
通过构建数学模型,可以预测产出指标在不同水平组合下的表现。
正交试验优化橄榄渣果胶酸法提取工艺作者:林瑾谢勇叶倩倩来源:《福建农业科技》2023年第06期摘要:为提高橄榄渣的综合利用价值,对橄榄渣果胶提取工艺进行优化。
在单因素试验的研究基础上,以提取温度、料液比、pH及提取时间为影响因素,以果胶提取率为衡量指标,设计L9(34)正交试验对果胶提取条件进行优化。
结果表明:橄榄渣果胶提取率影响因素的大小顺序为料液比>pH>提取温度>提取时间,最优提取工艺条件为:浸提温度85℃,料液比(g/mL)为1∶25,料液pH值为1.5,浸提时间80 min,在该最优提取工艺条件下,橄榄渣果胶的提取率为6.15%。
关键词:橄榄渣;果胶;提取工艺;正交试验中图分类号:TS 201.1 文献标志码:A 文章编号:0253-2301(2023)06-0068-05DOI: 10.13651/ki.fjnykj.2023.06.010Orthogonal Experiment Optimization of the Acid Extraction Processfor Pectin from Olive ResidueLIN Jin1, XIE Yong1*, YE Qian-qian2(1. Minjiang Teachers College, Fuzhou, Fujian 350109, China;2. Fuzhou Green Food Development Center, Fuzhou, Fujian 350003, China)Abstract: In order to improve the comprehensive utilization value of olive residue, the extraction process of pectin from olive residue was optimized. Based on the study of single factor experiment, theL9(34) orthogonal experiment was designed to optimize the extraction conditions of pectin by taking the extraction temperature, the ratio of solid to liquid, pH and extraction time as the influencing factors and the extraction rate of pectin as the measure index. The results showed that the order of the factors affecting the extraction rate of pectin from olive residues was the ratio of solid to liquid>pH>extraction temperature>extraction time. The optimum extraction technological conditions were as follows: the extraction temperature was 85℃, the ratio of solid to liquid(g/mL) was 1∶25, the pH value was 1.5, and the extraction time was 80 min. Under the optimum extraction conditions, the extraction rate of pectin from olive residues was 6.15%.Key words: Olive residue; Pectin; Extraction process; Orthogonal experiment橄榄,橄榄科橄榄属乔木植物,果实为纺锤形,风味独特,清爽回甘[1]。
正交实验法正交实验法就是利用排列整齐的表-正交表来对试验进行整体设计、综合比较、统计分析,实现通过少数的实验次数找到较好的生产条件,以达到最高生产工艺效果。
正交表能够在因素变化范围内均衡抽样,使每次试验都具有较强的代表性,由于正交表具备均衡分散的特点,保证了全面实验的某些要求,这些试验往往能够较好或更好的达到实验的目的。
正交实验设计包括两部分内容:第一,是怎样安排实验;第二,是怎样分析实验结果。
目录试验方法正交实验法举例•色试验方法我们知道如果有很多的因素变化制约着一个事件的变化,那么为了弄明白哪些因素重要,哪些不重要,什么样的因素搭配会产生极值,必须通过做实验验证(仿真也可以说是实验,只不过试验设备是计算机),如果因素很多,而且每种因素又有多种变化(专业称法是:水平),那么实验量会非常的大,显然是不可能每一个实验都做的。
能够大幅度减少试验次数而且并不会降低试验可行度的方法就是使用正交试验法。
首先需要选择一张和你的实验因素水平相对应的正交表,已经有数学家制好了很多相应的表,你只需找到对应你需要的就可以了。
所谓正交表,也就是一套经过周密计算得出的现成的实验方案,他告诉你每次实验时,用那几个水平互相匹配进行实验,这套方案的总实验次数是远小于每种情况都考虑后的实验次数的。
比如3水平4因素表就只有9行,远小于遍历试验的81次;我们同理可推算出如果因素水平越多,试验的精简程度会越高。
建立好实验表后,根据表格做实验,然后就是数据处理了。
由于试验次数大大减少,使得试验数据处理非常重要。
首先可以从所有的实验数据中找到最优的一个数据,当然,这个数据肯定不是最佳匹配数据,但是肯定是最接近最佳的了。
这是你能得到一组因素,这是最直观的一组最佳因素。
接下来将各个因素当中同水平的实验值加和(注:正交表的一个特点就是每个水平在整个实验中出现的次数是相同的),就得到了各个水平的实验结果表,从这个表当中又可以得到一组最优的因素,通过比较前一个因素,可以获得因素变化的趋势,指导更进一步的试验。
第39卷第5期2010年5月应用化工App lied Chem ica l I n du stryVo l.39 No. 5M ay 2010正交法优化淀粉接枝共聚高吸水树脂的工艺条件伍亚华,石亚中(蚌埠学院食品与生物工程系,安徽蚌埠233030 )摘要:以过硫酸钾为引发剂,甘油溶液为交联剂,引发甘薯淀粉与丙烯酸接枝共聚反应。
对影响反应的主要因素如丙烯酸中和度、引发剂的量、交联剂的量、体系用水量、淀粉糊化时间进行了研究。
结果表明,淀粉接枝丙烯酸共聚高吸水树脂的最佳工艺条件为:丙烯酸中和度为70% ,引发剂的量为60 m g,交联剂量为0. 25 mL ,体系用水量为40 mL ,淀粉糊化时间为20 m in。
按此条件制得的树脂的吸水率为768 g / g关键词:甘薯淀粉;高吸水树脂;接枝共聚中图分类号: TQ 322; S 632; S 377文献标识码: A 文章编号: 1671 - 3206 ( 2010 )05 - 0682 - 02 Process optim i z a t i o n for graft co2pol ym e r i z a t i on ofacryli c ac i d on t o st arch by orthogona l testW U Ya 2hua, S H I Ya 2zhong(D e p a r tm e n t of Food and B ioenginee r ing, B engbu C o l lege, B e n gbu 233030 , Ch i na)A b stra c t: Graft po l ym e riz a ti o n of ac ryli c ac i d on t o s wee t sta rch u si ng po t a s si um p e r su l fa te2sod i u m b i su l2 fa te a s i n iti a t o rs, gl yce r o l a s c r o ssli nk i ng agen t, effec t of the degree of neu tra liz a ti o n of monom e r, t he c on2 cen tra ti o n of i n iti a t o rs and c r o ssli nk i ng agen t, um e of wa te r, the ti m e of sta rch ge l a ti n iz a t i o n on r e2 ac t i o n we re stud i ed. The re s u l t showed tha t t he grafti ng p e r cen t age is h i ghe r when the neu t ra l degrade is 70 % , concen t ra t i o n s of i n i ti a t o r and c r o s sli nk i ng agen t a r e a t 60 m g and 0. 25 mL , the vo l um e of wa t e r is 40 mL , the ti m e of sta r ch ge l a t i n iz a t i o n is 20 m i n. U n de r the cond i ti o n, the wa t e r ab s o r p ti o n ra t e of re s i n is 768 g /g.Key word s: s wee t sta r ch; sup e r ab s o r ben t re s i n; graft2copo l ym e riz a t i o n高吸水树脂是近年来国内外广泛开发研究的一种新型功能高分子材料, 具有吸水量大(自身量的几十到几千倍) 、吸水后凝胶保水性能强的特点[ 1 22 ] ,在化工、石油、生理、医药、农林等方面有着广泛的应用前景[ 3 26 ] 。
正交试验优化工艺参数组员:凌东鑫V201241222 廖帮财V201241231 1.正交实验在塑料注射成型中的应用考虑到注塑机、以及模具因素的影响,本次正交实验优化的工艺参数包括:保压压力、保压时间、冷却时间。
其他的参数如下:料筒及喷嘴温度采用塑料物性表上推荐温度,不作改变;注射压力:采用模具所能承受的最大注塑压力50bar;注射时间:3s;注射速度:37%;计量终止位置:95mm;射退位置:105m2.下图条料制品和浇注系统凝料(一模一腔)3.实验因子水平设置表因子水平保压压力(%)A保压时间(s)B冷却时间(s)C1 28 6 82 32 9 113 38 12 144 44 15 175 50 18 204.由于实验设备和时间有限,只能通过天平称量制品和浇注系统凝料的重量来评定所得制品的质量。
以下25组三因素五水平的正交实验代表了全部125组实验。
该实验的目的是为了在得到最佳制品(这里指最大重量)的情况下找到对应的保压压力,保压时间和冷却时间这三个主要影响因素的值。
即最优方案。
正交试验表及试验结果●因素试验号●保压力(%) A●保压时间(S)B●冷却时间(S)C●产品重量(g)1 28 6 8 20.902 28 9 14 21.123 28 12 20 21.244 28 15 11 20.715 28 18 17 21.306 32 6 20 21.217 32 9 11 21.488 32 12 17 21.319 32 15 8 19.8910 32 18 14 20.7911 38 6 17 20.7012 38 9 8 21.1113 38 12 14 21.3614 38 15 20 20.4215 38 18 11 20.3216 44 6 14 21.9117 44 9 20 21.0618 44 12 11 20.6119 44 15 17 20.1520 44 18 8 20.5121 50 6 11 21.0122 50 9 17 21.6123 50 12 8 22.2224 50 15 14 21.6425 50 18 20 22.62K1 105.36 105.73 104.63 ---K2 104.68 106.38 104.13 ---K3 103.91 106.74 106.82 ---K4 104.24 102.81 105.07 ---K5 109.10 105.54 106.55 ---K1/5 21.072 21.146 20.926 ---K2/5 20.936 21.276 20.826 ---K3/5 20.782 21.348 21.364 ---K4/5 20.848 20.562 21.041 ---K5/5 21.820 21.108 21.310 ---极差0.972 0.786 0.538 ---优化方案50 12 145.通过对实验数据的处理,初步得出该实验优化方案为保压力50,保压时间12S,冷却时间14S。
正交试验法优化丹皮酚提取工艺
正交试验法是一种常用的试验设计方法,它可以在尽可能少的试验次数内确定最优条件。
这种方法可以将多个处理因素进行组合,并通过观察不同组合的实验结果来确定最优组合条件。
在丹皮酚提取工艺中,科研人员通过正交试验法来对提取工艺中的各个因素进行优化,以提高丹皮酚的提取效率。
丹皮酚提取工艺的关键因素包括丹皮酚提取时间、丹皮酚提取温度、酸性物质的种类和浓度、醇类的种类和浓度等。
而在正交试验中,将这些因素按照一定比例进行组合,并依据不同组合条件下的丹皮酚提取率的高低来确定最优条件。
通过与传统试验组的对比,科研人员可以很快地精确地确定最优条件。
据统计,通过正交试验的优化,丹皮酚的提取效率得到了大幅提升。
具体而言,提取时间为120min、提取温度为60℃、醋酸质量分数为0.5%、乙醇体积分数为80%的参数组合条件下,丹皮酚的提取率达到了82.8%。
与此同时,最优化的提取工艺条件也不仅仅是可以提高丹皮酚的提取率,同时还可以降低生产成本,并且操作简便,不会对环境造成污染。
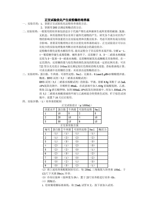
正交试验优化产生淀粉酶的培养基一、实验目的:1、掌握正交试验优化淀粉培养基的方法。
2、掌握用DNS法测淀粉酶活的方法。
二、实验原理:一般使用的培养基包括适合于代谢产物生成和菌体生成所需要的碳源、氮源、无机盐、和其他物质等以有利于最终代谢物的产生。
研究各个成分对在终产物的影响采用单因素的方法实验处理和次数比较多,考虑不到所有成分的综合影响,需要采用数理统计的方法优化培养基的成分。
正交试验设计可以以比较少的实验处理数来判断出培养基的成分的最佳组合。
淀粉酶有催化淀粉水解的作用,能从淀粉分子非还原性末端开始,分解a—1,4—葡萄糖苷键生成葡萄糖。
碱性条件下,还原糖于3、5—二硝基水杨酸被还原为3—氨基—5—硝基水杨酸,还原糖则被氧化成糖酸及其他物质。
在一定范围内,还原糖的量与棕色物质颜色深浅的程度成一定的比例关系,可在722型分光光度计540nm波长测定棕红色物质的吸光度值。
查标准曲线计算,可求出菌液中还原糖的含量,从而求出淀粉酶的活力。
三、实验材料:蛋白胨、牛肉膏、可溶性淀粉、Nacl、无菌水、0.1mol/L pH4.8醋酸缓冲液、酶液、DNS试剂(3,5-二硝基水杨酸试剂)DNS试剂(3,5-二硝基水杨酸试剂)的制备:甲液,溶解6.9g苯酚于15.2mL10%氢氧化钠中,并稀释至69mL,在此溶液中加入6.9g亚硫酸氢钠。
乙液,称取22.5g酒石酸钾钠,加到300mL 10%氢氧化钠溶液中,再加入880mL 1%的3,5二硝基水杨酸溶液将甲液与乙液相混合即得黄色试剂,贮于棕色试剂瓶中,放置7-10天以后使用。
四、实验步骤:(1)培养基的配制(2)将上述培养基配配制好以后,每250mL三角瓶装入培养基100mL,于121℃下灭菌30min,冷却。
(3)冷却后接种(接种量为3%),置于28℃培养箱进行培养48h。
(4)测酶活:1. 绘制葡萄糖标准曲线,取25mL试管8支,按下表加入试剂。
将各管溶液混合均匀,在沸水浴中加热5min,取出后立即用流动自来水冷却至室温,再向每管加入蒸馏水21.5mL,摇匀。
正交试验法优化苦荞总黄酮的提取工艺摘要:以乙醇溶液为提取剂,采用加热回流法提取苦荞(fagopyrum tatricum)中总黄酮,在单因素试验的基础上设计正交试验优化提取工艺。
结果表明,各因素对苦荞总黄酮提取率的影响由大到小依次为提取温度、料液比、乙醇溶液体积分数、提取时间。
优化得到苦荞总黄酮的最佳提取工艺条件为乙醇溶液体积分数70%、料液比m苦荞粉末∶v乙醇=1∶35(g/ml)、提取温度80 ℃、提取时间60 min,此条件下苦荞总黄酮提取率为7.85%。
关键词:苦荞(fagopyrum tatricum);总黄酮;提取;正交试验中图分类号:r284.2 文献标识码:a 文章编号:0439-8114(2013)09-2138-03苦荞(fagopyrum tatricum)又称鞑靼荞麦,属于蓼科荞麦属一年生或多年生宿根性植物[1],性喜冷凉[2]。
主要分布在中国西南地区的四川、云南、贵州等地[3]。
苦荞含有丰富的氨基酸、多糖、淀粉、矿物质、维生素、不饱和脂肪酸和黄酮类化合物等营养成分,其黄酮类化合物含量是甜荞的10~100倍,具有抗肿瘤、延缓衰老、降血糖、降血脂、抗氧化、消除体内自由基、增强免疫力、抗菌、抗病毒及保护心脑血管等多种保健作用[4-12]。
作为药食同源的苦荞长期以来深受消费者的欢迎,具有重要的研究和应用价值。
本研究在单因素试验的基础上采用正交试验优化加热回流法提取苦荞中总黄酮的工艺条件,为苦荞工业化生产黄酮类物质提供理论基础和科学依据。
1 材料与方法1.1 材料与仪器苦荞购自南京市江宁区欧尚超市,用高速粉碎机打成粉末过60目筛备用。
芦丁标准品购自中国药品生物制品检定所;无水乙醇购自上海国药集团化学试剂有限公司,亚硝酸钠购自南京化学试剂有限公司,硝酸铝购自上海振欣试剂厂,氢氧化钠购自西陇化工股份有限公司,均为分析纯。
主要仪器包括auy120分析天平(上海精密科学仪器有限公司)、hh-4数显恒温水浴锅(常州国华电器有限公司)、tdl-4离心机(上海安亭科学仪器厂)、数显鼓风干燥箱(上海博迅实业有限公司医疗设备厂)、循环水式多用真空泵(郑州长城科工贸有限公司)、7230可见分光光度计(上海精密科学仪器有限公司)等。
正交实验法优化蒲公英中总黄酮的工艺提取摘要:筛选干燥的蒲公英(含叶、茎、根)为原料,方法:采取正交试验研究不同的超声温度、超声时间、超声功率对总黄酮提取率的影响。
利用紫外分光光度法测定蒲公英中总黄酮含量,结果:当乙醇体积分数为90%,超声时间32min,超声温度34℃,超声功率40W,为蒲公英中总黄酮提取的最佳工艺条件。
蒲公英的总黄酮提取率高达1.57%。
Abstract: Dried dandelion (including leaves, stems and roots) was selected as raw materials. Methods: Orthogonal test was carried out to study the effects of ultrasonic temperature, ultrasonic time and ultrasonic power on the extraction rate of total flavonoids. Uv spectrophotometry was used to determine the content of totalflavonoids in dandelion. The results showed that the optimalextraction conditions were as follows: ethanol volume fraction was 90%, ultrasonic time was 32min, ultrasonic temperature wa s 34℃, and ultrasonic power was 40W. The extraction rate of total flavonoids from dandelion was 1.57%.关键词:蒲公英正交试验总黄酮提取率蒲公英【1】属菊科多年草本植物,属药食同源,含有多种人体的必需氨基酸,铁(Fe)、钙(Ca)的含量高于正常水果的摄入量。
正交方案如何优化在工程设计和优化的过程中,正交方案是一个被广泛使用的方法。
它通过将复杂的问题拆解成独立的因素,从而寻找最优解。
本文将探讨正交方案的优化方法,以及如何提高其效率和效果。
什么是正交方案正交方案是一种设计和优化方法,它将复杂的问题分解成多个独立的因素。
通过将这些因素进行组合,得到不同的方案,并通过实验或模拟评估它们的效果。
正交方案可以应用于各种领域,例如工程设计、市场营销、产品研发等等。
正交方案的优势相比其他设计和优化方法,正交方案具有以下优势:1.独立性:正交方案将问题分解成多个独立的因素,使得每个因素的影响都可以独立地评估。
这样可以避免因素之间相互影响带来的复杂性。
2.全面性:正交方案通过组合不同的因素,形成多个解决方案。
每个方案都是全面考虑了各个因素的影响,从而寻找到最优解。
3.可重复性:正交方案的实验或模拟可以重复进行,以验证方案的有效性。
通过多次实验的平均结果,可以获得更准确的评估。
正交方案的优化方法1. 确定关键因素在设计正交方案前,首先需要确定问题中的关键因素。
这些因素可能由问题的要求、约束条件或可调节的参数等决定。
确定关键因素的准确性对于后续的优化过程非常重要。
2. 建立正交表正交表是指将关键因素进行组合的表格。
它具有平衡因素之间影响的特点,可以避免因素之间的相互干扰。
建立正交表的方法有多种,例如标准正交表、拉丁正方形等。
选择适合问题的正交表是优化的关键。
3. 进行实验或模拟根据正交表,设计实验或模拟方案,并进行相应的数据采集。
在实验或模拟过程中,确保每个因素都有相应的变化范围和步长,以充分评估其影响。
如果进行实际实验,注意实验过程的可重复性。
4. 数据分析和结果评估根据实验或模拟所得的数据,进行数据分析和结果评估。
使用统计方法、数据可视化等工具,分析各个因素对问题的影响程度。
评估不同方案的优劣,确定最优解或优化方向。
5. 优化和迭代根据数据分析和结果评估,对正交方案进行优化和迭代。
正交法优化槐米中芦丁的提取工艺廖华卫,邓金梅,宋粉云(广东药学院中药学院,广东广州510006)摘要:目的优选槐米的最佳提取条件。
方法以槐米中所含成分芦丁含量和提取率为评价指标,采用L 9(34)正交试验,对影响槐米的沸水煎煮提取效果的诸因素(药材的粉碎度、溶剂用量、提取次数、提取时间)进行优选。
结果药材为细粉、溶剂2500mL 、提取3次、提取时间40min 提取效果最好。
结论本实验为优化槐米中芦丁的提取工艺提供了参考依据。
关键词:芦丁;槐米;正交试验中图分类号:R 284.2 文献标识码:A 文章编号:1006-8783(2006)03-0275-02作者简介:廖华卫(1972-),男,本科,实验师,主要从事天然药物化学的研究。
槐米系豆科属植物槐树(Sophora japonica L.)的花蕾,中医临床上作为止血药,治疗痔疮、子宫出血、吐血、鼻出血,并有清肝泻火、治疗肝热目赤、头痛眩晕的功效[1]。
药理研究表明,它能保持毛细血管正常的抵抗力,降低血管通透性,可使因脆性增加而出血的毛细血管恢复正常的弹性,还有抗炎,解痉等作用[2]。
槐米主要成分芦丁含量高达12%~20%[1],近年来有文章报道槐米具有治疗糖尿病的功效。
芦丁的药用价值开发利用较早。
但芦丁与其苷元槲皮素均难溶于水,为了改善其在水中的溶解性状,增强其药理活性,科研人员对其进行了长期而又有效的研究包括化学结构的改造,衍生物、复合物的制备,无机酸酯盐以及!-环糊精包合物和共沉淀物的研制等[3]。
为了提高芦丁的提取效率,避免资源浪费,摸索一种芦丁的提取方法也显得尤为重要,目前可采用的提取方法有浸渍法、有机溶剂提取法、碱提酸沉法、连续萃取法和微波法等[4],其中最常用,工艺较成熟的是石灰水法,但该法存在要求条件高,且产品纯度不高等缺点[5]。
作者通过实验,找出了原料利用率和产品纯度都较高,且较经济简便的正交法优化槐米中芦丁的提取工艺。
现将实验过程及结果报道如下。
正交实验法
正交实验法就是利用排列整齐的表 -正交表来对试验进行整体设计、综合比较、统计分析,实现通过少数的实验次数找到较好的生产条件,以达到最高生产工艺效果。
正交表能够在因素变化范围内均衡抽样,使每次试验都具有较强的代表性,由于正交表具备均衡分散的特点,保证了全面实验的某些要求,这些试验往往能够较好或更好的达到实验的目的。
正交实验设计包括两部分内容:第一,是怎样安排实验;第二,是怎样分析实验结果。
目录
试验方法
我们知道如果有很多的因素变化制约着一个事件的变化,那么为了弄明白哪些因素重要,哪些不重要,什么样的因素搭配会产生极值,必须通过做实验验证(仿真也可以说是实验,只不过试验设备是计算机),如果因素很多,而且每种因素又有多种变化(专业称法是:水平),那么实验量会非常的大,显然是不可能每一个实验都做的。
能够大幅度减少试验次数而且并不会降低试验可行度的方法就是使用正交试验法。
首先需要选择一张和你的实验因素水平相对应的正交表,已经有数学家制好了很多相应的表,你只需找到对应你需要的就可以了。
所谓正交表,也就是一套经过周密计算得出的现成的实验方案,他告诉你每次实验时,用那几个水平互相匹配进行实验,这套方案的总实验次数是远小于每种情况都考虑后的实验次数的。
比如3水平4因素表就只有9行,远小于遍历试验的81次;我们同理可推算出如果因素水平越多,试验的精简程度会越高。
建立好实验表后,根据表格做实验,然后就是数据处理了。
由于试验次数大大减少,使得试验数据处理非常重要。
首先可以从所有的实验数据中找到最优的一个数据,当然,这个数据肯定不是最佳匹配数据,但是肯定是最接近最佳的了。
这是你能得到一组因素,这是最直观的一组最佳因素。
接下来将各个因素当中同水平的实验值加和(注:正交表的一个特点就是每个水平在整个实验中出现的次数是相同的),就得到了各个水平的实验结果表,从这个表当中又可以得到一组最优的因素,通过比较前一个因素,可以获得因素变化的趋势,指导更进一步的试验。
各个因素中不同水平试验值之间也可以进行如极差、方差等计算,可以获知这个因素的敏感度,等等等等,还有很多处理数据的方法。
然后再根据统计数据,确定下一步
的试验,这次实验的范围就很小了,目的就是确定最终的最优值。
当然,如果因素水平很多,这种寻优过程可能不止一次。
在生产和科研中,为了研制新产品,改革生产工艺,寻找优良的生产条件,需要做许多多因素的实验。
在方差分析中对于一个或两个因素的实验,我们可以对不同因素的所有可能的水平组合做实验,这叫做全面实验。
当因素较多时,虽然理论上仍可采用前面的方法进行全面实验后再做相应的方差分析,但是在实际中有时会遇到实验次数太多的问题。
例如,生产化工产品,需要提高收率(产品的实际产量与理论上投入的最大产量之比),认为反应温度的高低、加碱量的多少、催化剂种类等多种因素,都是造成收率不稳的主要原因。
根据以往经验,选择温度的三个水平:80℃、85℃、90℃;加碱量的三个水平:35、48、55(kg);催化剂的三个水平:甲、乙、丙三种。
如果做全面实验,则需3×3×3=27次。
如果有3个因素,每个因素选取4个实验水平的问题,在每一种组合下只进行一次试验,所有不同水平的组合有4×4×4=64种,如果6个因素,5个实验水平,全面实验的次数是5×5×5×5×5×5=15,625次。
对于这样一些问题,设计全面的实验往往耗时、费力,往往很难做到。
因此,如何设计多因素实验方案,选择合理的实验设计方法,使之既能减少实验次数,又能收到较好的效果。
“正交实验法”就是研究与处理多因素实验的一种科学有效的方法。
正交实验法在西方发达国家已经得到广泛的应用,对促进经济的发展起到了很好的作用。
在我国,正交实验法的理论研究工作已有了很大的进展,在工农业生产中也正在被广泛推广和应用,使这种科学的方法能够为经济发展服务。
用正交法测定几种因素对蔗糖酶活力的影响
目的要求
1.初步掌握正交实验设计方法的使用
2.求出蔗糖酶的最适温度和最适pH值
实验原理
酶的催化作用是在一定条件下进行的,它受多种因素的影响,如:底物浓度、酶浓度、溶液的pH值和离子浓度、温度、抑制剂和激活剂等都能影响催化反应的速度。
通常是在其他因素恒定的条件下,通过对某因素在一系列变化条件下的酶活性测定,求得该因素对酶活力的影响,这是单因素的简单比较法。
本实验用正交法测定温度、pH值、底物浓度和酶浓度四种因素对蔗糖酶活性的影响,这是多因素(≥3)的实验方法。
正交法是通过正交表安排多因素实验,利用统计数学原理进行数据分析的一种科学方法,它符合“以尽量少的试验,获得足够的、有效的信息”的实验设计原则。
正交试验法的程序为下列八个步骤:
(1)确定试验目的。
实验目的是多种多样的,如找出产品质量指标的最佳组合、确定最佳工艺条件等。
本实验的目的是为了提高酶的反应速度,提高酶的活力。
(2)选择质量特性指标。
应选择能提高或改进的质量特性及因素效应。
对于本实验来说就是产物(葡萄糖)生成量的多少。
(3)选定相关因素。
即选择和确定可能对实验结果或质量特性值有影响的那些因素,可人为控制与调节的因素,如温度、pH等。
这些因素之间有相互独立性。
(4)确定水平。
水平,又称位级,是因素的一个给定值或一种特定的措施,或一种特定的状态。
水平也就是因素变化的各种状态。
在确定水平时,应考虑选择范围、水平数和水平位置。
如本实验的温度水平可以选择20℃、30 ℃、50 ℃三个水平。
(5)选用正交表。
应从因素数、水平数以及有无重点因素需要强化考察等各方面综合考虑选用正交表。
一般情况下,首先根据水平数选用2或3系列表,然后,以容纳试验因素数,选用实验次数最少的正交表。
如有重点考察的因素,则根据其多考察的水平数,选混合型正交表。
(6)配列因素水平,制定实验方案。
按随机原则,把因素配列于选用的正交表中,制定实验的顺序、时间等,即制定实验具体方案。
(7)实施实验方案。
按实验方案,认真、正确地试验,如实记录各种实验数据。
(8)实验结果分析。
对实验中取得的各种数据进行分析。
如从数据中直接选出符合或接近质量特性期望值的实验条件组。
如不能采用直观分析方法,则应采用其他分析方法,确定各因素主次地位可用极差分析方法,定量分析各个因素对实验结果的影响程度,则用方差分析方法。
操作方法
1.实验设计:
1)确定指标:即实验的结果。
本实验的指标是酶活力。
这里,用A520值表示。
2)制定因素水平表:考察四个因素(温度、pH值、底物浓度和酶浓度),每个因素取三个水平(如温度选择20℃、35 ℃ 和50 ℃ 三个水平)。
水平是因素变化的范围(通常是根据专业知识确定。
如无资料可借鉴,应先加宽范围再逐步缩小)内要进行实验的具体条件,如表1。
表1 因素水平表
3)选择正交表:可容纳三因素三水平的正交表有L9(34)、L27(313)、L18(36×6)和L27(38×9)。
本实验不考察各因素间的交互作用,也没
设计混合水平,只有水平数均为3的的四个因素,故选用L9(34)表,见表2。
分析:
A. 判断各因素的水平范围是否选偏;
B. 判断各因素显著性大小的顺序;
C. 判断实验结果的置信度。
实验安排
具体操作步骤:
1、将已配制好的三种不同pH的0.2mol/L的缓冲液于试管中。
2、将酶粉用蒸馏水溶解(适当体积10-30ml不等),离心去
除不溶物,10,000rpm/min,10min,4℃。
3、酶活预示实验,确定酶的稀释倍数。
(可根据产物稀释的
倍数来确定酶的稀释倍数)A520在0.4-2.0之间即可。
4、准备10支试管。
其中一支为“0”号管,作为测量时的参比溶液。
其他九支试管根据前面的图表3加入相关的溶液,分别在不同的条件下进行酶反应。
利用二硝基水杨酸的方法测定不同管在A520下的光密度值。
5、计算同一因素不同水平的级差,级差小代表离散度小,表示该水平为酶反应的最适条件。
1)数据记录:将上述两组平行实验的结果取平均值后的9个数据,填入表4中的Yi项内。
2)数据整理及分析:对于一般的实验,可用极差分析,该分析方法简单、直观。
对要求精细的实验,则要用方差分析,该方法可给出误差的大小估计,但有一定的计算量。
对于有混合水平的正交实验,只能用方差分析。
本实验,只使用极差分析:
A. 计算出各水平实验结果总和,即第1、2、3、4列上的k1、k2、k3,并求出k1、k2、k3和k的R值(极差)。
B. 选出优水平组合:据R值的大小,排出因素显著性的顺序,并比较k值选出优水平组合(即好的实验条件)。
由上述数据分析及验证实验,讨论在本实验条件下,温
度、pH值、底物浓度和酶浓度对蔗糖酶活性的影响;求出蔗糖酶的最适温度和最适pH值。