钢筋原材(光圆钢筋)检测报告
- 格式:xls
- 大小:70.00 KB
- 文档页数:1
钢筋原材料试验检测方案1适用范围适用于钢筋混凝土用普通热轧带肋钢筋和热轧光圆钢筋。
2试验目的为了测定钢筋的重量偏差、屈服强度R”.、抗拉强度匕、断后伸长率A和最大力总伸长率心、弯曲性能。
3试验依据《钢筋混凝土用钢材试验方法》GB/T28900-2023《金属材料拉伸试验第一部分:室温试验方法》GB/T228.1-2010《金属材料弯曲试验方法》GB/T232-2010《钢筋混凝土用钢第1部分:热轧光圆钢筋》GB/T1499.1-2017《钢筋混凝土用钢第2部分:热轧带肋钢筋》GB/T1499.2-20184检验人员:检验人员均为持证上岗人员。
5试验设备5.1万能材料试验机WEWTOoOA、万能材料试验机WEW-600:示值误差±1%;预期破坏荷载在全量程的20〜80%之间。
5.2游标卡尺150mm、钢尺500mm>电子天平1T-20kg等。
5.3钢筋标距仪BJT0、1B-40连续式标点机6试验条件对于试验温度一般要求在I(TC-35℃之间,对于有严格要求的在23°C±5°C之间。
7取样钢筋同一牌号、同一炉罐号、同一尺寸的钢筋组成。
每批重量不大于60to超过60t的部分,每增加40t(或不足40t的余数),增加一个拉伸和一个弯曲试验试样。
8试验方法和计算结果8.1重量偏差8.1.1试验步骤试样应随机从不同根钢筋上截取,数量不少于5支,每支试样长度不小于50OnInb长度应逐支测量,精确到Inm1。
8.1.2计算结果计算钢筋实际重量与理论重量的偏差(%)公式如下:试样实际总重量-(试样总长度X理论重量)重量偏差=试样总长度X理论重量注:检验结果的数值修约与判定应符合YB/T081的规定。
钢筋的重量偏差项目不允许复验。
8.2原材拉伸试验8.2.1试验步骤⑴原始标距1的标记:在试样自由长度范围内,均匀划分为IOnIm的等间距标记。
用钢筋标距仪进行打点标距。
⑵将试样夹紧在试验机上后,进行加荷。
钢材出厂合格证及进场检验报告Ⅰ基本要求和内容(1)凡结构设计施工图所配各种受力钢筋应有钢筋出厂合格证及力学性能现场抽样检验报告单,出厂合格证备注栏中应由施工单位注明单位工程名称、使用部位和进场数量。
(2)钢筋在加工过程中,如发现脆断、焊接性能不良或力学性能显著不正常现象,应进行化学成分检验或其它专项检验,并做出鉴定处理结论。
(3)使用进口钢筋应有商检证及主要技术性能指标。
进场后应严格遵守先检验后使用的原则进行力学性能及化学成分检验,其各项指标符合国产相应级别钢筋的技术标准及有关规定后,方可根据其应用范围用于工程。
当进口钢筋的国别及强度级别不明时,可根据检验结果确定钢筋级别,但不应用在主要承重结构的重要部位。
(4)冷拉钢筋、冷拔钢筋、冷轧扭钢筋、冷轧带肋钢筋除应有母材的出厂合格证及力学性能检验报告外,还应有冷拉、冷拔、冷轧后的钢筋出厂合格证及力学性能现场抽样检验报告。
(5)预应力砼工程所用的热处理钢筋、钢绞线、碳素钢丝、冷拔钢丝等材料应有出厂合格证及力学性能现场抽样检验报告,其技术性能和指标应符合设计要求及有关标准规范的规定。
(6)无粘结预应力筋(系指带有专用防腐油脂涂料层和外包层的无粘结预应力筋)现场抽样检验的力学性能技术指标应符合《钢绞线、钢丝束无粘结预应力筋》JG3006的要求。
防腐润滑脂应提供合格证,其有关指标必须符合《无粘结预应力筋专用防腐润滑脂》JG3007标准的规定。
(7)预应力筋用锚具、夹具和连接器应有出厂合格证,进场后应按批抽样检验并提供检验报告,其指标应符合标准后方可用于工程。
无合格证时,应按国家标准进行质量检验。
预应力筋用锚具系统的质量检验和合格验收应符合国家现行标准《预应力筋用锚具、夹具和连接器应用技术规程》JGJ85和《预应力筋用锚具、夹具和连接器》GB/T14370的规定。
(8)预应力混凝土用金属螺旋管应有出厂合格证,进场后应按批抽样检验,并提供检验报告,其指标应符合国家现行行业标准《预应力混凝土用金属螺旋管》JG /T 3013后方可用于工程。
钢材出厂合格证及进场检验报告Ⅰ基本要求和内容(1)凡结构设计施工图所配各种受力钢筋应有钢筋出厂合格证及力学性能现场抽样检验报告单,出厂合格证备注栏中应由施工单位注明单位工程名称、使用部位和进场数量。
(2)钢筋在加工过程中,如发现脆断、焊接性能不良或力学性能显著不正常现象,应进行化学成分检验或其它专项检验,并做出鉴定处理结论。
(3)使用进口钢筋应有商检证及主要技术性能指标。
进场后应严格遵守先检验后使用的原则进行力学性能及化学成分检验,其各项指标符合国产相应级别钢筋的技术标准及有关规定后,方可根据其应用范围用于工程。
当进口钢筋的国别及强度级别不明时,可根据检验结果确定钢筋级别,但不应用在主要承重结构的重要部位。
(4)冷拉钢筋、冷拔钢筋、冷轧扭钢筋、冷轧带肋钢筋除应有母材的出厂合格证及力学性能检验报告外,还应有冷拉、冷拔、冷轧后的钢筋出厂合格证及力学性能现场抽样检验报告。
(5)预应力砼工程所用的热处理钢筋、钢绞线、碳素钢丝、冷拔钢丝等材料应有出厂合格证及力学性能现场抽样检验报告,其技术性能和指标应符合设计要求及有关标准规范的规定。
(6)无粘结预应力筋(系指带有专用防腐油脂涂料层和外包层的无粘结预应力筋)现场抽样检验的力学性能技术指标应符合《钢绞线、钢丝束无粘结预应力筋》JG3006的要求。
防腐润滑脂应提供合格证,其有关指标必须符合《无粘结预应力筋专用防腐润滑脂》JG3007标准的规定。
(7)预应力筋用锚具、夹具和连接器应有出厂合格证,进场后应按批抽样检验并提供检验报告,其指标应符合标准后方可用于工程。
无合格证时,应按国家标准进行质量检验。
预应力筋用锚具系统的质量检验和合格验收应符合国家现行标准《预应力筋用锚具、夹具和连接器应用技术规程》JGJ85和《预应力筋用锚具、夹具和连接器》GB/T14370的规定。
(8)预应力混凝土用金属螺旋管应有出厂合格证,进场后应按批抽样检验,并提供检验报告,其指标应符合国家现行行业标准《预应力混凝土用金属螺旋管》JG /T 3013后方可用于工程。
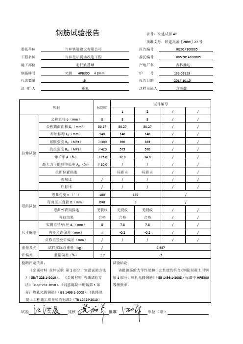
批准文号:铁建高函[2009]27号委托单位吉林铁道建设有限公司报告编号JR2014100005工程名称吉林北站货场改造工程委托编号JRW2014100005 施工部位走行轨基础产地厂名吉林鑫达钢筋牌号光圆HPB300 φ8mm 炉号132-01623代表数量8t 报告日期2014.10.15送样人董佩送样见证人龙海馨项目标准规定试件编号12//拉伸试验公称直径d(mm)888//公称截面面积S o(mm2)50.2750.2750.27//原始标距L O(mm)140140140//屈服强度R el(MPa)≥300390365//抗拉强度R m(MPa)≥420575570//伸长率A(%)≥25.032.034.0//最大力下的总伸长率A gt(%)≥10.0////拉断位置描述标距内标距内//强屈比/////屈标比/////弯曲试验弯曲角度α(°)180180/弯曲压头直径D(mm)D=d8/弯曲外表面描述无裂纹无裂纹无裂纹//弯曲结果合格合格合格//尺寸偏差实测直径/内径d1(mm)87.87.8//内径允许偏差(mm)±-0.2-0.2//公称直径允许偏差(mm)/////重量及允许偏差试样实际总重量(kg)/0.957重量偏差(%)±7-5检测评定依据:《金属材料拉伸试验第1部分:室温试验方法》(GB/T 228.1-2010)、《金属材料弯曲试验方法》(GB/T232-2010)、《钢筋混凝土用钢第1部分:热轧光圆钢筋》(GB 1499.1-2008)、《铁路混凝土工程施工质量验收标准》(TB 10424-2010)试验结论:该批钢筋的力学性能和工艺性能均符合《钢筋混凝土用钢第1部分:热轧光圆钢筋》(GB 1499.1-2008)标准中HPB300等级要求。
批准文号:铁建高函[2009]27号委托单位吉林铁道建设有限公司报告编号JR2014100006工程名称吉林北站货场改造工程委托编号JRW2014100006 施工部位排水沟盖板产地厂名四平现代钢筋牌号光圆HRB400 φ12mm 炉号1-040708代表数量6t 报告日期2014.10.15送样人董佩送样见证人龙海馨项目标准规定试件编号12//拉伸试验公称直径d(mm)121212//公称截面面积S o(mm2)113.1113.1113.1//原始标距L O(mm)606060//屈服强度R el(MPa)≥400420425//抗拉强度R m(MPa)≥540560565//伸长率A(%)≥1625.026.0//最大力下的总伸长率A gt(%)≥7.5////拉断位置描述标距内标距内//强屈比/////屈标比/////弯曲试验弯曲角度α(°)180180/弯曲压头直径D(mm)D=4d48/弯曲外表面描述无裂纹无裂纹无裂纹//弯曲结果合格合格合格//尺寸偏差实测直径/内径d1(mm)11.511.311.3//内径允许偏差(mm)±0.4-0.2-0.2//公称直径允许偏差(mm)/////重量及允许偏差试样实际总重量(kg)/-2.124重量偏差(%)±7-6检测评定依据:《金属材料拉伸试验第1部分:室温试验方法》(GB/T 228.1-2010)、《金属材料弯曲试验方法》(GB/T232-2010)、《钢筋混凝土用钢第1部分:热轧光圆钢筋》(GB 1499.1-2008)、《铁路混凝土工程施工质量验收标准》(TB 10424-2010)试验结论:该批钢筋的力学性能和工艺性能均符合《钢筋混凝土用钢第1部分:热轧光圆钢筋》(GB 1499.1-2008)标准中HPB300等级要求。
钢材原材检测报告1. 概述本文档为对钢材原材进行检测的报告,旨在对钢材原材的质量进行评估和确认。
通过对钢材原材的物理、化学及力学性能的检测,可以确保钢材原材符合相关标准和要求,以保障后续生产制造过程中的质量和安全。
2. 检测项目2.1 物理性能检测物理性能检测主要包括: - 密度检测:通过测量钢材原材的质量和体积,计算得出其密度。
- 硬度检测:使用硬度计等仪器对钢材原材进行硬度测试,以了解其硬度数值。
- 磁性检测:通过磁粉探伤、彩色磁粉探伤等方法对钢材原材进行磁性测试。
- 金相组织检测:使用金相显微镜对钢材原材的金相组织进行观察和分析。
2.2 化学成分分析化学成分分析是钢材原材检测中关键的一个环节。
常用的化学成分分析方法包括: - 光谱分析法:使用光谱仪对钢材原材进行光谱分析,得出其元素组成和含量。
- X射线荧光光谱分析法:利用X射线发射荧光光谱仪对钢材原材进行分析,快速获取钢材中元素的信息。
2.3 力学性能检测力学性能检测对钢材原材力学性能的评估十分重要,常见的力学性能检测项目有: - 抗拉强度检测:使用拉力试验机对钢材原材进行拉力测试,得出其抗拉强度和屈服强度等信息。
- 延伸率检测:利用延伸计等仪器对钢材原材进行延伸率测试,用以评估其延伸性能。
- 冲击韧性检测:使用冲击试验仪对钢材原材进行冲击试验,了解其抗冲击性能。
- 硬度测试:使用硬度计等仪器对钢材原材进行硬度检测。
3. 检测方法和结果通过对钢材原材的物理、化学及力学性能的检测,我们得到了如下结果:3.1 物理性能检测结果•密度检测结果:钢材原材的平均密度为 xxx g/cm^3。
•硬度检测结果:钢材原材的平均硬度为 xxx。
•磁性检测结果:钢材原材不具备磁性。
•金相组织检测结果:钢材原材的金相组织为奥氏体结构。
3.2 化学成分分析结果•光谱分析法结果:钢材原材中主要元素的含量如下:–碳 (C):xx%–硅 (Si):xx%–锰 (Mn):xx%–磷 (P):xx%–硫 (S):xx%3.3 力学性能检测结果•抗拉强度检测结果:钢材原材抗拉强度为 xxx MPa。
指南2JC—001钢筋力学(原材)性能检验报告报告编号:╳╳╳签发:╳╳╳审核:╳╳╳检测:╳╳╳注:本表由检测机构填写,一式三份,检测机构、委托单位、监理单位各留一份。
报告左上角加盖计量认证CMA章,右上角加盖四川省建设工程质量检测资质专用章有效。
695四川省建设厅制696钢筋力学(焊接)性能检验报告报告编号╳╳╳签发:╳╳╳审核:╳╳╳检测:╳╳╳注:本表由检测机构填写,一式三份,检测机构、委托单位、监理单位各留一份。
报告左上角加盖计量认证CMA章,右上角加盖四川省建设工程质量检测资质专用章有效。
四川省建设厅制695JC—001填写说明一、本表是检测机构受委托单位委托,对钢筋的有关技术参数进行检测后,用以确定所检参数是否符合相关标准的报告。
二、钢筋检测报告中心必须注明所检测钢筋的品种及使用部位。
三、本表适用于热轧带肋钢筋、热轧光圆钢筋、低碳钢热轧圆盘条、冷轧带肋钢筋、冷轧扭钢筋、热处理钢筋的有关技术参数的检测,每种钢筋的适用标准在依据标准处选取。
四、对钢筋混凝土用钢第1部分:热轧光圆钢筋(GB1499.1-2008),冷弯时弯芯直径为1倍钢筋直径。
696表5热轧带肋钢筋重量偏差五、有抗震设防要求的结构其纵向受力钢筋的性能应满足设计要求;设计无具体要求时,对按一、二、三级抗震等级设计的框架和斜撑构件(含梯段)中纵向受力钢筋应采用E钢筋,其强度和最大力下总伸长率的实测值应符合下列规定:1 钢筋的抗拉强度实测值与屈服强度实测值的比值不应小于1.25;2 钢筋的屈服强度实测值与屈服强度标准值的比值不应大于1.3;3 钢筋的最大力下总伸长率不应小于9%。
六、如有的参数不合格,结论中应给出加倍抽检或其它处理措施。
697JC—002水泥检测报告签发:╳╳╳审核:╳╳╳检测:╳╳╳注:本表由检测机构填写,一式三份,检测机构、委托单位、监理单位各留一份。
报告左上角加盖计量认证CMA章,右上角加盖四川省建设工程质量检测资质专用章有效。
2014260023M检验编号:G2014122 共9页第1页样品名称热轧光圆钢筋钢筋牌号HPB300 委托单位江西省德安县水利水电建筑工程公司工程名称加查县坝乡民政救灾仓库使用部位基础,主体结构一层检验类别评定样品来源见证取样钢筋级别/见证单位湖北大成监理公司见证人任君平检验设备WE—100 WE—600万能试验机收样日期2014.05.06 检验依据GB1499.1—2008、GB/T228 GB/ T232 试验日期2014.05.10 生产厂名酒钢报告日期2014.05.10 生产批号/ 环境温度18℃代表数据60T 炉号/表面形状光圆钢筋拉伸试验弯曲试验公称直径试件序号实测直径(mm)屈服点(MPa)抗拉强度(MPa)断后伸长率%弯心直径:d弯曲角度:180°标准要求- ≥300 ≥370 ≥25% 不得有裂纹、脆断6.5试件1 6.5 307 484 33 完好试件2 6.5 311 487 32 完好结论该样品依据标准评定,所检项目合格备注检验单位山南地区建设工程质量监督检测中心(盖章)本中心不对样品来源负责、报告经书面批准不得部分复制或摘录。
地址:山南地区泽当镇湖南路10号联系电话:(0893)7832300 邮政编码:856000批准:校核:检验:2014260023M检验编号:G2014122 共9页第2页样品名称热轧光圆钢筋钢筋牌号HPB300 委托单位江西省德安县水利水电建筑工程公司工程名称加查县坝乡民政救灾仓库使用部位基础,主体结构一层检验类别评定样品来源见证取样钢筋级别/见证单位湖北大成监理公司见证人任君平检验设备WE—100 WE—600万能试验机收样日期2014.05.06 检验依据GB1499.1—2008、GB/T228 GB/ T232 试验日期2014.05.10 生产厂名酒钢报告日期2014.05.10 生产批号/ 环境温度18℃代表数据60T 炉号/表面形状光圆钢筋拉伸试验弯曲试验公称直径试件序号实测直径(mm)屈服点(MPa)抗拉强度(MPa)断后伸长率%弯心直径:d弯曲角度:180°标准要求- ≥300 ≥370 ≥25% 不得有裂纹、脆断8试件1 8 306 481 33 完好试件2 8 302 485 33 完好结论该样品依据标准评定,所检项目合格备注检验单位山南地区建设工程质量监督检测中心(盖章)本中心不对样品来源负责、报告经书面批准不得部分复制或摘录。
试验室名称: 新化县资江三桥及接线工程S1合同段工地试验室报告编号:
试验室名称: 新化县资江三桥及接线工程S1合同段工地试验室报告编号:
试验室名称: 新化县资江三桥及接线工程S1合同段工地试验室报告编号:
试验室名称: 新化县资江三桥及接线工程S1合同段工地试验室报告编号:
试验室名称: 新化县资江三桥及接线工程S1合同段工地试验室报告编号:
试验室名称: 新化县资江三桥及接线工程S1合同段工地试验室报告编号:
试验室名称: 新化县资江三桥及接线工程S1合同段工地试验室报告编号:
试验室名称: 新化县资江三桥及接线工程S1合同段工地试验室报告编号:
试验室名称: 新化县资江三桥及接线工程S1合同段工地试验室报告编号:。
试验室名称: 新化县资江三桥及接线工程S1合同段工地试验室报告编号:
试验室名称: 新化县资江三桥及接线工程S1合同段工地试验室报告编号:
试验室名称: 新化县资江三桥及接线工程S1合同段工地试验室报告编号:
试验室名称: 新化县资江三桥及接线工程S1合同段工地试验室报告编号:
试验室名称: 新化县资江三桥及接线工程S1合同段工地试验室报告编号:
试验室名称: 新化县资江三桥及接线工程S1合同段工地试验室报告编号:
试验室名称: 新化县资江三桥及接线工程S1合同段工地试验室报告编号:
试验室名称: 新化县资江三桥及接线工程S1合同段工地试验室报告编号:
试验室名称: 新化县资江三桥及接线工程S1合同段工地试验室报告编号:。
建筑光圆钢筋重量偏差测定检测方案建筑光圆钢筋重量偏差测定是建筑工程质量控制的重要部分,直接关系到结构安全性和施工质量。
本文将介绍建筑光圆钢筋重量偏差测定的基本原理、方法和步骤,以及相应的设备和仪器。
同时,还将对常见的重量偏差测定误差进行了分析,并给出相应的校正措施。
一、建筑光圆钢筋重量偏差测定的原理和方法具体测定步骤如下:1.准备标准样品和待测样品,确保其表面清洁无杂质。
2.使用天平将标准样品和待测样品分别称重,并记录其质量数据。
3.计算两者的重量差,得到待测样品的重量偏差。
二、建筑光圆钢筋重量偏差测定的设备和仪器1.天平:用于称量标准样品和待测样品的质量。
2.计量器具:用于校准天平,并提供精确的测量结果。
3.清洁工具:包括刷子、布等,用于清洁样品表面,确保准确的测定结果。
三、建筑光圆钢筋重量偏差测定中常见误差及校正措施1.天平刻度误差:天平的刻度可能存在误差,导致称量结果不准确。
为了减小天平刻度误差,可以定期进行天平的校准,使用直观可读的刻度尺,并根据实际需求选择合适的天平精度。
2.温度变化误差:天平的测量结果会受到环境温度的影响。
为了减小温度变化误差,应在相对恒定的温度环境下进行测量,并在测量前将样品和天平适应到室温。
四、建筑光圆钢筋重量偏差测定的数据处理与评价通过比较待测样品和标准样品的重量差,可以评价待测样品的重量偏差情况。
根据测定结果,对建筑光圆钢筋的重量偏差进行评价和判断。
如果重量偏差超过了规定的范围,需要对待测样品进行重新筛选或采取其他相应的调整措施。
五、建筑光圆钢筋重量偏差测定的质量控制1.对设备和仪器进行定期维护和校准,确保其准确、可靠。
2.对操作人员进行培训,提高其仪器使用和操作技能。
3.对样品进行筛选和分类,确保得到具有代表性的样品,避免误差的出现。
4.定期对重量偏差测定结果进行审核和分析,及时发现问题并采取相应的纠正措施。
通过以上的质量控制措施,可以有效提高建筑光圆钢筋重量偏差测定的可靠性和准确性,确保建筑工程质量的稳定性和可靠性。