【CN209946380U】一种长江江豚实时监测装置【专利】
- 格式:pdf
- 大小:325.01 KB
- 文档页数:7
(19)中华人民共和国国家知识产权局(12)实用新型专利(10)授权公告号 (45)授权公告日 (21)申请号 201920429911.4(22)申请日 2019.04.01(73)专利权人 生态环境部南京环境科学研究所地址 210000 江苏省南京市玄武区蒋王庙街8号(72)发明人 戴蓉 邹玥屿 曹建兵 (74)专利代理机构 长沙智德知识产权代理事务所(普通合伙) 43207代理人 陈铭浩(51)Int.Cl.G01D 21/02(2006.01)(54)实用新型名称一种生态环境监测设备(57)摘要本实用新型公布了一种生态环境监测设备,它包括底座本体,底座本体内的一侧设置有第一连接件,连接件的上端铰接设置有连接柱,连接柱内外侧分别设置有丝杆和电机,电机通过第一齿轮、第二齿轮轴与丝杆活动连接,丝杆设置于第二齿轮轴内;丝杆的一端设置有限位板,另一端设置有固定架,固定架内活动设置有监测箱本体;底座本体内的一侧设置有第二连接件,第二连接件上铰接设置有支撑柱,支撑柱上活动设置有支撑架。
本实用新型提供一种生态环境监测设备,结构简单,使用收纳方便,监测箱本体能够自动上下移动,不需要工人登高安装,安全性较高。
权利要求书1页 说明书3页 附图2页CN 209764157 U 2019.12.10C N 209764157U权 利 要 求 书1/1页CN 209764157 U1.一种生态环境监测设备,它包括底座本体(1),其特征在于,底座本体(1)内的一侧设置有第一连接件(3),第一连接件(3)的上端铰接设置有连接柱(4),连接柱(4)内外侧分别设置有丝杆(9)和电机(6),电机(6)通过第一齿轮(7)、第二齿轮轴(8)与丝杆(9)活动连接,丝杆(9)设置于第二齿轮轴(8)内;丝杆(9)的一端设置有限位板(5),另一端设置有固定架(10),固定架(10)内活动设置有监测箱本体(14);底座本体(1)内的一侧设置有第二连接件(16),第二连接件(16)上铰接设置有支撑柱(17),支撑柱(17)上活动设置有支撑架(18)。
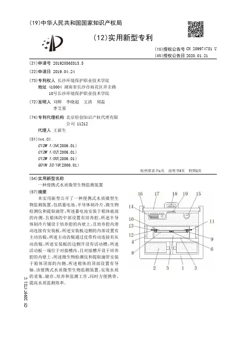
(19)中华人民共和国国家知识产权局(12)实用新型专利(10)授权公告号 (45)授权公告日 (21)申请号 201920568313.5(22)申请日 2019.04.24(73)专利权人 长沙环境保护职业技术学院地址 410004 湖南省长沙市雨花区井圭路10号长沙环境保护职业技术学院(72)发明人 刘辉 李晓超 文清 周磊 李艾蓉 (74)专利代理机构 北京轻创知识产权代理有限公司 11212代理人 王新生(51)Int.Cl.C12M 1/34(2006.01)C12M 1/02(2006.01)C12M 1/00(2006.01)G01N 33/18(2006.01)(54)实用新型名称一种便携式水质微型生物监测装置(57)摘要本实用新型公开了一种便携式水质微型生物监测装置,包括蓄电池、半导体制冷片、微生物检测仪和提取滴管,所述蓄电池安装于箱体底部的内侧,且箱体的中部设置有培养腔,所述半导体制冷片铺设于培养腔的内壁上,且培养腔内滑动连接有安装板,所述安装板边侧的内部设置有主动齿辊,所述主动齿辊通过皮带传动连接有从动齿辊,所述安装板的边侧开设有活动槽,所述活动板一端位于对接槽内,且对接槽开设于培养腔的内壁上,所述微生物检测仪和提取滴管安装于箱体顶部的内侧,所述箱体的顶部设置有导轴。
该便携式水质微型生物监测装置,实现水质的采集、储存、培养和监测工作,同时方便携带,提高水质监测效率。
权利要求书1页 说明书3页 附图2页CN 209974781 U 2020.01.21C N 209974781U权 利 要 求 书1/1页CN 209974781 U1.一种便携式水质微型生物监测装置,包括蓄电池(2)、半导体制冷片(4)、微生物检测仪(14)和提取滴管(15),其特征在于:所述蓄电池(2)安装于箱体(1)底部的内侧,且箱体(1)的中部设置有培养腔(3),所述半导体制冷片(4)铺设于培养腔(3)的内壁上,且培养腔(3)内滑动连接有安装板(5),所述安装板(5)边侧的内部设置有主动齿辊(6),且主动齿辊(6)的一端固定有转杆(7),并且转杆(7)位于安装板(5)的外侧,所述主动齿辊(6)通过皮带(8)传动连接有从动齿辊(9),且从动齿辊(9)轴连接于安装板(5)的内部,所述安装板(5)的边侧开设有活动槽(10),且活动槽(10)内安装有活动板(11),并且活动板(11)的底部固定有卡板(12),所述活动板(11)一端位于对接槽(13)内,且对接槽(13)开设于培养腔(3)的内壁上,所述微生物检测仪(14)和提取滴管(15)安装于箱体(1)顶部的内侧,且箱体(1)顶部边缘处预留有限位槽(16),并且限位槽(16)内连接有盖板(17),所述箱体(1)的顶部设置有导轴(18),且导轴(18)位于盖板(17)的内侧,并且导轴(18)的外侧和盖板(17)的内侧均铺设有磁片(19)。
(19)中华人民共和国国家知识产权局(12)发明专利申请(10)申请公布号 (43)申请公布日 (21)申请号 202010765760.7(22)申请日 2020.08.03(71)申请人 安庆师范大学地址 246000 安徽省安庆市宜秀区集贤北路1318号(72)发明人 王广军 王一宾 陈晓慧 陈敏敏 刘奎 吴健 艾列富 郑鑫 汤庆丰 韩鸿来 宋云龙 石海青 (74)专利代理机构 北京盛凡智荣知识产权代理有限公司 11616代理人 邓凌云(51)Int.Cl.G01S 15/86(2020.01)G01S 19/45(2010.01)H04N 7/18(2006.01)(54)发明名称一种江豚无线定位追踪系统及追踪方法(57)摘要本发明公开了一种江豚无线定位追踪系统,包括定位跟踪模块、视频采集模块、信息发布模块、网上展示模块、生存环境分析模块、GPS卫星模块和运营商网络模块。
本发明提供一种江豚无线定位追踪系统,利用声呐探测子模块搜集水下声信号,通过视频采集模块获取长江江面视频画面,通过数据传输和数据分析整合,通过综合展示子模块集中展示江豚种群游动轨迹,通过声呐探测以及视频采集相结合的方式,长期、有效地对长江江豚进行系统的跟踪与分析;本发明还提供了一种江豚无线定位追踪系统追踪方法,通过该方法的设计,确保江豚无线定位追踪系统的使用,为江豚种群的保护提供可行性的方法。
权利要求书2页 说明书5页 附图5页CN 111965654 A 2020.11.20C N 111965654A1.一种江豚无线定位追踪系统,其特征在于:包括定位跟踪模块、视频采集模块、信息发布模块、网上展示模块、生存环境分析模块、GPS卫星模块和运营商网络模块,所述定位跟踪模块通过网络分别与视频采集模块以及运营商网络模块对接,所述运营商网络模块与GPS卫星模块通过网络对接,所述GPS卫星模块通过网络与网上展示模块对接,所述网上展示模块分别与信息发布模块和生存环境分析模块通过网络对接;所述定位跟踪模块用于对江豚种群进行探测,将探测信息进行分析和整合,得声信号信息,所述定位跟踪模块包括声呐探测子模块、监测浮标子模块和数据采集传输子模块,所述声呐探测子模块通过光纤与监测浮标子模块对接,所述监测浮标子模块与数据采集传输子模块电连接;所述视频采集模块用于获取长江江面视频画面,并将视频画面传输至数据采集传输子模块;所述信息发布模块包括系统管理子模块、第三方组织登录子模块和系统维护子模块,用于发布和提供江豚相关信息;所述网上展示模块包括综合展示子模块和移动终端子模块,用于展示江豚实时运动轨迹和江豚历史运动轨迹;所述生存环境分析模块包括水质监测子模块、环境评估子模块、江豚活动趋势子模块和保护预案生成子模块,用于监测江豚活动水域的水质环境,获取水文水质信息,根据水文水质信息制定江豚保护预案;所述GPS卫星模块用于接收声信号信息,对声信号信息进行定位,得定位结果;所述运营商网络模块用于接收定位结果,并将定位结果传输至网上展示模块。
(19)中华人民共和国国家知识产权局(12)实用新型专利(10)授权公告号 (45)授权公告日 (21)申请号 201920261440.0(22)申请日 2019.03.01(73)专利权人 南京森瑟智能科技有限公司地址 210049 江苏省南京市秦淮区石门坎104号现代服务大厦B座603室(72)发明人 朱颖 (51)Int.Cl.G01N 33/00(2006.01)(54)实用新型名称一种用于环境监测的微型智能装置(57)摘要本实用新型涉及环境监测设备附属装置的技术领域,特别是涉及一种用于环境监测的微型智能装置,其可以通过简化箱体在支撑杆上的拆装过程且减少箱体在支撑杆上拆卸所需要的人员数量,以增强环境监测的微型智能装置的箱体在支撑杆上的拆装便捷性;并且通过灵活调节环境监测仪的箱体在支撑杆上的安装高度使得工作人员不需要登高便可以对环境监测仪进行保养或者维修工作,因而增强了环境监测的微型智能装置的使用安全性;包括环境监测仪和支撑杆,环境监测仪设置有箱体;还包括安装板、两组卡杆、两组挂杆、挤压弹簧、推动板、推动杆、挤压板和限位板;还包括滑动块、支撑板、支撑轴承、调节螺纹杆、带动板、固定板、固定轴承和同步块。
权利要求书2页 说明书5页 附图3页CN 209589986 U 2019.11.05C N 209589986U权 利 要 求 书1/2页CN 209589986 U1.一种用于环境监测的微型智能装置,包括环境监测仪和支撑杆(1),环境监测仪设置有箱体(2),箱体(2)内设置有盛放腔,盛放腔内设置有多组数据分析机构,盛放腔的右端连通设置有检修口,检修口上设置有检修门(4),箱体(2)的顶部区域设置有多组数据收集机构(5);其特征在于,还包括安装板(6)、两组卡杆(7)、两组挂杆(8)、挤压弹簧(9)、推动板(10)、推动杆(11)、挤压板(12)和限位板(13),所述安装板(6)的顶端前侧和后侧分别设置有两组卡槽,所述两组卡杆(7)的底部区域分别与两组卡槽卡装,所述两组挂杆(8)的左端分别与两组卡杆(7)的右端顶部区域连接,所述两组挂杆(8)的右端分别与箱体(2)的左端顶部区域前侧和后侧连接,所述安装板(6)的底部区域内部设置有推动腔,所述推动腔的底端连通设置有推动孔,所述推动板(10)与推动腔滑动卡装,所述推动杆(11)的顶端自安装板(6)的下侧穿过推动孔并且伸入至推动腔内,所述推动杆(11)的顶端与推动板(10)的底端连接,所述挤压弹簧(9)的顶端和底端分别与推动腔的顶端和推动板(10)的顶端紧贴,所述推动杆(11)的底端与挤压板(12)的顶端连接,所述限位板(13)的顶端右侧与箱体(2)的底端中部连接;还包括滑动块(14)、支撑板(15)、支撑轴承(16)、调节螺纹杆(17)、带动板(18)、固定板(19)、固定轴承(20)和同步块(21),所述支撑杆(1)的中上部区域内部设置有滑动腔(22),所述滑动腔(22)的左端和右端分别连通设置有伸出孔和伸入孔,所述滑动块(14)与滑动腔(22)滑动卡装,所述同步块(21)的左端自支撑杆(1)的右侧滑动穿过伸入孔并且伸入至滑动腔(22)的内部,所述同步块(21)的左端和右端分别与滑动块(14)的右端和安装板(6)的左端连接,所述带动板(18)的右端自支撑杆(1)的左侧穿过伸出孔并且伸入至滑动腔(22)的内部,所述带动板(18)的右端与滑动块(14)的左端连接,所述支撑板(15)的右端与支撑杆(1)的左端顶部区域连接,所述支撑板(15)的底端设置有支撑槽,所述支撑轴承(16)与支撑槽固定卡装,所述支撑轴承(16)与调节螺纹杆(17)的顶部区域过盈连接,所述带动板(18)的顶端左侧贯穿设置有调节螺纹孔,所述调节螺纹杆(17)的底端自带动板(18)的上侧螺装穿过调节螺纹孔并且伸出至带动板(18)的下侧,所述固定板(19)的右端与支撑杆(1)的左端底部区域连接,所述固定板(19)的顶端设置有固定槽,所述固定轴承(20)与固定槽固定卡装,所述固定轴承(20)与调节螺纹杆(17)的底部区域过盈连接。
(19)中华人民共和国国家知识产权局(12)发明专利申请(10)申请公布号 (43)申请公布日 (21)申请号 201910257309.1(22)申请日 2019.04.01(71)申请人 重庆玉成产品质量检测有限公司地址 400020 重庆市江北区红黄路8号6层、10层、15层、16层、17层申请人 重庆出入境检验检疫局检验检疫技术中心(72)发明人 杨杰 李贤良 王俊苏 刘念源 高丽 赵延轲 关天横 (51)Int.Cl.G01N 33/18(2006.01)(54)发明名称一种水产养殖用可移动式水质实时监测装置(57)摘要本发明公开了一种水产养殖用可移动式水质实时监测装置,属于水质监测技术领域,解决了现有水产养殖水域水质检测困难,检测设备无法对水域不同位置进行移动式实时监测的问题,其技术要点是:包括无人机设备和水质检测仪,采用水质检测仪搭载于无人机设备上的方式对水产养殖水域的水质进行采样及检测,操作方便快捷,实现了无人机设备既可以在空中飞行,又能漂浮于水面上进行移动,水质检测采样筒采集水质方便快捷,监测方便,利于水质检测的进行,无需对采集的水质进行转运后检测,水质采集及排放便捷,也可以对所处水域的水质进行采集,飞行以后运送到指定位置,这是现有水质监测设备所不具备的。
权利要求书1页 说明书4页 附图2页CN 109813858 A 2019.05.28C N 109813858A权 利 要 求 书1/1页CN 109813858 A1.一种水产养殖用可移动式水质实时监测装置,包括无人机设备(1)和水质检测仪(13),其特征在于,所述水质检测仪(13)搭载于无人机设备(1)上,所述无人机设备(1)包括机架(2)和安装于机架(2)上的旋转机翼,无人机设备(1)漂浮于水面上,水质检测仪(13)包括水质检测采样筒(18)和安装在水质检测采样筒(18)内的水质参数采集传感单元(25),水质检测采样筒(18)安装于设备平台(3)的下方且置于液面以下。
专利名称:一种新型环境监测装置专利类型:实用新型专利
发明人:陈文涛,李春香,朱圆圆
申请号:CN202021396604.X 申请日:20200710
公开号:CN212674869U
公开日:
20210309
专利内容由知识产权出版社提供
摘要:本实用新型公开了一种新型环境监测装置,包括底杆座,所述底杆座的上部插接有支撑杆,所述底杆座的四周设置有固定块,所述支撑杆的顶部固定连接有平板,所述平板的上部固定连接有圆筒检测箱,所述圆筒检测箱的顶部设置有“A”字型的防雨顶板,所述圆筒检测箱的左侧和右侧均开设有活动孔,所述圆筒检测箱的内底壁设置有伺服电机和蓄电池,所述圆筒检测箱的内壁设置有隔板。
该新型环境监测装置,通过设置伺服电机,使转动座转动带动进气管往复转动,便于收集四周的空气,并通过风机将空气吹向空气检测器,使该环境下四周的空气均可以取样检测,提高检测的全面性,并通过设置无线信息传输器将检测的空气信号传送到远程终端,便于信息采集。
申请人:新疆轻工职业技术学院
地址:830021 新疆维吾尔自治区乌鲁木齐市米东区米东南路西四巷1147号
国籍:CN
更多信息请下载全文后查看。
(19)中华人民共和国国家知识产权局(12)发明专利申请(10)申请公布号 (43)申请公布日 (21)申请号 202011547741.3(22)申请日 2020.12.24(71)申请人 安庆师范大学地址 246000 安徽省安庆市宜秀区集贤北路1318号(72)发明人 王广军 陈晓慧 艾列富 王一宾 刘奎 石海青 唐亚妮 赵浩 陶样样 韩鸿来 宋云龙 何后颖 张笑寒 (74)专利代理机构 北京盛凡智荣知识产权代理有限公司 11616代理人 王光建(51)Int.Cl.H04N 7/18(2006.01)G10L 17/26(2013.01)G01D 21/02(2006.01)G06F 16/29(2019.01)G06F 16/61(2019.01)G06F 16/638(2019.01)G06F 16/683(2019.01)G06F 16/687(2019.01)G06F 16/71(2019.01)G06F 16/74(2019.01)G06K 9/00(2006.01)G06N 3/08(2006.01)G06Q 10/04(2012.01)G06Q 50/26(2012.01)G16Y 20/10(2020.01)G16Y 40/10(2020.01)G16Y 40/20(2020.01)G16Y 40/60(2020.01) (54)发明名称一种长江江豚智能实时监测系统(57)摘要本发明公开了一种长江江豚智能实时监测系统,包括高频声呐监控模块、全景监控和高清监控模块、生存水环境获取模块、预警模块、展示模块、供电模块、5G网络。
本发明通过高频声呐设备、全景监控和高清监控设备、5G网络等先当下先进技术的共同配合能够对江豚进行快速识别、实时监测,还能够将江豚行踪展示出来并及时对人类作出告警,从而提高全民科学保护江豚的意识。
权利要求书2页 说明书4页 附图3页CN 112738460 A 2021.04.30C N 112738460A1.一种长江江豚智能实时监测系统,其特征在于:包括高频声呐监控模块、全景监控和高清监控模块、生存水环境获取模块、预警模块、展示模块、供电模块、5G网络,高频声呐监控模块、全景监控和高清监控模块、生存水环境获取模块、预警模块、展示模块均与供电模块电性相连,高频声呐监控模块、全景监控和高清监控模块均通过5G网络与生存水环境获取模块、展示模块、预警模块相连接,生存水环境获取模块与展示模块相连接;所述高频声呐监控模块包括声呐数据监测单元、江豚高频信号提取单元、江豚声呐数据库建立单元、信号快速检索和匹配单元、江豚定位及活动轨迹预测单元,声呐数据监测单元用于通过声呐设备监测海量声呐数据,江豚高频信号提取单元用于剔除海量声呐数据中的噪声数据并提取江豚高频信号,生成江豚声呐数据,江豚声呐数据库建立单元用于根据海量的水下声呐监测数据人为建立江豚声呐数据库,信号快速检索和匹配单元用于将江豚高频信号提取单元中生成的江豚声呐数据和江豚声呐数据库中的江豚声呐数据进行检索和匹配,自动识别出江豚并计算出其数量,江豚定位及活动轨迹预测单元用于通过定位算法计算江豚声呐的位置并预测江豚的活动轨迹,信号快速检索和匹配单元识别出江豚后向预警模块发出江豚信号,江豚定位及活动轨迹预测单元将江豚声呐位置信息和预测的江豚活动轨迹发送给展示模块同时将江豚声呐位置信息发送给生存水环境获取模块;所述全景监控和高清监控模块包括图像采集单元、图像自动识别单元,图像采集单元用于通过全景摄像头和4K高清摄像头获取长江江面的出水江豚视频图像,并将获取的出水江豚视频图像进行保存,图像自动识别单元包括图像数据库建立单元、江豚图像特征分析单元、江豚识别单元,图像数据库建立单元用于获取图像采集单元采集的出水江豚视频图像并构建出水江豚图像数据库,江豚图像特征分析单元用于分析、记录江豚出水行为特征,并将江豚出水行为特征发送给江豚识别单元,江豚识别单元用于通过计算机视觉并结合深度学习算法对江豚出水行为特征进行学习、分析,实现江豚的自动识别,识别成功后将出水江豚视频图像发送至展示模块;所述生存水环境获取模块包括水文获取单元、水质获取单元、人类活动获取单元、气象获取单元,水文获取单元用于获取江豚所在水域的水文特征,水质获取单元用于获取江豚所在水域的水质特征,人类活动获取单元用于获取江豚所在水域的的人类活动情况,气象获取单元用于获取江豚所在水域的气象情况,生存水环境获取模块接收到江豚声呐位置信息后各单元立即获取相应数据并发送给展示模块;所述预警模块用于接收到江豚信号后对江豚活动区域附近的人群或船舶进行告警,减少人类活动对江豚活动的影响;所述展示模块用于对江豚声呐位置、预测的江豚活动轨迹、出水江豚视频图像以及相对应的生存水环境获取模块内容进行可视化展示,供管理人员和群众了解江豚,提高全民科学保护江豚的意识;所述供电模块用于为各模块提供电力支持。
专利名称:一种养殖鱼类生长监测系统专利类型:发明专利
发明人:项基
申请号:CN201910874331.0
申请日:20190917
公开号:CN110476871A
公开日:
20191122
专利内容由知识产权出版社提供
摘要:本发明公开了一种养殖鱼类生长监测系统。
该系统包括水下视觉装置、控制装置、云平台和监控终端;水下视觉装置位于养殖箱内,水下视觉装置用于拍摄养殖箱内的鱼类;控制装置位于养殖箱的上方,控制装置与水下视觉装置通过线缆连接,控制装置用于将水下视觉装置拍摄的鱼类照片无线传输至云平台;云平台用于接收并存储控制装置发送的鱼类照片,对养殖箱内鱼类的生长状况进行监测,并将监测结果发送至监控终端。
采用本发明的系统,具有对鱼类生长状况进行实时非接触式监测的优点,避免了接触式鱼类数据采集对养殖鱼类生长干扰的缺点。
申请人:浙江傲宋智能科技有限公司
地址:315324 浙江省宁波市慈溪市周巷镇企业路939号6幢101室
国籍:CN
代理机构:北京高沃律师事务所
代理人:刘凤玲
更多信息请下载全文后查看。
(19)中华人民共和国国家知识产权局
(12)实用新型专利
(10)授权公告号 (45)授权公告日 (21)申请号 201920651068.4
(22)申请日 2019.05.08
(73)专利权人 湖南省水产科学研究所
地址 423000 湖南省长沙市开福区双河路
728号
(72)发明人 王崇瑞 高峰 索纹纹 王冬武
蒋国民 梁志强 伍远安 李昊旻
(74)专利代理机构 长沙七源专利代理事务所
(普通合伙) 43214
代理人 郑隽 吴婷
(51)Int.Cl.
G01S 11/14(2006.01)
(54)实用新型名称一种长江江豚实时监测装置(57)摘要本实用新型提供了一种长江江豚实时监测装置。
包括声学记录仪、滤波器、PC机、通讯元件、电池、密封容器、太阳能充电板、太阳能警示灯和锚链;滤波器、PC机、通讯元件、电池均设置在密封容器内;声学记录器设置在密封容器外,声学记录器通过电缆与密封容器内的滤波器连接;滤波器与PC机连接,PC机与通讯元件连接;声学记录仪、滤波器以及PC机均通过电池供电。
太阳能充电板设置在密封容器外,并与电池连接;太阳能警示灯与太阳能充电板连接;锚链与密封容器连接。
本实用新型结构简单,使用方便,有利于从时间和空间上对长江江豚种群生态学的研究,大大节省了人力和物力,同时也扩大了长江江豚监测信息的应用范围,提高了长江江豚的保护效
率。
权利要求书1页 说明书3页 附图2页CN 209946380 U 2020.01.14
C N 209946380
U
权 利 要 求 书1/1页CN 209946380 U
1.一种长江江豚实时监测装置,其特征在于,包括声学记录仪(1)、滤波器(2)、PC机(3)、通讯元件、电池(5)和密封容器(6);滤波器(2)、PC机(3)、通讯元件、电池(5)均设置在密封容器(6)内;声学记录器设置在密封容器(6)外,声学记录器通过电缆与密封容器(6)内的滤波器(2)连接;滤波器(2)通过A/D转换器与PC机(3)连接,PC机(3)与通讯元件连接;声学记录仪(1)、滤波器(2)以及PC机(3)均通过电池(5)供电。
2.根据权利要求1所述的一种长江江豚实时监测装置,其特征在于,所述声学记录仪(1)是微型立体声学数据记录仪,数量为两个,用以采集长江江豚发出的声脉冲信号。
3.根据权利要求2所述的一种长江江豚实时监测装置,其特征在于,所述通讯元件为5G 移动通信卡(4)。
4.根据权利要求3所述的一种长江江豚实时监测装置,其特征在于,所述电池(5)为石墨烯电池。
5.根据权利要求1~4任意一项所述的一种长江江豚实时监测装置,其特征在于,还包括太阳能充电板(7),太阳能充电板(7)设置在密封容器(6)外,并与电池(5)连接。
6.根据权利要求5所述的一种长江江豚实时监测装置,其特征在于,还包括太阳能警示灯(8),太阳能警示灯(8)固定在密封容器(6)外,并与太阳能充电板(7)连接。
7.根据权利要求6所述的一种长江江豚实时监测装置,其特征在于,还包括锚链(9),锚链(9)与密封容器(6)连接,用以将密封容器(6)固定在水中。
2。