复方板蓝根颗粒提取工艺验证方案样本
- 格式:doc
- 大小:105.50 KB
- 文档页数:12
板蓝根颗粒工艺验证方案目录1.概述2.目的3.范围4.验证组织人员5.验证使用文件6.验证条件7.验证生产步骤8.各环节技术参数及物料平衡数据9.验证过程QA监控10.主要原辅料、中间体、成品质量标准及检验方法11.验证日期、进度安排12.验证过程及验证报告的书写1.概述:本公司生产的板蓝根颗粒的历史已有多年,根据板蓝根颗粒局颁质量标准中制法的要求,以及历年生产中的经验数据和工艺参考,结合6个批号的质量稳定性考察的数据来修订现行板蓝根颗粒生产工艺规程和用修订的工艺规程连续指导三批板蓝根颗粒的生产,根据生产过程及各环节物料的各项检测数据来验证本工艺操作性和稳定性,并对生产的三批产品进行留样观察。
2.目的:确认板蓝根颗粒生产工艺规程的操作性及稳定性。
3.范围:板蓝根颗粒的制剂生产过程包括制粒、复合包装工序。
4.验证组织及人员。
4.1验证组织:药业有限公司验证小组。
4.2人员:组长:成员:5.验证使用文件:使用文件有“板蓝根颗粒生产工艺规程”、“各岗位标准操作规程”、“各物料质量标准及检验方法”及其他相关文件。
6.验证条件:6.1物料条件:经检验符合质量标准的合格物料。
6.2环境条件:在30万级环境中进行,温度18—26℃,相对湿度45.—65%。
6.3设备条件:经过验证合格的完好设备。
6.4人员条件:能严格按岗位标准操作规程进行操作的熟练工人。
7.生产过程设计:7.1验证生产批数,每批数量及主配主确定。
7.1.1验证生产批数:3批7.1.2每批数量10500袋(含糖型10g/袋)、28000袋(无糖型3g/袋)7.2制粒工序操作步骤:7.2.1称取糖粉60kg和糊精39kg置制粒机中,打开风机及主加热,对物料进行流化干燥10—20分钟后,关闭主加热,开辅加热,调整好压缩空气及喷雾速度。
7.2.2具合理的雾化程度后分次将30kg板蓝根流浸膏过40目筛后喷入,进行含糖型颗粒的制粒。
7.2.3根据喷雾干燥制粒机岗位操作规程第1.2—2.2.3要求进行操作,物料干燥温度控制在80℃以下,颗粒干燥后水份控制在3%以内。
板蓝根颗粒制备实验报告板蓝根颗粒是一种常见的中药制剂,具有清热解毒、抗炎和抗菌等功效。
本实验旨在通过制备板蓝根颗粒,探究其制备方法和质量评价方法。
一、实验目的1. 熟悉板蓝根颗粒的制备方法;2. 掌握板蓝根颗粒的质量评价方法;3. 了解板蓝根颗粒的药理作用。
二、实验原理板蓝根颗粒的制备一般包括研磨、浸提、过滤、浓缩、干燥等步骤。
其中,浸提是关键步骤,可采用水煎法、醇提法等不同方法。
三、实验步骤1. 取适量的板蓝根,进行研磨,使其颗粒细致均匀;2. 将研磨后的板蓝根放入适量的水中,进行浸泡,时间可根据需要而定;3. 经过浸泡后,将浸泡液进行过滤,得到板蓝根的提取液;4. 将提取液进行浓缩,常用方法有真空浓缩、喷雾干燥等;5. 经过干燥后,得到板蓝根颗粒。
四、质量评价方法1. 外观质量评价:观察板蓝根颗粒的颜色、形状、大小等特征,应为均匀的颗粒状;2. 残留溶剂检测:采用气相色谱法等方法,检测板蓝根颗粒中是否存在有害溶剂残留;3. 含量测定:采用高效液相色谱法等方法,测定板蓝根颗粒中有效成分的含量;4. 微生物检验:采用菌落总数法、霉菌和酵母菌检测法等方法,检测板蓝根颗粒是否符合微生物限度要求。
五、实验结果及讨论制备的板蓝根颗粒外观均匀,颗粒大小适中,符合要求。
残留溶剂检测结果显示,板蓝根颗粒中无有害溶剂残留。
含量测定结果显示,板蓝根颗粒中有效成分的含量达到标准要求。
微生物检验结果符合微生物限度要求,无明显污染。
六、实验结论通过本实验,成功制备出符合质量要求的板蓝根颗粒。
板蓝根颗粒具有清热解毒、抗炎和抗菌等功效,可用于治疗感冒、咽喉炎等疾病。
同时,本实验还验证了板蓝根颗粒的质量评价方法的有效性,为进一步研究和应用提供了基础。
七、实验心得体会通过本次实验,我深入了解了板蓝根颗粒的制备方法和质量评价方法。
在实验中,我不仅掌握了制备板蓝根颗粒的具体步骤,还学习了如何评价其质量。
实验过程中,我严格按照操作规程进行操作,保证了实验结果的准确性和可靠性。
时,95-100℃煎煮2小时。
煎液通过罐底筛网及管道过滤器泵入提取液储罐中;第二次加8倍药材量的饮用水(1950L±50L),通蒸汽加热煮沸,沸腾之后调整蒸汽量保持罐内微沸,开始计时,95-100℃煎煮2小时。
煎液通过罐底筛网及管道过滤器泵入提取液储罐中;第三次加8倍药材量的饮用水(1950L±50L),通蒸汽加热煮沸,沸腾之后调整蒸汽量保持罐内微沸,开始计时,95-100℃煎煮2小时。
煎液通过罐底筛网及管道过滤器泵入提取液储罐中。
每锅三次提取液总量约4600L---5200L,每批1锅三次提取液总量约4600L---5200L。
2.浓缩:执行《NS-1500双效浓缩器标准操作规程程》、《储罐标准操作规程》。
将提取滤液抽至双效浓缩器中,通蒸汽加热,蒸汽压力控制0.2-0.4MPa,真空度控制-0.05—-0.08MPa,温度为75-85℃浓缩,减压浓缩至相对密度1.10(80℃)的清膏,将清膏抽至球形浓缩器中或浓缩液储罐中。
3.醇沉:按《提取、浓缩、醇沉工序标准操作程序》上述浓缩液移至醇沉罐中,放冷,按生产指令加入95%的乙醇,使含醇.量为60%,搅拌,静置24小时。
抽取上清液。
按生产指令滤渣用60%乙醇洗涤,洗液按上清液滤过方法滤过。
(二)收膏执行《HSQ-500L球形浓缩器标准操作规程程》、《储罐标准操作规程》。
将清膏抽至球形浓缩器中通蒸汽加热,蒸汽压力控制0.2-0.4MPa,真空度控制-0.05—-0.08MPa,温度为75-85℃浓缩,减压浓缩至相对密度1.28~1.32(80℃)的稠膏,打开出料阀用已称量、洁净带盖可密封的周转桶收集出料口流出的稠膏,同时通知检查人员取样。
收膏率限度为70%-100%。
(三)蔗糖粉碎1.粗碎核对待粗碎的蔗糖的名称、批号、数量等,复核无误后,执行《CSJ-250粗碎机标准操作规程程》,将CSJ-250粗碎机装上4目筛网;将收料布袋的一端绑紧于出料口,另一端放入带有洁净药用低密度聚乙烯袋的盛装桶中接料。
第1篇一、实验目的1. 熟悉板蓝根的药用价值及药理作用。
2. 掌握板蓝根的提取方法,包括煎煮法、浸渍法等。
3. 学习板蓝根有效成分的鉴定方法。
4. 了解板蓝根颗粒剂的制备过程。
二、实验原理板蓝根为中药材,具有清热解毒、凉血利咽等功效。
其主要有效成分包括靛蓝、靛玉红、板蓝根苷等。
本实验通过煎煮法提取板蓝根中的有效成分,再制成颗粒剂。
三、实验仪器与试剂1. 仪器:电子天平、煎药锅、布袋、漏斗、烧杯、玻璃棒、蒸发皿、烘箱、研钵、筛子等。
2. 试剂:板蓝根药材、蒸馏水、乙醇、蔗糖、糊精等。
四、实验步骤1. 药材处理:取板蓝根药材,用清水洗净,去除杂质,切成小块。
2. 煎煮提取:- 称取板蓝根药材50g,放入煎药锅中。
- 加入500ml蒸馏水,加热至沸腾,保持微沸状态煎煮30分钟。
- 用布袋过滤药液,收集滤液。
3. 浓缩:将滤液倒入蒸发皿中,在室温下自然蒸发至浓缩。
4. 醇沉:向浓缩液中加入适量乙醇,使含醇量达到60%,静置过夜,使沉淀物析出。
5. 过滤:将沉淀物过滤,收集滤液。
6. 回收乙醇:将滤液倒入烧杯中,在低温下蒸发回收乙醇。
7. 干燥:将回收乙醇后的滤液倒入研钵中,研磨均匀,倒入筛子中过筛。
8. 制粒:将过筛后的粉末加入适量的蔗糖和糊精,混合均匀,制成颗粒。
9. 干燥:将制得的颗粒放入烘箱中,在60℃下干燥2小时。
10. 粉碎:将干燥后的颗粒粉碎成粉末。
五、实验结果1. 制备的板蓝根颗粒呈棕褐色,味甜微苦。
2. 经鉴定,板蓝根颗粒中含有靛蓝、靛玉红、板蓝根苷等有效成分。
六、实验讨论1. 本实验采用煎煮法提取板蓝根中的有效成分,方法简单易行,提取效率较高。
2. 制备的板蓝根颗粒剂具有较好的稳定性,便于储存和服用。
3. 在实验过程中,应注意控制煎煮时间、醇沉时间等因素,以保证提取效果。
七、结论通过本实验,我们成功制备了板蓝根颗粒剂,并对其有效成分进行了鉴定。
实验结果表明,板蓝根颗粒剂具有良好的药用价值,可应用于临床治疗感冒、咽喉肿痛等疾病。
板蓝根颗粒的制备实验报告板蓝根颗粒的制备实验报告引言:板蓝根是一种中草药,具有清热解毒、抗病毒和抗菌的功效。
板蓝根颗粒是将板蓝根研磨成粉末后,与辅料混合制成的一种中药制剂。
本实验旨在探究板蓝根颗粒的制备方法,并比较不同制备条件下颗粒的质量差异。
材料与方法:1. 板蓝根:从市场购买的板蓝根药材。
2. 辅料:淀粉、糖粉。
3. 仪器:研磨机、筛网、电子天平、烘箱。
实验步骤:1. 板蓝根的处理:将板蓝根晾晒至干燥,并使用研磨机将其研磨成粉末。
2. 辅料的准备:将淀粉和糖粉按一定比例混合。
3. 颗粒的制备:将板蓝根粉末与辅料混合,通过筛网进行筛选,以去除大颗粒。
4. 干燥处理:将筛选后的颗粒放入烘箱中,以一定温度和时间进行干燥处理,以去除水分。
结果与讨论:通过实验,我们制备了板蓝根颗粒,并观察到了不同制备条件下颗粒的质量差异。
首先,我们比较了不同板蓝根粉末与辅料比例对颗粒质量的影响。
结果显示,当板蓝根粉末与辅料的比例为1:1时,颗粒的质量最佳。
这是因为适量的辅料可以增加颗粒的稳定性和流动性,使其更易于储存和使用。
其次,我们研究了不同筛网孔径对颗粒质量的影响。
结果表明,使用较小的筛网孔径可以去除较大的颗粒,从而提高颗粒的均匀性和纯度。
然而,过小的筛网孔径可能导致颗粒流动性差,不利于制备过程。
最后,我们探究了不同干燥条件对颗粒质量的影响。
实验中,我们设置了不同温度和时间的干燥处理。
结果显示,适当的温度和时间可以有效去除颗粒中的水分,提高颗粒的质量和稳定性。
然而,过高的温度和过长的干燥时间可能导致颗粒破裂和质量下降。
结论:通过本实验,我们成功制备了板蓝根颗粒,并比较了不同制备条件对颗粒质量的影响。
结果表明,适量的辅料比例、合适的筛网孔径和适当的干燥条件是制备高质量板蓝根颗粒的关键因素。
这些研究结果对于制备其他中药颗粒和提高药物质量具有一定的指导意义。
然而,本实验仅仅是初步探索板蓝根颗粒的制备方法,还有许多其他因素有待进一步研究。
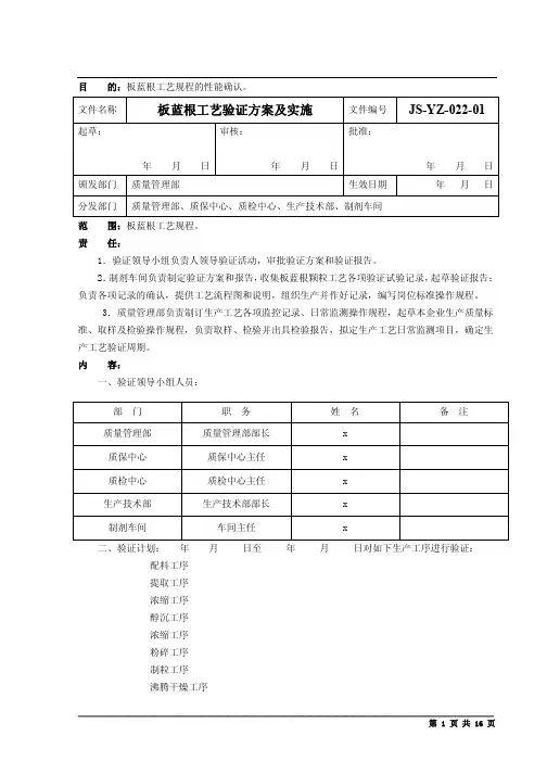
TS-7352-00复方板蓝根颗粒颗) 审(粒工艺验证方案.四川广元蓉成制药有限公司复方板蓝根颗粒工艺验证方案TS-7352-00复方板蓝根颗粒工艺验证方案页 34 共页 2 第四川广元蓉成制药有限公司复方板蓝根颗粒工艺验证方案TS-7352-00验证小组会签确认/复方板蓝根颗粒工艺验证方案 1.主题内容:本方案规定了复方板蓝根颗粒生产工艺的验证方法及标准。
.适用范围:2 本方案适用于复方板蓝根颗粒生产工艺验证。
.简介:3 3.1. 概述:在变更生产场地和设备根据四川广元蓉成制药有限公司工艺验证管理规程有关规定,确保现行的工艺流程可以持续稳定的生产出合时需要对其生产工艺进行全面的验证,格的产品。
公司新建提取车间、口服固体制剂车间,其生产线目前试生产品种为复方能始终生产出板蓝根颗粒,为确认按制订的复方板蓝根颗粒生产工艺规程进行操作,质量稳定可靠的合格产品,特制订本验证方案对复方板蓝根颗粒生产工艺进行验证。
我们对复方板蓝根颗粒的生产过程中提取、浓缩、制粒、分装(内包装)等生产关键工序进行验证。
把每一操作工序段作为一个验证小节,每项小节包括单元项目、执行文件、取样及检验方法、可接受标准、验证记录等几个方面。
本次复方板蓝根颗粒试生产在我公司提取车间、口服固体制剂车间进行,验证批次为三批。
具体验证时间以生产部实际生产时间为准。
验证产品基本信息:3.2. 3.2.1.产品名称和产品代码: 3.2.1.1.产品名称:复方板蓝根颗粒 Fufang Banlangen Keli汉语拼音名:汉语拼音:页 34 共页 3 第四川广元蓉成制药有限公司复方板蓝根颗粒工艺验证方案TS-7352-003.2.1.2.产品代码:C-0103.2.2.产品概述3.2.2.1.剂型:颗粒剂3.2.2.2.规格:每袋装15g3.2.2.3.批量:720kg3.2.2.4.产品特点3.2.2.4.1.性状:本品为棕色的颗粒;味甜、微苦。
编号:WS-SGYZ001O2板蓝根生产工艺再验证方案**********有限公司目录1、概述1.1 引言1.2 再验证目的1.3 再验证领导小组成员职责及验证工作计划1.4 再验证所依据的文件1.5 主要生产设备一览表及生产能力1.6 再验证要求2、各工序生产过程简述、工艺流程图2.1 各工序生产过程简述2.2 板蓝根生产工艺流程图3、生产工艺验证的实施3.1 对再验证辅助项目的确认3.2 板蓝根生产工艺中各工序风险评估3.3 再验证的关键工序3.4 再验证需确认的参数及结果分析要求3.5 板蓝根生产工艺过程各工序再验证3.5.1 原药材的净制3.5.2 软化与切制3.5.3 干燥3.5.4 包装4、成品综合质量分析5、生产工艺再验证结果分析及偏差处理、评价及建议6、再验证领导小组签字7、公司验证委员会签署意见8、附表板蓝根生产工艺再验证方案目的:制定板蓝根生产过程再验证的一系列文件,用以验证板蓝根生产工艺条件及参数能够保证生产出符合预定用途和质量标准的产品。
适用范围:板蓝根生产过程的关键工序。
责任人:验证小组成员、质量管理人员、检验人员、生产管理人员。
1、概述1.1 引言我公司现行版“板蓝根生产工艺规程”是根据《中国药典》2010年版一部板蓝根质量标准项下有关内容修订。
该产品自2008年8月GMP认证以来,产品质量基本稳定。
现采用同步验证方法,对该产品生产工艺进行连续三批生产的验证,批量均为21kg,并对其生产过程进行全面监控。
在此验证之前,应首先确认:相关生产设备是否保持持续的验证状态,清洁方法是否合理可行;检验仪器、计量器具是否定期经过校准并在校准有效期内,且校准的量程范围是否涵盖实际生产产品和检验的适用范围;各生产辅助系统、生产设备、检验仪器等目前运行状态;主要供应商是否得到评估,所用原辅料、包装材料的质量情况;相关文件是否受控。
1.2 再验证目的:本验证方案系对板蓝根生产工艺中有可能影响产品质量的关键工序的工艺要求和控制参数进行再确认,对物料平衡进行再考核,对半成品、成品质量情况进行再评估,同时,也是对以上各生产辅助系统工作状态联合起来的再验证,以证明现有的物料(供应商)、各项工艺技术要求和控制参数、设施设备能够保证持续有效地生产出符合预定用途和质量标准的产品;在验证分析的基础上,进一步确定在全面实施药品GMP管理工作中修订的工艺规程及岗位标准操作规程的各项工艺技术要求和控制参数的合理性,建立明确的生产全过程的运行标准和监控标准,从而达到生产过程规范、质量管理可控、产品质量均一,实现中药饮片生产的标准化,确保中药饮片质量质量。
1.2.3.(工艺技术)TS复方板蓝根颗粒颗粒工艺验证方案(审)4.复方板蓝根颗粒工艺验证方案文件形成:文件控制:变更记载:复方板蓝根颗粒工艺验证方案1.主题内容:本方案规定了复方板蓝根颗粒生产工艺的验证方法及标准。
2.适用范围:本方案适用于复方板蓝根颗粒生产工艺验证。
3.简介:3.1. 概述:根据四川广元蓉成制药有限公司工艺验证管理规程有关规定,在变更生产场地和设备时需要对其生产工艺进行全面的验证,确保现行的工艺流程可以持续稳定的生产出合格的产品。
公司新建提取车间、口服固体制剂车间,其生产线目前试生产品种为复方板蓝根颗粒,为确认按制订的复方板蓝根颗粒生产工艺规程进行操作,能始终生产出质量稳定可靠的合格产品,特制订本验证方案对复方板蓝根颗粒生产工艺进行验证。
我们对复方板蓝根颗粒的生产过程中提取、浓缩、制粒、分装(内包装)等生产关键工序进行验证。
把每一操作工序段作为一个验证小节,每项小节包括单元项目、执行文件、取样及检验方法、可接受标准、验证记录等几个方面。
本次复方板蓝根颗粒试生产在我公司提取车间、口服固体制剂车间进行,验证批次为三批。
具体验证时间以生产部实际生产时间为准。
3.2.验证产品基本信息:3.2.1.产品名称和产品代码:3.2.1.1.产品名称:复方板蓝根颗粒汉语拼音名:汉语拼音: Fufang Banlangen Keli3.2.1.2.产品代码:C-0103.2.2.产品概述3.2.2.1.剂型:颗粒剂3.2.2.2.规格:每袋装15g3.2.2.3.批量:720kg3.2.2.4.产品特点3.2.2.4.1.性状:本品为棕色的颗粒;味甜、微苦。
3.2.2.4.2.功能与主治:清热解毒,凉血。
用于温病发热,出斑,风热感冒,咽喉肿烂,流行性乙型脑炎,肝炎,腮腺炎。
3.2.2.4.3.用法用量:口服,一次15g,一日3次,重症加倍;小儿酌减。
预防流感、乙脑,一日15g,连服5日。
3.2.2.4.4注意事项:糖尿病患者慎用。
板蓝根颗粒微生物限度计数方法适用性验证方案方案编号:VOL-QWX-012年月验证方案审批表板蓝根颗粒微生物限度计数方法适用性验证方案目录1.概述2.目的3.依据4.范围5.验证小组人员及职责6.验证实施条件7.合格标准8.验证方法9.验证结果10.验证报告1.概述1.1样品资料品名:板蓝根颗粒标准依据:《中国药典》2015版四部通则批号:试验日期:1.2处方:板蓝根颗粒为《中国药典》2015版一部中药成方制剂法定标准。
由板蓝根制成,辅料为:蔗糖、糊精。
1.3 功能主治:清热解毒,凉血利咽。
用于肺胃热盛所致的咽喉肿痛、口咽干燥;急性扁桃体炎见上述证候者。
1.4 有效期:18个月。
1.5依据《中国药典》2015版四部通则“非无菌不含药材原粉的中药制剂的微生物限度标准”,根据剂型与产品处方判断,板蓝根颗粒微生物限度检查内容包括需氧菌总数计数、霉菌和酵母菌总数计数,控制菌检查大肠埃希菌;拟采用“平皿法”进行微生物计数方法检查,采用“常规法”进行控制菌检查。
2.目的:确认所采用的方法适用于该产品的微生物计数和控制菌检查,以确保测定方法的可靠性,确保检验结果的准确性。
若检验程序或产品发生变化,可能影响检验结果时,计数方法应重新进行适用性试验。
3.依据《中国药典》2015年版四部“非无菌产品微生物限度检查——微生物计数法”《中国药典》2015年版四部“非无菌产品微生物限度检查——控制菌检查法”《中国药典》2015年版四部——“非无菌产品微生物限度标准”4.范围:本验证方案适用于??制药有限公司板蓝根颗粒微生物限度计数方法的适用性试验。
5. 验证小组人员及职责6. 验证实施条件6.1 检验用水:公司制备的经检验合格的纯化水。
6.2检验仪器设备:验证涉及的检验仪器(设备)与检验方法,经过确认或再确认后合格。
所用检验设备如下:SPX-250型生化培养箱PYX-DHS-400型隔水式电热恒温培养箱101-2型电热鼓风干燥箱DHP-9272型恒温培养箱DHP-9032型恒温培养箱YX-400型医用双层普型不锈钢双层立式电热蒸汽压力消毒器DSX-280KB24 立升手提式压力蒸汽灭菌器GSP-9080型隔水式电热恒温培养箱6.3 验证培养基:验证所使用的培养基经过培养基的适用性检查,结果符合药典要求。
板蓝根颗粒的制备实验报告
本次实验我们选择了板蓝根颗粒作为研究对象,板蓝根是中药中一种常用的药材,具有清热解毒、凉血止血、消肿散结等功效,具有很高的药用价值,因此对其制备方法进行研究具有重要意义。
首先,我们需要准备好制备板蓝根颗粒所需要的原料和器材。
板蓝根、红枣、陈皮、甘草、芍药、黄芩、苦参、白芷、生姜等中药材是制备板蓝根颗粒必不可少的原材料。
同时,需要准备好电子天平、制粒机、筛网等实验器材。
其次,制备板蓝根颗粒的过程可以分为三个步骤。
第一步是原料的处理。
将所有原料按照比例称好,并切成细小的碎末备用,以便后续的混合和制粒过程。
第二步是材料混合。
将已经处理好的板蓝根、红枣、陈皮、甘草、芍药、黄芩、苦参、白芷、生姜等材料均匀混合,确保混合相适宜,以充分发挥各种药材的药效。
第三步是制粒。
将混合均匀的材料通过制粒机进行制粒,制粒的大小需根据临床需要进行调整,制作粒径应在0.5-5毫米之间。
制粒的过程中加入适量的蜜糖,使颗粒显得光滑漂亮,同时也起到一定的黏合作用。
最后,制备好的板蓝根颗粒需要经过筛选、测量、包装等步骤才能真正使用。
在使用过程中,需要根据医生的建议进行正常服用,并注意存放条件。
总之,本实验通过制备板蓝根颗粒,展示了中药颗粒制备的过程,同时也让我们更好的理解了中药颗粒的制备步骤和过程。
制备优质的板蓝根颗粒对于临床医生和广大患者具有重要意义,也能够推动中药制药行业的进一步发展。
1. 掌握板蓝根颗粒的制备方法。
2. 研究不同工艺条件对板蓝根颗粒性质的影响。
3. 评价板蓝根颗粒的质量。
二、实验原理板蓝根是一种中药材,具有清热解毒、抗炎和抗菌等功效。
板蓝根颗粒是通过提取板蓝根中的有效成分,采用适宜的工艺条件制备而成的中药制剂。
本实验采用溶剂提取法,将板蓝根中的有效成分提取出来,然后制成颗粒剂。
三、实验材料与仪器1. 实验材料:- 板蓝根药材- 乙醇- 水为溶剂- 粉碎机- 烘箱- 粉碎筛- 过滤装置- 热水浴锅- 粒度分析仪- 水分测定仪- 紫外分光光度计2. 实验试剂:- 无水乙醇- 纯净水1. 板蓝根药材的预处理:将板蓝根药材洗净,晾干,用粉碎机粉碎成粗粉。
2. 提取:将粉碎后的板蓝根粗粉加入适量的乙醇,搅拌均匀,放入烘箱中,60℃下烘干。
然后加入适量水,煮沸30分钟,过滤,得到滤液。
3. 颗粒制备:将滤液加入适量的无水乙醇,搅拌均匀,静置,使颗粒沉淀。
将沉淀物过滤,用纯净水洗涤,再用烘箱烘干,得到板蓝根颗粒。
4. 质量评价:(1)粒度分析:采用粒度分析仪对板蓝根颗粒的粒度分布进行测定。
(2)水分测定:采用水分测定仪对板蓝根颗粒的水分含量进行测定。
(3)含量测定:采用紫外分光光度计对板蓝根颗粒中的有效成分含量进行测定。
五、实验结果与分析1. 粒度分析:板蓝根颗粒的粒度分布范围为10-100μm,符合颗粒剂的要求。
2. 水分测定:板蓝根颗粒的水分含量为3.5%,符合颗粒剂的要求。
3. 含量测定:板蓝根颗粒中的有效成分含量为20%,符合质量标准。
六、结论本实验采用溶剂提取法成功制备了板蓝根颗粒,并对其进行了质量评价。
结果表明,所制备的板蓝根颗粒粒度分布合理,水分含量和有效成分含量均符合质量标准。
本实验为板蓝根颗粒的制备和质量控制提供了参考依据。
七、实验讨论1. 在提取过程中,乙醇的浓度对有效成分的提取率有较大影响。
实验中发现,使用50%的乙醇提取率较高。
2. 在颗粒制备过程中,无水乙醇的添加有助于颗粒的沉淀和分离。
板蓝根颗粒剂的制备一.实验目的1、掌握中药颗粒剂的制备方法2、掌握中药颗粒剂的质量要求和质量检查方法。
二、基本概念与实验原理中药颗粒剂是指药材提取物或药材细粉与糖粉、糊精、淀粉、乳糖等辅料制成的颗粒状或块状制剂。
药材的提取物为药材用水提醇沉法制成的提取液或药材的水煎液浓缩而成的稠膏,也可以提取药材的有效部位供制软材用。
制备颗粒剂的关键是控制软材的质量,一般要求手握成团,轻压则散,此种软材压过筛网后,可制成均匀的湿粒,无长条、块状物及细粉。
软材的质量要通过调节辅料的用量及合理的搅拌与过筛条件来控制。
如果稠膏粘性太强,可加入适量70—80%的乙醇来降低软材的粘性。
挥发油应均匀喷入干燥颗粒中,混匀,并密闭一定时间。
冲剂应干燥,颗粒均匀,色泽一致,无吸潮、软化现象。
冲剂应密闭贮藏。
三.实验内容1.板蓝根颗粒的制备【处方】板蓝根50g蔗糖粉适量糊精适量【制法】取板蓝根50g,加水煎煮两次,第一次1小时,第二次0.5小时,合并煎液,滤过,滤液浓缩至适量(约50ml),加乙醇使含醇量为60%,边加边搅,静置使沉淀,取上清液回收乙醇,浓缩至相对密度为1.30—1.33(80°C)的清膏(约1:3,即1份清膏相当于3份药材),加入适量蔗糖粉与糊精的混合物(蔗糖:糊精=3:1,)及适量70%的乙醇,拌合成软材,挤压过筛(12—14目)制颗粒,60°C干燥,整粒,按每袋相当于板蓝根10g分装于塑料袋中,密封,即得。
【功能与主治】清热解毒、凉血利咽、消肿。
用于扁桃腺炎、腮腺炎、咽喉肿痛、防止传染性肝炎、小儿麻疹等。
【用法与用量】口服,一次一袋,一日四次。
2.质量检查【鉴别】(1)取本品0.5克,加水5ml使溶解,静置,取上清液点于滤纸上,晾干,置紫外灯(365nm)下观察,斑点显蓝紫色。
(2)取本品0.5克,加水10ml使溶解,滤过。
取滤液1ml,加茚三酮试液0.5ml,置水浴上加热数分钟,显蓝色。
验证类操作标准
复方板蓝根颗粒提取工艺验证
复方板蓝根颗粒提取工艺再验证方案
目录
一、引言 (2)
1、概述 (2)
2、验证目
的 (2)
3、验证范
围 (2)
二、工艺流图 (2)
三、验证职责 (3)
四、验证内容 (3)
1、人员培
训 (3)
2、验证条件 (3)
3、相关文件与设
备 (3)
4、验证方
法 (4)
4、1生产处
方 (4)
4、2生产工艺变量的评价 (4)
四、总体评
价 (5)
五、结论 (5)
六、建议 (6)
七、再验证周期 (6)
一、引言
1.概述:
复方板蓝根颗粒生产工艺规程的提取过程是经过药材的拣选、清洗、提取、浓缩、醇沉、回收等工序获得浸膏。
在整个生产过程中,药材的拣选、清洗、切制、提取、浓缩、醇沉、回收乙醇在一般生产区进行。
复方板蓝根浸膏提取工艺所用提取车间的设备有多功能提取罐、三效浓缩罐、多功能酒精回收浓缩器、中药酒精沉淀罐、酒精回收塔、本次验证是对提取浓缩工艺过程、醇沉及乙醇回收等工艺过程的稳定性及生产系统的可靠性的再验证,以确定提取工序工艺规程中的生产变量参数是否发生偏移。
2.验证目的:
评价中药材提取生产系统要素和生产过程中可能影响产品质量的各种生产工艺变化因素,以保证实现在正常的生产条件下,生产出符合内控标准的浸膏。
经过生产三批的详实数据,论证复方板蓝根颗粒工艺规程的切实、可行性及稳定性。
3.验证范围:本验证方案适用于在本方案指定的厂房、设施、设备、工艺条件下生产,当上述条件改变时,应重新验证
二.工艺流程图
1、复方板蓝根颗粒提取制备工艺流程图:
缩
为关键工序。
三.验证职责
验
四.验证内容:
1.人员培训:根据G M P要求,我公司对所有从事药品生产的各级人员按本规范要求进行培训和考核,对质量检验人员进行相应专业知识培训,具体内容详见员工学习、培训档案表。
2.工艺验证前的准备工作:本工艺验证开始之前,其它有关项目的验证已完成,验证结果符合G M P有关规定及生产工艺要求。
3.相关文件及设备:
3.1相关文件
3.2相关设备
4.验证方法:
在生产环境、公用设施、设备性能等生产条件均达到设定要求,而且均衡的情况下,按《复方板蓝根颗粒生产工艺规程》中提取工序规程连续生产的三批浸膏进行验证。
4.1生产处方
板蓝根180k g
大青叶270k g
制成3万袋
4.2生产工艺变量的评价
目的:提供文字依据证明生产中所采用的提取工序工艺过程和各种操作程序将保证中间产品符合质量标准。
4.2.1提取
●监测变量:提取溶剂量、煎煮时间、次数、药液性状。
●设计试验方法条件:按《复方板蓝根颗粒工艺规程》处方量称取各种药材,
加4倍量饮用水提取2次,每次1小时。
合并两次煮提的煎液,滤液抽入浓缩罐中进行浓缩。
●判断标准:①药液性状:澄清、无可见不溶物。
●检查项目及结果评价记录见附表1《提取工序确认记录》。
4.2.2浓缩
●监测变量:浓缩时间、浓缩液性状、密度。
●设计试验方法条件:按《复方板蓝根颗粒工艺规程》设定的蒸发浓缩的工。