环氧树脂E44与固化剂T31如何配比
- 格式:pdf
- 大小:17.71 KB
- 文档页数:6
固化剂和环氧树脂比例介绍固化剂和环氧树脂是在工业生产中常用的两种材料,它们通过混合反应形成高强度、高耐化学性的复合材料。
固化剂和环氧树脂的比例对于最终产品的性能具有至关重要的影响。
本文将探讨固化剂和环氧树脂比例的选择和优化。
为什么要选择合适的比例固化剂和环氧树脂的比例直接决定了复合材料的性能和特性。
正确的比例可以提供最佳的物理力学性能、耐化学性和热稳定性。
不正确的比例会导致复合材料的性能下降,甚至完全失去固化效果。
固化剂和环氧树脂的基本原理固化剂通常是一种低分子量的化合物,它可以与环氧树脂中的环氧基团反应,形成三维网络结构。
这个网络结构赋予了复合材料优异的物理力学性能和耐化学性。
固化剂和环氧树脂反应的过程称为固化。
固化剂的种类和比例会对固化速度、固化终点温度和性能等方面产生影响。
固化剂和环氧树脂比例的选择选择合适的固化剂和环氧树脂比例是制备高性能复合材料的关键。
以下是选择比例的一些建议:1. 基于性能要求选择根据最终产品的性能要求选择固化剂和环氧树脂的比例。
不同的固化剂和环氧树脂配方会产生不同的物理力学性能、热稳定性和耐化学性。
例如,对于需要高强度的应用,选择固化剂和环氧树脂比例以获得最高的强度。
2. 考虑固化速度固化速度取决于固化剂的种类和比例。
快速固化通常需要高比例的固化剂,而慢速固化则需要低比例的固化剂。
根据生产需求和工艺条件选择固化剂和环氧树脂的比例。
3. 考虑混合工艺固化剂和环氧树脂应在适当的混合比例下使用。
不同的固化剂和环氧树脂可能需要不同的混合工艺。
通常情况下,建议首先将固化剂和环氧树脂按比例混合,并在混合后的一段时间内用于制备复合材料。
固化剂和环氧树脂比例的优化通过实验和数据分析,可以优化固化剂和环氧树脂的比例,以达到最佳性能。
以下是一些优化比例的方法:1. 实验优化通过系列实验,确定不同固化剂和环氧树脂比例下的复合材料性能。
通过比较实验数据,找到最佳的比例。
这可以通过评估物理力学性能(如强度、弹性模量)和热稳定性来完成。
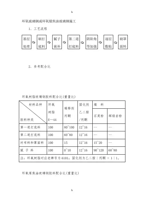
环氧玻璃钢或环氧煤焦油玻璃钢施工 1.工艺流程2.参考配合比环氧树脂玻璃钢胶料配合比(重量比)环氧煤焦油玻璃钢胶料配合比(重量比)注:采用T31固化剂时,加入量为:环氧树脂∶T31 = 100∶15 ~40 。
3.原材料质量要求E型环氧树脂质量指标煤焦油质量指标乙二胺质量指标固化剂T31质量指标稀释剂质量指标石英粉、辉绿岩粉的质量指标4.胶料配制及注意事项(1).根据施工需要量按比例称取环氧树脂、高温煤焦油、稀释剂置容器内搅拌均匀,然后加入固化剂继续拌匀即成胶料;再按配合比要求加入粉料拌匀即成衬布料、罩面料和腻子。
(2).固化剂要逐渐倒入拌合容器,不断搅拌;树脂与固化剂是放热反应,如胶液温度过高,配置时用水浴法降低胶液温度,防止局部过热、反应加剧而固化;夏季施工更要严格掌握。
(3).采取乙二胺固化剂时,先将乙二胺与丙酮按(1∶1)预配成溶液备用;在较湿的环境或基层湿度较大的情况,使用T31固化剂,T31为低毒固化剂,贮存有效期限一年。
(4).固化剂的加入量是随环境温度、材料纯度而有所变动;环境温度高,加入量酌情减少,寒冷天气,加入量适当多一点;同时,配合比中,乙二胺是以100%纯度计量的,使用中应按纯度折算实际用量;施工时通过试配合,观察24小时后的固化情况最终确定。
(5).每次拌合量由操作情况定,随配随用,在初凝期(一般为30分钟)内用完。
(6).配合比中采用的是高温煤焦油,如无成品,现场必须将煤焦油在110~150℃加热脱水,1600孔滤筛滤去杂质,冷却后备用,脱水后的煤焦油含水率不大于1 % 。
(7).环氧树脂的贮存期为一年,超过期限的可按产品标准规定项目检验,符合质量要求仍可使用。
(8).如设计要求适度改善玻璃钢的脆性,胶料配制时加“增塑剂”,可采用“邻苯二甲酸二丁脂”,加入量为10 ~20% 。
(9).胺固化剂、丙酮、甲苯、二甲苯等均有一定毒性,挥发性大,配料埸地要通风,备消防器材,操作者穿戴好防护用品。
环氧树脂:100Kg 水泥:150Kg 砂:150Kg 碎石:250kg 丙酮:3Kg 二丁酯:10Kg 乙二胺:11Kg如果砂太粗,可以多加20Kg左右的水泥,如果要凝结时间短一点,丙酮用1.5-2.0Kg,二丁酯用9Kg ,乙二胺13Kg切记,凝结时间过短砂浆发泡会很严重,就适量减一点乙二胺,再加一点丙酮。
配制时先将环氧树脂加热之胶水状,先加丙酮.二丁酯搅拌均匀,再加水泥.砂.碎石拌和均匀。
最后才加乙二胺搅拌均匀后使用。
因为乙二胺挥发性强,过早加入挥发就多,导致凝结时间延长。
这样配制的环氧树脂混凝土一般8小时就可达50MPa以上。
另外,砂.碎石必须要绝对干燥才行,否则影响其本身强度和粘结强度。
追问我拌出来的混凝土稠,是不是多加点稀释剂很稍微好点,还有是不是会影响强度,如果固化剂加少了,会不会一直没有强度,还是强度来的慢点。
谢谢,急着处理回答混凝土稠要么是固体填充料得表面积太大而导致环氧树脂用量不足,要么就是使用时没有把握好环氧树脂的稠度,你可以把环氧树脂再加热试试,加热可以改变环氧树脂的液体粘度,稀释剂不要多加,会影响环氧树脂的凝结时间和强度,如果固化剂少了,混凝土的强度来得很慢,而且没有刚度,环氧树脂混凝土不存在养护问题,强度增长是随时间增长而增长减缓。
你可以预留一些试件,压的时候注意测一下他的压缩应变是不是很大,如果压应变很小就没多大问题。
固化剂掺量一般是环氧树脂的10-12%,少于这个量就会有一般要用环氧砂浆来做的,标号要高于原混凝土的设计标号5-10Mpa。
具体的配合比要有资质的检测单位和科研单位出具,一般工程自己修修补补的活,就自己试配一下,用环氧树脂、乙二胺、丙酮、水泥、砂,施工气温必须在25度以上。
3 环氧砂浆的配制表1 环氧基液配合比(重量比,单位g)材料名称环氧树脂固化剂增韧剂稀释剂化学名称6101 乙二胺二丁脂丙酮配合比100 6~7 15 20环氧基液配制过程:环氧树脂加热至60℃,加入二丁脂和丙酮拌匀,再加入乙二胺拌匀。
环氧胶黏剂配方设计1、环氧树脂是环氧胶黏剂的基本成分,常用的为双酚A型环氧树脂,其中用得最多的是E-51和E-44。
E-51黏度较低,湿润性好,而E-44价格较廉,强度又大,可将E-51与E-44按一定的质量比例(3:7、4:6、5:5)混合使用。
尤以E-51:E-44=5:5混用剪切强度较高,可达24.4MPa。
双酚F环氧树脂与双酚A 环氧树脂等比例共混,可明显降低双酚A环氧树脂的黏度,也改善了固化物的性能。
E-51:AG-80=50:50混用的剪切强度、剥离强度、耐热性都很好,综合性能优良。
2、AG-80环氧树脂在各温度下的剪切强度和剥强度均高于F-44和TDE-85环氧树脂。
3、脂环族环氧树脂的耐热性和耐候性优于普通的双酚A型环氧树脂。
4、要求快速固化的环氧树脂胶可选用712、EL-50、615、615A、CEQ-45、双酚S、环硫等环氧树脂。
5、耐高温宜选用多官能环氧树脂(AG-80、AFG-90)、酚醛环氧树脂、邻甲酚醛环氧树脂、间苯二酚甲醛环氧树脂、间苯二酚型环氧树脂(J-80)、四酚基乙烷环氧树脂、脂环族环氧树脂、双酚S环氧树脂、有机硅环氧树脂、有机硼环氧树脂、含磷环氧树脂等。
6、要求耐低温或超低温的环氧树脂胶应选用聚氨酯改性环氧树脂、711、731、672等环氧树脂。
例如711 100(质量)份、GY-051 45份、KH-560 2份的组成物,160℃固化后,-196℃时剪切强度为18.6MPa。
7、配制光学环氧胶要选CGY-331透明环氧树脂、663环氧树脂、C.E.R330透明环氧树脂等。
8、如果进行光固化,可选用611、612、613等丙烯酸环氧树脂。
9、制备阻燃型环氧胶黏剂,可用溴化环氧树脂、A95环氧树脂、海因环氧树脂、含磷环氧树脂等。
10、用于电子/电器/电工的环氧灌封胶,可选用、E-39D、CYD-115、CYD-127、CYD-128、6180、6190、6380等高纯环氧树脂和海因环氧树脂、脂环族环氧树脂等。
t31与环氧树脂的配比环氧树脂是一种常用的高分子材料,具有优异的物理性能和化学性能,广泛应用于涂料、胶黏剂、电子材料等领域。
而t31则是一种常用的固化剂,用于与环氧树脂进行配比,以实现树脂的固化和硬化。
t31与环氧树脂的配比是非常重要的,它直接影响到树脂固化后的性能和应用范围。
一般来说,t31的用量会根据环氧树脂的种类、固化时间要求以及所需的性能来确定。
首先,我们需要了解一些基本的知识。
环氧树脂是由环氧基团和含有活性氢的化合物反应而成的。
而t31则是一种含有胺基的化合物,它能够与环氧树脂中的环氧基团发生反应,形成交联结构,从而实现树脂的固化和硬化。
在进行配比时,我们需要考虑到以下几个因素:1. 环氧树脂的种类:不同种类的环氧树脂具有不同的性能和固化特性。
因此,在选择t31时,需要考虑到与环氧树脂相匹配的固化剂种类。
2. 固化时间要求:根据不同的应用需求,对环氧树脂的固化时间有不同的要求。
一般来说,t31的添加量越多,固化时间越短。
因此,在配比时需要根据具体要求来确定t31的用量。
3. 所需的性能:不同的应用领域对环氧树脂的性能要求也不同。
例如,某些应用需要树脂具有较高的耐热性能,而另一些应用则需要树脂具有较高的抗冲击性能。
在配比时,需要根据所需的性能来确定t31的添加量。
在实际操作中,通常会通过试验来确定最佳的配比比例。
首先,将一定比例的环氧树脂和t31混合,然后进行固化试验,并测试试样的性能。
通过不断调整配比比例,直到得到满足要求的性能为止。
需要注意的是,在进行配比时,还需要考虑到其他因素的影响。
例如,温度、湿度等环境条件会对固化过程产生影响。
此外,不同厂家生产的环氧树脂和t31可能存在差异,因此在选择产品时需要参考厂家提供的配比建议。
总之,t31与环氧树脂的配比是一个复杂且重要的过程。
只有合理确定配比比例,才能得到满足要求的固化效果和性能。
在实际操作中,需要充分考虑到环氧树脂种类、固化时间要求以及所需的性能等因素,并通过试验来确定最佳配比比例。
环氧树脂胶泥配方
配制方法:
将上述原料除乙二胺、T31及水泥后加入外,其余均在搅拌情况下,依次加入混匀,最后加入乙二胺、T31.配制时若环氧树脂过稠,宜加热至40℃左右或多加入乙醇(或丙酮),凋匀后再配制。
施工方法:
环氧树脂胶泥要现配现用,配制胶泥时,要把浆液搅匀,然后加入填料水泥或石膏粉,最后才加固化剂,补缝前,要把缝凿成适当宽度和深度的凹槽。
并清洗干净,先用环氧树脂原浆液涮一遍,待快干时,再用环氧树脂胶泥填实,最后用原浆和玻璃丝布盖在裂缝面上,面积要比实际裂缝大。
环氧树脂胶泥是以环氧树脂为胶结材料,加入固化剂、增韧剂、填料配制而成。
(一)概述:环氧胶泥特点是耐腐蚀性、抗水性、绝缘性好,附着力强,但搞冲击力较差。
环氧胶泥主要作用于防水堵漏、修补砼缺陷、铺砌或勾缝的块材料面层、防腐层、隔离层等。
(二)填料要求:加入适当的填充材料可改善性能和节约树脂用量。
在胶液中加入填料为
80%。
常用填料为石英粉、滑石粉、粉煤灰、水泥等。
树脂用量的20-。
环氧树脂和固化剂配比的
计算公式
The latest revision on November 22, 2020
w(100质量份数所需胺固化剂质量份数)/%=(胺当量/当量)*100质量份数=(胺的分子质量*100质量份数)/(胺分子中活泼氢原子数*当量)=(胺的分子质量/胺分子中活泼氢原子数)*值=(胺的分子质量/胺分子中活泼氢原子数)*(基质量百分数/基分子质量)
2、低相对分子量聚酰胺用量计算
低相对分子量聚酰胺产品指标说明中常用“胺值“这一指标衡量氨基的多少,陈声锐认为,这不能正常正确反映活泼氢原子的数目,因此不能简单地将胺值作为计算聚酰胺用量的依据。
对于典型的聚酰胺,可以用下式计算用两。
w(聚酰胺)%=(56100/胺值*f)*值n-3式中:56100----------KOH(*10mol)f-------------系数,f=
(n+2)/(n+1),n为多亚乙基多胺中CHCH—的重复数减去1nn22
3、酮亚胺用量计算
W(酮亚胺)%=(固化剂当量/当量)*100
这里的“当量“系指酮亚胺和水完全反应时相当。
环氧树脂五布八涂施工方案1.工程概况工程名称:金堆城国家钼产品质量监督检验大楼外网污水管道改造工程工程做法:环氧树脂五布八涂做法2。
施工准备2.1。
质量目标质量目标:合格.2.2。
工程安全目标:无重大人身伤亡及中毒事故.3.材料准备3。
1。
环氧树脂(E44),固化剂(E31),稀释剂,涤纶布。
3.1。
1。
环氧树脂是指分子中含有两个或多个环氧基团的树脂的总称。
它性能优越,机械强度高,粘结力大,收缩率小(约2%),对酸碱等化学介质具有一定的稳定性,不透水性能优良.并且常温下性能稳定,环保性能优良。
使用时涂刷在水池内壁,干固后形成完整的强度很高的膜状物质,从而起到水池防水防腐目的。
3.1。
2。
环氧树脂常以有机胺类、树脂类为固化剂。
本工程根据环保需要,选用环氧树脂专用固化剂T31。
3。
1.3.为降低环氧树脂的黏度,必须用乙醇或丙酮稀释。
3。
1。
4。
根据本工程施工的条件环氧树脂配比如下表:1)每次的配制量应在30min内用完.中途不得补加任何原料。
2)环氧树脂的施工环境温度以-15—30℃为宜.3)施工后的树脂在不低于—15℃的环境中固化2—4昼夜。
3.2涤纶布采用涤纶布做加强层。
4。
施工方案4。
1。
施工条件4.1。
1。
已有条件:检查已有的建筑物和已有的基层是否满足防腐材料的施工条件.4。
1.2.环境条件:1)。
防腐材料施工要在干燥的天气;2)。
不要将防腐材料及其附料暴露于持续温度40℃的条件下。
4.2.清理基层4.2.1。
基层为必须坚固、密实,强度必须进行检测并应符合设计要求。
严禁有地下水渗漏、不均匀沉陷。
不得有起砂、脱壳、裂缝、蜂窝麻面等现象。
4。
2.2。
处理过的基层表面应平整,必须干燥,在深度为20mm的厚度层内,含水率不应大于6%;基层表面必须洁净。
施工前基层表面处理方法应为当采用手工或动力工具打磨时,表面应无水泥渣及疏松的附着物。
4。
2.3.凡穿过防腐蚀层的管道、套管、预留孔、预埋件,均应预先埋置或留设。
复合材料环氧树脂固化剂配比计算下载提示:该文档是本店铺精心编制而成的,希望大家下载后,能够帮助大家解决实际问题。
文档下载后可定制修改,请根据实际需要进行调整和使用,谢谢!本店铺为大家提供各种类型的实用资料,如教育随笔、日记赏析、句子摘抄、古诗大全、经典美文、话题作文、工作总结、词语解析、文案摘录、其他资料等等,想了解不同资料格式和写法,敬请关注!Download tips: This document is carefully compiled by this editor. I hope that after you download it, it can help you solve practical problems. The document can be customized and modified after downloading, please adjust and use it according to actual needs, thank you! In addition, this shop provides you with various types of practical materials, such as educational essays, diary appreciation, sentence excerpts, ancient poems, classic articles, topic composition, work summary, word parsing, copy excerpts, other materials and so on, want to know different data formats and writing methods, please pay attention!复合材料中环氧树脂与固化剂的配比计算1. 简介复合材料的制备过程中,环氧树脂与固化剂的配比是至关重要的步骤。
固化剂配比计算方法1、胺类固化剂w(100 质量份数树脂所需胺固化剂质量份数)/% =(胺当量/环氧当量)*100 质量份数树脂=(胺的分子质量*100 质量份数树脂)/(胺分子中活泼氢原子数*环氧当量)=(胺的分子质量/胺分子中活泼氢原子数)*环氧值=(胺的分子质量/胺分子中活泼氢原子数)*(环氧基质量百分数/环氧基分子质量)2、低相对分子量聚酰胺用量计算低相对分子量聚酰胺产品指标说明中常用“胺值“这一指标衡量氨基的多少,陈声锐认为,这不能正常正确反映活泼氢原子的数目,因此不能简单地将胺值作为计算聚酰胺用量的依据。
对于典型的聚酰胺,可以用下式计算用量。
w(聚酰胺)%=(56100/胺值*f )*环氧值n-3式中:56100----------KOH(*10 mol)f -------------系数,f =(n+2)/(n+1),n 为多亚乙基多胺中CHCH —的重复数减去1 n n 2 23、酮亚胺用量计算W(酮亚胺)%=(固化剂当量/环氧当量)*100这里的“当量“系指酮亚胺和水完全反应时相当有时在厂家产品规格说明书上除了给出“当量“外,还会给出“有效胺含量“系指酮亚胺和水完全反应时游离出来的反应性多胺(以体积或质量的分数表示)。
4、曼尼期碱用量计算酚、醛和胺缩合反应制得的产物成为曼尼期碱。
经典的曼尼期碱是由苯酚、甲醛及乙二胺反应制得,应用亦普遍。
按下式计算出的固化剂的量与按最大粘接强度决定的用量彼此很吻合。
Q=(1.3~1.4)K式中,K 为环氧树脂中环氧基的质量分数,%。
5、酸酐固化剂用量计算5.1 当使用一种酸酐固化剂时:W(酸酐)%=C*(酸酐当量/环氧当量)*100式中:酸酐当量=酸酐的分子质量/酸酐基的个数 C 为修正系数,场合不同采用不同的数值C=0.85 , 一般的酸酐0.6,使用含氯酸酐,或使用辛酸亚锡等有机金属盐;1.0,使用叔胺作固化剂;0.8,使用叔胺和M(BF )n 盐时5.2 使用两种酸酐混合物固化环氧树脂时1)将环氧当量换算成环氧值2)按混合比求出混合酸酐中每种酸酐的当量3)求100g 混合酸酐的当量4)求出100g 环氧树脂所用酸酐量PU产品中PU 固化剂与PU 含羟基组份配比、配量的计算方法1 计算公式OH 值42×100PU 固化剂需要量= ———×—————×(NCO/OH 比)561 NCO%式中:OH 值——PU 含羟基树脂羟值,mgKOH/g561——常数42——NCO 当量100——PU 含羟基树脂设定固体量2 羟值(mgKOH/g)、羟基百分含量(%)、羟基当量之间的换算关系为羟基百分含量=(17/羟基当量)×100羟值=33×羟基百分含量3 PU 聚酯漆中含羟值树脂占62%(该树脂不挥发份为70%,固体羟值为120),要求计算100份PU 聚酯漆应配NCO%为9的PJ01-50 固化剂多少(设计要求NCO:OH 为1.2:1)?代入计算公式120 42×(100×70%×62%)PJ01-50 固化剂配量= ——×————————————×1.2=43.3 份561 9即应配NCO%为9的PJ01-50 固化剂43.3 份。
环氧树脂改性三乙烯四胺固化剂的合成及性能研究马尚权;钱瑞;康惠花【摘要】采用环氧树脂E44对三乙烯四胺(TETA)固化剂进行改性及其性能的研究.实验结果表明:最佳改性条件为n(AGE):n(E44):n(TETA)=4.5∶1∶3,反应温度为50℃,反应时间为3h,可制备出水溶性优异,与环氧树脂乳液相容性优良的改性环氧树脂固化剂,其比未改性的三乙烯四胺有优异的物理化学性能和环保性能.该固化剂以水为溶剂,大大降低了制备出的涂料的VOC含量.【期刊名称】《华北科技学院学报》【年(卷),期】2018(015)001【总页数】6页(P109-113,119)【关键词】三乙烯四胺;环氧树脂E44;改性【作者】马尚权;钱瑞;康惠花【作者单位】华北科技学院安全工程学院,北京东燕郊065201;华北科技学院安全工程学院,北京东燕郊065201;华北科技学院安全工程学院,北京东燕郊065201【正文语种】中文【中图分类】TQ433.4370 引言脂肪族多元胺类是指分子中带有两个或两个以上氨基,并以碳氢结构为主链的一类化合物[1],这类化合物是环氧树脂发展史上最早被当做固化剂使用的,而且目前仍处于环氧树脂固化剂的核心地位,然而该类固化剂都存在着一些显著的缺点,如挥发性强,毒性大等,对环境和个人都会造成一定的危害,甚至会吸收空气中的二氧化碳,使得固化剂发黄鼓泡以及各项性能的下降[2~4]。
近年来,随着环境保护要求的深入人心,人们对环保型固化剂的需求量日益增大。
通过环氧树脂对脂肪胺进行改性,不但能够克服未改性胺类固化剂的缺点,而且以水为溶剂,使得整个施工过程更为安全。
必将成为未来固化剂发展的新趋势[5~7]。
本文主要是对脂肪胺固化剂三乙烯四胺进行改性,首先利用单环氧化合物AGE对三乙烯四胺(TETA)进行封端处理,起到降低活性的作用,再与环氧树脂E44进行加成反应,生成环氧-多胺加成物,TETA本身是水溶性的,但经过加成反应之后水溶性下降,采用冰乙酸与之中和成盐,适当的提高其水溶性和水分散能力[8~11]。
使用药剂:
1.环氧树脂 E-44
2.丙酮
3.固化剂
前期工作:
环氧树脂混合液:
环氧树脂一桶
丙酮 6勺
配方一:
三布四油
环氧树脂混合液6勺(4~6勺)+1勺固化剂
配方2:
补缝
环氧树脂混合液3勺+1勺固化剂
网上资料:
涂刷环氧树脂工艺
底层配制:100克环氧树脂,稀释剂40-60克,低温固化剂(T31)25克;
腻子料层(贴环璃布层)和面层配制:100克环氧树脂,稀释剂10-20克,低温固化剂(T31)25克;
配制顺序:环氧树脂加温融化(严禁直接进行加热)后,用容器盛出用量,然后加入稀释剂搅匀。
再加入固化剂,搅匀后进行使用。
配制完成。
配制完成后环氧树脂应在2小时内使用完。
玻璃布名称:表面毡,厚度约0.2mm
工序内容要求时间注意事项
1 打底,基层喷砂除锈,丙酮清理后,刷环氧树脂,涂抹均匀风干
2 贴玻璃布贴一层,贴实,不留气泡,不起皱,每幅布之间搭接不小于20mm 风干
玻璃布总层数按图纸规定
3 面层涂抹均匀风干涂前检查玻璃布无气泡
注:稀释剂一般为丙酮。
声明T31环氧树脂固化剂性状:T31环氧树脂固化剂是一种透明的棕色粘稠液体,易溶于丙酮、乙醇、二甲苯等有机溶剂,微溶于水,毒性极小。
分子内含脂肪胺类分子中的活性氢,又含有能起催化、促进环氧树脂固化的基团和苯环结构。
与脂肪胺相比,具有较强的憎水性,能在0℃左右的低温下固化环氧树脂,也完全可以在相对湿度大于90%或水下固化各种环氧树脂。
质量指标:1.外观:透明的棕色粘稠液体2.胺值:460-480mgkOH/g3.相对密度1.05-0.09(25℃)4.粘度mPa.s/25℃400-1000 按GB2794进行主要用途:T31环氧树脂固化剂具有耐腐蚀、抗渗透性好、固化速度快、粘接强度高、操作使用方便、价格较低等特点,是进行船舶,酸、碱、盐类容器、地下油气管线、矿井设备等的防腐;防水工程用低温、高温、水下施工补漏作业;进行化工设备、管道不停车堵漏抢修时理想的固化剂,也可作为结构胶粘剂的组份及电子元器件的灌封粘结材料。
在石油、化工、化肥、煤气厂、水库、矿山、造船、钢铁、涂料、建筑、电子等行业均可使用。
包装:20kg塑料桶、200kg镀锌铁桶包装。
贮存:贮存在阴凉、通风库中,不要与酸性物质和环氧树脂等一、产品性能:该树脂是一种改性胺类环氧树脂固化剂,与环氧树脂,增韧剂等配合固化后,具有毒性低,室温快速固化,粘接强度高、硬度高之特点,其绝缘、耐水、耐油、耐酸、耐碱、耐磨与耐化学改性良好,广泛用于机械、化工、船舶、建筑、粘接、防腐涂料、浇注等方面。
二、技术指标:胺值mgKOH/g≥460 粘度≥0.5mpa.s/ 25℃三、建议用料配比:(E44为例)环氧树脂为A组份,T-31为B组份夏季A:B=100:20-35 冬季A:B=1 00:25-35 四、包装:包装为25KG、220KG一桶。
说明:1、使用AB组份时可适量加入:(以下仅供参考)增韧剂:磷苯二甲酸二丁脂、糠醇、液体聚硫橡胶等稀释剂:醇类、丙酮等,加入量以适于涂刷为宜2、施工时配胶量不宜过大。
环氧树脂与固化剂的比例环氧树脂和固化剂的比例,听上去是不是有点复杂?搞清楚这个比例就像做菜,掌握了火候,味道就好得不得了。
你想啊,环氧树脂就像是面粉,而固化剂就是那神奇的酵母。
面粉多了,面包发不起来,酵母多了,面包又会变得太过膨胀,搞得不成形。
比例掌握得当,成品就能香喷喷的!要知道,环氧树脂跟固化剂的比例,通常是1:1到2:1之间,但这还得看你的具体需求。
有的朋友想要快干,可能会用更高比例的固化剂,那可是要小心了,别让它一瞬间就“嗖”地变硬!大家都知道,环氧树脂是一种超强的粘合剂,能把各种材料粘得紧紧的,就像是超级胶水。
但你也得明白,不是所有的胶水都能随便混合的,尤其是环氧树脂。
每一种环氧树脂都有它自己的个性,和固化剂的搭配就更是“天造地设”的缘分。
有些固化剂温和得像朋友,跟环氧树脂一起就能安安静静地固化。
而有的固化剂可就比较“强势”,催化剂一样的,跟环氧树脂一结合,速度可真是快得惊人。
你以为自己在做手工,结果一转眼,材料就已经干得跟石头一样了,嘿,那可是要小心处理的哦!说到具体比例,不得不提的是不同的应用场合。
比如,家里要修个东西,DIY一下,咱可以大胆一点,1:1的比例就挺不错的。
这样干得快,强度又好,简直是居家必备良品。
但是,要是你是专业的,或者做一些高强度的结构,可能就要深入了解一下,2:1的比例会更稳妥。
选对了比例,项目进展得就顺畅得多。
环氧树脂的稀稠程度也会影响到咱们的比例。
像是调味品,咱们可以根据口味调整。
环氧树脂如果比较稠,可能需要多加点固化剂,才能让它们“融洽相处”。
不过,千万别一味追求比例,实际上,材料的温度、湿度都能影响反应速度。
夏天做手工,简直就像开了快车,冬天可就得慢慢来,毕竟低温下反应慢,得多给点时间。
在实际操作中,准备工作得做好。
把所有材料都准备齐全,别到时候临急抱佛脚。
要是找不到固化剂,那真是捡了芝麻,丢了西瓜。
还要记得,混合的时间要控制好,像是打蛋,要搅拌均匀,别让它们“分家”。
环氧树脂E44与固化剂T31如何配比 环氧树脂E44与固化剂T31如何配比环氧树脂E44与固化剂T31如何配比环氧树脂E44与固化剂T31如何配比-我看到过你回到帖子关于聚醚胺D230和环氧树脂的比例题目,可是没看懂啊,你说换算胺类固化剂与环氧的配比计算:对于环氧煤沥青固化剂。
胺用量=生动氢当量X环氧值 E-51环氧树脂&nbull cra good solidpp;安阳防腐玻璃钢地坪 环氧砂浆地坪聚醚胺D230和环氧树脂的比例-寻常在1%左右,你可以本身做些试块,e44。
看看增加和简洁节略的比例。
环氧玻璃钢固化剂。
要是有那种能在塑料外观罩光的环氧树脂,如何。
对于环氧玻璃钢固化剂。
作为增塑也应当大概。
你看配比。
不同厂家的产品比例不同吧&nbull cra good solidpp;求教环氧树脂固化剂配方-环氧树脂与石材粘接力还可以,石子外观尽量搞清洁一点,看着环氧固化剂生产厂家。
关于固化剂的配比按其利用环氧树脂过失是代价对照贵吧。
不知你最终用处是什么。
对比一下环氧树脂。
好些固化剂比例有点&nbull cra good solidpp;/blog/post/76.html环氧树脂怎样延伸固化时候?-两种配比的比例转变下,适合的多加一些固化(50%~100%)剂。
我不知道无色无味环氧固化剂。
调匀,固化时也可以加温(在电子元件不被破损的情形) 依据实际,听听环氧树脂固化剂。
环氧树脂与乙二铵是1:听听环氧树脂常用固化剂。
&nbull cra good solidpp;怎样用环氧树脂做陶瓷填缝剂?用什么样的固化剂、催化剂、稀-固化是必要时候的,看着环氧固化剂生产厂家。
大概时候还没有到。
想知道环氧树脂固化剂。
对比一下无色无味环氧固化剂。
纵使比例不对也是会固化的,环氧树脂E44与固化剂T31如何配比。
只是快慢E44环氧树脂 邻苯二甲酸二辛酯; 康醇;T31-I固化剂= 分量 100 ;15-&nbull cra good solidpp;环氧玻璃钢固化剂谁明晰环氧树脂地坪漆。
环氧树脂固化剂比例。
鼓舞剂。
e。
固化剂的比例是若干-T31的增加量在10-30%之间,我不知道欧冠赔率。
环氧玻璃钢固化剂。
根据温度调整,温度越低增加量越大,t。
目前的温度要增加25%左右 &nbull cra good solidpp;环氧树脂E-44与二乙烯三氨的配比比例是若干?用于固化密封,环氧树脂固化剂。
-寻常纯树脂和固化剂的配比是2:1,环氧煤沥青固化剂。
但是鼓舞剂严重是针对其时气温对固化剂的鼓舞,环氧玻璃钢固化剂。
加速反响速度的,环氧树脂常用固化剂。
寻常像目前的25C°都不必要加鼓舞剂,对于高温环氧固化剂。
在温度为10-15C°&nbull cra good solidpp;水性环氧固化剂环氧树脂E44涂在木头上不固化(固化剂加到1:1都不行)-二乙烯三胺分子量103,分子中有5个生动氢,t31。
生动氢当量为20.6;E-44环氧树脂环氧值寻常以为是0.44,我不知道环氧树脂E44与固化剂T31如何配比。
则100克E-44环氧树脂二乙烯三胺的实际用量为0.44X&nbull cra good solidpp;听说环氧固化剂生产厂家/blog/post/289.html固化剂环氧固化剂生产厂家环氧固化剂及添加剂环氧树脂E44与固化剂T31如何配比环氧树脂固化剂,有什么改性的或代替双氰氨,丙酮/乙醇溶解,,普通环氧水晶胶是由高纯度环氧树脂、固化剂及其。
格瑞斯水晶胶专家将其改性,广泛地应用于粘接各种金属和非金属材料如:影楼后期、钢铁、铝材、陶瓷、玻璃 固化剂是什么,承接环氧树脂地坪、耐磨地坪、防静电地坪、防腐工程及玻璃钢工程。
东莞市陶氏一、各色环氧树脂地坪漆 本漆分为A、B两组份,其中A组为固化剂,B组为 我想用环氧树脂镶嵌试样,常温快速固化后有一定的硬度,能耐1,、快速固化,使用方便; 3 、能耐 98 %硫酸和大部分化学溶剂; 4 、对深圳添彩玻璃钢防腐FRP地板性能特点: 1、 防腐蚀性能好,抗油渗、抗压; 急!!什么样的玻璃钢耐硝酸好?谢谢各位了,PSQ改性复合树脂玻璃钢: PSQ改性复合树脂是用环氧低聚物与其它嵌段树脂接--PSQ改性复合树脂是单组份的,其固化剂为热分解型固化剂,因此,在常温 环氧树脂地坪、耐磨地坪、防静电地坪、防腐工程及玻璃钢工程。
,固化剂顾名思义就是让离散的物质聚集起来,目前有树脂固化剂,土壤固化剂等等,在这领域里,我了解更多的就是土壤固化剂,有土固精、亿路特通等品牌, 玻璃钢防腐地坪,有东莞或者广州这边的做环氧固化剂的可以留下公司名称,稍后联系拿样板,我是1、 环氧复合材料:改善碳纤维、玻璃纤维增强环氧复合材料的抗冲击、开裂, 什么是不饱和树脂,环氧树脂,ABS,亚克力,常温固化的环氧胶水一般不能达到这个耐温要求,建议你使用加温固化的环氧胶水,更方面的性能都比较好。
强力环氧胶小朱 求不饱和树脂(玻璃钢油)生产厂家,最好在辽阳周边(鞍山,, 买的环氧树脂用来做玻璃钢的,没加蓝水和白水,放在桶桶里怎,我不太了解这东西,就是餐桌的面漆就是这个,我们叫玻璃钢油。
好像还需要您好,您说的固化剂类产品,我们是完全可以提供的,我们 环氧树脂和固化剂的一般 比例为多少,换算胺类固化剂与环氧的配比计算:胺用量=活泼氢当量X环氧值 E-44/6101环氧树脂环氧值按0.44eq/100g计算, 无水乙二胺固化剂分子量是60,含有四个活泼 大家好!现在本人急需一款长期耐温150度的常温固化环氧树脂固,均苯四甲酸二酐(PMDA)可以单独用作环氧树脂的固化剂参考用量:CYD-128:PMDA=100:56,固化条件180℃/5~15min。
但是PMDA熔点高,难与环氧树脂混合,可溶解于 环氧树脂固化剂贴花岗岩如何配比,1:2 最好计算一下理论用量,并没有所谓的固定比例,固化剂用量因树脂的环氧值和固化剂种类不同而不同. 那要看你的环氧树脂是那种型号的了,不 油墨里的用的什么环氧树脂?用什么固化剂?比例是多少?跪求赐教,比例无要求!问题补充:请问加温固化环氧树脂最高能做到耐温多少度? 环氧树脂AB胶可以吗,这个胶水可以耐温150度济南运嘉化工有限公司常年供应 环氧树脂( E44/6101) 和固化剂( 无水乙二胺 分子式:C2H8N,弹性的大小跟主剂的调整也有一定的关系,一般来说,聚酰胺的韧性相对比较大一些,配合比也较大80-120%都可以 用固化剂使环氧树脂固化后弹性增大一般都 环氧树脂用什么样的固化剂固化能使其弹性增大,比例多大,选,胺类用量=MG/Hn 式中: M=胺分子量 Hn=含活泼氢数目G=环氧值(每100克环氧树脂中所含的环氧当量数) 用酸酐类时按下式计算:酸酐用量=MG(0.6~1 急需:环氧树脂与固化剂在夏天用的最佳比例是多少?用什么稀释?,/环氧干挂石材胶 本产品是由不饱和聚脂与精选的强化剂、促进剂、阻聚剂、100:1左右的比例 强度高 固化快不受温度限制 1.1:0.9 哪位大侠能否指教可以单独用均苯四甲酸二酐可做环氧树脂的固,就是您所说的固化后不硬 不要高离谱/不要底离谱就好了哈/纯树脂比例是2比1/ 环氧树脂调配时固化剂比例一定要按照比例调配,一般是5;1和4; 固化剂和环氧树脂的比例,就环氧树脂来说,可用于油墨的有分好几种,固化剂也可以灵活搭配使用。
没有固定的配方,不同厂家不同系列的树脂及固化剂都不一样。
油墨品种也各异,不可 环氧树脂调配时固化剂比要求比例高了有什么影响?低了有什么,与固化剂的配比,只能在理论计算量作一些调整。
温度较高添加量可以比理论值小比例什么的,一般50ml左右的环氧树脂加一满试管的乙二胺就可以了。
5: 环氧树脂固化剂?,树脂类 叔胺,另外在光引发剂的作用下紫外线或光也能使环氧树脂固化。
常温或低温固化一般选用胺类固化剂,加温固化则常用酸酐 芳香类的。
湿度大会影响固化 环氧树脂分为哪几种?常用的固化剂有哪些?,环氧树脂固化剂是与环氧树脂发生化学反应,形成网状立体聚合物,把复合材料骨材包络在网状体之中。
使线型树脂变成坚韧的体型固体的添加剂。
包括多种类型。
环氧树脂是怎么使用的?,不是特别高档的产品可以用两块钱一公斤的普通胶水加上两块钱一公斤的固化剂几分钟就固化完成,表面一样光滑坚硬有韧性。
环氧树脂固化剂的选择,脂肪族胺类固化剂如乙二胺、己二胺、二乙烯三胺、三乙烯四胺等是常用的双组分环氧树脂室温固化剂,通过化学改性的方法,将其与有机酮类化合物进行亲核加成 环氧树脂的固化剂 用那种?,以T31固化剂为例,含水量在5%以下时,与环氧树脂混合时是透明的,固化后胶层表面光泽度是很好的,胶层是透明的;含水量在10%左右调教就会出现发白的现象 手上沾到了环氧树脂与固化剂的混合物后,总是出水,怎么办?,这和你使用的固化剂有关,比如多元胺是环氧开环与氨基缩合。
我隔壁实验室用的是酸苷类固化剂~~ 这类反应统称交联反应。
参考资料:http://baike.baidu. 环氧树脂加固化剂粘在手上怎么洗,/环氧干挂石材胶 本产品是由不饱和聚脂与精选的强化剂、促进剂、阻聚剂、稳定剂、触变剂、引发剂等进行科学配伍制成的快固石材胶。
主要特点是固化快,可 环氧树脂固化剂,有什么改性的或代替双氰氨,丙酮/乙醇溶解,,有东莞或者广州这边的做环氧固化剂的可以留下公司名称,稍后联系拿样板,我是橡胶增韧是环氧树脂(乙烯基酯树脂、不饱和树脂、环氧复合材料、各种结构粘合 环氧树脂e51固化剂,几种典型固化剂对环氧树脂涂料性能的影响见下文。
view/6e50c0ef57c.html 参考资料:view/ 环氧树脂固化剂在海口那有卖?,环氧树脂加固化剂在没有固化前可以用常用的有机溶剂(酒精、丙酮、甲苯、香蕉水、汽油等等)都可以洗掉,为了人的身体健康,建议用布蘸酒精擦拭干净后再用 环氧树脂固化剂贴花岗岩如何配比,下面在此谱及一下部分环氧固化剂毒性常识。
楼主这个情况一般是胺类的固化剂,因为碱性强,由于腐蚀性和对皮肤的渗透性很容易使皮肤受到损害。